机械行业图纸与工艺文件的发放d
- 格式:doc
- 大小:1.27 MB
- 文档页数:164
图纸、工艺文件管理规定龙口丛林中德车体系统工程有限公司标题Tile 图纸、工艺文件管理规定文件编号Doc. No.CBSE3-10-015-1修订日期Rev. date 2010-06-12 页码Page 1/5编制人签字revised by 审核人签字Audited by 批准人签字approved by 1( 目的为规范图纸及工艺文件管理易于追溯,保证生产加工、检验时能顺利得到相应文件,以支持产品的符合性。
2( 范围生产、技术、品保的图纸及加工工艺。
3( 职责技术部:负责图纸工艺的编制、下发、及各部门图纸工艺使用情况的监督;生产部:负责图纸工艺的使用与保管;品保部:负责图纸工艺的使用和保管。
4( 过程活动4(1 图纸工艺的编制、发放及保管图纸和工艺的编制有技术部进行,具体管理内容执行技术部《技术文件管理规定》。
图纸和工艺发放时,必需携《图纸文件清单》一同发放,为节约纸张降低成本,提高工作效率,避免图纸工艺更改时带来的不便,公司的《图纸文件清单》在项目前期策划还未结束时以电子版形式存在,发放也是通过“集团公司办公自动化系统”进行网上发放,具体发放方法及操作内容见以下流程:输入流程责任部门解释输出新项目图纸技术部当公司接到新项目时,根据客户来图情况,确定是否需转化,整理出完整的公司用图纸,图纸绘制及评审执行技术部《技术文件管理规定》公司适用及评审完毕的图纸工艺公司适用及评审完毕的图纸工艺技术部图纸工艺绘制及评审完毕时,由技术员编制图纸文件清单,此处为了区分清单与清单,对清单文件名进行规范也便于生产品保进行替换,文件名为:项目名-产品名-图纸文件清单图纸工艺及电子版《图纸文件清单》图纸绘制及转化编制图纸清单龙口丛林中德车体系统工程有限公司标题Tile 图纸、工艺文件管理规定文件编号Doc. No.CBSE3-10-015-1修订日期Rev. date 2010-06-12 页码Page 2/5编制人签字revised by 审核人签字Audited by 批准人签字approved by 图纸工艺及电子版《图纸文件清单》技术部上述工作完成后,技术员将经评审完毕的图纸及电子版清单发至档案管理员接收的图纸工艺及《图纸文件清单》接收的图纸工艺及《图纸文件清单》档案管理员接到图纸后准备发放图纸工艺并盖存档章、受控章准备好的图纸及工艺电子版图纸清单档案管理员档案管理员将电子版图纸文件清单转化为PDF 格式PDF 格式《图纸文件清单》PDF 格式《图纸文件清单》档案管理员档案管理员将PDF图纸文件清单进行存档,删除 Excel 清单存档的《图纸文件清单》PDF 格式《图纸文件清单》档案管理员发放时先通过公司办公自动化将 PDF 格式文件清单发至品保部和生产部指定人的户中发送成功图纸及工艺档案管理员将图纸工艺发至生产部品保部,此处无发放记录图纸工艺接受图纸工艺接受生产部品保部接收部门对照PDF格式图纸文件清单清点图纸接收的《图纸文件清单》及图纸工艺接收的《图纸文件清单》及图纸工艺生产部品保部当确认图纸数量、内容无误时,在A6 中将此协同处理,点已阅,点已阅后证明图纸无误,同意接受。
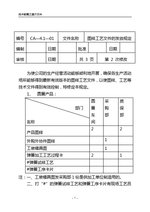
为使公司的生产经营活动能够顺利地开展,确保各生产活动场所能够得到最新有效版本的图样工艺文件,以使图样、工艺等技术文件得到有效控制,特修定本规定。
注:一、工装模具图发采购部1份是供加工单位制造用的。
二、打“#”的弹簧试样工艺和弹簧工序卡片有现场工艺员
(试样员)经试验后编制,发放到有关班组,相关道序按此执行。
注:一、工装模具图发采购部1份是供加工单位制造用的。
二、打“*”的钢板弹簧通用工艺卡片和的发放范围为:板
簧前道车间2份、板簧后道车间4份。
板簧前后道车间
再统一由技术组发放到相关班组。
三、打“*”的外购外协件明细表除上表规定外,还应发放
到板簧后道车间技术组4份,再由技术组将其余4份发
放到外购外协件检验员、板簧总检、后道车间检验员、
操作班班长。
注:一、工装模具图发采购部1份是供加工单位制造用的。
二、打“&”碟形弹簧片组合工艺卡只在组合碟簧中用到.
打“&”碟形弹簧片测试工艺卡只在特殊需要时编制
特别说明:
圆簧产品如发外加工,由生产部提出申请,技术部审核后发放生产部,生产部对发外产品的图样负责进行发放登记。
生产车间图纸管理办法(为提高产品质量和生产效率,避免因图纸管理不当造成的损失,特制定本办法,请有关人员予以遵照执行)一. 图纸的绘制与审核(一)无论电脑还是手工绘制的图纸,必须详细标明技术参数、材质等技术、加工要求,并标明绘制人和绘制日期.(二)绘制的图纸必须经审核人审核和加盖审核章并标明审核日期方能为有效图纸。
(三) 作废的图纸必须收回并加盖作废章.二。
图纸的发放、使用和保管(一) 使用1。
图纸一式三份,研发(装配)一份、生产一份、加工一份。
2. 无论是生产内部使用,还是采购、外协,只允许使用复印件(看不清楚除外)。
3. 生产内部派工,必须用文件套(透明)套好图纸,随派工单派工,操作员工交工时必须将图纸和派工单一并上交。
4。
生产部外协加工,由外协负责人将有效图纸交给外协单位,待外协完工交检验时一并交回.下批生产时重新发图,以避免因图纸改动而造成零件不合格。
5. 生产部和品管办有权拒绝使用无效图纸.6。
生产过程中弄不见或自行修改的扣十元一张.(二)保管1。
图纸的原件由主管负责妥善保管。
2. 内部使用的图纸复印件要保持整洁。
3. 收回作废的图纸要标明作废日期,加盖作废章三。
图纸的更改与作废(一)更改1。
更改图纸,绘图人员必须先将原图纸收回,并签“作废”章,标明作废日期,重新绘制图纸并经审核为有效图纸后方可发送。
2. 只须在原图纸上更改的, 必须标明更改日期和更改人.3。
在产品生产过程中,凡设计到图纸问题,负责人员要快速反馈到绘图负责人,由绘图负责人决定是否更改图纸。
4. 在采购过程中,若现在市场无法满足设计要求,采购人员及时反馈到负责人,由负责人决定是否更改图纸及技术要求。
(二) 作废凡需更改的图纸必须先收回作废四。
新试制产品图纸的管理对试制中的不定型产品的零部件,生产试制人员可会同技术人员共同商讨、绘制,暂不做严格规定。
但须在图纸上注明“试制”。
定型后由技术人员绘图存档,执行审核管理。
机械行业图纸与工艺文件的发放简介在机械行业中,图纸和工艺文件的发放是一个关键的环节。
图纸和工艺文件是指在机械设备的设计、制造和维修过程中,用于传递信息和指导操作的文件。
本文将重点介绍机械行业图纸和工艺文件的发放流程和注意事项。
图纸发放流程图纸发放是指将机械设备的设计图纸送达给需要的人员或部门。
下面是一个常见的图纸发放流程:1.设计部门完成设计:设计部门根据产品的需求和要求,完成机械设备的设计。
设计人员需要绘制相关的视图、剖视图和零件图,并编制配套的图纸说明。
2.经过内部审核:设计部门完成设计后,将图纸提交给内部审核部门进行审核。
审核部门将对图纸的完整性、准确性和合规性进行评估,确保图纸符合相关标准和规范。
3.工艺部门编制工艺文件:经过内部审核通过后,图纸将交给工艺部门进行工艺文件的编制。
工艺文件包括加工工艺、装配工艺、质量控制要求等内容,旨在指导生产和维修操作。
4.发放给生产部门:完成工艺文件编制后,工艺部门将图纸和工艺文件发放给生产部门。
生产部门根据图纸和工艺文件的指导,进行机械设备的生产和装配。
5.文档变更通知:如果图纸或工艺文件发生了修改,设计部门或工艺部门负责通知相关人员,并提供更新的文件。
这是为了保证生产和维修工作的准确性和及时性。
注意事项在图纸和工艺文件的发放过程中,需要注意以下几个方面:1.文件的完整性:图纸和工艺文件应包含必要的信息和图纸说明,确保被收到的人员或部门能够正确理解和执行相关操作。
2.文件的标识和编号:每份图纸和工艺文件都应有明确的标识和编号,用于追溯和管理。
这有助于组织对文档的查找、更新和归档。
3.文件的变更管理:如果图纸或工艺文件需要修改,应及时通知相关人员,并提供更新的文件。
同时,旧版文件应进行撤回和处理,以防止误用。
4.文件的存档和备份:图纸和工艺文件应进行适当的存档和备份,以防止文件的丢失或损坏。
备份文件应保存在安全可靠的地方,以便在需要时进行恢复和使用。
5.文件的权限管理:不同的人员可能具有不同的权限,因此在发放图纸和工艺文件时,请注意核对接收人员的权限,并确保他们有权使用相关文件。
济南一机床集团有限公司质量管理体系文件产品图纸、工艺及技术文件发放管理规定济南一机床集团有限公司2006年10月济南一机床集团质量管理体系文件产品图纸、工艺及技术文件发放管理规定J1ZY4206-20061范围本规定界定了产品图纸、工艺及相关技术文件发放的程序和范围。
本规定确定了产品图纸、工艺及相关技术文件发放单位、收回、存档及销毁的具体要求。
本规定适用于济南一机床集团公司各管理部门和生产车间。
2基本要求为加强产品图纸、工艺及技术文件管理,适应企业生产经营的要求,使图纸、工艺及技术文件能有效的指导生产,更好的为科技研发服务。
确保图纸、工艺及技术文件的完整、正确、统一,要求相关人员严格执行本规定,强化图纸、工艺及技术文件的发放管理。
3产品图纸、工艺及技术文件发放具体规定3.1 正常生产用图纸、工艺及技术文件的发放3.1.1 设计图纸及相关技术文件发放的单位和配置的数额详见(附表一):《设计图纸、技术文件发放单位的规定一览表》3.1.2 加工、装配、热处理工艺文件发放单位和应配置的数额详见(附表二):《加工、装配、热处理工艺文件发放单位的规定一览表》3.1.3 锻冶工艺文件发放单位和应配置的工艺和工艺卡片数额详见(附表三):《锻冶工艺、技术文件发放单位的规定一览表》特殊情况图纸、工艺及技术文件的发放生产部外协使用图纸的发放:由生产部外协提出计划指标(第一次外协的零件同时给质检处外协科提出计划指标,为质检处外协科提供一份外协件图纸),经生产部部长审核签字,技术部部长同意,技术部负责通知晒图室发放至生产处外协和质检处外协科。
同一个产品或部件、零件若几个单位同时生产需增加下发图纸、工艺文件时图纸和工艺文件的发放:必须下达计划指标,指标由生产部计划员提出,经生产部部长审核签字,技术部部长批准,技术部负责通知晒图室或各产品主管发放。
(若产品由一个车间转到另一个车间生产,生产部通知相关车间,相关车间办理图纸、工艺文件的移交手续,不再另外下发图纸、工艺文件)。
技术图纸、资料管理、发放、使用制度Xxx-xx-A/01、目的技术图纸资料是各部门进行生产准备、检验、计量、装配、调试等的依据文件,为保证技术图纸和文件的正确、统一、完整、有效,确保公司生产经营活动的顺利进行,维护企业的商业秘密,特制定本制度。
2、范围公司所有技术图纸资料。
3、技术图纸资料的归档各技术部门对本部门技术活动中产生形成的技术图样、文件应做好日常的整理工作,按要求完整、准确、及时地进行归档。
4、技术图纸资料的保管4.1技术图纸资料的保管部门有:厂综合档案室、生产技术科、质检科和生产车间。
4.2技术图纸资料的保管范围:厂综合档案室负责集中统一保管全厂的技术底图;生产技术科、质检科和车间负责保管本部门的生产用图纸。
4.3技术图纸资料的保管要求:厂综合档案室应按照档案管理条例的要求管理好图纸,其它各保管科室、车间设兼职档案资料员负责保管本部门的技术图纸资料,严禁乱扔、乱放、丢失、失密的现象发生。
5、技术图纸资料的复制、发放、使用5.1技术图纸资料的复制、发放由厂综合档案室统一负责。
5.2技术图纸资料的发放范围:成套性产品图:生产技术科、质检科各1套;在制产品零件图:各承制车间1份;产品外购件、外协件入库检验用图:质检科1份;非标准外购件图:采购科1份按计划生产的工装图、协作工序图、临时任务图:车间1套。
单项工艺规则、加工工艺卡:各生产车间一份;5.3技术图纸资料复制发放发放范围内的技术图纸文件由档案室负责复制发放至各科室、车间,发放时,档案员应在“图纸发放回收记录”上填写发放图纸的型号、规格、发放部门、发放日期并签字。
5.4技术图纸资料的使用、更新:发放至各科室的成套性产品图、工艺文件均为塑封图纸,发放至各科室、车间的在制产品用图、工装图、工艺规程、加工工艺卡、材料消耗工艺定额等为塑封图,半图和塑封图的使用期限均为长期,使用中出现正常破损时,使用科室、车间管理员持破损图到档案室换取新图。
使用中出现非正常破损和丢失时,使用科室和车间负责人应查明原因、分清责任、作出处理后提出补发图申请,经质保工程师或厂长在补发图申请上签字批准后,由档案室补发新图。
图纸和技术文件的发放与管理制度
1.成批或连续生产的产品图纸和技术文件的发放作为正常的发放。
正常发放范围见《产品图样设计文件发放表(2000)》正常发放的图纸和技术文件加盖部门章及日期章,研究所应负责其正确,统一。
2.如有关部门临时需要增发的,应提出申请报告,经总工程师批准后方可增发。
3.不连续生产和非批生产的产品第一次投料生产时可参照执行。
4.重复生产产品只补发二套调度处供生产图及机械加工工艺卡片,此外,发生产调度处锻件工艺卡三套及技术外协图(铸铁件,铸钢件,焊接件图纸)为三份。
5.各单位应指定专人担任资料员,负责保存管理图纸和技术文件,并将名单报研究所备案,资料员应负责本单位图纸的齐全、完整、统一、正确。
6.正常发放的图纸和技术文件破旧损坏应以旧换新,由一位资料员事先提出安排复晒。
遗失的,当事人应打报告经所在部门负责人签字,总工程师批准后(必要时应追查责任),方可补发。
设计图样和设计文档、发放及回收办法FTZGN.8110400.015.0-2005福田重工农装管理制度制度要素1.制订目的加强产品技术资料的管理,强化各部门、科室对技术资料的保护和管理意识,降低管理费用,最大程度缩短管理流程,防止技术机密外泄,保证技术成果不受侵犯,特制订本规定。
2.适用范围适用于农装事业部内相关各部门以及需要提供产品图样和设计文件的外协厂家。
3.术语产品图样:本制度产品图样仅包括设计输出的各类S图,A图、B图;设计文件:本制度设计文件仅指业务联系书、更改通知单、明细表、配置表、系统结构表、新产品技术状态信息表等。
制度主要内容4.各单位职责4.1 工程开发部是收获机械、拖拉机产品图样和设计文件的印晒管理部门,(工程开发部资料室)是A图、B图(包括新产品鉴定蓝图、电子图档)以及外来资料的归档管理部门,是A、B图二次申请的图纸发放及相对应旧图回收的管理部门。
4.2 专业研究所(一所、二所)负责S图的存档发放,更改通知单的编制、复制、存档、发放,A图、B图的首次发放以及职责内的旧图回收,负责S图状态设计更改业务联系书的编制、发放和档案管理工作,负责将A图底图和相关设计文件送交工程开发部进行归档。
4.3 农装事业部采购部、制造部负责更改通知单及相应技术资料对外协厂家(制造单元)发放的部门(科室):负责向各专业研究所技术管理员提供各“零部件图号对应外协厂家(制造单元)数量明细表”(表样见附录11),并根据变化情况随时更新明细表,保证更改通知单、更改图样、技术文件高效同步知达各制造单元外协厂家,同时负责相对应旧图的回收,按要求集中交专业所技术管理员确认登记后统一按规定销毁。
4.4 农装事业部各部门负责本部门产品图样和设计文件的保管、保密和使用以及相应的图纸更改等管理工作。
5.内容及要求5.1 产品图样和设计文件的归档管理5.1.1 根据专业研究所签批的“产品图样输图交接单”(见附录1),经工程开发部综合管理科负责人签批后,由综合科兼职输图人员给予图样输出。
技术、工艺文件(标准)发放、修改管理制度技术、工艺文件(标准)发放、修改管理制度1.总则1.1技术、工艺文件(标准)是公司一切生产经营活动的源头,为有效保护和利用技术、工艺文件(标准),确保技术、工艺文件(标准)发放、修改过程中的保密性、连贯性、准确性,维护公司合法权益,特制定本管理制度。
1.2技术、工艺文件(标准)包含了产品图样、工装图、铸件图、工艺文件、产品标准等。
2.管理职责2.1技术、工艺文件(标准)发放由总师办统一管理,综合办公室具体负责,确定发放部门和份数,并登记造册;零星要求的技术、工艺文件(标准)的发放由所需部门提出申晒(印)要求,经综合办公室主管审核,总师办主任确认后晒发,并履行登记签字手续。
2.2技术、工艺文件(标准)的修改由主管设计、工艺、工装、标准化人员填写更改通知单,由各研发中心主任签字确认后进行,在完成了相关部门的技术、工艺(标准)文件的修改,并经各相关部门技术资料管理员签字确认后,交底图档案管理员存档,并履行登记手续。
3.技术、工艺文件(标准)发放3.1 新产品技术、工艺文件(标准)发放(1)新产品归档后,由综合办公室业务主管布置底图档案管理员,申晒三份图样,晒图室负责向设计、工艺、生产部门图库各发放一套蓝图,产品明细分发到外协、外购部门和相关部门。
(2)铸件图由晒图室负责晒发。
(3)各种晒(印)好的技术文件由晒图员统一装订、复查无误后,盖上“有效版本”、“发放部门”、“发放日期”三个印章,按《设计文件发放表》和《工艺文件发放表》规定的要求发放到有关部门。
发放前晒图员应填写技术文件发放台帐,记录技术文件名称、数量、发至部门、发放日期。
3.2各类备案后的产品标准由标准化员确定发放部门、份数,经综合办公室主管确认后发放,标准化员做好登记手续。
3.3所有技术、工艺文件(标准)发放都应由接收方签字确认。
3.4新产品试制完成后,在签字齐全的正式工艺文件归档后,由底图档案管理员负责补发全套蓝图,晒图室按照设计、工艺文件发放表的规定晒发各部门。
机械制造工艺文件管理制度(参考)一、概述机械制造工艺文件管理制度是为了规范机械制造过程中的工艺文件管理,确保产品质量,提高生产效率,降低生产成本,保障企业可持续发展。
本制度适用于机械制造企业工艺文件的编制、审批、发放、使用、保管和更改等工作。
二、工艺文件的定义与分类1.定义:工艺文件是指为了指导生产、检验、使用和维修等过程,明确产品及其零部件的制造工艺、操作方法、检验标准和质量要求的技术文件。
2.分类:工艺文件分为产品工艺文件和零部件工艺文件两大类。
(1)产品工艺文件:包括产品图样、工艺规程、检验规程、作业指导书、包装运输贮存说明书等。
(2)零部件工艺文件:包括零部件图样、工艺规程、检验规程、作业指导书等。
三、工艺文件的编制与审批1.编制:工艺文件由工艺部门负责编制,编制时应遵循以下原则:(1)确保产品及其零部件的制造工艺、操作方法、检验标准和质量要求符合国家法律法规、行业标准和企业内控标准。
(2)充分考虑生产现场的实际情况,确保工艺文件的实用性和可操作性。
(3)采用统一的技术术语、符号和计量单位。
2.审批:工艺文件编制完成后,需提交给相关部门进行审批,审批流程如下:(1)编制人员将工艺文件提交给部门负责人进行初步审查。
(2)部门负责人将审查合格的工艺文件提交给技术负责人进行审批。
(3)技术负责人审批合格的工艺文件,签署意见并加盖公章。
(4)将审批合格的工艺文件发放给相关部门和人员。
四、工艺文件的发放与使用1.发放:工艺文件经审批合格后,由工艺部门负责发放,发放时应遵循以下原则:(1)确保各部门和人员领用的工艺文件为最新有效版本。
(2)发放记录需详细记录领用部门、领用人、领用日期等信息。
2.使用:各部门和人员在使用工艺文件时,应遵循以下规定:(1)严格按照工艺文件规定的制造工艺、操作方法、检验标准和质量要求进行生产、检验、使用和维修等活动。
(2)不得擅自修改、损毁、丢失工艺文件。
(3)如发现工艺文件存在错误或需更改,应立即报告工艺部门。
W L青岛威龙锅炉辅机有限公司03-07组2007版压力容器质量保证体系文件企业管理和技术标准受控状态:受控本非受控本发放编号:管理者:2007-6-15 发布2007-7-1 实施青岛威龙锅炉辅机有限公司发布《企业标准》目录03组管理制度WL0311-2007 生产图纸及工艺文件晒印、发放管理制度WL0312-2007 生产计划、准备、调度管理制度WL0313-2007 成品、半成品管理制度WL0314-2007 档案管理制度WL0321-2007 产品质量管理制度WL0322-2007 产品质量分析制度WL0323-2007 产品质量信息管理办法WL0324-2007 产品质量统计管理办法WL0325-2007 分包管理规定WL0331-2007 计量器具管理制度WL0332-2007 设备管理制度WL0341-2007 焊工培训、考试及焊工档案管理制度WL0342-2007 焊缝、焊工、检查钢印使用规定04组制造检验标准WL0411-2007 压力容器分类及受压元件划分的规定WL0421-2007 关于产品焊接试板的规定WL0431-2007 焊接接头编号办法WL0433-2007 焊接外观质量检查标准WL0434-2007 压力容器安全附件检验规定WL0435-2007 无损探伤工艺守则WL0441-2007 过程检验控制点规定WL0442-2007 压力容器耐压试验和致密试验工艺守则WL0443-2007 产品检验通用工艺守则05组材料标准WL0511-2007 材料标记移植管理办法WL0512-2007 材料保管与发放规定WL0513-2007 焊接材料保管、烘干、发放规定WL0514-2007压力容器用钢材及其焊接接头力学性能检验规范06组冷加工标准WL0611-2007 下料工艺守则WL0612-2007 气、剪、刨工艺守则WL0613-2007 管板、拆流板加工工艺守则WL0621-2007 容器组装工艺守则WL0622-2007 换热器组装工艺守则WL0623-2007 塔器组装工艺守则WL0624-2007 不锈钢容器组装工艺守则WL0631-2007 油漆工艺守则WL0632-2007 不锈钢压力容器酸洗钝化工艺守则WL0633-2007 防止工件表面损伤、锈蚀的规定07组焊接、热处理工艺守则WL0711-2007 常用钢种焊接材料选用表WL0712-2007 压力容器焊接坡口型式及选用表WL0713-2007 D类焊接接头工艺管理规定WL0714-2007 钢制压力容器焊接通用规程WL0721-2007 异种钢堆焊工艺守则WL0722-2007 不锈钢复合钢板焊接工艺守则WL0723-2007 氩弧焊工艺守则WL0724-2007 不锈钢焊接工艺守则WL0725-2007 埋弧自动焊工艺守则WL0726-2007 异种钢焊接工艺守则WL0727-2007 手工碳弧气刨工艺守则WL0728-2007 焊缝返修工艺守则WL0731-2007 热处理工艺守则1 总则1.1本制度规定了本公司生产图纸及工艺文件晒印、发放的审批手续和工作程序。
工艺文件和图样发放规定1 范围本标准规定了工艺文件和图样发放的程序、日常管理和定期审验。
本标准适用于沈阳华越汽车技术开发有限公司工艺文件和图样的管理。
2 文件和图样发放程序2.1 填写发放单工艺文件或图样设计、审批完成后,设计人员确定文件或图样使用部门,填写《工艺文件和图样发放单》,室主任签字后连同原件或图纸一并送交资料员。
2.2 复制和发放资料员按照发放单的要求,将文件和图样复制足够的份数,在其上盖“受控”章或“非受控”章及“生产准备用”章或“生产用”章。
将原件存档,其余分发给使用部门。
使用部门收到文件或图样后,在资料员带回存档的一份发放单上签字。
如果是换发文件或图样,则将旧文件或旧图样收回,并在其上签作废时间、经办人,盖“作废”章。
3 日常保管3.1 使用部门要有专人妥善保管文件和图样,不得涂改,避免损坏和丢失;由于模糊不清或破损而无法使用时,由使用部门提出换发新图申请,工艺技术部资料员确认,工艺技术部经理批准后,可换发新文件和图样,同时收回旧文件和图样并销毁。
因遗失需要领用新文件或图样时,使用部门必须提出报告,写明丢失原因,经工艺技术部经理批准后,方能补发。
3.2 存档的文件和图样,按《工艺技术档案管理规定》妥善保管;3.3 受控文件或图样不得擅自复制或借给公司以外的人员。
如在本公司使用需要复制,须经工艺技术部经理批准;3.4 “生产准备用”文件和图样,在生产(工艺)调试完成后,批量生产前要收回,换发正式生产用文件和图样。
收回的文件和图样按规定做作废处理。
4 定期查验4.1 查验周期工艺文件或图样使用一段时间后,要进行一次检查、审验。
由工艺技术部组织实施。
查验周期为一至三年。
4.2 查验内容(1)有无涂改、模糊、破损和遗失;(2)是否与现生产有不适应之处;(3)是否需要改进和提高。
查验完后,在查验过的文件或图样的封面上注明查验时间,盖上“已查验”章。
工艺员按工艺设计变更程序进行补充和改进。
XXXXXXXX有限公司工艺文件管理办法保证工艺文件受控,正确指导产品制作和生产组织,出合格产品。
1、范围本管理办法适用于工艺部编制的所有工艺文件及公司小件产品图纸的管理,包括外来文件的接收、编制、审核、发放、修改、回收等。
2、技术文件接收流程收文台账上须记录收文时间、发放部门、发放文件编号及名称、页数、接收人签字。
2.1 接收产品研发部技术文件,接收人核对后,在产品研发部发文本上签字,不再另行登记收文台账。
2。
2 接收技术协议及产品标准,登录技术协议台账及产品标准台账,不再另行登记收文台账。
3、工艺文件编审批流程3。
1临时工艺文件编审批流程试制用图、小批量试制用图,需及时编制临时工艺、临时工艺路线.大件产品的临时工艺、临时工艺路线的有效期按照产品部的试制计划执行,试制计划结束,临时工艺、临时工艺路线自动作废。
临时工艺由工艺员根据图纸编制,编制人员负责将打印的纸质临时工艺卡正确粘贴到对应的白图左上角,交由其它工艺员校对,部门负责人审核,校对栏和审核栏手签(姓名、日期)有效。
3。
2 正式工艺文件编审批流程小批量生产用图,需要编制正式工艺、正式工艺路线.正式工艺由工艺员根据试制情况,在临时工艺的基础上编制,编制人员负责打印纸质正式工艺卡,交由其它工艺员校对,部门负责人审核,主管领导批准。
校对栏和审核栏必须每页手签(姓名、日期),批准栏只需在正式工艺封面手签(姓名),加盖工艺部章、受控章及分发号有效.正式工艺路线下发电子版,由工艺员编制,部门负责人审核,主管副总批准,加盖部门电子章及受控章有效。
3.3 工装图纸编审批流程工装用图由工艺员设计,临时工艺随图纸编制,交由其它工艺员校对,部门负责人审核,校对栏和审核栏手签(姓名、日期)有效.3。
4 材料定额自制零件的材料定额由工艺员计算,采用电子版,无需审批。
4、工艺文件的发放流程4。
1 临时工艺文件发放流程4。
1。
1 大件产品临时工艺卡粘贴于白图上,返回产品部,同时登记发文本.电子版临时工艺路线发放公司领导班子成员及相关部门.4.1。
关于图纸发放管理办法(试行)关于图纸发放管理办法(试行)为了妥善保存技术图纸,方便相关人员的使用,并确保公司对技术图纸的所有权,使技术图纸管理规范化、程序化,技术部特对销售,生产,检验部门制定如下管理办法,望各相关部门遵照本办法执行。
一.技术图纸分类1.客户图纸,含通过传真、业务员携带、电子版传送过来的图纸进行存档,原则上只可做为参考使用,不可做为生产用图。
特殊情况需用于生产用途的需加盖红色“受控”章以及“有效图纸”蓝色章,并在图纸上有技术,检验,销售各部门负责人会签。
并在生产完后由技术部进行转化成公司图纸,按公司图纸的发放回收原则进行处理。
2.公司技术部设计用于生产的图纸。
二、职责1.技术部是图纸、技术资料归档管理部门,负责设计,标识,编码,存档,修改及发放,回收报销及销毁等方面的管理和监督工作;2.生产部负责图纸,技术资料在生产过程中的领发,使用,周转,移交,回收等管理工作。
三.技术图纸的存档1.客户图纸,由技术部审核,无误后加盖“受控”红色章,管理存档,并按内部规定办法对图纸进行分类编号存档,设检索目录;2.公司自行设计的图纸,由技术部整理,并加盖“受控”红色章以及“有效图纸”蓝色章,管理存档,并按内部规定办法对图纸进行分类编号存档,设检索目录。
四.技术图纸的发放、复印1.客图纸,可由技术部负责复印,发放给销售部,生产部,质检部,并由接收人在图纸发放登记表上签字。
所有由技术部发放的图纸除生产部用的工艺图只有红色“受控”章外,其余所有图纸必须有红色“受控”章及蓝色“有效图纸”章。
2.公司研发设计的所有图纸只能由技术部复印、发放给销售部,生产部,质检部,由接收人在图纸发放登记表上签字。
五、技术图纸变更、回收、作废1.图纸变更时,由技术部在图纸变更登记表中登记,把变更后的新图纸加盖红色“受控”章以及蓝色“有效图纸”章后发放给销售部,生产部,质检部,其中发放给生产部的工艺图纸只盖有红色“受控”章;2.生产部接到变更图之后,把变更的旧图纸及其图纸变更涉及到的其他图纸回收并交回技术部,在图纸回收登记表中登记,并发放变更后的新图纸;3.变更后的旧图纸,除对电子版资料进行存档处理外,其余所有形式资料都应进行销毁处理。
机械设计图纸发放管理制度第一章绪论第一节总则为了规范机械设计图纸的发放管理工作,提高机械设计图纸利用率和保密性,本制度制定。
第二节适用范围本制度适用于机械设计部门及相关单位的机械设计图纸发放管理工作。
第三节定义1、机械设计图纸:指机械零部件、装配件、工装夹具等设计文件。
2、发放:指机械设计图纸的提供过程。
第二章机械设计图纸发放管理流程第一节申请发放设计人员在完成机械设计任务后,向设计部门提出机械设计图纸发放申请。
第二节审核设计部门根据设计人员的申请,对机械设计图纸进行审核,确认图纸内容完整、准确。
第三节发放审核通过后,设计部门将机械设计图纸发放给相关部门或人员。
第四节追踪设计部门需跟踪机械设计图纸的使用情况,及时反馈信息。
第五节归档机械设计图纸使用完毕后,需及时归档,确保机械设计图纸的安全性和可追溯性。
第三章机械设计图纸发放管理要求第一节保密性1、机械设计图纸发放时,要求相关人员签署保密协议。
2、严格控制机械设计图纸的发放范围,确保机密性。
第二节安全性1、机械设计图纸的存储和传输要具备安全措施,防止泄密。
2、机械设计图纸的电子版需设置密码保护。
第三节质量保证1、设计部门要对每份机械设计图纸进行质量把关,确保图纸内容准确。
2、设计部门需配备合格的设计人员,保证机械设计图纸的质量。
第四节使用监控1、设计部门需加强对机械设计图纸的使用监控,防止不当使用。
2、设计部门需建立机械设计图纸使用记录,对图纸使用情况进行跟踪。
第四章机械设计图纸发放管理制度的监督与评定第一节监督1、设计部门需定期对机械设计图纸的发放管理工作进行检查。
2、相关部门及负责人需配合监督工作,确保机械设计图纸发放管理的有效性。
第二节评定1、设计部门需定期对机械设计图纸的发放管理工作进行评定,制定改进计划。
2、建立机械设计图纸发放管理工作的绩效评定体系,激励相关人员。
Conclusion:机械设计图纸发放管理制度对机械设计图纸的发放过程进行了规范和管理,保证了机械设计图纸的质量和保密性。
机械行业图纸与工艺文件的发放(doc164页)预览说明:预览图片所展示的格式为文档的源格式展示,下载源文件没有水印,内容可编辑和复制W L青岛威龙锅炉辅机有限公司03-07组2007版压力容器质量保证体系文件企业管理和技术标准受控状态:受控本非受控本发放编号:管理者:2007-6-15 发布2007-7-1 实施青岛威龙锅炉辅机有限公司发布《企业标准》目录03组管理制度WL0311-2007 生产图纸及工艺文件晒印、发放管理制度WL0312-2007 生产计划、准备、调度管理制度WL0313-2007 成品、半成品管理制度WL0314-2007 档案管理制度WL0321-2007 产品质量管理制度WL0322-2007 产品质量分析制度WL0323-2007 产品质量信息管理办法WL0324-2007 产品质量统计管理办法WL0325-2007 分包管理规定WL0331-2007 计量器具管理制度WL0332-2007 设备管理制度WL0341-2007 焊工培训、考试及焊工档案管理制度WL0342-2007 焊缝、焊工、检查钢印使用规定04组制造检验标准WL0411-2007 压力容器分类及受压元件划分的规定WL0421-2007 关于产品焊接试板的规定WL0431-2007 焊接接头编号办法WL0433-2007 焊接外观质量检查标准WL0434-2007 压力容器安全附件检验规定WL0435-2007 无损探伤工艺守则WL0441-2007 过程检验控制点规定WL0442-2007 压力容器耐压试验和致密试验工艺守则WL0443-2007 产品检验通用工艺守则05组材料标准WL0511-2007 材料标记移植管理办法WL0512-2007 材料保管与发放规定WL0513-2007 焊接材料保管、烘干、发放规定WL0514-2007压力容器用钢材及其焊接接头力学性能检验规范06组冷加工标准WL0611-2007 下料工艺守则WL0612-2007 气、剪、刨工艺守则WL0613-2007 管板、拆流板加工工艺守则WL0621-2007 容器组装工艺守则WL0622-2007 换热器组装工艺守则WL0623-2007 塔器组装工艺守则WL0624-2007 不锈钢容器组装工艺守则WL0631-2007 油漆工艺守则WL0632-2007 不锈钢压力容器酸洗钝化工艺守则WL0633-2007 防止工件表面损伤、锈蚀的规定07组焊接、热处理工艺守则WL0711-2007 常用钢种焊接材料选用表WL0712-2007 压力容器焊接坡口型式及选用表WL0713-2007 D 类焊接接头工艺管理规定WL0714-2007 钢制压力容器焊接通用规程WL0721-2007 异种钢堆焊工艺守则WL0722-2007 不锈钢复合钢板焊接工艺守则WL0723-2007 氩弧焊工艺守则WL0724-2007 不锈钢焊接工艺守则WL0725-2007 埋弧自动焊工艺守则WL0726-2007 异种钢焊接工艺守则WL0727-2007 手工碳弧气刨工艺守则WL0728-2007 焊缝返修工艺守则WL0731-2007 热处理工艺守则1 总则1.1本制度规定了本公司生产图纸及工艺文件晒印、发放的审批手续和工作程序。
W L青岛威龙锅炉辅机有限公司03-07组2007版压力容器质量保证体系文件企业经管和技术规范受控状态:受控本非受控本发放编号:经管者:2007-6-15发布2007-7-1实施青岛威龙锅炉辅机有限公司发布《企业规范》目录03组经管制度WL0311-2007 生产图纸及工艺文件晒印、发放经管制度WL0312-2007 生产计划、准备、调度经管制度WL0313-2007 成品、半成品经管制度WL0314-2007 档案经管制度WL0321-2007 产品质量经管制度WL0322-2007 产品质量分析制度WL0323-2007 产品质量信息经管办法WL0324-2007 产品质量统计经管办法WL0325-2007 分包经管规定WL0331-2007 计量器具经管制度WL0332-2007 设备经管制度WL0341-2007 焊工培训、考试及焊工档案经管制度WL0342-2007 焊缝、焊工、检查钢印使用规定04组制造检验规范WL0411-2007 压力容器分类及受压元件划分的规定WL0421-2007 关于产品焊接试板的规定WL0431-2007 焊接接头编号办法WL0433-2007 焊接外观质量检查规范WL0434-2007 压力容器安全附件检验规定WL0435-2007 无损探伤工艺守则WL0441-2007 过程检验控制点规定WL0442-2007 压力容器耐压实验和致密实验工艺守则WL0443-2007产品检验通用工艺守则05组材料规范WL0511-2007 材料标记移植经管办法WL0512-2007 材料保管与发放规定WL0513-2007 焊接材料保管、烘干、发放规定WL0514-2007压力容器用钢材及其焊接接头力学性能检验规范06组冷加工规范WL0611-2007 下料工艺守则WL0612-2007 气、剪、刨工艺守则WL0613-2007 管板、拆流板加工工艺守则WL0621-2007 容器组装工艺守则WL0622-2007 换热器组装工艺守则WL0623-2007 塔器组装工艺守则WL0624-2007 不锈钢容器组装工艺守则WL0631-2007 油漆工艺守则WL0632-2007 不锈钢压力容器酸洗钝化工艺守则WL0633-2007 防止工件表面损伤、锈蚀的规定07组焊接、热处理工艺守则WL0711-2007 常用钢种焊接材料选用表WL0712-2007 压力容器焊接坡口型式及选用表WL0713-2007 D类焊接接头工艺经管规定WL0714-2007 钢制压力容器焊接通用规程WL0721-2007 异种钢堆焊工艺守则WL0722-2007 不锈钢复合钢板焊接工艺守则WL0723-2007 氩弧焊工艺守则WL0724-2007 不锈钢焊接工艺守则WL0725-2007 埋弧自动焊工艺守则WL0726-2007 异种钢焊接工艺守则WL0727-2007 手工碳弧气刨工艺守则WL0728-2007 焊缝返修工艺守则WL0731-2007 热处理工艺守则1 总则1.1本制度规定了本公司生产图纸及工艺文件晒印、发放的审批手续和工作程序。
1.2本制度规定了本公司生产图纸及工艺文件晒印、发放经管。
2 职责生产图纸及工艺文件晒印、发放由技术工艺科归口经管。
3 生产图纸及工艺文件晒印3.1顾客提供设计图纸至少有两台套设计总图(蓝图)加盖压力容器设计单位资格印章(红章,复印章无效)。
由技术工艺科再复制两套图纸以备下发。
3.2顾客提供压力容器工艺参数时,由我方技术工艺科委托正式压力容器设计单位进行设计,并出具4套正式设计图纸。
3.3技术工艺科取得正式设计图纸后方可进行工艺文件编制、会签。
3.4对需编制发货清单的产品,技术工艺科应编制发货清单。
4图纸及工艺文件的发放4.1图纸及工艺文件的发放份数4.1.1图纸A:质检2套(必须盖有压力容器设计资格印章)一套存档,一套交顾客。
B:生产、工艺各1套。
分别用于生产及技术存档。
4.1.2工艺A:质检、车间各1套B:产品交货清单3套,质检、生产、销售。
4.2档案人员在图纸上盖上“生产用图”、“检验用图”的表示后,按第4.1条规定下发图纸及工艺文件,并在“图纸及工艺文件发放表”上办理签字手续。
4.3若图纸及工艺文件在生产使用过程中,因各种原因序言需要更改时,应按XW0113《生产图纸及工艺文件更改程序》规定的程序进行更改。
更改后,仍按本程序规定进行晒印和发放。
同时应收回原发放图纸、工艺文件。
4.4设备制造完工后,检验科应立即将盖有设计红章并加盖竣工图章的图纸(2套)、检验记录、技术文件整理归档。
1、总则,为确保我公司生产经营活动计划周密、工作紧张有序、调度合理制定本制度。
1、生产计划编制1.1生产计划编制工作由生产科负责。
1.2分工原则:根据“计划随业务分工而编报”的原则和“分工负责,同一批更”的方法进行编制。
1.3编制依据:根据公司生产能力,设别能力,交货工期满足情况,生产准备情况等。
1.4产品工号编制办法:1.4.1制造设备的类型分为容器类(R )、换热器类(H )、塔器类(T )、反应器类(F )、配件(P )、和工装(G )六大类,分别用汉语拼音的第一个大写字母表示。
1.4.2计划号和生产台数,分别用阿拉伯数字表示。
其中生产台数用小括号加以区别。
1.4.3该制造设备的部件和零部件分别用阿拉伯数字表示。
1.4.4示例: R×××-(×∽×)-××-××1.5产品编号编制办法1.5.1编制依据:《容规》附件一。
A :按压力容器的设计压力(P )分为低压、中压、高压、超高压四个压零件部 部件号 生产台数 计划台 容器力等级。
具体划分如下:1)低压容器(代号L)0.1MPa≤P<1.6MPa2)中压容器(代号M) 1.6MPa≤P<10MPa3)高压容器(代号H)10MPa≤P<100MPa4)超高压容器(代号U)P<100MPaB、按压力容器生产工艺过程中的作用原理分为反应压力容器、换热压力容器、分离压力容器、储存压力容器。
具体划分如下:1)反应压力容器(代号R):主要是用于完成介质的物理、化学反应的压力容器,如反应器、反应釜分解锅、硫化罐、分解塔、聚合釜、高压釜、超高压釜、合成塔、变换炉、蒸煮锅、蒸球、蒸压釜、煤气发生炉等。
2)换热压力容器(代号俄E):主要是用于完成介质的热量交换的压力容器,如管壳式余热锅炉、热交换器冷却器、冷疑器、蒸发器、加热器、消毒锅、染色器、烘缸、蒸炒锅、预热锅溶剂预热器、蒸锅、蒸脱机、电热蒸汽发生器、煤气发生炉水夹套等。
3)分离压力容器(代号S):主要是用于完成介质的流体压力平衡缓冲和气体净化分离的压力容器如分离器、过滤器、集油器、缓冲器、洗涤器、吸收塔、铜洗塔、干燥塔、汽提塔、分汽缸、除氧器等。
4)储存压力容器(代号C,其中球罐代号为B):主要是用于储存、盛装气体、液体、液化气体等介质的压力容器,如各种形式的储罐。
1.5.2编号示例:L R-2005-01顺序号年号容器分类(反应压力容器)压力等级(低压)2生产准备1.1工艺技术准备2.1.1编制工艺时,发现图纸问题,应及时与设计单位联系解决。
2.1.2根据计划时间,安排工艺顺序,并保证按期完成。
2.1.3根据供销科提供的交货状态及要求,做好相应的工艺准备。
2.1.4复杂产品、重要产品,工艺编制完毕后,组织有关部门及人员进行技术交底。
2.1.5工艺员要对工艺编制的质量和时间负责。
2.2物资准备2.2.1供销料按《材料准备预算》或《材料概算》、《订货工程配套件通知单》,核实、外订、采购和办理代用提交复验。
2.2.2外购件必须符合图纸中所注规格、型号,并按规范严格验收,采购者要对所购材料及部件的质量负责。
2.2.3外协、外委工序,应提前安排。
2.24外购件、外协件及外委工序产品的质量,按公司有关规定检查。
3生产调度生产调度设在生产科3.1生产调度的依据和职责3.1.1全面安排、检查、协调生产的依据是我公司生产计划3.1.2公司紧急任务安排3.2生产调度的职责3.2.1根据生产情况有权调整生产进度和计划加工顺序。
3.2.2检查生产进度和工作质量,提议对各部门工作进行奖惩。
3.2.3了解掌握生产准备工作和生产进度。
3.2.4负责处理、协调生产环节出现的问题。
3.2.5负责安排临时性任务。
安排各部门与加班有关事宜。
4汇报制度生产计划、生产准备、生产调度过程中出现的重大问题,应及时向总经理汇报。
1 总则1.1本制度对本公司压力容器成品、半成品的分类、转移和保管等作出了规定,以保证本公司成品、半成品的有序使用。
1.2本制度适用于本公司压力容器成品、办成品的经管2 职责成品、办成品由生产科、供销科和车间归口经管,其它有关部门予以配合。
3 半成品经管3.1半成品件分类:A、本公司计划产品提前准备的机加工件;B、施工周期长、零件数量多的待组装设备的机加工件;C、外协的锻、铸件毛坯的半成品;D、特殊情况的暂停施工或为实现销售的配件及零件。
3.2转序、出入库的原则A、转序、出入库的依据是生产计划和工艺文件B、转序、出入库的零部件必须质量合格、数量相符手续齐全(图纸、工艺文件、质证书、合格证、标记移植、其它有关文字说明文件)。
C、半成品转序、出入库的凭证是“工序转移单”(JL37),工序转移单上应注明产品令号、材质和数量。
组装用配件要求尽量整台件发放。
D、外协件转序的依据是生产计划和工艺文件,并做好标记移植。
3.3半成品保管要求3.3.1半成品库房要清洁、干燥、通风,加工件和毛坯摆放应整齐.3.3.2机加工件按产品令号单独摆放,并采取防锈、防变形措施。
3.3.3毛坯要有标记移植号,加工件要有图纸和标牌。
3.3.4半成品入库保管,保管员要建立分类台帐,并及时清点记帐和转账,做到帐、物相符。
4成品经管4.1成品入库的依据和要求4.1.1完工产品按有关规定总检合格后,方能办理入库。
4.1.2 完工后成品入库必须主件、附件、备件齐全。
4.2产品的保管4.2.1入库产品的小型附件、部件应入供销科半成品库。
4.2.2办理入库手续后的成品由供销科负责保管。
4.3成品销售4.3.1成品入库后,营销人员应及时与用户联系,抓紧提货和办理结算,并负责及时与检验科联系提供产品出厂资料。
4.3.2销售人员应对售出产品的外观质量及出厂资料进行检查,确保发运物品及资料齐全完好,防止错发、漏发。
4.3.3营销人员要建立完整的售台帐。
5使用质量记录格式JL37 工序转移单1总则1.1为了加强公司的档案经管工作,为企业的生产、经营、技术、质量、员工及企业的经济运行经管,提供科学准确的信息、数据、分析、处理依据,不断提高企业的决策能力和经管水平,特制定本制度2档案的分类2.1企业经管分类A、企业经管文件B、企业经管制度C、企业经管规范D、企业的各种资质、资料、生产制造许可证E、各种法律合同、凭证、凭据F、企业员工档案2.2经济经管分类A、各种经济合同B、经济运行资料、数据、报告等C、生产经营、销售和物资采购的原始资料D、市场信息2.3技术经管类A、技术文件B、图纸、工艺文件C、技术、科研开发以来科学技术信息2.4质量经管类A、质保体系文件B、产品档案C、质量经管数据、分析、处理资料D、产品质量考核、奖励原始资料E、员工质量考核原始资料2.5设备、计量经管类A、采购的原始设备图纸、说明书、合格证等原始资料B、计量器具的检定合格证及检定周期文件C、设备、计量器具的安装、调试、验收报告等2.6国家规范、行业规范、图书资料、技术信息类3档案经管工作的职责档案原始资料的搜集、汇编、整理要分类、分项、分册、规范装订,原始资料要真实完整、数据内容准确、字迹工整清晰。