SKF轴承安装拆卸与维护
- 格式:pdf
- 大小:37.78 MB
- 文档页数:78
SKF轴承更换标准以下是对SKF轴承更换标准的详细介绍:1.施力的合力:施加在轴承上的合力应尽可能通过其轴线,这要求施力点应均匀对称,平稳且不产生冲击。
施力的大小应平稳均匀,避免通过滚动体施力,而是利用专门的工具或铜棒、铜锤进行锤击。
2.施力的大小:施加在轴承上的力应平稳均匀,不宜有过大或过小的冲击。
可以使用油压或能平稳施加拉力的工具进行操作,必要时可使用铜套筒等较软且不易落屑的金属材料来减缓冲击。
3.避免通过滚动体施力:安装或拆卸内圈时,应避免通过滚动体施加力。
应通过内圈施加力,以防止损坏轴承的滚动体或保持架。
4.安装与拆卸工具:使用专用的安装工具来安装轴承,并确保工具与轴承匹配。
在拆卸轴承时,应使用适当的拆卸工具,并确保不会损坏轴承。
5.保持环境清洁:在安装和拆卸轴承时,应确保工作区域清洁,没有灰尘和其他杂质。
任何杂质都可能导致轴承损坏。
6.轴承的储存:未使用的轴承应存放在干燥的环境中,以防止其生锈或受到污染。
7.预加载:对于需要预加载的轴承,必须按照制造商的推荐进行加载,以防止过载或欠载,这可能会导致轴承损坏。
8.检查和监控:应定期检查轴承的外观和运行状况,以检测任何可能的损坏或磨损。
如有需要,应立即更换轴承。
9.油脂:轴承应使用适当的油脂进行润滑,并按照制造商的推荐定期更换油脂。
10.安装顺序:在安装多个轴承时,应按照制造商推荐的顺序进行安装,以确保正确的轴承间距和预加载。
总的来说,SKF轴承的更换标准主要基于其对安装和操作的严格要求,以确保轴承的长期稳定运行和延长其使用寿命。
为了确保轴承的性能和安全性,建议在更换时遵循这些标准。
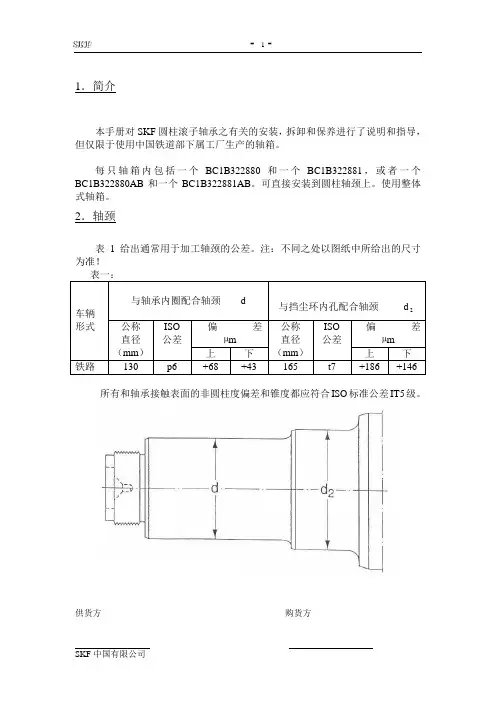
供货方 购货方1.简介本手册对SKF 圆柱滚子轴承之有关的安装,拆卸和保养进行了说明和指导,但仅限于使用中国铁道部下属工厂生产的轴箱。
每只轴箱内包括一个BC1B322880和一个BC1B322881,或者一个BC1B322880AB 和一个BC1B322881AB 。
可直接安装到圆柱轴颈上。
使用整体式轴箱。
2.轴颈表 1 给出通常用于加工轴颈的公差。
注:不同之处以图纸中所给出的尺寸为准!所有和轴承接触表面的非圆柱度偏差和锥度都应符合ISO 标准公差IT5级。
2.1 轴颈的检查在安装挡尘圈和内圈之前,需要对轴颈进行尺寸精度的检查。
操作如下示:彻底清洗轴颈检查轴颈表面质量,要求清除所有毛刺、划痕、碰痕。
安装轴端盖的螺纹孔必须清洁。
使用专用尺规检测轴颈的形状和长度。
(见图1)图1:用专用尺规检测轴颈的形状使用轴颈标准尺寸范围内的千分尺在其全长内测量轴颈的直径,使用千分尺测图中1、2、3、4面的A-A,B-B和C-C方向(图2和图3)供货方购货方图2:测量点和平面图3:用千分尺测量3.安装前轴颈,轴承和轴承座的处理如果轴承在轴颈处理后立即安装,则轴颈不需要更多处理。
轴颈表面不需涂油脂,只可使用一些轻油,但最好是使用干净的轴颈表面。
如果轴承将在稍后安装,轴颈必须涂以防锈剂并用牛皮纸包住以防尘。
如果轴承将在另外的地方安装,轴颈必须加以防护以防止运输过程中的损伤。
在轴承安装之前,必须清除掉防锈剂。
在安装前及安装过程中,轴承、轴箱和其它附件必须小心妥善地防止潮湿和灰尘侵蚀,并小心搬运。
轴承应在即将安装之前再从包装中取出。
轴承生产厂加的防锈剂不需要清除。
安装之前需要运输的轴箱不必打开包装。
在清洁轴箱孔、接触表面、槽沟和凸缘时,要使用毛刷和白节油,之后用不起毛的擦洗布拭干。
注:遵守安全规范并穿防护服。
4.轴承箱的装配安装在轴颈上的紧配合元件必须要加热以便于组装,不允许用明火(焊炬)加热内圈。
加热轴承和轴承零件时,SKF建议使用感应式加热器TIH60或电加热炉。
SKF轴承安装与拆卸方案一、项目名称:北汽福田密云乘用车总装车间底盘线二、轴承安装与拆卸所用工具:轴承安装与拆卸工具:压力机、轴承锁紧螺母扳手、套筒套件、润滑脂、防锈剂、轴承拉拔器、扳手、手套、抹布等。
三、轴承安装步骤:1.安装前清理配合处可能存在的毛刺,锈斑,附着物等。
2.检查所有与轴承接触的组件的尺寸和形位公差。
3.将轴承内圈与轴的中心位置找好,将轴固定,将套管放在轴承内圈上,由压力机将力加在套管上,把轴承缓慢压装到轴上(如图1所示)。
4.装在轴上并推到轴肩处,保持位置直到其缩紧在轴上。
5.装上锁定装置,完成后加上润滑脂与防锈剂。
四、轴承安装后检查:1.手动检查是否有卡紧,非正常摩擦,转矩不均或过大等现象。
2.带电检查是否有噪音、振动、润滑剂泄漏、变色等现象。
3.发现有以上问题应重新修正或者更换。
五、轴承拆卸方法:1.拆卸前应保证轴承及相配处的清洁,如有锈蚀应清洁后在进行拆卸。
2.在拆卸过程中,应确保轴或轴承箱有适当的支撑并解除锁紧装置。
3.将轴承拉拔器的螺杆伸长;使螺杆对准轴的中心,将拉拔器的拉钩钩住轴承的内圈,然后转动拉拔器上的扳手使其缓慢的脱离轴颈,直至拆下(如图2所示)。
六、轴承安装与拆卸注意事项:1.安装前,应对轴承及相关零件进行清洁;油封或防尘盖,密封圈轴承安装前无需清洗。
2.安装时,必须在轴承内圈端面的圆周上施加均等的压力并将套圈压入,不得用锤子等工具直接敲击轴承端面,以免损伤轴承(如图3所示)。
3.压力机着力点应在轴的中心上,不得压偏。
`4.轴承内圈端面与轴台肩端面压紧,不允许有间隙。
5.轴承拆卸时,轴承拉拔器的固定位置应该在轴承的内圈。
6.绝不允许通过滚动体传递拆卸力,否则滚动体和滚道都会被压伤。
7.拉拔器在拆卸时应要准确对中,否则很容易会损坏轴承与轴。
附图:图1—使用压力机装配轴承图2—使用拉拔器拆卸轴承图3—禁止使用锤子安装于拆卸轴承。
skf轴承手册摘要:1.轴承的基本概念与分类2.SKF轴承的特点与优势3.SKF轴承的安装与拆卸4.SKF轴承的保养与维护5.SKF轴承的应用领域正文:SKF轴承手册轴承是机械传动系统中的重要组成部分,它的主要功能是支撑旋转轴,降低摩擦,使机械设备运行更加顺畅。
SKF轴承作为全球知名品牌,一直致力于提供高品质的轴承产品,为各种机械设备的稳定运行提供保障。
1.轴承的基本概念与分类轴承通常分为向心轴承和推力轴承两大类。
向心轴承主要用于承受径向载荷,而推力轴承主要用于承受轴向载荷。
根据轴承的工作原理和结构特点,轴承还可以分为球轴承、滚子轴承等不同类型。
2.SKF轴承的特点与优势SKF轴承具有以下特点和优势:- 高品质的材料和精湛的制造工艺,保证了轴承的强度和耐磨性;- 先进的润滑技术,降低了轴承的摩擦系数,提高了轴承的使用寿命;- 严格的质量控制体系,确保了轴承的精度和可靠性;- 广泛的产品线,满足不同行业和设备的需求。
3.SKF轴承的安装与拆卸轴承的安装应遵循以下步骤:- 检查轴承和轴颈的尺寸、形状和表面质量,确保它们符合安装要求;- 清洗轴承和轴颈,去除污垢和毛刺;- 涂抹适量的润滑剂,降低安装过程中的摩擦;- 按照安装顺序和方向,将轴承安装到轴颈上;- 固定轴承,确保其位置准确;- 检查轴承的旋转是否顺畅,如有异常应立即停机检查。
拆卸轴承时,应按照相反的顺序进行,并注意保护轴承的表面质量和配合尺寸。
4.SKF轴承的保养与维护轴承的保养和维护对保证其正常运行至关重要。
以下是一些建议:- 定期检查轴承的润滑情况,确保润滑剂充足且质量良好;- 定期清洗轴承,清除污垢和磨损颗粒;- 定期检查轴承的运行状态,如发现异常声音、振动或发热等现象,应立即停机检查;- 避免轴承在过载、过热或灰尘多的环境下工作,以免影响其使用寿命。
5.SKF轴承的应用领域SKF轴承广泛应用于各种行业和设备,如汽车、机床、风电、航空航天、工程机械等。
skf 轴承手册摘要:一、SKF 轴承手册简介1.SKF 轴承手册的作用2.SKF 轴承手册的内容二、SKF 轴承的分类与特点1.按照轴承类型分类a.球轴承b.滚子轴承c.润滑轴承2.按照轴承尺寸分类a.微型轴承b.小型轴承c.大型轴承3.按照轴承性能分类a.高速轴承b.高精度轴承c.高负载轴承三、SKF 轴承的安装与维护1.安装前的准备工作a.工具和材料准备b.轴承的检查与清洗2.轴承的安装方法a.球轴承的安装b.滚子轴承的安装c.润滑轴承的安装3.轴承的维护与保养a.轴承的润滑b.轴承的清洁c.轴承的检查与更换四、SKF 轴承的应用领域1.工业领域a.机床b.汽车c.航空航天2.医疗领域a.医疗设备b.生物医学工程c.牙科设备3.日常生活领域a.家电b.运动器材c.办公设备正文:【SKF 轴承手册简介】SKF 轴承手册是一本详细介绍SKF 轴承产品和相关技术的专业书籍。
它为工程技术人员提供了SKF 轴承的详细信息,包括轴承类型、尺寸、性能以及安装与维护等方面的知识。
SKF 轴承手册在轴承选型、安装和维护等方面具有很高的参考价值。
【SKF 轴承的分类与特点】SKF 轴承按照轴承类型分为球轴承、滚子轴承和润滑轴承;按照轴承尺寸分为微型轴承、小型轴承和大型轴承;按照轴承性能分为高速轴承、高精度轴承和高负载轴承。
SKF 轴承在各种类型和尺寸方面都具有优异的性能,可以满足不同工况和应用领域的需求。
【SKF 轴承的安装与维护】在安装SKF 轴承之前,需要做好充分的准备工作,包括工具和材料的准备以及轴承的检查和清洗。
轴承的安装方法有球轴承的安装、滚子轴承的安装和润滑轴承的安装等。
在轴承的使用过程中,需要做好维护与保养工作,包括轴承的润滑、清洁、检查和更换等。
正确的安装和维护可以确保轴承的性能和寿命。
【SKF 轴承的应用领域】SKF 轴承广泛应用于工业、医疗和日常生活等领域。
在工业领域,SKF 轴承可以应用于机床、汽车、航空航天等设备;在医疗领域,SKF 轴承可以应用于医疗设备、生物医学工程和牙科设备等;在日常生活领域,SKF 轴承可以应用于家电、运动器材和办公设备等。
skf轴承手册【实用版】目录1.SKF 轴承手册概述2.SKF 轴承的类型和特点3.SKF 轴承的选型与安装4.SKF 轴承的维护与保养5.SKF 轴承的故障排除与检测正文SKF 轴承手册是一款由瑞典 SKF 公司编写的关于轴承的指南,旨在帮助工程师和技术人员更好地了解、选择和使用轴承。
本文将从 SKF 轴承的类型和特点、选型与安装、维护与保养以及故障排除与检测等方面进行详细阐述。
首先,我们来了解 SKF 轴承的类型和特点。
SKF 轴承作为全球领先的轴承制造商,其产品种类繁多,包括深沟球轴承、圆锥滚子轴承、推力球轴承、滚针轴承等。
这些轴承具有高精度、高承载能力、高速性能和低磨损等优点,广泛应用于各类机械设备中。
接下来,我们将探讨 SKF 轴承的选型与安装。
在选型时,需要考虑轴承的工作条件,如负荷、转速、工作温度等,以及轴承的安装方式,如内圈、外圈、滚子等。
此外,还需注意轴承的配合和游隙选择。
在安装过程中,要确保轴承与轴和轴承座的配合精度,以及轴承的正确安装方向,以保证轴承的正常工作和使用寿命。
然后,我们将介绍 SKF 轴承的维护与保养。
为了确保轴承的性能和使用寿命,需要定期对轴承进行检查和维护。
具体包括清洁轴承、检查轴承的磨损和损伤、补充润滑剂、检查游隙等。
同时,要注意轴承的储存和运输条件,防止轴承在存储和运输过程中受到损坏。
最后,我们将讨论 SKF 轴承的故障排除与检测。
在轴承使用过程中,可能会出现故障,如发热、噪音、振动等。
针对这些故障,可以通过检测轴承的磨损、损伤、游隙等指标来判断故障原因,并采取相应的排除措施,如更换轴承、调整游隙、清洗轴承等。
总之,SKF 轴承手册为广大工程师和技术人员提供了关于轴承的详尽知识,有助于提高轴承的使用效果和寿命。
SKF轴承安装和拆卸程序●概述为了确保轴承的性能,以及防止轴承提前失效,安装球轴承和滚子轴承时必须采取正确的方法和保持环境的清洁。
与其它精密部件一样,安装滚动轴承时应尽量小心。
选择正确的安装方法和使用正确的安装工具同样重要。
●安装场所安装轴承应尽量在干燥、无尘的室内进行,并应远离金属加工或其它会产生金属碎屑和灰尘和设备,当必需在无保护的环境下安装轴承时(较大型轴承经常会碰到的情况),必须采取适当的措施保护轴承和相关部件免受灰尘或湿气的污染,直至安装完成为止,例如使用包装蜡纸或箔纸将轴承和相关部件等覆盖或包裹起来。
●安装和拆卸前的准备工作安装前,应准备好所有必需的零部件、工具、设备和相关数据等。
还要仔细研究图纸或有关说明,以确定不同部件的正确安装顺序。
小心检查轴承座、轴、密封件和其它轴承配置中的零部件,以确保配合面清洁和良好,还应特别检查螺孔、导管或沟槽,以防止存在一些加过的残留物。
经铸造的轴承座,应确保无型芯砂留在一些未经机加工和表面上,并去出所有毛刺。
检查轴承配置中所有部件的尺寸公差和形状公差,相关部件必须达到所需的精度并符合规定的公差范围,轴承才可以发挥应有的性能。
圆柱形轴颈和座孔的直径,一般用千分尺或内径千分尺在两个横截面和四会不同位置进行测量(图1)轴颈的锥度可用环规,特殊的锥度规或正弦规进行测量。
有关的检查和测量结果,建议保留为记录,又供需要时参考,在进行测量时。
零部件和测量仪都应保持在大致相同的温度,又保证测量的准确性。
这表示有可能需要将零部件和测量设备在同一地方放置相当的时候。
又达到相同的温度。
这样的做法对大型轴承及其相关部件尤其重要。
轴承应保留在原包装中直到安装前的一刻,以防止灰尘等污染物的进入,在一般情况下。
无需出去出厂前涂在轴承上的防锈剂,只擦拭轴承的外圈和内孔便可。
但如果轴承是以脂润滑并应用在很高或很低的温度,或所用的润滑脂与防锈剂并不兼容,则有需要在安装前把轴承清洗并小心晾干,以避免破坏润滑脂的作用。
SKF轴承手册介绍SKF是全球领先的轴承制造商之一,提供各种不同类型和规格的高质量轴承产品。
本手册将介绍SKF轴承的基本知识、安装和维护等方面内容,帮助读者更好地了解和使用SKF轴承。
目录1.轴承的基本知识2.SKF轴承种类及特点3.轴承的选型原则4.SKF轴承的安装方法5.轴承的使用和维护注意事项6.SKF轴承的应用领域7.如何获取和订购SKF轴承1. 轴承的基本知识轴承是一种用于减少摩擦和支持机械旋转部件的装置。
它由内圈、外圈、滚动体和保持架组成。
轴承的基本原理是通过滚动体在内圈和外圈之间滚动,从而减少摩擦和支持轴的旋转。
常见的轴承类型包括滚动轴承和滑动轴承。
滚动轴承采用滚动体(如球体或滚子)来减少摩擦,滑动轴承则通过润滑剂减少摩擦。
2. SKF轴承种类及特点SKF生产的轴承种类繁多,包括深沟球轴承、圆锥滚子轴承、圆柱滚子轴承、调心滚子轴承等。
每种轴承都有其特定的应用领域和特点。
•深沟球轴承:适用于高速旋转和较高负载的应用,具有低摩擦和高耐久性的特点。
•圆锥滚子轴承:适用于承受较大径向和轴向负荷的应用,具有高刚度和耐久性。
•圆柱滚子轴承:适用于大型机械设备,具有较高的负载承受能力和良好的耐磨性。
•调心滚子轴承:适用于承受较大偏心或轴向负荷的应用,具有自动调心和高负载承受能力。
3. 轴承的选型原则正确选型轴承对于机械设备的正常运行至关重要。
以下是选型轴承时应考虑的几个因素:•轴承负载:根据机器的负载类型和大小,确定承受能力。
•轴承速度:根据机器的转速要求,选择合适的轴承类型和材料。
•轴承间隙:根据机器的运行条件,选择合适的内圈和外圈间隙。
•环境条件:根据工作环境的温度、湿度等条件,选择合适的轴承材料和润滑方式。
4. SKF轴承的安装方法正确的安装可以确保轴承的使用寿命和性能。
SKF推荐以下安装方法:1.准备工作:清洁轴承座和轴,检查轴承是否有损坏。
2.加热:对于较大尺寸的轴承,可以使用加热器加热轴承或冷却轴座来实现轴承的装配。
工业SKF轴承寿命的延长方法及安装为了延长SKF轴承的使用寿命,要注意工业SKF轴承的保养、检修、以求防事故于未然,确保运转的牢靠性,提高生产性、经济性。
保养最好相应机械运转条件的作业标准,定期进行。
内容包括监视运转状态、补充或更换润滑剂、定期拆卸的检查。
作为运转中的检修事项,有SKF轴承的旋转音、振动、温度、润滑剂的状态等等。
1、SKF轴承的清洗:拆卸下轴承检修时,首先记录SKF 轴承的外观,确认润滑剂的残存量,取样检查用的润滑剂之后,洗SKF轴承。
作为清洗剂,平凡使用汽油、煤油。
拆下来的SKF轴承的清洗,分粗清洗和细清洗,分别放在容器中,先放上金属的网垫底,使轴承不直接接触容器的脏物。
粗清洗时,假如使SKF轴承带着脏物旋转,会损伤轴承的滚动面,应当加以留意。
在粗清洗油中,使用刷子清除去润滑脂、粘着物,大致洁净后,转入精洗。
精洗,是将SKF轴承在清洗油中一边旋转,一边认真的清洗。
另外,清洗油也要经常保持清洁。
2、SKF轴承的检修和推断:为了推断拆卸下来的轴承是否可以使用,要在轴承洗洁净后检查。
检查滚道面、滚动面、协作面的状态、保持架的磨损状况、SKF轴承游隙的增加及有无关尺寸精度下降的损伤,异常。
非分别型小型球轴承,则用一只手将内圈支持水平,旋转外圈确认是否流畅。
圆锥滚子轴承等分别形SKF轴承,可以对滚动体、外圈的滚道面分别检查。
大型SKF轴承因不能用手旋转,留意检查滚动体、滚道面、保持架、挡边面等外观,SKF轴承的重要性愈高愈须慎重检查。
3、SKF轴承润滑的目的:滚动轴承的润滑目的是削减SKF轴承内部摩擦及摩损,防止烧粘。
(1)削减摩擦及摩损。
在构成SKF轴承的套圈、滚动体及保持器的相互接触部分,防止金属接触,削减摩擦、磨损。
(2)延长疲惫寿命。
SKF轴承的滚动疲惫寿命,在旋转中,滚动接触面润滑良好,则延长。
相反地,油粘度低,润滑油膜厚度不好,则缩短。
(3)排出摩擦热、冷却。
循环给油法等可以用油排出由摩擦发生的热,或由外部传来的热,冷却。
轴承安装、维护、拆卸把握这几点,寿命提高三倍!工课设备管理看工课143篇原创内容公众号正文 2636 字丨 7 分钟阅读轴承是当代矿山机械中一种重要的零部件,其质量关系到整个设备的运行状况。
本文介绍了轴承的安装、维护、拆卸及常见问题,希望对大家的生产有所帮助。
一、轴承的安装轴承的安装直接影响着精度、寿命、性能,因此,设计及组装部门对于轴承的安装要充分研究,按照如下的作业标准进行:(1)清洗轴承及轴承关联部。
(2)检查关联部件的尺寸及精加工情况。
(3)安装(即将安装前,方才打开轴承包装)。
(4)安装好轴承后的检查。
(5)供给润滑剂。
一般润滑脂润滑,不清洗,直接填充润滑脂。
润滑油润滑,普通也不必清洗,但是,仪器用或高速用轴承等,要用洁净的油洗净,除去涂在轴承上的防锈剂。
除去了防锈剂的轴承,易生锈,所以不能放置不顾。
再者,已封入润滑脂的轴承,不清洗直接使用。
轴承的安装方法,因轴承结构、配合等条件而异。
一般而言,由于多为轴旋转,所以内圈需要过盈配合。
圆柱孔轴承,多用压力机压入,或多用热装方法。
锥孔的场合,直接安装在锥度轴上,或用套筒安装。
1. 圆柱孔轴承的安装(1)用压力机压入的方法小型轴承广泛使用压力机压入的方法。
将垫块垫入内圈,用压力机静静地压至内圈而紧密地接触到轴挡肩为止。
将外圈垫上垫块安装内圈,是造成滚道上压痕、压伤的原因,所以要绝对禁止。
操作时,可以事先在配合面上涂油。
万不得已用榔头敲打安装的场合,要在内圈上垫上垫块作业。
这种做法只限于用过盈量小的情况,不能用于过盈量大,或中、大型轴承。
(2)热装的方法大型轴承,压入时需要很大的力,所以很难压入。
因此,在油中将轴承加热,使之膨胀,然后装到轴上的热装方法广为使用。
使用这种方法,可以不给轴承增加不当的力,在短时间内完成作业。
轴承的加热温度,以轴承尺寸、所需的过盈量为参考。
热装作业有关注意事项如下:(a)不得将轴承加热至120℃以上。
(b)为使轴承不直接接触油槽底部,可以考虑将轴承放在金属网台上,或将轴承吊起来。