大学物理实验教材
- 格式:doc
- 大小:2.74 MB
- 文档页数:38
大学物理实验教材(总38页) -本页仅作为预览文档封面,使用时请删除本页-大学物理实验数学专业用目录绪论 (1)实验1伏安法测电阻 (14)实验2电表的改装及多用表的使用 (17)实验3横波在弦线上传播的研究 (21)实验4用电流场模拟静电场 (23)实验5牛顿环 (26)实验6用落球法测液体的粘滞系数 (29)附:实验报告样板 (35)绪论大学物理实验课是高等院校理科的一门必修基础课程,是对学生进行科学实验基本训练,提高学生分析问题和解决问题能力的重要课程。
它与物理理论课具有同等重要的地位。
这里主要介绍测量误差理论、实验数据处理、实验结果表述等初步知识,这是进入大学物理实验前必备的基础。
物理实验可分三个环节:1)课前预习,写预习报告。
2)课堂实验,要求亲自动手,认真操作,详细记录。
3)课后进行数据处理,完成实验报告。
其中:预习报告的要求:1)实验题目、实验目的、实验原理(可作为正式报告的前半部分)。
2)画好原始数据表格 (单独用一张纸)。
实验报告内容:(要用统一的实验报告纸做)1)实验题目;2)实验目的;3)实验原理:主要公式和主要光路图、电路图或示意图,简单扼要的文字叙述;4)主要实验仪器名称、规格、编号5)实验步骤:写主要的,要求简明扼要;6) 数据处理、作图(要用坐标纸)、误差分析。
要保留计算过程,以便检查;7) 结论:要写清楚,不要淹没在处理数据的过程中;8) 思考题、讨论、分析或心得体会;9) 附:原始数据记录。
测量误差及数据处理误差分析和数据处理是物理实验课的基础,是一切实验结果中不可缺少的内容。
实验中的误差分析,其目的是对实验结果做出评定,最大限度的减小实验误差,或指出减小实验误差的方向,提高测量结果的可信赖程度。
对低年级大学生,重点放在几个重要概念及最简单情况下的误差处理方法。
一、测量与误差1、测量:把待测量与作为标准的量(仪器)进行比较,确定出待测量是标准量的多少倍的过程称为测量。
大学物理演示实验讲义课程的开展形式与内容原则上为:1,任课老师可选择其中的2~3个演示实验进行演示与讲解,其他的实验可让学生自行进行操作,并要求学生思考现象后面蕴含物理原理。
2,实验报告可让学生自行选择其中自己感兴趣的2~3个演示实验进行撰写。
应包括实验现象的描述,重点应放在对原理的阐述和理解上。
特别要强调的是:1、演示实验都是一套设备,需要对学生特别强调对设备的爱护。
2、需要重点提示学生对自身安全的保护。
实验室功能介绍本实验室将全面支持同学们的大学物理课学习;本实验室为同学们提供了数十个定性或半定量实验。
本实验室还为同学们提供了大量的趣味物理展品。
实验和资料将帮助你理解物理概念,帮助你体会实验构思的巧妙,帮助你把理论与实践更好地结合起来,帮助你开阔知识视野。
总之是为了帮助你早日成才!本实验室采取互动方式教学,除了观察教师为你做的演示实验以外,你还可以选择自己最感兴趣的项目亲自动手做实验;你可以利用导学系统去学习,去思考,去探索;你还可以在课外参加创新实践活动,参加实验室建设,发展自己的个性与特长。
兴趣是最好的老师,在这个实验室的经历将会使你终生难忘!1. 锥体上滚【实验目的】:1.通过观察与思考双锥体沿斜面轨道上滚的现象,使学生加深了解在重力场中物体总是以降低重心,趋于稳定的运动规律。
2.说明物体具有从势能高的位置向势能低的位置运动的趋势,同时说明物体势能和动能的相互转换。
【实验仪器】:锥体上滚演示仪图1,锥体上滚演示仪【实验原理】:能量最低原理指出:物体或系统的能量总是自然趋向最低状态。
本实验中在低端的两根导轨间距小,锥体停在此处重心被抬高了;相反,在高端两根导轨较为分开,锥体在此处下陷,重心实际上降低了。
实验现象仍然符合能量最低原理。
【实验步骤】:1.将双锥体置于导轨的高端,双锥体并不下滚;2.将双锥体置于导轨的低端,松手后双锥体向高端滚去;3.重复第2步操作,仔细观察双锥体上滚的情况。
【注意事项】:1.移动锥体时要轻拿轻放,切勿将锥体掉落在地上。
实验七 用非平衡电桥研究热敏电阻的温度特性热敏电阻由半导体陶瓷材料组成,是电阻值随温度变化而变化的电阻,可以分为正温度系数〔PTC 〕和负温度系数〔NTC 〕及临界温度热敏电阻〔CTR 〕。
由于半导体热敏电阻有独特的性能,所以在应用方面,它不仅可以作为测量元件〔如测量温度、流量、液位等〕,还可以作为控制元件〔如热敏开关、限流器〕和电路补偿元件。
广泛用于家用电器、电力工业、通讯、军事科学、宇航等各个领域,开展前景极其广阔。
本实验研究的是负温度系数热敏电阻〔NTC 〕,电阻值随温度升高而迅速下降。
广泛用于测温、控温、温度补偿等方面。
预习要点1、 热敏电阻的温度特性是什么?2、 非平衡电桥与惠斯登电桥有什么异同?3、 如何调节,可快速满足步骤〔3〕的要求?为什么? 4.微安表和电源的正负极可随便接吗?为什么?一、实验目的1. 了解非平衡电桥的工作原理; 2. 用非平衡电桥研究热敏电阻的温度特性; 3. 测出热敏电阻材料的激活能。
二、实验原理1. 热敏电阻的温度特性负的电阻温度系数〔NTC :Negative Temperature Coefficient 〕的热敏电阻,其电阻值随温度升高而迅速下降,这是因为半导体内部自由电子数目随温度的升高增加得很快,导电能力很快增强;虽然原子振动也会加剧并阻碍电子的运动,但这种作用对导电性能的影响远小于电子被释放而改变导电性能的作用,所以温度上升会使电阻值迅速下降。
半导体热敏电阻的电阻温度特性可以用下述指数函数来描述:TBT A R e 〔1〕式中A 为常数。
B 为与材料有关的常数,T 为绝对温度。
将式〔1〕两边取对数,变换成直线方程:A TB R T ln 1ln 〔2〕选取不同的温度T ,得到相应的R T ,并绘lnR T -1/T 曲线,可求得A (由截距ln A 求得)与B 〔斜率〕。
代入〔1〕式,就可得到R T 随温度T 变化的关系式了。
由常数B ,还可求出该半导体材料的激活能E ,它是表征半导体材料的重要参数之一。
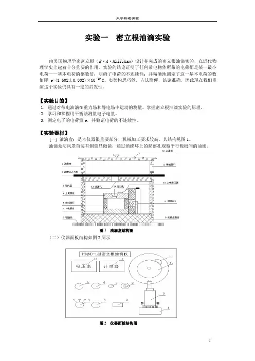
实验一密立根油滴实验由美国物理学家密立根(R·A·Millikan)设计并完成的密立根油滴实验,在近代物理学史上起着十分重要的作用。
实验的结论证明了任何带电物体所带的电荷都是某一最小电荷——基本电荷的整数倍;明确了电荷的不连续性;并精确地测定了这一基本电荷的数值即e=(1.602±0.002)×1019 C。
实验构思巧妙,方法简便,结论准确,因此现在我们重演这个实验仍具有一定的启发性。
【实验目的】1.通过对带电油滴在重力场和静电场中运动的测量,掌握密立根油滴实验的原理。
2.学习和掌握用平衡法测量电子电量。
3.测定电子的电荷量e,并验证电荷的不连续性。
【实验器材】(一) 油滴盒:是本仪器很重要部分,机械加工要求较高。
其结构见图1。
油滴盒防风罩前装有测量显微镜,通过绝缘环上的观察孔观察平行极板间的油滴。
图1 油滴盒结构图(二)仪器面板结构如图2所示图2 仪器面板结构图1.CCD :将光信号转换成电子图像信号,与成像显微镜及显示器组成电子成像系统。
2.电源开关按钮:打开按钮,电源接通,整机开始工作。
3.视频输出插座:将CCD 成像系统的信号输出至显示器。
显示器阻抗选择开关拨至75Ω处。
4.功能切换开关:有平衡、升降、测量三档。
(1) 当处于中间位置即“平衡”档时,可用电压调节旋钮来调节平衡电压大小,使被测油滴处于平衡状态。
调节平衡电压范围为DC 0~450V 。
(2)当处于“升降”档时,上下电极在平衡电压的基础上自动增加提升电压,油滴将失去原先的平衡状态(上升或者下降)。
升降电压大小用电压调节旋钮来调节。
调节范围为DC 300~700V 。
(3)当处于“测量”档时,极板间电压为0V ,被测量油滴在被测量阶段因受重力影响而匀速下落,并同时开始计时;油滴下落到预定距离时,迅速拨到平衡档,同时停止计时。
5.电压调节旋钮:置于不同的档位可调节不同的电压,调节范围为DC 0~700V 6.视频输入座:CCD 视频输出和CCD 电源共用座。
大学物理实验的英语教材University Physics Laboratory: English TextbookIntroduction:The aim of this English textbook is to provide comprehensive guidance and instructions for university physics laboratory experiments. The textbook covers a wide range of topics, including fundamental laws and principles, experimental techniques, data analysis, and safety precautions. By following this textbook, students will enhance their laboratory skills, develop a deeper understanding of physics concepts, and improve their English proficiency.Chapter 1: Introduction to Laboratory Equipment1.1 Laboratory Safety1.2 Basic Laboratory Equipment1.2.1 Glassware and Containers1.2.2 Measuring Instruments1.2.3 Electrical Equipment1.2.4 Advanced EquipmentChapter 2: Measurement Techniques2.1 Units and Dimensions2.2 Uncertainty and Error Analysis2.3 Measurement Tools and Techniques2.3.1 Length Measurement2.3.2 Time Measurement2.3.3 Mass Measurement2.3.4 Temperature Measurement2.3.5 Other Important MeasurementsChapter 3: Experiments on Mechanics3.1 Introduction to Mechanics3.2 Experimental Procedures for Newton's Laws3.2.1 Experiment 1: Force and Motion3.2.2 Experiment 2: Frictional Forces3.3 Experiment on Gravitation3.3.1 Experiment 3: Gravitational Force and Acceleration due to Gravity 3.4 Experiment on Simple Harmonic Motion3.4.1 Experiment 4: Pendulum MotionChapter 4: Experiments on Optics4.1 Introduction to Optics4.2 Experiments on Geometrical Optics4.2.1 Experiment 5: Reflection4.2.2 Experiment 6: Refraction4.3 Experiments on Wave Optics4.3.1 Experiment 7: Interference of Light4.3.2 Experiment 8: Diffraction of LightChapter 5: Experiments on Electricity and Magnetism 5.1 Introduction to Electricity and Magnetism5.2 Experiments on DC Circuits5.2.1 Experiment 9: Ohm's Law and Resistors5.2.2 Experiment 10: Kirchhoff's Laws and DC Circuits 5.3 Experiments on Magnetism and Electromagnetism 5.3.1 Experiment 11: Magnetic Fields and Forces5.3.2 Experiment 12: Electromagnetic Induction Chapter 6: Experiments on Modern Physics6.1 Introduction to Modern Physics6.2 Experiments on Atomic and Nuclear Physics6.2.1 Experiment 13: Radioactivity and Half-Life6.2.2 Experiment 14: Atomic Spectra and Energy Levels 6.3 Experiments on Quantum Mechanics6.3.1 Experiment 15: Wave-Particle Duality6.3.2 Experiment 16: Photoelectric EffectChapter 7: Data Analysis and Error Propagation7.1 Data Collection and Recording7.2 Data Analysis Techniques7.3 Graphing and Curve Fitting7.4 Error Propagation and ReportingChapter 8: Laboratory Reports and Presentation8.1 Structure of a Laboratory Report8.2 Writing Style and Language8.3 Presenting Experimental Results8.4 Peer Review and FeedbackConclusion:This English textbook for university physics laboratory experiments offers a comprehensive guide for students to conduct practical experiments effectively. With a strong emphasis on safety, accurate measurements, data analysis, and clear reporting, the textbook equips students with the necessary skills to excel in the laboratory. By using this textbook, students will enhance their understanding of physics concepts, improve their English proficiency, and become adept researchers in the field of physics.。
3.20 迈克尔逊干涉仪的调整和使用【实验简介】迈克尔逊干涉仪是根据光的干涉原理制成的一种精密仪器,它在近代物理学的发展和近代计量技术中有着重要的影响。
19世纪末,迈克尔逊与其合作者曾用此仪器完成了著名的迈克尔逊—莫雷“以太漂移”实验、标定米尺长度及推断光谱精细结构等三项著名的实验。
第一项实验否定了“以太”的存在,并为爱因斯坦发现相对论提供了实验依据;第二项工作实现了长度单位的标准化,对近代计量技术的发展做出了重要贡献;第三项工作根据干涉条纹可见度随光程差变化的规律,推断出了光谱线的精细结构,迈克尔逊因在这方面的杰出成就获得了1907年诺贝尔物理学奖。
迈干仪结构简单、光路直观、精度高,其调整和使用具有典型性,根据迈干仪基本原理发展的精密干涉测量仪器已经广泛应用于生产和科研领域。
因此,了解它的基本结构,掌握其使用方法很有必要。
【实验目的】1.了解迈克尔逊干涉仪的结构、工作原理及调节方法。
2.观察非定域干涉、等倾、等厚干涉现象,了解其特点。
3.学会用迈克尔逊干涉仪测量激光波长及钠光双线的波长差。
【预习思考题】1. 非定域干涉、等倾、等厚干涉条纹形成的条件是什么?实验中如何观察到这些干涉条纹?2.怎样利用非定域干涉圆条纹的变化测量光波的波长?3.怎样利用干涉条纹可见度的变化测量双线结构光波的波长差?【实验仪器】迈克耳逊干涉仪,扩束镜,He-Ne激光器,钠光灯。
【实验原理】1.迈克耳逊干涉仪的结构及工作原理(a ) (b)图3.20.1 迈克尔逊干涉仪光路如图 3.20.1(b ),光源s 发出的光入射到后表面镀有半反射膜的分光板1G 上,光在半反射膜处被分为强度近似相等的两束光(1)和(2),它们分别经过反射镜1M ,2M 反射后到达E 区,形成干涉条纹。
2G 为补偿板,其物理性能与几何形状均与分光板1G 相同,且2G // 1G ,它的作用是保证(1)、(2)两束光在玻璃中的光程完全相等。
反射镜2M 是固定的,1M 可在精密导轨上前后移动,以改变(1)、(2)两束光的光程差。
《大学物理实验》教学大纲课程编号:课程性质:专业必修课程名称:大学物理实验学时学分:英文名称:考核方式:闭卷考试选用教材:《物理实验》江兴方、谢建生、唐丽等编科学技术出版社大纲执笔人:陈宪锋先修课程:高等数学大纲审核人:陈岚萍适用专业:自动化专业批准人:孙霓刚执行时间:年月日一、课程目标.通过基本物理实验的方法与技术、常用物理量及常及仪器使用的训练,提高物理实验技能。
使学生了解掌握一些常用物理量的测量方法,熟悉和掌握常用仪器的基本原理、性能和使用方法,了解和掌握研究各种不同的物理现象的基本实验方法。
.培养与提高学生的科学实验能力,使学生在获得知识和运用知识的能力方面都得训练与提高。
其中包括:阅读实验教材、理解实验原理、查阅资料的能力(包括借助物理实验网站、仪器说明书等)了解物理实验仪器外观,了解正确理实验数据(有的实验可以在多媒体软件中进行数据处理);学会正确表述实验结果;分析说明实验结论;书写完整的实验报告的;在实验中仔细观察实验现象,思考分析判断实验结果;与此同时学生根据课题要求自行进行一些设计性、综合性的实验。
.培养与提高学生的科学实验素养,使学生在实事求是的科学态度与严肃认真的工作作风方面得到培养和提高。
其中包括:对待科学实事求是的素养;严肃认真、遵守操作规程的素养;不怕困难、主动研究的素养;相互协作、共同探索的素养。
.物理实验开设选修实验,目的在于在物理实验室或者学习物理实验的气氛下开展创新性的探索实验活动,培养学生的创新性能力。
二、课程目标、教学方法与毕业要求的对应关系三、教学内容及学时分配绪论课(学时)物理实验的作用与地位,实验的基本程序,测量、误差与不确定度,有效数字,随机误差的统计处理,系统误差的判断和处理,实验结果的不确定度表示。
实验课(学时).实验类型有:①演示;②验证;③综合;④设计; ⑤其它;.实验要求有:①必修;②选修;③其他四、实验成绩的考核与评定办法实验课程成绩的考核分为平时成绩和实验报告两部分:平时成绩:包括学生出勤、实验纪律和回答问题等成绩,占总成绩的。
物理实验教材
物理实验教材有很多,可以根据自己的需求和兴趣选择适合自己的教材。
以下是一些物理实验教材的推荐:
1. 《大学物理实验》吴俊林,北京:科学出版社。
2. 《普通物理实验》金以立、王楚云,南京:江苏教育出版社。
3. 《大学物理实验教程》谭金凤、张慧军,北京:北京邮电大学出版社。
4. 《普通物理实验》林抒、龚镇雄,北京:人民教育出版社。
5. 《大学物理实验》赵鲁卿、王玉文,西安:西北大学出版社。
6. 《大学物理实验》方利广,上海:同济大学出版社。
7. 《大学物理实验》周殿清,武汉:武汉大学出版社。
8. 《大学物理实验教程》邹红玉,杭州:浙江大学出版社。
9. 《物理实验》方建兴、江美福、魏品良,苏州:苏州大学出版社。
10. 《大学物理实验》石星军,北京:国防工业出版社。
以上教材涵盖了不同层次和需求的物理实验教学,从基础到提高,从理论到实践,可以满足不同学生的需求。
同时,这些教材也注重实验的趣味性和实用性,让学生通过实验更好地理解和掌握物理知识。
大学物理实验教程第三版引言大学物理实验是学习物理学的重要组成部分,通过实践操作和观察现象,加深对物理学原理的理解和掌握,培养学生的实验技能和科学精神。
《大学物理实验教程》是一本经典教材,本文将介绍该教材的第三版,旨在帮助学生更好地学习和实践物理实验。
修订内容第三版《大学物理实验教程》在前两版的基础上进行了全面修订和更新。
主要修订内容包括实验内容的新增和改动、实验操作的优化、实验数据处理和分析方法的更新等方面。
实验内容的新增和改动第三版《大学物理实验教程》新增了一些实验内容,以适应现代物理学的发展和教学需求。
同时,也对部分实验内容进行了改动,以提高实验的可行性和展示效果。
例如,在力学实验中新增了小球自由落体实验和弹簧振子实验,引入了最小二乘法对实验数据进行拟合分析;在电磁学实验中新增了磁场测量实验和电磁感应实验,引入了数字化仪器和数据采集技术。
实验操作的优化第三版《大学物理实验教程》对实验操作进行了优化,目的是简化实验过程、减少误差来源,并提高实验的准确性和可靠性。
例如,在测量实验中,对测量仪器的精度要求进行了明确,并给出了相应的操作指导;在数据记录和处理方面,提供了更多实用的建议和方法,以便学生能够正确地记录实验数据并进行系统分析。
实验数据处理和分析方法的更新第三版《大学物理实验教程》引入了一些新的实验数据处理和分析方法,以适应现代物理学研究的要求。
例如,在光学实验中,新增了衍射和干涉实验,并介绍了傅里叶光学和矩阵光学的基本原理和应用;在热学实验中,新增了热传导实验和热力学实验,并引入了统计物理学和热力学的相关概念和方法。
使用指导《大学物理实验教程》第三版提供了详细的实验操作指导和分析方法,以帮助学生顺利完成实验并获得正确的实验结果。
在使用教材进行实验时,建议学生按照实验的步骤进行实践操作,并注意实验中的安全事项。
同时,在实验过程中要注意观察现象、记录数据,以及合理地处理和分析实验数据。
教材还提供了实验结果的解读和讨论,帮助学生更好地理解实验现象和掌握物理学原理。
工科大学物理实验教材大学物理实验教程主编 梅孝安 苏卡林 张国云参编 刘喜斌 陶家友 周菊林 李科敏 徐旭玲 朱曙华 李 蓓 周华林中南大学出版社 图书在版编目(CIP)数据 大学物理实验教程/梅孝安等主编畅—长沙:中南大学出版社,2006畅10 ISBN7唱81105唱451唱5 Ⅰ.大... Ⅱ.梅... Ⅲ.物理学-实验-高等学校-教材 Ⅳ.04-03 中国版本图书馆CIP数据核字(2006)第119895号大学物理实验教程主编 梅孝安 苏卡林 张国云□责任编辑 刘 辉□责任印制 文桂武□出版发行 中南大学出版社 社址:长沙市麓山南路 邮编:410083 发行科电话:0731唱8876770 传真:0731唱8710482□印 装 长沙市华中印刷厂□开 本 787×10921/16□印张9.5□字数229千字插页:□版 次 2006年9月第1版 □2006年9月第1次印刷□书 号 ISBN7唱81105唱451唱5/G·161□定 价 16畅00元图书出现印装问题,请与经销商调换前 言物理实验课是高等理工科院校对学生进行科学实验基本训练的必修基础课程,是本科生接受系统实验方法和实验技能训练的开端。
物理实验课覆盖面广,具有丰富的实验思想、方法、手段,同时能提供综合性很强的基本实验技能训练,是培养学生科学实验能力、提高科学素质的重要基础。
物理实验课在培养学生严谨的治学态度、活跃的创新意识、理论联系实际和适应科技发展的综合应用能力等方面,具有其他实践类课程不可替代的作用。
本书根据面向21世纪理工科大学物理实验教学内容与课程体系改革的精神,参照国家教育部枟大学物理实验课程教学基本要求枠,结合湖南理工学院大学物理实验室原有的物理实验讲义及近几年实验室教学改革和建设成果编写而成。
书中第一章详细介绍了物理量的测量、误差和数据处理,这是大学物理实验课程中的基本知识之一。
第二章为基础性实验,主要学习基本物理量的测量、基本实验仪器的使用、基本实验技能和基本测量方法、误差与不确定度及数据处理的理论与方法等,涉及力、热、电、光、近代物理等各个领域的内容。
大学物理实验教材说明大学物理实验是独立的一门课程,我们以培养地方经济建设和社会发展所需要的应用型人才为目标,编写了实验教材,将物理实验与工学之间跨学科知识综合;与各种测试方法和手段综合;与现代科学技术综合。
使实验内容更具有综合性和时代气息。
出版教材如下(1)辛旭平周芹主编,一级物理实验,科学出版社,2005.9(2)朱世坤聂宜珍主编,二级物理实验,科学出版社,2005.9(3)陈德彝张甫宽主编,三级物理实验,科学出版社,2006.9(4)陈明杨先卫朱世坤主编,四级物理实验,科学出版社,2006.9以上教材在教学实践中不断修改和完善,于2008年由科学出版社出版了“21世纪物理学规划课改教材”一级和二级物理实验教材。
大学物理实验指导(部分内容)1、长度和密度的测量2、声波的测量3、薄透镜焦距的测定4、透镜组基点的测定5、用分光计测量三棱镜的折射率6、小型棱镜摄谱仪的使用7、用牛顿环测量透镜的曲率半径8、静电场的模拟9、电介质介电常数的测量10、夫兰克-赫兹实验11、迈克尔逊干涉仪的调节和使用12、用衍射光栅测光波波长13、单缝衍射14、偏振现象的观察和分析15、用双棱镜测量光波波长长度和密度的测量实验目的1.了解游标卡尺、螺旋测微计的原理和使用方法; 2.了解物理天平的结构及使用方法; 3. 学会分析、处理实验误差。
实验原理1. 游标卡尺游标卡尺是由主尺和附加在主尺上一段能滑动的付尺构成的。
它可将主尺估计的那位数较准确地读出来,其特点是游标上N 个分格的长度与主尺上(N 一1)个分格的长度相等,利用主尺上最小分度值a 与游标上最小分度值b 之差来提高测量精度。
因为(1)Nb N a =-,所以 1a b a N-=。
a 往往为1mm ,则N 越大,a b -越小,游标精度越高。
a b -称为游标最小读数或精度。
2.螺旋测微计由一根精密的测微螺杆、螺母套管和微分筒构成,利用螺旋推进原理而设计的。
母套管转一周时,测微螺杆就向前或向后退0.5mm 。
《大学物理实验》实验教学大纲(一)一、课程简介《大学物理实验》是对大学生进行科学实验基础训练的一门独立的必修课。
它在培养大学生实践能力和知识方面有其它课程不可替代的作用。
将为学生终生学习和继续发展奠定必要基础。
该门课程是原国家教委设立的六门重点课程之一,它的主要目的是:使学生在中学物理实验的基础上,按照循序渐进的原则,学习物理实验知识和方法,得到实验技能的训练,从而初步了解学实验的主要过程与基本方法,为今后进一步学习奠定良好的基础。
二、教学目的与要求(一)、教学目的:1、通过观察物理实验现象,培养学生分析问题和解决问题的初步能力。
2、培养学生科学实验能力:(1)通过阅读实验教材和对照实物做实验前的准备。
(2)通过阅读仪器说明书,正确使用常用仪器。
(3)正确记录和处理实验数据,拟定合格的实验报告。
(4)通过拟定实验报告,培养学生科技写作能力和语言表达能力。
3、培养学生严谨的治学态度和实事求是的科学作风。
4、能完成简单的设计性实验,培养学生主动精神和创新意识。
(二)、教学要求:1.能够完成预习,进行实验和撰写报告等主要实验程序。
2.能够调整常用实验装置,并基本掌握常用的操作技术。
例如:零位调整;水平、铅直调整;光路的共轴调整;消视差调节;逐次逼近调节。
3.了解物理实验中常用的实验方法和测量方法。
例如:比较、放大、转换等方法。
4.能够进行常用物理量的一般测量。
5.了解常用仪器的性能,并学会使用方法。
6.能用计算机处理实验数据,学习计算机仿真实验。
7.了解测量误差的基本知识,具有正确处理数据的初步能力。
其中包括:测量误差的基本概念;直接测量量的误差计算;数据处理的一些基本方法。
三、实验项目绪论目的、任务:使学生了解实验的要求,掌握实验数据测量、处理的有关理论。
基本要求:了解物理实验的要求,学习误差理论及有效数字处理,对本学期的实验内容做初步的了解,重点难点:误差理论,数据处理的一般方法及过程。
实验报告的一般格式。
(完整版)⼤学物理实验教材课后思考题答案⼤学物理实验教材课后思考题答案⼀、转动惯量:1.由于采⽤了⽓垫装置,这使得⽓垫摆摆轮在摆动过程中受到的空⽓粘滞阻尼⼒矩降低⾄最⼩程度,可以忽略不计。
但如果考虑这种阻尼的存在,试问它对⽓垫摆的摆动(如频率等)有⽆影响?在摆轮摆动中,阻尼⼒矩是否保持不变?答:如果考虑空⽓粘滞阻尼⼒矩的存在,⽓垫摆摆动时频率减⼩,振幅会变⼩。
(或者说对频率有影响,对振幅有影响)在摆轮摆动中,阻尼⼒矩会越变越⼩。
2.为什么圆环的内、外径只需单次测量?实验中对转动惯量的测量精度影响最⼤的是哪些因素?答:圆环的内、外径相对圆柱的直径⼤很多,使⽤相同的测量⼯具测量时,相对误差较⼩,故只需单次测量即可。
(对测量结果影响⼤⼩)实验中对转动惯量测量影响最⼤的因素是周期的测量。
(或者阻尼⼒矩的影响、摆轮是否正常、平稳的摆动、物体摆放位置是否合适、摆轮摆动的⾓度是否合适等)3.试总结⽤⽓垫摆测量物体转动惯量的⽅法有什么基本特点?答:原理清晰、结论简单、设计巧妙、测量⽅便、最⼤限度的减⼩了阻尼⼒矩。
三、混沌思考题1.有程序(各种语⾔皆可)、K值的取值范围、图 +5分有程序没有K值范围和图 +2分只有K值范围 +1分有图和K值范围 +2分2.(1).混沌具有内在的随机性:从确定性⾮线性系统的演化过程看,它们在混沌区的⾏为都表现出随机不确定性。
然⽽这种不确定性不是来源于外部环境的随机因素对系统运动的影响,⽽是系统⾃发产⽣的(2).混沌具有分形的性质(3).混沌具有标度不变性(4).混沌现象还具有对初始条件的敏感依赖性:对具有内在随机性的混沌系统⽽⾔,从两个⾮常接近的初值出发的两个轨线在经过长时间演化之后,可能变得相距“⾜够”远,表现出对初值的极端敏感,即所谓“失之毫厘,谬之千⾥”。
答对2条以上+1分,否则不给分,只举例的不给分。
四、半导体PN 结(1)⽤集成运算放⼤器组成电流⼀电压变换器测量11610~10--A 电流,有哪些优点?答:具有输⼊阻抗低、电流灵敏度⾼、温漂⼩、线性好、设计制作简单、结构牢靠等优点。
大学物理实验
数学专业用
目录
绪论 (1)
实验1伏安法测电阻 (14)
实验2电表的改装及多用表的使用 (17)
实验3横波在弦线上传播的研究 (21)
实验4用电流场模拟静电场 (23)
实验5牛顿环 (26)
实验6用落球法测液体的粘滞系数 (29)
附:实验报告样板 (35)
绪论
大学物理实验课是高等院校理科的一门必修基础课程,是对学生进行科学实验基本训练,提高学生分析问题和解决问题能力的重要课程。
它与物理理论课具有同等重要的地位。
这里主要介绍测量误差理论、实验数据处理、实验结果表述等初步知识,这是进入大学物理实验前必备的基础。
物理实验可分三个环节:
1)课前预习,写预习报告。
2)课堂实验,要求亲自动手,认真操作,详细记录。
3)课后进行数据处理,完成实验报告。
其中:预习报告的要求:
1)实验题目、实验目的、实验原理(可作为正式报告的前半部分)。
2)画好原始数据表格(单独用一张纸)。
实验报告内容:(要用统一的实验报告纸做)
1)实验题目;
2)实验目的;
3)实验原理:主要公式和主要光路图、电路图或示意图,简单扼要的文字叙述;
4)主要实验仪器名称、规格、编号
5)实验步骤:写主要的,要求简明扼要;
6) 数据处理、作图(要用坐标纸)、误差分析。
要保留计算过程,以便检查;
7) 结论:要写清楚,不要淹没在处理数据的过程中;
8) 思考题、讨论、分析或心得体会;
9) 附:原始数据记录。
测量误差及数据处理
误差分析和数据处理是物理实验课的基础,是一切实验结果中不可缺少的内容。
实验中的误差分析,其目的是对实验结果做出评定,最大限度的减小实验误差,或指出减小实验误差的方向,提高测量结果的可信赖程度。
对低年级大学生,重点放在几个重要概念及最简单情况下的误差处理方法。
一、测量与误差
1、测量:把待测量与作为标准的量(仪器)进行比较,确定出待测量是标准量的多少倍的过程称为测量。
测量得到的实验数据应包含测量值的大小和单位。
2、测量的分类
按照测量结果获得的方法来分,可分为直接测量和间接测量两类;而从测量条件是否相同来分,又可分为等精度测量和非等精度测量。
直接测量就是把待测量与标准量直接比较得出结果。
如用米尺测量物体的长度,用电流表测量电流等。
间接测量是借助函数关系由直接测量的结果计算出的物理量。
例如已知了路程和时间,根据速度、时间和路程之间的关系求出的速度就是间接测量。
一个物理量能否直接测量不是绝对的。
随着科学技术的发展,测量仪器的改进,很多原来只能间接测量的量,现在可以直接测量了。
等精度测量是指在相同条件下进行的多次测量,即:同一个人,用同一台仪器,每次测量时周围环境条件相同,所取参数相同。
等精度测量每次测量的可靠程度相同。
注意:重复测量必须是重复进行测量的整个操作过程,而不是仅仅重复读数。
物理实验中大多采用等精度测量。
反之,若每次测量时的条件不同,如测量仪器改变,或测量方法条件改变,或不同的人。
这样所进行的一系列测量叫做非等精度测量。
3、描述仪器性能的基本概念
描述仪器性能的基本概念有仪器精密度、准确度和量程等。
仪器精密度:是指仪器能分辨的物理量的最小值,一般是仪器的最小分度值。
仪器最小的分度越小,仪器精密度就越高,所测量物理量的精密度也越高。
对测量读数最小一位的取值,一般在仪器最小分度范围内再估读一位数字。
如米尺的最小分度为毫米,其精密度就是1毫米,应估读到毫米的十分位。
仪器准确度:是指仪器测量读数的可靠程度。
一般标在仪器上或写在仪器说明书上。
如电学仪表所标示的级别就是该仪器的准确度。
对不同的仪器准确度是不一样的,如对测量长度的常用仪器:米尺、游标卡尺和螺旋测微器,它们的仪器准确度依次提高。
量程:是指仪器所能测量的物理量最大值和最小值之差,即仪器的测量范围(有时也将所能测量的最大值称量程)。
测量过程中,超过仪器量程使用仪器是不允许的,轻则仪器准确度降低,使用寿命缩短,重则损坏仪器。
4、误差与偏差
在一定条件下,任何物理量的大小都有一个客观存在的真实值,称为真值。
测量的目的就是为了得到被测物理量所具有的客观真实数据,但由于受测量方法、测量仪器、测量条件以及观测者水平等多种因素的限制,只能获得该物理量的近似值,即测量值x 与真值a 之间总是存在着一定的差值,这种差值称为测量误差,即
ε=x -a
显然误差ε有正负之分,常称为绝对误差。
注意,绝对误差不是误差的绝对值!
设某个物理量真值为a ,进行n 次等精度测量,测量值分别为x 1,x 2,… x n ,(不考虑系统误差)。
可证明其算术平均值为最佳估计值:
n x x n i i
∑==1 (1)
当测量次数n →∞时,a x →,即x 为测量值的近似真实值。
为了估计误差,定义测量值与近似真实值的差值为偏差。
即x x x i i -=∆。
测量中真值是未知的,因此误差也无法知道,而测量的偏差可以准确知道,实验误差分析中常用偏差来描述测量结果的精确程度。
5、系统误差与随机误差
根据误差的性质和产生的原因,可分为系统误差和随机误差。
1)系统误差是指在一定条件下多次测量的结果总是向一个方向偏离,其数值一定或按一定规律变化。
系统误差的特征是具有一定的规律性。
系统误差的来源有以下几个方面:
(1)仪器误差。
由于仪器本身的缺陷或没有按规定条件使用仪器而造成的误差;例如,用秒表测量。