PP阻燃母粒
- 格式:ppt
- 大小:454.50 KB
- 文档页数:10
PP 高效阻燃母料(FR-CPP)
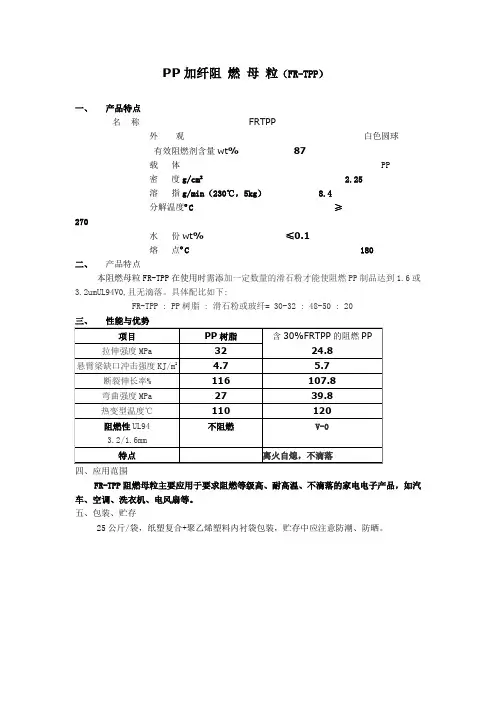
一、产品特点
名称 FRCPP
外观白色圆柱
有效阻燃剂含量wt% 50
载体 PP
密度g/cm² 1.40
溶指g/min 3.2
分解温度ºC ≥240
水份wt% ≤0.2
熔点ºC 180
加工热稳定性ºC ≤200
二、建议添加量
1. 在均聚PP塑料中一般添加2-4%,即可离火熄灭,达到阻燃UL94V2级;
2. 在共聚PP塑料中一般添加5-6%,即可离火熄灭,达到阻燃UL94V2级;
三、使用范围
FR-CPP阻燃母粒主要使用于PP注塑件,尤其是薄壁、高光亮的注塑制品,同时适用于PP波纹管,拉丝,中空板,挤出板材、片材,建筑安全网,周转箱隔板,小型家电外壳,接插组件,体育场户外耐候阻燃座椅等要求阻燃效率高的产品。
四、包装、贮存
25公斤/袋,纸塑复合+聚乙烯塑料内衬袋包装,贮存中应注意防潮、防晒。
塑料母粒分类塑料母粒是一种用于制造塑料制品的原材料,也称为塑料颗粒或塑料颗粒。
在塑料制品生产过程中,塑料母粒通过熔融、挤出、注塑等工艺,加工成各种形状的塑料制品。
塑料母粒的分类主要根据其成分和特性进行,下面将介绍几种常见的塑料母粒分类。
一、按成分分类1. 聚乙烯(PE):聚乙烯是一种常见的塑料母粒,具有良好的耐候性、耐腐蚀性和绝缘性能,广泛应用于包装材料、电线电缆、农膜等领域。
2. 聚丙烯(PP):聚丙烯是一种具有良好的物理性能和热稳定性的塑料母粒,常用于制造容器、管道、纤维等产品。
3. 聚氯乙烯(PVC):聚氯乙烯是一种常见的热塑性塑料母粒,具有优异的耐候性、电气绝缘性和化学稳定性,广泛应用于建筑材料、电线电缆、水管等领域。
4. 聚苯乙烯(PS):聚苯乙烯是一种常用的透明塑料母粒,具有良好的耐冲击性、耐化学性和电气绝缘性,常用于制造食品包装、电子产品外壳等。
5. 聚碳酸酯(PC):聚碳酸酯是一种高性能塑料母粒,具有优异的机械性能、耐热性和透明性,广泛应用于光学、电子、汽车等领域。
二、按特性分类1. 高温塑料母粒:高温塑料母粒具有较高的耐热性能,可在高温环境下保持稳定,常用于制造耐高温容器、汽车零部件等产品。
2. 阻燃塑料母粒:阻燃塑料母粒具有良好的阻燃性能,可在火灾发生时阻止火焰蔓延,常用于制造电子产品外壳、建筑材料等。
3. 耐候塑料母粒:耐候塑料母粒具有较好的耐候性能,可在户外环境中长时间保持稳定,常用于制造户外家具、广告牌等。
4. 工程塑料母粒:工程塑料母粒具有优异的力学性能和耐化学性能,可满足苛刻的工程应用要求,常用于制造汽车零部件、机械零件等。
三、其他分类1. 透明塑料母粒:透明塑料母粒具有良好的透明性能,可制成透明的塑料制品,常用于制造食品包装、光学器件等。
2. 含纤维增强塑料母粒:含纤维增强塑料母粒是一种将纤维与塑料复合制备的材料,具有较高的强度和刚度,可用于制造船舶、飞机等产品。
PP阻燃母粒一、简介PP阻燃母粒以磷、氮、溴为主要阻燃元素,阻燃机理都是快速滴落,带走热量熄灭,均选用PP原料为载体,符合欧盟ROHS、Reach、PAHs及2005/84/EC等环保标准,与PP树脂有良好的相溶性和高阻燃性,几乎没有灰分。
二、具体牌号:CPP-5表1:产品指标表2:产品特点表3:硫酸钡在CPP-5阻燃母粒中的应用测试数据结论:1. 在均丙阻燃中,硫酸钡的添加在20%以内,对阻燃的影响不大,大于20%,影响阻燃,且随着阻燃母粒的添加量加大,阻燃也提高不多;2.在均丙中添加一半共丙,同样含量的硫酸钡,阻燃效果下降;表4-1:滑石粉在CPP-5阻燃母粒中的应用测试数据表4-2:滑石粉在CPP-5阻燃母粒中的应用测试数据结论:1. 在均丙阻燃中,滑石粉添加到20%,对阻燃的影响不大;超过20%,达到同样效果需相应多添加阻燃母粒CPP-5。
2. 滑石粉添加量过高后,会产生灯芯效应,阻燃母粒添加再高,也会一直烧,不熄灭,溶指提高也没效果。
表5:CPP-5阻燃母粒加滑石粉在共丙PP中应用测试数据结论:1. 相同含量的滑石粉,共丙PP难阻燃,且阻燃母粒的添加量大;2. 在滑石粉含量不变的情况下,CPP-5阻燃母粒达到饱和后,随着阻燃母粒的增加,阻燃效果变化不大。
表6:CPP-5阻燃母粒阻燃PP中添加玻纤的应用测试数据结论:1. CPP-5阻燃母粒可以用于玻纤增强PP;2. 玻纤影响阻燃,且随着玻纤含量的增加,阻燃母粒也要相应增加;表7:CPP-5阻燃母粒在共丙PP中的应用测试数据结论:CPP-5阻燃母粒在阻燃共丙PP中,随着阻燃母粒的添加,阻燃效果变化不大;表8:CPP-5阻燃母粒在共聚PP中添加滑石粉的应用测试数据结论:1. 煤化工共聚PP和石油化工共聚PP混合,使用CPP-5阻燃母粒可以阻燃;2. 在滑石粉含量不变的情况下,阻燃母粒的加大,阻燃效果提高;表9:CPP-5阻燃母粒添加碳酸钙的应用测试数据结论:碳酸钙对CPP-5阻燃母粒在PP中的影响很大,直接导致不阻燃;六、包装/储存25KG/包,纸塑复合;按一般化学品运输,储存于干燥阴凉处,防潮,避免阳光直晒。
pp母料,是把塑料助剂超常量地载附于树脂中而制成的浓缩体;制造塑料制品时不必再加入该种塑料助剂,而只需加入相应的母料即可。
因而,它是当今世界塑料助剂应用的主要形式之一。
其优点是:工艺简单,使用方便,便于实现生产自动化,提高劳动生产率,又避免环境污染,有利于工人健康的清洁文明生产。
【图例一】塑料母料包括:1.填充母料;2.色母料;3.阻燃母料;4.聚烯烃稳定化母料;5.农膜用功能性母料;6.其他专用母料,等等。
细分已有几十种塑料母料。
应用前景:我国是当今世界上的塑料大国,塑料制品年产量已超过2100万吨。
超微粉体矿物填料每年至少有210万吨以上用于各种塑料制品中。
我国是个农业大国,塑料棚膜的年使用量140多万吨,地膜的年需求量60多万吨,农用塑料制品年使用量300多万吨(输水用塑料管、喷微灌、膜下滴灌配套管材和管件,质轻而刚度大的塑料管,水利建设用各种土工膜、土工编织布及复合材料、土工膜与无纺布复合材料,渔业水产用塑料制品等)。
我国塑料包装材料年产量360万吨,包括:1.塑料编织袋;2.塑料打包带和捆扎绳;3.塑料周转箱;4.塑料中空容器;5.塑料薄膜袋;6.塑料薄膜;7.泡沫塑料;8.塑料网兜;9.塑料软管;10.塑料复合灌等。
我国日用塑料制品的年产量约320万吨,包括:人造革及膜片,塑料鞋及塑料鞋底,塑料家具、厨具及其他,冰箱、冰柜用塑料制品,洗衣机用塑料制品,小型家用电器用塑料制品,一次性医疗用品,人工脏器应用塑料,修复、埋入用高分子材料,文化用塑料制品,娱乐用塑料制品。
我国建筑用塑料制品、工业配套(汽车、通讯、计算机、家电、电线电缆等)年使用塑料量更是惊人。
塑料母料,作为当今世界塑料助剂应用的主要形式之一,与我国塑料加工工业一样,是属于朝阳工业。
阻燃剂其按元素种类分为:卤系、磷系、卤-磷系、氮系、硅系、铝镁系等,按化学结构分为无机阻燃剂、有机阻燃剂、高分子阻燃剂等,按阻燃剂与被阻燃材料关系分为添加型阻燃剂和反应型阻燃剂。
通常在塑料阻燃改性中常采用的方法是添加型阻燃剂共混改性的方法。
PP(聚丙烯)阻燃常采用的阻燃剂包括:铝镁系阻燃剂,即氢氧化镁、氢氧化铝;磷系阻燃剂,红磷母粒等;氮系阻燃剂MCA、MA等;有些还采用有机硅阻燃剂。
聚丙烯质地发脆,抗冲击性能不算太好,如果在聚丙烯中引入相溶性差或无机材料客观上起到了填充作用,往往会使聚丙烯的机械性能更加恶化,拉伸强度、冲击强度可能会远远不能满足指标,目前改善的方法常采用增韧剂增韧,增韧剂价格高,增韧的同时材料的刚性又变差,很可能失去使用聚丙烯原本价值。
所以对于聚丙烯最好不采用或尽量少采用无机填充方式改性或降低成本,在充分利用其自身特点同时适当改进性能指标为上策。
做阻燃聚丙烯通常采用的阻燃剂有卤系,无机的氢氧化镁、氢氧化铝;磷系,红磷等;氮系MCA、MA等及有机硅系。
氢氧化镁等属于无机阻燃剂,阻燃机理是燃烧时释放出结合的水,同时高填充量也降低了有机材料的可燃性。
用氢氧化镁等阻燃优点是环保性好,不释放烟雾,不产生有害和有争议的气体,成本低廉。
缺点是添加量大,V0级别阻燃标准一般添加比例≥65%,这样高的添加量可以认为阻燃的PP中无机填料占到整个体系的2/5以上。
直接导致的后果是阻燃PP比重大,超过1.5 ;拉伸强度由普通未阻燃PP的23左右下降到18以下;伸长率由23左右下降到1.3 ;冲击强度由15下降到1左右。
严重恶化了PP的性能。
所以往往被采用在软化点要求高而其它性能可以忽略的场合。
红磷也是PP阻燃常采用的阻燃剂,相比氢氧化镁等阻燃剂的高填充红磷阻燃剂有明显优势。
其一般添加比例在8%-12%可以做到离火自熄,经过包覆处理的红磷吸潮性和易燃性大为改观。
可以经受300 ℃以下的温度,在加工过程中一般不易着火。
阻燃pp材料阻燃PP材料。
阻燃PP材料是一种具有阻燃性能的聚丙烯材料,它具有良好的耐高温、耐腐蚀、机械性能优良等特点,被广泛应用于电子电器、汽车零部件、建筑材料等领域。
本文将就阻燃PP材料的特性、应用领域以及发展趋势进行介绍。
首先,阻燃PP材料的特性主要体现在其阻燃性能上。
阻燃PP材料在燃烧时不会滴落,不会产生有毒气体,具有自熄性,能够有效阻止火焰的蔓延,从而保障人身安全和财产安全。
同时,阻燃PP材料具有优异的耐高温性能,能够在高温环境下长时间稳定工作,因此在电子电器领域得到了广泛应用。
其次,阻燃PP材料在汽车零部件领域也有着重要的应用。
汽车零部件对材料的性能要求较高,而阻燃PP材料具有良好的机械性能和耐磨性,能够满足汽车零部件对材料的要求。
同时,阻燃PP材料还具有较好的耐腐蚀性能,能够在恶劣环境下长期使用,因此在汽车零部件领域具有广阔的市场前景。
此外,阻燃PP材料在建筑材料领域也有着广泛的应用。
随着人们对建筑材料安全性能要求的提高,阻燃PP材料因其优异的阻燃性能和耐候性能,被广泛应用于建筑材料中,如隔热材料、隔音材料等,为建筑安全提供了有力保障。
最后,随着人们对材料性能要求的不断提高,阻燃PP材料的研发和应用也将迎来新的发展机遇。
未来,随着科技的不断进步,阻燃PP材料将在材料领域发挥越来越重要的作用,为人们的生活和工作提供更加安全可靠的保障。
综上所述,阻燃PP材料具有优异的阻燃性能、耐高温性能、耐腐蚀性能等特点,被广泛应用于电子电器、汽车零部件、建筑材料等领域。
随着人们对材料性能要求的不断提高,阻燃PP材料的应用前景将更加广阔,为人们的生活和工作提供更加安全可靠的保障。
(10)申请公布号(43)申请公布日 (21)申请号 201510099449.2(22)申请日 2015.03.06C08L 23/12(2006.01)C08L 23/06(2006.01)C08K 13/02(2006.01)C08K 3/04(2006.01)(71)申请人济南骄泰信息技术有限公司地址250000 山东省济南市历城区花园路5号19号楼2单元102室(72)发明人刘鹏捷(74)专利代理机构济南泉城专利商标事务所37218代理人刘庆兰(54)发明名称一种抗静电阻燃pp 无纺布母粒配方及其制备方法(57)摘要本发明属于化工技术领域,特别涉及一种抗静电阻燃pp 无纺布母粒配方及其制备方法。
该抗静电阻燃pp 无纺布母粒配方由以下质量比例的组分制成:pp 树脂76-90%,聚乙烯蜡2-5%,导电炭黑2-7%,润滑剂1-3%,阻燃剂3-8%,抗静电剂1.5-3%,抗老化剂0.5-1%。
本发明母粒用于生产无纺布,具有阻燃、抗静电等特点,避免了现有无纺布易吸附灰尘,干扰电子仪器使用的问题,使得无纺布可以满足更多样的使用需求。
(51)Int.Cl.(19)中华人民共和国国家知识产权局(12)发明专利申请权利要求书1页 说明书2页(10)申请公布号CN 104672615 A (43)申请公布日2015.06.03C N 104672615A1.一种抗静电阻燃pp无纺布母粒配方,其特征是:由以下质量比例的组分制成:pp树脂76-90%,聚乙烯蜡2-5%,导电炭黑2-7%,润滑剂1-3%,阻燃剂3-8%,抗静电剂1.5-3%,抗老化剂0.5-1%。
2.根据权利要求1所述的抗静电阻燃pp无纺布母粒配方,其特征是:所述抗静电剂为烷基磷酸酯铵盐,羟甲基脂肪胺,羟乙基脂肪胺和脂肪胺聚氧乙烯醚中的一种或多种。
3.根据权利要求1所述的抗静电阻燃pp无纺布母粒配方,其特征是:所述阻燃剂是十溴二苯乙烷,十溴二苯醚,三溴苯氧基三嗪和三氧化二锑中的一种或多种。
产品说明(Product Information)
PP专用膨胀型无卤阻燃母粒(MB-PP NP)
产品描述:
本产品是在FR-PP NP的基础上制得的阻燃母粒。
主要用于无卤阻燃聚丙烯制品,亦可用于其它聚烯烃阻燃制品。
用该阻燃母粒制得的PP阻燃制品,其阻燃性能均可达到UL 94-V0(1.5mm),并通过70o C×168小时浸水试验(UL746C),同时通过GWIT 750o C灼热丝测试;并且不受欧洲联盟及其理事会通过的2002/95/EC号《关于在电气电子设备中限制使用某些有害物质指令》的限制;本品应用于聚丙烯的挤出过程中不会有水滑的情况。
产品优势:
1. 添加量低,28-35%即可达到UL94V-0级,42-45%可以达到UL94 5VA级;
2. 达到UL94V-0的同时,其灼热丝起燃温度(GWIT)≥750℃,30s内不起燃;
3. 不水滑,不含抗滴落剂;
4. 可直接与PP进行注塑成型制品,省去造粒工艺,降低工序成本。
主要应用:
2. 加工建议:①加工温度<250℃即可;
②建议加工过程中保持一定的真空度;
③色粉及无机填料会影响阻燃效果。
包装与储存
25公斤/包,纸塑复合+聚乙烯塑料内衬袋,按一般化学品运输。
密闭贮存于干燥阴凉处。
备注:以上产品信息是我们根据现有知识及对产品性能了解的基础上对客户使用的参考,数据为实验室典型值,具体的使用量还需要客户根据要达到的阻燃级别及不同设备状况而定。