烟气主要污染物排放标准对照表
- 格式:docx
- 大小:16.95 KB
- 文档页数:1
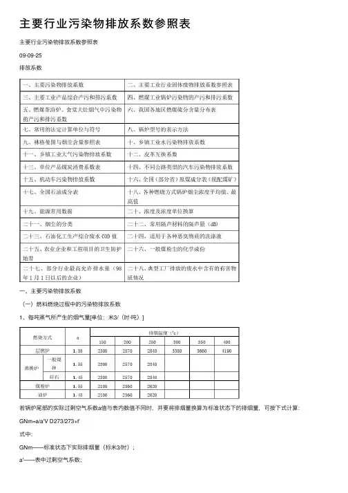
主要行业污染物排放系数参照表09-09-25【字体:大中小】排放系数一、主要污染物排放系数(一)燃料燃烧过程中的污染物排放系数1、每吨蒸气所产生的烟气量[单位:米3/(时·吨)]若锅炉尾部的实际过剩空气系数a值与表内数值不同时,并要将排烟量换算为标准状态下的排烟量,可按下式计算:GNm=a/a'V D273/273+t'式中:GNm——标准状态下实际排烟量(标米3/时);a'——表中过剩空气系数;V’——表中排烟温度t'时的烟气量(米3/时)t'——表中的排烟度(o c)a——实际过剩空气系数;D——锅炉蒸发量(吨/时)。
2、燃烧1吨煤炭排放的各污染物量 (单位:千克/ 吨)注:S*指煤的含硫量(%)。
若煤的含硫量为2%,则1吨煤然烧排SO2为16.0×2=32千克。
统计固体、液体和气体等燃料排放的各种污染物量时,如公式法和查表法计算的结果不同时,以公式计算的结果数为准。
3、燃烧1立方米油排放的各污染物量(单位:千克/米3)注:S*指燃料含硫量(%),计算方法与燃煤同,油类含硫量:原油0.1%-3.3%,汽油<0.25%,轻油0.5%-0.75%,重油0.5-3.5%4、燃烧1百万立方米燃料气排放的各污染物量(二)生产过程中的污染物排放系数1、冶金工业(1)钢铁工业(2)有色金属工业有色金属工业(单位:吨)2、煤炭工业3、化学工业(1)无机化学工业无机化学工业包括酸碱、合成氨、氮、磷、钾肥和各种无机盐类的生产,下面只介绍几个主要行业生产过程中污染物排放系数。
(2)有机化学工业有机化工是以石油、煤、天然气为原料,通过一系列复杂的化学反应制得有机原料或产品,有机化工副产品多、废水量大,现将部分有机原料或产品的污染物排放系数作以介绍:1)基本有机合成基本有机合成工业排污系数:2)高分子合成工业3)石油工业4)日用化学工业(单位:吨)5)农药工业(单位:吨)4、轻工业(1)食品工业(2)造纸工业(3)纺织印染工业5、制革工业制革工业中,污染物主要来自准备工段和鞣制工段产生的工业废水。
主要⾏业污染物排放系数参照表主要⾏业污染物排放系数参照表09-09-25排放系数⼀、主要污染物排放系数(⼀)燃料燃烧过程中的污染物排放系数1、每吨蒸⽓所产⽣的烟⽓量[单位:⽶3/(时·吨)]若锅炉尾部的实际过剩空⽓系数a值与表内数值不同时,并要将排烟量换算为标准状态下的排烟量,可按下式计算:GNm=a/a'V D273/273+t'式中:GNm——标准状态下实际排烟量(标⽶3/时);a'——表中过剩空⽓系数;V’——表中排烟温度t'时的烟⽓量(⽶3/时)t'——表中的排烟度(o c)a——实际过剩空⽓系数;D——锅炉蒸发量(吨/时)。
2、燃烧1吨煤炭排放的各污染物量 (单位:千克/ 吨)注:S*指煤的含硫量(%)。
若煤的含硫量为2%,则1吨煤然烧排SO2为16.0×2=32千克。
统计固体、液体和⽓体等燃料排放的各种污染物量时,如公式法和查表法计算的结果不同时,以公式计算的结果数为准。
3、燃烧1⽴⽅⽶油排放的各污染物量(单位:千克/⽶3)注:S*指燃料含硫量(%),计算⽅法与燃煤同,油类含硫量:原油0.1%-3.3%,汽油<0.25%,轻油0.5%-0.75%,重油0.5-3.5%4、燃烧1百万⽴⽅⽶燃料⽓排放的各污染物量(⼆)⽣产过程中的污染物排放系数1、冶⾦⼯业(2)有⾊⾦属⼯业有⾊⾦属⼯业(单位:吨)2、煤炭⼯业3、化学⼯业(1)⽆机化学⼯业⽆机化学⼯业包括酸碱、合成氨、氮、磷、钾肥和各种⽆机盐类的⽣产,下⾯只介绍⼏个主要⾏业⽣产过程中污染物排放系数。
(2)有机化学⼯业有机化⼯是以⽯油、煤、天然⽓为原料,通过⼀系列复杂的化学反应制得有机原料或产品,有机化⼯副产品多、废⽔量⼤,现将部分有机原料或产品的污染物排放系数作以介绍:1)基本有机合成基本有机合成⼯业排污系数:2)⾼分⼦合成⼯业3)⽯油⼯业4)⽇⽤化学⼯业(单位:吨)5)农药⼯业(单位:吨)4、轻⼯业(1)⾷品⼯业(2)造纸⼯业(3)纺织印染⼯业5、制⾰⼯业制⾰⼯业中,污染物主要来⾃准备⼯段和鞣制⼯段产⽣的⼯业废⽔。
国家废气排放标准表在当前全球环境污染问题日益严重的情况下,各国纷纷加强环保政策,其中废气排放标准是其中重要的一环。
我国作为世界上人口最多的国家之一,其空气质量一直备受关注。
我国政府出台了一系列废气排放标准,其中包括对PM2.5和SO2的限制。
本文将就国家废气排放标准表中的PM2.5和SO2进行详细介绍。
一、PM2.5排放标准1. PM2.5的定义PM2.5是大气中颗粒物的一种,直径小于或等于2.5微米的颗粒物。
由于其微小的粒径,PM2.5能够悬浮在空气中较长时间,对人体健康和环境造成较大的危害。
2. 国家标准根据国家环保部门发布的《大气污染物排放标准》,对工业排放的PM2.5进行了严格限制。
具体而言,工业企业在生产过程中排放的PM2.5必须符合国家规定的排放标准,达到环保要求。
3. 监测与处罚为了确保工业企业排放的PM2.5不超标,国家建立了相应的监测体系,定期对各地的大气质量进行检测。
对于排放超标的企业,将会受到相应的处罚,包括罚款、停产整治等。
二、SO2排放标准1. SO2的定义二氧化硫(SO2)是一种有毒气体,是许多化石燃料的燃烧产物,也是工业生产中常见的废气。
SO2对人体的呼吸系统和眼睛有严重危害,对植物和建筑物也有腐蚀作用。
2. 国家标准根据《工业企业大气污染物排放标准》,对工业企业排放的SO2进行了严格限制。
规定了不同行业不同规模的企业应当达到的SO2排放标准,以保护环境和人民健康。
3. 监测与治理国家环保部门建立了SO2排放监测系统,对工业企业的废气排放进行实时监测。
对于超标排放的企业,将要求其立即采取措施降低排放,并进行整改,如果情节严重将会面临停产整治等严厉处罚。
结论国家废气排放标准表中的PM2.5和SO2排放标准,是保护大气环境和人民健康的重要举措。
各地区各部门应严格执行这些标准,加大对违法排放行为的处罚力度,从根本上净化空气,改善环境质量。
工业企业应加强自身管理,采取有效措施减少废气排放,推动绿色生产,实现可持续发展。
2021 年全国 VOCS废气排放标准表〔最新〕祈雅典采用催化燃烧 +热力燃烧方式解决印刷和涂布行业 VOCS有机废气,同时还为该行业供应大量热风,提高生产力。
——打印本文小中大国标制药工业大气污染物排放标准(征采建议稿 )新建企业自2021年1月1日起执行本标准,现有企业自2021年1月1日起执行本标准。
企业界线大气污染排放限值污染物限值〔 mg/m3〕苯甲醛三氯乙烯 a硫酸二甲酯 a二氯甲烷 a非甲烷有机化合物〔NMOC〕臭气浓度20待国家污染物监测方法标准宣布后推行。
备注:企业界线任何 1 小时大气污染物平均浓度限值厂区内大气污染物监控点浓度限值污染物限值〔 mg/m3〕非甲烷有机化合物〔NMOC〕10备注:厂区内大气污染物监控点任何 1 小时大气污染物平均浓度限值。
车间或生产设施排气筒工艺废气燃烧类废气、处发酵尾气、污特别原料药生产污染物水办理站废气理尾气 a其他药品生产b颗粒物20c2020二氧化硫-100--氮氧化物-200--NMOC80808080VOCsd150150150150TOC臭气浓度 e2000200020002000二恶英类 f-0.1 ng-TEQ /m3--a. 利用锅炉或燃烧炉燃烧办理废气时, VOCs、臭气浓度和二噁英类的排放限值执行本标准要求,颗粒物、二氧化硫和氮氧化物的排放限值仍执行相应锅炉或燃烧炉的排放标准。
b. 特别原料药生产包括:β-内酰胺类抗生素、避孕药、激素类药、抗肿瘤药。
c.该限值仅针对发酵尾气。
d.待国家污染物监测方法标准宣布后推行。
e.臭气浓度无量纲。
f.燃烧含氯有机废气时,需监测该指标。
重点地域企业、设施的车间或生产设施排气筒工艺废气燃烧类废气、处发酵尾气、污特别原料药生产污染物水办理站废气理尾气 a其他药品生产b颗粒物10c1010二氧化硫-50--氮氧化物-150--NMOC50505050VOCsd100100100100TOC臭气浓度 e1000100010001000二恶英类 f-0.1 ng-TEQ /m 3--a. 利用锅炉或燃烧炉燃烧办理废气时,VOCs、臭气浓度和二噁英类的排放限值执行本标准要求,颗粒物、二氧化硫和氮氧化物的排放限值仍执行相应锅炉或燃烧炉的排放标准。
中华人民共和国国家标准大气污染物综合排放标准Integrated emission standard of air pollutantsGB16297-1996代替GB3548-83、GB4276-84、GB4277-84、GB4282-84、GB4286-84、GB4911-85、GB4912-85、GB4913-85、GB4916-85、GB4917-85、GBJ4-73各标准中的废气部分国家环境保护局1996-04-12批准1997-01-01实施前言根据《中华人民共和国大气污染防治法》第七务的规定,制定本标准。
本标准在原有《工业“三废”排放试行标准》(GBJ4-73)废气部分和有关其它行业性国家大气污染物排放标准的基础上制定。
本标准在技术内容上与原有各标准有一定的继承关系,亦有相当大的修改和变化。
本标准规定了33种大气污染物的排放限值,其指标体系为最高允许排放浓度、最高允许排放速率和无组织排放监控浓度限值。
国家在控制大气污染物排放方面,除本标准为综合性排放标准外,还有若干行业性排放标准共同存在,即除若干行业执行各自的行业性国家大气污染物排放标准外,其余均执行本标准。
本标准从1997年1月1日起实施。
下列各标准的废气部分由本标准取代,自本标准实施之日起,下列各标准的废气部分即行废除。
∙GBJ4-73 工业“三废”排放试行标准∙GB3548-83 合成洗涤剂工业污染物排放标准∙GB4276-84 火炸药工业硫酸浓缩污染物排放标准∙GB4277-84 雷汞工业污染物排放标准∙GB4282-84 硫酸工业污染物排放标准∙GB4286-84 船舶工业污染物排放标准∙GB4911-85 钢铁工业污染物排放标准∙GB4912-85 轻金属工业污染物排放标准∙GB4913-85 重有色金属工业污染物排放标准∙GB4916-85 沥青工业污染物排放标准∙GB4917-85 普钙工业污染物排放标准本标准的附录A、附录B、附录C都是标准的附录。
定型机颗粒物≤30 mg/m3,油烟≤40 mg/m3复合丙酮≤261 mg/m3,涂层甲苯≤40 mg/m3, 丁酮≤153 mg/m3植绒甲醛≤25 mg/m3, 颗粒物(绒毛尘)≤120 mg/m3烫金丁酮≤153 mg/m3涂料二甲苯≤70 mg/m3, 醋酸丁酯≤585.9 mg/m3家具粉尘(颗粒物)≤120 mg/m3, 甲苯≤40 mg/m3二甲苯≤70 mg/m3, 乙酸乙酯≤589.5 mg/m3印花甲醇≤190mg/m3,乙醇≤318mg/m3油烟≤40mg/m3(布印)非甲烷总烃≤120mg/m3烟尘≤80mg/m3 二氧化硫≤260mg/m3 酸雾≤45mg/m3氮氧化物≤240mg/m3 乙醛≤125mg/m3适合用活性炭工艺:复合涂层植绒涂料砂洗废气排放标准汇总序号项目名称依据的标准名称、代号(含年号)监控浓度限值(非最大排放浓度)环境空气环境空气质量标准GB 3095-1996废气大气污染物综合排放标准GB 16297-1996锅炉大气污染物排放标准GB13271-2001水泥厂大气污染物排放标准GB 4915-1996工业炉窑大气污染物排放标准GB 9078-1996炼焦炉大气污染物排放标准GB 16171-1996火电厂大气污染物排放标准GB 13223-1996恶臭污染物排放标准GB 14554-93饮食业油烟排放标准GB 18483-2001(试用)环境监测技术规范第二册大气和废气部分国家环境保护局(1986)年室内空气工业企业设计卫生标准TJ36-79 室内空气中二氧化硫卫生标准GB/T17097-1997 室内空气中氮氧化物卫生标准GB/T17096-1997 室内空气中二氧化碳卫生标准GB/T17097-1997 室内空气中可吸入颗粒物卫生标准GB/T17095-1997 居室空气中甲醛的卫生标准GB/T16127-199576 一氧化碳气相色谱法《空气和废气监测分析方法》国家环境保护局(1990年)0.2 mg/m377 氮氧化物空气质量氮氧化物的测定盐酸萘乙二胺比色法GB8969-880.01mg/m3环境空气氮氧化物的测定Saltzman法GB/T15436-19950.015 mg/m378 二氧化氮环境空气二氧化氮的测定Saltzman法GB/T15435-19950.015~2.0 mg/m379 氨空气质量氨的测定纳氏试剂比色法GB/T 14668-930.5 mg/m380 氰化氢固定污染源排气中氰化氢的测定异烟酸-吡唑啉酮分光光度法HJ/T28-1999无组织排放2×10-3 mg/m3有组织排放0.09mg/m381 臭氧环境空气臭氧的测定靛蓝二磺酸0.03~1.200mg/m3钠分光光度法GB/T 15437-199582 氟化物环境空气氟化物的测定石灰滤纸·氟离子选择电极法GB/T15433-19950.18μg/d m3·d环境空气氟化物质量浓度的测定滤膜·氟离子选择电极法GB/T15434-19950.5μg/m3离子选择电极法《空气和废气监测分析方法》国家环境保护局(1990年)1~1000mg/m383 二氧化硫环境空气二氧化硫的测定甲醛吸收-副玫瑰苯胺分光光度法GB/T15262-940.007 mg/m3固定污染源排气中二氧化硫的测定碘量法HJ/T 56-2000100~6000 mg/m3固定污染源排气中二氧化硫的测定定电位电解法HJ/T 57-200015~14300 mg/m384 硫酸盐化速率碱片-铬酸钡分光光度法《空气和废气监测分析方法》国家环境保护局(1990年)0.03mg/100 cm2碱片·d (以SO3计)85 铬酸雾固定污染源排气中铬酸雾的测定二苯碳酰二肼分光光度法HJ/T29-1999无组织排放5×10-4 mg/m3有组织排放5×10-3mg/m386 硫化氢亚甲基蓝分光光度法《空气和废气监测分析方法》国家环境保护局(1990年)0.001 mg/m387 硫酸雾二乙胺分光光度法《空气和废气监测分析方法》国家环境保护局(1990年)0.0005mg/m388 二硫化碳气相色谱法《空气和废气监测分析方法》国家环境保护局(1990年)0.033 mg/m389 氯气固定污染源排气中氯气的测定甲基橙分光光度法HJ/T 30-1999无组织排放0.03 mg/m3有组织排放0.2mg/m390 氯化氢离子色谱法《空气和废气监测分析方法》国家环境保护局(1990年)25~1000 mg/m3固定污染源排气中氯化氢的测定硫氰酸汞分光光度法HJ/T无组织排放0.05 mg/m3有组织排放0.9mg/m327-199991 沥青烟固定污染源排气中沥青烟的测定重量法HJ/T 45-19991.7~2000mg92 汞冷原子吸收法《空气和废气监测分析方法》国家环境保护局(1990年)0.01~30 mg/m393 总烃环境空气总烃的测定气相色谱法GB/T 15263-940.14mg/m394 甲烷气相色谱法《空气和废气监测分析方法》国家环境保护局(1990年)0.14 mg/m395 非甲烷总烃固定污染源排气中非甲烷总烃的测定气相色谱法HJ/T 38-19990.12~32 mg/m396 苯系物空气质量甲苯、二甲苯、苯乙烯的测定气相色谱法GB/T14677-931×10-3~2.0×10-3 mg/m3气相色谱法《空气和废气监测分析方法》国家环境保护局(1990年)苯、甲苯0.5 mg/m3二甲苯、苯乙烯 1.0mg/m397 硝基苯气相色谱法《空气和废气监测分析方法》国家环境保护局(1990年)0.005mg/m3空气质量硝基苯类(一硝基和二硝基化合物)的测定锌还原—盐酸萘乙二胺分光光度法GB/T15501-19956~1000mg/m398 有机硫化物气相色谱法《空气和废气监测分析方法》国家环境保护局(1990年)2 mg/m399 甲醛空气质量甲醛的测定乙酰丙酮分光光度法GB/T 15516-19950.5 mg/m3酚试剂分光光度法《空气和废气监测分析方法》国家环境保护局(1990年)0.01 mg/m3100 酚类化合物固定污染源排气中酚类化合物的测定4-氨基安替比林分光光度法HJ/T32-1999无组织排放0.03 mg/m3有组织排放0.3 mg/m3气相色谱法《空气和废气监测分析方法》国家环境保护局(1990年)0.012 mg/m3101 苯胺类空气质量苯胺类的测定盐酸萘乙二胺分光光度法GB/T0.5~600 mg/m315502-1995102 光气固定污染源排气中光气的测定苯胺紫外分光光度法HJ/T31-1999无组织排放:0.02 mg/m3有组织排放:0.4 mg/m3103 甲醇固定污染源排气中甲醇的测定气相色谱法HJ/T 33-19992 mg/m3104 乙醛固定污染源排气中乙醛的测定气相色谱法HJ/T 35-19994×10-2 mg/m3105 氯苯类固定污染源排气中氯苯类的测定气相色谱法HJ/T 39-1999氯苯0.05 mg/m3 1,4-二氯苯0.10 mg/m3 1,2,4-三氯苯0.11 mg/m3106 总悬浮颗粒物环境空气总悬浮颗粒物的测定重量法GB/T 15432-19950.001mg/m3107 可吸入颗粒物(PM10)大气飘尘浓度测定法GB6921-861μg/ m3108 降尘环境空气降尘的测定重量法GB/T 15265-940.2 t/km2·30d109 铜原子吸收分光光度法《空气和废气监测分析方法》国家环境保护局(1990年) 0.2μg/m3110 锌0.3μg/m3 111 铅0.5μg/m3 112 镉0.05μg/m3 113 铬0.4μg/m3 114 锰0.2μg/m3 115 镍0.5μg/m3116 砷二乙基二硫代氨基甲酸银分光光度法《空气和废气监测分析方法》国家环境保护局(1990年)1.6×10-4 mg/m3117 烟(粉)尘烟气参数固定污染源排气中颗粒物测定与气态污染物采样方法GB/T16157-1996 锅炉烟尘测试方法GB 5468-91烟气温度-50~10000C 烟气含湿量0.1% 烟气动压0~2000Pa 烟气静压-10~10kPa 烟气含氧量0~25% 烟(粉)尘0.4 mg118 林格曼黑度锅炉烟尘测试方法GB 5468-91 0.5级* 119 饮食业油烟饮食业油烟排放标准附录A饮食业油烟采样方法及分析方法GB0.01mg/m318438-2001(试用)120 硫化氢亚甲基蓝分光光度法《空气和废气监测分析方法》国家环保局(1990年)0.001 mg/m3。
大气污染物排放限值1、范围本标准分年限规定固定污染源的37种大气污染物排放限值,同时规定执行标准中的各种要求。
本标准适用于广东省境内除恶臭物质、汽车、摩托车、工业炉窑、炼焦炉、危险废物焚烧、生活垃圾焚烧、饮食业等行业现有污染源大气污染物的排放管理、建设项目环境影响评价、建设项目环境保护设施设计、竣工验收及其投产后的排放管理。
本标准表1、表2适用于工艺废气。
本标准表3、表4适用于各种发电的煤粉锅炉及单台出力在65t/h以上的循环流化床发电锅炉、燃油、燃气发电锅炉。
本标准表5、表6、表7、表8适用于除煤粉发电锅炉和单台出力在65t/h以上的沸腾、燃油、燃气发电锅炉以外的各种容量和用途的燃煤、燃油、燃气锅炉,使用甘蔗、锯末、稻壳、树皮等燃料的锅炉,参照燃煤锅炉大气污染物最高允许排放浓度执行。
本标准表9、表10、表11适用于水泥厂2规范性引用文件下列文件中的条款通过本标准的引用而成为本标准的条款。
凡是注日期的引用文件,其随后所有的修改单(不包括勘误的内容)或修订版均不适用于本标准,然而,鼓励根据本标准达成各方研究是否可使用这些文件的最新版本。
凡是不注日期的引用文件,其最新版本适用于本标准。
GB3095环境空气质量标准GB5468锅炉烟尘测试方法GB9137保护农作物的大气污染物最高允许浓度GB/T16157固定污染源排气中颗粒物测定与气态污染物采样方法HJ/T55大气污染物无组织排放监测技术导则建设项目环境保护设施竣工验收监测技术要求(试行)其他监测分析方法见表123术语和定义下列术语和定义适用于本标准3.1标准状态standardstate温度为273K,压力为101325Pa时的状态。
本标准规定的各项标准值,均以标准状态下的干空气为基准。
3.2最高允许排放浓度maximumacceptableemissionconcentration经处理后排气筒中污染物任何一小时浓度平均值不得超过的限值;或指无处理设施排气筒中污染物任何一小时浓度平均值不得超过的限值。
主要行业污染物排放系数参照表一、主要污染物排放系数(一)燃料燃烧过程中的污染物排放系数1、每吨蒸气所产生的烟气量[单位:米3/(时·吨)]若锅炉尾部的实际过剩空气系数a值与表内数值不同时,并要将排烟量换算为标准状态下的排烟量,可按下式计算:GNm=a/a'V D273/273+t'式中:GNm——标准状态下实际排烟量(标米3/时);a'——表中过剩空气系数;V’——表中排烟温度t'时的烟气量(米3/时)t'——表中的排烟度(o c)a——实际过剩空气系数;D——锅炉蒸发量(吨/时)。
2、燃烧1吨煤炭排放的各污染物量 (单位:千克/ 吨)注:S*指煤的含硫量(%)。
若煤的含硫量为2%,则1吨煤然烧排SO2为16.0×2=32千克。
统计固体、液体和气体等燃料排放的各种污染物量时,如公式法和查表法计算的结果不同时,以公式计算的结果数为准。
3、燃烧1立方米油排放的各污染物量(单位:千克/米3)注:S*指燃料含硫量(%),计算方法与燃煤同,油类含硫量:原油0.1%-3.3%,汽油<0.25%,轻油0.5%-0.75%,重油0.5-3.5%4、燃烧1百万立方米燃料气排放的各污染物量(二)生产过程中的污染物排放系数1、冶金工业(1)钢铁工业(2)有色金属工业有色金属工业(单位:吨)2、煤炭工业3、化学工业(1)无机化学工业无机化学工业包括酸碱、合成氨、氮、磷、钾肥和各种无机盐类的生产,下面只介绍几个主要行业生产过程中污染物排放系数。
(2)有机化学工业有机化工是以石油、煤、天然气为原料,通过一系列复杂的化学反应制得有机原料或产品,有机化工副产品多、废水量大,现将部分有机原料或产品的污染物排放系数作以介绍:1)基本有机合成基本有机合成工业排污系数:2)高分子合成工业3)石油工业4)日用化学工业(单位:吨)5)农药工业(单位:吨)4、轻工业(1)食品工业(2)造纸工业(3)纺织印染工业5、制革工业制革工业中,污染物主要来自准备工段和鞣制工段产生的工业废水。
环境保护污染物排放标准及限值近年来,随着人口的增加和工业发展的加速,环境污染问题日益严重,直接威胁到人们的生活质量和健康。
为了保护我们的环境,各国都制定了一系列环境保护污染物排放标准及限值,以规范工业企业和公共设施的排放行为,减少对环境的负面影响。
本文将介绍一些常见的污染物排放标准及限值,并探讨其对环境保护的意义。
一、废气排放标准及限值1. 燃煤发电厂烟气排放标准燃煤发电厂是重要的能源供应单位,同时也是大气污染的主要排放源之一。
为了减少其对大气环境的污染,各国都制定了相应的烟气排放标准。
例如,二氧化硫(SO2)的排放限值通常被控制在一定的浓度范围内,以减少酸雨的形成。
氮氧化物(NOx)的排放限值则能有效防止光化学烟雾和臭氧的形成。
2. 汽车尾气排放标准汽车尾气中的污染物对空气质量和人体健康都有着重要影响。
因此,各国都制定了严格的汽车尾气排放标准。
例如,二氧化碳(CO2)的排放量与汽车燃料效率直接相关,提高汽车燃油利用率是减少CO2排放的有效途径。
此外,氮氧化物(NOx)和颗粒物(PM)的排放标准也被严格控制,以减少对空气质量的污染。
3. 工业废气排放标准工业生产过程中产生的废气是重要的大气污染源之一。
不同行业的工业废气排放标准存在差异,但都有着共同的目标:减少污染物的排放量和降低对环境的影响。
例如,钢铁行业的废气中含有一定量的二氧化碳、氮氧化物和颗粒物,对这些污染物的排放限值进行严格控制,有助于缓解大气污染问题。
二、废水排放标准及限值1. 工业废水排放标准工业生产过程中产生的废水含有各种有害物质,直接排放到水体中会对环境产生严重影响。
为了保护水资源和水生态环境,各国都制定了工业废水排放标准。
例如,重金属、有机物和氨氮等有害物质的排放限值受到严格限制。
2. 城市污水处理厂排放标准城市污水处理厂是处理城市污水的关键设施,对城市环境和公共卫生至关重要。
为了减少由污水处理厂排放的有害物质对水体的污染,各国都制定了相应的排放标准。
For personal use only in study and research; not for commercial use本标准规定了33种大气污染物的排放限值,其指标体系为最高允许排放浓度、最高允许排放速率和无组织排放监控浓度限值。
国家在控制大气污染物排放方面,除本标准为综合性排放标准外,还有若干行业性排放标准共同存在,即除若干行业执行各自的行业性国家大气污染物排放标准外,其余均执行本标准。
本标准从1997年1月1日起实施。
锅炉执行GB13271-91《锅炉大气污染物排放标准》1997年后火电厂执行GB13223-1996《火电厂大气污染物排放标准》、炼焦炉执行GB16171-1996《炼焦炉大气污染物排放标准》、1997年1月1日之前通过环境影响报告书(表)审批的机械化炼焦炉,无组织排放的大气污染物最高允许排放浓度按表1执行。
表1 现有机械化炼焦炉大气污染物排放标准1997年1月1日起通过环境影响报告书(表)审批的机械化炼焦炉,无组织排放的大气污染物最高允许排放浓度按表2执行.表2 新建机械化炼焦炉大气污染物排放标准1997年1月1日之前已经投产的但未执行环境影响评价制度的机械化炼焦炉,应根据补做的环境影响报告书(表)通过审批的时间,确定无组织排放的大气污染物最高允许排放浓度按表1或表2执行。
1997年1月1日之前通过环境影响报告书(表)审批的非机械化炼焦炉,大气污染物最高允许排放浓度、吨产品污染物排放量和格曼黑度按表3执行.表3 现有非机械化炼焦炉大气污染物排放标准1997年1月1日起通过环境影响报告书(表)审批的非机械化炼焦炉,大气污染物最高允许排放浓度、吨产品污染物排放量和林格曼黑度按表4执行。
表4 新建非机械化炼炉大气污染物排放标准4.2.6 1997年1月1日之前已经投产的但未执行环境影响评价制度的非机械化炼焦炉,应根据补做的环境影响报告书(表)通过审批的时间,确定大气污染物最高允许排放浓度、吨产品污染物排放量和林格曼黑度按表3或表4执行。
烟气排放标准
根据上海市环保局《关于上海老港。
项目环境影响报告书审批意见》,本工程的烟气污染物排放执行《生活垃圾焚烧污染控制标准》 (GB18485-2001)以及欧盟EU2000/76/EEC标准,部分指标严于欧盟EU2000/76/EEC标准。
最终确
含量11%计)。
定的烟气排放标准如下表(以干基、O
2
表1.1-10 烟气排放标准
注:1)本表规定的各项标准限值,均以标准状态下含11%O2的干烟气为参考值换算;
2)烟气最高黑度时间,在任何1h内累计不得超过5min;
3)GB18485-2001中HCl、SOx、NOx、CO为小时均值,其余污染物均为测定均值;
4)欧盟2000/76/EC中Hg、Cd+Tl、Pb+Cr等其他重金属、二噁英类为测定均值。
欧盟2000(气)
(a ) 在燃烧气中不应超过以下一氧化碳(CO )浓度排放限额(除启动和关闭阶段) ------燃烧气体中的浓度50mg/m 3 为日平均值
------在至少95%的测量中,燃烧气体中的浓度150 mg/m 3为10分钟平均值,或者所有测量中,燃烧气体中的浓度100 mg/m 3为24小时期间内记录的半小时平均值。
(b )
必须在最短6小时和最长8小时的样品期间内测量这些平均值。
排放限额提到根据
(c ) 在最短30分钟和最长8小时的样品期间内的所有平均值 圾的现有厂房的平均值。
这些平均值包括了气态和液态形式的相关重金属排放,也包括他们的化合物。
烟尘二氧化硫氮氧化物标准
烟尘、二氧化硫和氮氧化物是空气污染的主要污染物之一。
为控制和减少这些污染物对大气环境和人类健康的影响,各国家和地区都制定了相应的标准和限值。
以下是一些国家和地区常见的烟尘、二氧化硫和氮氧化物排放标准的示例:
1. 美国:美国环境保护署(EPA)制定了一系列的大气污染物排放标准。
例如,对于新建或重建的火力发电厂,烟尘排放限值为0.03磅/百万英热单位(lb/MMBtu),二氧化硫排放限值为0.08 lb/MMBtu,氮氧化物排放限值为0.05 lb/MMBtu。
2. 欧洲联盟:欧洲联盟设定了针对不同部门的大气污染物排放标准。
例如,对大型燃煤电厂,烟尘排放限值为10毫克/立方米(mg/m³),二氧化硫排放限值为200 mg/m³,氮氧化物排放限值为200 mg/m³。
3. 中国:中国国家标准《大气污染源排放标准》(GB 13271-2014)规定了各类工业源的烟尘、二氧化硫和氮氧化物排放限值。
例如,对于锅炉排放,烟尘排放限值为30毫克/立方米,二氧化硫排放限值为50毫克/立方米,氮氧化物排放限值为200毫克/立方米。
需要注意的是,不同国家和地区的标准和限值可能存在差异,具体的标准要根据当地的法律法规来确定。
在实际操作中,还
需要根据不同行业和设备的特点,采取相应的污染物控制技术和措施来满足相应的排放标准。
大气污染物排放量及浓度表
备注:1、二氧化硫、氮氧化物和烟尘排放浓度为烟气中含氧量为6%时,烟尘排放浓度为标态下省煤器出口的烟尘浓度,二氧化硫、氮氧化物排放浓度为脱硫前的浓度。
2、根据上表并充分考虑设计煤种S、N含量,本项目烟气组成设计取值: N0X浓度为650mg/Nm3。
本项目在化肥厂新建烟气脱硝装置,总烟气处理量为2×252500Nm3/h;按浓度650mg/Nm3计算,年减少NOx排放量最低1886吨(按年运行8400小时计),见下表。
表3 化肥厂锅炉进行脱硝改造后NO X的减排情况见下表:
从上表可以看出,本项目建成后可以有效降低化肥厂燃煤锅炉烟气中氮氧化物排放浓度,脱硝后氮氧化物的排放浓度达到 100mg/Nm3,满足现行《火电厂大气污染物排放标准》(GB13223-2011)的要求,同时实现化肥厂成为“环境空气及地面水环境”达标的绿色企业、环保企业。
烧结烟气排放标准是指对烧结生产过程中产生的烟气进行排放控制的一系列规定和要求。
这些标准旨在保护环境,减少污染物排放,促进可持续发展。
以下是一些关于烧结烟气排放标准的基本信息:
1. 烧结烟气主要污染物:烧结烟气中的污染物主要包括颗粒物(PM)、二氧化硫(SO2)、氮氧化物(NOx)、一氧化碳(CO)等。
这些污染物对人体健康和环境都有一定的危害。
2. 排放限值:各国和地区针对烧结烟气排放制定了不同的排放限值。
例如,中国的《钢铁工业大气污染物排放标准》(GB 28662-2012)规定了烧结烟气中各类污染物的排放限值。
一般来说,这些限值会随着技术的进步和环保要求的提高而不断调整。
3. 排放控制技术:为了达到烧结烟气排放标准,企业需要采取一系列排放控制措施。
这些措施包括改进生产工艺、安装污染治理设施(如脱硫、脱硝、除尘设备等)、加强监测和管理等。
通过这些措施,可以有效地降低烧结烟气中的污染物排放水平。
4. 监测与管理:为了确保烧结烟气排放符合标准,企业需要定期对烟气进行监测,并将监测结果报告给相关部门。
此外,企业还需要建立健全环保管理制度,加强对环保工作的组织和领导,确保各项环保措施得到有效实施。
总之,烧结烟气排放标准是为了保护环境和人体健康而制定的一系列规定和要求。
企业需要严格遵守这些标准,采取有效措施降低污染物排放,实现可持续发展。