05-受控记录清单(三种)
- 格式:doc
- 大小:120.00 KB
- 文档页数:2
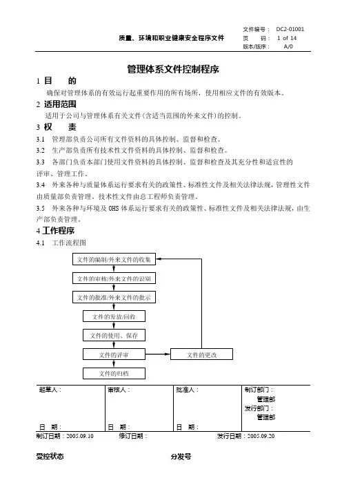
管理体系文件控制程序1目的确保对管理体系的有效运行起重要作用的所有场所,使用相应文件的有效版本。
2适用范围适用于公司与管理体系有关文件(含适当范围的外来文件)的控制。
3权责3.1 管理部负责公司所有文件资料的具体控制、监督和检查。
3.2 生产部负责所有技术性文件资料的具体控制、监督和检查。
3.3 各部门负责本部门使用文件资料的具体控制、监督和检查及其充分性和适宜性的评审、管理工作。
3.4 外来各种与质量体系运行要求有关的政策性、标准性文件及相关法律法规,管理性文件由质量部负责管理。
技术性文件由总工程师负责管理。
3.5外来各种与环境及OHS体系运行要求有关的政策性、标准性文件及相关法律法规,由生产部负责管理。
4工作程序4.1 工作流程图4.2 文件编制的申请与决定4.2.1管理类文件的制订,由管理部统一安排/规划,以确保文件的唯一性;4.2.2未经批准,各部门不得自行制订管理文件,“批准”,是指下列情况之一:1)现行文件中有规定,如本文件规定管理部协同生产、质量部制订《技术文件管理规定》;2)向管理部提出申请,并得到同意。
4.2.3管理部、协同生产部、质量部制订并实施《技术文件管理规定》。
A 各类计划为有时效限制的专用文件,其他文件均为通用文件。
B 作为标样的实物样件或照片等,也应视同文件进行控制。
C 文件“编、审、批”权限与其他专类管理文件不一致时,以专类管理文件为准。
4.4 文件编号4.4.1 管理文件编号方法A 管理手册编号:例:DC1-A/0 编号第一节“DC”为东瑞化工英文缩写(以下同),“1”表示一级文件,第二节“A”为版本号,版本的换次用英文字母依次更换标识。
0为版序号。
为修订序号。
B 程序文件编号:例:DC2-01001,第一节“DC”意义同上,“2”表示二级文件,“01001”为文件类别号与文件三位数序号。
C 作业文件编号:由IMS体系文件引用的作业文件(非化工文件系统)编号方法为:例:DC3-01001,第一节“DC”意义同上,“3”表示三级文件,“01001”从属程序文件的类号,依次标出文件三位数序号。
受控文件清单BX/QR7606 监测设备申购单BX/QR7607 监测设备报废审批表BX/QR7608 监测设备启用、封存申请单BX/QR8201 顾客满意度调查计划(24)BX-QP-13顾客满意度调查管理程BX/QD8201BX/QR8202 顾客满意度调查表(C5 顾客满意)BX/QR8203 顾客满意度调查分析报告BX/QR8204 年度内部审核计划(25)BX-QP-04内部审核控制程序BX/QR8205内部质量审核实施计划(M4 内部审核)BX/QR8236 内审检查表BX/QR8207 不符合项报告BX/QR8208 不符合项分布表BX/QR8209 质量体系审核报告BX/QR8210 内审首末次会议签到表BX/QR8211过程审核计划BX/QD8202BX/QR8212 过程审核表BX/QR8213 过程审核评价报告BX/QR8214 产品审核计划BX/QD8203BX/QR8215 产品质量审核记录表BX/QR8216 产品质量审核评价报告BX/QD8204 外购外协件检验/试验指导书BX/QR8217 外购外协件产品入库检验记录(26)BX-QP-21检验和试验控制程序BX/QD8205 半成品检验/试验指导书BX/QR8218 过程检验记录(S9 检验和试验)BX/QD8206成品检验/试验指导书BX/QR8219 成品检验记录BX/QR8220出货检验报告BX/QR8301 不合格品评审及处置单(27)BX-QP-20不合格品控制程序BX/QR8302 退货单(S10 不合格品控制)BX/QR8303让步接收申请单BX/QD8301BX/QR7538退料单BX/QR8304 返工单BX/QR8305 产品特采放行单BX/QR8306 报废申请单BX/QR8307不合格品统计表BX/QR8501年度持续改进项目计划表(28)BX-QP-18数据分析和持续改进程BX/QR8502 持续改进项目实施验证报告(M5 持续改进)BX/QR8301 不合格品评审及处置单(29)BX-QP-19纠正和预防措施管理程BX/QR8503 纠正预防措施通知单(S11 纠正和预防措施)BX/QD8501BX/QR7545 顾客反馈意见处理书BX/QR8504 纠正预防措施一览表BX/QR85058D报告编制/日期: 批准/日期: 3.2010年返工(返修)作业指导书3年无5年过程审核指导书 VDA6.33年产品审核指导书 VDA6.5 8D编写指导书3年3年顾客满意度统计分析方法长期无3年。
受控文件总清单受控文件总清单一、引言受控文件总清单是指对一个公司或组织内的所有文件进行归类、编号和记录的清单。
这份清单对于保证文件管理的规范性、整洁性和可追溯性非常重要,同时也有助于提高办公效率、减少文件的丢失和损坏风险。
本文将详细介绍一个受控文件总清单的样例,以便各个公司或组织在制定自己的文件清单时有一个参考。
二、文件总清单结构文件总清单通常由以下几大部分组成:文件编号、文件名称、文件存放位置、文件责任人、文件创建时间、文件更新时间、文件状态等。
具体的清单结构可以根据公司或组织的需求进行调整和修改。
三、公司文件总清单样例下面是一个公司文件总清单的样例,仅供参考:编号名称存放位置责任人创建时间更新时间状态1 公司章程行政办公室行政部 2021-01-01 2021-05-01 启用2 组织机构图行政办公室行政部 2021-01-01 2021-05-01 启用3 员工手册人力资源部人力资源部 2021-02-012021-06-01 启用4 安全规程安全办公室安全部 2021-03-01 2021-07-01 启用5 公司业务流程业务部业务部 2021-04-01 2021-08-01 启用6 会议纪要行政办公室行政部 2021-01-01 2021-09-01 启用7 合同模板行政办公室行政部 2021-01-01 2021-09-01 启用8 文案宣传材料行政办公室行政部 2021-01-01 2021-09-01 启用……四、文件清单维护与更新针对文件总清单的维护和更新,公司或组织可以采用以下措施来确保其持续有效和准确性:1.定期审查:每季度或每年都应该对文件总清单进行审查,删除已过期或不再需要的文件,并添加新创建的文件。
2.责任人管理:每个文件都应该有明确的责任人,他们负责文件的存储、更新和备份,同时也负责在文件删除或更新后及时更新文件清单。
3.文件标识:在每个文件的存放位置上应该标明清晰的编号,并将此编号在文件总清单中相应列出,以方便快速查找和追溯文件。
有限公司质量管理体系受控文件清单1、质量手册清单编号:KEJ-FQ-JL-4.1-01 NO :01序号文件名称编号版本备注01 质量手册202202 文件控制程序202203 质量记录控制程序202204 管理策划控制程序202205 管理评审控制程序202206 人力资源控制程序202207 设备控制程序202208 人和工作环境控制程序202209 产品实现过程的策划控制程序202210 与顾客有关的过程控制程序202211 设计和(或者)开辟控制程序202212 采购控制程序202213 生产运作控制程序202214 服务运作控制程序202215 产品及状态标识与可追溯性控制程序202216 产品包装控制程序202217 产品搬运控制程序202218 产品的贮存、防护及交付控制程序202219 测量和监控装置控制程序202220 顾客满意程度的测量和监控控制程序202221 内部审核控制程序202222 过程和产品的测量和监控控制程序202223 不合格品控制程序202224 数据分析控制程序202225 改进控制程序20222、部门质量职责文件清单编号:KEJ-FQ-JL-4.1-01 NO :01序号文件名称编号版本备注01 行政人事部质量职责202202 质量管理部质量职责202203 生产部质量职责202204 物料部质量职责202205 技术部质量职责202206 营销部质量职责202207 财务部质量职责202208 仓库质量职责202209 总经理质量职责202210 执行总经理质量职责202211 行政人事部经理质量职责202212 质量管理者质量职责202213 质量管理部质量职责202214 质量管理员质量职责202215 检验员质量职责202216 生产部经理质量职责202217 车间主任质量职责202218 外包车间主任质量职责202219 生产操作人员质量职责202220 技术部经理质量职责202221 技术员质量职责202222 采购部经理质量职责202223 采购员质量职责202224 营销部经理质量职责202225 营销员质量职责202226 开票员质量职责202227 物料部经理质量职责202228 保管员质量职责202229 运输人员质量职责202230 财务部经理质量职责20223、质量管理文件清单(1)编号:KEJ-FQ-JL-4.1-01 NO :01序号文件名称编号版本备注01 质量否决权制度202202 关键工序质量控制点检查制度202203 产品质量档案制度202204 留样观察制度202205 用户访问制度202206 质量事故报告制度202207 质量统计报告制度202208 顾客投诉处理制度202209 洁净车间环境监测管理制度202210 检测室管理制度202211 检测室安全守则202212 检测设备管理制度202213 产品出厂检测管理制度202214 生产前物料验收管理制度202215 抽样方法202216 生产检测设备校验管理制度202217 化学试剂管理制度202218 检验报告(记录)管理制度202219 产品销后退回处理制度2022内部质量审核控制程序202220 出厂检验操作规程202221 过程检验操作规程202222 无菌检测操作规程202223 pH 计操作规程202224 干湿温度计使用方法202225 高压蒸汽灭菌器操作规程202226 超净工作台操作规程202227 生化培养箱操作规程202228 电子天平操作规程202229 霉菌培养箱操作规程202230 恒温干燥箱操作规程20223、质量管理文件清单(2)编号:KEJ-FQ-JL-4.1-01 NO :01序号文件名称编号版本备注31 壳聚糖质量标准202232 明胶质量标准202233 甘油质量标准202234 硬脂酸质量标准202235 纯化水质量标准202236 羧甲基纤维素钠质量标准202237 薄荷脑质量标准202238 卡波姆质量标准202239 PVC 质量标准202240 铝箔质量标准202241 塑瓶(给药器、喷瓶) 202242 小(中)盒质量标准202243 说明书质量标准202244 纸箱质量标准202245 复合膜袋质量标准20224、生产管理文件清单(1)编号:KEJ-FQ-JL-4.1-01 NO:01序号文件名称编号版本备注1 洁净车间管理规定 20222 外包车间管理规定 20223 物料净化室管理规定 20224 洗衣消毒间管理规定 20225 换鞋管理规定 20226 更衣间更衣管理规定 20227 生产设备管理规定 20228 工作服管理规定 20229 岗位操作管理规定 202210 工艺流程管理规定 202211 工序管理点管理规定 202212 工艺纪律检查管理规定 202213 原辅材料、外购外协件使用管理规定 202214 生产原始记录管理规定 202215 原辅材料、外购零配件消耗定额管理规定 202216 不合格产品管理规定 202217 不合格原辅料、外协件包装材料管理规定 202218 生产试验管理规定 202219 技术分析会管理规定 202220 生产日期、批号、灭菌失效期管理规定 202221 制水设备清洗、消毒管理规定 202222 工艺用水管理规定 202223 产品标识管理规定 202224 产品灭菌管理规定 202225 人员进出洁净区净化程序 202226 物品进出洁净区净化程序 202227 车间交接班管理制度 202228 片剂生产作业指导书 202229 栓剂生产作业指导书 202230 喷膜剂生产作业指导书 202231 水凝胶生产作业指导书 202232 敷尔康创伤愈合海绵生产作业指导书 202233 远红外热收缩机操作与维护规程 202234 打码机操作与维护规程 202235 压片机操作与维护规程 202236 铝塑包装机操作与维护规程 20225、生产管理文件清单(2)编号:KEJ-FQ-JL-4.1-01 NO:01序号文件名称编号版本备注37 纯化水系统操作与维护规程 202238 空调净化系统操作与维护规程 202239 真空乳化机操作与维护规程 202240 膏体灌装机操作与维护规程 202241 多功能薄膜封口机操作与维护规程 202242 卧式转换型冷冻箱操作与维护规程 202243 口腔溃疡贴质量控制点 202244 壳聚糖妇科抗菌栓质量控制点 202245 壳聚糖生物护伤喷膜剂质量控制点 202246 壳聚糖妇科抗菌水凝胶质量控制点 202247 敷尔康创伤愈合海绵质量控制点 20225、物料管理文件清单编号: KEJ-FQ-JL-4.1-01 NO :01文 件 名 称 备注6、营销管理文件清单编号: KEJ-FQ-JL-4.1-01 NO :01版本 2022 2022 2022 2022 2022 2022 2022备注7、卫生管理文件清单编号: KEJ-FQ-JL-4.1-01 NO :01序号 文 件 名 称 1 环境卫生管理规程2 非洁净区环境卫生管理规程3 非洁净区工艺卫生管理规程4 防止交叉污染管理规程5 洁净区环境卫生管理规程6 洁净区工艺卫生管理规程7 人员进出洁净区的净化规程8 物料、容器及工具进出洁净区的净化规程 9 洁净区地漏清洁标准操作规程 10 洁净区清洁规程 11 洁净室消毒规程12 消毒剂和清洁剂的配制与使用规程 13 洁净服清洁规程 编号KEJ-FQ-WS-2022-01 KEJ-FQ-WS-2022-02 KEJ-FQ-WS-2022-03 KEJ-FQ-WS-2022-04 KEJ-FQ-WS-2022-05 KEJ-FQ-WS-2022-06 KEJ-FQ-WS-2022-07 KEJ-FQ-WS-2022-08 KEJ-FQ-WS-2022-09 KEJ-FQ-WS-2022-10 KEJ-FQ-WS-2022-11 KEJ-FQ-WS-2022-12 KEJ-FQ-WS-2022-13版本 备注 2022 2022 2022 2022 2022 20222022 2022 2022 2022 2022 2022 2022序号版本 编号 编号KEJ-FQ-YX-2022-01 KEJ-FQ-YX-2022-02 KEJ-FQ-YX-2022-03 KEJ-FQ-YX-2022-04 KEJ-FQ-YX-2022-05 KEJ-FQ-YX-2022-06 KEJ-FQ-YX-2022-07 序号 文 件 名 称 1 营销管理规程 2 销售记录管理规程 3 批销售记录管理规程 4 市场调查管理制度 5 售后服务制度6 产品质量信息反馈制度7 不良事件监测及上报管理制度8、设备管理文件清单编号:KEJ-FQ-JL-4.1-01 NO:01序号文件名称1 设备管理规程2 设备购置管理规程3 设备开箱验收制度4 设备的安装与调试管理规程5 设备的使用与维修保养管理规程6 设备润滑管理规程7 设备巡回检查规程8 设备计划检修管理规程9 设备备件管理规程10 压力容器管理规程11 输送管道和设备状态标记管理规程12 设备编号管理规程13 计量管理规程14 设备事故管理规程15 设备的更新改造与报废管理规程16 设备档案管理规程17 洁净厂房的验收管理规程编号KEJ-FQ-SB-2022-01KEJ-FQ-SB-2022-02KEJ-FQ-SB-2022-03KEJ-FQ-SB-2022-04KEJ-FQ-SB-2022-05KEJ-FQ-SB-2022-06KEJ-FQ-SB-2022-07KEJ-FQ-SB-2022-08KEJ-FQ-SB-2022-09KEJ-FQ-SB-2022-10KEJ-FQ-SB-2022-11KEJ-FQ-SB-2022-12KEJ-FQ-SB-2022-13KEJ-FQ-SB-2022-14KEJ-FQ-SB-2022-15KEJ-FQ-SB-2022-16KEJ-FQ-SB-2022-17版本备注2022202220222022202220222022202220222022202220222022202220222022202214 洁净鞋清洁规程KEJ-FQ-WS-2022-14 202215 卫生状态标识管理规程KEJ-FQ-WS-2022-15 202216 清洁工具清洁管理规程KEJ-FQ-WS-2022-16 202217 周转容器清洁规程KEJ-FQ-WS-2022-17 202218 外来人员进出洁净区管理规程KEJ-FQ-WS-2022-18 202219 设备清洁规程通则KEJ-FQ-WS-2022-18 202220 废弃物的管理规程KEJ-FQ-WS-2022-19 202221 圾站管理规程KEJ-FQ-WS-2022-20 202222 昆虫和鼠害控制规程KEJ-FQ-WS-2022-21 202223 非洁净服管理规程KEJ-FQ-WS-2022-22 202224 灭蚊灯清洁管理规程KEJ-FQ-WS-2022-23 202218 洁净厂房管理规程KEJ-FQ-SB-2022-18 202219 厂房及设施保养、维修管理规程KEJ-FQ-SB-2022-19 202220 压力容器防爆措施KEJ-FQ-SB-2022-20 2022现行法律法规文件清单编号:KEJ-FQ-JL-4.1-01 NO:01序号文件名称编号版本备注1 医疗器械监督管理条例(国务院令第276 号) 20002 医疗器械临床实验规定(国药监局令第05 号) 20043 医疗器械说明书:标签和包装标识管理规定 (国药监 2004局令第10 号)4 医疗器械生产监督管理办法(国药监局令第12 号) 20045 医疗器械分类规则(国药监局令第15 号) 20006 医疗器械注册管理办法(国药监局令第16 号) 20047 医疗器械新产品审批规定(试行) (国药监局令第17 2000号)8 医疗器械生产企业质量体系考核办法(国药监局令第 200022 号)9 医疗器械说明书管理规定(国药监局令第30 号) 200210 医疗器械标准管理办法(试行)(国药监局令第31 号) 200111 国家食品、药品监督管理局行政立法程序规定 (国药 2002监局令第33 号)12 国家食品药品监督管理局行政复议暂行办法(国药监 2002局令第34 号)13 湖南省医疗生产企业资格认可实施细则14 商品条码管理办法 200515 医疗器械生产质量管理规范 202216 医疗器械召回管理办法 2022。
好好学习社区
更多优惠资料下载:
德信诚培训网
受控文件清单
序号 文件名称 文件编号 管理部门 备注 001 质量管理手册 QM/01-001-00 总经理 002 文件与资料控制程序 QP/02-001-00 质量部 003 记录控制程序 QP/02-002-00 质量部 004 沟通控制程序 QP/03-001-00 行政部 005 管理评审控制程序 QP/08-001-00 行政部 006 人力资源控制程序 QP/04-001-00 行政部 007
基础设施控制程序
QP/05-001-00
生产部 质量部
008 工作环境控制程序 QP/12-001-00
生产部 质量部
009 与顾客有关的过程控制程序 QP/03-002-00
销售部 质量部
010 采购控制程序 QP/07-001-00 商务部 质量部
011 纠正与预防措施控制程序 QP/08-002-00 质量部 012 监视测量控制程序 QP/08-003-00 质量部 013 标识与可追溯控制程序 QP/10-001-00 质量部 014 产品防护控制程序 QP/12-002-00 质量部 015 不良事件报告控制程序
QP/03-003-00 质量部 016 内审控制程序 QP/08-004-00 质量部 017 不合格品控制程序 QP/10-002-00 质量部 018 产品召回控制程序 QP/03-004-00 质量部 019 偏差控制程序 QP/08-005-00 质量部 020 变更控制程序 QP/10-003-00 质量部 021 风险控制程序 QP/08-006-00 质量部 022
验证与确认控制程序
QP/09-001-00
质量部。
受控文件清单-质量文件受控文件清单质量文件在当今竞争激烈的商业环境中,产品和服务的质量是企业生存和发展的关键。
为了确保质量的稳定性和可靠性,企业需要建立一套完善的质量管理体系,并对相关的文件进行有效的控制和管理。
其中,受控文件清单质量文件就是质量管理体系中的重要组成部分。
受控文件是指那些对产品质量、过程控制、质量管理体系运行等具有重要影响,需要进行严格管理和控制的文件。
这些文件通常包括质量手册、程序文件、作业指导书、检验标准、技术规范、工艺文件等。
通过对受控文件的有效管理,可以确保企业内部的各项工作都按照统一的标准和规范进行,从而提高产品和服务的质量,降低质量风险,增强客户满意度。
质量手册是受控文件中的核心文件之一,它是企业质量管理体系的纲领性文件,阐述了企业的质量方针、质量目标、质量管理体系的范围、组织结构、职责权限以及质量管理体系过程之间的相互关系等。
质量手册为企业的质量管理工作提供了总体的指导和方向,是企业质量管理的最高准则。
程序文件是对质量管理体系中各项活动的流程和方法进行规定的文件。
它详细描述了各项质量活动的目的、范围、职责、工作流程、相关文件和记录等。
程序文件是质量手册的支持性文件,通过对各项质量活动的规范化管理,确保质量管理体系的有效运行。
作业指导书则是针对具体的操作岗位和工作任务,为操作人员提供详细的操作方法和步骤的文件。
作业指导书通常包括设备操作规范、工艺流程卡、检验操作规程等。
它是操作人员进行工作的依据,能够确保操作人员按照正确的方法和标准进行操作,从而保证产品和服务的质量。
检验标准是用于规定产品或服务的检验项目、检验方法、检验频率、判定准则等内容的文件。
检验标准是质量控制的重要依据,通过对产品或服务进行严格的检验,确保其符合相关的质量要求。
技术规范和工艺文件则是对产品的技术要求和生产工艺进行规定的文件。
技术规范包括产品的规格、性能、参数等要求,工艺文件则包括产品的生产工艺流程、工艺参数、工装夹具等内容。