烟囱流速教学内容
- 格式:doc
- 大小:14.50 KB
- 文档页数:4
1、对问题的回答:300000m3/h除以3600s,再除以烟囱出口面积(1*1*),得到出口烟速=s;这个流速作为工业炉窑排气系统来说,是基本可以的!专家认为过大的依据是什么应有出处的,建议直接去请教他!2、就环境影响评价的排气筒出口内径和流速问题,下面做一简要的论述,请参考:出口内径与出口烟速的核算出口烟速、出口内径这两个参数,与排气筒排放烟气量有直接关系。
单位时间内通过烟囱出口的烟气量(即排烟率Qv)除以烟囱出口面积即为出口烟速Vs。
(1)出口烟速与出口风速的比值排气筒的出口烟速Vs,不得小于按GB/T13201中节规定方法计算出的风速Vc的倍。
(2)出口内径与烟气经济流速通常,出口内径应根据设计最佳出口流速确定。
烟气出口流速,涉及到“经济流速”的工程设计理念和烟囱高度合理性的问题。
从大气污染物排放和扩散角度来讲,在保证满足排气筒设计要求的前提下适当加大出口烟速,有利于烟气及污染物的动力抬升和降低落地浓度。
但是,出口烟速过高则易导致送风、排烟系统压力过大,经济上不适宜,且烟气在烟囱出口处会出现急剧夹卷效应;而出口烟速过低易造成烟气在烟囱出口处出现下洗,从而排烟不畅,不利于烟气排放和迅速扩散,既影响相关排烟设备正常运行和经济技术设计最优化,同时也会出现漫烟等扩散造成局部重污染。
两者形成平衡,才是合理。
为避免烟气下洗和防风、防雨,有的排气筒在出口处设置帽沿状水平圆板,圆板向外伸展的尺寸至少应等于烟囱出口直径。
为提高烟气出口速度,有的烟囱出口设计成文丘里喷嘴结构,但必须注意阻力的增加不致过大。
(3)出口烟速的一般规定**关于排气筒出口烟速的一般规定可见于《大气污染治理工程技术导则》HJ2000-2010之污染气体的排放之排气筒的出口直径应根据出口流速确定,流速宜取15m/s左右。
当采用钢管烟囱且高度较高时或烟气量较大时,可适当提高出口流速至20m/s~25m/s左右。
”**烟气出口流速的确定,还应符合有关工程设计、防火设计、环保设计等规范和标准的要求。
大气课程设计烟囱一、教学目标本章节的教学目标旨在让学生掌握大气课程中关于烟囱的基本知识,包括烟囱的原理、类型及其对大气污染的影响。
在知识目标方面,学生需要了解烟囱的工作原理、不同类型的烟囱以及它们在减少大气污染方面的作用。
技能目标方面,学生应能够分析烟囱的优缺点,并运用所学知识解决实际问题。
情感态度价值观目标方面,学生应认识到烟囱技术在环境保护中的重要性,培养对大气污染问题的关注和责任感。
二、教学内容本章节的教学内容主要包括烟囱的原理、类型及其对大气污染的影响。
首先,介绍烟囱的基本原理,包括烟囱的工作原理和影响烟囱效率的因素。
然后,讲解不同类型的烟囱,包括传统烟囱和现代烟囱的构造、特点和应用。
最后,探讨烟囱对大气污染的影响,包括烟囱排放的主要污染物及其对环境和人类健康的影响。
三、教学方法为了激发学生的学习兴趣和主动性,本章节将采用多种教学方法。
首先,通过讲授法向学生传授烟囱的基本知识和理论。
其次,利用讨论法引导学生思考烟囱技术在环境保护中的作用和挑战。
接着,采用案例分析法分析具体的烟囱应用实例,让学生学会将理论知识应用于实际问题。
最后,通过实验法让学生亲身体验烟囱的工作原理,增强学生的实践操作能力。
四、教学资源为了支持教学内容和教学方法的实施,本章节将选择和准备适当的教学资源。
教材方面,将使用《大气环境化学》等相关教材,提供烟囱的基本知识和理论。
参考书方面,推荐学生阅读《烟囱工程技术规范》等书籍,深入了解烟囱技术的最新发展。
多媒体资料方面,将利用PPT、视频等资料展示烟囱的实验过程和实际应用场景。
实验设备方面,准备烟囱模型、污染物检测仪器等,让学生亲身体验烟囱的工作原理和污染物排放情况。
五、教学评估本章节的评估方式将采用多元化的方法,以全面、客观地评价学生的学习成果。
平时表现方面,将通过观察学生在课堂上的参与程度、提问和回答问题的表现来评估其学习情况。
作业方面,将布置相关的烟囱研究报告和实验报告,评估学生对烟囱知识的理解和应用能力。
烟囱出口烟气速表-概述说明以及解释1.引言1.1 概述烟囱出口烟气速表是一种用于测量烟囱出口烟气速度的仪器。
在工业生产中,烟囱是将废气排放至大气中的重要设备。
废气的排放速度是评估环境影响和设备运行效率的重要指标之一。
烟囱出口烟气速表通过测量烟囱出口气流的速度来确定排放速度。
准确测量烟囱出口气流速度对于监测和控制废气排放具有重要意义。
它可以提供可靠的数据,帮助企业管理者了解废气排放情况,并采取必要的对策来降低排放浓度,保护环境。
根据测量方法的不同,烟囱出口烟气速表可分为直接测量和间接测量两种类型。
直接测量方法是通过在烟囱出口安装传感器或流量计等仪器来直接测量烟气速度。
间接测量方法则是通过测量其他参数(如压力、温度等)来计算得到烟气速度。
烟囱出口烟气速表的应用前景非常广泛。
它可以在工业生产过程中广泛应用,包括煤炭、石油化工、钢铁、化肥等行业。
通过准确测量烟气速度,企业可以及时监测和控制废气排放,确保在环境法规和标准的要求下进行生产。
总之,烟囱出口烟气速表是一种重要的测量工具,它为企业提供了准确的废气排放数据,帮助管理者采取措施降低环境污染。
随着环保要求的增加,烟囱出口烟气速表的应用前景将更加广阔。
1.2 文章结构文章结构部分:本文将按照以下结构进行叙述。
首先在引言部分提供对烟囱出口烟气速表的概述,介绍其作用和目的。
接下来,在正文部分的第一节,将详细论述烟囱出口烟气速表的作用,分析其在实际应用中的重要性。
在正文的第二节,将阐述烟囱出口烟气速表的测量方法,包括测量原理、测量器具和测量步骤等,以帮助读者更好地了解如何进行烟气速度的测量。
最后,在结论部分中对全文进行总结,并展望烟囱出口烟气速表在未来的应用前景,探讨其可能的发展方向。
通过以上结构的安排,本文将全面深入地介绍烟囱出口烟气速表的相关内容,希望读者能够从中获得有价值的信息。
1.3 目的本文的目的是介绍和探讨烟囱出口烟气速表的应用以及其在工业与环境保护中的重要性。
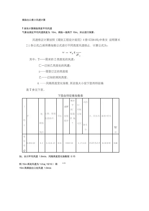
1首先计算烟囱高度平均风速气象站测定平均风速高度为10m,烟囱一般高于10m,所以进行换算。
风速修正计算按照《堤防工程设计规范》4册0286-98)中条文说明第6.2.1条公式(2)采用壽指数公式进行不同高度风速修止. 计算公式为:其中:T——需求的Z髙度处的凤速:匚一己知乙高度处的风速:z——需耍订正的高度吸乙一一已知的测凤高度。
& ——风随高度变化指数.其说值大小按下垫而特征确是T参见下衷。
下垫血特征幕指数表下特征平地硬地悔洋丘陵、植被枝离海岸、草地远田房屋较少城市平地’较葛草地*x»岸板远城市区高的树木少少、阿木冬麻林•村庄W市耳指強Q0. 09-0 100. 10. 11-0. 130 140 H-0 160, 17-0.200.22-0.2.40. 28 0 300 40如,合川平均风速 1.8m/s。
风随高度变化指数取0.15则15m高处风速为1.8 x( 15/10 ) 得15m高烟囱出口处风速1.9m/s0.15根据制定地方大气污染物排放标准的技术方法排气筒出口处烟气速度 Vs 不得小于按式(23)计算出的风速 Vc 的1.5倍。
耳二歹+ (23) ^=0.74+0,1?^(24) 帚----排气筒出口高度处环境风速的多年平均风速, K----韦伯斜率;以合川15m 高烟囱为例K=0.74+0.19X 1.9=1.1伽马函数查表,所以 vc=1.9X (2.303)1/1.1/0.965=4.2m/s取1.5倍---伽玛函数,入=1+1。
0. 10 11!2. 10 O 886 0.20 6!2. 20 0. 886 0, 30 9. 2602. 30 0. 886 0.403. 3232. 40 0. 8S6 0.50 2. 00050 0. 887 0. 60 1.5052. GO O 888 0. 70 1.2662. 70 6 SS9 0.80 L 1332. 80 0 890 0. 90 L0522. 90 0. 892 L00 L 0003. 00 0 894 1. 10 0,9653. 10 0 894 1.20 0. 941& 20 0. 1.30 0. 9233. 30 0. 897 1.40 0. 9J L3. 40 6 89S 1.50 0. 9033. 50 0, 900 1. 60 0. 8373. 60 O 901 L70 0. 8923. 70 0, 902 L80 0.8893.80 0. 904 L90 0. 8873*90 0. 905 2, 000.8864. 006 906 取 0.965 [tl ri4 L ni | 式中:/ 〕 1T+—I 皿丿合川区15m高烟囱最小出口速度 6.3m/s。
代谢病医院DN1200烟囱自生通风力及阻力计算1、烟囱自生通风力计算烟道长度:Ф1200:垂直段L1=17mФ1200:长度18m计算:1、烟囱自生力通风力hzshzs=h(ρkº-ρ) g (Pa)式中:ρkº—周围空气密度,按ρkº=1.293 Kg/m³ρ—烟气密度,Kg/m³g—重力加速度,9.81m/ s²h—计算点之间的垂直高度差,h=12m 标准状况下的烟气密度ρ0 =1.34 Kg/m³则ρ=ρ0273/273+t =1.34*273/273+170=0.825Kg/m³hzs=12*(1.293-0.825)*9.81=55.1Pa2、考虑当地大气压,温度及烟囱散热的修正。
当地大气压P=100.48kpa,最热天气地面环境温度t=29℃则ρk=ρkº(273/273+29)*100480/101325=1.16 Kg/m³烟囱内每米温降按0.5℃考虑,则出口烟气温度为:170-(17+18)*0.5=152.5℃则烟气内的平均烟温为(170+152.5)/2=161.25℃烟囱内烟气的平均密度为:ρ=1.34*[273/(273+161.25)]*100480/101325=0.853Kg/m³修正后的hzs=17*(1.16-0.853)*9.81=51.2(pa)2、烟囱阻力计算已知条件:锅炉三台,每台烟气量:5100m³/h烟道长度:Ф1200:垂直段L1= 17mФ1200:水平长度18m入口温度:170℃烟囱出口温度:152.5℃ΣΔhy=Δh m+Δh j+Δh yc式中Δh m——烟道摩擦阻力Δh j ——局部阻力Δh yc——烟囱出口阻力Δh m=λ·L/d dl ·(w2/2)·ρpa式中λ——摩擦阻力系数,对金属烟道取0.02L——烟道总长度,L=35mW——烟气流速,m/s 3*5100* m3/h= 3.8m/s3.14*(1.2/2)2*3600d dl——烟道当量直径,圆形烟道为其内径ρ——烟气密度,Kg/m³ρ=ρ0·273/(273+t pj)=0.826ρ0——标准状况下烟气密度,1.34 Kg/m³;t pj——烟气平均温度Δh m=0.02*35/1.2*(3.82/2)*0.853=3.6 paΔh j =(90度弯头个数*0.7)*w2/2*p=(3*0.7)*3.82/2*0.853=12.9paΔh yc=є*(w2/2)*p ε——出口阻力系数,查表1.1 =1.1*(3.82/2)*0.853=6.8paΣΔhy=3.6+12.9+6.8=23.3pa自拔力:51.2 pa > 阻力:23.3 pa,因此烟囱可以克服自身阻力顺畅排烟代谢病医院DN400烟囱自生通风力及阻力计算1、烟囱自生通风力计算烟道长度:Ф400:垂直段L1=17mФ400:长度22m计算:1、烟囱自生力通风力hzshzs=h(ρkº-ρ) g (Pa)式中:ρkº—周围空气密度,按ρkº=1.293 Kg/m³ρ—烟气密度,Kg/m³g—重力加速度,9.81m/ s²h—计算点之间的垂直高度差,h=12m 标准状况下的烟气密度ρ0 =1.34 Kg/m³则ρ=ρ0273/273+t =1.34*273/273+170=0.825Kg/m³hzs=12*(1.293-0.825)*9.81=55.1Pa2、考虑当地大气压,温度及烟囱散热的修正。
《烟囱底流速法》(HJ 288-2013)是中国环境保护部发布的一项标准,用于测量和评估工业烟囱底部废气流速的方法。
该标准主要包括以下内容:
1. 测量原理:介绍了通过使用烟气流速计测量烟囱底部废气流速的原理,包括仪器的使用原理和测量参数的选择。
2. 仪器设备:要求使用符合国家标准的烟气流速计进行测量,并对仪器的选型和校准等进行了规定。
3. 测量方法:详细描述了测量烟囱底部废气流速的步骤和注意事项,包括设备安装和调试、测量位置选择、测量方向和测量点布置等。
4. 数据处理:对测得的废气流速数据进行处理和计算,包括平均值、标准差和相关系数等统计指标的计算方法。
《烟囱底流速法》是一项用于评估工业烟囱底部废气流速的标准方法,可用于工业企业的环境影响评估、大气污染防治等方面的工作。
具体的操作细节和要求可以参考该标准的具体内容。
?? 1、对问题的回答:300000m3/h除以3600s,再除以烟囱出口面积(1*1*3.14159m2),得到出口烟速=26.5m/s;这个流速作为工业炉窑排气系统来说,是基本可以的!专家认为过大的依据是什么?应有出处的,建议直接去请教他!? ? 2、就环境影响评价的排气筒出口内径和流速问题,下面做一简要的论述,请参考:出口内径与出口烟速的核算出口烟速、出口内径这两个参数,与排气筒排放烟气量有直接关系。
单位时间内通过烟囱出口的烟气量(即排烟率Qv)除以烟囱出口面积即为出口烟速Vs。
(1)出口烟速与出口风速的比值排气筒的出口烟速VsVc的1.5倍。
(2)出口内径与烟气经济流速通常,出口内径应根据设计最佳出口流速确定。
烟气出口流速,涉及到“经济流速”的工程设计理念和烟囱高度合理性的问题。
从大气污染物排放和扩散角度来讲,在保证满足排气筒设计要求的前提下适当加大出口烟速,有利于烟气及污染物的动力抬升和降低落地浓度。
但是,出口烟速过高则易导致送风、排烟系统压力过大,经济上不适宜,且烟气在烟囱出口处会出现急剧夹卷效应;而出口烟速过低易造成烟气在烟囱出口处出现下洗,从而排烟不畅,不利于烟气排放和迅速扩散,既影响相关排烟设备正常运行和经济技术设计最优化,同时也会出现漫烟等扩散造成局部重污染。
两者形成平衡,才是合理。
为避免烟气下洗和防风、防雨,有的排气筒在出口处设置帽沿状水平圆板,圆板向外伸展的尺寸至少应等于烟囱出口直径。
为提高烟气出口速度,有的烟囱出口设计成文丘里喷嘴结构,但必须注意阻力的增加不致过大。
(3)出口烟速的一般规定**关于排气筒出口烟速的一般规定可见于《大气污染治理工程技术导则》HJ2000-2010之5.3污染气体的排放之5.3.5“排气筒的出口直径应根据出口流速确定,流速宜取15m/s 左右。
当采用钢管烟囱且高度较高时或烟气量较大时,可适当提高出口流速至20m/s~25m/s 左右。
”**烟气出口流速的确定,还应符合有关工程设计、防火设计、环保设计等规范和标准的要求。
烟气流速计算公式
烟气流速计算公式
计算烟气流速是采取正确的防控措施的重要步骤。
它可以帮助烟气排放系统的设计者和安装者确定最佳的排放方案,以确保系统的性能,同时符合当地的环境标准和法规。
计算烟气流速的公式通常采用烟气抵抗原理,用来确定烟气在排出烟囱时的流速。
该公式由以下参数组成:烟气流量,烟囱高度,烟囱内径,烟气温度,烟气密度,烟气粘度和空气温度。
计算烟气流速的公式通常采用以下形式:
流速=烟气流量÷烟囱内径2÷π÷烟气温度×烟气密度×空气温度×(烟囱高度+烟气粘度)
其中,烟气流量可以用实际测量的结果来计算,烟囱高度取决于烟囱的实际高度,烟囱内径可以从烟囱的实际尺寸来计算,烟气温度,烟气密度,烟气粘度以及空气温度等参数则可以从标准表中进行查询。
计算烟气流速的公式是一个相对复杂的公式,但它可以帮助技术人员准确计算出烟气排放系统的最佳性能并确保系统符合当地环境标准和法规。
因此,技术人员在设计和安装烟气排放系统时,一定要正确使用计算烟气流速的公式,以确保系统的正常工作和有效的防治措施。
1、对问题的回答:300000m3/h除以3600s,再除以烟囱出口面积(1*1*3.14159m2),得到出口烟速=26.5m/s;这个流速作为工业炉窑排气系统来说,是基本可以的!专家认为过大的依据是什么?应有出处的,建议直接去请教他!
2、就环境影响评价的排气筒出口内径和流速问题,下面做一简
为避免烟气下洗和防风、防雨,有的排气筒在出口处设置帽沿状水平圆板,圆板向外伸展的尺寸至少应等于烟囱出口直径。
为提高烟气出口速度,有的烟囱出口设计成文丘里喷嘴结构,但必须注意阻力的增加不致过大。
(3)出口烟速的一般规定。
烟气流速的控制在许多工业和环境应用中都是至关重要的,例如在燃煤电厂、工业炉、废气处理系统等。
烟气流速的控制涉及到多种技术和设备,以下是一些常见的控制方法:
1. **风机调速:** 在许多系统中,烟气流速的控制可以通过调节排放烟气的风机的转速来实现。
通过改变风机的转速,可以调整烟气的抽排速度。
2. **风道调节:** 使用可调节的风道装置,如风门、挡板等,可以在烟气排放管道中调整截面积,从而影响烟气的流速。
这种方法适用于一些小型系统或需要局部调节的场合。
3. **换气量控制:** 在某些系统中,通过控制烟气的产生和排放量,可以实现对烟气流速的控制。
这可以通过调整燃烧过程中的燃料供应量或燃烧温度等参数来实现。
4. **使用风扇和引风机:** 在一些系统中,可以使用风扇或引风机来主动引导和调节烟气的流动,从而控制烟气流速。
5. **采用流速控制器:** 专门的流速控制器可以通过传感器测量烟气流速,并通过反馈机制控制风机或其他调节设备,以维持所需的流速水平。
6. **自动化控制系统:** 现代的自动化控制系统可以集成各种传感器、执行器和控制算法,实现对烟气流速的实时监测和调节。
在选择和实施烟气流速控制方案时,需要考虑系统的具体要求、设备的可行性、安全性和经济性等因素。
此外,遵守相关的环保法规和标准也是非常重要的。
爆破课程设计烟囱一、教学目标本课程的学习目标包括:1.知识目标:学生需要掌握烟囱的基本结构、工作原理以及爆破拆除的物理原理。
2.技能目标:学生能够运用所学知识对烟囱进行安全性评估,并设计出合理的爆破方案。
3.情感态度价值观目标:学生应该培养对安全生产的重视,对生命的尊重,以及对技术创新的渴望。
二、教学内容本课程的教学内容将围绕烟囱的结构、工作原理、爆破拆除的物理原理、安全评估和设计方案等方面进行。
1.烟囱的结构和工作原理:介绍烟囱的基本结构,如筒体、排气系统等,并解释其工作原理。
2.爆破拆除的物理原理:讲解爆破拆除的基本原理,如爆炸波、冲击波等。
3.安全评估:教授如何对烟囱进行安全性评估,包括评估标准和评估方法。
4.设计方案:引导学生设计出合理的爆破方案,包括爆破点的选择、爆破器材的选用等。
三、教学方法本课程将采用讲授法、讨论法、案例分析法和实验法等多种教学方法。
1.讲授法:用于讲解烟囱的基本结构、工作原理、爆破拆除的物理原理等知识点。
2.讨论法:用于探讨安全性评估标准和方法,以及设计合理爆破方案。
3.案例分析法:分析实际案例,让学生更好地理解爆破拆除的原理和技巧。
4.实验法:进行爆破实验,让学生亲身体验爆破过程,提高其操作技能。
四、教学资源本课程的教学资源包括教材、参考书、多媒体资料和实验设备等。
1.教材:烟囱设计与爆破拆除相关教材。
2.参考书:烟囱工程安全评估与控制相关书籍。
3.多媒体资料:烟囱结构和工作原理的图片、视频等。
4.实验设备:爆破实验所需的器材和设备。
以上教学资源将有助于实现本课程的教学目标,提高学生的操作技能和安全意识。
五、教学评估本课程的评估方式包括平时表现、作业、考试等。
1.平时表现:评估学生在课堂上的参与程度、提问回答等情况,以考察其对课程内容的理解和掌握。
2.作业:布置与课程内容相关的作业,评估学生的完成情况和理解程度。
3.考试:进行期中和期末考试,全面考察学生对课程知识的掌握和运用能力。
烟囱流速
1、对问题的回答:300000m3/h除以3600s,再除以烟囱出口面积
(1*1*3.14159m2),得到出口烟速=26.5m/s;这个流速作为工业炉窑排气系统来说,是基本可以的!专家认为过大的依据是什么?应有出处的,建议直接去请教他!
2、就环境影响评价的排气筒出口内径和流速问题,下面做一简要的论述,请参考:
出口内径与出口烟速的核算
出口烟速、出口内径这两个参数,与排气筒排放烟气量有直接关系。
单位时间内通过烟囱出口的烟气量(即排烟率Qv)除以烟囱出口面积即为出口烟速Vs。
(1)出口烟速与出口风速的比值
排气筒的出口烟速Vs,不得小于按GB/T13201中5.6.1节规定方法计算出的风速Vc的1.5倍。
(2)出口内径与烟气经济流速
通常,出口内径应根据设计最佳出口流速确定。
烟气出口流速,涉及到“经济流速”的工程设计理念和烟囱高度合理性的问题。
从大气污染物排放和扩散角度来讲,在保证满足排气筒设计要求的前提下适当加大出口烟速,有利于烟气及污染物的动力抬升和降低落地浓度。
但是,出口烟速过高则易导致送风、排烟系统压力过大,经济上不适宜,且烟气在烟囱出口处会出现急剧夹卷效应;而出口烟速过低易造成烟气在烟囱出口处出现下洗,从而排烟不畅,不利于烟气排放和迅速扩散,既影响相关排烟设备正常运行和经济技术设计最优化,同时也会出现漫烟等扩散造成局部重污染。
两者形成平衡,才是合理。
为避免烟气下洗和防风、防雨,有的排气筒在出口处设置帽沿状水平圆板,圆板向外伸展的尺寸至少应等于烟囱出口直径。
为提高烟气出口速度,有的烟囱出口设计成文丘里喷嘴结构,但必须注意阻力的增加不致过大。
(3)出口烟速的一般规定
**关于排气筒出口烟速的一般规定可见于《大气污染治理工程技术导则》HJ2000-2010之5.3污染气体的排放之5.3.5“排气筒的出口直径应根据出口流速确定,流速宜取15m/s左右。
当采用钢管烟囱且高度较高时或烟气量较大时,可适当提高出口流速至20m/s~25m/s左右。
”
**烟气出口流速的确定,还应符合有关工程设计、防火设计、环保设计等规范和标准的要求。
例如:《水泥工业除尘工程技术规范》(HJ434-2008)规定:“排气筒的出口直径宜根据气体出口流速确定,气体出口流速可取10~16m/s”。
对电站锅炉、工业锅炉等烟气排放量较大的情况,其排气筒的烟气出口速度宜在10m/s~30m/s左右,最适宜的为15m/s;《锅炉房烟囱设计》里面提到机械通风全负荷时烟囱出口气体速度在12-20m/s;
生活垃圾焚烧处理工程技术规范CJJ90—2009
7.6.5
烟气管道应符合下列要求: 1 管道内的烟气流速宜按10-20m/s设计;
对一般项目的烟气出口流速应在15m/s左右或在12m/s~18m/s之间为宜;
对工艺尾气及一般小锅炉排气筒其烟气出口流速,如超过2~30m/s这一范围或偏离15m/s太大,应对排气筒相关参数(烟气量、出口内径等)认真核实;
对采用室内通风的机械排烟系统中的排烟出口流速不宜大于10.0m/s。
但对抽真空、不凝气等工艺尾气,其烟气量往往很小,烟气出口流速也很小,评价时应注意甄别判断,不必执行上述原则。