扩散习题与解答
- 格式:doc
- 大小:2.46 MB
- 文档页数:44
固体的扩散习题与答案固体的扩散习题与答案扩散是指物质在空间中自发的、无宏观流动的传递过程。
在固体中,扩散现象常常发生,它对于材料的性能和应用具有重要影响。
下面将介绍一些固体扩散的习题和答案,帮助读者更好地理解和掌握这一概念。
习题一:某金属材料的扩散系数为2.5×10^-5 cm^2/s,温度为800℃。
若在1小时内,该金属材料中某种元素的浓度从表面向内部下降了0.1%,求该元素在1小时内的扩散深度。
解答:根据扩散定律,扩散深度可以用以下公式计算:L = √(D × t)其中,L表示扩散深度,D表示扩散系数,t表示时间。
代入已知数据,得到:L = √(2.5×10^-5 cm^2/s × 3600 s)计算结果约为0.3 cm。
所以,在1小时内,该元素的扩散深度约为0.3 cm。
习题二:某金属材料的扩散系数为1.8×10^-6 m^2/s,温度为900K。
若在10小时内,该金属材料中某种元素的扩散深度为0.5 mm,求该金属材料的扩散系数。
解答:根据扩散定律,扩散系数可以用以下公式计算:D = (L^2)/(4t)其中,D表示扩散系数,L表示扩散深度,t表示时间。
代入已知数据,得到:D = (0.5×10^-3 m)^2 / (4 × 10 × 3600 s)计算结果约为2.08×10^-7 m^2/s。
所以,该金属材料的扩散系数约为2.08×10^-7 m^2/s。
习题三:某金属材料的扩散系数为1.2×10^-9 cm^2/s,温度为500℃。
若在5小时内,该金属材料中某种元素的扩散深度为0.2 mm,求该元素的扩散时间。
解答:根据扩散定律,扩散时间可以用以下公式计算:t = (L^2)/(4D)其中,t表示扩散时间,L表示扩散深度,D表示扩散系数。
代入已知数据,得到:t = (0.2 mm)^2 / (4 × 1.2×10^-9 cm^2/s)计算结果约为2.78×10^7 s。
第五章扩散7-1解释并区分下列概念:(1)稳定扩散与不稳定扩散;(2)本征扩散与非本征扩散;(3)自扩散与互扩散;(4)扩散系数与扩散通量。
解:略7-2 浓度差会引起扩散,扩散是否总是从高浓度处向低浓度处进行?为什么?解:扩散是由于梯度差所引起的,而浓度差只是梯度差的一种。
当另外一种梯度差,比如应力差的影响大于浓度差,扩散则会从低浓度向高浓度进行。
7-3 欲使Ca2+在CaO中的扩散直至CaO的熔点(2600℃)时都是非本质扩散,要求三价离子有什么样的浓度?试对你在计算中所做的各种特性值的估计作充分说明。
已知CaO肖特基缺陷形成能为6eV。
解:掺杂M3+引起V’’Ca的缺陷反应如下:当CaO在熔点时,肖特基缺陷的浓度为:所以欲使Ca2+在CaO中的扩散直至CaO的熔点(2600℃)时都是非本质扩散,M3+的浓度为,即7-4 试根据图7-32查取:(1)CaO在1145℃和1650℃的扩散系数值;(2)Al2O3在1393℃和1716℃的扩散系数值;并计算CaO和Al2O3中Ca2+和Al3+的扩散活化能和D0值。
解:由图可知CaO在1145℃和1650℃的扩散系数值分别为,Al2O3在1393℃和1716℃的扩散系数值分别为根据可得到CaO在1145℃和1650℃的扩散系数的比值为:,将值代入后可得,Al2O3的计算类推。
7-5已知氢和镍在面心立方铁中的扩散数据为cm2/s和cm2/s,试计算1000℃的扩散系数,并对其差别进行解释。
解:将T=1000℃代入上述方程中可得,同理可知。
原因:与镍原子相比氢原子小得多,更容易在面心立方的铁中通过空隙扩散。
7-6 在制造硅半导体器体中,常使硼扩散到硅单晶中,若在1600K温度下,保持硼在硅单晶表面的浓度恒定(恒定源半无限扩散),要求距表面10-3cm深度处硼的浓度是表面浓度的一半,问需要多长时间(已知D1600℃=8×10-12cm2/s;当时,)?解:此模型可以看作是半无限棒的一维扩散问题,可用高斯误差函数求解。
第四章扩散习题答案4-1解:本题为非稳态扩散问题,采用菲克第二定律。
由题意知,初始条件和边界条件为:t=0时,x>0 C = C 0; t ≥0时,x=0 C = C s ;t ≥0时,x=∞ C = C 0所以,可应用误差函数解来求解。
c(x,t)= C s -(C s - C 0)erf (Dtx2),其中,Cs=0, C 0=0.85%, 取C=0.8% 则:(C s –C)/( C s –C 0)= erf(Dt x2)∴(0-0.8%)/( 0-0.85%)= erf(3600*10*1.1211-x)∴erf(3600*10*1.1211-x)=0.94 查表知,3600*10*1.1211-x=1.33∴x=0.00053m=0.53mm∴ 应车去 0.53mm 的深度。
4-2解:本题为非稳态扩散问题,采用菲克第二定律。
由题意知,初始条件和边界条件为:t=0时,x>0 C = C 0; t ≥0时,x=0 C = C s ;t ≥0时,x=∞ C = C 0所以,可应用误差函数解来求解。
c(x,t)= C s -(C s - C 0)erf (Dt x 2),其中,Cs=1.1%, C 0=0 ①β=Dt x2=10*10*5.825.02-=0.33∴ erf(β)=0.3593C= C s -( C s – C 0) erf(β)=1.1%-1.1%×0.5393=0.705%②β= Dt x2=10*10*5.820.12-=0.66∴ erf(β)=0.6494C= C s -( C s -C 0) erf(β)=1.1%-1.1%×0.6494=0.386%③β= Dt x2=10*10*5.822.12-=0.79∴ erf(β)=0.7361C= C s -( C s -C 0) erf(β)=1.1%-(1.1%-0)×0.7361=0.29%④β= Dt x2=10*10*5.825.12-=0.98∴ erf(β)=0.8342C= C s -( C s -C 0) erf(β)=1.1%-(1.1%-0)×0.8342=0.18%⑤β= Dt x2=10*10*5.8222-=1.31∴ erf(β)=0.9361C= C s -( C s -C 0) erf(β)=1.1%-(1.1%-0)×0.9361=0.07%渗层内碳的浓度分布曲线如下:4-3解:本题为非稳态扩散问题,采用菲克第二定律。
第4章 扩散1. 一块厚度为d 的薄板,在T 1温度下两侧的浓度分别为w 1,w 0(w 1>w 0),当扩散达到平稳态后,给出①扩散系数为常数,②扩散系数随浓度增加而增加,③扩散系数随浓度增加而减小等三种情况下浓度分布示意图。
并求出①种情况板中部的浓度。
解:一维扩散的平稳态有 D Cxd d =常数①扩散系数为常数时,d C /d x 也应为常数,故浓度分布是直线。
其中部的浓度C w w =−12②扩散系数随浓度增加而增加时,d C /d x 应随浓度增加而减小,浓度分布曲线是上凸的曲线。
③扩散系数随浓度增加而减小时,d C /d x 应随浓度增加而增加,浓度分布曲线是下凹的曲线。
2. 上题d =2mm,w 1=1.4%,w 0=0.15%。
在T 1温度下w 1和w 0浓度的扩散系数分别为D w 1=7.7×10-11m 2⋅s -1,D w 0=2.5×10-11m 2⋅s -1。
问板的两侧表面的浓度梯度的比值为多大?设w =0.8%≡ρ=60kg/m 3,问扩散流量为多少?(设扩散系数随浓度线性变化)解:①两侧表面的浓度梯度的比值:因 D C x D C xw w1010d d d d =,故 d d d d C x C x D D w w 100125770325===...②因扩散系数随浓度线性变化,设D =a+bC 因 D a bC D a bC 1100=+=+求得 010111011C C D D b C C C D D D a −−=−−−=扩散流量 J a bC C x =−+()d d 上式积分得 −=++Jx aC bC d22边界条件:x =l ,C =C 0;代入上式得:J a C C b C C l=−−+−[()()]10120221把a 和b 代入得J D D D C C C C D D C C C C l D D C C l =−−−−−+−−−=−−{()()()}()()110101*********10101212把重量百分数转化为体积浓度,因w =0.8%≡60kg/m3故 C C 130314086010501508601125=×=⋅=×=⋅−−.....kg m kg m 把浓度代入流量式子,最后得J =−−××⋅⋅=×⋅⋅−−−−−−−(..)(.).77251051125102102441011321621kg m s kg m s 3. 根据图4-5(b)和(c)给出的资料,计算x (Ni)=0.4以及x (Ni)=0.6两种合金在900°C 时的互扩散系数。
《材料结构》习题:固体中原子及分子的运动1. 已知Zn在Cu中扩散时D0=2.1×10-5m2/s,Q=171×103J/mol。
试求815℃时Zn在Cu中的扩散系数。
2. 已知C在γ铁中扩散时D0=2.0×10-5m2/s,Q=140×103J/mol; γ铁中Fe自扩散时D0=1.8×10-5m2/s,Q=270×103J/mol。
试分别求出927℃时奥氏体铁中Fe的自扩散系数和碳的扩散系数。
若已知1%Cr可使碳在奥氏体铁中的扩散激活能增加为Q=143×103J/mol,试求其扩散系数的变化和对比分析以上计算结果。
3. 若将铁棒置于一端渗碳的介质中,其表面碳浓度达到相应温度下奥氏体的平衡浓度C S。
试求(1)结合铁-碳相图,试分别示意绘出930℃和800℃经不同保温时间(t1<t2<t3)碳浓度沿试棒纵向的分布曲线;(2)若渗碳温度低于727℃,试分析能否达到渗碳目的。
4. 含碳0.2%的低碳钢进行870℃渗碳较930℃渗碳具有晶粒细小的优点,则(1)试计算以上两种温度下碳在γ-Fe中的扩散系数;(2)试计算870℃渗碳需多少时间可达到930℃渗碳10小时的渗层厚度(忽略C在γ-Fe 中的溶解度差异);(3)若渗层厚度测至含碳量0.4%处,计算870℃渗碳10小时后的渗层厚度及其与930℃同样时间渗层厚度的比值。
(表面碳浓度取1.2)FeDγCDγCDγ习题4答案:1.解:根据扩散激活能公式得3-5132017110e x p () 2.110e x p 1.2610m /s8.314(815273)-⎛⎫⨯=-=⨯⨯-=⨯ ⎪⨯+⎝⎭CuZn Q D D RT 2.解:根据扩散激活能公式得3γ-5172027010e x p () 1.810e x p 3.1810m /s 8.314(927273)-⎛⎫⨯=-=⨯⨯-=⨯ ⎪⨯+⎝⎭Fe Q D D RT 3γ-5112014010e x p () 2.010e x p 1.6110m /s 8.314(927273)-⎛⎫⨯=-=⨯⨯-=⨯ ⎪⨯+⎝⎭C Q D D RT 已知1%Cr 可使碳在奥氏体铁中的扩散激活能增加为Q =143×103J/mol , 所以,3γ-51120143.310exp() 2.010exp 1.1610m /s 8.314(927273)-⎛⎫⨯'=-=⨯⨯-=⨯ ⎪⨯+⎝⎭CQ D D RT 由此可见,1%Cr 使碳在奥氏体铁中的扩散系数下降,因为Cr 是形成碳化物的元素,与碳的亲和力较大,具有降低碳原子的活度和阻碍碳原子的扩散的作用。
扩散习题1. 说明下列概念的物理意义:(1)扩散通量;(2)扩散系数;(3)稳态扩散和非稳态扩散;(4)克根达耳效应;(5)互扩散系数;(6)间隙式扩散;(7)空位机制;(8)扩散激活能;(9)扩散驱动力;(10)反应扩散;(11)热力学因子。
2. 如图所示,在Ni 和Ta 中间插入一个0.05cm 厚的MgO 层作为扩散屏障以阻止Ni 和Ta 两种金属之间的相互作用。
在1400 ℃时,Ni 原子能穿过MgO 层扩散到Ta 中。
计算:①每秒钟通过MgO 层的Ni 原子数;②Ni 原子层减少一微米厚度所需的时间是多少?已知Ni 原子在MgO 中的扩散系数是9×10-12cm 2/s ,且1400℃时Ni 原子的晶格常数为3.6×10-8cm 。
被MgO 层隔离开的Ni 和Ta 扩散偶解:在Ni 和MgO 界面上Ni 的浓度为:32238MgO /Ni cmatoms 1057.8cm)106.3(cell unit atoms Ni 4⨯=⨯=-C 在Ta 和MgO 界面上Ni 的浓度应为0,所以浓度梯度为:cmcm atoms 1071.105.01057.8032422⋅⨯-=⨯-=∆∆x C Ni 通过MgO 的扩散通量为:)1071.1)(109(2412⨯-⨯=∆∆-=-xC D J scm atoms Ni 1054.1213⋅⨯=因此,每秒钟透过界面的Ni 原子总数为:s /atoms Ni 1016.6221054.11313⨯=⨯⨯⨯在一秒钟之内,从Ni/MgO 界面扩散出去的Ni 原子的体积为:scm 1072.0cm /atoms Ni 1057.8s/atoms Ni 1016.63932213-=⨯⨯⨯ 则Ni 层每秒钟减少的厚度为:s /cm 108.1cm4s /cm 1072.010239--=⨯⨯ 由此可得,Ni 层减少一微米所需的时间为:h 154s 000556s/cm 108.1cm 10104=,=--⨯3.设碳原子在铁中的八面体间隙三维空间中跃迁。
第七章扩散习题与思考题
(一)选择题
1.菲克第一定律描述了稳态扩散的特征,即浓度不随( )变化
A 距离
B 时间
C 温度
2 原子扩散的驱动力是( )
A 组元的浓度梯度
B 组元的化学势梯度
C 温度梯度
(二)问答题
1 何谓扩散,固态扩散有哪些种类?
2 何谓上坡扩散和下坡扩散?试举几个实例说明之。
3 扩散系数的物理意义是什么?影响因素有哪些?
4 固态金属中要发生扩散必须满足哪些条件。
5 铸造合金均匀化退火前的冷塑性变形对均匀化过程有何影响?是加速还是减缓? 为什么。
6 巳知铜在铝中的扩散常数D0=0.84×10-5m2/s,Q=136×103J/mol,试计算在477℃和
497℃时铜在铝中的扩散系数。
7 有一铝—铜合金铸锭,内部存在枝晶偏析,二次枝晶轴间距为0.01cm,试计算该铸锭
在477℃和497℃均匀化退火时使成分偏析振幅降低到1%所需的保温时间。
8 可否用铅代替铅锡合金作对铁进行钎焊的材料,试分析说明之。
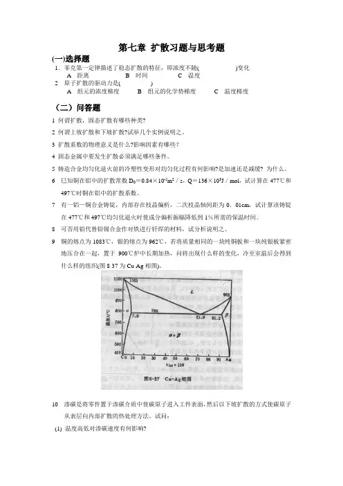
9 铜的熔点为1083℃,银的熔点为962℃,若将质量相同的一块纯铜板和一块纯银板紧密
地压合在一起,置于900℃炉中长期加热,问将出现什么样的变化,冷至室温后会得到什么样的组织(图8-37为Cu-Ag相图)。
10 渗碳是将零件置于渗碳介质中使碳原子进入工件表面,然后以下坡扩散的方式使碳原子
从表层向内部扩散的热处理方法。
试问:
(1) 温度高低对渗碳速度有何影响?
(2) 渗碳应当在r-Fe中进行还是应当在α-Fe中进行?
(3)空位密度、位错密度和晶粒大小对渗碳速度有何影响?。
第十章原子扩散本章主要内容:扩散第一定律扩散第二定律,第二定律的解及应用实例柯肯达尔效应扩散的微观机理:扩散机制,高扩散率通道扩散热力学:驱动力,反应扩散影响扩散的因素扩散的应用实例1 填空1 扩散系数的单位是_____________________________________________,扩散系数D的物理意义是__________________________________。
2 上坡扩散是指_______________________________________________,反应扩散是指______________________________________________。
3 扩散系数与温度之间关系的表达式为_____________________________________。
4 三元系的扩散层中不可能出现_____________________混合区。
5 空位扩散需具备的条件是(1)_________________,(2)______________。
间隙扩散需具备的条件是_________________________。
6 互扩散系数D______________________________________。
7 置换式固溶体晶内扩散的主要机制是_____________,而间隙固溶体晶内扩散的主要机制是_________________。
8 扩散驱动力_____________________,再结晶驱动力_______________________,晶粒长大驱动力_______________________。
9 扩散第一定律表达式____________________________,扩散第二定律表达式___________________________。
10 扩散通量J的单位是____________________。
2 判断1 金属的自扩散激活能等于()A空位形成能和迁移激活能的总和 B 空位的形成能C空位的迁移能2 晶界扩散比晶内扩散速率()A 大B 小C 相等3 固溶体中扩散的驱动力是___________。
《核反应堆物理分析》85页扩散理论习题解答二21解:(1)建立以无限介质内任一点为原点的球坐标系(对此问题表达式较简单),建立扩散方程:−D∇2φ+Σaφ=S即:∇φ−2ΣaSφ=−DD边界条件:i.0<φ<+∞,ii.J(r)=0,0<r<+∞设存在连续函数ϕ(r)满足:⎧∇2φ=∇2ϕ,⎪⎨ΣaS1−=2ϕφ⎪⎩DDL可见,函数(1)(2)ϕ(r)满足方程∇2ϕ=1ϕ,其通解形式:L2ϕ(r)=Aexp(−r/L)exp(r/L)+Crr由条件i可知:C=0,由方程(2)可得:φ(r)=ϕ(r)+S/Σa=Aexp(−r/L)/r+S/Σa再由条件ii可知:A=0,所以:φ=S/Σa(实际上,可直接由物理模型的特点看出通量处处相等这一结论,进而其梯度为0)(2)此时须以吸收片中线上任一点为原点建立一维直角坐标系,先考虑正半轴,建立扩散方程:−D∇2φ+Σaφ=S即:∇2φ−ΣaSφ=−,x>0DDx→0边界条件:i.0<|φ|<+∞,ii.limJ(x)=−Σ′atφ(0)/2,iii.limJ(x)=0x→∞对于此“薄”吸收片,可以忽略其厚度内通量的畸变。
参考上一问中间过程,可得通解形式:φ(x)=Aexp(−x/L)+Cexp(x/L)+S/ΣaJ(x)=−DdφAD−x/LCDx/L=e−edxLL ADCDtStLS′−=−Σ′(A+C+)⇒C−A=Σ(A+C+aaLL2Σa2DΣa由条件ii可得:limJ(x)=x→0由条件iii可得:C=0所以:−A=Σ′atLSS(A+⇒A=2DΣa(−−1)ΣatLΣ′a−x/LΣ′SSS−x/Lateφ(x)=e+=[1−′ΣΣΣt+(2D/L)aaa(−−1)ΣatLΣ′a对于整个坐标轴,只须将式中坐标加上绝对值号,证毕。
22解:以源平面任一点为原点建立一维直角坐标系,建立扩散方程:1φ1(x),x≥0L21∇2φ2(x)=2φ2(x),x≤0L∇2φ1(x)=边界条件:i.limφ1(x)=limφ2(x);x→0x→0ii.lim[J(x)|x=0+ε−J(x)|x=0−ε]=S;ε→0iii.φ1(a)=0;iv.φ2(−b)=0;2φ通解形式:φ1=A1sinh(x/L)+C1cosh(x/L),由条件i:C1=C2(1)由条件ii:x→0=A2sinh(x/L)+C2cosh(x/L)−Dlim(dφ1dφDxxxx+D2)=[−A1)−C1)+A2)+C2)]=Sx →0LdxdxLLLL(2)⇒SLSL=A2−A1⇒A1=A2−DD由条件iii、iv:A1sinh(a/L)+C1cosh(a/L)=0⇒C1cosh(a/L)=−A1sinh(a/L)A2sinh(−b/L)+C2cosh(−b/L) =0⇒C2cosh(b/L)=A2sinh(b/L)联系(1)可得:A1=−A2tanh(b/L)/tanh(a/L)结合(2)可得:A2−(3)(4)SLtanh(b/L)SL/D=−A2⇒A2=Dtanh(a/L)1+tanh(b/L)/tanh(a/L)⇒A1=−SL/D1+tanh(a/L)/tanh(b/L)⇒C1=C2=−A1tanh(a/L)=所以:SLtanh(a/L)tanh(b/L)/Dtanh(a/L)+tanh(b/L)⎧SL−tanh(b/L)sinh(x/L)+tanh(a/L)tanh(b/L)cosh(x/L)],x≥0⎪D[tanh(b/L)+tanh(a/L)⎪φ(x)=⎨⎪SL[tanh(a/L)sinh(x/L)+tanh(a/L)tanh(b/L)cosh(x/L)x≤0⎪tanh(b/L)+tanh(a/L)⎩D23证明:以平板中线上任一点为原点建立一维直角坐标系,先考虑正半轴,建立扩散方程:−D∇2φ+Σaφ=S即:∇φ−2ΣaSφ=−,x>0DDx→0边界条件:i.0<|φ|<+∞,ii.limJ(x)=0,iii.φ(a+d)=0参考21题,可得通解形式:φ(x)=Asinh(x/L)+Ccosh(x/L)+S/ΣaJ(x)=−DdφADxCDx=−cosh(−sinh(dxLLLLAD=0⇒A=0L由条件ii可得:limJ(x)=−x→0a+dSS=0⇒C=−)++LΣaΣacosh(LSxSScosh(x/L)所以:φ(x)=−cosh()+=[1−a+dad+LΣΣaaΣacosh()cosh()LL再由条件iii 可得:φ(a+d)=C由于反曲余弦为偶函数,该解的形式对于整个坐标轴都是适用的。
一、名词解释1、稳定扩散和不稳定扩散稳定扩散:指扩散质点浓度分布不随时间变化。
不稳定扩散:指扩散过程中任一点浓度随时间变化。
2、本征扩散和非本征扩散本征扩散:指主要出现了肖特基和弗兰克尔点缺陷,由此点缺陷引起的扩散为本征扩散(空位来源于晶体结构中本征热缺陷而引起的质点迁移)非本征扩散:空位来源于掺杂而引起的质点迁移3、正扩散和逆扩散正扩散:受热力学因子作用,物质由高浓度处流向低浓度处,扩散结果使溶质趋于均匀化,Di>0。
正扩散:受热力学因子作用,物质由低浓度处流向高浓度处,扩散结果使溶质趋于均匀化,Di<。
4、无序扩散:无序扩散:无化学位梯度、浓度梯度、无外场推动力,由热起伏引起的扩散。
质点的扩散的无序的、随机的。
二、填空题1、根据扩散的热力学理论,扩散的推动力是,而发生逆扩散的条件是。
2、本征扩散是由而引起的质点迁移,本征扩散的活化能由和两部分组成,扩散系数与温度的关系式为:。
3、爱因斯坦对菲克定律中扩散系数的物理意义的理解是_。
4、MgO+Al2O3 MgAl2O4,若已知Mg2+和Al3+的自扩散系数为DMg2+、DAl3+,互扩散系数与自扩散系数的关系式为。
三、论述题1、试述晶体中质点的扩散机构及方式2、说明影响扩散的因素?3、对于给定的一种氧化物,试分析判断:(1)在给定的温度范围内,扩散机理是本征扩散还是非本征扩散?(2)若氧化物是多晶体,扩散途径主要是沿晶界还是沿晶格?四、选择题:1、在UO2晶体中,O2-的扩散是按()机制进行的。
(A)空位(B)间隙(C)掺杂点缺陷2、当扩散系数的热力学因子为()时,称为逆扩散。
(A)(1+а㏑γ/а㏑N)>0 (B)(1+а㏑γ/а㏑N)<0(C)(1+а㏑γ/а㏑N)=03、在离子型材料中,影响扩散的缺陷来自两个方面:(1)肖特基缺陷和弗伦克尔缺陷(热缺陷);(2)掺杂点缺陷。
由热缺陷所引起的扩散称为本征扩散,而掺杂点缺陷引起的扩散称为:()(A)自扩散(B)互扩散(C)无序扩散(D)非本征扩散4、在通过玻璃转变区域时,急冷的玻璃中网络变体的扩散系数,一般()相同组成但充分退火的玻璃中的扩散系数。
第四章--扩散1.在恒定源条件下820℃时,钢经1小时的渗碳,可得到一定厚度的表面渗碳层,若在同样条件下.要得到两倍厚度的渗碳层需要几个小时?2.在不稳定扩散条件下800℃时,在钢中渗碳100分钟可得到合适厚度的渗碳层,若在1000℃时要得到同样厚度的渗碳层,需要多少时间(D0=2.4×10-12m2/sec:D1000℃=3×10-11m2/sec)? 4.在制造硅半导体器体中,常使硼扩散到硅单品中,若在1600K温度下.保持硼在硅单品表面的浓度恒定(恒定源半无限扩散),要求距表面10-3cm深度处硼的浓度是表面浓度的一半,问需要多长时间(已知D1600℃=8×10-12cm2/sec;当5.02=Dtxerfc时,5.02≈Dtx)?5.Zn2+在ZnS中扩散时,563℃时的扩散系数为3×10-14cm2/sec;450℃时的扩散系数为1.0×10-14cm2/sec,求:1)扩散的活化能和D0;2)750℃时的扩散系数。
6.实验册的不同温度下碳在钛中的扩散系数分别为2×10-9cm2/s(736℃)、5×10-9cm2/s(782℃)、1.3×10-8cm2/s(838℃)。
a)请判断该实验结果是否符合)exp(0RTGDD∆-=,b)请计算扩散活化能(J/mol℃),并求出在500℃时的扩散系数。
7.在某种材料中,某种粒子的晶界扩散系数与体积扩散系数分别为Dgb=2.00×10-10exp(-19100/T)和Dv=1.00×10-4exp(-38200/T),是求晶界扩散系数和温度扩散系数分别在什么温度范围内占优势?8. 能否说扩散定律实际上只要一个,而不是两个?9. 要想在800℃下使通过α-Fe 箔的氢气通气量为2×10-8mol/(m 2·s),铁箔两侧氢浓度分别为3×10-6mol/m 3和8×10-8 mol/m 3,若D=2.2×10-6m 2/s,试确定:(1) 所需浓度梯度;(2) 所需铁箔厚度。
自扩散:是在纯金属中的原子或固溶体中的溶质原子由一个平衡位置迁移到另一个平衡位置的单纯由热运动引起的扩散现象。
化学扩散:间隙扩散:间隙扩散是扩散原子在点阵的间隙位置之间跳迁而导致的扩散。
间隙固溶体中溶质原子半径较小,间隙位置数目较多,易发生间隙扩散。
置换扩散:置换扩散以原子跳动到邻近空位的方式进行,因此认为置换扩散也应该是通过单独跳动机制进行的。
它与间隙扩散的区别在于跳动是通过空位进行的,即扩散机制是一种空位扩散机制。
互扩散:是溶质原子和溶剂原子同时存在迁移的扩散。
严格来讲,大部分合金系统的原子扩散都是互扩散。
晶界扩散:熔化的钎料原子沿着母材金属的结晶晶界的扩散现象。
晶界扩散所需要的激活能比体扩散小,因此,在温度较低时,往往只有晶界扩散发生。
而且,越是晶界多的金属,越易于焊接,焊接的机械强度也就越高。
上坡扩散:原子扩散的驱动力是化学位。
在一般情况下,总是从浓度高处向浓度低处扩散,这叫顺扩散,但有时也会发生从浓度低处向浓度高处扩散的现象,成为逆扩散,即上坡扩散。
2、什么叫原子扩散和反应扩散?原子扩散是一种原子在某金属基体点阵中移动的扩散。
在扩散过程中并不产生新相,也称为固溶体扩散。
扩散物质在溶剂中的最大浓度不超过固溶体在扩散温度下的极限浓度,原子扩散有自扩散,异扩散和互扩散三类。
扩散过程不仅会导致固溶体的形成和固溶体成分的改变,而且还会导致相的多形性转变或化合物的形成。
这种通过扩散而形成新相的现象称为反应扩散,也叫相变扩散。
3、什么叫界面控制和扩散控制?试述扩散的台阶机制?[简要解答] 生长速度基本上与原子的扩散速率无关,这样的生长过程称为界面控制。
相的生长或溶解为原子扩散速率所控制的扩散过程称为扩散控制。
如题3图,α相和β相共格,在DE、FG处,由于是共格关系,原子不易停留,界面活动性低,而在台阶的端面CD、EF处,缺陷比较多,原子比较容易吸附。
因此,α相的生长是界面间接移动。
随着CD、EF的向右移动,一层又一层,在客观上也使α相的界面向上方推移,从而使α相生长。
这就是台阶生长机制,当然这种生长方式要慢得多。
题3图台阶生长机制4、扩散的驱动力是什么?什么是扩散热力学因子?驱动力类型主要有化学自由能,应变自由能和界面自由能。
化学自由能是指一个相没有应变区,自由能随温度的变化比较大;应变自由能是指由短或长范围的引起的自由能增量;界面自由能是相界面或晶界处原子的额外自由能。
在实际情况中,有些状态是包含了各种自由能,是难以完全分开的。
自然界事物变化都遵循最小自由能原理,其途径都遵循最小耗能原理。
原子运动也总是力图使系统的能量降低,即使暂时还未具备转变的条件,但转变的潜在趋势是存在的。
而且也遵循最小耗能原理或最小阻力原理。
扩散热力学因子5、显微结构的不稳定性主要是由哪些因素造成的 ?显微组织结构的稳定性是在一定条件下相对稳定的程度。
显微组织的不稳定性需要有激活能和驱动力,这激活能可由热起伏和能量起伏提供;驱动力的类型主要由化学自由能、应变自由能和界面自由能。
不稳定的因素是随环境条件而变化的。
例如,晶粒大小事影响组织稳定性的因素之一,在室温时,晶粒细小能提高材料性能;而在高温时,细小的晶粒相对来说是不稳定的,会长大。
6、什么是Gibbs-Thomson 效应?写出其表达式。
在第二相析出量基本达到平衡态后,将发生第二相的长大粗化和释放过剩界面能的物理过程,该过程是由于小质点具有较高溶解度引起的。
小质点的表面积与体积之比较大,相对来说是不稳定的,有溶解的趋势,而系统中的大质点则会长大。
描述这个过程的是著名的Gibbs-Thomson 效应,其表达式为:7、什么是Ostwald Ripening Process ? 写出描述其过程的表达式,总结其过程规律 ?当母相大致达到平衡浓度后,析出相以界面能为驱动力缓慢长大的过程为奥斯特瓦德熟化过程(Ostwald Ripening Process )扩散控制的Ostwald 长大规律的表达式为:析出粒子的长大速率随粒子大小的变化规律如图所示,总结如下:①.当r=,dr/dt=0.②当质点半径r<r 时,这些质点都会溶解,即dr/dt<0.③当质点半径r>r 时,这些质点都会溶解,即dr/dt>0.④对表达式求极值得到r=2r ,所以当r=2r 时,dr/dt 为极大值,粒子的长大速率最大。
当r>2r 时,质点的长大速率dr/dt 逐渐降低。
⑤在长大过程中,当r 增大时,所有析出粒子的长大速率dr/dt 均降低。
⑥温度的影响是比较复杂的,表达式中的分子上有扩散系数D ,分母上有温度的直接作用,两者的作用是相反的。
综合效果往往是温度提高,可增加粒子的长大速率。
⑦体系过程刚开始时。
r 稍大于r 的质点,它们的长大速率小于体系中粒子的平均长大速率,所以这样的质点8、在500℃时,Al 在Cu 中的扩散系数为2.6×10-17 m 2/s ,在1000℃时的扩散系数为1×10-12 m 2/s 。
求:1)这对扩散偶的D 0 、Q 值;2)750℃时的扩散系数。
9、 当Zn 向Cu 内扩散时,已知:X 点处的Zn 含量为2.5×10-17 a/cm 3,在离X 点2mm 处的Y 点,在300℃时每分钟每mm 2要扩散60个原子。
问:Y 点处的Zn 浓度是多少 ?10、将Al 扩散到硅单晶中,问:在什么温度下,其扩散系数为10-14 m 2/s ? (已知:Q = 73000 cal./mol, D 0 = 1.55×10-4 m 2/s )11、在1127℃某碳氢气体被通入到一低碳钢管(管长1m ,管内径8 mm ,外径12 mm )。
管外保持为纯氢气氛,有可能使管外表面的碳活度降低到最低限度。
假设在碳氢气体中的碳活度是很高的,以致于在气氛中有固体颗粒碳。
已知:在1127℃时,碳的扩散系数为D = 6×10-6 cm 2/s 。
试计算通碳氢气体100小时后,会有多少碳扩散到管的外面来 ?[简要解答] 该题是二维稳态扩散,可应用公式:)/ln(21212r r C C D l dt dm-⋅⋅-=π 现已知:l=100cm, r 1=0.8cm, r 2=1.2cm, C 2=0, t=36×104 s.应该注意:左右两边的量纲单位要统一。
已知条件中的单位要换算。
由Fe-C 相图知,1400K 时C 在奥氏体中最大固溶度为2%(质量分数), ∴)/(15.08.7985.22231cm g C =+=(C 的密度为2.5g/cm 3 ,Fe 的密度7.8 g/cm 3 )将已知条件代入公式得到:⎪⎭⎫ ⎝⎛-∞=r r RTr C DV dt dr m 11)(2ασr RT VC r C ⋅⋅=∞σαα2)()(lnM = 2 × 3.1416 × 100 × 6 × 10-6 × ( 0.15 / ln1.5 ) × 36 × 104 ≈ 502 (g) 答:100小时后,将有约502 g 的碳扩散到管外来。
12、有一容器,其外层是低碳钢,里层为不锈钢。
里层的厚度是外层的1/100。
现容器内充有氢气。
已知:在试验温度下,低碳钢为α相,不锈钢为γ相;在这温度下氢气在α、γ两相界面处的重量百分浓度分别为Cα=0.00028%,C γ=0.00045% ;并假设在试验温度下,D α=100 D γ。
试问哪一层对阻止氢气的向外扩散起了决定性作用 ?[简要解答] 这是两相系统中的稳态扩散问题,且该两层厚度与扩散物质H 无关。
所以有:γγγαααD fl D f l a a dt dmA ⋅+⋅-=⨯211 扩散物质的流量主要决定于具有最大D f l /⋅值的那个相,即这个相对扩散物质具有最大的阻力,所以在只要计算比较两个相的D f l /⋅值,就可以知道了。
因为γαl l100=,γαD D 100=。
因为c f a ⋅=,对外层低碳钢:00028.01100100⋅⋅=⋅⋅=⋅γγαγγαααD a l C D a l D f l i i 对里层不锈钢:00045.01⋅⋅=⋅⋅=⋅γγγγγγγγD a l C D a l D f l i i 所以,外层低碳钢/里层不锈钢 =61.100028.000045.000045.0100028.01==因此,外层低碳钢对阻止氢气的向外扩散起了决定性作用。
13、某低合金过共析钢(含0.9%C )被加热到800℃,形成了奥氏体组织,然后被快速冷却到A 1温度以下保温,直到完全转变成珠光体组织。
因为是过共析钢,所以在珠光体转变前有自由渗碳体析出,会沿着晶界析出一层厚的渗碳体,损害钢的性能。
已知:在550℃、650℃珠光体转变完成时间分别为10秒和10分钟。
试计算在550℃转变的危害性大,还是650℃时转变的危害性大 ?[简要解答] 用晶界薄膜沉淀公式,在两温度下比较它们的2l 的值:22221211222212112221)()()()(600s 65010s 550(t W D t W D t x D t x D l l ⋅∆⋅∆=⋅∆⋅∆=)℃,()℃, 取)RT /148000exp(372.0-=D 公式计算D 值。
由Fe-C 相图查得:650℃时,%6.0/=cem W γ;550℃时,%4.0/=cem W γ。
∴ 096.0923314.8148000exp 372.0823314.8148000exp 372.021=⎪⎭⎫ ⎝⎛⨯-⎪⎭⎫ ⎝⎛⨯-=D D , ()92560.090.040.090.0/221=⎪⎭⎫ ⎝⎛--=∆∆W W ∴ 200160010925096.02221≈⨯⨯=l l由此可知:650℃时转变要比550℃时转变危害性大。
14、一种没有合金化的具有粗大片状石墨的灰口铸铁,以相当缓慢的冷却速率通过A 1温度。
发现其组织特点为:金属基体相主要是珠光体,但是每一片石墨都被一层先共析铁素体包围。
假设通过试验已经知道,需要作为珠光体形核核心的渗碳体,直到710℃还不可能形成,另一方面,铁素体却很容易形核,如果冷却速率为1K / min 。
取C 的扩散系数为:D α=0.02exp(–Q / RT), Q=83600 J / mol 。
计算一下会形成多厚的铁素体层。
作为近似计算,可认为是在中间温度区间的一个等温反应过程。
如果是球状石墨周围形成了所谓的牛眼状铁素体(如题14图),在放大500倍条件下,经测量铁素体平均厚度为6.5mm ,在以上条件下,试估算其冷却速率。
题14图 铸态球铁珠光体+铁素体+球状石墨(500X )[简要解答] 用新相在原两旧相间形成长大(书2.30式),根据题目改变符号有:lx x x D dt dl ⋅-∆⋅-=)(αγγααα ∴ t x x x D l ⋅-∆⋅=)(22αγγαα , 等温温度T 取(723+710)/2 = 717;因为速度V 为1K / min ,所以等温时间t = ΔT/V = (723-710) / 1 = 13min 。