房建施工流程图
- 格式:doc
- 大小:61.00 KB
- 文档页数:10
房屋建筑施工工艺流程房屋建筑施工工艺流程及验收标准一、基础工程一)施工工艺流程:1.定位放线→复核(包括轴线,方向)→桩机就位→打桩→测桩→基槽开挖→锯桩→浇筑砼垫层→轴线引设→承台模板及梁底板安装→钢筋制安→承台模板及基础梁侧板安装→基础模板、钢筋验收→浇筑基础砼→养护→基础砖砌筑→回填土二)技术要求及验收标准:1.天然基础基槽(坑)机械开挖应设置标高控制点,预留20cm~40cm土体用人工清槽,以免扰动基底土体,且基槽(坑)底必须平整坚实,开挖后应及时浇筑砼垫层。
2.基坑开挖前须对边坡稳定(无支护基坑)、支护型式(有支护基坑)、降水措施、挖土方案、运土路线、土方堆放位置等编制好施工方案,经审查批准后方可开工。
3.天然基础承台必须满足刚性角的要求,否则必须与设计联系进行处理。
深基坑或基础地质情况及周边环境较为复杂的必须严格按照专项施工方案的要求进行施工支护和开挖,承台埋置较深可能对附近已有建筑物及市政设施造成影响的要在施工期间落实相应的监控措施及应急救援措施。
4.桩与承台的连接:桩顶嵌入承台的长度对于桩直径不小于800mm的不宜小于100mm,对于250<d<800的中等直径桩不宜小于50mm,且桩顶必须平整,不准打烂。
5.采用焊接接桩时钢板宜使用低碳钢,焊条宜用E43,应先将四角点焊固定,然后对称焊接,焊接完成后应冷却8分钟后方可锤击。
对桩位偏位大于规范要求或地基土质与勘探资料不符时应及时与相关部门联系处理。
6.打(压)桩后的桩位允许偏差必须符合下表要求,斜桩倾斜度的偏差不得大于倾斜角正切位的15%(倾斜角系桩的纵向中心线与铅垂线间夹角)。
二、模板工程一)施工工艺流程:基础验收→模板制作→模板验收→模板安装→钢筋绑扎→验收→混凝土浇筑→养护→拆模二)技术要求及验收标准:1.模板制作应符合设计要求,模板板面平整,无裂缝、变形、变色等缺陷,模板板面应涂刷防水剂。
2.模板安装前应验收模板,模板支撑应牢固,垂直度、水平度符合设计要求,模板接缝应牢固,并填充防水材料。
房建和市政工程领域办事指南和流程图下载温馨提示:该文档是我店铺精心编制而成,希望大家下载以后,能够帮助大家解决实际的问题。
文档下载后可定制随意修改,请根据实际需要进行相应的调整和使用,谢谢!并且,本店铺为大家提供各种各样类型的实用资料,如教育随笔、日记赏析、句子摘抄、古诗大全、经典美文、话题作文、工作总结、词语解析、文案摘录、其他资料等等,如想了解不同资料格式和写法,敬请关注!Download tips: This document is carefully compiled by theeditor. I hope that after you download them,they can help yousolve practical problems. The document can be customized andmodified after downloading,please adjust and use it according toactual needs, thank you!In addition, our shop provides you with various types ofpractical materials,such as educational essays, diaryappreciation,sentence excerpts,ancient poems,classic articles,topic composition,work summary,word parsing,copy excerpts,other materials and so on,want to know different data formats andwriting methods,please pay attention!一、前期准备1.1 项目调研在开始房建或市政工程之前,需要进行项目调研,包括市场需求、地理位置、土地使用情况、可行性分析等方面。
建筑施工流程图AND 流水施工法2009-01-02 10:03:12| 分类:电气工程| 标签:|字号大中小订阅﹋﹋﹋﹋﹋﹋﹋﹋﹋﹋﹋﹋﹋﹋﹋﹋﹋﹋﹋﹋﹋﹋﹋﹋﹋﹋﹋﹋﹋﹋﹋﹋﹋﹋§3.1概述§3.3平面图、立面图、剖面图§3.2总平面图和建筑施工总说明§3.4建筑详图﹋﹋﹋﹋﹋﹋﹋﹋﹋﹋﹋﹋﹋﹋﹋﹋﹋﹋﹋﹋﹋﹋﹋﹋﹋﹋﹋﹋﹋﹋﹋﹋﹋﹋§3.1 概述房屋的建造一般需经设计和施工两个过程,设计工作又分为初步设计和施工图设计阶段。
但对一些技术上复杂而又缺乏设计经验的工程,还应在初步设计基础上增加技术设计(或称扩大初步设计)阶段,以此作为协调各工种的矛盾和绘制施工图的准备。
不同的设计阶段对图纸有不同的要求,施工图是要求从满足施工要求的角度出发,提供完整翔实的资料。
所以,我们把按照“国标”的规定,用正投影方法画出的一幢拟建房屋的内外形状和大小,以及各部分的结构、构造、装修、设备等内容,并达到能够指导施工的图样称为房屋施工图。
建筑方面的施工图又分为两类:一类是建筑施工图(简称“建施”),主要表示建筑物的总体布局,外部造型、内部布置、细部构造、装修和施工;另一类是结构施工图(简称“结施”),主要表示承重构件结构的布置、构件类型及构造和做法等。
在这两类图纸中又各自分成两种表达形式:一种是表示整体的图纸,以此来反映建筑物的全貌;另一类则是表示局部,反映各个细部的具体做法。
建筑施工图表示整体的图纸有:总平面图、施工总说明、平面图、立面图、剖面图。
表示局部的图纸有建筑详图,如楼梯详图、门窗详图等。
结构施工图中,表示整体的图纸有:基础平面图、楼层结构平面图、屋顶结构平面图等。
表示细部的图纸有:基础详图、钢筋混凝土梁、板、柱等结构详图、屋架详图等。
在房屋建造中,一套完整的施工图,根据其专业内容或作用的不同,包括如下内容:(1)图纸目录。
(2)设计总说明。
(3)建筑施工图。
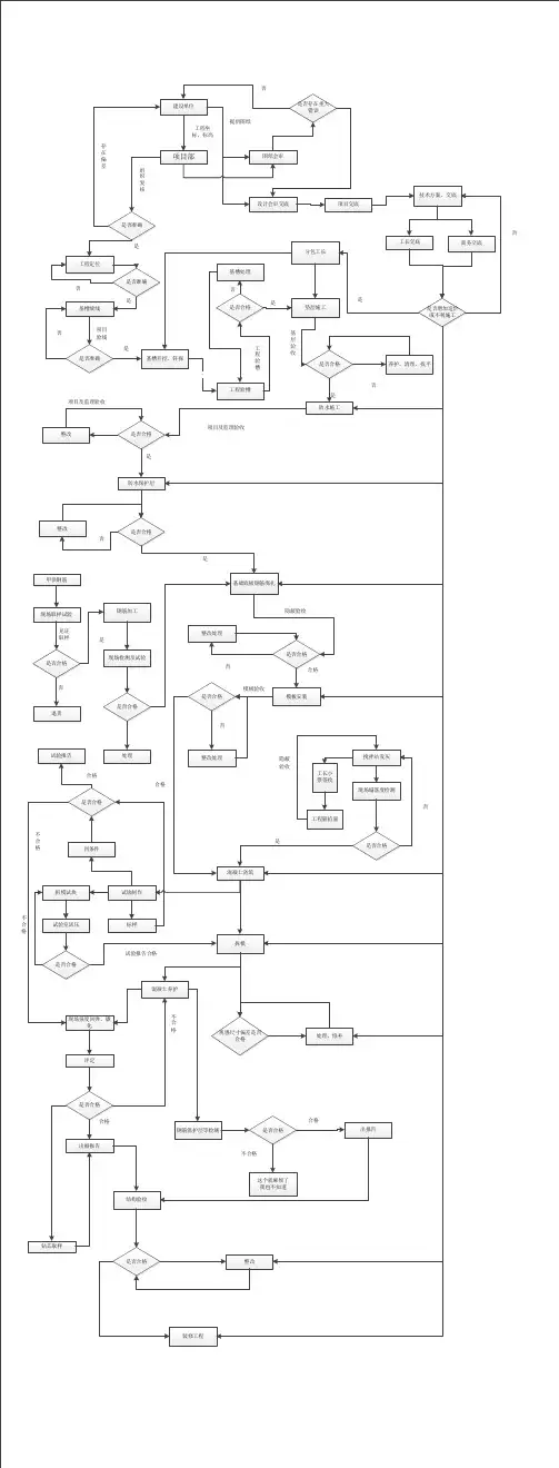
接收施工许可、三通一平等甲方前期资料 施工准备(图纸会审、临时设施等) 方案编制通过审安全开工备案工程定位开工报告报监理桩基通过土方开挖及基础及地下工程水电安装节能、屋面、装修分部施工 中间验收申报---------------------中间验收通室外附属土建主体、模板、钢筋、砼、砌体细部、收头工程一、建筑施工中的几个备案:1、安全开工备案(向质监站备案);2、活动房备案(向质监站备案);3、物料提升机、塔吊等起重机械使用前备案(向质监站备案);4、工程竣工备案(由建设单位向建设局备案);二、建筑施工中的几个验收:1、基槽验收:土方开挖后基槽验收,并形成书面地基验槽记录。
由项目部提出申请,监理工程师组织建设、设计、勘察、施工、分包等单位负责人员进行共同验收。
2、检验批验收:每一层或其他部位的模板、钢筋、混凝土、砖砌体等施工完毕,应进行验收,并形成书面验收记录。
由项目部提出申请,监理工程师组织建设、设计、勘察、施工、分包等单位负责人员进行共同验收。
3、分部、分项验收:在检验批验收合格的基础上,由项目部提出申请,监理工程师组织建设、设计、勘察、施工、分包等单位负责人员进行共同验收。
4、中间结构验收:砖砌体施工完毕,欲进入抹灰等装修阶段施工之前,必须请质监站进行中间结构监督验收。
由项目部提出申请,监理工程师组织建设、设计、勘察、施工、分包等单位负责人员进行共同验收。
5、中间结构验收:砖砌体施工完毕,欲进入抹灰等装修阶段施工之前,必须请质监站进行中间结构监督验收。
由项目部提出申请,监理工程师组织建设、设计、勘察、施工、分包等单位负责人员进行共同验收。
6、建筑节能专项验收:节能施工完毕,必须请质监站进行节能工程监督验收。
由项目部提出申请,监理工程师组织建设、设计、勘察、施工、分包等单位负责人员进行共同验收。
7、工程预验收:竣工扫尾工程结束后,由项目部提出申请,监理工程师组织建设、设计、勘察、施工、分包等单位负责人员进行共同验收。
建筑工艺流程图建筑工艺流程图是描述建筑施工过程的图表,用于指导和管理施工工艺和施工工序的安排。
下面是一个简化的建筑工艺流程图示例,涵盖了主要的施工阶段和工序。
一、前期准备阶段1. 确定项目需求:与业主、设计师和其他相关方沟通,明确项目的要求和目标。
2. 开展土地勘测:通过勘测和评估土地状况,确定建筑的布局和位置。
3. 申请审批文件:准备并提交相关的建设审批文件,包括规划许可证、建设许可证等。
4. 筹集资金:与投资者或银行等进行谈判,确保项目获得足够的资金支持。
二、建设设计阶段1. 方案设计:根据项目需求和规划要求,设计师进行初步的建筑方案设计。
2. 施工图设计:完成方案设计后,进行详细的施工图设计,包括平面布局、立面图、结构图、管道布置等。
3. 投标和报价:将施工图纸发送给各承包商,邀请他们进行投标并提供施工价格。
4. 签订合同:选择承包商后,与其签订施工合同,包括工期、款项支付和质量要求等。
三、施工准备阶段1. 展开施工准备:承包商开始组织人员和设备,并搭起施工临时设施如施工场地办公室、工人宿舍、仓库等。
2. 采购建材和设备:根据施工图纸和合同要求,采购所需的建筑材料、设备和机械等。
3. 建立施工管理团队:设立施工总监,同时安排项目经理、工程师和监理人员等,负责施工过程的监控和管理。
四、主体施工阶段1. 地基基础施工:包括挖土、浇筑基础、地下设备安装等。
2. 结构施工:按照施工图纸要求,建造房屋或建筑物的框架结构。
3. 竣工装饰:包括墙体、地板、天花板、门窗、楼梯和电气设备等内外装饰工程。
4. 安装工程:如水电安装、给排水安装、空调安装和电器设备的安装等。
五、竣工验收阶段1. 完成施工:施工工程结束后,进行各项整理和清理工作。
2. 竣工验收:由监理人员和相关部门对施工质量进行检查和验收。
3. 竣工报告:编制竣工报告,并提交给业主和相关部门。
4. 完成移交:根据合同要求,将建筑物移交给业主,并完成相关的手续和文件。
房屋建筑工程施工流程图11522一、建筑施工中的几个备案:1、安全开工备案(向质监站备案);2、活动房备案(向质监站备案);3、物料提升机、塔吊等起重机械使用前备案(向质监站备案);4、工程竣工备案(由建设单位向建设局备案);二、建筑施工中的几个验收:1、基槽验收:土方开挖后基槽验收,并形成书面地基验槽记录。
由项目部提出申请,监理工程师组织建设、设计、勘察、施工、分包等单位负责人员进行共同验收。
2、检验批验收:每一层或其他部位的模板、钢筋、混凝土、砖砌体等施工完毕,应进行验收,并形成书面验收记录。
由项目部提出申请,监理工程师组织建设、设计、勘察、施工、分包等单位负责人员进行共同验收。
3、分部、分项验收:在检验批验收合格的基础上,由项目部提出申请,监理工程师组织建设、设计、勘察、施工、分包等单位负责人员进行共同验收。
4、中间结构验收:砖砌体施工完毕,欲进入抹灰等装修阶段施工之前,必须请质监站进行中间结构监督验收。
由项目部提出申请,监理工程师组织建设、设计、勘察、施工、分包等单位负责人员进行共同验收。
5、中间结构验收:砖砌体施工完毕,欲进入抹灰等装修阶段施工之前,必须请质监站进行中间结构监督验收。
由项目部提出申请,监理工程师组织建设、设计、勘察、施工、分包等单位负责人员进行共同验收。
6、建筑节能专项验收:节能施工完毕,必须请质监站进行节能工程监督验收。
由项目部提出申请,监理工程师组织建设、设计、勘察、施工、分包等单位负责人员进行共同验收。
7、工程预验收:竣工扫尾工程结束后,由项目部提出申请,监理工程师组织建设、设计、勘察、施工、分包等单位负责人员进行共同验收。
8、分户验收验收:预验收结束后,必须请质监站进行节能工程监督验收。
由项目部提出申请,监理工程师组织建设、设计、勘察、施工、分包等单位负责人员进行共同验收。
9、工程竣工验收:施工单位完成所有合同及设计图纸内容后,由项目部向监理工程师提交竣工报告,总监理工程师审核签署意见后报甲方工程师验收。
房屋建筑施工过程及流程
房屋建筑施工过程及流程如下:
一、施工前期
1. 场地平整,进行三通(通水、通电、通路)工作。
2. 地基与基础,包括挖基坑、做垫层、做基础。
3. 做完基础后回填,没有地下室的情况,回填土至正负零以下200~300的样子。
二、施工主体
1. 从基础圈梁开始,绑筋、支模、浇筑,一直到建筑物封顶。
2. 每层砌墙。
3. 楼地面,一般毛胚房的话拆模后是什么样子就什么样子,不用再做一遍地面,简装房的话会帮你做一遍砂浆。
4. 做水电管线了,这时候要注意水电管线的一些预埋管线在做主体结构的时候就已经预埋好了,在混凝土结构内部,具体预埋的时间是绑筋后,浇筑前。
5. 栏杆、门窗等实际上可以和水电管线一起做。
三、施工图纸审核
设计院出的图纸交往审图中心审核盖章通过。
四、施工准备
1. 三通一平(通水通电通路,地基平整)。
2. 监建设施的施工布置。
请注意,房屋建筑施工过程及流程会因实际施工环境和条件的不
同而有所调整,建议在施工前由专业人士进行全面的规划和准备。
建设工程施工流程施工准备阶段:三通一平1.垫层熟悉施工图→看规划红线→复核水准点→塔吊基础施工(设集水沟)→原始地貌标高测量→保护定位桩→塔吊(报装)安装→放开挖线→技术交底→机械挖土→放线→人工挖土平土→测量桩头标高并做好标记→破桩头→大小应变检测→地槽验收→放线→木工支模→垫层砼→拆模→清理2.基础基础柱定位放线→技术交底→木工支模→承台钢筋绑扎→承台钢筋电焊定位→柱筋定位→水电预埋→基础砼→拆模→清理→基础验收→土方回填3.外架搭设技术交底→外架硬化→排水沟→集水沟→外架搭设→硬质封闭→挂安全网→外架验收4.主体主体柱定位放线→技术交底→柱筋绑扎→抄水平(1米关系线)→水电预埋→木工支模→板筋绑扎→水电预埋→检查(垂直、几何尺寸、节点)→砼浇注→养护→拆模→清理→弹建筑1米线→砼强度检测→房屋沉降观测→人货梯基础→人货梯(报装)安装5.砌体砌体放线→技术交底→植筋→植筋拉拔检测→反坎支模→反坎砼→砌底砖→预制砼过梁和砼配块→砌加气块→拉结筋安放→检查垂平度→窗台压顶支模→窗台压顶砼→窗台压顶拆模→砌预制砼配块→弹建筑1米线→安放砼过梁→顶砌→安装消防箱→构造柱支模→构造柱砼→构造柱拆模→清理6.抹灰(油漆)技术交底→外墙挂钢丝网→湿水→甩浆→灰饼→护角→洞口交接→门窗安装→湿水→抹糙面灰→抹面层灰→养护→贴砖→勾缝→清洗→门窗打胶→安装玻璃→一遍腻子→二遍腻子→打磨→底漆→一遍面漆→二遍面漆→零星收口→水电安装→洞口吊洞→油漆7。
外架拆除例会告知→技术交底→拉结点内拉→结构拉结点凿打→氧割结构拉结点→细石砼修补→补砖、补漆→拆除安全网→检查外立面→外墙验收→外架报拆→拆除外架→清理8.栏杆技术交底→结构预埋→立挺安装→挂片安装→木扶手安装→木扶手油漆→清理9.屋面技术交底→水电安装→吊洞→人工清理→R角→结构闭水→基层交接→防水施工→防水闭水→防水交接→砂浆找平→保温板→PVC透气管安装→内设¢4@200×200钢筋网→留缝宽10@6000×6000(周边必须留缝)→C20细石砼→留缝处灌油→清理10。
基础工程(一)施工工艺流程:定位放线T复核(包括轴线、方向)7基槽开挖T浇筑砼垫层T轴线引设T基础模板、钢筋安装7基础模板、钢筋验收7浇筑基础砼7 基础砖砌筑7回填土(二)技术要求及验收标准:1.天然基础基槽(坑)机械开挖应设置标高控制点,预留20cm 土体用人工清槽,以免扰动基底土体,且基槽(坑)底必须平整坚实,开挖后应及时浇筑砼垫层。
2.基坑开挖前须对边坡稳定(无支护基坑)、降水措施、挖土方案、运土路线、土方堆放位置等编制好施工方案,经审查批准后方可开工。
3.天然基础必须满足刚性角的要求,否则必须与设计联系进行处理。
深基坑或基础地质情况及周边环境较为复杂的必须严格按照专项施工方案的要求进行施工支护和开挖,承台埋置较深可能对附近已有建筑物及市政设施造成影响的要在施工期间落实相应的监控措施及应急救援措施。
4.基础垫层浇筑前必须保证土体表面平整,无浮土、泥浆、积水,必须用木枋对垫层位置进行定位方可浇筑,垫层厚度必须达到图纸设计要求。
5.基础模板安装应该通线验收,截面部尺寸不许超过士10 mm,侧板高度应符合设计图纸要求,不宜高低不平。
6.基础钢筋验收要按施工图核查纵向受力钢筋的品种、直径、数量、位置、间距以及钢筋的搭接长度和锚固长度等容,重点复核柱预留插筋的位置、品种、直径和数量。
7.基础浇筑混凝土前应将模板淋水湿润,模板积水应及时排除,杂物必须清理干净。
8基础回填前应将基坑模板木枋、钢顶、钢管及零碎材料清理干净才能回填。
9.室回填以分层进行,并分层碾压密实。
室外回填土应同步进行, 以免影响脚手架搭设。
模板工程(一)施工工艺流程:轴线投设-柱(剪力墙)模板制安-设置标高控制点-二层梁板模板制安T线管预埋验收T验收T依次推进(二)技术要求及验收标准:1.模板及其支架应根据工程结构的形成、特点及现场条件,合理确定模板工程施工的流水区段,均衡工序工程(钢筋、模板、混凝土工序)的作业量,以减少模板投入增加周转次数。
施工流程图流水施工法找施工单位→办理开工手续→ 现场交底→人员进场→ 材料进场→各工种施工→分阶段验收→隐蔽工程验收→防水工程闭水试验→工程变更→中期预决算→工程延期证明→工程预验收→竣工验收服务规范(一)装修施工单位和业主协调/(二)办理开工手续(三)现场交底1、施工单位和业主交底.2、凡有拆除和水、电改造项目不按规范施工的工程,必须和客户签订“客户授权施工责任书”。
3、工长必须按照“设计现场交底单”上的内容要求逐项、认真、细致、如实的选项填写。
4、工长交底中发现图纸的数量和质量达不到施工要求且有争议的和报价单项目变更增减特别大的要速报工程部经理协调处理。
5、由客户办理的相关手续(装修许可证、电梯使用许可证、施工许可证、出入证等)是否齐全工长必须如实填写。
6、清点甲方留在现场的物品列出清单。
7、拆除的物品及设施必须和甲方确认是否留用然后再做处理。
(四)施工人员进场1、着装干净、整齐,精神饱满。
展现良好的精神风貌,给客户留下文明施工的良好印象。
2、检查和确定电源、水源的位置及控制开关和阀门的位置。
3、对现场的物品进行清点,重要物品必须签署清单。
4、工程铭牌、灭火器.随人员同时进场。
5、言谈举止,文明礼貌。
禁止将做饭和住宿用具带到现场,与工程无关人员不得进入现场。
6、施工工具、器械干净无污染,摆放有条理、整齐。
(五)材料进场1、各种板材(细木工板;三厘、五厘、九厘板;各种饰面板;石膏板;)须平铺码放。
2、木龙骨、轻钢龙骨、石膏线、穿线管、长条铝扣板、长条PVC扣板、实木线条等超长材料可斜立摆放。
3、水泥、沙子必须袋装进场,码放高度不得超过80厘米,进场数量不得超过实际用量的四分之一。
4、墙、地砖须分类、分规格靠墙整齐码放,铺贴前不得大量拆包装。
5、油漆、涂料等桶装液体类材料要单独堆放、通风良好。
6、饰面板的面层必须朝下,进场后须清漆封油一遍。
7、材料码放必须充分考虑施工人员的操作空间,尽量减少重复搬运。
别墅施工工序流程一、地基基础工程施工流程定位放线→复核(包括轴线,方向)→桩机就位→打桩→测桩→基槽开挖→锯桩→浇筑砼垫层→轴线引设→承台模板及梁底板安装→钢筋制安装→承台模板及基础梁侧板安装→基础模板、钢筋验收→浇筑基础砼→养护→基础砖砌筑→回填土→二、模板工程施工流程轴线投设→柱(剪力墙)模板制安→设置标高控制点→二层梁板模板制安→线管预埋验收→验收→依次推进→三、钢筋工程施工流程熟悉图纸→钢筋下料→钢筋制作→钢筋绑扎(柱、墙、梁板)→验收→依次推进→四、混凝土工程施工流程作业准备→混凝土搅拌→混凝土运输→柱、梁、板、剪力墙、楼梯混凝土浇筑与振捣→养护→依次推进→五、砌体工程施工流程砌砖作业准备→砖浇水→砂浆搅拌→砌砖墙→验收六、抹灰工程施工流程门窗框四周堵缝(或墙身预留线管、槽、孔洞)→墙面清理→粘贴加强网→墙体基层处理→吊垂直、套方、抹灰饼、冲筋→浇水湿润墙面→分层抹灰→七、楼地面水泥砂浆工程施工流程基层处理→找标高、弹线→洒水湿润→抹灰饼和标筋→搅拌砂浆→刷水泥浆结合层→铺水泥砂浆面层→木抹子搓平→铁抹子压第一遍→第二遍压光→第三遍压光→养护→八、饰件工程施工流程1.室外饰件:基层处理→吊垂直、套方、找规矩→贴灰饼→抹底子灰→弹控制线,排砖,贴样板块→面砖粘贴→回缝→清理墙面→2.室内饰件:清理基层→弹线→刷水泥素浆→水泥砂浆找平层→水泥浆结合层→铺贴饰件→回缝→清理墙面十、屋面防水工程施工流程基层检验、清理、修补→防水涂膜施工→卷材铺设→收头固定→清理、检查、验收。
卷材的施工方向,向檐口向屋脊方向进行,首先铺贴天沟部位卷材防水,由落水口向高处进行十一、屋面瓦工程施工流程屋面贴瓦次序从檐口由下到上,自左至右的方向进行。
为了保证瓦质量,应从屋脊拉一斜线到檐口,即斜线对准屋脊下第一张瓦的右下角,顺次与第二排的第二张瓦、第三排的第三张……直到檐口瓦的右下角,都在一直线上。
然后由下到上依次逐张铺挂,可以达到铺贴顺直,整齐美观。
房建工程管理流程概述1、施工准备,定位放线:组织放线公司放线。
出具放线报告,各方签字。
图纸会审,技术交底。
开工报告、施工组织设计等报批。
2、砂岩换填:施工方要编制换填专项施工方案并报批。
加强换填的压实度控制、标高复测。
3、管桩施工:施工方要编制应力释放孔、塔吊专项施工方案并报批。
静压管桩是压力值与桩长双控;锤击管桩是贯入度与桩长双控。
前期要做好试桩检测,确定压力值与贯入度。
监理公司要做到“一桩一检”。
桩基施工完后要复核所有桩位,绘制桩基竣工平面图。
4、土方开挖:地基验槽(五方责任主体验收)、土方工程量签证。
加强管桩的成品保护、观测,防止扰动。
土方开挖后,通知白蚁防治部门进场喷洒药水。
复核土方开挖后标高,确保垫层施工的厚度与平整度。
加强基坑支护的位移观测,确保基坑支护的安全。
做好第一次沉降观测工作。
5、扎基础钢筋:业主方组织防雷部门验收。
6、浇注混凝土:施工方要编制大体积混凝土浇注专项施工方案并报批。
7、基础分部验收: 业主方组织五方责任主体、人防、质监部门验收。
验收前要通知检测部门做好基础分部的实体检测。
8、扎地下室钢筋:施工方要编制人防专项施工方案、地下室满堂脚手架施工方案并报批。
业主方组织人防验收。
9、浇注地下室混凝土:加强后浇带、施工缝接头的处理、止水带做法的质量控制。
编制地下室防水工程专项施工方案并报批。
做好地下室墙板防水材料检测以及防水分项工程的验收。
加强砼养护。
10、主体结构施工:施工方编制外架专项施工方案并报批。
业主方组织墙改办、散装水泥相关部门验收。
做好沉降观测工作。
组织检测部门做好实体检测工作。
组织五方责任主体、人防、质监部门进行主体分部验收。
完成房屋面积测绘工作。
组织综合管线(给排水、强电、有线、宽带、监控、电话、天然气)等相关部门召开协调会,并汇总后由主体设计院统筹设计。
安全上重点检查外脚手架连墙点及竹笆铺设情况、垂直运输机械、临时电等。
加强砼养护。
各楼层轴线、标高、垂直度复核。
冬雨季及夏季施工专项方案报批。
11、装饰工程施工:做好沉降观测工作。
外墙保温的检测。
外墙砖的抗拔试验。
屋面工程的蓄水试验。
避雷检测。
门窗的检测试验。
安装工程的管道检测试验。
设备调试。
电梯安装调试。
电梯口地面标高控制。
做好沉降观测工作。
安全上重点检查外脚手架连墙点及竹笆铺设情况、垂直运输机械、临时电等。
外墙面堵洞要带浆,防止外墙渗漏。
12、室外工程施工:景观绿化、亮化图纸报审。
综合管线协调施工。
做好沉降观测工作。
路基环刀试验。
13、竣工验收:组织五方责任主体、人防、质监部门验收。
14、综合验收:组织规划、消防、环保、园林、防雷、五方责任主体、质检等部门验收。
办理验收备案手续。
资料入档。
竣工决算。
1基础开挖2浇筑垫层3绑扎钢筋(接钢筋柱)4浇筑基础(条形基础)5砌基础墙(370墙)(按图施工)6木工支模(基础梁柱)7浇筑基础梁柱8基础抹灰(添加百分之二防水粉)9基础回填(夯实水沉)10浇筑一层垫层11一层砌墙12一层支模(梁板柱)13浇筑一层梁板柱11--13 以此类推忽略中间钢筋工工作环节每层砌砖之前接钢筋柱浇筑梁板之前绑扎钢筋忽略技术员工作环节砌砖之前按图放线忽略电工水暖工工作环节铺设管道定位放线,基础土方开挖,浇筑垫层混凝土,基础钢筋制安,基础模板制安,基础混凝土浇筑,基础模板拆除,基础土方回填,测放一层柱墙轴线,一层构造柱钢筋制安,砌筑一层墙体,搭设外脚手架,一层构造柱模板制安,一层构造柱混凝土浇筑,一层圈梁、楼板模板制安,一层圈梁、楼板钢筋制安,一层圈梁、楼板混凝土浇筑,养护,测放二层柱墙轴线,以上层同一层,三层以上开始一、二层门窗安装、水电安装墙面抹灰等。
第1节主体模板工程模板及其支撑系统必须有足够强度刚度和稳定性,其支撑系统必须满足承受上部包括施工荷载在内的全部荷载,模板工程所用材料必须认真检查选用,模板应具有制作、安装、拆除方便,牢固耐用、运输整修容易等特点。
模板工程安装及拆除前,应在下达任务书的同时,由技术人员负责组织生产,对操作工人进行技术交底,根据翻样图交代清楚轴线关系、尺寸、标高、预留洞及预埋件等,所用模板材料及支撑的规格等要求进行模板安装或拆除,施工顺序及工序搭接操作要求、质量标准、安全措施、成品保护等施工注意事项。
模板及支撑系统应连结成整体,竖向结构模板应加设斜撑和剪刀撑,水平结构模板应加强支撑系统的整体连接,对木支撑纵横方向应加强钉拉杆,采用钢管支撑时,应把钢管扣成整体排架。
a、支撑系统全现浇钢筋砼梁、板、支架用Φ48脚手钢管,结合门架早拆支撑,同时也作为柱墙的水平支撑,对于梁高小于Φ800,钢管排架沿梁两侧设置立管,间距@700-1000,当梁高大于800时须作单体设计(根据钢管抗压f=205N/mm2和扣件抗滑移Ne=6KN/只进行设计计算),层高高于4M时,设水平拉杆四道,每一道中间设纵横方向剪力撑一道,对于楼板厚度小于200时,排架钢管主杆间距纵横向可≥1000且顶部承横管与立管交叉处加托扣件,立管下加垫板,每排独立架必须设置斜撑,实现“自我稳定”,相邻斜撑的间距不得大于6M,必要时设置连续斜撑(见下图),异型柱、墙体的支撑与板的支撑联结牢固,离楼面150及离顶板200设对拉螺丝杆一道,中间平均在600-800分别设置对拉螺丝杆,对于楼梯、坡道等坡度较大的构件排架搭设时,立杆可搭成与构件底垂直的斜杆,斜杆根部在浇筑时,预埋钢筋或预埋件作为支点。
附:现浇楼面快速拆模支撑图。
(5)b、柱模板工程立模前应弹出中心线和两边线及轴线检验线(即校核线)弹出柱子边线,校对标高,模板下应先用砂浆找平,模板内清扫干净。
(1)柱模:柱模采用钢框覆膜合板,此模板尺寸校钢模准,刚度好,在柱中设对拉螺栓夹紧模板,模板包箍和对拉螺柱高度分布,间距为600,最下一道距板面150mm,最上一道低于砼面200mm,异型柱的模板施工与墙板的施工相同,每个异型柱的支撑必须与满堂脚手形整体性。
异型柱模板施工时,应检查各边的垂直度和整体位置是否正确,并及时将支撑拉牢,通排柱模板安装时,应先将两端柱模板找正吊直,固定后,拉通线校正中间各柱模板或作为中间柱模板施工依据,柱模除各柱自身固定外,还应设剪力撑彼此拉牢,也可采用整体排架式支撑,以免浇筑混凝土时发生偏斜。
圆柱模或异形柱模,宜用竖直狭条木料和圆弧档分半拼,要求平整度较高时,模板内可衬钉铁皮,也可采用薄钢板。
在柱模顶端距梁或板底50mm范围内,为确保柱与梁板接头不变形不漏浆,所有接头处模板应制作认真,拼缝严密,严禁乱拼乱凑和用废纸、破布堵塞。
当用组合钢模板时,接头处非模数段可用木模塞,拼缝应严密、牢固。
附:柱、墙、梁阴阳角接点、配模。
(附图6)(2)梁模板:梁模采用侧包底的支模法,便于拆除侧模以利于周转,保留底模及支撑有待砼强度的增长,达到规定强度时拆除。
当梁宽小于500时,用50厚木板做成梁底模,当梁跨度≥4M时,跨中应按规范起拱,起拱高度为全跨长的1/1000—3/1000,梁较高时还应考虑钢筋绑扎的需要,必须要事先立一侧模板,另一侧待钢筋绑扎好后再安装。
圈梁模采用挑扁担法,在圈梁底面下一砖沿墙身每隔800—1000留60×120砖洞,穿50×100方木,支立两侧模板用夹条及斜撑支牢,其形式参见图。
(3)楼板模板:面板为九夹板,根据标高在梁两侧上钉上水平横档,再在上边搁置平台格栅,平台格栅用木方或钢管铺设,当跨度超过1500时,平台格栅下应加设大横楞和立柱支撑,方木找平后,在上面铺钉夹板。
(4)楼梯模板:楼梯应按翻样图纸标高找好平台标高,其施工步骤应为:安装平台梁及平台模板→安装楼梯斜梁板或楼梯底板并完成楼梯支撑系统→安装楼梯外帮侧模→安装踏步模板。
用套板画出踏步侧板位置线,钉好踏步侧板三角木,然后在三角木上钉好踏步侧板,楼梯踏步高度要一致,踏步侧板下口钉一根小支撑,以保证侧板不下沉,楼梯栏杆应按设计留好预埋件。
c、立模注意事项:(1)柱模板安装时,应根据砼浇筑程度和高度,决定其竖向尺寸是否开门子洞。
(2)柱模板安装时,其截面应按允许负值差控制,夹板尺寸应符合模数便于拼装、墙、柱角部可配置阴阳角模。
(3)接头处模板,梁柱板交叉处模板,应认真配置,防止产生烂根、移位、胀模等不良现象。
施工时严格按设计要求做到各构件轴线位置、结构标高、几何尺寸准确,立模要按详图施工,保证模板的严密性、可靠性,使构件成型尺寸准确。
(4)、砼浇捣完毕后,及时拆除模板,将有利于模板的周转和加快工程进度,但拆模过早会影响砼结构的质量,非承重的侧模,应在砼强度能保证其表面棱角不因拆模而损坏,承重模应当有与结构同样条件养护的试块达到规定强度时方可拆除,拆模砼要达到强度值表如下:现浇结构拆模时所需砼的最低强度拆除模板及其支架的结构,应在砼达到强度后,才允许承受全部的计算荷载,施工中不得超载使用,严禁集中堆放过量的建筑材料,当承受施工荷载大于计算荷载时,必须经过核算加设临时支撑。
拆模时,应注意以下几点:(1)拆模时不得用力过猛,拆下来的材料应及时运走、整理。
(2)拆模顺序一般应是先支后拆,后支先拆,先拆除非承重部分,后拆除承重部分。
(3)拆除跨度较大的梁下支撑时应先从跨中开始,分别拆向两端。
(4)多层楼板支撑拆除,应按下列要求进行,上层楼板正在浇筑时,下一层楼板模板的支撑不能拆除。
模板清理,模板及支撑拆除后,应及时按种类规格进行清理,并运离拆模区域,以便后续工作的开展,所有非一次性使用模板拆除后应及时修补、整形、涂刷脱模剂。
第2节主体钢筋工程钢筋要求:钢筋应有出厂质保证明书和复试报告,焊接试验合格后方可用于本工程,每捆钢筋有标牌,进场应分批号、规格进行验收、堆放、防止锈蚀和污染,并按规范及有关规定取样做力学性能试验。
钢筋采用现场制作,机械和手工加工相结合成型,手工绑扎的方法,直径大于16的钢筋采用闪光对焊接头,小规格钢筋采用绑扎接头。
钢筋加工前应先熟悉图纸和配料单、钢筋加工的形状、尺寸需要代换时,应征得设计单位的同意,钢筋的各道加工工序,都要建立质量交接制度,钢筋绑扎好后,必须经过检验,并办理隐蔽工程验收签证手续。
⑴、构造柱筋以一般钢筋为主,主筋在扎前应调直,柱主筋设计采用搭接,柱梁结合处搭接和锚固须按设计要求处理,柱边钢筋≤4时,可在同一截面上焊接,否则应分两次错开焊接,且接头距为40d以上,箍筋要根据抗震设计要求加工,注意弯钩的角度及长度。
绑扎时,应与受力钢筋垂直设置,箍弯钩叠合处,应沿受力钢筋方向错开设置;箍转角处与纵向钢筋交叉点均应扎牢,绑扎箍筋时绑扣相间应成八字形,扎丝一端,均需弯向构件内部。
在柱主筋焊接长度内,箍筋绑扎不得少于3个,柱筋砼保护厚度用1:2水泥砂浆控制,用带铁丝垫块绑牢在柱主筋上。
⑵、梁、板钢筋钢筋施工时,应先绑扎梁筋,后绑扎板筋。