钢材试验取样
- 格式:doc
- 大小:37.00 KB
- 文档页数:3
钢筋检测的取样及取样要求钢筋混凝土结构用筋检测内容和使用要求:1,检测内容(1)钢材进场时,应按现行国家标准的规定抽取事件作用力学性能检测,其质量必须符合有关标准规定。
取样要求:1取样数量和批量(1)热轧带肋钢筋每批由同一牌号、同一炉罐号、同一规格的钢筋组成。
每批重量通常不大于60t。
每批钢筋应做2个拉伸试验、2个弯曲试验。
超过60t的部分,每增加40t(或不足40t的余数),增加1个拉伸试样和1个弯曲试样。
(2)热轧光圆钢筋每批由同一牌号、同一炉罐号、同一尺寸的钢筋组成。
每批重量通常不大于60t。
每批钢管应做2个拉伸实验、2个弯曲试验。
超过60t的部分,每增加40t(或不足40t的余数),增加1个拉伸试样、1个弯取试样。
(3)余热处理钢筋每批与重量不大于60t的同一牌号、同一炉罐号、同一规格、同一交货状态的钢筋组成。
每批钢筋应做2个拉伸试验、2个弯取试验。
(4)碳素结构钢每批由重量不大于60t的同一牌号、同一炉罐号、同一等级、同一品种、同一尺寸、同一交货状态的钢筋组成。
用《碳素结构钢》(GB/T700-2006)验收的直条钢筋每批应做1个拉伸试验、1个弯曲试验。
(5)冷轧钢筋每批由同一牌号、同一外形、同一规格、同一生产工艺和同一交货状态的钢筋组成,每批不大于60t。
逐盘或逐捆做1个拉伸试验,牌号CRB550每批做2个弯曲试验,牌号CRB650批号及以上每批做2个反复弯曲试验。
2 试样长度拉伸试样和弯取试样长度根据试样直径和所使用的设备确定。
日常使用参考长3 取样方法(1)拉伸和弯曲试验的试样可在每批材料中任选两根钢筋切取,钢筋试样不需做任何加工。
(2)上海市规定凡是表面轧上牌号标志的带肋钢筋,见证取样时截取的热轧带肋钢筋样品应当带有表面标志。
钢筋焊接接头件检测内容和使用要求1检测内容(1)在施工现场,应按国家规定标准,抽取焊接接头作力学性能检验,其质量应符合有关规程的规定,(2)闪光对接焊头每批应进行拉结和弯曲检测。
钢材取样标准和检测方法咱今儿就来唠唠钢材取样标准和检测方法这档子事儿。
你说这钢材啊,那可真是建筑界的大功臣呐!就好比咱家里盖房子,要是钢材质量不行,那房子不就跟纸糊的似的,风一吹就倒啦?所以啊,这取样标准和检测方法可得整明白了。
先说这取样吧,就跟挑水果似的,你得会挑。
可不是随便拿一块就成的。
得在钢材的不同部位取,就像吃苹果,你不能光咬一口就说这苹果甜不甜,得这儿咬一口那儿咬一口,综合判断嘛!而且取样的时候还得小心,别把钢材给弄伤了,不然检测出来的数据能准吗?这就好比你量身高,你踮着脚量,那能是你真实身高吗?检测方法呢,那就更有讲究啦。
就像医生给咱看病,得各种检查都来一遍。
什么拉伸试验啦,看看钢材能拉多长;硬度试验啦,瞧瞧钢材硬不硬;还有化学成分分析呢,这就好比看看钢材身体里都有啥营养成分。
你说要是这些都不检测,咱能放心用这钢材吗?那不是给自己找麻烦嘛!咱举个例子哈,你想想,要是建大桥用的钢材不合格,那大桥建一半塌了咋办?那可不是闹着玩的呀!这得关乎多少人的性命呐!所以说,这钢材取样标准和检测方法可不能马虎,这是大事儿!再比如说造汽车,那钢材质量不好,车开着开着散架了咋办?这多吓人呐!咱可不能拿自己的生命开玩笑不是?所以啊,从钢材的源头就得把好关,取样要严格,检测要仔细,一个环节都不能出错。
这钢材取样和检测啊,就像是给钢材做体检。
只有体检合格了,才能让它上岗工作呀!咱可不能让那些病恹恹的钢材来捣乱不是?这就要求咱负责取样和检测的人得认真负责,不能敷衍了事。
你想想,要是因为你的不认真,导致用了不合格的钢材,那后果得多严重啊!总之呢,钢材取样标准和检测方法是非常重要的,这可关系到咱们生活中的方方面面。
从高楼大厦到小桥流水,从汽车轮船到日常用品,哪儿都离不开钢材。
咱可得把好这道关,让钢材发挥出它最大的作用,为咱们的生活添砖加瓦呀!这可不是闹着玩的,这是实实在在的事儿,咱得重视起来呀!你说是不是这个理儿?。
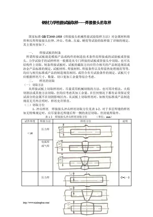
钢材力学性能试验取样——焊接接头的取样国家标准GB/T2649-1989《焊接接头机械性能试验取样方法》对金属材料熔焊和压焊焊接接头拉伸、冲击、弯曲、压扁、硬度等试验的取样做了详细的规定,其主要内容如下。
一、焊接试板的制备所谓焊接试板就是模拟产品或构件的制造技术条件而焊接成的试验板或管接头。
力学试验手的试样样坯一般都是从专门焊接的试板或管接头中切取,也可从结构件上切取。
制备焊接试板时,试板的截取方向应符合相关的产品制造规范或冶金产品标准的规定,试板材料、焊接材料、焊接条件以及焊前热处理规范等等,均应与相关标准或产品的制造规范相同,或符合有关试验条件的规定。
试板尺寸应根据样坯尺寸、数量、切口宽加工余量等综合考虑。
二、样坯的切取(一)切取方法从焊接试板上切取样坯时,尽量采用机械切削的方法,也可用冷剪法、火焰切割法或其他方法切取,但均应考虑其加工余量,在任何情况下都有必须保证受试部分的金属不在切割影响区内。
从试板上切取样坯时,如相关标准或产品制造规范无另外注明时,样坯允许矫直。
(二)切取方位1、冲击样坯焊接接头冲击样坯切取方位见表1-2。
对于多层焊缝的样坯如无特殊规定时,应尽量靠近焊缝后焊一侧的表层切取,但封底焊除外。
表1-2 焊接接头冲击样坯切取方位(单位:mm)试件厚度焊接方法样坯方位说明压力焊<16电弧焊或气焊压力焊C=1~3>16~40电弧焊C=1~3电渣焊>40~60电弧焊C=1~3电渣焊C>6>60~100电弧焊C=1~3电渣焊C>6H=18~40H>40~60电弧焊C=1~3注;S——试样厚度;C——从试件厚度表面至样坯边缘的距离:H——后焊一侧的焊缝厚度。
2 、拉伸样坯焊接接头拉伸样坯原则上取试板的全厚度,如试板厚度超过30mm时,则按表1-3切取,但样坯应覆盖试板的全厚度。
表1-3 焊接接头拉伸样坯截取方位(单位:mm)>30 所有焊接方法的对接接头注:S——试件厚度:α′——样坯厚度:Ь′——样坯宽度。
钢材力学性能试验取样基本知识发布者:试验机电子万能试验机发布时间:2010-12-11 文章编号:200810191727163829 点击次数:61834性能指标进行测定的一门试验学科,其测定的对象被称为试样。
所谓试样,就是经机加工或未经机加的样坯。
由于很多力学性能试验都带有破坏性.不可能将一批材料都作为试样进行试验来评价该材料分进行试验,根据试验的结果对这批材料的质晕做出某种判别,因此,试样的真正意义在于它能代表了准确评定材料性能的重要环节。
型。
加工成标准规定的试样,如:型材、棒制、板材、管材和线材等,并根据有关标准,在一定的部位取出一定尺寸的样坯,加工成所需的拉伸、弯曲、冲击部位上取样位(一般是最薄弱、最危险的部位)上切取样坯,加工成一定尺寸的试样。
通过对这些试样进行力学性进一步校正设计计算的正确性,同时在失效分析和安全评估中有重要的作用。
进行力学性能试验,如弹簧、螺栓、齿轮、轴承等。
响对材料性能试验结果影响较大的3个田素,被称为取样三要素。
变形加工过程中,变形量不会处处均匀,材料内部的各种缺陷分布和金属组织也不均匀,因此.在产果必然不同。
如大直径圆钢的中心部位的抗拉强度就低于其他部位的抗拉强度,槽钢在其腰部不同高,金属沿主加工变形方向流动,品粒被拉长并排成行.且夹杂也沿主加工变形方向排列,由此造成材向轴线与主加工方向平行)和横向试样(试样纵向轴向与主加工方向垂直)有较犬的差异。
如薄板材纵向向试样,断面收缩率更是远远大于横向试样。
验条件和材料本身的特性十分敏感,因此,一个试样的试验结果的可信度太低.但取样数量太多,则定最小取样数量,须根据试验类型、产品和材料性能的用途、试验结果的分散性以及经济因素对具体果往往就比较分散,一般每次取3个试样进行试验。
影响。
因此必须对取样的部位和方向做统一的规定,这样不同的人或不同的试验室对同一产品所做的国国家标准GWT 2975】998(钢及钢产品力学性能试验取样位置及试样制备》对钢和钢产品力学性能试的规定,此外,不少产品标准和协议也都根据产品的特点明确规定了取样部位和方向。
钢筋取样标准
钢筋是建筑工程中常用的一种材料,其质量直接影响着建筑物的安全性和稳定性。
为了确保钢筋的质量,需要对钢筋进行取样,并按照一定的标准进行检测。
本文将介绍钢筋取样的标准和相关注意事项。
首先,钢筋取样的时间应选择在钢筋到场后、加工前进行。
在取样过程中,应
注意避免对钢筋造成损坏,以免影响其质量。
取样时应根据工程需要确定取样数量,并确保取样的代表性和全面性。
其次,取样时需要选择合适的位置进行。
一般来说,应从不同批次、规格和生
产厂家的钢筋中分别取样,以确保全面性。
取样位置应避免有明显的锈蚀、损伤或者其他质量问题,以保证取样的准确性。
在进行取样时,需要使用合适的工具和设备,确保取样的准确性和可靠性。
取
样工具应干净、无锈蚀,避免对钢筋造成二次污染。
取样后,需要将样品进行标识,注明取样位置、批次、规格等信息,以便后续的检测和跟踪。
取样完成后,需要将样品送至有资质的检测机构进行检测。
在检测过程中,需
要严格按照相关标准进行操作,确保检测结果的准确性和可靠性。
检测结果应及时反馈给相关部门和人员,以便及时采取相应的措施。
总之,钢筋取样是保证钢筋质量的重要环节,必须严格按照相关标准进行操作。
只有确保了钢筋取样的准确性和可靠性,才能保证建筑工程的安全性和稳定性。
希望本文能对钢筋取样工作有所帮助,提高工程质量,确保工程安全。
钢筋取样方法1热轧光圆钢筋取样方法1.1拉伸拉伸包括屈服强度、抗拉强度、伸长率。
《钢筋混凝土用钢第1部分:热轧光圆钢筋》GB/T1499.1—2017第8.1条对每批钢筋取样数量做了规定:每批2根试样。
《钢筋混凝土用钢第1部分:热轧光圆钢筋》GB/T 1499.1—2017第9.2.2.1条对钢筋的组批规则做了规定:钢筋应按批进行检查和验收,每批由同一牌号、同一炉罐号、同一尺寸的钢筋组成。
每批重量通常不大于60t。
超过60t的部分,每增加40t (或不足40t的余数),增加1个拉伸试样。
拉伸试样长度:500mm。
拉伸试验的试样可在每批材料中随机截取,《钢筋混凝土用钢第1部分:热轧光圆钢筋》GB/T1499.1-2017第8.2.1条规定:拉伸试样不允许进行车削加工。
1.2弯曲《钢筋混凝土用钢第1部分:热轧光圆钢筋》GB/T1499.1-2017第8.1条对每批钢筋取样数量做了规定:每批2根试样。
《钢筋混凝土用钢第1部分:热轧光圆钢筋》GB/T1499.1-2017第9.3.2.1条对钢筋的组批规则做了规定:钢筋应按批进行检查和验收,每批由同一牌号、同一炉罐号、同一尺寸的钢筋组成。
每批重量通常不大于60t。
超过60t的部分,每增加40t(或不足40t的余数),增加1个弯曲试样。
弯曲试样长度:350~400mm。
弯曲试验的试样可在每批材料中随机截取,《钢筋混凝土用钢第1部分:热轧光圆钢筋》GB/T 1499.1-2017第8.2.1条规定:弯曲试样不允许进行车削加工。
1.3重量偏差《钢筋混凝土用钢第1部分:热轧光圆钢筋》GB/T 1499.1-2017第8.4.1条对每批钢筋重量偏差的取样部位、数量、取样长度做了规定:试样应从不同根钢筋上截取,数量不少于5支,每支试样长度不小于500mm。
《钢筋混凝土用钢第1部分:热轧光圆钢筋》GB/T 1499.1-2017第9.3.2.1条对钢筋的组批规则做了规定:钢筋应按批进行检查和验收,《钢筋混凝土用钢第1部分:热轧光圆钢筋》GB/T 1499.1-2017第9.3.2.1条对钢筋的组批规则做了规定:钢筋应按批进行检查和验收,每批由同一牌号、同一炉罐号、同一尺寸的钢筋组成。
钢筋的取样
钢材的取样
一、钢筋的取样试验
(一)钢筋
1.检验标准:
钢筋原材试验应以同厂别、同炉号、同规格、同一交货状
态、同一进场时间每60t为一验收批,不足60t时,亦按一验收批计算。
2.取样数量:
每一验收批中取试样一组(2根拉力、2根冷弯、1根化学)。
低碳钢热轧圆盘条时,拉力1根。
3.取样方法:
⑴试件应从两根钢筋中截取:每一根钢筋截取一根拉力,
一根冷弯,其中一根再截取化学试件一根,低碳热轧圆盘条
冷弯试件应取自不同盘。
(25/45,30/50)
⑵试件在每根钢筋距端头不小于500mm处截取。
⑶拉力试件长度:7d0+200mm。
⑷冷弯试件长度:5d0+150mm。
⑸化学试件取样采取方法:
1)分析用试屑可采用刨取或钻取方法。
采取试屑以前,
应将表面氧化铁皮除掉。
钢材力学及工艺性能试验取样规定GB2975-1982本标准适用于轧制、锻制、冷拉和挤压钢材的拉力、冲击、弯曲、硬度和顶锻等试验的取样。
也可供其它力学及工艺性能试验取样时参考。
如产品标准或双方协议对取样板另有规定时,则按规定执行。
1样坯的切取1.1样坯应在外观及尺寸合格的钢材上切取。
1.2切取样坯时,应防止因受热、加工硬化及变形而影响其力学及工艺性能。
1.2.1用烧割法切取样坯时,从样坯切割线至试样边缘必须留有足够的加工余量,一般应不小于钢材的厚度或直径,但最小不得少于20mm。
对厚度或直径大于60mm的钢材,其加工余量可根据双方协议适当减小。
1.2.2冷剪样坯所留的加工余量可按下表选取:2样坯切取位置及方向2.1对截面尺寸〈图1的D和a〉小于或等于6Omm的圆钢、方钢和六角钢,应在中心切取拉力及冲击样坯;截面尺寸大于60mm时,则在直径或对角线距外端四分之一处切取,如图1所示。
2.2样坯不需热处理时,截面尺寸小于或等于40mm的圆钢、方钢和六角钢,应使用全截面进行拉力试验。
当试验机条件不能满足要求时,应加工成GB228-76《金属拉力试验法》中相应的圆形比例试样。
2.3样坯需要热处理时,应按有关产品标准规定的尺寸,从圆钢、方钢和六角钢上切取。
2.4应从圆钢和方钢端部沿轧制方向切取弯曲样坯,截面尺寸小于或等于35mm时,应以钢材全截面进行试验。
截面尺寸大于35mm时,圆钢应加工成直径25mm的圆形试样,并应保留宽度不大于5mm的表面层,方钢应加工成厚度为2Omm并保留一个表面层的矩形试样,如图2所示。
2.5应从工字钢和槽钢腰高四分之一处沿轧制方向切取矩形拉力、弯曲和冲击样坯。
拉力、弯曲试样的厚度应是钢材厚度,如图3所示。
2.6应从角钢和乙字钢腿长以及T形钢和球扁钢腰高三分之一处切取矩形拉力、弯曲和冲击样坯,如图4所示。
2.7应从扁钢端部沿轧制方向在距边缘为宽度三分之一处切取拉力、弯曲和冲击样坯,如图5所示。
钢材弯曲试样取样要求
钢材弯曲试样取样是一项关键的实验工作,用于评估钢材的材料性能和弯曲强度。
为了确保结果的准确性和可靠性,以下是钢材弯曲试样取样的要求:
1. 取样位置:根据实验要求,在钢材中选择合适的取样位置。
应该避免选择具
有明显缺陷、异质性或其他损害的区域。
2. 取样数量:根据实验要求,确定所需的取样数量。
通常情况下,至少需要三
个试样进行多次测试和结果的平均计算。
3. 取样方法:采用标准化的取样方法,确保取样的精确和一致性。
常用的方法
包括钳夹法、机械剪切法或刨削法。
4. 取样尺寸:根据实验要求和标准规定,确定取样的尺寸。
通常,取样的宽度
和厚度应符合标准规范。
5. 取样处理:对取样进行适当的处理,以确保取样的平整和无明显的表面缺陷。
可以采用砂纸磨光、清洗或其他方法进行处理。
6. 取样记录:在取样过程中,确保做好详细的记录,包括取样位置、数量、方法、尺寸和处理等信息。
这有助于保持实验的可追溯性和结果的准确性。
钢材弯曲试样取样的要求对于确保实验结果的准确性和可重复性至关重要。
只
有遵循标准规范和科学原则,才能获得可靠的试验数据,从而进一步评估钢材的性能和适用性。
钢筋取样标准(一)热轧钢筋1、组批规则以同一牌号、同一炉罐号、同一规格、同一交货状态,不超过60吨为一批。
2、取样方法拉伸检验:任选两根钢筋切取。
两个试样,试样长500mm。
冷弯检验:任选两根钢筋切取两个试样,试长度按下式计算:L=1.55*(a+d)+140mm式中:L—试样长度a—钢筋公称直径d—弯曲试验的弯心直径;按下表取用钢筋牌号(强度等级) HPB235(Ⅰ级) HRB335 HRB400HRB500公称直径(mm) 8~20 6~25 28~50 6~25 28~50 6~25 28~50弯心直径d 1a 3a 4a 4a 5a6a 7a在切取试样时,应将钢筋端头的500mm去掉后再切取。
(二)低碳钢热轧圆盘条1、组批规则以同一牌号、同一炉罐号、同一品种、同一尺寸、同一交货状态,不超过60吨为一批。
2、取样方法:拉伸检验:任选一盘,从该盘的任一端切取一个试样,试样长500mm。
弯曲检验:任选两盘,从每盘的任一端各切取一个试样,试样长200mm。
在切取试样时,应将端头的500mm去掉后再切取。
(三)冷拔低碳钢丝1、组批规则甲级钢丝逐盘检验。
乙级钢丝以同直径5吨为一批任选三盘检验。
2、取样方法从每盘上任一端截去不少于500mm后,再取两个试样一个拉伸,一个反复弯曲,拉伸试样长500mm,反复弯曲试样长200mm。
(四)冷轧带肋钢筋1、冷轧带肋钢筋的力学性能和工艺性能应逐盘检验,从每盘任一端截去500mm以后,取两个试样,拉伸试样长500mm,冷弯试样长200mm。
2、对成捆供应的550级冷轧带肋钢筋应逐捆检验。
从每捆中同一根钢筋上截取二个试样,其中,拉伸试样长500mm,冷弯试样长250mm。
如果,检验结果有一项达不到标准规定。
应从该捆钢筋中取双倍试样进行复验。
(五)钢筋焊接接头的取样A、取样规定[根据《钢筋焊接及验收规程》(JGJ18-2003)]1、钢筋闪光对焊接头取样规定a 在同一台班内,由同一焊工完成的300个同牌号、同直径钢筋焊接接头应作为一批。
钢材理化试样取样规程一、取样数量:组批:由同一材质、同一品种规格、同一供应商/生产商、同一到货时间/地点,二、取样尺寸:1、拉伸试样首次取样:(单位:工为t=25。
2、加工要求:⑴气割后自然冷却、清渣,不可水冷或风冷;⑵厚度、宽度应保证左端到右端一致,误差小于0.5mm;⑶弯曲试样应至少保留一个原表面,不得划伤;⑷试样剪切后呈弧形,上液压机压平,批锋应小于0.5mm;⑸钢管试样取母材呈弧形,上液压机压平;取中间焊缝样,不压平。
3、试样应用白色油性笔写明材质(Q235/Q345/20#)、规格(长度/厚度/直径);若相同规格 1两个供方供货,应写明供方。
三、取样位置:一、型钢/钢板/钢管拉伸、弯曲试样加工要求:单位:mm1、钢材厚度t≤25,剪切或气割加工试样;钢材厚度t>25,气割加工试样,厚度方向气割或锯床加工为t=25。
2、加工要求:⑴气割后自然冷却、清渣,不可水冷或风冷;⑵厚度、宽度应保证左端到右端一致,误差小于0.5mm;⑶弯曲试样应至少保留一个原表面,不得划伤;⑷试样剪切后呈弧形,上液压机压平,批锋应小于0.5mm;⑸钢管试样取母材呈弧形,上液压机压平;取中间焊缝样,不压平。
3、试样应用白色油性笔写明材质(Q235/Q345/20#)、规格(长度/厚度/直径);若相同规格两个供方供货,应写明供方。
二、圆钢拉伸试样加工要求:d=25mm 单位:50≤D8080 40外,d=25,除车床加工小径>;圆钢直径,车床加工小径≤、圆钢直径1D50d=25D50 还应加工大径。
D=50 2、加工要求:⑴气割取样后自然冷却、清渣,不可水冷或风冷;⑵加工大径表面宜粗2(Q235/Q345/ 糙,便于夹具夹持;⑶试样应用白色油性笔写明材质直径);若相同规格两个供方供货,应写明供方。
20#/40Cr)、规格(力学试验重取样规定为了不影响生产进度,力学试验第一次抽样检验不合格,对第二次加倍抽样检查取样规定如下:理化室通知仓库重取样坯钢材,仓库应在不同的捆扎重取样坯,并做好标识,重取样坯及试样尺寸和数量如下:1. 角钢×角钢100mm的,用气割取两条样坯角钢(长度300mm(1)对角钢边宽度大于等于,报验给理化2个试样如图D边宽度b)图A; 其中一条角钢用气割或剪切制成×角钢边宽度b)交给理化室。
钢结构检测项目及取样方法钢结构检测项目和取样方法材料名称:钢材检测内容依据标准:钢材标准GB/T1591-1994 抗拉强度试验:各种钢抗拉强度弯曲试验:GB/T700—/T699-1999材料名称:焊件检测内容依据标准:高强度焊件抗滑移系数:高强度螺栓连接面无损探伤检测:GB-2001、JG/T203-2007取样方法:每种规格取3组,每组取样数量如下:抗拉强度试验:每规格取2件,M36以下5000件,M36以上2000件,工程量每2000t一批扭矩系数和最小抗拉荷载:每种规格取8件焊缝内部缺陷检测:一级焊缝100%探伤,二级焊缝20%探伤焊缝外观缺陷检测:每种规格取3个节点随机抽查,且不少于3个节点同类构件抽查:按柱脚数抽查10%,且不少于3个;每种规格抽查10%,不少于3件防火涂层厚度检验:每种规格取10%不少于10处现场检测材料名称:高强度螺栓检测内容依据标准:钢结构工程有关安全及功能的检测施工质量检测项目:终拧扭矩:GB-2001现场检测锚栓紧固检测(拉拔试验):GB-2001现场检测钢柱垂直度、钢梁测向弯曲、整体垂直度、整体平面弯曲:GB-2001现场检测取样方法:按球最大螺栓孔螺纹,每种规格取600件材料名称:各种钢管检测内容依据标准:低压流体管:GB/T3091-2001及各种钢管标准抗拉强度试验:GB-2001现场检测弯曲试验:依据标准取样方法,每种规格取2件取样方法:依据标准要求,每种规格取3件总体来说,钢结构检测项目和取样方法需要根据不同材料和检测内容依据相应的标准进行取样和检测。
在施工质量检测项目中,需要进行终拧扭矩、锚栓紧固检测、钢柱垂直度、钢梁测向弯曲、整体垂直度和整体平面弯曲等检测。
为确保工程安全和功能,各项检测都需要严格按照标准进行取样和检测。
1.焊接球节承载力试点验进行批量或检查数量的螺栓球节承载力试验,以确保其安全可靠。
2.内部缺陷检测进行焊缝质量的无损探伤检测,以发现任何可能存在的内部缺陷。
钢筋检测取样标准
钢筋是混凝土结构中的重要构件,其质量直接关系到混凝土结构的安全性和稳
定性。
为了确保钢筋的质量,必须对其进行严格的检测和取样。
下面将介绍钢筋检测取样的标准和方法。
首先,钢筋检测应该在专业的实验室或者检测机构进行,这样可以确保检测结
果的准确性和可靠性。
在进行检测前,应该对检测设备进行校准,以确保其准确度和稳定性。
其次,钢筋的取样应该按照相关标准进行,一般来说,应该从不同批次、不同
规格和不同生产厂家的钢筋中进行取样。
取样时应该遵循一定的规则,比如取样位置应该在钢筋的中间位置,避免取样位置处于钢筋端头或者弯曲处。
在进行钢筋检测时,应该考虑以下几个方面,首先是外观质量的检测,包括表
面是否有裂纹、氧化等情况;其次是尺寸和几何形状的检测,包括直径、长度、弯曲度等;最后是化学成分和力学性能的检测,包括抗拉强度、屈服强度、延伸率等。
钢筋的取样也是非常重要的,取样的质量直接关系到检测结果的准确性。
在进
行取样时,应该遵循以下几点,首先是取样位置的选择,应该避免取样位置处于钢筋的端头或者弯曲处;其次是取样数量的确定,一般来说,应该根据钢筋的数量和规格来确定取样数量;最后是取样方法的选择,应该使用专业的取样工具,并严格按照标准操作。
总之,钢筋检测取样是确保钢筋质量的重要环节,只有严格按照标准和方法进行,才能确保检测结果的准确性和可靠性。
希望相关单位和人员能够高度重视钢筋检测取样工作,确保工程质量和人民生命财产的安全。
钢结构取样标准一、钢材原材料取样1、钢板取样对于钢板,应在同一牌号、同一炉罐号、同一规格、同一交货状态的钢板中,按照一定的批量进行取样。
通常每批重量不大于 60t,取样数量应根据钢板的厚度和检验项目而定。
对于厚度小于或等于 30mm 的钢板,拉伸和弯曲试验的取样数量各为 1 个;对于厚度大于 30mm 的钢板,拉伸和弯曲试验的取样数量各为 2 个。
此外,还应根据需要进行化学成分分析、冲击试验等的取样。
2、型钢取样对于型钢,如工字钢、槽钢、角钢等,同样应在同一牌号、同一炉罐号、同一规格、同一交货状态的产品中进行取样。
每批重量一般不大于 60t,拉伸、弯曲和冲击试验的取样数量根据型钢的类型和规格而定。
3、钢管取样钢管的取样应在同一牌号、同一炉罐号、同一规格、同一交货状态的钢管中进行。
每批钢管的重量通常不超过 50t,对于外径不大于76mm 且壁厚不大于 3mm 的钢管,应取整个管段作为试样;对于外径大于 30mm 的钢管,拉伸试验的取样数量为 2 个,弯曲试验的取样数量为 2 个。
二、焊接材料取样1、焊条取样对于焊条,应以同一批号、同一规格的产品作为一批。
每批重量一般不大于 100t,从每批中抽取一定数量的焊条进行化学成分分析、熔敷金属力学性能试验等。
2、焊丝取样焊丝的取样应以同一炉号、同一规格、同一交货状态的产品为一批。
每批重量通常不大于30t,从每批中抽取适量的焊丝进行化学成分分析、拉伸试验等。
3、焊剂取样焊剂应以同一批号、同一类型的产品为一批。
每批重量一般不大于60t,从每批中抽取适量的焊剂进行化学成分分析、颗粒度测定等。
三、连接紧固件取样1、高强度螺栓取样高强度螺栓连接副应在同批、同规格、同性能等级的产品中进行取样。
每批数量一般不超过 3000 套,对于大六角头高强度螺栓,应进行扭矩系数试验和楔负载试验;对于扭剪型高强度螺栓,应进行紧固轴力试验。
2、普通螺栓取样普通螺栓应按照同一性能等级、材料、炉号、螺纹规格、长度、机械加工、热处理工艺及表面处理工艺的螺栓为同批,每批数量一般不超过 5000 件。
钢材试验取样
(一)热轧钢筋
1、组批规则
以同一牌号、同一炉罐号、同一规格、同一交货状态,不超过60吨为一批。
2、取样方法
拉伸检验:任选两根钢筋切取。
两个试样,试样长500mm。
冷弯检验:任选两根钢筋切取两个试样,试长度按下式计算:
L=1.55*(a+d)+140mm
式中:L—试样长度
a—钢筋公称直径
d—弯曲试验的弯心直径;按下表取用
钢筋牌号(强度等级) HPB235(Ⅰ级) HRB335 HRB400
HRB500
公称直径(mm) 8~20 6~25 28~50 6~25 28~50 6~25 28~50
弯心直径d 1a 3a 4a 4a 5a
6a 7a
在切取试样时,应将钢筋端头的500mm去掉后再切取。
(二)低碳钢热轧圆盘条
1、组批规则
以同一牌号、同一炉罐号、同一品种、同一尺寸、同一交货状态,不超过60吨为一批。
2、取样方法:
拉伸检验:任选一盘,从该盘的任一端切取一个试样,试样长500mm。
弯曲检验:任选两盘,从每盘的任一端各切取一个试样,试样长200mm。
在切取试样时,应将端头的500mm去掉后再切取。
(三)冷拔低碳钢丝
1、组批规则
甲级钢丝逐盘检验。
乙级钢丝以同直径5吨为一批任选三盘检验。
2、取样方法
从每盘上任一端截去不少于500mm后,再取两个试样一个拉伸,一个反复弯曲,拉伸试样长500mm,反复弯曲试样长200mm。
(四)冷轧带肋钢筋
1、冷轧带肋钢筋的力学性能和工艺性能应逐盘检验,从每盘任一端截去500mm以后,取两个试样,拉伸试样长500mm,冷弯试样长200mm。
2、对成捆供应的550级冷轧带肋钢筋应逐捆检验。
从每捆中同一根钢筋上截取二个试样,其中,拉伸试样长500mm,冷弯试样长250mm。
如果,检验结果有一项达不到标准规定。
应从该捆钢筋中取双倍试样进行复验。
(五)钢筋焊接接头的取样
A、取样规定[根据《钢筋焊接及验收规程》(JGJ18-2003)]
1、钢筋闪光对焊接头取样规定
a 在同一台班内,由同一焊工完成的300个同牌号、同直径钢筋焊接接头应作为一批。
当同一台班内焊接的接头数量较少,可在一周之内累计计算;累计仍不足300个接头,应按一批计算。
b 力学性能检验时,应从每批接头中随机切取6个试件,其中3个做拉伸试验,3个做弯曲试验。
c 焊接等长的预应力钢筋(包括螺丝端杆与钢筋)时,可按生产时同等条件制作模拟试件。
d 螺丝端杆接头可只做拉伸试验。
e 封闭环式箍筋闪光对焊接头,以600个同牌号、同规格的接头为一批,只做拉伸试验。
f 当模拟试件试验结果不符合要求时,应进行复验。
复验应从现场焊接接头中切取,其数量和要求与初始试验相同。
2、钢筋电弧焊接头取样规定
a 在现浇混凝土结构中,应以300个同牌号、同型式接头作为一批;在房屋结构中,应在不超过二楼层中300个同牌号、同型式接头作为一批。
每批随机切取3个接头,做拉伸试验。
b 在装配式结构中,可按生产条件制作模拟试件,每批3个,做拉伸试验。
c 钢筋与钢板电弧搭接焊接头可只进行外观检查。
d 模拟试件的数量和要求应与从成品中切取时相同。
当模拟试件试验结果不符合要求时,复验应再从成品中切取,其数量和要求与初始试验时相同。
注:在同一批中若有几种不同直径的钢筋焊接接头,应在最大直径接头中切取3个试件。
3、钢筋电渣压力焊接头取样规定
在现浇混凝土结构中,应以300个同牌号钢筋接头作为一批;在房屋结构中,应在不超过二楼层中300个同牌号钢筋接头作为一批;当不足300个接头时,仍应作为一批。
每批接头中随机切取3个试件做拉伸试验。
注:在同一批中若有几种不同直径的钢筋焊接接头,应在最大直径接头中切取3个试件。
4、钢筋气压焊接头取样规定
a 在现浇混凝土结构中,应以300个同牌号钢筋接头作为一批;在房屋结构中,应在不超过二楼层中300个同牌号钢筋接头作为一批;当不足300个接头时,仍应作为一批。
b 在柱、墙的竖向钢筋连接中,应从每批接头中随机切取3个接头做拉伸试验;在梁、板的水平钢筋连接中,应另切取3个接头做弯曲试验。
注:在同一批中若有几种不同直径的钢筋焊接接头,应在最大直径接头中切取3个试件。
B、试件长度[根据《钢筋焊接接头试验方法标准》(JGJ/T27-2001)]
1、拉伸试件的最小长度
接头型式试件最小长度mm
电弧焊双面搭接、双面帮条8d+Lh+240
单面搭接、单面帮条5d+Lh+240
闪光对焊、电渣压力焊、气压焊8d+240
注:Lh——帮条长度或搭接长度,钢筋帮条或搭接长度应符合下表要求:
钢筋牌号焊接型式帮条长度或搭接长度Lh
HBP235 单面焊≥8d
双面焊≥4d
HRB335、HRB400、RRB500 单面焊≥10d
双面焊≥5d
切取试件时,应使焊缝处于试件长度的中间位置。
2、弯曲试件长度按下式计算:
L=D+2.5d+150mm
式中:L—试件长度
D—弯心直径(mm)
d—钢筋直径(mm)
切取试件时,焊缝应处于试件长度的中央。
弯心直径D按下表规定确定。
钢筋焊接接头弯曲试验弯心直径
钢筋直径≤25mm >25mm
钢筋级别弯心直径D(mm)
Ⅰ级2d 3d
Ⅱ级4d 5d
Ⅲ级5d 6d
Ⅳ级7d 8d
(六)机械连接接头[根据《钢筋机械连接通用技术规程》(JGJ107-2003)] 1、钢筋连接工程开始前及施工过程中,应对每批进场钢筋进行接头工艺检验,取样按以下进行:
a 每种规格钢筋的接头试件不应少于3根;
b 钢筋母材抗拉强度试件不应少于3根,且应取接头试件的同一根钢筋;
2、接头的现场检验按验收批进行。
同一施工条件下采用同一批材料的同等级、同型式、同规格接头,以500个为一个验收批进行检验与验收,不足500个也作为一个验收批。
对接头的每一验收批,必须在工程结构中随机截取3个试件作单向拉伸试验。
3、接头试件尺寸
a 试件长度如下所示
L1=L+8d+2h
L—接头试件连件长度
d—钢筋直径
h—试验机夹具长度,当d<20mm时,h取70mm,当d≥20mm时,h取100mm L1—试件长度
在取有于工艺检验的接头试件时,每个试件尚应取一根与其母材处于同一根钢筋的原材料试件做力学性能试验。
参考资料:《建筑材料检测标准及取样方法》。