非常实用的工资管理系统(XLS)
- 格式:xls
- 大小:404.01 KB
- 文档页数:1
薪酬台账模板在企业的人力资源管理中,薪酬台账是一项重要的工具,它能够清晰地记录员工的薪酬信息,为企业的薪酬管理提供有力的数据支持。
下面,我们将详细介绍一个实用的薪酬台账模板。
一、表头设计1、员工基本信息员工编号:用于唯一标识每个员工。
姓名:员工的姓名。
部门:员工所在的部门。
职位:员工的具体职位。
2、薪酬构成项目基本工资:员工的固定工资部分。
绩效工资:根据员工的工作表现和业绩发放的工资。
津贴补贴:如交通补贴、住房补贴、餐补等。
加班工资:员工加班所获得的工资。
奖金:如年终奖金、项目奖金等。
3、扣除项目社会保险:员工个人应缴纳的社会保险费用。
住房公积金:员工个人应缴纳的住房公积金。
个人所得税:按照税法规定应缴纳的税款。
其他扣款:如迟到早退扣款、违规罚款等。
4、实际发放工资应发工资:薪酬构成项目的总和。
实发工资:应发工资扣除扣除项目后的金额。
5、发放时间工资发放月份:记录工资所属的月份。
发放日期:实际发放工资的日期。
二、数据记录1、每月初,根据员工的考勤、绩效评估等情况,计算出各项薪酬构成项目的金额,并填入台账。
基本工资通常是固定不变的,但如果有工资调整,应在相应月份进行修改。
绩效工资根据绩效考核结果确定,要有明确的考核标准和计算方法。
津贴补贴按照公司的规定发放,如有变化,需及时更新。
2、计算扣除项目社会保险和住房公积金的金额根据国家规定和公司的缴纳比例计算。
个人所得税根据税法规定的税率和扣除标准计算。
其他扣款要注明原因和金额。
3、计算应发工资和实发工资应发工资=基本工资+绩效工资+津贴补贴+加班工资+奖金实发工资=应发工资社会保险住房公积金个人所得税其他扣款4、记录发放时间确保工资发放月份和发放日期的准确性,以便查询和统计。
三、数据分析与利用1、统计分析按部门统计员工的平均工资、工资总额等,了解各部门的薪酬水平和人力成本。
对比不同职位的薪酬水平,为薪酬调整和职位评估提供参考。
分析薪酬的增长趋势,评估公司薪酬政策的合理性。
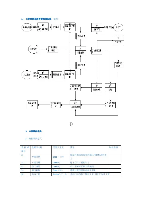
目录1引言 (5)1、编写目的 (5)1.2、背景 (5)1.3定义 (5)1.4参考资料 (6)2程序系统的结构 (6)2.1系统与其他系统之间的联系 (6)2.2系统的整体层次架构 (8)3登录模块设计说明 (9)3.1程序描述 (9)3.2功能 (9)3.3性能 (10)3.4输人项 (10)3.5输出项 (10)3.6算法 (10)3.7流程逻辑 (11)3.8存储分配 (12)3.9注释设计 (12)3.10限制条件 (12)3.11测试计划 (12)3.12尚未解决的问题 (13)4普通员工登录设计说明 (13)4.1程序描述 (13)4.2功能 (13)4.4输人项 (14)4.5输出项 (14)4.6算法 (14)4.7流程逻辑 (15)4.7接口 (16)4.8存储分配 (16)4.9注释设计 (16)4.10限制条件 (17)4.11测试计划 (17)5津贴管理详细设计说明 (17)5.1程序描述 (17)5.2功能 (18)5.3性能 (18)5.3.1精确度 (18)5.3.2灵活性 (18)5.3.3时间特征 (18)5.4输人项 (19)5.5输出项 (19)5.6算法 (19)5.7流程逻辑 (20)5.8接口 (21)5.9存储分配 (21)5.10注释设计 (21)5.11限制条件 (22)5.12测试计划 (22)6医疗保险模块详细设计说明 (22)6.2功能 (23)6.3性能 (23)6.4输人项 (24)6.5输出项 (24)6.6算法 (25)6.7流程逻辑 (25)6.8接口 (26)6.9存储分配 (26)6.10注释设计 (27)6.11限制条件 (27)6.12测试计划 (27)6.13尚未解决的问题 (27)7基本工资标准设定模块详细设计 (28)7.1程序描述 (28)7.2功能 (28)7.2.1框架图描述 (28)7.2.2 IPO图描述 (29)7.3性能 (30)7.3.1精确度 (30)7.3.2灵活性 (30)7.3.3时间特性 (30)7.4输人项 (30)7.5输出项 (30)7.6算法 (31)7.7流程逻辑 (31)7.8存储分配 (32)7.10限制条件 (32)7.11测试计划 (32)8年终奖金生成模块详细设计 (33)8.1程序描述 (33)8.2功能 (33)8.3性能 (33)8.3.1精确度 (33)8.3.2灵活性 (34)8.3.3时间特性 (34)8.4输人项 (34)8.5输出项 (34)8.6算法 (35)8.7程序流程图 (36)8.8存储分配 (37)8.9注释设计 (37)8.10限制条件 (37)8.11测试计划 (37)9工资核算模块详细设计说明 (38)9.1程序描述 (38)9.2功能 (38)9.3性能 (38)9.4输人项 (38)9.5输出项 (39)9.6算法 (39)9.7流程逻辑 (41)9.8存储分配 (42)9.10限制条件 (42)9.11测试计划 (42)9.12尚未解决的问题 (43)1引言1、编写目的在使用程序语言编制程序之前,需要对所采用算法的逻辑关系进行进行分析,设计出全部必要的过程细节,并给予清晰的表达,使之成为编码的依据,也作为软件测试人员及软件维护人员进行测试及维护时的参照。
开题报告课题名称:企业人事工资管理系统一.选题的依据及课题的意义:目前市面上流行的人事管理系统不少。
但是,对于企事业单位的人事管理来说,不需要大型的数据库系统。
只需要一个操作方便,功能实用,能满足本中心对数据的管理及需求的系统。
我们的目标就是开发一个功能实用、操作方便,简单明了的人事管理系统,以满足大多数中小企业的需要。
二.国外研究概况及发展趋势:20世纪80年代后期,进入到数据管理阶段。
该阶段的计算机系统广泛应用于企业管理。
同时工资管理系统已经由原来的人工管理走入了计算机管理的时代,作为信息管理主要工具的数据库已经成为举足轻重的角色。
数据库就是存放数据的仓库,数据按一定的规律存放在计算机中,在科学技术飞速发展的今天人们越来越依赖计算机把现实中的事物抽象成数据然后以记录的形式加以保存。
换个角度看数据库是长期存储在计算机内的,有组织的,可共享的数据集合。
它具有较小的冗余度,较高的系数据独立性和易扩展性等特征,可以让多个用户在不同的权限下使用。
这样用数据库技术来管理工资是一种趋势。
三.研究内容及实验方案;研究内容:本课题的研究内容是对数据库理论及软件工程理论的研究,并利用所学的知识将这些理论运用到实践中来,即用这两大理论开发一套工资管理系统。
这套系统包含以下几个功能模块:1.工资信息设置2 工资信息管理3. 系统其功能模块图如下所示:图一系统功能模块图本人研究的是以下几个功能模块:(1)工资信息设置这个模块的作用是包括设置员工的基本工资和其他项目的金额,如奖金等。
并且负责设置员工工资的计算公式.(2)工资信息管理这个模块包含的信息是包括统计出勤、计算工资、查询工资和导出工资表。
四.目标,主要特色及工作进度目标:在WINDOWS系统下,运用 VB6.0和ACCESS2000数据库进行开发,实现工资管理系统。
主要特色:易操作,外观新颖,界面友好,探索性较强。
工作进度:第14周:收集相关资料,进行系统方案设计,写出开题报告第15周:实现各部分模块功能。
工资管理系统使用手册版权声明:本软件和所有与软件相关的文档的著作权归昆明理工大学胡守成所有。
联系方式:QQ号:83727454;邮箱:Chenghsc@本工资管理系统在。
NET4.0环境下,利用微软公司的silverlight 5和WCF技术开发,为B/S体系结构.系统安转在IIS Web服务器上,客户端只要有支持Silverlight插件的浏览器就可以运行该系统。
系统最大的特点是程序虽然是以浏览器方式运行,但所有操作和界面与C/S结构的windows程序一样。
数据库采用微软SQL Server 2005 以上版本.操作系统为Window7以上版本、window server2003以上版本。
NET版本为.NET Framework 4。
0。
系统功能分为三大模块:1、工资基础数据设置;2、工资录入计算;3、工资报表.一、工资管理基础数据设置包括以下功能:1、部门信息设置2、用户信息设置3、用户权限设置4、下拉列表框项目设置5、个人所得税税率里维护6、工资项目维护7、工资类别维护8、工资类别切换9、货币信息维护10、职员信息设置11、银行信息维护二、工资录入计算包括以下功能:1、工资录入2、个人所得税计算3、工资银行代发三、工资报表与查询包括以下功能:1、工资发放表2、工资条3、职工工资台帐4、项目工资统计表5、部门工资统计表系统登录:假设在安装时,设置的虚拟目录为"Store”,安装程序的计算机的IP地址为:192。
168.0.101。
则进入工资管理系统的Internet地址为:http://192。
168。
0。
101/Store/default。
aspx .在客户端计算机上打开浏览器,输入上面的地址,显示如下登录界面:系统在安装时创建了一个用户:system,秘密为8个1。
该用户拥有所有功能的使用权限。
进入系统后用户可以更改其登录名和用户名,也可以点击“工具菜单栏”中的修改密码打开用户密码修改窗修改密码。
课程设计报告学生姓名:学号:学院:经济管理学院班级:题目: 人事管理系统工资管理子系统指导教师:职称:20 年月日1.选题背景 (3)2.工资管理子系统需求分析 (3)2.1工资管理子系统需求陈述 (3)2.2需求分析 (4)2.2.1功能需求 (4)2.2.2性能需求 (4)2.3系统需求建模 (5)2.3.1确定参与者 (6)2.3.2确定用例 (6)2.3.3系统用例建模 (6)2.3.4用例描述 (7)3.工资管理系统系统分析 (8)3.1系统用例建模 (9)3.2静态结构模型 (16)3.2.1类的识别 (16)3.2.2类的关联分析 (17)3.3.3类的属性描述 (18)3.3.4类的构建 (19)3.3系统动态模型 (19)3.3.1系统执行顺序分析 (19)3.3.2系统协作分析 (21)3.3.3系统状态分析 (22)3.3.4系统活动分析 (22)4.工资管理系统系统设计与实现 (24)4.1UML体系结构设计 (24)4.1.1硬件体系结构设计 (24)4.1.2软件体系结构设计 (25)4.2对象模型设计 (25)4.3系统实现 (25)4.3.1组件分析 (26)4.3.2配置分析 (28)5.课程设计心得体会 (28)参考文献 (29)1.选题背景随着社会的进步和计算机技术的发展,特别是微型计算机的大范围普及,现在应用在大中型企业的信息管理系统中,几乎都包括了工资管理模块。
有些环境中是有大型ERP软件中的一个模块引进的,有些作为企业的财务系统的一部分。
计算机处理的数据量不断增加。
文件管理系统采用的一次最多存取一个记录的访问方式,以及在不同文件之间缺乏相互联系的结构,越来越不能适应管理大量数据的需要,于是数据库管理系统便应运而生。
有了数据库我们便能方便快捷的对数据进行读取、存取,并维护数据库的数据。
但,西方管理制度设计的工资管理软件,在很多时候还不能完成解决中国特色中小企业的问题,本文介绍的毕业设计的研究工作就是要为这些具有中国特色的中小企业解决他们在工资管理方面的问题。
人员工资分摊是企业在进行成本核算和绩效评估时必不可少的环节,而利用Excel表格进行人员工资分摊是一种简便有效的方法。
下面将介绍一种常用的人员工资分摊表模板excel的使用方法。
一、表格基本信息在使用人员工资分摊表模板excel之前,首先需要明确表格的基本信息,包括表格的标题、日期、编制人等。
这些基本信息可以直接在表格顶部填写,并且在编制新表格时可以复制上一期的表格进行修改,以提高工作效率。
二、员工信息录入在表格中录入员工的基本信息,包括员工尊称、部门、职务、入职日期等。
可以通过Excel的数据录入功能,逐一录入员工的信息,并且可以设定数据验证规则,确保录入的信息准确无误。
三、薪酬信息录入在表格中录入员工的薪酬信息,包括基本工资、绩效工资、加班工资等。
可以设立公式,自动计算员工的薪酬总额,并且可以设置数据格式,使得表格更加清晰易读。
四、社保公积金分摊在表格中录入员工的社保和公积金分摊信息,包括养老保险、医疗保险、失业保险、工伤保险、生育保险、住房公积金等。
可以根据企业的相关政策和法规,确定员工的社保和公积金缴纳比例,并且通过公式计算出员工和企业各自需要缴纳的金额。
五、个人所得税计算在表格中根据员工的薪酬信息和个人所得税计算规则,计算出员工应缴纳的个人所得税额,并且可以设定相关公式,使得表格可以自动计算出个人所得税额。
六、部门费用分摊根据员工的部门信息,将员工的薪酬、社保公积金和个人所得税等费用按照部门进行分摊,可以通过Excel的筛选和按条件求和功能,将费用合理分摊到各个部门。
七、报表输出通过Excel的图表和数据透视表等功能,可以将人员工资分摊表中的数据进行汇总和分析,并且通过设置打印格式,将分析结果输出为报表,以供管理人员参考和决策。
使用人员工资分摊表模板excel可以使人力资源管理和财务管理工作更加便捷高效,同时也可以提高数据的准确性和可靠性,为企业的管理决策提供科学依据。
希望以上介绍的内容可以帮助大家更好地使用人员工资分摊表模板excel,提高工作效率和管理水平。
薪酬管理系统(示例)一、薪酬管理制度二、岗位价值评估表三、薪酬层级表四、各岗位年底奖金、月薪表五、各岗位月薪五级工资表六、各岗位固定工资、绩效工资表七、高管人员薪酬八、营销人员薪酬九、客服人员薪酬十、财务人员薪酬薪酬管理制度拟稿部门:董事会年月目录第一章总则 (3)第二章薪酬体系 ......................................... 第三章薪酬结构 ......................................... 第四章岗位绩效工资制.................................... 第五章市场工资加绩效制.................................. 第六章工资特区 ......................................... 第七章工资调整 ......................................... 第八章其他 ............................................. 第九章附则 .............................................第一章总则第一条适用范围本方案适用于章宁军商业智慧教育集团公司(董事长、总裁、总经理除外)的全体正式员工。
第二条目的制定本方案的目的是建立统一的薪酬平台,实现按价值付酬,促进内部公平,起到激励、吸引、留住人才的作用。
第三条原则薪酬作为分配价值形式之一,遵循公平性、竞争性、激励性、经济性、合法性的原则。
(一)公平性指公司员工所获得的薪酬应与对企业作出的贡献成正比,即与其岗位价值相匹配。
(二)竞争性是指与所在地区行业或同等规模的企业类似职务相比较,公司的薪酬标准要有吸引力。
(三)激励性是指在薪酬设计上,应考虑适当拉开各级、各岗的薪酬水准差距,以真正体现薪酬的激励效果,从而提升员工的工作积极主动性。
工资管理工资管理系统概述关于工资管理系统金蝶KIS工资管理系统由于采用了多类别管理,可进行多工资库的处理,可适应各类企业、科研单位与集团公司进行工资核算、工资发放、工资费用分配、银行代发等。
工资管理系统能及时反映工资动态变化,实现完备而灵活的个人所得税计算与申报功能,并提供丰富实用的各类管理报表。
本系统主要功能有:✓工资分类别管理✓银行代发✓计件工资✓计时工资✓个人所得税申报✓工资费用自动分配✓工资管理报表✓工资公式、过滤方案的共享✓工资基础数据引入引出和删除工资分类别管理KIS工资管理系统是按工资类别进行工资的核算及发放管理的,这样处理的作用如下:按类别进行处理,满足企业按不同标准分工处理和集权管理,资料相对独立于其他系统,依据不同权限进行不同类别操作,保证财务信息的安全性。
企业可分类分不同时期对工资进行处理(如正式职工、合同工,退休职工分不同类别处理,计算标准可不同)。
可对临时立项的工资项目进行计算。
满足企业分工的需要,可分类别进行工资数据的录入、计算、发放。
可将一个职工归入多类处理,满足企业多种工资核算(如某职工属于基本工资类,又属于销售提成类)。
支持明细部门与非明细部门人员的工资计算。
银行代发现在大部分的公司一般都不再发放工资现金,而是通过银行进行工资的发放,利用此功能,只需按银行的要求输出指定格式的文件,送交银行,即可完成工资的及时发放。
计件工资通过设置产品、产品工序,录入计件工资单,将计件工资数据自动传递到工资录入数据中,实现对计件工资的管理。
支持计件工资单序时簿、计件工资汇总表、计件工资明细表的查询。
计时工资通过设置工种,录入计时工资单,将计时工资数据自动传递到工资录入数据中,实现对计时工资的管理。
支持计时工资单序时簿、计时工资汇总表、计时工资明细表的查询。
个人所得税申报按照税法规定,员工的所得税均由实行公司代扣代缴,通过所得税的设置,可以轻松的完成员工个人所得税的申报、代扣代徼及汇算清缴义务。
第十三章工资系统1、简介工资系统可作为一个独立系统运行,适用于单位职工的工资发放、核算、汇总等需要,提供如下主要功能:●工资款项定义:根据各单位工资条的具体内容,用户可自行定义工资的具体款项。
●可随时进行部门、人员的增减维护工作,从而对不同部门、人员的工资进行增减变动。
●工资数据的录入和修改:可逐个对职工工资数据进行录入;可按给定的若干工资款项进行录入;可对某指定工资款项进行有规则的修改(如统一增减等〕;●灵活使用系统提供的公式定义功能,可将某些工资款项由定义的公式自动计算得到(如住房公积金、个人所得税、实发工资等〕,亦可完成扣零处理等特殊处理。
●对于每月工资入卡的单位,系统可定义银行所需的数据格式,自动生成上报银行的软盘数据。
●各种有关工资的表格可由用户灵活定义,只要预先设定了相应的打印格式。
可完成各种表格的打印输出,如工资明细表、汇总表、工资条、个人所得税表及住房公积金表等。
●系统具有按部门、按月汇总数据功能,帐务系统可直接从工资系统取数制凭证。
●系统提供丰富的查询功能,可按部门码或自定义条件查询。
●提供计算器、在线帮助等功能,2、登录:用户登录时,系统弹出如图所示登录对话框。
选择帐套,输入操作员及其口令并确认即可。
帐套和用户名可在下拉列表中选取,也可在编辑区直接输入;口令为最多8个字符。
若输入不正确将不能登录成功。
●系统开始运行首先弹出登录对话框,用户必须首先完成用户登录操作。
●若系统运行中需重新登录,必须退出当前所有操作、及活动窗口。
选择系统“登录”菜单项,进行重新登录操作。
登录完成后,系统重新赋予操作员管理中定义的该操作员的相应权限。
若忘记用户口令,请与系统管理员联系。
1263、操作员管理及权限设置为实现工资数据的保密性,避免无关人员进入系统修改工资数据,在初次使用工资系统时必须将有权操作该系统的人员登记到系统中。
该操作由系统管理员完成。
操作员管理在如图1-2口令:为操作员设置的操作密码,口令不可见。
家庭收支明细表格-范文模板及概述示例1:家庭收支明细表格是一种记录家庭财务状况的工具,通过该表格可以清晰地了解家庭每月的收入和支出情况。
它对于理智管理家庭财务、合理分配家庭预算、控制开支和实现理财目标至关重要。
以下是一份典型的家庭收支明细表格示例:月份收入支出结余-一月5000 3500 1500二月5500 4000 1500三月4800 3800 1000四月5200 4500 700五月6000 3500 2500在这个例子中,每月收入和支出都被列出,并计算出了结余。
这种表格可以在每个月结束时进行更新,以确保家庭财务的实时掌握。
在收入列中,可以包括所有家庭成员的工资、股息、奖金以及其他额外的收入来源。
在支出列中,可以包括房租、水电费、食品、交通、娱乐、医疗费用等家庭支出项目。
此外,还可以添加其他分类,以便更好地跟踪支出情况。
这个家庭收支明细表格的目的是为了提供一个全面的财务概览,让家庭成员了解他们的资金状况以及是否有必要进行调整。
通过对该表格的定期检查和分析,家庭可以制定相应的预算,以便更好地控制开支并实现自己的理财目标。
此外,家庭收支明细表格还可以用于比较不同月份之间的收支情况,以及与过去的年度数据进行对比。
这样可以帮助家庭发现潜在的开支问题,并采取相应的措施进行调整。
总之,家庭收支明细表格是家庭理财不可或缺的工具。
它可以帮助家庭全面了解自己的资金状况,及时调整财务策略,并实现自己的理财目标。
因此,对于每个家庭来说,建立并维护这样一份表格都是非常重要的。
示例2:家庭收支明细表格是一种记录家庭经济状况的工具,可以帮助我们更好地管理和控制家庭资金的流动。
本文将介绍家庭收支明细表格的作用、表格的设计和使用方法。
首先,家庭收支明细表格的作用十分重要。
家庭是一个小社会,每个成员都有自己的开支和收入,通过记录家庭的收支情况,我们能够更加清晰地了解每个成员的消费习惯和实际财务状况,从而制定合理的理财计划。
员工工资管理系统-权限设计及分配管理摘要:我们小组的课程设计是某公司的工资管理系统。
在这个计算机快速发展的世界里,计算机为信息处理提供了物美价廉的手段,对于推动我国管理信息处理现代化起到了重要作用。
工资管理是一项琐碎、复杂而又十分细致的工作,工资计算、发放、核算的工作量很大,一般不允许出错,如果实行手工操作,每月发放工资须手工填制大量的表格,这就会耗费工作人员大量的时间和精力,计算机进行工资发放工作,不仅能够保证工资核算准确无误、快速输出,而且还可以利用计算机对有关工资的各种信息进行统计,既方便又快捷地完成员工工资的发放。
关键词工资管理系统,Access数据库,JavaAbstract:Applying the function idea to the mathematics teaching process in junior high school is conducive to improving students’ thinking qualities and developing students’ ability of mathematical modeling, which can lay the foundation for further studying about the advanced mathematics in the future. The paper first states the current situation of function learning in junior high school. Afterwards, it indicates how functional idea is embodied in mathematics in junior high school. Finally, it discusses the extensive use of functional idea in problem-solving in junior high school by illustrating several specific examples and thus suggests the importance of applying the functional idea to mathematical education in junior high school.Keywords:Middle school mathematics;Functional idea;Mathematical education我们组在课程设计过程中根据设计中的需求及对工资管理系统采用了模块化的设计思想,在机房我们在Windows XP操作系统环境下,采用myeclipse7作为开发工具,主要连接Access数据库来实现公司的工资管理系统的主要功能。
薪酬管理系统薪酬管理系统〔例如〕一、薪酬管理制度二、岗位价值评价表三、薪酬层级表四、各岗位年底奖金、月薪表五、各岗位月薪五级工资表六、各岗位固定工资、绩效工资表七、高管人员薪酬八、营销人员薪酬九、客服人员薪酬十、财务人员薪酬薪酬管理制度拟稿部门:董事会年月目录第一章总那么 .......................................................................................... 第二章薪酬体系 ...................................................................................... 第三章薪酬结构 ...................................................................................... 第四章岗位绩效工资制 .......................................................................... 第五章市场工资制 .................................................................................. 第六章工资特区 ...................................................................................... 第七章工资调整 ...................................................................................... 第八章其他 .............................................................................................. 第九章附那么 ..........................................................................................第一章总那么第一条适用范围本方案适用于长松咨询公司〔董事长、总裁、总经理除外〕的全体正式员工。