链轮设计制造
- 格式:doc
- 大小:120.50 KB
- 文档页数:7
第七章 链传动§7-1 链传动的特点和应用1.组成:链传动由装在平行轴上的主动链轮、从动链轮和绕在链轮上的链条组成。
工作时,靠链条链节与链轮轮齿的啮合带动从动轮回转并传递运动和动力。
2.特点:1)由于链传动属于带有中间挠性件的啮合传动,所以可获得准确的平均传动比;2)与带传动相比,链传动预紧力小,所以链传动轴压力小,而传递的功率较大,效率较高,链传动还可以在高温、低速、油污等情况下工作;3)与齿轮传动相比,两轴中心距较大,制造与安装精度要求较低,成本低廉。
4)链传动运转时不能保持恒定的瞬时传动比和瞬时链速,所以传动平稳性较差,工作时有噪音且链速不宜过高。
3.应用:适用于中心距较大,要求平均传动比准确的场合。
传动链传递的功率一般在100kW 以下,最大传动比8max i ,链速不超过15m/s 。
本章主要讨论滚子链。
§7-2 传动链的结构特点一.滚子链滚子链是由滚子1、套筒2、销轴3、内链板4和外链板5组成。
内链板和套筒之间、外链板与销轴之间分别用过盈联接固联。
滚子与套筒之间、套筒与销轴之间均为间隙配合。
当内、外链板相对挠曲时,套筒可绕销轴自由转动。
滚子活套在套筒上,工作时,滚子沿链轮齿廓滚动,减轻了齿廓的磨损。
链的磨损主要发生在销轴与套筒的接触面上。
因此,内、外链板间应留少许间隙,以便润滑油渗入销轴和套筒的摩擦面间。
内、外链板制成8字形,是为了使链的各剖面具有相近的抗拉强度,也可减轻链的质量和运动时的惯性力。
传动链使用时首尾相连成环形,当链节数为偶数时,接头处可用内、外链板搭接,插入开口销或弹簧夹锁住。
若链节为奇数,需采用一个过渡链节才能首尾相连,链条受拉时,过渡链节将受附加弯矩,所以应尽量采用偶数链节的链条。
滚子链与链轮啮合的基本参数是节距p 、滚子外径d 1和内链节内宽b 1。
其中,节距是滚子链的主要参数。
节距增大时,链条中各零件的尺寸也要相应增大,可传递的功率也随之增大。
1.链轮传动的选型设计
1.1链传动常用于中心距较大、多轴、平均传动比要求准确、传动环境恶劣、也可用于低速重载传动。
在变位机设计中由于考虑到电机与减速机的安装空间受制约时,也常选用链传动方式。
在链传动系统设计中,必需要考虑到链条在装配过程中能够调节。
具体设计如下:
a、传动比(i)的计算:
根据输入输出转速计算出传动比i = n1/n2
b、确定小链轮的齿数(Z1):
Z1min≈9+0.2p 推荐:Z1 = 29-2i
此外链速与齿数的选用关系如下表
c、计计算功率:
Pc = K A×P
特定条件下单排链条传递功率P O = Pc /K P、K Z
(P为链条传递功率K A、K P、K Z可由设计手册查取)
d、由设计手册查得链号及节距p
e、链轮设计:
d = p / Sin(180/Z)
da = p{0.54 + Cos(180/Z)} df = d –dr
dg ≤p / Cos(180/Z)- 1.04h2 -0.76
b f = 0.95b1
b a = (0.1~0.15)p
r x ≥ p
r a = 0.04p M R = d Cos (90/Z )+ d R )
(d 为分度圆直径 df 为齿根圆直径 da 为齿顶圆直径 dg 为齿顶圆直径 p 为链轮节距 Z 为齿数 h 2为内链板高度 b f 为齿宽 b 1为内链节内宽 ba 为倒角宽 r x 为倒角半径 ra 为齿侧凸缘圆角半径 M R 为量柱测量距)
1.2 链轮的固定:如下图
方案一:加挡片
方案二:
用螺母
顶紧。
链轮和链条设计流程下载温馨提示:该文档是我店铺精心编制而成,希望大家下载以后,能够帮助大家解决实际的问题。
文档下载后可定制随意修改,请根据实际需要进行相应的调整和使用,谢谢!并且,本店铺为大家提供各种各样类型的实用资料,如教育随笔、日记赏析、句子摘抄、古诗大全、经典美文、话题作文、工作总结、词语解析、文案摘录、其他资料等等,如想了解不同资料格式和写法,敬请关注!Download tips: This document is carefully compiled by theeditor. I hope that after you download them,they can help yousolve practical problems. The document can be customized andmodified after downloading,please adjust and use it according toactual needs, thank you!In addition, our shop provides you with various types ofpractical materials,such as educational essays, diaryappreciation,sentence excerpts,ancient poems,classic articles,topic composition,work summary,word parsing,copy excerpts,other materials and so on,want to know different data formats andwriting methods,please pay attention!链轮和链条设计流程。
1. 确定传递功率和速度要求。
确定通过链轮和链条传输的功率和速度要求,包括:输入功率(千瓦)。
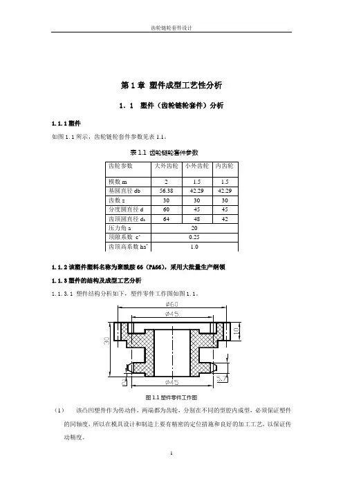
第1章塑件成型工艺性分析1.1 塑件(齿轮链轮套件)分析1.1.1塑件如图1.1所示,齿轮链轮套件参数见表1.1。
表1.1 齿轮链轮套件参数1.1.2该塑件塑料名称为聚酰胺66(PA66),采用大批量生产纲领1.1.3塑件的结构及成型工艺分析1.1.3.1 塑件结构分析如下,塑件零件工作图如图1.1。
图1.1塑件零件工作图(1)该凸凹塑件作为传动件,两端都为齿轮,分别在不同的型腔内成型,必须保证塑件的同轴度,所以在模具设计和制造上要有精密的定位措施和良好的加工工艺,以保证传动精度。
(2)该塑件外形是阶梯齿轮零件,在圆柱齿轮上有侧向凸凹。
1.1.3.2 成型工艺分析如下。
(1)精度等级。
采用一般精度7级。
(2)脱模斜度。
塑件壁厚哟为2.5mm,其脱模斜度查参考文献其脱模斜度40`到1度30分。
由于塑件没有特殊狭窄细小部位,所用塑料为PA66,流动性极好,注射流畅,所以塑件外形没有放脱模斜度,同时为了保证齿轮传动齿面接触强度,齿轮轮齿不放脱模斜度,轴孔也不放脱模斜度。
1.2 热塑性材料(PA66)的注射成型过程及工艺参数1.2.1 注射成型过程(1)成型前的准备。
对PA66的色泽、细度和均匀度等进行检查。
由于PA66容易吸湿,成型前应进行充分的干燥,使水分含量<0.3%。
(2)注射过程。
塑料在注射机料筒内经过加热、塑化达到流动状态后,由模具的浇注系统进入模具型腔成型,其过程可以分为冲模、压实、保压、倒流、和冷却5个阶段。
(3)塑件的后处理。
采用调湿处理,其热处理条件查参考文献有处理介质为油;处理温度为120度;处理时间为15分钟。
1.2.2 PA66的注射工艺参数(1)注射机:螺杆式(2)螺杆转速(r/min):20~50(3)料筒温度(℃):后段240~250中段260~280前段255~265(4)喷嘴温度(℃):250~260;喷嘴形式:自锁式。
(5)模具温度(℃):60~120。
(6)注射压力(MPa):80~130。
链轮设计简介链轮是一种常用的机械传动元件,通常由钢材制成,用于将动力传递给链条。
链轮的设计对机械传动的效率和稳定性起着重要的作用。
本文将介绍链轮设计的基本原理和要点。
链轮的基本结构链轮通常由轮辐、轮夹、轮盘等组成。
轮辐是链轮的主体部分,从链轮的中心向外延伸,用于传递动力。
轮夹是一种固定在轮辐上的环形零件,用于固定链条。
轮盘是链轮的外部边缘,与链条的齿相接触。
链轮的设计要点在链轮的设计过程中,有几个关键要点需要考虑。
齿数和模数的选择链轮的齿数和模数的选择直接影响链轮的传动效率和噪音水平。
更多的齿数通常可以提高传动效率,但也会增加噪音。
模数的选择则需要综合考虑切向载荷和齿面接触强度。
齿形设计链轮的齿形设计是确保链条正常工作的关键。
合理的齿形设计可以减少链条在链轮上的滑移和磨损,提高传动效率和使用寿命。
材料选择链轮通常采用高强度的钢材制作,以满足其在高速运行时的载荷要求。
合适的材料选择可以提高链轮的强度和耐磨性。
工艺要求链轮的制造工艺对链轮质量和性能的影响很大。
合理的工艺要求包括热处理、加工精度和表面处理等。
动平衡在链轮运转时,由于不可避免的制造误差或材料不均匀性等因素,链轮可能会产生振动。
动平衡是确保链轮运行平稳的关键措施之一。
设计案例分析以下是一个简单的链轮设计案例分析:假设需要设计一个用于自行车的链轮。
首先,根据实际需求确定链轮的齿数和模数。
假设齿数为50,模数为5mm。
根据齿数和模数,我们可以计算出链轮的直径为250mm。
接下来,进行齿形设计。
根据链条的要求和传动效率的要求,选择合适的齿形参数,如压力角、齿高、齿宽等。
然后,选择合适的材料。
对于自行车链轮来说,通常选择高强度的钢材。
最后,制定适当的工艺要求,如热处理、加工精度和表面处理等。
结论链轮设计是机械传动的关键环节之一。
通过合理的齿数和模数选择、齿形设计、材料选择和工艺要求,可以提高链轮的传动效率、使用寿命和平稳性。
本文介绍了链轮设计的基本原理和要点,并通过一个简单的设计案例分析进行了说明。
第一级传动主传动及二级传动链第二级传动一、链轮Z1的设计计算:1)材料选择:采用45#调质处理表面硬度40-50HRC2)分度圆直径:d=p/(sina180°/z)=19.05/(sina180°/25)=151.995(mm)3)齿顶圆直径:d ad amax=d+1.25p-d1=151.995+1.25×19.05-11.91=163.8975(mm) (查表:d1=11.91)d amin=d+(1-1.6/z1)p-d1=151.995+(1-1.6/25) ×19.05-11.91=157.9158(mm)取d a=1600-0.03(mm)4)f:d f=d-d1=151.995-11.91=140.085(mm)5)分度圆弦齿高:h ah amax=(0.625+0.8/z1)p-0.5d1=(0.625+0.8/25)×19.05-0.5×11.91=6.561(mm)h amin=0.5(p- d1)=0.5×(19.05-11.91)=3.570(mm)a6)L xL x=dcos(90°/z1)-d1=151.995×cos(90°/25)-11.91=139.785(mm)7)齿侧凸缘直径:d g (查表:h为链的内连扳高度;h=18.08)d g=pcot(180°/z1)-1.04h-0.76=19.05×cot(180°/25)-1.04×18.08-0.76=131.233(mm);取d g =131mm8)齿侧圆弧半径:r er emax=0.008d1(180+z12)=0.008×11.91×(180+252)=76.7004(mm)r emin=0.12d1(2+z1)=0.12×11.91×(2+25)=38.5884(mm)9)滚子定位圆弧半径:r ir imax=0.505d1+0.069 =0.505×11.91+0.069×3√11.91=6.172(mm)r imin=0.505d1=0.505×11.91=6.015(mm)10)滚子定位角:ααmax=140°-90°/z1=140°-90°/25=136.4°αmin=120°-90°/z1=120°-90°/25=116.4°11)齿宽:b f1 (b1内链节内宽)b f1=0.95b1=0.95×12.57=11.9415(mm)12)齿侧倒角:b ab a=0.13p=0.13×19.05=2.4765(mm)13)齿侧半径:r xr x=p=19.05(mm)14)齿全宽:b fm (m排数)b fm=(m-1)p t+ b f1=(1-1)p t+11.9415=11.9415(mm)15)轴毂厚度:h(假设轴孔为50mm,<152mm范围内取值)h=K+d k/6+0.01d=9.5+ d k/6+0.01×151.995=19.353(mm)16)轮毂长度:ll max=3.3h=3.3×19.353=63.866(mm)l min=2.6h=2.6×19.353=50.319(mm)17)轮毂直径:d hd h=d k+2h=50+2×19.353=88.706(mm)二、Z1对应轴的设计计算1)材料选45#,Mp(空心轴)2)按需用应力计算轴的直径:d (T=9550P/n=9550×0.24/30=76.4(Nm),M=考虑链传动在轴上产生的弯矩)=2.648×1.3=3.5(mm) 查表得1.3。
节距p: 链节销轴中心距离4-7 滚子链与链轮 一、滚子链结构链链条长度以节数表示,工作时接成环形为避免过渡链节,一般取偶数个链节接头固定方式:开口销、钢丝卡簧一、滚子链结构单排滚子链双排滚子链4-7 滚子链与链轮 一、滚子链结构滚子链的装配链结构链结构基本参数:节距p 、滚子直径d 1、链节节数、内链节内宽b 1、多排链排距p t 链号排数×整链链节数标准号滚子链的标记:例:08A -1×86 GB1234.1-83滚子链基本参数与尺寸参见表4-9(GB1243.1-1983)子链链轮z p d p d p z t 180sin :)2():(;)1(1 链轮直径、排距、滚子直径节距配用链条参数链轮齿数二、滚子链链轮1基本参数滚子链轮主要尺寸见表4-10(GB1244-1985)子链链轮2 链轮齿形(1)基本要求:①链条顺利啮入、退出;②加工方便、受力均匀、不易脱链;①端面齿形:凹齿廓(三圆弧、一直线)(2)齿形(GB1244-1985)链链轮链链轮轴面齿形:圆弧、直线组合②滚子链轮轴向齿廓参数见表4-11(GB1244-1985);绘图时只画轴向齿形,但须注明标准号以便选择标准道具加工凹齿形。
3 链轮的材料满足强度、耐磨性、经济性(见表4-12), 常用:35, 45,ZG310-570, 15Gr, 20Gr, 40Gr,35SiMn链链轮中碳钢低速轻载中碳钢淬火中速中载低碳钢或低碳合金钢渗碳淬火中碳钢或中碳合金钢表面淬火高速重载* 小链轮的材料应好于大链轮链链轮。
链轮的结构范文链轮是传动机构中常见的零部件,用于传递力量和运动。
它由齿轮、链条和齿条组成,具有可靠性高、传动效率高等特点,广泛应用于机械设备中。
一、链轮的结构类型根据不同的工作条件和传动要求,链轮可以分为多种结构类型。
常见的链轮结构类型有以下几种:1.普通链轮:普通链轮的齿轮和链条直接连接,适用于传递速度比较慢、功率较小的场合,例如家用自行车等。
2.闭式链轮:闭式链轮是将链条完全包覆在链轮内部的结构形式,适用于工作环境恶劣、要求密封性好的场合,常见于煤矿等行业。
3.通孔链轮:通孔链轮是将链条穿过齿轮的孔洞进行传动,适用于需要经常更换链条的场合,例如一些装配线上的设备。
4.加强链轮:加强链轮在普通链轮的基础上增加了圆螺纹孔,在齿轮上安装与之相对应的螺钉,使链条与齿轮之间的传动更加可靠。
5.多齿链轮:多齿链轮是将多个齿轮进行联动,共同传递运动和力量的一种链轮结构,多用于要求传动精度高的场合,例如工作机床等。
6.双链链轮:双链链轮是通过两条链条同时传动的链轮结构,适用于需要传递大功率和扭矩的场合,例如大型起重设备。
7.变速链轮:变速链轮是通过在链轮上设置多个齿轮组合,来实现不同速度比的传动,适用于需要变速传动的场合。
8.其他特殊链轮:根据具体的传动要求和使用环境,还可以设计出一些特殊结构形式的链轮,例如曲柄链轮、传感器链轮等。
二、链轮的制造工艺链轮的制造工艺一般包括以下几个步骤:1.材料选择:链轮一般采用钢材、铸铁等材料制造,根据具体的应用场合和要求选择合适的材料。
2.切割齿轮:根据设计要求,在材料上进行齿轮的切割加工,常见的切割方式有铣削、切割和锻打等。
3.加工孔洞:根据链条的规格和尺寸,在齿轮上加工孔洞,以便链条能够穿过齿轮进行传动。
4.热处理:通过加热和冷却等工艺,对链轮进行热处理,提高其硬度和强度,以确保传动可靠。
5.表面处理:链轮的表面一般会进行镀锌、镀铬等处理,以增加其防腐蚀性和美观性。
6.装配:按照设计要求,将齿轮、链条和其他附件进行装配,形成完整的链轮传动系统。
链轮的基本参数链轮的基本参数链轮是链传动中的重要零件,链轮齿形、节距等与链条相关尺寸加工是否正确,将直接关系到链条的使用寿命。
因此,必须给于足够的重视。
一、链轮材料的选择对于不需要热处理的片式链轮,可采用Q235、Q345(16Mn)、或10、20钢制造。
一般硬度在HBI40以下,适于中速、中等功率、较大的链轮加工。
要求热处理的链轮一般选用45钢、45钢锻造、45铸钢或4OCr钢加工,适用于受力较大重要场合与高强度链条配套的主、从动链轮的加工。
铸铁链轮主要应用在精度要求不高或外形复杂的链轮,如环链轮等。
二、链轮的基本参数I、Z-齿数,2、P-链条节距,3、d-滚子直径,4、d分一分度圆直径,5、d顶一顶圆直径,6、d根一齿根圆直径,7、一节距角8 Q一压力角,R一齿沟圆弧半径。
前三个参数为用户提供的重要数据,后序参数为链轮设计参数可参照有关标准计算。
三、常见链轮的形状与结构通常,链轮是由齿圈、轮毅和轮幅三部分组成。
常见链轮形状有1. 单片式单双排链轮。
2. 单凸缘式单双排链轮。
3. 双凸缘式单双排链轮链轮的结构大致有1•整体结构。
一般应用在标准链条P=38.1以下的单、双排,单、双凸缘链轮的加工。
2•焊接结构。
主要应用在中、大规格单、双凸缘链轮的加工。
加工时,凸缘部分采用棒料车成凸形。
齿圈部分可采用板材切割后加工外径与轴孔,孔一端车出焊接坡口套入凸缘部分进行焊接。
焊接时要两端焊,采用低氢焊条如T506焊条等。
3. 铸造链轮。
主要应用在大型链轮的加工,加工时只加工齿圈、凸缘两端面、外径和内径及键槽,然后再加工齿形。
环链轮都是铸造的。
铸造链轮的材料一般有两种,铸铁和铸钢如HTI50、HT2O0和ZG310-570(ZG45)。
4. 锻造链轮。
主要应用在受力较大的中、大规格链轮的生产上。
锻造时,不管是单凸缘式或双凸缘式,一般都锻成凸形,轴孔留出足够的加工余量,材料利用率较低,成本高。
四、链轮齿形的几何形状与设计原则1. 链轮齿形的几何形状:常见链轮的几何形状有三圆弧一直线形、两圆弧一直线形、两圆弧凸齿形、一圆弧一直线形、齿槽中心有偏移的直线齿形和直线齿形。
三圆弧一直线链轮参数链轮是机械传动系统中常用的组件之一,它通过与链条连接,实现了力的传递和转动的功能。
而在链轮的设计与选择中,有一个重要的参数就是三圆弧。
接下来,我们将会详细介绍三圆弧的概念、作用以及如何正确选择三圆弧的参数。
首先,让我们来了解什么是三圆弧。
三圆弧是指链轮齿廓的设计中,齿廓与链条的接触点处形成了三个相邻的圆弧。
这三个圆弧分别为接触圆弧、进入圆弧和离开圆弧。
接触圆弧用于链条与链轮的传递力矩,进入圆弧和离开圆弧则用于链条的进出。
接下来,我们来了解三圆弧的作用。
首先,接触圆弧的设计要合理,可以减小链条对链轮的冲击,降低传动噪声,延长链条和链轮的使用寿命。
此外,进入圆弧和离开圆弧的设计要平滑,可以减少链条的过载和摩擦损耗,提高传动效率。
要正确选择三圆弧的参数,需要根据实际应用场景和需求进行综合考虑。
首先,要考虑链条的类型和尺寸,因为不同类型和尺寸的链条对三圆弧的要求有所不同。
其次,要考虑链轮的材质和硬度,因为材质和硬度的不同也会对三圆弧的参数有所影响。
另外,还要考虑传动效率、噪声、寿命等因素,选择合适的三圆弧参数能够最大程度地满足这些要求。
在选择三圆弧参数时,还需要注意一些基本原则。
首先,要选择合适的接触圆弧半径,一般情况下,接触圆弧半径应选择为链条侧板高度的1.2倍左右。
其次,进入圆弧和离开圆弧的半径要适当,过小会增加链条的压力和噪音,过大则会影响链条的进出。
此外,还要注意三个圆弧的过渡区域,过渡要平滑,避免出现突变。
综上所述,三圆弧是链轮设计中重要的参数之一,它能够影响到链条与链轮的传动效率、噪声和寿命等方面。
正确选择三圆弧的参数,不仅能提高链轮传动系统的性能,还能延长链条和链轮的使用寿命。
因此,在进行链轮设计和选择时,我们应该根据实际需求和场景,综合考虑各种因素,选择合适的三圆弧参数,从而实现最佳的传动效果。
滚子链链轮制造技术要求1.常用材料及热处理2.链轮的主要尺寸3.链轮齿形4.链轮精度要求5.链轮的结构6.链传动的安装要求7.链传动的润滑8.链轮的技术要求9.链轮的检验1.常用材料及热处理材料应保证轮齿具有足够的耐磨性和强度。
小链轮采用比大链轮好的材料,克服齿啮合次数多、冲击比大链轮严重的现象。
一般为中碳钢淬火处理;高速重载用低碳钢渗碳淬火处理;低速时也可用铸铁等温淬火处理;小链轮对材料的要求比大链轮高(当大链轮用铸铁时,小链轮用钢)。
对端面有相对运动工况工作的链轮,建议增加零件端面表面硬度,提高零件耐磨性能。
推荐材料和热处理工艺如下:①.45#钢:调质硬度28HRC+齿面、端面表面淬火硬度45~48HRC。
②.40Cr:正火硬度220HB+多功能炉整体淬火硬度45~48HRC。
提高零件表面硬度,增加耐磨性能。
推荐常用材料如下:2.链轮的基本参数和主要尺寸GB/T1243—2006国家标准规定了链轮的主要参数和主要尺寸。
见图1。
图1 链轮尺寸示意图 主要参数和主要尺寸见表所列。
注: 齿顶圆d a 、d g取整数,其它尺寸精确到0.01mm。
3.链轮齿形链轮的齿形保证链条能顺利的进入和退出与轮齿的啮合,使其不易脱链。
3.1.端面齿形GB/T1243—2006国家标准的规定链轮齿形, 链轮端面的齿形:二圆弧齿形、三圆弧-直线齿形,见图2。
推荐采用“三圆弧一直线” 的齿形。
齿廓上aa、ab、cd为三段圆弧,半径依次r1 、r2 、r3;bc为直线段。
见图3。
图2 齿槽形状图3 三圆弧一直线齿槽形状3.2.剖面齿廓GB/T1243—2006国家标准的规定链轮剖面齿廓:圆弧+直线。
见图4。
图4 剖面齿廓4.链轮精度要求5.链轮的结构链轮的结构见图5。
小直径链轮可做成整体式; 中等直径链轮多用孔板式;大直径链轮可制成焊接、螺纹连接组合式, 齿圈与轮心可用不同材料制造。
图5 链轮的结构焊接式大链轮在焊接时,推荐采用对接焊缝结构见图6。
三圆弧一直线链轮参数链轮是用于传动的重要元件之一,一般采用圆弧齿廓设计,通过链条与其他链轮进行传动。
下面将介绍三圆弧一直线链轮的参数。
首先,我们来介绍齿面参数。
齿面参数是链轮设计中最关键的参数之一,它决定了链条与链轮之间的嵌合程度。
对于三圆弧一直线链轮来说,齿面参数可以分为以下几个方面。
1.齿距:齿距是指相邻两齿之间的距离。
在三圆弧一直线链轮中,齿距是根据链条规格和链节长度来确定的。
通常情况下,齿距应大于链节长度,以确保链条能够正常运行。
2.齿数:齿数是链轮上的齿的数量。
对于三圆弧一直线链轮来说,齿数通常根据传动比和工作环境来确定。
在传动比确定的情况下,齿数越多,链轮直径越大,传动效率越高。
但是齿数过多也会增加制造成本和重量。
3.压力角:压力角是链轮齿面上齿廓与齿轮轴线的夹角。
在三圆弧一直线链轮中,通常采用20度的压力角。
较小的压力角可以减小齿面载荷和齿面磨损,提高传动效率。
4.齿形:三圆弧一直线链轮的齿形可以通过齿距系数和偏心率来描述。
其中,齿距系数是指齿距与齿数的比值,偏心率是指链条中心线与齿轮轴线的距离。
通过调整齿距系数和偏心率,可以改变链条与链轮的嵌合特性。
其次,我们来介绍链条参数。
链轮的设计需要与链条相匹配,因此链条参数也需要考虑在内。
1.链节长度:链节长度是链条上相邻两个销轴中心的距离。
在三圆弧一直线链轮中,链节长度需要与齿距相匹配,以确保链条能够正常运行。
2.销轴直径:销轴直径是链条上销轴的直径。
在三圆弧一直线链轮中,销轴直径需要与链条孔径相匹配,以确保链条能够嵌入链轮。
最后,我们来介绍链轮的几何参数。
1.链轮直径:链轮直径是链轮的外圆直径。
在三圆弧一直线链轮中,链轮直径需要根据齿数和齿距来计算。
较大的链轮直径可以提高传动效率,但也会增加体积和重量。
2.清除角:清除角是链轮齿顶与链条内侧之间的夹角。
在三圆弧一直线链轮中,清除角一般为0度,以确保链条能够正常运行。
以上就是三圆弧一直线链轮的参数介绍。
链条的传动原理介绍及SolidWorks制作过程一、链传动概述链传动由两个链轮和绕在两轮上的中间挠性件——链条所组成。
靠链条与链轮之间的啮合来传递两平行轴之间的运动和动力,属于具有啮合性质的强迫传动。
其中,应用最广泛的是滚子链传动。
图链传动简图图链条实物与带传动、齿轮传动相比,链传动的主要特点是:没有弹性滑动和打滑,能保持准确的平均传动比,传动效率较高(封闭式链传动传动效率=0.95~0.98);链条不需要象带那样张得很紧,所以压轴力较小;传递功率大,过载能力强;能在低速重载下较好工作;能适应恶劣环境如多尘、油污、腐蚀和高强度场合。
但链传动也有一些缺点:瞬时链速和瞬时传动比不为常数,工作中有冲击和噪声,磨损后易发生跳齿,不宜在载荷变化很大和急速反向的传动中应用。
图滚子链结构滚子链由内链板1、外链板2、销轴3、套筒4和滚子5组成。
销轴3与外链板2、套筒4与内链板1分别用过盈配合联接。
而销轴3与套筒4、滚子5与套筒4之间则为间隙配合,所以,当链条与链轮轮齿啮合时,滚子与轮齿间基本上为滚动摩擦。
套筒与销轴间、滚子与套筒间为滑动摩擦。
链板一般做成8字形,以使各截面接近等强度,并可减轻重量和运动时的惯性。
链传动的使用范围是:传动功率一般为100kW以下,效率在0.92~0.96之间,传动比i不超过7,传动速度一般小于15m/s。
滚子链是标准件,其主要参数是:链节距p,它是指链条上相邻两销轴中心间的距离。
GB1243.1-83规定滚子链分A、B两个系列。
表中的链号数乘以25.4/16即为节距值,表中的链号与相应的国际标准一致。
滚子链的标记方法为:链号-排数×链节数,标准编号。
例如16A-1×80GB1243.1-83,即为按本标准制造的A系列、节距25.4mm、单排、80节的滚子链。
链条除了接头和链节外,各链节都是不可分离的。
链的长度用链节数表示,为了使链条连成环形时,正好是外链板与内链板相连接,所以链节数最好为偶数。
链轮设计步骤范文链轮是指用于链传动的转动部件,通常由金属材料(如钢铁、铝合金等)制成,具有坚固耐用、传动效率高等特点。
链轮设计是指根据特定传动要求和实际工作条件,对链轮的外形、尺寸、材料等进行合理设计。
下面将介绍链轮设计的一般步骤。
1.确定传动要求:首先需要明确设计链轮所需的传动参数,包括传动比、传动功率、转速、工况条件等。
这些参数可以根据所连接轴的类型、工作负荷以及速度等要素来确定。
2.选择链条类型:根据传动要求和工作条件,选择合适的链条类型。
常见的链条类型包括滚子链、丝网链、牵引链、滑动链等。
不同类型的链条有不同的结构设计要求。
3.计算链条尺寸:根据选定的链条类型和传动参数,计算链条的尺寸。
包括链节宽度、链条节距、链节厚度等。
这些参数决定了链轮轮槽的尺寸。
4.确定链轮参数:根据链条的尺寸和传动要求,确定链轮的参数。
包括链轮的齿数、模数、公法线节距等。
其中链轮的齿数决定了链轮的直径和周长,影响传动效率和载荷分布。
5.选择材料:根据链条的工作条件和要求,选择合适的材料。
链轮通常使用的材料为优质碳素钢、合金钢或灰铸铁,其硬度、强度和耐磨性要满足链条传动的工作要求。
6.设计链轮齿形:根据链条的尺寸和链轮的参数,绘制链轮的齿形。
链轮齿形的设计考虑到链条与齿轮的啮合性能,使得链条能够顺利地在链轮上运动,减少链条的疲劳损伤和噪音。
7.设计轮毂:链轮的中心部分是链条连接的位置,称为轮毂。
轮毂设计需要考虑到链轮与轴的连接方式和传动的稳定性,一般采用键槽、螺栓连接或焊接等方式。
8.确定链轮的轴孔尺寸:根据实际使用情况和连接的轴径,确定链轮的轴孔尺寸。
轴孔尺寸要满足链轮与轴之间的配合要求,保证传动的可靠性和稳定性。
9.优化设计:在设计完初步的链轮尺寸和参数后,进行优化设计。
通过分析链轮的应力、载荷等情况,对链轮的结构和尺寸进行调整,以提高链轮的强度、刚度和寿命。
10.绘制图纸和加工制造:最后一步是根据设计结果绘制链轮的详细图纸,包括链轮的三维模型、剖视图、尺寸标注等。
链轮设计与机械加工
链轮是链传动中的重要零件,链轮齿形、节距等与链条相关尺寸加工是否正确,将直接关系到链条的使用寿命。
因此,必须给于足够的重视。
一、常见链轮的形状与结构
通常,链轮是由齿圈、轮毅和轮幅三部分组成。
常见链轮形状有:
1.单片式单双排链轮。
2.单凸缘式单双排链轮。
3。
双凸缘式单双排链轮。
链轮的结构大致有:1.整体结构。
一般应用在标准链条P=38.1以下的单、双排,单、双凸缘链轮的加工。
2.焊接结构。
主要应用在中、大规格单、双凸缘链轮的加工。
加工时,凸缘部分采用棒料车成凸形。
齿圈部分可采用板材切割后加工外径与轴孔,孔一端车出焊接坡口套入凸缘部分进行焊接。
焊接时要两端焊,采用低氢焊条如T506焊条等。
3.铸造链轮。
主要应用在大型链轮的加工,加工时只加工齿圈、凸缘两端面、外径和内径及键槽,然后再加工齿形。
环链轮都是铸造的。
铸造链轮的材料一般有两种,铸铁和铸钢如HTl5O、HT2O0和ZG310-570(ZG45)。
4. 锻造链轮。
主要应用在受力较大的中、大规格链轮的生产上。
锻造时,不管是单凸缘式或双凸缘式,一般都锻成凸形,轴孔留出足够的加工余量,材料利用率较低,成本高。
二、链轮材料的选择
对于不需要热处理的片式链轮,可采用Q235、Q345(16Mn)、或10、20钢制造。
一般硬度在HBl40以下,适于中速、中等功率、较大的链轮加工。
要求热处理的链轮一般选用45钢、45钢锻造、45铸钢或4OCr钢加工,适用于受力较大重要场合与高强度链条配套的主、从动链轮的加工。
铸铁链轮主要应用在精度要求不高或外形复杂的链轮,如环链轮等。
三、链轮的基本参数
l、Z-齿数,2、P-链条节距,3、d-滚子直径,4、d分一分度圆直径,5、d顶一顶圆直径,6、d根一齿根圆直径,7、一节距角8、Q一压力角,R一齿沟圆弧半径。
前三个参数为用户提供的重要数据,后序参数为链轮设计参数可参照有关标准计算。
四、链轮齿形的几何形状与设计原则
1. 链轮齿形的几何形状:常见链轮的几何形状有三圆弧一直线形、两圆弧一直线形、两圆弧凸齿形、一圆弧一直线形、齿槽中心有偏移的直线齿形和直线齿形。
2.设计原则:链轮齿形设计主要应满足三方面要求:即啮合要求、使用要求、工艺性与精度要求。
(1)保证链条能顺利的啮入与啮出,不会有干涉现象。
(2)具有足够的容纳链条节距伸长的能力。
(3)具有合理的作用角。
(4)齿廓曲线与链传动工况相适应。
(5)有利于啮入和防止因链条跳动而掉链。
(6)加工工艺性好。
目前我国所执行的链轮标准为GBl244-85齿形。
五、链轮设计与加工
1、链轮设计:对于节距12.7-38.1标准链条的链轮各厂家己采用
标准滚刀在滚齿机上生产。
加工时,用户只需提供链轮齿数、节距和滚子直径即可生产。
链轮设计按GBl244-85设计。
非标准链轮在用户提供必要数据的基础上,要做如下计算:分度圆直径:d分=P/sin180度/Z=P·K,P-节距,K-齿数系数可查表。
齿沟圆弧半径:Rmin=O.505d,d=滚子直径。
压力角Qmin=l20度-90/2; Qmax=140度-90/2。
一般选用Qmax。
齿面圆弧半径Remin=O.008d;(Z·Z+180);Remax=O.12( Z·Z+2)。
一般选用Remax。
齿面圆弧半径的位置Do 在d分一0.2P圆周上。
齿沟分离量S:机加,Smin=0.08d;非加,Smin=O.04P。
一般选用机加齿沟分离量。
节距角a=360/Z。
齿厚:单排为内节内宽的0.95,双排为内节内宽的0.93。
齿顶圆可根据作图来决定,也可在分度圆的基础上加0.85一0.95倍的滚子直径。
以上数据是链轮设计的重要参数。
当然。
特殊链条的链轮设计与此有区别,需按有关手册的链轮公式计算。
2、链轮齿形加工链轮加工最主要的是齿形加工。
前面己经讲过,标准链条的链轮大部分在滚齿机上用滚刀加工。
而大规格与非标链轮的加工方法由于受设备和刀具、数量的限制各公司的加工方法有所不同。
目前,应用最广泛的仍然是成形法铣切链轮与范成法滚切链轮两种。
滚子链链轮铣刀的齿形是按链轮齿槽形状设计的。
为了节省刀具,通常按链轮齿数分组设计刀具,每一组按计算齿数设计齿形,计算齿数可按下式计算:
Zc=2Zl·Z2/Zl+Z2式中:Zl一同组中最小齿数,Z2一同组中最大齿数。
(1)成型刀加工齿形方法:用成型圆盘铣刀或用指状成型铣刀,在配有分度头的卧式或立式铣床上加工齿槽是目前常用的加工方法。
适合于大节距链轮批量加工。
(2)鞍形铣刀加工齿形方法:用鞍形铣刀在配有分度头的卧式铣床上同时在相邻两个齿槽上铣出对称的两个齿是目前齿形链轮常用的加工万法。
适于中、小批量生产。
(3)滚切加工齿形方法:在滚齿机上用滚刀加工出齿槽,适合于标准链轮节距P=38.1以下的链轮加工。
生产效率高。
精度好。
(4)插齿加工齿形方法:在插齿机上用圆盘插齿刀或梳齿刀加工出链轮齿槽。
适合于单件小批量生产。
(5)较大型的链轮也可采取划线、钻孔在刨加工或插加工齿形又是一种加工方法,很显然,此种方法较为落后,但大型链轮受加工设备和数量限制也可采用这种方法。
(6)最近,有的单位采用仿形机切割齿形的方法解决了大型链轮加工的难题,很有创意。
仿形切割齿形加工工艺如下:
A.先将己机加的链轮放在分度盘上,链轮通过芯棒上的压板和镙栓固定。
要求齿圈面一定要平。
B.在己加工好的齿圈上任一位置按样板齿形切割深度小于设计齿形4-5mm 的齿形,然后用角尺测量其尺面垂直度。
C.测量己切割好的尺形深与己加工好的轴孔边缘的距离H。
D.计算还需加工深度B。
B=测量尺寸-轴孔边缘与分度圆直径边缘的距离。
E.调整切割机连杆尺寸,即在原尺寸的基础上伸长一个加深量,调整后即可按样板切割。
F.切割一齿后,用分度盘分度。
切割三个齿后跨齿测量同侧同位距离。
切第四齿后按同样方法移动一齿同侧同位测量,以此类推。
G.如果通过测量尺寸相差较大或齿顶宽度出入较大,可将较宽的一面多于部分切割下来焊在另一齿面上进行修整。
H.切割后的齿形表面用手砂轮磨光后进行表面淬火。