基坑支护、开挖及降水工程验收表二
- 格式:xls
- 大小:35.00 KB
- 文档页数:1
基坑支护开挖及降水工程验收表
基坑支护开挖及降水工程验收表
验收项目:
1. 工程开挖情况:
(1)是否按照规划图纸开挖?
(2)地面孔口是否达到规划标高?
(3)孔口的形状是否符合规划要求?
2. 工程支护情况:
(1)支护结构的材料、厚度、类型、数量是否符合设计要求?(2)支护结构的布置是否符合要求?
(3)支护结构的施工质量是否合格?
(4)是否设置支撑斜柱、水平支撑等?
3. 工程降水情况:
(1)是否安装了降水设备?
(2)降水设备的数量、规格和使用情况是否符合设计要求?(3)地下水位是否在规定范围内?
验收依据:
1. 工程项目设计方案。
2. 工程项目质量验收标准。
3. 工程施工过程中的监理记录。
验收结果:
经验收,本工程项符合设计方案及国家规定的质量标准,其开挖、支护和降水工程均符合要求,达到了验收标准。
本验收表结果由监理工程师签字确认,报建设单位备案。
监理工程师签名:_____________
备案时间:_____________。
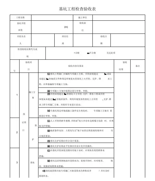
危险性较大工程验收表基坑支护工程验收表验收编号:工程名称:总承包单位:专业承包单位:施工执标准号:序号检查项目检查内容与要求1 开挖深度超过3m(含3m)或虽未超过3m但现场地质条件和周边环境复杂的基坑(槽)的土方开挖、支护、降水工程施工前必须编制专项方案;当开挖深度超过5m(含5m)或虽未超过5m但现场地质条件较复杂时还须有专家论证报告,审批手续完备。
施工前建设单位必须提供施工现场及毗邻区域内详细的地上(下)管线资料,气象和水文观测资料,相邻建筑物和构筑物、地下工程的有关资料,施工单位应采取有效保护措施。
2 开挖深度超过5m(含5m)或虽未超过5m但现场地质条件和周边环境较复杂的基坑工程以及其他需要监测的基坑工程应实施第三方基坑工程监测。
3 堆土、机具设备、临时设施等荷载与坑边距离要大于设计规定;出土口等部位必须有加固措施。
4 防护栏杆应由上下两道钢管横杆及钢管栏杆柱组成,上杆距离地高度1.2m,下杆距离地高度0.6m,栏杆下边设置严密固定的高度不低于18cm的挡脚板,挡脚板下边距离地面的孔隙不应大于10mm。
夜间应设红色标志灯。
施工期间必须有良好的降排水措施,降水时要有防止临近建筑物沉降措施。
5 支护结构施工及使用的原材料及半成品应遵照有关施工验收标准进行检验。
人工外孔桩人工外孔桩开孔前检查表序号检查项目检查内容与要求1 桩的类型、直径、长度、数量、位置、施工方案等是否符合设计要求。
2 周边环境的情况是否符合开挖要求。
3 桩机、锤头、钻头、钻管等是否符合要求。
4 桩机、钻机、发电机、泵站等设备是否齐备。
5 施工人员是否具备相应的证书和资质。
6 安全措施是否到位,防护措施是否完善。
7 施工现场是否整洁、有序,材料、设备是否摆放整齐。
人工外孔桩防护检查表序号检查项目检查内容与要求1 桩的类型、直径、长度、数量、位置、施工方案等是否符合设计要求。
2 周边环境的情况是否符合开挖要求。
3 桩机、锤头、钻头、钻管等是否符合要求。
深基坑支护工程验收表深基坑支护工程验收表工程名称:建设单位:设计单位:监理单位:基坑面积、深度:基坑开挖时间:检查验收项目:1.设计文件与施工方案的专家论证审查情况质保资料检查在此项目中,我们检查了设计文件与施工方案的专家论证审查情况,以及质保资料。
这些文件都符合标准要求,并经过了审查。
2.施工方案的公司审批、监理审查情况我们还检查了施工方案的公司审批和监理审查情况。
这些文件也符合标准要求,并经过了审查。
3.原材出厂合格证、检验报告、砼配合、试块我们检查了钢筋、水泥、砂石、锚杆、护壁桩等原材出厂合格证、检验报告、砼配合、试块等资料。
所有资料都符合标准要求。
4.护壁桩、预应力锚索(杆)的检测报告我们还检查了护壁桩、预应力锚索(杆)的检测报告。
这些报告也符合标准要求。
5.基坑、周围建(构)筑物、道路及设施监测情况我们对基坑、周围建(构)筑物、道路及设施进行了监测。
监测结果显示,所有情况均符合标准要求。
6.原始施工记录、隐蔽工程验收记录我们还检查了原始施工记录、隐蔽工程验收记录。
这些记录符合标准要求。
7.边坡放坡坡率、护坡措施我们检查了边坡放坡坡率、护坡措施。
这些措施符合标准要求。
8.土钉安装位置、长度、挂网、砼喷射厚度我们还检查了土钉安装位置、长度、挂网、砼喷射厚度。
这些措施符合标准要求。
9.预应力锚索(杆)的安装、张拉、锁定现场实物检查我们对预应力锚索(杆)的安装、张拉、锁定现场进行了实物检查。
所有情况均符合标准要求。
10.护壁桩桩位、桩径、桩长、钢筋布置我们还检查了护壁桩桩位、桩径、桩长、钢筋布置。
这些措施符合标准要求。
11.内撑支撑立柱、连接焊缝、锚固长度我们检查了内撑支撑立柱、连接焊缝、锚固长度。
这些措施符合标准要求。
12.地下连续墙尺寸雨荷、垂直度、钢筋笼我们还检查了地下连续墙尺寸雨荷、垂直度、钢筋笼。
这些措施符合标准要求。
13.排水沟尺寸、坡度与降水井垂直度、间距我们检查了排水沟尺寸、坡度与降水井垂直度、间距。
危大工程验收表1.建筑工程深基坑工程土方开挖条件验收记录项目名称:(填写具体项目名称)建设单位:(填写具体建设单位名称)施工单位:(填写具体施工单位名称)监理单位:(填写具体监理单位名称)设计单位:(填写具体设计单位名称)勘察单位:(填写具体勘察单位名称)计划开工时间:(填写具体计划开工时间)计划完工时间:(填写具体计划完工时间)验收项目:1.基坑支护、基底加固是否按照设计及规范要求完成,强度是否达到设计要求。
2.基坑周边建筑物、构造物是否已得到保护。
3.降水井是否已完成且降水深度达到要求。
4.管线是否按照设计及规范要求完成,基坑及周边环境监测点是否已按监测方案布置完成,是否符合设计及规范要求且取得初始值。
5.各项应急工作的准备是否就绪。
6.法律、法规、规章制度规定的其他条件。
验收内容及自评意见:1.基坑支护及周边环境应按照设计文件、监测方案和规范要求进行监测并做好记录,对临近建筑和重要管线、道路也应进行监测。
2.坑壁荷载、降排水措施、积土、机具设备、临建设施等荷载与槽边距离应大于设计规定。
3.基坑施工应设置有效的降排水和防止坑外的水流入基坑的措施,护临近建筑物、管线、道路等措施,基坑应有护壁措施。
4.施工机械进场应经验收合格,司机操作应接受交底,持证上岗,机械作业应符合安全操作规程,开挖程序、分层开挖的深度应符合方案要求。
5.超过2m深的基坑四周要有二道防护栏杆,并自上而下用安全立网封闭或设置严密的高度不小于18cm的挡脚板或40cm的挡脚板,作业人员上下基坑应搭设专用通道。
验收意见:(在“□符合开挖条件”或“□不符合开挖条件”中打钩)监理单位:施工总承包单位:分包单位:企业技术负责人或授权委派的专业技术人员:监测单位:专业监理工程师:项目技术负责人:项目负责人:方案编制人员:项目专职安全员:项目___工程师:验收单位其他相关人员:勘察单位:建设单位:专家论证组组长:设计单位:项目技术负责人:项目负责人:项目技术负责人:项目技术负责人:项目技术负责人:项目技术负责人:专业资料:2.建筑工程深基坑工程土方开挖安全验收表项目名称:(填写具体项目名称)验收时间:年月日建设单位:(填写具体建设单位名称)设计单位:(填写具体设计单位名称)施工单位:(填写具体施工单位名称)监理单位:(填写具体监理单位名称)分包单位:(填写具体分包单位名称)验收部位:序号项目支护、土方、降水、监测方案验收要求验收结果1 方案应有针对性的,应按方案实施。
基坑工程验收记录表示范表格
一、工程概况
工程名称:
工程位置:
建设单位:
施工单位:
二、基坑工程信息
基坑位置:
基坑规模:
基坑深度:
开挖日期:
封闭日期:
三、工程验收记录
序号检查项目验收要求验收结果备注
1 基坑开挖按设计要求进行开挖符合要求无异常情况
2 基坑支护支护结构牢固、稳定符合要求支护结构完好
3 排水系统有效排水,保持基坑干燥符合要求排水畅通
4 基坑安全安全措施到位,无安全隐患符合要求无安全隐患
5 基坑环境符合环保要求,无污染符合要求无污染情况
6 其他根据实际情况补充符合要求无
四、验收结论
经对基坑工程进行检查验收,各项工程符合设计要求和相关规范标准,达到了验收要求。
现予以验收通过。
五、附件
(可根据需要添加附件,如图纸、照片、报告等)
备注:请在验收过程中,注明存在的问题、解决办法及实施结果,并签字确认。
基坑支护开挖及降水工程验收表范文一、工程概况。
1. 工程名称:[具体工程名称]2. 工程地点:[详细地点]3. 建设单位:[建设单位名称]4. 施工单位:[施工单位名称]5. 基坑支护设计单位:[设计单位名称]6. 基坑开挖深度:[X]米。
二、验收日期。
[具体年月日]三、验收内容及结果。
# (一)基坑支护工程。
1. 支护结构类型。
本工程采用的支护结构是[具体支护结构类型,如土钉墙支护、排桩支护等]。
这种支护结构在这个基坑工程中看起来还挺合适的,就像给基坑穿上了一件量身定制的铠甲。
验收结果:合格。
2. 支护桩(墙)桩(墙)的施工质量。
我们去现场看了那些支护桩(墙),桩径(墙厚)都符合设计要求,偏差在允许范围内。
就像一群整齐排列的士兵,每个都站在自己该站的位置上。
桩(墙)的垂直度也不错,没有东倒西歪的情况。
验收结果:合格。
桩(墙)的混凝土强度。
施工单位提供了混凝土试块的抗压强度报告,强度等级达到了设计要求的[具体强度等级]。
这混凝土强度够硬气,能很好地撑起支护的大任。
验收结果:合格。
3. 土钉(锚杆)土钉(锚杆)的设置。
土钉(锚杆)的间距、长度、角度等参数和设计文件基本一致。
它们就像一根根小钢针,稳稳地扎在土里,把周围的土体都紧紧拉住。
不过在检查过程中,发现有个别土钉(锚杆)的角度偏差了一点点,但在允许的误差范围内,不影响整体效果。
验收结果:合格。
土钉(锚杆)的抗拔力。
经过现场抽检抗拔力试验,大部分土钉(锚杆)的抗拔力都达到了设计要求,只有少数稍微低了一点,但也在可接受的下限之上。
就像拔河比赛中,虽然有些选手力气不是最大的,但也没让队伍输。
验收结果:合格。
4. 护坡面层。
面层的厚度和强度。
护坡面层的厚度测量下来是符合设计的,用手敲敲感觉挺结实,强度应该是没问题的。
就像给基坑的“铠甲”又加了一层坚固的外皮。
验收结果:合格。
面层的钢筋网设置。
钢筋网的间距均匀,钢筋的规格和连接都符合要求。
这些钢筋就像“铠甲”的骨架一样,把面层撑得稳稳当当的。
基坑支护开挖及降水工程验收表范文一、工程基本信息。
1. 工程名称:[具体工程名称]2. 工程地点:[详细地点]3. 建设单位:[建设单位名称]4. 施工单位:[施工单位名称]5. 监理单位:[监理单位名称]二、验收日期。
[具体日期]三、验收人员。
1. 建设单位代表:[姓名]2. 施工单位项目负责人:[姓名]3. 监理单位总监理工程师:[姓名]4. 设计单位代表(如有):[姓名]四、验收内容。
# (一)基坑支护工程。
1. 支护结构形式。
咱们这个基坑采用的是[支护结构类型,比如土钉墙支护],从现场看,这支护结构就像一个个忠诚的卫士,稳稳地守护着基坑。
验收情况:支护结构形式符合设计要求,各构件的布置和连接看起来都挺靠谱的。
结论:合格。
2. 支护结构材料。
施工单位用的材料可都是按照设计要求来的,就像厨师做菜得用对食材一样。
那钢材啊,混凝土啊,质量都得过关。
钢材的规格、型号跟设计文件一对比,丝毫不差。
混凝土的强度呢,也有检测报告为证,强度达标得很。
验收情况:材料质量合格,有质量证明文件且现场抽检结果符合要求。
结论:合格。
3. 支护结构施工质量。
土钉的长度、间距和角度都挺规矩的,就像学生排队一样整齐。
混凝土喷射的厚度也均匀,没有薄厚不均的情况。
还有那锚杆的锚固力,经过检测,完全能满足设计要求,就像大力水手吃了菠菜一样有力。
验收情况:施工质量良好,各项指标符合设计及规范要求。
结论:合格。
# (二)基坑开挖工程。
1. 开挖深度及尺寸。
开挖深度量了量,和设计要求的深度分毫不差,就像拿着尺子精确切割的蛋糕一样。
基坑的尺寸也跟设计图纸是一个模子里刻出来的,长宽高都合适。
验收情况:开挖深度及尺寸符合设计要求。
结论:合格。
2. 边坡坡度。
这边坡的坡度看起来很顺眼,既不太陡像悬崖,也不太缓浪费空间。
拿坡度尺一量,和设计的坡度完美匹配。
验收情况:边坡坡度符合设计要求,坡面平整。
结论:合格。
3. 基底处理。
基底那叫一个干净整洁,没有杂物,也没有超挖或者扰动基底土的情况。
使用说明(使用时删除):1、该表格主要用途包含不局限于学校、公司企业、事业单位、政府机构,主要针对对象为白领、学生、教师、律师、公务员、医生、工厂办公人员、单位行政人员等。
2、表格应当根据时机用途及需要进行适当的调整,该表格作为使用模板参考使用。
3、表格的行列、文字叙述、表头、表尾均应当根据实际情况进
《合同条件》是根据《中华人民共和国合同法》,对双方权利义务作出的约定,除双方协商同意对其中的某些条款作出修改、补
《协议条款》是按《合同条件》的顺序拟定的,主要是为《合同条件》的修改、补充提供一个协议的格式。
双方针对工实际情况,把对《合同条件》的修改、补充和对某些条款不予采用的一致意见按《协议条款》的格式形。