信号工安全操作规程
- 格式:doc
- 大小:27.00 KB
- 文档页数:2
信号工安全操作规程一、一般规定第1条斜井信号工必须由工作认真负责,有一定的提升把钩工作施行经验,经过专业安全技术培训考试合格,并取得合格证的人员担任。
第2条提升信号的设置,要求声光齐全,通讯设备可靠。
兼作行人的运输斜巷,要设置红灯信号,行车时红灯亮,并发出语言信号。
第3条绞车停运超过6小时以上或因事故检修后,开车前必须对所有信号、通讯设备进行检查试验〔试验前,必须与各信号点及绞车司机联系明确后再进行〕,确认正确灵活畅通后,方可作业。
二、收发信号第4条信号工在岗位上,必须精力集中,细心操作,不准做与工作无关的事情,不得在联系工作中,〔如用或头与他人联系时〕发送信号。
第5条信号工收到的信号不明确时,不得发送开车信号,同时可用或回点等方式查明原因,并且废除本次信号,重新发送。
第6条发出信号后,发现提升容器的运行方向与信号规定的方向不一致时,应马上发出停车信号,待查明原因后,重新发出信号。
第7条操作中必须与把钩工密切配合,联系信号要清楚准确。
当把钩工同意发信号时,信号工应确认安全可靠后,方可发出信号。
第 8条信号工发出信号后,不得离开信号机旁,以便观察提升中的运行状况,监视运行中的信号系统,如有紧急状况,可随时发出停车信号。
第9条多水平提升时,信号工操作应符合以下规定:1.在不同水平所发出的信号必须有区别。
2.在中部车场操作信号时,除严格执行“第7条〞外,还必须做到弯道处严禁站人。
第10条斜井升降人员时,信号工操作必须符合以下规定:1.每班挂人车时或斜井井筒检修后,信号工必须与车房联系进行一次空人车试道运行。
2.信号工发出人车发车信号后,严禁再上、下人员,也不准废除本次信号再上、下人员。
第11条矸石山信号工操作时要遵守以下规定:1.接班后的信号试验按“第3条〞进行。
2.矸石山信号工在发开车信号前,应检查并确认山上、架子、轨道、装载点没有人员时,方可发出开车信号。
3.必须要中途人工卸矸时,信号工必须与绞车司机联系后操作停车信号,同时监护好信号机,停止信号至卸矸完毕后废除。
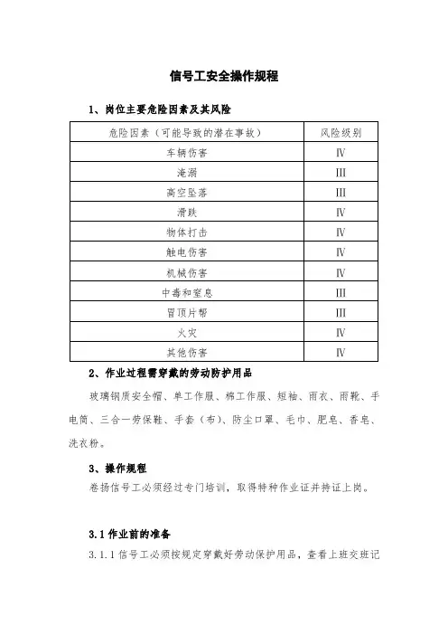
信号工安全操作规程1、岗位主要危险因素及其风险2、作业过程需穿戴的劳动防护用品玻璃钢质安全帽、单工作服、棉工作服、短袖、雨衣、雨靴、手电筒、三合一劳保鞋、手套(布)、防尘口罩、毛巾、肥皂、香皂、洗衣粉。
3、操作规程卷扬信号工必须经过专门培训,取得特种作业证并持证上岗。
3.1作业前的准备3.1.1信号工必须按规定穿戴好劳动保护用品,查看上班交班记录和应注意的安全事项,经检查确认设备正常后,做好操作准备工作。
3.1.2信号工必须熟练掌握井口信号台的各种旋钮、按钮、指示灯的含义及操作方法。
3.2井口信号台的操作方法3.2.1允许开车:井口信号台通过“允许开车”旋钮决定能否开车。
3.2.2给定去向:井口信号台根据要罐显示,通过去向按钮来选择方向及去向。
可通过“去向复位”按钮取消该操作。
3.2.3转动“允许开车”旋钮,“允许开车”指示灯亮,待“故障”灯灭后,根据要罐显示,相应的去向指示灯及方向指示灯亮,选择“直发强发”方式后,按“开车信号”或“强发”按钮发出开车信号。
当有报警信号或摇台及安全门保护信号时,发不出开车信号。
只有恢复后才能发出。
3.3井口操作台:3.3.1发开车信号:当罐笼在井口,需正常开车时。
井口信号工按“开车信号”按钮,同时开车铃响,发出开车信号。
3.3.2微动:当井口需要对罐或调罐时,压住“微动”按钮,罐位所在位置微动指示灯亮,微动开车。
须停车时,松开此按钮。
3.3.3紧急停车:井口操作台上的“紧急停车”按钮当出现紧急情况时用来急停用,井口信号工如发现罐笼到井口后,仍不停车或速度不正常,必须按此按钮。
3.4井下信号台操作方法井下信号台的使用方法和井口信号台基本相同,不同之处在于比井口台多一个多位的旋钮“要罐”,此旋钮主要反应本水平想要罐并且要去哪个水平,这个信号反馈给井口信号台,然后由井口信号台反馈给司机台。
另外本信号台有一个“要右罐要左罐”开关,默认要罐为右罐,当要左罐时,转动此开关到要左罐位置。
信号工安全操作规程第一章总则第一条为保障信号工作人员的人身安全和设备安全,提高信号工作的质量和效率,制定本规程。
第二条本规程适用于所有从事信号工作的工作人员。
第三条信号工作人员应具备相关专业知识和技能,严格遵守本规程的规定。
第二章安全准备第四条信号工作人员在进入工作地点之前,应进行相关安全准备工作,确保个人和设备的安全。
第五条信号工作人员应佩戴符合国家标准的安全防护用品,包括安全帽、防护眼镜、防护手套等。
第六条信号工作人员应熟悉相关设备的操作和维护方法,确保设备正常运行。
第七条信号工作人员应随身携带必要的工具和备用设备,以应对意外情况。
第三章工作环境安全第八条信号工作人员在进行工作前,应对工作现场进行安全检查,确保工作环境安全。
第九条信号工作人员应远离高压电源和危险区域,避免触电和其他意外伤害。
第十条信号工作人员应确保工作地点的通风良好,防止有害气体积聚。
第十一条信号工作人员应定期检查工作设备和设施是否完好,在有损坏或存在安全隐患的情况下,应及时报告并维修。
第四章工作操作安全第十二条信号工作人员应按照相关规定和程序进行工作操作,确保操作安全。
第十三条信号工作人员应严格遵守相关信号灯和标志的规定,确保顺利进行信号操作。
第十四条信号工作人员应注意个人操作的规范,避免误操作导致事故的发生。
第十五条信号工作人员应随时保持情绪稳定和身体健康状态,以确保操作的准确性和安全性。
第十六条信号工作人员应遵守工作时间的规定,不得超时工作,以保障工作质量和个人安全。
第五章紧急救援第十七条信号工作人员在遇到紧急情况时,应迅速采取逃生措施,并报警寻求帮助。
第十八条信号工作人员在发现他人受伤时,应及时报警,并采取相应的急救措施。
第十九条信号工作人员应熟悉紧急救援流程和急救知识,以便能够在紧急情况下提供有效的救援。
第六章事故处理第二十条信号工作人员在发生事故时,应及时报告领导并按照相关规定进行处理。
第二十一条信号工作人员应积极配合相关部门进行事故调查,提供必要的证据和情况说明。
信号工安全操作规程
1、上岗前首先对声光信号、电话、视频进行全面检查,如有故障立即报告,及时处理,严禁带故障作业。
2、罐笼限乘八人,单罐提人,信号工应严格把关。
3、作业时精力要集中,发出的信号要清晰、明确。
4、如果信号未听清,对方又无补发的信号,应该迅速用通讯进行询问。
5、信号工必须对乘罐人员、上下设备及材料等,按乘罐制度规定执行,对抢上抢下、劳动防护用品佩戴不齐全的人员,信号工有权说服教育或不许上下罐。
6、起车前检查人、物、罐笼、周边设施是否安全,信号发出后要目送目接罐笼上下,不安全不发车,有异常立即发停车信号。
7、提升系统信号规定为,以主罐做操作信号,提升物料:一声停、二声上、三声下,提升人员:四上(检修二长二短)五下(检修三长两短)。
8、各中段如有情况需要罐笼升降时,一律先用电话向总信号室联系,然后再打升降信号。
9、爆破材料随到随运,提运前信号室应分别向卷扬工,有关各中段的信号取得联系后,方可提运。
信号工安全操作规程一、概述为确保信号工作的安全和高效进行,提高信号工作人员的安全意识与操作技能,制定本《信号工安全操作规程》。
本规程适用于各类信号工作单位和信号工作人员,旨在规范信号工作的操作流程和安全要求。
二、信号工作前的准备工作1. 安全评估:信号工作前须进行安全评估,确保工作场所无安全隐患。
2. 人员培训:信号工作人员应接受相关培训,熟知工作流程和安全要求。
3. 配备工具:准备好符合标准要求的工作工具和装备,确保工作时的安全和高效。
三、信号设备操作规范1. 操作前检查:信号设备操作前,必须对设备进行检查,确认设备状态良好。
2. 操作规范:信号设备的操作必须按照相关标准和规范要求进行。
3. 设备维护:定期对信号设备进行维护保养,确保设备正常运行。
四、作业区域安全管理1. 作业区域划分:根据工作需要,将作业区域划分为合理且合适的区域,并进行明确标识。
2. 作业区域管控:对作业区域进行管控,确保只有经过培训和授权的信号工作人员进入。
3. 危险防护:在作业区域设置必要的危险防护措施,如栅栏、警示标识等。
五、个人防护措施1. 穿着:进行信号工作时,必须穿戴符合安全要求的个人防护装备,如安全帽、防护手套等。
2. 环境检查:在信号工作前,需检查工作环境是否存在危险因素,如电气设备的漏电等。
3. 安全用火:如有需要使用明火作业时,必须进行防火措施,确保不引发火灾等安全事故。
六、信号工作风险防控1. 风险评估:对信号工作中可能存在的风险进行评估,制定相应的风险防控方案。
2. 安全策略:根据风险评估的结果,制定相应的安全策略和应急预案。
3. 监测和巡视:进行定期的信号工作监测和巡视,确保信号设备的安全运行。
七、事故应急处理1. 应急预案:信号工作单位应制定完善的信号工作事故应急预案,并进行定期演练。
2. 事故报告:信号工作人员在发生事故后,应及时向上级主管部门进行事故报告。
3. 救援措施:在发生事故后,应采取及时有效的救援措施,确保人员安全和设备的正常运行。
信号工安全操作规程
1.进入施工现场必须统一着装,戴好安全帽并系好帽带。
2. 必须经过安全培训,考核合格后持证上岗作业。
不得酒后上岗,违章指挥。
3. 信号工要经常检查起重机吊绳和吊环扣是否安全可靠,发现问题及时更换。
4. 指挥信号要准确,手势、旗语、哨音要正确。
不得违章指挥,坚持“十不吊原则”,散物吊装必须用容器,吊物绑扎好后检查合格后方可起吊,严防有散装物以防落地伤人。
5. 严禁作业人员站在吊运物下方,上升或落钩时要缓慢起落,以免发生危险。
6. 信号工要持证上岗,必须坚守岗位,不得随时乱走,禁止远离被吊物指挥。
7. 落物卸物必须放在安全可靠的地方,特别是散装物品和重大的材料。
8. 信号工必须与工人配合。
信号工安全操作规程
1、信号工应由考试合格的专职信号工担任,持证上岗,非工作人员禁止进入信号房内,更不许乱动信号及附属设施。
2、信号工必须坚持对手交接班,不得随意脱离工作岗位,交接班时,要认真检查,试验信号设施是否正常可靠,发现问题及时通知有关人员处理。
3、信号工传发信号必须听清传准,及时无误,连续传发二次时,两者间隔5—10秒,信号工应坚持四不发:即①听不清吊退车信号不发;②故障不发;③材料大件捆扎不牢固不合格不发;④未经把钩工同意不发。
4、必须执行统一的信号规定:一声为停车信号,为吊车信号,三声为退车信号,四声为慢吊车信号,五声为慢退车信号,乱铃为跑车或事故信号,二长声为上下电车、大件的联系信号。
5、绞车启动或运行中,要集中精力,目视前方和左右方,遇有不正常情况,应立即采取果断措施,应先传慢信号后发停车信号。
6、信号灯的开闭必须和每趟升降物料相附。
7、信号工应由耳朵、眼睛和精神正常的人操作,酒后不许操作。
8、正常情况下无紧急事故时,不许使用紧急信号。
9、上下大型设备或电车时,要事先与绞车司机,上下信号工联系好,方可发慢速吊退信号,禁止随大件、电车乘人上下。
10、链挂车数不得超过保险绳允许的限度,任何情况下都不得使
用不合格工具链挂车辆。
11、上下山必须做到行车不行人,行人不行车,严禁乘车上下。
12、上部车场挡车器除过车外,必须经常处于关闭状态,及时清理挡车器内杂物,保证灵敏可靠。
13、运行中必须保证行车有红灯,信号有回铃。
信号工安全操作规程(15篇范文)第1篇信号工安全操作规程1、要坚守工作岗位,不得擅自离岗。
2、发信号要准确无误,要严格实行在岗位交接班和认真填写交接班记录。
对信号装置、罐笼钢丝绳、罐笼及安全门、井口安全门和照明、阻车器等一切设备、设施要维护保养好,使其安全可靠。
严格执行乘罐制度,维护井口乘罐秩序,注意检查进罐材料是否捆好。
监督乘罐人员严格遵守乘罐制度,对信号室内外的安全、卫生保卫工作负责。
3、工作时不准睡岗,不准与他人打闹谈笑,不准游动打信号,不准在信号失灵时叫司机开机。
不准自己打信号自己乘罐(若无人接班时,要先用电话联系好,才准自打信号自乘罐)。
有人在井筒、罐笼内或井底处理故障时,严禁发开机信号,要做好井口的安全监督,不准向井内丢东西。
4、对违反乘罐的人和事,有权制止,对运送材料、设备不符合安全乘罐要求的有权不发信号提升,在井口乱堆放材料、设备、杂物有权制止,罐笼不在本岗位井口位置上,而又不清楚其停放情况者,不许发号提放。
第2篇非煤矿山信号工安全操作规程一、必须按规定迅速、准确、清楚的发送信号,不准用电铃当作电话。
保证电话、电铃、信号灯的畅通,发现问题及时找电工修理。
二、升降人员或运送物料时,要严格检查,发现不符合乘罐规定的,要立即通知整改,不整改,严禁发送升降信号。
三、对升降信号一定要打清,打准。
如没有听清楚应反问一下,弄清楚后再发信号。
四、在操作台上要集中精力不准说笑、打闹,不准脱岗。
第3篇起重工挂钩工、信号工安全操作规程1 一般规定1 起重工应健康,两眼视力均不得低于1.0,五色盲、听力障碍、高血压、心脏病、癫痫、眩晕、突发性昏厥及其他影起重吊装作业的疾病与生理缺陷。
2 必须经过安全技术培训,持证上岗。
严禁酒后作业。
3 作业前必须检查作业环境、吊索具、防护用品。
吊装区域无闲散人员,障碍已排除。
吊索具无缺陷,捆绑正确牢固,被吊物与其它物件无连接。
确认安全后方可作业。
4 轮式或履带式起重机作业时必须确定吊装区域,并设警戒标志,必要时派人监护。
信号工安全操作规程正式版一、总则为了确保信号工的人身安全和工作顺利进行,制定本安全操作规程。
所有信号工人员必须严格遵守本规程,不得违反。
任何安全事故的发生由违反规程的信号工负全部责任。
二、安全培训1.所有信号工必须参加安全培训并经过合格考核才能上岗。
2.安全培训内容包括:工作流程、安全操作规程、危险警示、应急措施等。
三、工作准备1.信号工必须配戴好指定的个人防护装备,包括安全帽、工作服、防滑鞋等。
2.所有工具和设备必须经过检查,确保完好无损,并进行正确存放。
3.工作现场应保持整洁,避免杂物堆放。
四、安全操作1.信号工在工作中必须严格遵守操作规程,不得擅自更改或忽视。
2.信号工在工作前必须熟悉工程图纸和操作指南,确保操作正确无误。
3.信号工必须按照操作规程正确使用工具和设备,不得随意改变工具的结构。
五、危险警示1.信号工在工作中必须警示他人注意,并确保自己的操作不会对他人的人身安全造成危害。
2.信号工在发现安全隐患时必须立即停工,并向上级报告,等待得到指示后方能继续工作。
六、应急措施1.信号工在工作中必须随身携带急救箱,并且熟悉急救器械的使用方法。
2.信号工在遇到火灾、爆炸等紧急情况时,必须立即采取避险措施,并向上级报告。
七、工作记录1.信号工必须详细记录自己的工作内容,包括工作时间、操作过程、遇到的问题等。
2.工作记录必须经过审核并保留备查,以备日后参考。
八、违规处罚1.信号工如违反本规程,经核实后会受到相应的处罚,包括口头警告、记过、降级、罚款等。
2.对于严重违规情况,将按公司制度进行处理,如解聘。
3.信号工对违反规程所造成的后果负责,并赔偿相应的损失。
九、监督检查1.公司将定期进行信号工的安全检查,确保规程的执行。
2.信号工必须积极配合安全检查,不得阻碍监督人员的工作。
信号工的安全操作规程信号工是铁路、地铁等交通运输领域的重要岗位,他们负责维护和保障信号设备的正常运行,确保列车运行的安全。
为了提高信号工操作的安全性,建立安全文化,以下是信号工的安全操作规程。
一、遵循安全标准和程序1. 信号工必须熟悉并遵守相关的安全标准、规范、手册和程序,包括但不限于国家和行业标准、运营单位制定的安全操作规程等。
2. 信号工必须确保信号设备的安装、维护、检修等工作符合标准和要求,确保信号系统的可靠性和安全性。
二、佩戴个人防护装备1. 在进行信号设备的维护和检修工作时,必须佩戴符合规定的个人防护装备,包括但不限于安全帽、防护眼镜、耳塞、防尘口罩、防护手套等。
2. 信号工需根据工作环境和特定情况合理佩戴个人防护装备,保护自己免受可能的危害和伤害。
三、使用合适的工具和设备1. 信号工在进行维护和检修工作时,必须使用符合要求的工具和设备,确保其质量和安全性,并保持其处于良好的工作状态。
2. 信号工需熟悉并正确使用各种工具和设备,避免因错误使用工具而造成意外事故。
四、正确操作信号设备1. 在操作信号设备之前,信号工必须仔细阅读设备的操作说明和安全警示,并确保了解相关的操作流程和安全要求。
2. 信号工在操作信号设备时,必须严格按照操作要求和程序进行操作,确保设备的正常运行,并防止操作失误引发安全事故。
五、严格执行停电操作规程1. 在对信号设备进行维护和检修时,信号工必须严格遵守停电操作规程,确保信号设备得到安全停电,并进行必要的安全措施,防止电器伤害和触电事故的发生。
2. 信号工在进行停电操作时,必须与相关人员协作,确保停电控制的准确性和安全性,避免误操作导致设备损坏或人员伤害。
六、文明施工,保持工作区域整洁1. 信号工在进行维护和检修工作时,必须保持工作区域的整洁,将不需要的材料、工具和设备及时清理和归放到指定位置。
2. 信号工需遵守工地交通规则,确保工作区域和周边区域的安全秩序,避免因施工引发的事故和伤害。
信号工安全操作规程信号工是道路施工中的一项重要工种,主要负责交通信号设备的安装、维护和修理等工作。
由于工作环境较为特殊,工作内容涉及电气设备和高处作业等,因此信号工必须严格遵守安全操作规程,保障自身安全和项目的顺利进行。
一、个人防护措施1.佩戴标准的个人防护装备,包括安全帽、耳塞、防护眼镜等,以防止头部、面部和眼部受到伤害。
2.穿戴适合的工装,避免过宽松或过紧的服装,以免影响工作时的灵活性,并注意防滑、防静电和防火等性能。
3.佩戴耐穿耐刺的安全鞋,以保护脚部免受尖锐物体刺伤和坠物压力。
4.在高处作业时应佩戴安全带,并根据实际情况选择合适的安全绳进行固定。
二、电气安全操作1.对于交流电工作,必须确保工作区域已断电,并且设有明显的告示牌,禁止他人接通电源。
2.使用绝缘手套和工具进行电气维修和安装工作,避免直接接触电流。
3.在进行电气设备维修或更换时,必须使用绝缘工具,并确保手部和工具干燥,以避免电击。
4.严禁在潮湿或有水的环境下进行电气工作,以免发生漏电事故。
5.定期检查电气设备的接地情况,确保接地良好,避免接地故障导致的安全事故。
三、高处作业安全1.在进行高处作业前必须检查安全设施,并确保安全网、扶手和防滑装置等设施完好。
2.在高处作业时要保持平衡,不要低头看手机或其他物品,以免因注意力分散导致坠落。
3.在升降台上作业时,应确保平台稳定,并严禁超载操作,避免发生升降台坠落事故。
4.高处作业时必须佩戴安全带,并严格按照正确的固定方法固定,确保自身安全。
四、交通安全1.严格遵守交通法规,维护施工区域的交通秩序,确保交通人员和车辆的安全。
2.在安装和维护交通信号设备时,必须设置明显的警示标志,并设立专门的警戒线,将危险区域与行人和车辆隔离开来。
3.及时清理施工现场产生的垃圾和杂物,保持道路通畅,避免因施工原因导致交通堵塞和事故发生。
五、紧急情况应急措施1.在发生紧急情况时,第一时间拨打应急电话并向负责人报告,同时采取适当的措施避免事故扩大。
主井信号工安全技术操作规程一、引言主井信号工作是煤矿生产中重要的环节之一,关乎着井下人员的生命安全和生产的顺利进行。
为了确保主井信号工作的安全进行,制定本操作规程,明确主井信号工作的操作要求和安全措施。
二、岗位职责1. 主井信号工是井下人员的眼睛和耳朵,必须时刻保持警惕,及时发现并报告异常情况。
2. 主井信号工必须熟悉煤矿的通信设备和信号系统,能够正确操作并维护设备。
3. 主井信号工必须与地面的监控人员和井下的工作人员保持良好的沟通和协作,确保信息的畅通。
三、操作规程1. 在开始主井信号工作之前,主井信号工必须穿戴好防护装备,并对通信设备进行检查,确保设备正常运行。
2. 主井信号工必须熟悉煤矿的信号系统,并根据工作需要了解当前信号系统的运行状态。
3. 在主井信号工作期间,主井信号工必须时刻关注信号系统的运行情况,并发现异常情况时立即报告给地面监控人员。
4. 主井信号工必须按照规定的操作流程进行工作,并确保操作的准确性和效率。
5. 主井信号工在接收到地面监控人员的指令时,必须按照指令的要求进行操作,并在完成后及时向地面监控人员报告操作结果。
6. 主井信号工必须定期对通信设备进行检查和维护,确保设备的正常运行。
7. 主井信号工在发现通信设备出现故障时,必须及时向维修人员报告,并在等待维修期间采取临时措施确保通信畅通。
8. 主井信号工在工作完成后,必须将工作地点整理干净,并将通信设备按规定归位。
四、安全措施1. 主井信号工在操作过程中必须注意自身安全,避免发生人身事故。
2. 主井信号工在进行高处作业时,必须佩戴好安全带,并确保安全带牢固可靠。
3. 主井信号工在进行维修工作时,必须切断相应设备的电源,并遵循安全维修操作规程。
4. 主井信号工必须严格遵守通信设备的使用规定,并不得私自更改或拆卸设备。
5. 主井信号工在发现设备故障时,必须立即采取措施隔离设备,并向有关人员报告。
6. 主井信号工必须定期参加安全培训,提高安全意识和应急处理能力。
信号工安全操作规程
1、指挥人员应由技术熟练、懂得起重机械性能的人员担任指挥人员应佩戴鲜明的标志,如标有“指挥”字样的臂章、特殊颜色的安全帽、工作服等。
2、对起重机司机和指挥人员,必须由有关部门进行标准的安全技术培训;经考试合格,取得合格证后方能操作指挥.
3、指挥时应站在能够照顾到全面工作的地点,所发信号应事先统一,并做到准确、宏亮和清楚。
指挥信号要事先向起重机司机交待清楚,如遇操作过程中看不清指挥信号时,应设中转助手,准确传递信号;当发现错误信号时,应立即发出停止信号.
4、指挥人员使用手势信号以本人的手心、手指或手臂表示吊钩、吊臂和机械移动的运动方向;指挥手势要清晰,信号要明确,严禁带手套指挥.
5、司机必须听从指挥人员指挥,当指挥信号不明时,司机应发出“重复”信号询问,明确指挥意图后,方可开车。
6、起吊物件时,应先检查捆缚是否牢固,绳索经过有棱角、快口处应设衬垫,吊位重心要准确,不许物件在受力后产生扭曲、沉斜等现象。
7、在所吊物件就位固定前,起重机司机不得离开工作岗位,严禁在索具受力或起吊物悬空的情况下中断工作。
8、在开始起吊负载时,应先用“微动”信号指挥,待负载离开地面100—200mm 稳妥后,再用正常速度指挥;必要时在负载降落前,也应使用“微动”信号指挥.
9、指挥人员应站在使司机能看清信号的位置上,当跟随负载运行指挥时,应随时指挥负载避开人员和障碍物.
10、当起重机司机因物件超重拒绝起吊时,指挥人员应采取措施,设法减轻起重机超重负荷,严禁强化指挥起重机超负荷作业。
11、负载降落前,指挥人员必须确认降落的安全区域,方可发出降落信号。
信号工的安全操作规程信号工是负责安装、维护和修理信号设备以确保铁路运输安全的重要职业。
由于信号工作涉及电气和机械领域,存在一定的安全风险。
因此,信号工必须遵守严格的安全操作规程以保障自己和他人的安全。
以下是信号工应当遵守的安全操作规程。
一、工作前的准备1. 提前计划工作内容和程序,并确定必要的工具和设备。
2. 检查工作区域和设备是否符合安全要求,确保工作区域没有明显的安全隐患,如漏电、松动的导线等。
3. 确保所需的工具和设备处于良好状态,并已经接受维护和检修。
二、个人防护措施1. 佩戴符合安全标准的个人防护装备,如安全帽、防护眼镜、防护手套、防护服和防滑鞋等。
2. 根据工作环境的需要,佩戴适当的呼吸器具和耳塞或耳罩。
3. 保持个人卫生,定期洗手并注意清洁工作服。
三、安全操作规范1. 在工作之前,确保设备的电源已断开,并采取适当的断电措施,如拉出插头或关闭开关。
2. 对于带电设备的操作,必须经过相应的电工证书培训并掌握正确的操作方法。
3. 严禁随意更改或调整信号设备的参数和设置,除非经过授权和必要的程序。
4. 在操作设备或进行维护工作时,不得穿戴宽松的衣物或长发,以防被卷入设备或导致安全事故。
5. 在接触电缆、导线等带电设备时,确保手部干燥和穿戴绝缘手套。
6. 当进行高处作业时,必须使用合适的登高设备,并严格遵守相关的安全操作规程。
7. 在使用机械设备和工具时,必须接受相关的培训,并且必须符合其安全操作要求。
8. 当操作设备时,严禁随意离开工作区和设备,必须在操作完毕或临时中断时进行妥善安置。
9. 在进行安装、维护或修理工作时,必须按照操作手册或相关指导书的要求进行操作,并确保操作正确有效。
四、应急处置1. 了解紧急救援电话号码和逃生路线,并知道如何使用灭火器和其他紧急设备。
2. 在发生紧急情况时,必须立即停止工作,并采取适当的紧急处置措施。
3. 如果在工作中发现安全隐患或设备故障,应立即上报相关部门或主管,并根据安全规程采取必要的临时措施。
信号工安全操作规程一、总则1.1为保障信号工作人员的生命财产安全,确保信号工作的顺利进行,制定本安全操作规程。
1.2本规程适用于所有从事信号工作的工作人员,包括信号工程师、信号技术员等。
1.3信号工作人员在进行工作时必须严格按照本规程执行,不得违反规定,确保自己和他人的安全。
二、作业前准备2.1信号工作人员应了解信号设备的性能及维修要求,具备相关工作技能和知识。
2.2信号工作人员应穿戴符合规定的工装、安全帽、防护鞋等个人防护用品。
2.3信号工作人员应检查工作设备的完好性,并确保设备操作正常。
2.4信号工作人员应确保施工现场无明火、易燃爆物和其他危险物品。
三、信号设备维修操作3.1信号工作人员在进行信号设备维修操作前,必须关掉相关电源开关,并切断相关线路的电源,确保自身安全。
3.2信号工作人员在更换信号设备零部件时,应先关闭相关装置的电源,并进行锁定操作,防止误操作。
3.3信号工作人员在更换信号电缆时,应将电缆接地,确保自己和设备的安全。
3.4信号工作人员在进行信号设备维修操作时,应按照维修操作规程进行,不得擅自改变工作方法。
四、作业现场安全管理4.1信号工作人员在作业现场应正确标识警示牌和安全标志,确保他人了解作业现场的危险情况。
4.2信号工作人员应确保作业现场的照明充足,避免因照明不良而导致安全事故的发生。
4.3信号工作人员应保持作业现场的整洁,防止杂物堆放,避免绊倒或其他意外伤害。
4.4信号工作人员在作业现场应正确使用工具和设备,不得乱扔、乱放,避免产生危险。
4.5信号工作人员在作业现场应保持良好的工作秩序,不得喧哗、打闹,确保安全操作。
五、危险预防与应急处理5.1信号工作人员在作业现场应识别潜在的危险因素,采取相应的风险控制措施。
5.2信号工作人员发现设备或线路异常时,应立即上报相关负责人,并采取应急措施,防止事故扩大。
5.3信号工作人员在遇到突发情况时,应冷静应对,迅速撤离现场,保护自己的生命安全。
信号工安全操作规程标准化管理部编码-[99968T-6889628-J68568-1689N]信号工安全技术操作规程信号工主要从事地面工作,其工作职责和范围与整个吊装搬运作业安全关系极大。
其操作规程如下:1、信号工必须经过专业技术培训,经考试合格后持证上岗,无证人员严禁从事信号指挥工作,现场作业时佩戴红袖标和穿黄色反光背心标识身份。
塔吊司机和信号工明确责任,信号统一、清晰、准确,根据现场施工和所吊物料情况,每台塔吊配置1-4名信号指挥人员,保证所吊物料安全可靠的吊运到指定位置。
严禁酒后上岗,作业中禁止闲聊、听广播、玩手机等与工作无关的事。
2、准备吊具:对吊物的重量和重心估计要准确,每次吊装都要对吊索卡具的安全状态进行仔细的检查,如果是旧吊索应根据情况降级使用,绝不可侥幸超载或使用已报废的吊索卡具。
米以下短小物料、零散物料必须使用容器吊运。
3、捆绑吊物:吊运不同形状或尺寸的物品必须捆绑牢固,防止坠落伤人;吊物捆扎部位的毛刺要打磨平滑,尖棱利角应加垫物,防止起吊受力后损坏吊绳索卡具;表面光滑的吊物应采取措施来防止起吊索滑动或吊物滑脱;禁止搭载短小零散物料和工具;吊运大而重的物体应加牵引绳,牵引绳长度应能使挂钩人员既可握住绳头,同时又能避开吊物正下方,以便发生意外时挂钩人员可利用该绳控制吊物。
4、挂钩起钩。
吊钩要位于被吊物重心的正上方,不准斜拉硬拽,防止提升后吊物翻转、摆动;吊物高大需要垫物攀高挂钩、摘钩时,脚踏物一定要固定垫实,禁止使用易滚动物体做脚踏物。
攀高必须佩戴安全带,防止人员坠落跌伤;挂钩要坚持“五不挂”、“十不吊”:即起重物重量不明不挂,重心位置不清楚不挂,尖棱利角和易滑工件无衬垫物不挂,吊具及配套工具不合格或报废不挂,包装松散捆绑不良不挂等,将不安全隐患消除在挂钩前;当多人吊挂同一吊物时,必须由一专人负责指挥,在确认吊挂完毕,所有人员都远离站在安全位置以后,才可发出缓慢起钩信号,起吊10-20cm后检查所吊物料是否捆绑牢靠,确认安全可靠后方可继续起钩,并通知地面人员注意避让,禁止站在吊物倾翻、坠落可波及的范围内。
信号工安全操作规程为了保障信号工人员的人身安全,规范信号系统设备的操作、维护和管理,特制定本《信号工安全操作规程》。
第一章总则第一条本规程适用于进行信号系统设备操作、维护和管理的信号工人员。
第二章信号作业前的安全检查第二条进入作业现场前,信号工人员应当认真检查安全装备是否完备,如安全帽、安全鞋、安全绳、挂锁等。
第三条检查信号设备和绝缘杆有无老化、裂纹和漏电,应确保设备及绝缘杆不存在安全隐患。
第四条检查正在或已经运行的列车,确认列车已停止或已经开出现场。
第三章信号作业中的安全操作第五条确认安全在进行信号作业前,必须进行讨论并就重点事项达成共识,确认信号作业的安全保障措施已到位,方可进入作业现场。
第六条禁止在直流电路和交流电路上触碰生电部位,应戴好绝缘手套。
第七条禁止在车站作业时,接近铁路,并禁止爬越、倚梯或头伸出车站外侧。
第八条在设备维护或检修过程中,切勿随意拆卸开关箱和电线杆。
第九条禁止随身携带易燃、易爆物品进入作业现场,以免引起事故。
第十条禁止触摸其他车站的信号电器设施,以免误操作、引起事故。
第十一条在信号设备的系统调试、稳定期间,任何人不得私自触摸、移动、调节信号系统设备,以避免引起故障。
第十二条信号设备作业中,如遇特殊情况,必须立即停止作业,并通知有关部门处理。
第四章事故处理第十三条任何信号工人员应该了解本规程的内容和安全注意事项,并应该不断学习和应用,提高安全意识,以预防事故的发生。
第十四条凡违反本规程行为的,将由有关部门严格处理,情节较重者移交司法处理。
第五章附则第十五条本规程自发文之日起施行,同时废止以前的相关规定。
望各位信号工人员严格执行,做到安全第一,以免事故的发生。
信号工安全技术操作规程
信号工主要从事地面工作,其工作职责和范围与整个吊装搬运作业安全关系极大。
其操作规程如下:
1、信号工必须经过专业技术培训,经考试合格后持证上岗,无证人员严禁从事信号指挥工作,现场作业时佩戴红袖标和穿黄色反光背心标识身份。
塔吊司机和信号工明确责任,信号统一、清晰、准确,根据现场施工和所吊物料情况,每台塔吊配置1-4名信号指挥人员,保证所吊物料安全可靠的吊运到指定位置。
严禁酒后上岗,作业中禁止闲聊、听广播、玩手机等与工作无关的事。
2、准备吊具:对吊物的重量和重心估计要准确,每次吊装都要对吊索卡具的安全状态进行仔细的检查,如果是旧吊索应根据情况降级使用,绝不可侥幸超载或使用已报废的吊索卡具。
1.5米以下短小物料、零散物料必须使用容器吊运。
3、捆绑吊物:吊运不同形状或尺寸的物品必须捆绑牢固,防止坠落伤人;吊物捆扎部位的毛刺要打磨平滑,尖棱利角应加垫物,防止起吊受力后损坏吊绳索卡具;表面光滑的吊物应采取措施来防止起吊索滑动或吊物滑脱;禁止搭载短小零散物料和工具;吊运大而重的物体应加牵引绳,牵引绳长度应能使挂钩人员既可握住绳头,同时又能避开吊物正下方,以便发生意外时挂钩人员可利用该绳控制吊物。
4、挂钩起钩。
吊钩要位于被吊物重心的正上方,不准斜拉硬拽,防止提升后吊物翻转、摆动;吊物高大需要垫物攀高挂钩、摘钩时,脚踏物一定要固定垫实,禁止使用易滚动物体做脚踏物。
攀高必须佩戴安全带,防止人员坠落跌伤;挂钩要坚持“五不挂”、“十不吊”:即起重物重量不明不挂,重心位置不清楚不挂,尖棱利角和易滑工件无衬垫物不挂,吊具及配套工具不合格或报废不挂,包装松散捆绑不良不挂等,将不安全隐患消除在挂钩前;当多人吊挂同一吊物时,必须由一专人负责指挥,在确认吊挂完毕,所有人员都远离站在安全位置以后,才可发出缓慢起钩信号,起吊10-20cm后检查所吊物料是否捆绑牢靠,确认安全可靠后方可继续起钩,并通知地面人员注意避让,禁止站在吊物倾翻、坠落可波及的范围内。
5、摘钩卸载。
吊物运输到位前,应预先选择好安置位置,要缓慢下降至1米时方可上人帮扶,轻缓就位,卸载时不要挤压电气线路和其他管线,不要阻塞通道;针对不同吊物种类应采取措施加以支撑、垫稳、归类摆放,不得混码、互相挤压、超高、悬空摆放,防止吊物滚落、侧倒、塌垛等;摘钩时应将所有吊索完全松驰再进行,确认所有绳索从钩上卸下再起钩,禁止抖、晃绳摘索和利用起重机抽索。
6、吊装搬运过程的指挥。
无论采用何种指挥信号,必须统
一、规范、准确、明了;各部位信号工所处位置应能全面观察作业现场,随时注意和观察相邻塔吊运转情况,尽量避开下方人员密集作业区域,吊物超越障碍物体时垂直高度不小于1.5米,并使司机、司索工都可清楚看到;在作业进行的整个过程中(特别是重物悬挂在空中时),信号工都不得擅离职守,应密切注意观察吊物及周围情况,发现问题及时发出指挥信号。