高频小信号放大电路实验报告
- 格式:docx
- 大小:1.02 MB
- 文档页数:2
高频实验报告(电子版)班级:班级:学号:学号:姓名:姓名:201年月实验一、小信号谐振放大器 1:本次实验电原理图输入信号Ui(mV P-P)50mV P-P放大管电流Ic 1 0.5mA 1mA 2mA 3mA 4mA 4.5mA 输出信号Uo(V P-P)2-1:直流工作点与对放大器影响关系得结论:输入信号Ui(mV P-P) 50mV P-P阻尼电阻R Z (1K2=1) R=∞(R11) R=100 Ω(R7) R=1K(R6) R=10K(R5) R=100K输出信号Uo(V P-P)3-1:阻尼电阻—LC 回路的特性曲线图3-2:阻尼电阻—LC 回路的特性结论4:逐点法测量放大器的幅频特性实验电原理图粘贴处特性曲线图 粘贴处输入信号幅度(mV P-P)50mV P-P输入信号(MHz )2727.52828.52929.530输出幅值(V P-P)输入信号 (MHz ) 30.53131.53232.533输出幅值(V P-P)4-1:放大器的幅频特性曲线图4-2:放大器的的特性结论5:本次实验实测波形选贴选作思考题:(任选一题)1. 单调谐放大器的电压增益K U 与哪些因素有关?双调谐放大器的有效频带宽度B 与哪些因素有关?2.改变阻尼电阻R 数值时电压增益K U 、有效频带宽度B 会如何变化?为什么?3. 用扫频仪测量电压增益输出衰减分别置10dB 和30dB 时,哪种测量结果较合理?4. 用数字频率计测量放大器的频率时,实测其输入信号和输出信号时,数字频率计均能正确显示吗?为什么?5. 调幅信号经放大器放大后其调制度m 应该变化吗?为什么?思考题( )答案如下:幅频特性曲线图粘贴处实测波形1 粘贴处 实测波形2 粘贴处实验二、高频谐振功率放大器1:本次实验电原理图2: 谐振功放电路的交流工作点统调实测值级别激励放大级器(6BG1) 末级谐振功率放大器(6BG2)测量项目注入信号U i(V6-1)激励信号U bm(V6-2)输出信号U0(V6-3)未级电流I C(mA)峰峰值V P-P有效值VU bm(V p-p)1 2 3 4 5 Uo(V p-p)Ic(mA)3-1:谐振功率放大器的激励特性U bm–U0特性曲线图3-2:谐振功率放大器的的特性结论U bm–U0特性曲线图粘贴处实验电原理图粘贴处RL(Ω) 50Ω 75Ω 100Ω 125Ω 150Ω 螺旋天线Uo(V p-p) (V6-3) Ic(mA) (V2)4-1:谐振功率放大器的负载特性RL-- Uo 特性曲线图4-2:谐振功率放大器的RL-- Uo 特性结论V2 (V) 2 V 4V 6V 8V 10V 12V U O (V p-p ) Ic (mA)5-1:谐振功率放大器的电压特性V2—Uo 特性曲线图5-2:谐振功率放大器的V2—Uo 特性结论V2—Uo 特性曲线图粘贴处RL-- Uo 特性曲线图粘贴处6:谐振放大器高频输出功率与工作效率的测量:电源输入功率P D : Ic = mA 、 V2 = V 、 P D = mW 高频输出功率P 0 : Uo = V p-p RL = Ω P 0 = mW 电路工作效率η: %5:本次实验实测波形选贴选作思考题:(任选一题)1 当调谐末级谐振回路时,会出现i C 的最小值和U 0的最大值往往不能同时出现。
高频实验一高频小信号调谐放大器实验一、实验目的1.进一步掌握高频小信号调谐放大器的工作原理和基本电路结构。
2.掌握高频小信号调谐放大器的调试方法。
3.掌握高频小信号调谐放大器各项技术参数(电压放大倍数,通频带,矩形系数)的测试方法。
4.熟练掌握multisim 软件的使用方法,并能够通过仿真而了解到电路的一些特性以及各电路原件的作用二、实验仪器1.小信号调谐放大器实验板2.200MHz 泰克双踪示波器(Tektronix TDS 2022B) 3. 8808A FLUKE 万用表 4.220V 市电接口 5.EE1461高频信号源 6.AT6011 频谱分析仪7.PC 一台(附有multisim 仿真软件)三、实验原理1.小信号调谐放大器的基本原理小信号调谐放大器的作用是有选择地对某一频率范围的高频小信号进行放大 。
所谓“小信号”,通常指输入信号电压一般在微伏 毫伏数量级附近,由于信号小,从而可以认为放大器工作在晶体管的线性范围内。
所谓“调谐”,主要是指放大器的集电极负载为调谐回路。
这种放大器对谐振频率f 及附近频率的信号具有较强的放大作用,而对其它远离f 的频率信号,放大作用很差。
高频小信号调谐放大器是我主要质量指标如下:1.增益:放大器输出电压与输入电压之比,用来表示高频小信号调谐放大器放大微弱信号的能力 ,即2.通频带:通常规定放大器的电压增益下降到最大值的0.707倍时,所对应的频率范围为高频放大器的通频带,用B 0.7表示。
3.选择性:从含有各种不同频率的信号总和(有用和有害的)中选出有用信 号排除有害(干扰)信号的能力,称为放大器的选择性。
衡量选择性的基本指标 一般有两个:矩形系数和抑制比。
矩形系数通常用K 0.1表示,它定义为,其中是指放大倍数下降至0.1处的带宽。
且矩形系数越小,选择性越好,其抑制邻近无用信号的能力就越强。
抑制比见末尾附录,此处略。
4.稳定性:指放大器的工作状态(直流偏置)、晶体管的参数、电路元件参数等发生可能的变化时,放大器的主要特性的稳定程度。
高频小信号调谐放大器实验报告一、实验目的1、掌握高频小信号谐振电压放大器的电路组成与基本工作原理。
2、熟悉谐振回路的调谐方法及测试方法。
3、掌握高频谐振放大器处于谐振时各项主要技术指标意义及测试技能。
二、实验内容1、谐振频率的调整与测定。
2、主要技术性能指标的测定:谐振频率、谐振放大增益Avo及动态范围、通频带BW0.7。
三、实验仪器1、1号板信号源模块 1块2、2号板小信号放大模块 1块3、6号板频率计模块 1块4、双踪示波器 1台5、万用表 1块6、扫频仪(可选) 1块四、单调谐小信号放大器实验原理小信号谐振放大器是接收机的前端电路,主要用于高频小信号或微弱信号的线形放大。
实验单元电路由晶体管N1和选频回路T1组成,不仅对高频小信号放大,而且还有选频作用。
实验原理图见图1。
本实验中单调谐小信号放大的谐振频率为fs=10.7MHz。
放大器各项性能指标及测量方法如下:1、谐振频率放大器的调谐回路谐振时所对应的频率f0称为放大器的谐振频率,对于图1-1所示电路(也是以下各项指标所对应电路),f0的表达式为∑=LC f π210式中L 为调谐回路电感线圈的电感量;∑C 为调谐回路的总电容,∑C 的表达式为ie oe C P C P C C 2221++=∑式中Coe 为晶体管的输出电容;Cie 为晶体管的输入电容;P1为初级线圈抽头系数;P2为次级线圈抽头系数。
谐振频率f0的测量方法是:用扫频仪作为测量仪器,测出电路的幅频特性曲线,调变压器T 的磁芯,使电压谐振曲线的峰值出现在规定的谐振频率点f0。
2、电压放大倍数放大器的谐振回路谐振时,所对应的电压放大倍数AV0称为调谐放大器的电压放大倍数。
AV0的表达式为Gg p g p y p p g y p p v v A ie oe fe fei V ++-=-=-=∑2221212100式中,∑g 为谐振回路谐振时的总电导。
要注意的是y fe 本身也是一个复数,所以谐振时输出电压V 0与输入电压V i 相位差不是180º而是为180º+Φfe 。
实验1高频小信号放大器幅频特性曲线为:带宽:8.0*0.7=5.6Bw1=6.6-6.1=0.5MHz2、观察集电极负载对单调谐回路谐振放大器幅频特性的影响当放大器工作于放大状态下,运用上步点测法测出接通与不接通1R3的幅频特性曲线。
既令2K1置“on”,重复测量并与上步图表中数据作比较。
f/MHz 5.4 5.5 5.6 5.7 5.8 5.9 6.0 6.1 6.2 6.3 6.4 6.5 6.6 6.7 6.8 6.9 7.0 7.1U/mV 1.7 1.9 2.0 2.4 2.6 3.2 3.6 4.0 5.2 5.6 5.6 5.2 4.4 3.8 3.2 2.6 2.4 2.0幅频特性曲线为:5.6*0.7=3.92;Bw2=6.65-6.1=0.55MHz3、双调谐回路谐振放大器幅频特性测量(保持输入幅度不变,改变输入信号的频率,测出与频率相对应的双调谐放大器的输出幅度,然后画出频率与幅度的关系曲线,该曲线即为双调谐回路放大器的幅频特性。
)2K2往上拨,接通2C6(80P),2K1置off。
高频信号源输出频率6.3MHZ(用频率计测量),幅度300mv,然后用铆孔线接入双调谐放大器的输入端(IN)。
2K03往下拨,使高频信号送入放大器输入端。
示波器CH1接2TP01,示波器CH2接放大器的输出(2TP02)端。
反复调整2C04、2C11使双调谐放大器输出为最大值,此时回路谐振于6.3MHZ。
按照下表改变高频信号源的频率(用频率计测量),保持高频信号源输出幅度峰——峰值为300mv(示波器CH1监视),从示波器CH2上读出与频率相对应的双调谐放大器的幅度值,并把数据填入下表中。
f/MHz 4.8 5.0 5.2 5.4 5.7 5.8 5.9 6.0 6.2 6.3 6.4 6.5 6.6 6.7 6.8 6.9 7.0 7.1 U/mV 0.8 1.4 2.6 4.2 8.0 8.8 8.0 8.0 8.0 8.2 8.4 6.4 4.8 3.2 2.0 1.8 1.4 1.2 幅频特性曲线:8*0.7=5.6V;Bw3=6.55-5.5-1.05MHz4、放大器动态范围测量2K1置off,2K2置单调谐,接通2C6.高频信号源输出接双调谐放大器的输入端(IN),调整高频信号源频率为6.3MHz,幅度为100mV。
基于Multisim的通信电路仿真实验实验一高频小信号放大器1.1 实验目的1、掌握高频小信号谐振电压放大器的电路组成与基本工作原理。
2、熟悉谐振回路的调谐方法及测试方法。
3、掌握高频谐振放大器处于谐振时各项主要技术指标意义及测试技能。
1.2 实验容1.2.1 单调谐高频小信号放大器仿真图1.1 单调谐高频小信号放大器1、根据电路中选频网络参数值,计算该电路的谐振频率ωp。
ωp=1/(L1*C3)^2=2936KHz fp=ωp/(2*pi)=467KHz2、通过仿真,观察示波器中的输入输出波形,计算电压增益Av0。
下图中绿色为输入波形,蓝色为输出波形Avo=Vo/Vi=1.06/0.252=4.2063、利用软件中的波特图仪观察通频带,并计算矩形系数。
通频带BW=2Δf0.7=7.121MHz-28.631KHz=7.092MHz矩形系数Kr0.1=(2Δf0.1)/( 2Δf0.7)=(14.278GHz-9.359KHz)/7.092MHz=2013.2544、改变信号源的频率(信号源幅值不变),通过示波器或着万用表测量输出电压的有效值,计算出输出电压的振幅值,完成下列表,并汇出f~Av相应的图,根据图粗略计算出通频带。
Fo(KHz) 65 75 165 265 365 465 1065 1665 2265 2865 3465 4065 Uo(mV) 0.669 0.765 1 1.05 1.06 1.06 0.977 0.816 0.749 0.653 0.574 0.511 Av 2.655 3.036 3.968 4.167 4.206 4.206 3.877 3.238 2.972 2.591 2.278 2.0285、在电路的输入端加入谐振频率的2、4、6次谐波,通过示波器观察图形,体会该电路的选频作用。
2次谐波4次谐波6次谐波1.2.2 双调谐高频小信号放大器图1.2 双调谐高频小信号放大器1、通过示波器观察输入输出波形,并计算出电压增益Av0。
高频小信号放大电路
一.实验目的
1.了解Multisim软件的各项功能,掌握其使用方法。
2.通过使用Multisim软件来仿真电路,掌握高频小信号调谐放大器的工作原理。
3.了解负载对谐振回路的影响。
4.掌握高频小信号放大器动态范围的测试方法。
二.实验内容
1.并联谐振回路的演示仿真分析。
2.测试小信号放大器的静态工作状态。
3.观察放大器输出波形与谐振回路的关系。
4.测试放大器的幅频特性。
5.观察放大器的动态范围。
三.绘图
四.数据处理
<4>.动态数据分析:
增益计算公式:(2.)
幅频特性曲线:。
1-3 小信号调谐放大器一 .实验目的1.熟悉电子元器件和高频电子线路实验系统;2.掌握单调谐和双调谐放大器的基本工作原理;3.掌握测量放大器幅频特性的方法;4.熟悉放大器集电极负载对单调谐和双调谐放大器幅频特性的影响;5.了解放大器动态范围的概念和测量方法。
二 . 实验内容1.采用点测法测量单调谐和双调谐放大器的幅频特性;2.用示波器测量输入、输出信号幅度,并计算放大器的放大倍数;3.用示波器观察耦合电容对双调谐回路放大器幅频特性的影响;4.用示波器观察放大器的动态范围;5.观察集电极负载对放大器幅频特性的影响。
三 .实验步骤1.实验准备在实验箱主板上插装好无线接收与小信号放大模块,插好鼠标接通实验箱上电源开关,此时模块上电源指示灯和运行指示灯闪亮。
2.单调谐回路谐振放大器幅频特性测量测量幅频特性通常有两种方法,即扫频法和点测法。
扫频法简单直观,可直接观察到单调谐放大特性曲线,但需要扫频仪。
点测法采用示波器进行测试,即保持输入信号幅度不变,改变输入信号的频率,测出与频率相对应的单调谐回路谐振放大器的输出电压幅度,然后画出频率与幅度的关系曲线,该曲线即为单调谐回路谐振放大器的幅频特性。
(1)扫频法,即用扫频仪直接测量放大器的幅频特性曲线。
利用本实验箱上的扫频仪测试的方法是:用鼠标点击显示屏,选择扫频仪,将显示屏下方的高频信号源(此时为扫频信号源)接入小信号放大的输入端(1P1), 将显示屏下方的“扫频仪”与小信号放大的输出(1P8) 相连。
按动无线接收与小信号放大模块上的编码器(1SS1),选择1K2指示灯闪亮,并旋转编码器(1SS1) 使1K2指示灯长亮,此时小信号放大为单调谐。
显示屏上显示的曲线即为单调谐幅频特性曲线,调整1W1、1W2曲线会有变化。
用扫频仪测出的单调谐放大器幅频特性曲线如下图:图1-5 扫频仪测量的幅频特性(2)点测法,其步骤如下:① 通过鼠标点击显示屏,选择实验项目中“高频原理实验”,然后再选择“小信号调谐放大电路实验”,通过选择“小信号调谐放大”后,显示屏上显示小信号调谐放大器原理电路图。
高频小信号调谐放大器实验结论高频小信号调谐放大器是一种常见的电路,在无线通信中起到了至关重要的作用。
我们进行了一系列实验,研究了这种电路的性能和特点,得出了以下结论。
首先,高频小信号调谐放大器的主要作用是放大高频小信号。
在实验中,我们使用了两个变容二极管,一个电感和一个晶体管来构建这个电路。
当输入的高频小信号经过变容二极管调谐后,经由电感和晶体管放大后输出。
其次,调谐电路的参数非常重要,对电路性能有重要影响。
我们通过改变两个变容二极管的电容值和电感器的电感值,调整电路的谐振频率,从而得到最佳的放大效果。
在调整电路参数时,我们需要注意电路共振的问题,以防止电路失稳。
第三,晶体管的选择也非常关键。
我们选择了高频放大器专用的双极晶体管,能够提供更高的放大倍数和更好的线性度。
在实验中,我们还尝试了改变晶体管的偏置电压和失谐度对电路性能的影响。
第四,我们还研究了高频小信号调谐放大器的频率响应特性。
实验结果表明,电路在其工作频率范围内,输出信号的增益随着频率的变化而变化。
我们根据实验结果绘制了频率响应曲线,从而对电路的性能有了更深刻的了解。
最后,我们还针对不同的应用场景,进行了一系列的实际测试。
实验结果表明,在不同的频段和输入信号功率下,电路的增益和性能均有不同程度的变化。
因此,在实际应用中,需要根据具体情况进行参数调整和电路优化。
总之,高频小信号调谐放大器是一种非常实用的电路,在无线通信、雷达和电视等行业有着广泛的应用。
通过本次实验,我们对这种电路的特点、性能和应用有了更深入的了解,并可以为实际应用提供指导意义。
实验一高频小信号谐振放大器一、实验目的1.高频小信号谐振放大器的工作原理及电路构成和电路元器件的作用。
2.了解高频小信号的质量指标和谐振放大器的性能。
3.掌握L,C参数对谐振频率的影响。
4.分析单调谐回路放大器的质量指标,测量电压增益,测量功率增益;测量放大器的频率。
二、预习要求1.复习高频小信号放大器的功用。
答:高频小信号放大器主要用于放大高频小信号, 属于窄带放大器。
由于采用谐振回路作负载,解决了放大倍数、通频带宽、阻抗匹配等问题,高频小信号放大器又称为小信号放谐振放大器。
就放大过程而言,电路中的晶体管工作在小信号放大区域中,非线性失真很小。
一方面可以对窄带信号实现不失真放大,另一方面又对带外信号滤除, 有选频作用。
2.高频小信号放大器,按有源器件分可分为:_以分立元件为主的集中选频放大器__,_以集成元件为主的集中选频放大器_;按频带宽度可分为:_窄带放大器_,宽带放大器。
三、实验内容1.参照电路原理图1-1连线。
,计算回路电容和回路2.图1-1为一单调谐回路中频放大器,已知工作频率f电感。
图1-1 小信号谐振放大器1.在选用三极管时要查晶体管手册,使参数合理。
2.观察瞬态分析的波形输出及频谱分析是否合理。
3.在pspice中设定:参数,AC=100mV、V OFF =0V,Vampl=300mV,freq=10MegHz。
V2参数CD=12V。
V1在AC Sweep中设定参数:①在AC Sweep Type中选 Decade。
②在Sweep Parameters 中选pts/Decade为20、Stort Fred为10k、End Fred为500MEG。
、Lntervat为10。
③AC Sweep Type中选 Output Voltoge为V(A)、1/V为V1四、实验报告1.根据输入信号的幅度和频率,测出输出信号的幅度和频率,完成表1-12.画出输入信号和输出信号的波形;(根据图形输出)仿真图如下:3.分析单调谐回路谐振放大器的质量指标:(1)测量电压增益;=60Au=UoUi(2)测量放大器的通频带;谐振回路的通频带:BW=fH-fL =0.02MHz实验二三点式振荡器一、实验目的1.熟悉三点式振荡器的工作原理及电路构成。
实验一 小信号调谐放大器实验报告一 实验目的1.进一步掌握高频小信号调谐放大器的工作原理和基本电路结构。
2.掌握高频小信号调谐放大器的调试方法。
3.掌握高频小信号调谐放大器各项技术参数(电压放大倍数,通频带,矩形系数)的测试。
二、实验使用仪器1.小信号调谐放大器实验板 2.200MH 泰克双踪示波器 3. FLUKE 万用表 4. 模拟扫频仪(安泰信) 5. 高频信号源 三、实验基本原理与电路 1、 小信号调谐放大器的基本原理所谓“小信号”,通常指输入信号电压一般在微伏 毫伏数量级附近,放大这种信号的放大器工作在线性范围内。
所谓“调谐”,主要是指放大器的集电极负载为调谐回路(如LC 调谐回路)。
这种放大器对谐振频率0f 及附近频率的信号具有最强的放大作用,而对其它远离0f 的频率信号,放大作用很差,如图1-1所示。
图1.1 高频小信号调谐放大器的频率选择特性曲线小信号调谐放大器技术参数如下:K ( f ) / K 010.7070.10f 0B 0.7B 0.1f1.增益:表示高频小信号调谐放大器放大微弱信号的能力2.通频带和选择性:通常规定放大器的电压增益下降到最大值的0.707倍时,所对应的频率范围为高频放大器的通频带,用B0.7表示。
衡量放大器的频率选择性,通常引入参数——矩形系数K0.1。
2.实验电路原理图分析:In1是高频信号输入端,当信号从In1输入时,需要将跳线TP1的上部连接起来。
In2是从天线接收空间中的高频信号输入,电感L1和电容C1,C2组成选频网络,此时,需要将跳线TP1的下部连接起来。
电容C3是隔直电容,滑动变阻器RW2和电阻R2,R3是晶体管基极的直流偏置电阻,用来决定晶体管基极的直流电压,电阻R1是射极直流负反馈电阻,决定了晶体管射极的直流电流Ie。
晶体管需要设置一个合适的直流工作点,才能保证小信号谐振放大器正常工作,有一定的电压增益。
通常,适当的增加晶体管射极的直流电流Ie可以提高晶体管的交流放大倍数 ,增大小信号谐振放大器的放大倍数。
实验报告——高频小信号调谐放大器实验一、实验目的1.熟悉高频电路实验箱,示波器,扫频仪的使用。
2.掌握高频小信号谐振电压放大器的电路组成与基本工作原理。
3.熟悉谐振回路的调谐方法及幅频特性测试分析方法。
4.掌握高频谐振放大器处于谐振时各项主要技术指标意义及测试技能。
二、实验条件实验仪器1、1号板信号源模块 1块2、2号板小信号放大模块 1块3、6号板频率计模块 1块4、双踪示波器 1台5、扫频仪(可选) 1块三、实验原理1、单调谐小信号放大器高频信号放大器工作频率高,但带宽相对工作频率却很窄。
按器件分:BJT、FET、集成电路(IC);按带宽分:窄带、宽带;按电路形式分:单级、多级;按负载性质分:谐振、非谐振。
晶体管集电极负载通常是一个由LC组成的并联谐振电路。
由于LC并联谐振回路的阻抗是随着频率变化而变化。
理论上可以分析,并联谐振在谐振频率处呈现纯阻,并达到最大值,即放大器在回路谐振频率上将具有最大的电压增益。
若偏离谐振频率,输出增益减小。
调谐放大器不仅具有对特定频率信号的放大作用,同时一也起着滤波和选频的作用。
单调谐放大器电路原理图谐振频率:谐振增益:12fe Vp p y Ag∑=通频带:2、双调谐放大器电路原理图双调谐回路放大器具有频带宽、选择性好的优点,并能较好地解决增益与通频带之间的矛盾,从而在通信接收设备中广泛应用。
在双调谐放大器中,被放大后的信号通过互感耦合回路加到下级放大器的输入端,若耦合回路初、次级本身的损耗很小,则均可被忽略。
电压增益为:通频带:1202fe Vp p y Ag=0.722LffQ ∆=为弱耦合时,谐振曲线为单峰;为强耦合时,谐振曲线出现双峰;临界耦合时,双调谐放大其的通频带BW四、实验步骤单调谐小信号放大器单元电路实验1、单频率谐振的调整断电状态下,按图连好电路,用示波器观测TP3,调节①号板信号源模块,使之输出幅度为200mV、频率为10.7MHz正弦波信号。
实验名称:高频小信号放大器一、实习目的《通信电子电路》是通信工程的专业课程,以基础技能训练和能力培养为主线,从培养学生动手能力,培养工程技术实际应用型人才入手,强化综合性、实际性。
目的是通过实习使学生掌握通信电子电路的实际开发所要掌握技术,培养其动手能力,观察能力,分析和解决实际问题的能力,巩固、加深理论课知识,增加感性认识,进一步加深对通信电子电路应用的理解,提高对电路制造调试能力和系统设计能力。
提高对常见电路故障的分析和判断能;培养学生严肃认真、实事求是的科学态度,理论联系实际的工作作风和辩证思维能力。
二、实习内容1掌握发射系统电路和接收系统电路的基本组成。
2.理解各个单元模块的工作原理,和调试方法。
3.掌握电路印刷板的设计与开发方法。
4.掌握实际电路的制作技术与焊接工艺。
5.掌握单元电路和系统电路的调试技术。
6.能对简单的高频电子电路进行设计、制作及调试。
7.实习报告(一、制作电路的印刷板图,二、电路的制作过程,调试和实习心得)三、实验仪器:示波器10直流电源导线若干高频信号源电路板 3个可变电容 3个固定电容 1个电感 n勾道mos管一个四、实习方式本实习为校内集中实习,主要在老师讲授方式下,学生通过上机使用PROTEL绘制电路原理图,印刷电路板PCB,然后实践操作,制作电路模块、调试、排除故障。
五、实验步骤1、用protel99es设计并好绘制好电路图:2、安要求将各元器件进行,标号,封装,赋值。
3具栏的tool中的erc菜单检查连线是否正确,没有错误的话,则出现以下提示:4反回绘制好的图层,在design的下拉菜单中选择update pcb,在弹出的对话框中把第一个勾去掉,然后点击excute,弹出的界面入土所示:5先进行动工布线,之后再进行自动布线,并重复以上操作,直至显示布线100%为止:6、放置矩形填充,7放置泪滴8、放置敷铜,电路设计便完成了:。
高频小信号调谐放大器试验报告通信电子电路实验实验一高频小信号调谐放大器实验报告学院:信息与通信工程学院班级:姓名:学号:班内序号:一.课题名称:高频小信号调谐放大器二.实验目的1、掌握高频小信号调谐放大器的工作原理;2、掌握谐振放大器电压增益、通频带、选择性的定义、测试及计算方法。
三.仪器仪表四.实验内容及步骤实验中,电路部分元器件值,R2=10KΩ, R3=1KΩ, R10=2KΩ, R12=51Ω,R13=10KΩ,R24=2KΩ, R27=5.1KΩ, R28=18KΩ, R30=1.5KΩ, R31=1KΩ, R32=5.1KΩ, R33=18KΩ, R35=1.5KΩ,W3=47KΩ, W4=47KΩ,C20=1nF, C21=10nF, C23=10nF。
(一)、单级单调谐放大器1、计算选频回路的谐振频率范围如图1-1 所示,它是一个单级单调谐放大电路,输入信号由高频信号源或者振荡电路提供。
调节电位器W3 可改变放大电路的静态工作点,调节可调电容CC2 和中周T2 可改变谐振回路的幅频特性。
谐振回路的电感量L=1.8uH~2.4uH,回路总电容C=105 pF~125pF,根据公式范围。
,计算谐振回路谐振频率 f0 的图1-1 单级单调谐放大器实验原理图2、检查连线正确无误后,测量电源电压正常,电路中引入电压。
实验板中,注意TP9接地,TP8 接TP10;3、用万用表测三极管Q2 发射极对地的直流电压,调节可变电阻使此电压为5V。
4、用高频信号源产生频率为10.7MHz,峰峰值约400mV 的正弦信号,用示波器观察,调节电感电容的大小,适当调节静态工作点,使输出信号Vo的峰峰值Vop-p 最大不失真。
记录各数据,得到谐振时的放大倍数。
5、测量该放大器的通频带、矩形系数对放大器通频带的测量有两种方式:(1) 用扫频仪直接测量;(2) 用点频法来测量,最终在坐标纸上绘出幅频特性曲线。
在放大器的频率特性曲线上读取相对放大倍数下降为0.1 处的带宽BW0.1 或0.01 处的带宽BW0.01 。
实验一高频小信号调谐放大器实验报告一、实验目的本实验旨在通过设计和搭建一个高频小信号调谐放大器电路,掌握高频小信号调谐放大器的工作原理和性能参数,并能正确测量和分析电路的电压增益和频率响应。
二、实验原理高频小信号调谐放大器是一种用于放大和调谐高频小信号的电路。
它主要由三个部分组成:一个输入电路、一个放大电路和一个输出电路。
输入电路用于匹配输入信号和放大电路的阻抗,使输入信号能够有效传入放大电路;放大电路用于增大输入信号的幅度;输出电路用于匹配放大电路和负载。
三、实验仪器和材料1.高频信号发生器2.高频放大器3.幅度调制器4.示波器5.电阻、电容和电感等元器件四、实验步骤1. 根据电路原理图,使用Multisim软件进行电路仿真。
2.根据仿真结果选择并调整合适的元器件数值,搭建实际电路。
3.将信号源连接至输入电路,逐步增大信号源频率观察输出波形,记录输出电压随频率变化的情况。
4.测量电路的电压增益,并与理论计算值进行对比。
5.测量电路的频率响应,绘制电压增益与频率的波形图。
6.分析实验现象和结果,总结实验中的经验教训。
五、实验结果与分析根据仿真结果,我们成功搭建了一个高频小信号调谐放大器,并进行了实验测试。
测得的电压增益与理论计算值非常接近,验证了电路的设计和搭建的准确性。
实验还得出了电路的频率响应曲线,发现放大器在一定频率范围内有较高的增益,但在较高频率处迅速下降。
六、实验结论通过本实验,我们学习到了高频小信号调谐放大器的工作原理和性能参数的测量方法。
实验结果和数据分析验证了电路设计和搭建的正确性。
此外,我们还了解到了电路的频率响应特性,对于在实际应用中的频率选择提供了参考。
七、实验心得通过本次实验,我深入了解了高频小信号调谐放大器的原理和性能参数,掌握了相关的测量技术。
同时,我也意识到了电路设计和搭建的重要性,只有精确选取和调整元器件数值,才能得到准确的实验结果。
希望以后能继续进行相关实验,提升自己的电路设计和测量能力。
一、实验标题:高频小信号调谐放大实验
二、实验目的
1、了解谐振回路的幅频特性分析--通频带与选择性
2、了解信号源内阻及负载对谐振回路的影响,并掌握通频带的展宽
3、掌握放大器的动态范围及测试方法。
三、实验仪器与设备
4、高频电子线路试验箱(TKGP);
5、扫频仪;
6、高频信号发生器;
7、双踪示波器。
四、实验原理
实验原理图
图一:电路原理图
上图所示为共发射极接法的晶体管高频小信号调谐放大器,它不仅要放大高频小信号,还要有一定的选频能力,因此晶体管的集电极负载为LC并联谐振回路。
在高频情况下,晶体管本身的极间电容和导线的分布电容参数会影响放大器输出信号的平频率和相位。
晶体管的静态工作点由电阻R1,R6,R3(R4、R5)决定。
高频情况下,晶体管的分布参数除了与静态工作流Ie和电流放大系数贝塔有关外,还与工作频率w有关。
五、实验内容及步骤
1、单调谐放大器增益和带宽测试
图二2、双调谐放大电路测试
(1)放大器增益和带宽测试
图三
六、实验分析
单调谐放大电路一般采用LC回路作为选频器的放大电路,它只有一个LC 回路,调谐在一个频率上,并通过变压器耦合输出。
放大器的中心频率和谐振回路的磁芯的电感有关,通频带和静态工作点有关。
七、实验体会
通过本次实验,加强了我的动手、思考和解决问题的能力。
学会了实验扫频仪,和测量放大器电路的方法。
八、注意事项
1.实验前先检查试验箱的电源是否正常;
2.使用示波器将波形调至最合适的大小再读数据;
3.实验结束后关闭各设备电源,清理好仪器和工具。
高频小信号放大器实验报告高频小信号放大器实验报告引言:在电子学领域中,放大器是一种非常重要的电子元件,用于放大电信号的幅度。
而高频小信号放大器则是一种专门用于放大高频小信号的放大器。
本实验旨在通过实际操作,深入了解高频小信号放大器的工作原理和性能特点。
一、实验目的本实验的主要目的是通过搭建高频小信号放大器电路,观察和分析其放大性能,并对其进行测试和评估。
二、实验原理高频小信号放大器是一种特殊的放大器,其工作频率高达数百兆赫兹甚至更高。
其主要原理是通过放大器电路中的晶体管或场效应管等元件,将输入的高频小信号放大到所需的幅度。
三、实验器材和元件1. 实验器材:示波器、信号发生器、电压表、电流表等。
2. 实验元件:晶体管、电容、电阻等。
四、实验步骤1. 搭建电路:按照实验指导书上给出的电路图,使用示波器、信号发生器等器材搭建高频小信号放大器电路。
2. 调整参数:根据实验要求,调整信号发生器的频率和幅度,观察示波器上输出信号的变化。
3. 测试性能:使用电压表和电流表等仪器,测量并记录放大器电路中的电压和电流数值,分析其性能特点。
4. 数据分析:根据实验数据,计算放大器的增益、频率响应等参数,并进行数据分析和比较。
五、实验结果与分析通过实验,我们得到了高频小信号放大器的增益、频率响应等性能参数。
根据实验数据,我们可以看出在一定频率范围内,放大器的增益较为稳定,但随着频率的增加,增益会逐渐下降。
这是由于放大器电路中的元件在高频下产生了一些不可忽视的损耗。
此外,我们还发现在实验中,放大器的输入和输出信号之间存在一定的相位差。
这是由于放大器电路中的元件对信号的相位进行了一定的改变。
六、实验总结通过本次实验,我们深入了解了高频小信号放大器的工作原理和性能特点。
在实验过程中,我们不仅学会了搭建放大器电路,还掌握了使用示波器、信号发生器等仪器进行测试和分析的方法。
然而,本实验还存在一些不足之处。
首先,在实验中我们没有对放大器电路中的元件进行详细的参数测量和分析,这对于进一步了解放大器的性能特点有一定的限制。
本科生实验报告实验课程高频电路实验学院名称信科院专业名称物联网工程学生姓名刘鑫学生学号201313060108指导教师陈川实验地点6C1001实验成绩二〇年月二〇年月高频小信号调谐放大器实验一、实验目的1.掌握小信号调谐放大器的基本工作原理;2.掌握谐振放大器电压增益、通频带、选择性的定义、测试及计算;3.了解高频小信号放大器动态范围的测试方法;二、实验仪器与设备高频电子线路综合实验箱;扫频仪;高频信号发生器;双踪示波器三、实验原理(一)单调谐放大器小信号谐振放大器是通信机接收端的前端电路,主要用于高频小信号或微弱信号的线性放大。
其实验单元电路如图1-1所示。
该电路由晶体管Q1、选频回路T1二部分组成。
它不仅对高频小信号放大,而且还有一定的选频作用。
本实验中输入信号的频率f S=12MHz。
基极偏置电阻R A1、R4和射极电阻R5决定晶体管的静态工作点。
可变电阻W3改变基极偏置电阻将改变晶体管的静态工作点,从而可以改变放大器的增益。
表征高频小信号调谐放大器的主要性能指标有谐振频率f0,谐振电压放大倍数A v0,放大器的通频带BW及选择性(通常用矩形系数K r0.1来表示)等。
放大器各项性能指标及测量方法如下:1.谐振频率放大器的调谐回路谐振时所对应的频率f0称为放大器的谐振频率,对于图1-1所示电路(也是以下各项指标所对应电路),f0的表达式为∑=LCf π210式中,L 为调谐回路电感线圈的电感量;∑C为调谐回路的总电容,∑C的表达式为ie oe C P C P C C2221++=∑式中, C oe 为晶体管的输出电容;C ie 为晶体管的输入电容;P 1为初级线圈抽头系数;P 2为次级线圈抽头系数。
谐振频率f 0的测量方法是:用扫频仪作为测量仪器,用扫频仪测出电路的幅频特性曲线,调变压器T 的磁芯,使电压谐振曲线的峰值出现在规定的谐振频率点f 0。
2.电压放大倍数放大器的谐振回路谐振时,所对应的电压放大倍数A V0称为调谐放大器的电压放大倍数。
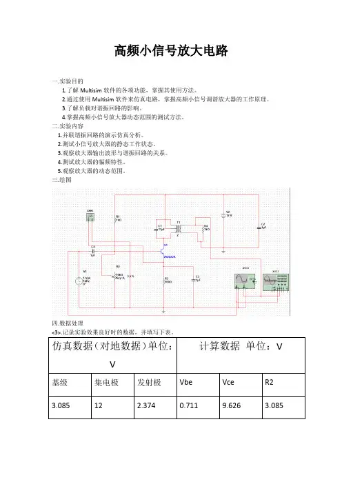
高频小信号放大电路
一.实验目的
1.了解Multisim软件的各项功能,掌握其使用方法。
2.通过使用Multisim软件来仿真电路,掌握高频小信号调谐放大器的工作原理。
3.了解负载对谐振回路的影响。
4.掌握高频小信号放大器动态范围的测试方法。
二.实验内容
1.并联谐振回路的演示仿真分析。
2.测试小信号放大器的静态工作状态。
3.观察放大器输出波形与谐振回路的关系。
4.测试放大器的幅频特性。
5.观察放大器的动态范围。
三.绘图
四.数据处理
<4>.动态数据分析:
增益计算公式:(2.)
幅频特性曲线:。