月度缺陷统计分析(2016年11月份)
- 格式:xls
- 大小:986.50 KB
- 文档页数:8
不良质量成本统计与分析报告
一、成本统计
本月销售收入:万元不良质量成本额:元所占比例: %
项目
本月发生数本年累计
金额占% 金额占%
内部不良成本报废损失
不合格品的返修、运输费用生产停工、返工的各项费用初检不合格复检的费用
合计
外部不良成本现场物料报废的损失
工程延期产生的人工费用现场维护的人工费用
不良质量成本项目统计分析图:
总结:
由图示,本月不良质量成本损失主要来自G30-71防冻液的原材料乙二醇在储存过程中受到污染造成报废,并由此导致返工、停工、质量事故处理等损失,以上不良质量成本合计3319元,占本月销售额的0.17%。
2、原因分析:
200400600800100012001400报废损失质量事故处理费停工损失返工损失质量处罚质量事故
处理
费损失费项目
100%
93%。
11月份隐患统计分析总结报告府谷县中汇富能矿业有限公司2020年11月隐患分析总结报告中汇富能煤矿针对11月25日由王矿组织各副矿长及区队管理人员对地面变电所、风机房、锅炉房等重要场所、井下综采工作面、掘进工作面、各硐室及各处巷道等进行了全面隐患排查,通过排查发现问题整改问题,进一步改善安全生产环境,促进煤矿安全生产。
具体内容如下:一、检查内容1、对矿井的通风、防尘管理、采面支护管理、管路吊挂、电气设备防爆性、电缆吊挂接头管理、巷道除尘清淤、掘进局部通风、采掘面闭锁实验、井下传感器维护、井下安全标示牌、检查说明牌版填写等方面进行全方位隐患排查,做到检查不遗漏、整改不到位不放过;2、对所排查的隐患建立台账,按照五落实要求,整改到位;3、对地面的软件资料、机房设备运行等进行检查;二、存在主要问题及分析1、采掘类主在存在问题:目前14203工作面正常进行回采,掘进头存在说明图表、牌版不全不清楚现象,风筒不平直未做到逢环必挂编号不全的问题。
分析:采面未回采,要定期对工作面顶板压力进行监测,检查,分析顶板安全状况,确保采面支护安全,不冒顶。
井下掘进大巷南向延伸坚持探放水,预留30米安全距离,掘进局部通风时通风管理的关键,风量不足煤尘大作业环境恶劣,容易引发煤尘爆炸;图表不全,从技术上存在安全隐患,必须在现场悬挂齐全图表,工人要学习明白图表含义,将安全意识深入大脑,才能更好保障生产安全。
2、机电运输类主要存在问题:电缆接头不规范、电气生产防护不全;变电所水泵房两齐三全不到位;闭锁实验不规范;分析:机电电气专业化程度高,要求标准高,电气化也是矿井现代化发展的必由之路,重视机电管理,与生产同等重要,相辅相成。
煤矿井下特殊的环境要求井下电缆电气设备必须做到防爆,按要求进行电缆接头、设备设置有效防护是硬要求。
变电所水泵房是矿井的大脑中枢神经,保障变电所水泵房安全运行不能容半点马虎;采掘工作面闭锁试验是有效防范瓦斯爆炸煤尘爆炸的预防保障措施,必须保障试验灵敏有效。
机电科2016年11月份安全生产隐患分析一、概况11月份机电科主要工作是井下和地面车间机电设备正常检修维护管理。
单项工程重点是副井上口封围更换的安全监督,南部井供电系统改造的安全施工管理(目前已结束),其它主要完成项目有:东南风井倒风机、瓦斯泵;强排泵试运转;35KV、6KV线路巡查、改线;检查备用风机铜环间隙;主井锅底清煤;南风井瓦斯泵性能测试、强排泵性能测试;东胶一部皮带机更换皮带200米;中央皮带机头更换1#齿箱;三采区71煤运输上山皮带机巷轨道拆除、巷道卧底。
完成全矿井下月度远点试验,防爆电气设备的防爆性能检查;绝缘用具升井试验。
全面开展机电质量标准化整理,重点为三采区下部变电所和东胶机巷创建示范工程。
机电车间“冬季三防”工作落实及车间防寒保温工作。
本月全科无“三违”现象。
二、隐患排查情况1、机电科每周隐患自排查:机电科组织队长以上管理人员和工程技术人员针对机电科井下机巷、机电硐室、采区变电所、地面车间系统隐患排查共计4次,排查方式依据机电科隐患排查制度执行,井下共计排查各类隐患25条,地面车间、库房共计排查各类隐患11条。
2、本矿检查和上级检查:2016年11月,本矿机电隐患排查查出各类隐患16条。
11月份安徽省煤监局、皖南分局检查提出问题0条。
2016年11月,公司冬季三防检查提出问题1条。
本月无停止作业及停设备情况。
三、排查隐患及问题落实情况:1、机电科自排查井下和地面共计隐患25条,已经全部落实整改。
2、本矿检查16条已全部整改;上级检查问题:省安监局、淮南分局对标检查问题0条, 2016年11月,公司检查无问题1条,已落实。
四、隐患分析1、通过对11月份隐患排查及上级检查查出的涉及机电专业共计42条隐患及问题进行分析,发现隐患主要集中在设备检修维护及质量标准化方面,设备存在检修空间狭小隐患没有解决,井下皮带机杠杆、H架锈蚀,及检修维护管理不到位、巷道皮带机检修空间问题,电缆、四小线吊挂,巷道环境卫生方面等问题。
菏泽市第二人民医院2014年第四季度护理不良事件汇总分析一、图表分析1、第四季度共发生不良事件16例,10月份10例,11月份3例,12月份3例,无明显发展趋势。
2468101210月份11月份12月份 按照不良事件类型分布,输液反应2例,跌倒1例,导管堵塞 1例,未戴腕带1例,难免压疮2例,查对错误4例,设备故障1例,标本差错1例,尿道裂伤1例,烫伤1例,输血浆反应1例。
液反应管堵塞免压疮器故障道裂伤血浆反应2、按照不良事件等级分布,Ⅰ级事件0例,Ⅱ级事件5例,Ⅲ级事件5例,Ⅳ级事件6例。
3、按照不良事件发生班次分布,以白班上午时间段为不良事件高发期,其次为白班下午及中午班、最后是小夜班,大夜班。
0123456789白班上午白班下午中午班小夜班大夜班不良事件发生班次分析按照不良事件发生班次分布,以白班上午时间段为不良事件高发期,其次为白班下午班及中午班、夜班。
原因为:上午工作量大,治疗护理较多,工作易出现失误,下午班工作人员减少,护士产生疲劳感,中午班值班人员少,致工作易出现失误。
4、 按照不良事件当事人层级分布,N3级护士占44%,N2级护士占44%,N1级护士占6%。
N0级护士占6%。
二、原因分析1、查对错误事件分析第四季度共发生查对错误4件。
(1)1例是瓶签贴错,误将0.9%生理盐水瓶签贴到5%GS瓶上,治疗班护士赵春芳又将药物加入液体,加后发现错误,未给病人造成伤害;1例是缩宫素入液体2.5U误加入5U.及时发现未给病人造成伤害。
原因分析:未严格执行查对制度,只粗略的看了瓶签包装,液体的外包装较前更换,护士机械的凭经验、印象进行工作,未仔细看药名;上班思想不集中,加药前不严格执行查对制度,未双人核对导致发生错误。
改进措施:加强工作责任心,在加药前严格执行查对制度,树立安全用药意识,加强相关制度的培训;固定经验丰富的护士上治疗班。
(2)1例是医生下达医嘱错误,护士审核不严格,药有药房发出,及时发现未给病人造成伤害;原因分析:医生下医嘱不认真,责任心不强;护士审核不严格,专业知识缺乏,机械的执行医嘱,未严格执行查对制度,主任、护士长监管不到位。
中电投河南电力有限公司平顶山发电分公司CPI PINGDINGSHAN LUY ANG POWER GENERATION CO.LTD.设备缺陷月度分析报告[2011 年11 月]二0 ----- 年十二月五日目录1 十一月份设备重大缺陷原因分析及处理情况 (3)2 十一月份重点工作完成情况 (3)3 #1、2 机组及公共系统缺陷分析 (4)3.1 专业缺陷数量比例 (4)3.2 总缺陷发生数量走势 (4)3.3 缺陷发生及消除情况 (5)3.4 消缺率环比 (6)3.5 发生缺陷性质分析 (6)4 #1、2 机组及公共系统未消缺陷分析 (11)4.1 全厂未消缺陷性质比例 (11)4.2 专业未消缺缺陷性质分析 (11)5 重复缺陷分析 (14)6 十二月份主要工作计划 (15)设备缺陷月度综合分析报告2011年11月1十^一月份设备重大缺陷原因分析及处理情况2十一月份重点工作完成情况3 # 1、2机组及公共系统缺陷分析3.1专业缺陷数量比例3.2总缺陷发生数量走势3.3缺陷发生及消除情况3.3.1各专业消缺情况332各专业缺陷环比发生情况3.4消缺率环比3.5发生缺陷性质分析3.5.1汽机专业3.5.1.1 十^一月份汽机专业共发生缺陷72项,消除了68项,待处理4项,其中七漏44项,设备故障25项,其它3项。
3.5.1.2简要分析:1)11月汽机专业七漏缺陷共发生44项,主要发生原因:a、由于安装质量问题,引起泄漏。
如:#1机三抽逆止门前滴水;#1机中压缸导气管漏气;#2机A小机油箱系统,油箱的排烟风机处往下滴水;#2机B汽泵平衡管法兰连接处也开始往外漏汽;B采暖换热器顶上法兰处漏水;#2机生活热水#1换热器进汽法兰连接处又往下滴水;b、由于设备质量问题,引起泄漏。
如:#1机A循环水泵放空气阀冒水;#1机B小机油箱放油门漏;#1机高压导气管阀门内漏;#2机A闭式冷却水泵出口放水门内漏;暖通系统A补水泵运行时漏水。
府谷县福庆煤矿有限公司
11月30日冬季煤矿安全隐患大排查统计分析报告
编制:
矿长:
日期:
11月30日冬季安全大排查存在隐患问题 27条、综采队3条、综掘队 2条、机电运输10条、一通三防3条、安全管理5条、文明生产4条。
原因分析:
1、回风安全通道以下50m处风管漏风,需要更换垫子;
整改负责人:郭贵军整改措施:更换垫子
2、3-2辅运大巷灰尘多,需要及时冲洗;
整改负责人:王富宽整改措施:安排人员冲洗灰尘
3、3-2103主运顺槽管路积尘多,需要清理;
整改负责人:王富宽整改措施:清理管路灰尘
4、3-2103主运顺槽23号风筒漏风;
整改负责人:李健兵整改措施:安排人员处理漏风
5、3-2103主运顺槽200m处压风管接口漏风;
整改负责人:王富宽整改措施:安排人员处理风管漏风
6、3-2103主运顺槽360m处巷道底板淤泥多,需要清理淤泥垫石子;
整改负责人:王富宽整改措施:清理淤泥垫石子
7、3-2102辅运顺槽反掘巷道迎头临时支护前探梁用铁丝吊挂,罚款200元;
整改负责人:李平整改措施:按规定使用好前探梁
8、3-2102辅运顺槽反掘巷道迎头4根锚杆外漏长度太短;
整改负责人:李平整改措施:紧固螺丝
9、3-2102辅运顺槽反掘巷道迎头风水管和监控线吊挂在一。
xx年xx月份缺陷月度分析报告一、缺陷统计对比上月去年同月今年累计去年对应累计缺陷本月总条数181726259336Ⅰ类00010Ⅱ类6132542Ⅲ类9129104124Ⅳ类3414129170缺陷分类分析月份1月2月3月4月5月6月8月8月9月10月11月12月总条数21322725283634211718//照明类8141111142223621//电气类3324221212//机械类1224110854//其他类9131361111105911//Ⅰ类010*******//Ⅱ类2241320416//Ⅲ类8131211911811129//Ⅳ类11161113162326643//照明类8141111142223621//指示灯类0410312312//自动化元件类7432252241//表计类1011003110//装置类1211010000//渗漏类1130110111//其他类377108648813//缺陷处理情况分析(一)缺陷处理及时率2012年10月共发现设备缺陷18条,其中及时处理13条,5条延期处理,处理及时率72.2%。
均已制定预控措施,其中1条已在当月处理完毕。
1、延期处理缺陷:。
延期原因:。
2、延期处理缺陷:。
延期原因:。
(二)缺陷处理完成率2012年10月共发现设备缺陷18条,其中已处理14条,处理完成率77.8%。
(其中1条延期当月已处理,均已制定预控措施,还有4条办理延期未处理。
)1、已延期并未在当月处理的缺陷:中。
延期原因:。
2、已延期并未在当月处理的缺陷:。
延期原因:。
二、重复缺陷原因分析1、重复缺陷名称:。
重复出现原因分析:。
三、遗留缺陷的处理情况1、已延期并未在当月处理缺陷:。
处理情况。
四、分析得出的结论1、。
2、I、II类缺陷较少,设备健康水平有所提升,但是重复性缺陷有所升高,对于较难处理的缺陷未进行根治,应结合检修技改机会彻底处理。
五、建议1、。
设备缺陷月度分析报告目录第I 条本月缺陷统计 (2)节1.01统计时间:2015-07-260:00到2015-08-2524:00 (2)节1.02缺陷发生及消除情况统计 (2)节1.03本月缺陷统计总考评 (3)第 II 条设备缺陷消缺率 (3)节2.01一、二类缺陷消缺率 (3)节2.02三类缺陷消缺率 (3)节2.03四类缺陷消缺率 (4)第 III 条设备消缺及时率 (4)第 IV 条设备挂起缺陷 (5)第V 条设备重复缺陷 (6)第 VI 条设备缺陷登录 (7)第 VII 条设备缺陷验收 (8)第 VIII 条计划消缺规定 (9)第IX 条其它相关规定 (9)第 X 条相关激励措施 (10)第XI 条本月缺陷增加或减少原因分析 (11)第XII 条历史遗留缺陷处理情况,未处理原因分析 (11)第XIII 条当前设备存在的重要问题和隐患、采取的技术及管理措施 (11)第XIV 条本月缺陷管理中存在的问题 (11)第XV 条频发典型性缺陷专题分析 (11)第XVI 条下月工作计划 (11)第 I 条本月缺陷统计汇总节 1.01 统计时间:到节 1.02 缺陷发生及消除情况统计1.历史遗留总缺陷条,本月消除条。
其中,历史遗留一、二类缺陷条,本月消除条;历史遗留三、四类缺陷条,本月消除条;历史遗留密封点缺陷条,本月消除条;2.本月发生总缺陷条,本月消除条。
其中,发生一、二类缺陷条,本月消除条;发生三、四类缺陷条,本月消除条;发生密封点缺陷条,本月消除条。
3.本月发生缺陷加历史缺陷消缺率 %,其中,一、二类消缺率 %,三类消缺率 %,四类消缺率 %,密封点消缺率 %节 1.03 本月缺陷统计总考评汇总说明:第 II 条设备缺陷消缺率节 2.01 一、二类缺陷消缺率一、二类设备缺陷消缺率达到100%,当月绩效考评分加0.5分;当月发生应消未能消除的一、二类缺陷扣0.2分/每条。
说明节 2.02 三类缺陷消缺率三类设备缺陷消缺率应达到95%,未完成指标每发生未消缺陷扣罚0.1分/每条, 每高出指标一个百分点加当月绩效考评分0.1分。
设备缺陷月度分析报告目录第I 条本月缺陷统计 (2)节1.01统计时间:2015-07-260:00到2015-08-2524:00 (2)节1.02缺陷发生及消除情况统计 (2)节1.03本月缺陷统计总考评 (3)第 II 条设备缺陷消缺率 (3)节2.01一、二类缺陷消缺率 (3)节2.02三类缺陷消缺率 (3)节2.03四类缺陷消缺率 (4)第 III 条设备消缺及时率 (4)第 IV 条设备挂起缺陷 (5)第V 条设备重复缺陷 (6)第 VI 条设备缺陷登录 (7)第 VII 条设备缺陷验收 (8)第 VIII 条计划消缺规定 (9)第IX 条其它相关规定 (9)第 X 条相关激励措施 (10)第XI 条本月缺陷增加或减少原因分析 (11)第XII 条历史遗留缺陷处理情况,未处理原因分析 (11)第XIII 条当前设备存在的重要问题和隐患、采取的技术及管理措施 (11)第XIV 条本月缺陷管理中存在的问题 (11)第XV 条频发典型性缺陷专题分析 (11)第XVI 条下月工作计划 (11)第 I 条本月缺陷统计汇总节 1.01 统计时间:到节 1.02 缺陷发生及消除情况统计1.历史遗留总缺陷条,本月消除条。
其中,历史遗留一、二类缺陷条,本月消除条;历史遗留三、四类缺陷条,本月消除条;历史遗留密封点缺陷条,本月消除条;2.本月发生总缺陷条,本月消除条。
其中,发生一、二类缺陷条,本月消除条;发生三、四类缺陷条,本月消除条;发生密封点缺陷条,本月消除条。
3.本月发生缺陷加历史缺陷消缺率 %,其中,一、二类消缺率 %,三类消缺率 %,四类消缺率 %,密封点消缺率 %节 1.03 本月缺陷统计总考评汇总说明:第 II 条设备缺陷消缺率节 2.01 一、二类缺陷消缺率一、二类设备缺陷消缺率达到100%,当月绩效考评分加0.5分;当月发生应消未能消除的一、二类缺陷扣0.2分/每条。
说明节 2.02 三类缺陷消缺率三类设备缺陷消缺率应达到95%,未完成指标每发生未消缺陷扣罚0.1分/每条, 每高出指标一个百分点加当月绩效考评分0.1分。
缺陷月度分析报告在企业的生产和运营过程中,及时发现并分析缺陷是持续改进和提升质量的关键环节。
本报告旨在对本月所出现的各类缺陷进行全面、深入的分析,以便为后续的改进措施提供有力依据。
一、缺陷概述本月共发现缺陷X项,涉及产品的多个方面和生产流程的不同环节。
从缺陷的类型来看,主要包括外观缺陷、功能缺陷、性能缺陷等。
其中,外观缺陷占比X%,功能缺陷占比X%,性能缺陷占比X%。
外观缺陷主要表现为产品表面的划痕、磨损、颜色不均匀等,这些问题不仅影响产品的美观度,还可能降低消费者的购买意愿。
功能缺陷则集中在产品的某些功能无法正常实现或操作不便捷,例如按钮失灵、接口松动等。
性能缺陷则体现在产品的运行速度、稳定性、续航能力等方面未能达到预期标准。
二、缺陷分布1、产品线分布对不同产品线的缺陷情况进行分析,发现产品线A的缺陷数量最多,达到X项,占总缺陷数的X%。
产品线 B和产品线 C的缺陷数量相对较少,分别为X项和X项。
进一步分析发现,产品线 A的缺陷主要集中在生产工艺环节,可能是由于该产品线的生产流程较为复杂,对工人的操作技能要求较高。
2、生产环节分布从生产环节的角度来看,原材料采购环节出现缺陷X项,占总缺陷数的X%;生产加工环节出现缺陷X项,占比X%;质量检测环节发现缺陷X项,占比X%。
原材料采购环节的缺陷主要包括原材料质量不达标、规格不符合要求等。
生产加工环节的缺陷则多为操作不当、设备故障等原因导致。
质量检测环节虽然发现的缺陷数量相对较少,但也反映出检测标准和方法可能存在一定的不足。
三、缺陷原因分析1、人为因素部分员工在操作过程中未能严格按照操作规程进行,导致产品出现缺陷。
例如,在生产加工环节,工人为了追求速度而忽视了质量,或者在操作设备时不够熟练,造成了产品的损坏。
此外,员工的质量意识淡薄也是导致缺陷产生的一个重要原因。
一些员工对产品质量的重要性认识不足,缺乏责任心,没有将质量控制贯穿于整个生产过程。
2、设备因素生产设备的老化、故障以及维护不当也是造成缺陷的原因之一。
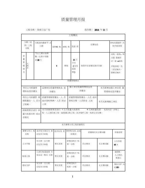
综合楼内1、大厅东墙无应急灯。
2、“唐”标没有整改。
3、门厅玻璃未擦干净。
4、门厅有一个灯不亮。
5、火灾探头保护膜没有拆除。
6、一楼西一竖井墙壁有破损。
7、楼内所有空开、电缆标签未贴,没有标明方向。
8、消防栓外框未清洗。
9、一楼大卫生间内水管漏水没有封堵。
10、楼内宿舍大部分网线不通。
11、118卫生间缺一块镜子。
12、楼内所有窗户没擦干净、透明胶带未处理。
13、一楼配电箱不美观,未清洁。
14、楼内所有竖井电缆、通讯线未压入线槽。
15、楼内所有卫生间镜子未清洁。
16、一楼西侧消防栓门开关掉了。
17、部分窗户胶条密封不严。
18、厨房靠墙地漏旁边地板破裂。
19、厨房中间地漏未上盖板。
20、厨房顶入电缆出未封堵。
21、厨房储藏间配电箱未接地,线头未处理。
22、部分窗户把手高低不同。
23、楼内部分墙壁有裂缝。
24、楼内部分墙角有缺角。
25、楼内部分卫生间(202、203等等)镜子掉了。
26、202、206窗户密封不严,有漏水现象。
27、203、204卫生间外墙壁有裂纹。
28、部分宿舍门把手松动。
29、楼内所有消防栓有漏水现象。
30、主控室电缆盒不美观、不严密。
31、主控室靠近火灾报警装置的窗户严重漏风。
32、主控室靠近电暖器装置处窗户密封胶条断裂。
33、主控室、办公室窗外建筑垃圾未处理。
34、二楼会议室木板墙有裂纹。
35、会议室阳台的门开关困难。
36、会议室内字未清理。
37、楼内所有纱窗未清理、38、202墙角漏雨、39、二楼有办公室玻璃墙上的粘胶未处理。
40、二楼主控室外竖井内电缆不整齐。
41、塔楼三层墙壁未粉刷。
42、塔楼楼梯扶手未满焊。
43、塔楼五层楼梯处墙底未粘好。
44、太阳能铁架未接地。
45、一楼塔楼下铁门有凹陷。
46、所有窗户外窗台未清理。
47、部分宿舍门锁空转。
48、212宿舍门折叶处少一螺丝。
变电站1、道路没切缝,不平整。
2、所有车库门均坏。
3、车库电动没有插座。
4、1号车库少一玻璃。
5、1号车库内一坑未封堵。
11月份生产部物料异常反馈分析报告一、为了对计划交付部物料进度追踪结果进行跟踪落实,确保物料按时到货,设备按时发货,生产部物料小组制定了物料异常反馈回复信息汇总表、物料到货信息汇总表,以此跟计划交付部形成更完善的链接,做到有异常及时告知并反馈。
为了更方便准确的录入异常合同及具体物料,我们会以周为单位分析,然后月底汇总,以下是十一月份物料异常反馈情况见底端附件1-2 查看详情通过对附件分析汇总得;由下表及折线图可知,11月份物料异常反馈回复及时率波动较大,不稳定,在第二周达到最低谷,;准确率趋于平衡。
由此建议,采购员填写采购回复信息积极性有待提高。
周异常反馈回复汇总周次异常不及时数不准确数周排产周及时率周准确率第一周 5 2 11 54.5% 81.8%第二周10 2 13 23.1% 84.6%第三周 6 2 11 45.5% 81.8%第四周周异常反馈回复折线图二、为了深入研究及追踪物料情况,从本月开始,生产将结合物料到货与否情况给予一定的数据分析,同时这也是对采购员工作的一种提醒与督促,整体上,从第一周到第三周,人均到货率逐渐提高,但具体到个人,仍存在到货不及时情况,本月物料到货不及时情况张磊尤为突出,主要是机械加工件像激光器箱、机柜、激光器固定板等物料基本上到料不及时,11月份物料到料、缺料合同记录等情况如下(详情参照附件1-2);周个人到货及时率责任人周次到货不及时明细第一周第二周第三周个数及时率个数及时率个数及时率石进645.5%469.2%281.8%余海峰463.6%469.2%372.7%姚秀芳372.7%561.5%190.9%余同勋372.7%284.6%281.8%毕朝阳463.6%192.3%190.9%张磊736.4%930.8%818.2%周人均到货率59.1%67.9%72.7%周个人到货及时率周次责任人石进余海峰姚秀芳余同勋毕朝阳张磊第一周45.5%63.6%72.7%72.7%63.6%36.4%第二周69.2%69.2%61.5%84.6%92.3%30.8%第三周81.8%72.7%90.9%81.8%90.9%18.2%11月份周个人到货及时率柱形图三、根据生产各班组缺料情况分析总结得,合同设备缺料较为严重的班组为机械,其次总调。
某省第四季度检查缺陷汇总宁夏省药监局第四季度检查汇总今日,宁夏省药监局发布宁夏回族自治区药品生产、特殊管理药品监督检查信息通告(2016年第4期),该公告公布了对部分药品生产企业、特殊管理药品区域性批发企业的监督检查情况,并将2016年第四季度监督检查信息予以通告。
其中宁夏乌玛天启中药饮片有限公司在GMP认证检查中检查出的一项主要缺陷值得反思:主要缺陷:1.公司培训计划未纳入GMP文件管理,2010版GMP附录确认与验证、计算机化系统未列入培训计划。
生产管理负责人未接受过与生产产品相关的专业知识培训,从事养护、仓储保管人员中药材、中药饮片储存养护知识与技能不足。
培训记录内容不全,未对培训效果进行有效评估。
(第二十二条、第二十七条、附录第十四条)具体信息如下:宁夏多维药业有限公司检查类型: 专项检查发现的主要问题:1、生产规程的修订、审核人员不具有相应的岗位职责;公司对岗位职责培训不到位,部分人员对岗位职责不熟悉;(第18条)2、生产设备的清洁记录不能体现清洁过程;(第84条)3、包装间不合格品无状态标识;(第131条)4、空白批生产记录未能受控发放;(第173条)5人工麝香与五味麝香丸原粉混合过筛后未进行物料平衡的控制;(第175条)6、五味麝香丸的批生产记录与工艺规程不相符;批生产记录未能体现人工麝香研磨过筛的过程。
(第184条)采取的措施:按GMP要求整改宁夏唐明制药有限公司检查时间:2016年10月25日检查类型:专项检查发现的主要问题:1、生产负责人、质量负责人岗位职责有遗漏,质量负责人与质量受权人职责不清晰;(第十八条)2、批号为20150904的虫草川贝止咳膏2015年9月25日进行内包,2016年8月17日进行防潮袋及外包,公司未制定中间产品及待包装产品储存条件及期限;(第一百一十八条)3、现行使用的合格供应商清单与旧版文件的文件编码无关联性;(第一百五十五条)4、合格供应商清单文件的变更、修订、撤销未按文件管理规程进行管理;(第一百五十六条)5、洁净区药材灭菌台账上显示,2015年8月28日,灭菌后冬虫夏草由中间站退回库房0.28公斤,库房无相关记录及实物;退库收料人“王冉”由他人冒签,存在真实性问题;(第一百五十九条)6、虫草川贝止咳膏工艺规程中,未明确规定冬虫夏草烘干时间及各有关工序的物料平衡;(第一百七十条)7、部分批生产记录的发放记录无接受人签字;(第一百七十三条)8、冬虫夏草供应商变更无相关变更记录;(第二百四十三条)9、冬虫夏草供应商档案不完善,未包含历年的质量档案,购进的冬虫夏草无相关正式票据。
电力企业月度缺陷分析一、引言电力企业是国家经济的重要组成部分,对于工业生产、居民生活都有着至关重要的影响。
然而,在电力生产和供应过程中,难免会产生各种缺陷和问题。
本文将对电力企业月度缺陷进行分析,提出相关问题和解决方案,以期为电力企业的运营和管理提供参考。
二、缺陷分析1.运维问题电力企业的运营和维护是确保电力供应正常的关键环节。
然而,在实际运营过程中,可能存在以下问题:(1)设备老化:一些设备长时间使用后出现老化现象,影响发电效率和供电质量。
(2)设备故障:运转中的设备可能会出现故障,导致停运或降低供电能力。
(3)设备维护不及时:设备维护时间和频率不够,导致设备故障的风险增加。
2.供应问题电力供应与用户的需求直接相关,供应问题可能导致用户无法正常使用电力:(1)供应不足:在高峰期或突发事件下,供电能力可能不足。
(2)电力波动:供电过程中,电力波动可能影响用户设备的正常运行,甚至造成设备故障。
(3)线路故障:供电线路出现故障导致供电中断的情况,并进行及时修复。
3.安全问题电力企业的运营涉及到电力安全,必须重视以下问题:(1)电力火灾:电力设备和线路可能因为电线短路或其他原因引发火灾。
(2)设备安全:设备的维护和管理必须符合安全标准,以防止意外事故的发生。
(3)电力盗窃:电力盗窃行为可能导致供电损失和安全隐患。
三、问题分析1.运维问题导致的缺陷:(1)设备老化:缺乏定期维护会导致设备老化,应加强设备定期检查和维护。
(2)设备故障:加强设备巡检和故障预警,及时进行维修和更换。
(3)维护不及时:建立健全的设备维护计划和流程,确保维护工作的及时性和有效性。
2.供应问题导致的缺陷:(1)供应不足:增加发电能力,做好高峰期的配电计划以及突发事件的应急响应措施。
(2)电力波动:加强对供电设备和线路的监测,及时修复电力波动的原因。
(3)线路故障:建立完善的线路巡检和维护制度,减少线路故障的发生。
3.安全问题导致的缺陷:(1)电力火灾:加强电力设备和线路的防火措施,建立有效的监测系统和报警系统。