燃气设计常用规范与表格
- 格式:doc
- 大小:136.50 KB
- 文档页数:10
燃气设计规范1. 引言本文档旨在制定燃气设计规范,以确保燃气设备和系统的安全运行,保障人员生命财产安全。
燃气设计规范适用于住宅、商业和工业建筑物的燃气供应系统设计。
2. 系统设计2.1 燃气供应管道设计燃气供应管道设计应满足以下要求:•管道材料选择应符合相关国家标准,保证其耐腐蚀能力和稳定性。
•管道布置应符合工程建筑布局要求,尽量缩短管道长度,减小阻力和压力损失。
•管道直径应根据系统负载进行合理选择,确保燃气供应充足。
•管道应设置检查井和阀门,便于维修和维护。
2.2 燃气设备设计燃气设备设计应满足以下要求:•设备选择应符合国家标准,并且经过合格认证。
•设备布置应合理,便于操作和维护。
•设备安装应符合相关标准,确保安全可靠。
•设备应有防火、防爆等安全保护措施。
3. 安全要求3.1 安全管理•燃气供应系统运行必须有专人负责,并制定安全管理制度。
•燃气设备与电气系统应相互独立,并且设有相应的安全隔离措施。
3.2 安全检测与监控•燃气供应系统应配备可靠的气体泄漏报警装置,及时发现并处理泄漏事故。
•燃气设备应配备可靠的火焰监测装置,防止火焰蔓延和意外燃烧。
3.3 安全演练与应急预案•针对燃气泄漏、火灾等突发情况,制定应急预案,并定期进行演练。
4. 监测与维护4.1 定期检查•定期检查燃气供应管道和设备的完整性和安全性。
•检查燃气泄漏、火焰监测等安全设备的工作情况,确保其正常运行。
4.2 维护保养•定期对燃气供应系统进行维护保养,清洁管道和设备,更换老化部件。
•对燃气设备进行定期清洗、润滑,确保其正常运行。
5. 文件控制5.1 文件保存•燃气设计规范、系统图纸以及相关安全文件应保存在安全可靠的地方,便于查阅和管理。
5.2 文件更新•随着燃气供应系统的改造和维护,设计规范和系统图纸应及时更新,并按时进行文档变更通知。
6. 术语及缩写•LPG: 液化石油气(Liquefied Petroleum Gas)•CNG: 压缩天然气(Compressed Natural Gas)•LNG: 液化天然气(Liquefied Natural Gas)7. 参考文献[1] 国家燃气行业标准 - 燃气供应系统设计规范[2] 国家燃气行业标准 - 燃气设备选择与安装规范[3] 《建筑燃气工程技术规程》,中国建筑工业出版社,2008以上是燃气设计规范的基本内容,设计人员在设计燃气供应系统和选择燃气设备时,应严格遵守相关标准和规范,确保系统安全稳定运行。
《燃⽓设计规范标准》⽬录1 总则 (1)2 术语 (2)3 燃⽓条件预留 (3)3.1 燃⽓预留范围 (3)3.2 燃⽓预留要求 (3)4 燃⽓设计操作流程 (4)燃⽓设计操作流程关键点说明(1) (4)燃⽓设计操作流程关键点说明(2) (4)燃⽓设计操作流程关键点说明(3) (5)5 设计要点 (1)5.1 ⽤⽓量和⽤⽓标准 (1)5.2 燃⽓调压站(箱) (1)5.3 室外燃⽓⼲管及引⼊管 (2)5.4 室内燃⽓⼲管及燃⽓管井 (2)5.5 燃⽓⽀管及计量表 (3)5.6 安全措施 (4)燃⽓设计标准1总则1.1为保证我司项⽬中燃⽓设计符合安全经济、保证供应、合理美观和保护环境的要求,依据有关规范、规定制定此设计标准。
1.2本设计标准中含有燃⽓设计操作流程,各项⽬公司应按操作流程关键点要求执⾏,设计院作相应了解并配合项⽬公司完成燃⽓设计。
1.3本标准适⽤于在建和未建的吾悦⼴场项⽬。
1.4吾悦⼴场燃⽓设计除了符合本标准中的相关规定外,尚应符合国家现⾏有关规范和标准的规定。
1.5本标准中燃⽓安全措施应和当地燃⽓部门的要求⼀致。
2术语2.1⼤商业含有多样化、消费享受型业态的休闲商业聚集体。
2.2“⼀拖⼆”商铺通过户内楼梯连接⾸、⼆层,且⾸、⼆层做为⼀个独⽴单元同时销售的商铺,单个商铺间⽆连通。
2.2分层销售商铺各层独⽴销售的商铺,单个商铺间通过公共⾛道和连廊连接,每层商铺均独⽴对外开门。
2.3⼀环商铺与⼤商业贴临的外铺,属于⼤商业裙房。
2.4室外步⾏街商铺⾯向室外步⾏街的所有商铺(含⼀环商铺,范围以集团流转确认总图表⽰区域为准)。
2.5底商除⼀环商铺,室外步⾏街商铺之外其余的销售商铺。
⼀环商铺图2.1 商业分类⽰意图室外步⾏街商铺底商⼤商业3燃⽓条件预留3.1燃⽓预留范围注:★表⽰需要预留,空⽩表⽰不需要预留。
3.2燃⽓预留要求注:设计暂按此要求执⾏,商铺内燃⽓⼯程界⾯可根据商务合同签署后调整。
4燃⽓设计操作流程5设计要点5.1⽤⽓量和⽤⽓标准地块内设计⽤⽓量应根据当地供⽓原则和条件确定,⼀般包括以下⼏种⽤⽓量:1.居民⽣活⽤⽓量 2.商业⽤⽓量 3.燃⽓锅炉⽤⽓量。
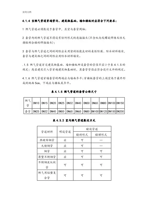
燃气设计常用规范与表格————————————————————————————————作者: ————————————————————————————————日期:4.1.4 当燃气管道穿越管沟、建筑物基础、墙和楼板时应符合下列要求:1 燃气管道必须敷设于套管中,且宜与套管同轴;2 套管内的燃气管道不得设有任何形式的连接接头(不含纵向或螺旋焊缝及经无损检测合格的焊接接头);3 套管与燃气管道之间的间隙应采用密封性能良好的柔性防腐、防水材料填实,套管与建筑物之间的间隙应用防水材料填实。
.1.5 燃气管道穿过建筑物基础、墙和楼板所设套管的管径不宜小于表4.1.5的规定;高层建筑引入管穿越建筑物基础时,其套管管径应符合设计文件的规定。
4.1.6燃气管道穿墙套管的两端应与墙面齐平;穿楼板套管的上端宜高于最终形成的地面5cm,下端应与楼板底齐平。
表4.1.5燃气管道的套管公称尺寸燃气管DN10DN15 DN20 DN25DN32DN40 DN50DN65DN80DN100DN150套管DN25 DN32 DN40 DN50DN65DN65 DN80DN100DN125DN150DN200表4.3.2 室内燃气管道敷设方式管道材料明设管道暗设管道暗封形式暗埋形式热镀锌钢管应可—无缝钢管应可—铜管应可可薄壁不锈钢管应可可不锈钢波纹软管可可可燃气用铝塑复合管可可可4.3.3 室内燃气管道的连接应符合下列要求:表4.3.20室内燃气管道与装饰后墙面的净距管子公称尺寸<DN25DN25~DN40 DN50>DN50与墙净距(mm) ≥30≥50≥70≥90.3.24 燃气管道与燃具之间用软管连接时应符合设计文件的规定,并应符合以下要求:1 软管与管道、燃具的连接处应严密,安装应牢固;2 当软管存在弯折、拉伸、龟裂、老化等现象时不得使用;3 当软管与燃具连接时,其长度不应超过2m,并不得有接4 当软管与移动式的工业用气设备连接时,其长度不应超过30m,接口不应超过2个;5 软管应低于灶具面板30mm以上;6 软管在任何情况下均不得穿过墙、楼板、顶棚、门和窗;7 非金属软管不得使用管件将其分成两个或多个支管。
城镇燃气设计规范GB50028-2006第1章总则1.0.1 为使城镇燃气工程设计符合安全生产、保证供应、经济合理和保护环境的要求,制定本规范。
1.O.2 本规范适用于向城市、乡镇或居民点供给居民生活、商业、工业企业生产、采暖通风和空调等各类用户作燃料用的新建、扩建或改建的城镇燃气工程设计。
注:1 本规范不适用于城镇燃气门站以前的长距离输气管道工程。
2 本规范不适用于工业企业自建供生产工艺用且燃气质量不符合本规范质量要求的燃气工程设计,但自建供生产工艺用且燃气质量符合本规范要求的燃气工程设计,可按本规范执行。
工业企业内部自供燃气给居民使用时,供居民使用的燃气质量和工程设计应按本规范执行。
3 本规范不适用于海洋和内河轮船、铁路车辆、汽车等运输工具上的燃气装置设计。
1.O.3 城镇燃气工程设计,应在不断总结生产、建设和科学实验的基础上,积极采用行之有效的新工艺、新技术、新材料和新设备,做到技术先进,经济合理。
1.O.4 城镇燃气工程规划设计应遵循我国的能源政策,根据城镇总体规划进行设计,并应与城镇的能源规划、环保规划、消防规划等相结合。
1.0.5 城镇燃气工程设计,除应遵守本规范外,尚应符合国家现行的有关标准的规定。
第2章术语2.0.1 城镇燃气city gas从城市、乡镇或居民点中的地区性气源点,通过输配系统供给居民生活、商业、工业企业生产、采暖通风和空调等各类用户公用性质的,且符合本规范燃气质量要求的可燃气体。
城镇燃气一般包括天然气、液化石油气和人工煤气。
2.O.2 人工煤气 manufactured gas以固体、液体或气体(包括煤、重油、轻油、液体石油气、天然气等)为原料经转化制得的,且符合现行国家标准《人工煤气》GB 13612质量要求的可燃气体。
人工煤气又简称为煤气。
2.0.3 居民生活用气gas for domestic use用于居民家庭炊事及制备热水等的燃气。
2.0.4 商业用气 gas for commercial use用于商业用户(含公共建筑用户)生产和生活的燃气。
燃气设计规范
燃气设计规范是指在燃气工程设计中,根据国家有关法律、法规、标
准和规范,结合实际情况,确定燃气工程的设计要求和设计内容的规范。
燃气设计规范是燃气工程设计的基础,是燃气工程设计的依据,
是燃气工程设计的标准。
燃气设计规范的主要内容包括:燃气工程设计的基本原则、燃气工程
设计的基本要求、燃气工程设计的基本内容、燃气工程设计的基本方法、燃气工程设计的基本程序、燃气工程设计的基本计算、燃气工程
设计的基本设备、燃气工程设计的基本材料、燃气工程设计的基本施工、燃气工程设计的基本检验、燃气工程设计的基本管理等。
燃气工程设计的基本原则是指在燃气工程设计中,应遵循的基本原则,包括安全、经济、节能、环保、可靠、可行等原则。
燃气工程设计的
基本要求是指在燃气工程设计中,应符合的基本要求,包括设计质量、设计效果、设计结果、设计费用、设计时间等要求。
燃气工程设计的
基本内容是指在燃气工程设计中,应包括的基本内容,包括燃气工程
的设计范围、燃气工程的设计内容、燃气工程的设计方案、燃气工程
的设计图纸、燃气工程的设计计算书等内容。
燃气工程设计的基本方法是指在燃气工程设计中,应采用的基本方法,包括计算方法、设计方法、检验方法、施工方法等。
燃气工程设计的
基本程序是指在燃气工程设计中,应按照的基本程序,包括设计准备、设计方案、设计图纸、设计计算书、设计审查、设计审核等程序。
室内。
DN<50.宜用镀锌钢管。
DN>50或压力大于0.01Mpa,根据规定选择管材。
钢钢管切割,机械或专用的砂轮片。
切口偏差1%<3mm。
凹凸误差1mm燃气管道焊接内壁错边量<10%,钢管小于2mm。
主管道开孔接支管:开孔边缘距对接焊缝不应小于100mm。
<100时,射线探伤。
管道对接焊缝与支、吊架边缘之间的距离不应小于50mm。
DN<50.宜用螺纹连接。
DN>50或压力大于0.01Mpa宜用焊接连接。
燃气管DN10 DM5 DN20 DN25 DN32 DN40 DN50 DN65 DN80 DN100 DN150套管DN25 DN32 DN40 DN50 DN65 DN65 DN80 DN100 DN125 DN150 DN200地上引入管与建筑物外墙之间的净距宜为100——120mm引入管保温层凹凸偏差<2mm室内明设燃气管道与墙面净距:DN<25mm…>30mm。
..20<DN<40..>50mm..。
DN=50mm..>60mm。
…DN>50mm…>90mm。
支撑不得设在管件、焊口、螺纹连接口处钢管支架最大间距公称直径最大间距(m) 公称直径最大间距(m)DN15 2.5 DN100 7.0DN20 3.0 DN125 8.0DN25 3.5 DN150 10.0DN32 4.0 DN200 12.0DN40 4.5 DN250 14.5DN50 5.0 DN300 16.5DN65 6.0 DN350 18.5DN80 6.5 DN400 20.5燃气管道采用的支撑形式公称尺寸砖砌墙壁混凝土制墙板石膏空心墙板木结构墙楼板DN15~DN20 管卡管卡管卡、夹壁管卡管卡吊架DN25~DN40 管卡、托架管卡、托架夹壁管卡管卡吊架DN50~DN65 管卡、托架管卡、托架夹壁托架管卡、托架吊架>DN65 托架托架不得依敷托架吊架暗埋墙内管道,沟槽宽度宜为管道外径加20mm,深度满足覆盖厚>10mm。
燃气设计需要的相关规范随着城市化进程的加快、节能环保政策的实施,燃气作为清洁、便捷的能源被广泛应用。
燃气设计涉及众多领域,不同类型的燃气设施设计需要依据相关规范进行,以保证其安全、高效、环保。
以下是燃气设计需要的相关规范。
一、《燃气供应规范》该规范为国家标准,详细阐述了燃气的供应、检验、调试以及安全问题等方面。
在燃气设施设计过程中,需要严格遵守该规范,制定相应的技术方案和效益分析,确保符合国家法律法规和标准要求。
二、《居住建筑燃气系统设计与施工规范》该规范为住宅设计的规范,主要针对燃气市场在居民区的应用进行制定。
规范涉及到居住建筑内燃气管道、燃具的布置与安装,以及气表、防爆器等设备的选择与设置等。
通过贯彻执行该规范,既能够确保居民的安全用气,又能够降低燃气管理人员的管理难度。
三、《城镇燃气工程施工及验收标准》该规范为煤气、液化气、天然气城市管网工程设计及施工标准,并在燃气工程的验收中提供指导。
规范详细规定了检测要求、设备要求、材料要求、作业要求等细节问题,以保障燃气管道的可靠性。
四、《厨房、燃气设备及热水器通风设计规范》有关厨房、燃气设备及热水器通风设计主要参考该规范。
该规范教授设备的安装位置、防火防水要求、通风设置等问题。
通过规范的实施,燃气设备与通风的相对独立,能够最大化地保证用户的安全,同时还保证了设备的使用寿命。
除了以上的规范之外,还有许多其他规范,例如燃气采暖设备安装工程与验收规范、燃气热水器安装调试与维护规范等。
各种规范相互配合,形成完整的燃气标准体系。
在燃气设施的安装、使用、维护中,不同规范有针对性的指导,极大地减少了因技术纠纷而引起的燃气安全事故发生。
最后,必须强调的是,规范不仅仅是一份文本,它更是行业中的经验教训。
在应用时,我们需要结合具体情况进行分析,将规范融入到设计中,形成特定的文件,同时进行燃气设施的安装调试和维护。
这样,才能最大化地提高规范的实施效果,确保燃气设施的安全高效运行。
4.1.4 当燃气管道穿越管沟、建筑物基础、墙和楼板时应符合下列要求:1 燃气管道必须敷设于套管中,且宜与套管同轴;2 套管内的燃气管道不得设有任何形式的连接接头(不含纵向或螺旋焊缝及经无损检测合格的焊接接头);3 套管与燃气管道之间的间隙应采用密封性能良好的柔性防腐、防水材料填实,套管与建筑物之间的间隙应用防水材料填实。
.1.5 燃气管道穿过建筑物基础、墙和楼板所设套管的管径不宜小于表4.1.5的规定;高层建筑引入管穿越建筑物基础时,其套管管径应符合设计文件的规定。
4.1.6 燃气管道穿墙套管的两端应与墙面齐平;穿楼板套管的上端宜高于最终形成的地面5cm,下端应与楼板底齐平。
表4.1.5 燃气管道的套管公称尺寸表4.3.2 室内燃气管道敷设方式4.3.3 室内燃气管道的连接应符合下列要求:表4.3.20 室内燃气管道与装饰后墙面的净距.3.24 燃气管道与燃具之间用软管连接时应符合设计文件的规定,并应符合以下要求:1 软管与管道、燃具的连接处应严密,安装应牢固;2 当软管存在弯折、拉伸、龟裂、老化等现象时不得使用;3 当软管与燃具连接时,其长度不应超过2m,并不得有接4 当软管与移动式的工业用气设备连接时,其长度不应超过30m,接口不应超过2个;5 软管应低于灶具面板30mm以上;6 软管在任何情况下均不得穿过墙、楼板、顶棚、门和窗;7 非金属软管不得使用管件将其分成两个或多个支管。
4.3.27 管道支架、托架、吊架、管卡(以下简称“支架”)的安装应符合下列要求:1 管道的支架应安装稳定、牢固,支架位置不得影响管道的安装、检修与维护;2 每个楼层的立管至少应设支架1处;表4.3.26 室内燃气管道与电气设备、相邻管道、设备之间的最小净距(cm)表4.3.27-1 钢管支架最大间距表4.3.27-2 铜管支架最大间距表4.3.27-3 薄壁不锈钢管支架最大间距表4.3.27-4 燃气用铝塑复合管支架最大间距表5.2.3 燃气计量表与燃具、电气设施之间的最小水平净距(cm)表6.2.6 燃具与电气设备、相邻管道之间的最小水平净距(cm)6.1.6 城镇燃气管道应按燃气设计压力(P)分为7 级,并应符合表6.1.6 的要求。
目录1 总则 (1)2 术语 (2)3 燃气条件预留 (3)3.1 燃气预留范围 (3)3.2 燃气预留要求 (3)4 燃气设计操作流程 (4)燃气设计操作流程关键点说明(1) (4)燃气设计操作流程关键点说明(2) (4)燃气设计操作流程关键点说明(3) (5)5 设计要点 (1)5.1 用气量和用气标准 (1)5.2 燃气调压站(箱) (1)5.3 室外燃气干管及引入管 (2)5.4 室内燃气干管及燃气管井 (2)5.5 燃气支管及计量表 (3)5.6 安全措施 (4)燃气设计标准1总则1.1为保证我司项目中燃气设计符合安全经济、保证供应、合理美观和保护环境的要求,依据有关规范、规定制定此设计标准。
1.2本设计标准中含有燃气设计操作流程,各项目公司应按操作流程关键点要求执行,设计院作相应了解并配合项目公司完成燃气设计。
1.3本标准适用于在建和未建的吾悦广场项目。
1.4吾悦广场燃气设计除了符合本标准中的相关规定外,尚应符合国家现行有关规范和标准的规定。
1.5本标准中燃气安全措施应和当地燃气部门的要求一致。
2术语2.1大商业含有多样化、消费享受型业态的休闲商业聚集体。
2.2“一拖二”商铺通过户内楼梯连接首、二层,且首、二层做为一个独立单元同时销售的商铺,单个商铺间无连通。
2.2分层销售商铺各层独立销售的商铺,单个商铺间通过公共走道和连廊连接,每层商铺均独立对外开门。
2.3一环商铺与大商业贴临的外铺,属于大商业裙房。
2.4室外步行街商铺面向室外步行街的所有商铺(含一环商铺,范围以集团流转确认总图表示区域为准)。
2.5底商除一环商铺,室外步行街商铺之外其余的销售商铺。
一环商铺图2.1 商业分类示意图室外步行街商铺底商大商业3燃气条件预留3.1燃气预留范围注:★表示需要预留,空白表示不需要预留。
3.2燃气预留要求注:设计暂按此要求执行,商铺内燃气工程界面可根据商务合同签署后调整。
4燃气设计操作流程5设计要点5.1用气量和用气标准地块内设计用气量应根据当地供气原则和条件确定,一般包括以下几种用气量:1.居民生活用气量 2.商业用气量 3.燃气锅炉用气量。
城镇燃气设计规范GB50028-2006第1章总则1.0.1 为使城镇燃气工程设计符合安全生产、保证供应、经济合理和保护环境的要求,制定本规范。
1.O.2 本规范适用于向城市、乡镇或居民点供给居民生活、商业、工业企业生产、采暖通风和空调等各类用户作燃料用的新建、扩建或改建的城镇燃气工程设计。
注:1 本规范不适用于城镇燃气门站以前的长距离输气管道工程。
2 本规范不适用于工业企业自建供生产工艺用且燃气质量不符合本规范质量要求的燃气工程设计,但自建供生产工艺用且燃气质量符合本规范要求的燃气工程设计,可按本规范执行。
工业企业内部自供燃气给居民使用时,供居民使用的燃气质量和工程设计应按本规范执行。
3 本规范不适用于海洋和内河轮船、铁路车辆、汽车等运输工具上的燃气装置设计。
1.O.3 城镇燃气工程设计,应在不断总结生产、建设和科学实验的基础上,积极采用行之有效的新工艺、新技术、新材料和新设备,做到技术先进,经济合理。
1.O.4 城镇燃气工程规划设计应遵循我国的能源政策,根据城镇总体规划进行设计,并应与城镇的能源规划、环保规划、消防规划等相结合。
1.0.5 城镇燃气工程设计,除应遵守本规范外,尚应符合国家现行的有关标准的规定。
第2章术语2.0.1 城镇燃气city gas从城市、乡镇或居民点中的地区性气源点,通过输配系统供给居民生活、商业、工业企业生产、采暖通风和空调等各类用户公用性质的,且符合本规范燃气质量要求的可燃气体。
城镇燃气一般包括天然气、液化石油气和人工煤气。
2.O.2 人工煤气 manufactured gas以固体、液体或气体(包括煤、重油、轻油、液体石油气、天然气等)为原料经转化制得的,且符合现行国家标准《人工煤气》GB 13612质量要求的可燃气体。
人工煤气又简称为煤气。
2.0.3 居民生活用气gas for domestic use用于居民家庭炊事及制备热水等的燃气。
2.0.4 商业用气 gas for commercial use用于商业用户(含公共建筑用户)生产和生活的燃气。
常规燃气设计常用标准
1)《燃气用聚乙烯管道系统的机械管件第1部分:公称外径不大于63mm的管材用钢塑转换管件》GB26255.1-2010,实施日期2011年6月1日;
2)《燃气用聚乙烯管道系统的机械管件第2部分:公称外径大于63mm的管材用钢塑转换管件》GB26255.2-2010,实施日期2011年6月1日;
3)《燃气用具连接用不锈钢波纹软管》CJ/T197-2010,实施日期2010年12月1日;
4)《钢制管法兰类型与参数》GB/T9112-2010等部分法兰标准和《管法兰连接用紧固件》GB/T9125-2010在2011年10月1日即将实施;
5)燃气输送用不锈钢波纹软管及管件GB/T26002-2010,实施日期2011年10月1日。
6)原《现场设备、工业管道焊接工程施工及验收规范》(GB50236-98)已改为《现场设备、工业管道焊接工程施工规范》(GB50236-2011),自2011.10.1起施行,设计文件里应注意。
7)GB50235-97工业金属管道工程施工及验收规范已改为GB
50235-2010 工业金属管道工程施工规范
8)《平面、突面板式平焊钢制管法兰》GB/T 9119-2000改为《板式平焊钢制管法兰》GB/T 9119-2010,实施日期2011年10月1日。
地下部分< 1.地下燃气管道与建筑物、构筑物或相邻管道之间的水平和垂直净距埋设在车行道下时,不得小于 0.9m;埋设在非车行道含人行道下时,不得小于 0.6m;埋设在庭院指绿化地及载货汽车不能进入之地内时,不得小于 0.3m;埋设在水田下时,不得小于 0.8m.注:当采取行之有效的防护措施后,上述规定均可适当降低.6.3.5 输送湿燃气的燃气管道,应埋设在土壤冰冻线以下.地下燃气管道与构筑物或相邻管道之间垂直净距2.套管内径应比燃气管道外径大 100mm 以上3.管沟沟底宽度和工作坑尺寸,应根据现场实际情况和管道敷设方法确定,也可按下列要求:4. 1 单管沟底组装按表确定.5.表沟底宽度尺寸表6. 2 单管沟边组装和双管同沟敷设可按下式计算.7.c+=a++DsD12式中 a ──沟槽底宽度m;8.D1──第一条管道外径m;9.D2──第二条管道外径m;10.s ──两管道之间的设计净距m;11. c ──工作宽度,在沟底组装:c = m;在沟边组装:c = m.地上部分<1.中压和低压燃气管道,可沿建筑耐火等级不低于二级的住宅或公共建筑的外墙敷设;次高压 B、中压和低压燃气管道,可沿建筑耐火等级不低于二级的丁、戊类生产厂房的外墙敷设.2.建筑物外墙的燃气管道距住宅或公共建筑物门、窗洞口的净距;中压管道不应小于 0.5m,低压管道不应小于 .燃气管道距生产厂房建筑物门、窗洞口的净距不限3.在车辆和人行道以外的地区,可在从地面到管底高度不小于的低支柱上敷设燃气管道.4.中、低压钢质燃气管道焊接连接推荐使用的管道规格.中、低压燃气管道常用管道规格表<P≤、P<表2-3-4室内燃气管道工程施工图设计要点:一管线位置1、管线一般采用明装,不允许穿越卧室、密闭地下室、浴室、厕所、易燃易爆品仓库、有腐蚀性介质的房间、配电间和变电室等.当燃气管穿过其他非用气房间内时,必须采用焊接的连接方式,并必须设置在套管中.2、引入管有地上引入和地下引入两种形式,居民用户一般采用地上引入形式.引入管一般直接从厨房或燃气表房引入.引入管一般采用无缝钢管弯制,当输送湿燃气时,应有坡向室外管道的坡度.3、室内燃气管道应与其他管道及设施保持一定的安全距离.①与上、下水、暖气管道水平净距不应小于100mm;②与水池边水平净距不应小于200mm;③与电开关、电插座水平净距不应小于150mm;④球阀、管接头严禁安装在电开关和电插座的正下方.二阀门位置1、进户总阀门:设在总立管上,一般距地面-1.7m.当引入管进入室内与总立管之间需采用水平管连接时,总阀门可安装在连接水平管上.也可将室内总阀门设置在室外.安装在室外的阀门必须采取保护措施.2、燃气表控制阀:额定流量Qn≤3m3/h的燃气表,表前应安装阀门;Qn≤25m3/h的燃气表,若靠近总立管,则进户总阀门可兼作燃气表控制阀;Qn≥40m3/h的燃气表或连接灶具较多的燃气表,燃气表前后均应安装阀门.3、灶具控制阀:每台灶具前均应安装控制阀门.4、燃具控制阀:一台灶具上往往安装多个燃烧器,每个燃烧器前均应安装控制阀门.5、点火控制阀:每台公用灶具均应安装点火控制阀.三活接头位置为了安装和维修方便,必须在室内燃气管道的适当位置上设置活接头.一般情况下,所有丝接阀门后均应设置活接头.DN≤50的用户立管上,每隔一层楼安装一个活接头,安装高度应便于安装拆卸.水平干管过长时,也应在适当位置安装活接头.设置活接头的场所应具有良好的通风条件.四套管的设置引入管穿越建筑物外墙;立管穿越楼板;水平管穿越隔墙、卫生间时,其穿越段必须全部设在套管内,套管内不准有接头.套管规格和要求见下表:燃气管道的套管直径表2-4-1五管卡或支架托架的设置燃气管道安装时应在立管和水平管段的适当位置设置管卡或支架托架.每层立管、表前接户立管的水平管、表后接灶水平管上应各设置一个管卡,灶前立管阀门前应设置两个管卡.对于高层住宅,每隔六层加一个托架.管卡或支架托架的做法可参照05S905系列建筑标准设计图集-管道支架吊架及05N605系列建筑标准设计图集-燃气工程.六燃气表的安装燃气表的安装详见本章第五节.七燃气燃烧器具的安装1、对安装燃气灶的厨房要求:a.安装燃气灶的厨房净高不得低于2.2m,应具有自然通风和自然采光,房顶必须采取防火措施;b.厨房内宜设排气装置和可燃气体报警装置.2、家用燃气灶的安装位置应方便用户使用,符合下列要求c.采用硬管连接时,灶边距墙壁净距不应小于100mm;d.采用软管连接时,其连接软管的长度不应超过2m,并不应有接口,且软管不得穿墙、窗和门.e.与水池净距不应小于200mm;f.距门框边不应小于200mm;距外开门不应小于200mm;距内开门,在门全开时,距门边不应小于200mm;g.与可燃或难燃烧的墙壁之间应采取有效的防火隔热措施,燃气灶的灶面边缘和烤箱的侧壁距木质家具的净距不应小于200mm,燃气灶与对面墙之间应有不小于1m的通道.3、商业用气设备的安装应符合下列规定:①用气设备之间的净距应满足操作和检修的要求,燃具灶台之间的净距不宜小于0.5m,大锅灶之间净距不宜小于0.8m,烤炉与其他燃具、灶台之间的净距不宜小于1.0m;②用气设备前宜有宽度不小于1.5m的通道;燃具、风帽排气出口与可燃材料、难燃材料装修的建筑物部位的最小距离见家用燃气燃烧器具安装及验收规程CJJ12.八对燃具给排气设施和排烟设施的安装要求1、排气装置a.灶具和热水器或采暖炉应分别采用竖向烟道进行排气;b.住宅采用自然换气时,排气装置应按现行国家标准家用燃气燃烧器具安装及验收规程CJJ12-99中的A.0.1的规定执行;c.住宅采用机械换气时,排气装置应按现行国家标准家用燃气燃烧器具安装及验收规程CJJ12-99中的A.0.3的规定执行.2、排烟设施a.不得与使用固体燃料的设备共用一套排烟设施;b.每台用气设备宜采用单独烟道,当多台设备合用一个总烟道时,应保证排烟时互不影响;c.在容易积聚烟气的地方,应设置泄爆装置;d.应设有防止倒风的装置;e.从设备顶部排烟或设施排烟罩排烟时,其上部应有不小于0.3m的垂直烟道方可接水平烟道;f.有防止倒风装置的用气设备不得设置烟道闸板,无防倒风排烟罩的用气设备,在至总烟道的每个支管上应设置闸板,闸板上应有直径大于15mm的孔.九商业用户、工业企业设计要点1、在用户提供用气场所的总体规划图、室内设备的总体布置图、安装设备的建筑平面图的前提下,了解用气设备台数、类型,压力、流量,尤其是压力、流量.2、商业用气设备的安装应符合下列规定:用气设备之间的净距应满足操作和检修的要求,燃具灶台之间的净距不宜小于0.5m,大锅灶之间的净距不宜小于0.8m,烤炉与其他燃具、灶台之间的净距不宜小于1.0m.3、用气设备前宜有宽度不小于1.5m的通道.4、工业企业用气车间、锅炉房、及大中型用气设备的燃气管道上应设放散管.5、设备摆放位置不宜设在地下室、半地下室或通风不良的场所.特殊情况需要设置时,应有机械通风和相应的防火防爆安全措施.建筑要求不符合应按规范向用户严格提出.6、工业企业内敷设燃气管道时,应符合现行国家标准工业企业煤气安全规程GB6222-2005的规定.十锅炉房直燃机燃气管道设计要点1、本条适用于下列范围内的工业、民用、区域锅炉房:1以水为介质蒸汽锅炉的锅炉房,其锅炉的额定蒸发量为1~65t/h、额定出口蒸汽压力为~表压、额定出口蒸汽温度小于或等于450℃;2热水锅炉的锅炉房,其锅炉的额定出力为~58MW、额定出口水压为~表压、额定出口水温小于或等于180℃;2、锅炉房燃气管道宜采用单母管,常年不间断供热时,宜采用双母管.采用双母管时,每一母管的流量宜按锅炉房最大计算耗气量的75%计算.3、锅炉房内燃气管道不应穿过易燃易爆品仓库、配电室、变电室、电缆沟、通风沟、风道、烟道和易使管道腐蚀的场所.4、锅炉房内燃气管道宜架空敷设.输送密度比空气小的燃气管道,应装设在空气流通的高处,输送密度比空气大的燃气管道,宜装在锅炉房外墙和便于检测的地点.5、在引入锅炉房的燃气母管上,应装设总关闭阀,并装设在安全和便于操作的地点.每台锅炉的燃气干管上,应装设关闭阀和快速切断阀.每个燃烧器前的燃气支管上,应装设关闭阀,阀后串联装设2个电磁阀如燃气设备自带一个,则设计一个即可.6、燃气管道上应装设放散管、取样口和吹扫口,其位置应能满足将管道内燃气或空气吹净的要求.放散管的位置应在用气设备的燃气总阀门和燃烧器阀门之间.7、燃气锅炉房和直燃机房必须设置下列安全设施:a.燃气浓度报警器b.燃气引入管上设置手动快速切断阀和紧急自动切断阀;c.应设置自然或机械通风设施和事故排风设施;d.燃气浓度报警器应与紧急自动切断阀和事故排风设备连锁.8、应设置必要的泄压设施,泄压设施宜采用轻质屋盖作为泄压面积,易于泄压的门、窗、轻质墙体也可作为泄压面积.作为泄压面积的轻质屋盖和轻质墙体的每平方米重量不宜超过120 kg.泄压面积与厂房体积的比值m2/m3宜采用~.爆炸介质威力较强或爆炸压力上升速度较快的,应尽量加大比值.9、燃气锅炉房和直燃机房必须设置下列情况的报警信号:a.燃气锅炉的风机故障停运b.燃气锅炉熄火c.燃气锅炉燃烧器前燃气干管压力过低或过高10、地下室、半地下室内设置的锅炉和直燃机严禁使用液化石油气.十一对于高层建筑的室内燃气管道系统应考虑的问题:1、补偿高层建筑的沉降可在引入管处安装补偿器以消除建筑物沉降的影响.2、克服高程差引起的附加压头的影响当高程差过大时,为了使建筑物上下各层的燃具都能在允许的压力波动范围内正常工作,可采取下列措施以克服附加压头的影响:a.增加管道阻力,以降低附加压头的增值.例如在燃气总立管上每隔若干层增设一分段阀门,作调节用.b.分开设置高层供气系统和低层供气系统,以分别满足不同高度的燃具工作压力的需要.c.设用户调压器,各用户由各自的调压器将燃气降压,达到稳定的、燃具所需的压力值.d.通过水力计算改变管径.3、高层建筑燃气立管的管道长、自重大,宜在立管底部设置支墩,并在每隔几层设置中间承重支撑,来分担燃气立管的自重和推力.4、当管道两端被固定支撑约束时,为了消除管道因温差产生的热应力影响,必须要考虑管道的温度补偿,应在两个固定支撑之间设置伸缩补偿器.4、高层民用户宜安装家用报警器.十二特殊场所安装燃气设施的要求:特殊场所包括地上暗厨房、地上密闭房间、地下室、半地下室、设备层等.没有直通室外的门和窗的房间称为地上暗厨房或地上密闭房间;地下房间标高到室外地坪标高大于21地下房间层高的为地下室;地下房间标高到室外地坪标高大于31小于或等于21地下房间层高的为半地下室;小于31的不能称为地下室. 1、地上暗厨房、地上密闭房间、地下室、半地下室、设备层的用气安全设施应符合下列要求:a. 引入管宜设快速切断阀和紧急自动切断阀,紧急自动切断阀停电时必须处于关闭状态常开型;b. 用气设备应有熄火保护装置;c. 用气房间应设置燃气浓度检测报警器,并由管理室集中监视和控制;d. 宜设置烟气一氧化碳检测报警器;e. 燃气管道应选择无缝钢管20号钢焊接或法兰连接,焊缝进行100%射线照相检验;f. 应设独立的机械送排风系统,通风量应满足以下规定:正常工作时,换气次数不应小于6次/小时,事故通风时,换气次数不小于12次/小时,不工作时不应小于3次/小时;当燃烧所需的空气量由室内吸取时,应满足燃烧所需的空气量,同时还要满足排除房间热力设备散失的多余热量所需的空气量.2、地下室、半地下室、设备层敷设人工煤气和天然气管道时,应符合下列要求:a.净高不应小于2.2m;b.应有良好的通风设施.地下室或地下设备层内应有机械通风和事故排风设施防爆;c.应设有固定的照明设备防爆;d.当燃气管道与其他管道一起敷设时,应敷设在其他管道的外侧;e.燃气管道应选择无缝钢管20号钢焊接或法兰连接;焊缝进行100%射线照相检验;f.应用非燃烧体的实体墙与电话间、变电室、修理间和储配室隔开;g.地下室内燃气管道末端应设放散管,并应引出地上.放散管的出口位置应保证吹扫放散时的安全和卫生要求;当建筑物位于防雷区之外时,放散管的引线应接地,接地电阻应小于10Ω.3、应安装燃气浓度检测报警器的场所:a.建筑物内专用的封闭式燃气调压、计量间b.地下室、半地下室和地上密闭的用气房间c.燃气管道竖井d.地下室、半地下室引入管穿墙处e.有燃气管道的管道层4、宜设置燃气紧急自动切断阀的场所a.地下室、半地下室和地上密闭的用气房间b.一类高层民用建筑定义:装修标准高、有空气调节的高级住宅或十九层及以上的普通住宅c.燃气用量、人员密集、流动人口多的商业建筑d.重要的公共建筑e.有燃气管道的管道层十三燃气管道及设备的防雷、防静电设计应符合下列要求:1、进出建筑物的燃气管道的进出口处,室外的屋面管、立管、放散管、引入管和燃气设备等处均应有防雷、防静电接地设施;2、对有避雷网的建筑在房顶上敷设的金属燃气管道;a.当管道比房顶上的避雷网高时即不在避雷网的保护范围时,所选用的钢管壁厚不得小于4mm,且同避雷网或防雷引下线可靠联结.b.当管道比房顶上的避雷网低时即在避雷网的保护范围时,应就近接到避雷网上.c.当管道同避雷网连接有困难时,也可采用独立的接地装置,其冲击电阻不宜大于30欧姆.3、对没有避雷网的建筑在房顶上敷设的金属燃气管道a.金属管道应做好防雷接地,一般采用独立的接地装置,其冲击电阻不宜大于30欧姆.b.当管道比建筑物高时即不在建筑物的覆盖范围内时,所选用的钢管壁厚不得小于4mm ,且管道应做好防雷接地,防雷引下线可选用不小于φ8mm镀锌圆钢.c.当管道比建筑物低时即在建筑物的覆盖范围内时,金属管道应做好防雷接地,接地点可选在距地点最近点或出地面处.4、对进出建筑物的架空燃气管道,在进出处就近接到防雷或电气设备的接地装置上,也可采用独立的接地装置,其冲击电阻不宜大于30欧姆.5、对可能产生静电危害的输气管道通过房屋进出口处,在管道分支处及管道每间隔50—80米,均设有防静电接地,静电接地单独安装时,其电阻不宜大于30欧姆.6、天然气管道上的法兰、法兰连接的阀门及非金属管两端连接处应有金属线或紫铜板跨接.法兰或阀门跨接处,跨接金属线截面不应小于6mm2.7、放散管的防雷二区爆炸危险环境a.对装有阻火器的排放爆炸危险气体的放散管,应做好保护接地,其冲击电阻不宜大于10欧姆.b.对排放物达不到爆炸浓度及发生事故时排放物才达到爆炸浓度的通风管、安全阀、放散管、应做好保护接地,其冲击电阻不宜大于10欧姆.室内燃气管道与装饰后墙面的净距表2-4-2若为毛墙面应增加30 mm设计1.计算低压燃气管道阻力损失时,应考虑因高程差而引起的燃气附加压力.燃气的附加压力可按下式计算:△H=10×ρk -ρm×h……………………………………………………………3-⑦式中△H —燃气的附加压力Pa;ρk—空气的密度kg/m3;ρm—燃气的密度kg/m3;h —燃气管道终、起点的高程差m.2.城镇燃气低压管道从调压站到最远燃具管道允许阻力损失,可按下式计算:△Pd =+150……………………………………………………3-⑧式中△Pd——从调压站到最远燃具的管道允许阻力损失Pa;Pn——低压燃具的额定压力Pa.注:△Pd含室内燃气管道允许阻力损失.3.当由区域低压管网接气时,室内低压燃气管道从建筑物引入管至管道末端允许的阻力损失,包括燃气计量装置的损失.1单层建筑不宜大于250 Pa;2多层建筑不宜大于350 Pa.当由小区内直接调压时,燃气管道允许的阻力损失应保证最不利点包括最近端和最远端及特殊点处的燃具在其最低和最高使用压力之间正常工作.4.当输送介质为天然气时,各项参数可按如下取值:民用燃具额定压力Pa 2000民用燃具前最低压力Pa 1500民用燃具前最高压力Pa 2800区域调压站出口最大压力Pa 3150楼栋调压器出口最大压力Pa 3000。
燃气相关规范一览表《可燃气体探测器》第 1 部份:测量范围为0~100%LEL 的点型可燃气体探测器GB 15322-1994《可燃气体探测器》第 2 部份:测量范围为0~100%LEL 的独立式可燃气体探测器GB 15322-1994《可燃气体探测器》第 3 部份:测量范围为0~100%LEL 的便携式可燃气体探测器GB 15322-1994《可燃气体探测器》第 4 部份:测量人工煤气的点型可燃气体探测器GB 15322-1994《可燃气体探测器》第 5 部份:测量人T 煤气的独立式可燃气体探测器GB 15322-1994《可燃气体探测器》第6 部份:测量人工煤气的便携式GB 15322-1994IC 卡家用膜式燃气表CJ/T112-2000lkV 及以下配线工程施工及验收规范GB 50258-96爆炸和火灾危(wei)险环境电力装置设计规范GB 50058-92爆炸性环境用防爆电气设备浇封型电气设备“m” GB 3836.9—90爆炸性环境用防爆电气设备最大试验安全间隙测定方法GB 3836.11-91爆炸性气体环境用电气设备GB3836.3 一2000便携式丁烷气灶GB 16691-1996便携灶用丁烷气瓶GB 16692-1996玻璃纤维增强热固性树脂压力管道施工及验收规范SY/T0323-2000长管面具GB 6220-1986长管面具性能试验方法GB 6221-1986长输管道阴极保护工程施工及验收规范SYJ 4006-1990长输天然气管道清管作业规程SY/T 6383-1999常压钢制焊接储罐及管道磁粉检测技术标准SY/T 0444-98常压立式储罐抗震鉴定技术要求SY 4064-93常压容积式燃气热水器CJ/T3031-1995车间空气中液化石油气卫生标准GB 11518-89车用压缩天然气瓶阀GB 17926-1999车用液化石油气的有关规程SY 7548-1998(修订)城市地下管线探测技术规程CJJ 61-94城市地下管线探测技术规程(补充) CJJ 61-94城市工程管线综合规划规范GB 50289城市建设档案著录规范GB/T 50323-2001城市燃气分类GB/T 13611-92城市燃气热值测定方法GB 12206-90城市燃气相对密度测定方法GB 12207-90城市燃气中氨含量测定GB 12210-90城市燃气中焦油和灰尘含量的测定方法CB 12208-90城市燃气中硫化氢含量测定GB 12211-90城市燃气中萘含量测定苦味酸法GB 12209.1-90城市燃气中萘含量测定气相色谱法GB 12209.2-90城镇供热管网维修技术规程CECS121 :2001城镇燃气调压器GB 16802-1997城镇燃气管网抢修和维护技术规程CJJ 51-92城镇燃气计量单位和符号CJ/T 3069-1997城镇燃气设计规范GB 50028-93城镇燃气设计规范(最新修改) GB 50028--93城镇燃气设施运行、维护和抢修安全技术规程CJJ51-2001城镇燃气室内工程施工及验收规范CJJ 94-2003城镇燃气输配工程施工及验收规范CJJ 33-89城镇燃气用灰铸铁阀门通用技术要求CJ3005-92城镇燃气用球墨铸铁、铸钢制阀门通用技术要求CJ/T3056-1995 炊用燃气大锅灶CJ/T3030-1995低压流体输送用焊接钢管GB/T 3091-2001地下工程防水技术规范GB50108-2001电力变流设备施工及验收规范GB 50255-96电气照明装置施工及验收规范GB 50259 一96电气装置安装工程低压电器施工及验收规范GB 50254-96电气装置施工及验收规范GB 50257-96发生炉煤气站设计规范GB 50195-94阀门的检查与安装规范SY/T 4102-95防腐保温钢管制作SY/T 0468-2000防静电工作服GB 12022 —89辐射交联聚乙烯热收缩带SY/T 4054-92腐蚀产物的采集与鉴定SY/T 0546-1996钢管防腐层厚度的无损测量方法(磁性法) SY/T 0066-1999钢焊缝手工超声波探伤方法和探伤结果分级GB/T 11345-1989钢熔化焊对接接头射线照像和质量分级GB 3323-1987钢制储罐氯磺化聚乙烯外防腐层技术标准SY/T 0320-98钢制储罐液体环氧涂料内防腐层技术标准SY/T 0319-98钢制管道对接环焊缝超声波探伤方法和检验结果的分级GB/T15830-1995 钢制球形储罐抗震鉴定技术标准SY 4081-95钢制球形储罐型式与基本参数GB/T 17261-1998钢制压力容器GB 150-1998钢制压力容器标准释义GB150-1998钢质管道粉煤灰水泥砂浆衬里离心成型施工工艺SY/T 4075-95钢质管道管体腐蚀损伤评价方法SY/T 6151-1995钢质管道及储罐腐蚀控制工程设计规范SY 0007-1999钢质管道及储罐腐蚀与防护调查方法标准SY/T 0087-95钢质管道聚乙烯胶粘带防腐层技术标准SY/T 0414-98钢质管道内涂层液体液料补口机补口工艺SY/T 4078-95钢质管道熔结环氧粉末内涂层技术标准SY/T 0442-97钢质管道熔结环氧粉末外涂层技术标准ST/T 0315-97钢质管道水泥砂浆衬里风送挤涂工艺SY/T 4077-95钢质管道液体涂料内涂层风送挤涂工艺SY/T 4076-95钢质焊接气瓶CB 5100-94高层民用建造设计防火规范GB 50045-95工业安装工程质量检验评定统一标准GB 50252-94工业金属管道工程施工及验收规范GB 50235-1997工业金属管道工程质量检验评定标准GB 50184-93工业企业煤气安全规程GB 6222-86建标[2001]93 号关于发布行业标准《城镇燃气设施运行、维护和抢修安全技术关于燃气沸水器的有关标准CJ/T 29-1999(第一次修订)管道、储罐渗漏检测方法SY/T 4080-95管道防腐层补口绝缘密封性试验方法标准SY 0074-1993管道防腐层高温阴极剥离试验方法标准SY 0072-93管道防腐层化学稳定性试验方法SY/T 0039-1997管道防腐层环状弯曲性能试验方法SY/T 0084-94管道防腐层抗冲击性试验方法(落锤试验法) SY/T 0040-1997管道防腐层耐冲击性试验方法(石灰石落下法) SY/T 0067-1999管道防腐层耐磨性能试验方法(滚筒法) SY/T 0065-2000管道防腐层水渗透性试验方法SY/T 0064-2000管道防腐层特定可弯曲性试验方法SY/T 0038-1997管道防腐层阴极剥离试验方法SY/T 0094-1999管道防腐层与金属粘结的剪切强度试验方法SY/T 0041-1997管道下向焊接工艺规程SY/T 4071-93管道元件的公称通径GB/T 1047-1995海上石油设施电气安全*作规程SY/T6560-2003机动车用液化石油气钢瓶GB 17259-1998机动车用液化石油气钢瓶集成阀GB 18299-2001机械设备安装工程施工及验收通用规范GB 50231-98加热炉工程施工及验收规范SY/T 0404-98家用瓶装液化石油气调压器CJ 50-2001家用燃气快速热水器(2001 版) GB 6932-2001家用燃气快速热水器(94 版) GB 6932-94家用燃气快速热水器安装验收规程CJJ12-86家用燃气器具旋塞阀总成CJ/T3072-1998家用燃气取暖器CJ/T113-2000家用燃气燃烧器具安全管理规程GB17905-1999家用燃气燃烧器具安装及验收规程CJJ 12-99家用燃气燃烧器具电子控制器CJ/T3074-1998家用燃气燃烧器具结构通则CJ131-2001家用燃气燃烧器具自动燃气阀CJ/T132-2001家用燃气泄漏报警器CJ 3057-1996家用燃气用具的通用试验方法GB/T 16411-1996家用燃气灶具GB 16410-1996家用手动燃气阀门CJ/T 180-2003建设工程文件归档整理规范CB/T 50328—2001建设工程项目管理规范GB/T 50326—2001建造抗震设防分类标准GB 50223-95建造设计防火规范GBJ 16-87建造物防雷设计规范GB 50057-94焦化厂、煤气厂含酚污水处理设计规范CECS05 :88接触式超声纵波直射探伤方法JB/T 4009-1999聚乙烯管材与管件热稳定性试验方法GB/T 17391-1998聚乙烯燃气管道工程技术规程CJJ 63-95可燃气体报警控制器技术要求和试验方法GB 16808-1997可燃气体探测器技术要求和试验方法GB l5322-94流体输送用塑料管材液压瞬时爆破和耐压试验方法GB/T 15560—1995 陆上石油工业安全术语SY/T 6455-2000埋地钢骨架聚乙烯复合管燃气管道工程技术规程CECS 131 :2002埋地钢质管道防腐绝缘层电阻率现场测量技术规定SY/T 6063-1994埋地钢质管道环氧煤沥青防腐层技术标准SY/T 0046-19埋地钢质管道交流排流保护技术标准SY/T 0032-2000埋地钢质管道聚乙烯防腐层技术标准(2002 版) SY/T 0413-95埋地钢质管道聚乙烯防腐层技术标准(95 版) SY/T 0413-2002埋地钢质管道强制电流阴极保护设计规范SY/T 0036-2000埋地钢质管道石油沥青防腐层技术标准SY/T 0420-97埋地钢质管道外壁涂敷有机覆盖层技术规定SY 0061-92埋地钢质管道外防腐层和保温层现场补口补伤施工及验收SY 4058-93 埋地钢质管道牺牲阳极阴极保护设计规范SY/T 0019-97埋地钢质管道阴极保护参数测试方法SY/T 0023-97埋地钢质管道硬质聚氨酯泡沫塑料防腐保温层技术标准SY/T 0415-96 埋地钢质管道直流排流保护技术标准SY/T 0017-96埋地镁牺牲阳极试样试验室评价的试验方法SY/T 0095-2000埋地输油输气钢管道结构设计规范CECS15 :90膜式煤气表GB 6968-1997起重机电气装置施工及验收规范GB 50256-96气藏分类SY/T 6168-1995气瓶定期检验站技术条件GB 12135-1999气瓶水压试验方法GB/T 9251-1997气瓶型号命名方法GB 15384-94气瓶专用罗纹GB 8335-1998气瓶专用罗纹量规CB/T 8336-1998气田天然气净化厂设计规范SY/T 0011-96汽车加油加气站设计与施工规范GB50156-2002汽车加油加气站设计与施工规范(条文说明) GB50156-2002汽车用燃气加气站技术规范CJJ 84-2000汽车用压缩天然气SY/T 7546--1996汽车用压缩天然气高压钢瓶规范JB/TQ814-89汽车用压缩天然气加气机GB/T 19237-2003汽车用压缩天然气加气口GB/T18363-2001汽车用压缩天然气加气站设计规范SY 0092-98汽车用压缩天然气减压调节器QC/T671-2000汽车用液化气石油气加气站设计规范SY 0093-98汽车用液化石油气SY 7548-1998汽车用液化石油气电磁阀QC/T673-2000汽车用液化石油气加气口(螺旋式) GB/T18364.1-2001汽车用液化石油气加气站设计规范SY 0093-98汽车用液化石油气蒸发调压器QC/T 672-2000轻烃储库运行管理规范SY/T 6070-94轻型燃气轮机辅助设备通用技术要求GB/T 13673—92轻型燃气轮机燃料使用规范GB/T 13674—92球形储罐γ 射线全景暴光技术要求SY/T 4055-93球形储罐γ 射线全景暴光照像方法GB/T 16544-1996球形储罐施工及验收规范GB 50094-98燃气阀门的试验与检验CJ/T3055-95燃气沸水器GB 12202-90燃气轮机辅助设备通用技术要求GB/T 15736—1995燃气轮机术语GB/T 15135-94燃气轮机总装技术条件GB/T 14793-93燃气汽车改装技术要求(压缩天然气汽车) GB/T18437 .1-2001燃气汽车改装技术要求(液化石油气汽车) GB/T18437 .2-2001 燃气燃烧器具安全技术监察规程燃气燃烧器具安全技术条件GB 16914-1997燃气燃烧器具安全技术通则GB 16914-1997燃气燃烧器具实验室—技术通则CJ/T3075.1—1998燃气燃烧器具使用交流电源的安全通用要求CJ 3062-1996燃气容积式热水器GB 18111-2000燃气用钢骨架聚乙烯塑料复合管CJ/T125-2000燃气用钢骨架聚乙烯塑料复合管件CJ/T126-2000燃气用埋地聚乙烯(PE)管道系统第1 部份:管材GB 15558燃气用埋地聚乙烯管材GB 15558.1-1 995燃气用埋地聚乙烯管件GB 15558 .2-1995燃气用埋地孔网钢带聚乙烯复合管CJ/T182-2003燃气蒸箱Q/IKOQ01-1997热电式燃具熄火保护装置GB 12203-90人工煤气GB 13612-92人工煤气组分气相色谱分析法GB 10410.1-89人工燃气主组分的化学分析方法GB 12205-90柔性机械接口铸铁管件GB 8715—88砂型离心铸铁管GB 3421—82射线照像探伤方法JB/T 9217-1999渗透探伤方法JB/T 9218-1999石油工业车用压缩天然气气瓶安全管理规定SY 5853-93石油建设工程质量检验评定标准管道穿跨越工程SY4104-95 石油天然气钢质管道对接焊缝超声波探伤及质量分级SY 4065-93 石油天然气钢质管道对接焊缝射线照像及质量分级SY 4056-93 石油天然气工业健康、安全与环境管理体系SY/T 6276-1997 石油天然气管道穿越工程施工及验收规范SY/T 4079-95石油天然气管道跨越工程施工及验收规范SY 0470-2000石油天然气金属管道焊接工艺评定SY/T 0452-2002石油天然气站内工艺管道工程施工及验收规范SY 0402-2000室外给水排水和燃气热力工程抗震设计规范CB 50032-2003输气管道工程设计规范GB 50251-94输油气管道不停输机械封堵作业技术规程SY/T 0450-97输油气管道通用阀门*作、维护、检修规程SY/T 6150-1995输油输气管道路线工程施工及验收规范SY 0401-1998水及燃气管道用球墨铸铁管、管件和附件GB/T13295-2003水喷雾灭火系统设计规范GB 50219-95滩海石油工程通风空调技术规范SY/T4087-1995天然气标准参比条件GB/T 19205-2003天然气常量组分气相色谱分析法GB 10470.2-89天然气的组成份析其相色谱法GB/T 13610-1992天然气地面设施抗硫化物应力开裂金属材料要求SY/T 0599-1997 天然气管道试运投产规范SY/T 6233-1996天然气集输管道施工及验收规范SY 0466-97天然气净化厂安全规范SY 6278-1997天然气开采企业计量器具配备规范SY/T 6046-95天然气流量的标准孔板计量方法SY/T 6143-1996天然气凝液回收设计规范SY/T 0077-93天然气输送管道运行管理规范SY/T 5922-94天然气水露点的测定冷却镜面凝析湿度计法GB/T 17283-1998天然气脱水设计规范S/T 0076-93天然气用有机硫化合物加臭剂的要求和测试方法GB/T 19206-2003 天然气运行管线试压技术规范SY/T 6149-1995天然气中丁烷至十六烷烃类的测定气相色谱法GB/T 17281-1998 天然气中硫化氢含量的测定亚甲蓝法GB/T 11060.2-1998天然气中总硫的测定氢解—速率计比色法涂装前钢材表面锈蚀等级和除锈等级GB 8923-1988涂装前钢材表面预处理规范SY/T 0407-1997危(wei)险化学试剂使用与管理规定SY/T6563-2003无损检测人员资格鉴定与认证GB/T 9445-1999现场设备、工业管道焊接工程施工及验收规范GB 50236-1998消防安全标志设置要求GB 15630-1995小容积液化石油气钢瓶GB 15380-2001循环注气采油安全规程SY/T6561-2003压力容器安全技术监察规程质监局[1999]154 号压力容器检验规范维护检验、定级、修理和改造SY/T 6507-2000压缩机、风机、泵安装工程施工及验收规范GB 50275-1998压缩空气站设计规范GB50029-2003压缩天然气加气机加气枪GB/T 19236-2003压缩天然气汽车定型试验规程QC/T 257-1998压缩天然气汽车专用装置和安装要求QC/T 245-1998液化气体气瓶充装规定GB 14193-1993液化气体气瓶充装站安全技术条件GB 17265-1998液化气体汽车罐车安全监察规程劳部发[1994]262 号液化气体铁路槽车技术条件HG5-1472-82液化气体铁路罐车安全管理规程(87)化生字第1174 号液化石油气(89 版) GB 11174-89液化石油气(97 版) GB 11174-1997液化石油气安全管理规定SY 5985 —1994液化石油气标准GB 11174-1997液化石油气储运SY/T 6356-1998液化石油气钢瓶GB 5842-1996液化石油气钢瓶包装运输规定CJ/T35-1999液化石油气钢瓶定期检验与评定GB 8334-1999液化石油气钢瓶工艺导则CJ/T36-1999液化石油气钢瓶焊接工艺评定CJ/T32-1999液化石油气钢瓶金相组织评定CJ/T31-1999液化石油气钢瓶热处理工艺评定CJ/T33-1999液化石油气钢瓶涂覆规定CJ/T34-2002液化石油气钢瓶质量保证控制要点CJ/T37-1999液化石油气罐车弹簧式安全阀HG5-1587-84液化石油气紧急切断HG5-1588-84液化石油气瓶充装站安全技术条件GB 17267-1998液化石油气瓶阀GB 7512-1998液化石油气汽车定型试验规程QC/T256-1998液化石油气汽车加气站设计规范DB44/99-1999液化石油气汽车专用装置和安装要求QC/T 247-1998液化石油气组分气相色谱分析法GB 10470.3-89液化天然气的普通特性GB/T 19204-2003液浸式超声纵波直射探伤方法JB/T 4008-1999液体石油产品静电安全规程GB 13348-92阴极保护管道的电绝缘标准(2003 版) SY/T 0086-2003阴极保护管道的电绝缘标准(95 版) SY/T 0086-95油气管道焊接工艺评定方法SY 4052-92油气管道架空部份及其附属设施维护保养规程SY/T 6068 —1994油气田及管道仪表控制系统设计规范SY/T 0090-96油气田液化石油气GB 9052.1-1998油气田用钢制常压容器施工及验收规范SY/T0449-97油水井注二氧化碳安全技术要求SY/T6565-2003原油和天然气工程设计防火规范GB 50183-93原油和天然气输送管道穿跨越工程设计规范穿越工程SY/T 0015.2-98原油和天然气输送管道穿跨越工程设计规范跨越工程SY/T 0015.1-98在用燃气汽车燃气供给系统泄漏安全技术要求及检验方法GB 19344-2003 中餐燃气炒菜灶Q/T 28-1999(第一次修订)中华人民共和国城镇建设行业标准:城镇燃气术语CJ/T 3085-1999中华人民共和国国家标准:天然气GB 17820-1999中华人民共和国国家标准站用压缩天然气钢瓶GB19158-2003中华人民共和国建设部城市燃气企业资质标准自动喷水灭火系统设计规范(2001 版) GB 50084--2001自动喷水灭火系统设计规范(更新) CB 50084-2001。
燃气设计常用规范与表格
4.1.4 当燃气管道穿越管沟、建筑物基础、墙和楼板时应符合下列要求:
1 燃气管道必须敷设于套管中,且宜与套管同轴;
2 套管内的燃气管道不得设有任何形式的连接接头(不含纵向或螺旋焊缝及经
无损检测合格的焊接接头);
3 套管与燃气管道之间的间隙应采用密封性能良好的柔性防腐、防水材料填实,套管与建筑物之间的间隙应用防水材料填实。
.1.5 燃气管道穿过建筑物基础、墙和楼板所设套管的管径不宜小于表4.1.5的规定;高层建筑引入管穿越建筑物基础时,其套管管径应符合设计文件的规定。
4.1.6 燃气管道穿墙套管的两端应与墙面齐平;穿楼板套管的上端宜高于最终形成的地面5cm,下端应与楼板底齐平。
表4.1.5 燃气管道的套管公称尺寸
燃气
DN10 DN15 DN20 DN25 DN32 DN40 DN50 DN65 DN80 DN100 DN150 管
套管DN25 DN32 DN40 DN50 DN65 DN65 DN80 DN100 DN125 DN150 DN200
表4.3.2 室内燃气管道敷设方式
4.3.3 室内燃气管道的连接应符合下列要求:
表4.3.20 室内燃气管道与装饰后墙面的净距
管子公称尺寸<DN25 DN25~DN40 DN50 >DN50
与墙净距(mm) ≥30≥50≥70≥90
.3.24 燃气管道与燃具之间用软管连接时应符合设计文件的规定,并应符合以下要求:
1 软管与管道、燃具的连接处应严密,安装应牢固;
2 当软管存在弯折、拉伸、龟裂、老化等现象时不得使用;
3 当软管与燃具连接时,其长度不应超过2m,并不得有接
4 当软管与移动式的工业用气设备连接时,其长度不应超过30m,接口不应超过2个;
5 软管应低于灶具面板30mm以上;
6 软管在任何情况下均不得穿过墙、楼板、顶棚、门和窗;
7 非金属软管不得使用管件将其分成两个或多个支管。
4.3.27 管道支架、托架、吊架、管卡(以下简称“支架”)的安装应符合下列要求:
1 管道的支架应安装稳定、牢固,支架位置不得影响管道的安装、检修与维护;
2 每个楼层的立管至少应设支架1处;
表4.3.26 室内燃气管道与电气设备、相邻管道、设备之间的最小净距(cm)
表4.3.27-1 钢管支架最大间距
表4.3.27-2 铜管支架最大间距
表4.3.27-3 薄壁不锈钢管支架最大间距
外径(mm) 15 20 25 32 40 50 65 80 100
垂直敷设(m) 2.0 2.0 2.5 2.5 3.0 3.0 3.0 3.0 3.5
水平敷设(m) 1.8 2.0 2.5 2.5 3.0 3.0 3.0 3.0 3.5 表4.3.27-4 燃气用铝塑复合管支架最大间距外径(mm) 16 18 20 25
水平敷设
1.2 1.2 1.2 1.8
(m)
垂直敷设
1.5 1.5 1.5
2.5
(m)
表5.2.3 燃气计量表与燃具、电气设施之间的最小水平净距(cm)
表6.2.6 燃具与电气设备、相邻管道之间的最小水平净距(cm)
6.1.6 城镇燃气管道应按燃气设计压力(P)分为7 级,并应符合表6.1.6 的要求。
表6.1.6 城镇燃气设计压力(表压)分级
6.3.3 地下燃气管道不得从建筑物和大型构筑物(不包括架空的建筑物和大型构筑物)的下面穿越。
地下燃气管道与建筑物、构筑物或相邻管道之间的水平和垂直净距,不应小于表6.3.3-1 和表6.3.3-2 的规定。
表6.3.3-1 地下燃气管道与建筑物、构筑物或相邻管道之间的水平净距(m)
表6.3.3-2 地下燃气管道与构筑物或相邻管道之间垂直净距(m)
注:1、当次高压燃气管道压力与表中数不相同时,可采用直线方程内插法确定水平净距。
2、如受地形限制无法满足表6.3.3-1 和表6.3.3-2 时,经与有关部门协商,采取有效的安全防护措施后,表6.3.3-1 和表6.3.3-2 规定的净距,均可适当缩小,但低压管道应不影响建(构)筑物和相邻管道基础的稳固性,中压管道距建筑物基础不应小于0.5m且距建筑物外墙面不应小于1m,次高压燃气管道距建筑物外墙面不应小于3.0m。
其中当对次高压A 燃气管道采取有效的安全防护措施或当管道壁厚不小于
9.5mm时,管道距建筑物外墙面不应小于6.5m;当管壁厚度不小于11.9mm时,管道距建筑物外墙面不应小于3.0m。
3、表6.3.3-1 和表6.3.3-2 规定除地下室燃气管道与热力管的净距不适于聚乙烯燃气管道和钢骨架聚乙烯塑料复合管外,其它规定也均适用于聚乙烯燃气管道和钢骨架聚乙烯塑料复合管道。
聚乙烯燃气管道与热力管道的净距应按国家现行标准《聚乙烯燃气管道工程技术规程》CJJ 63 执行。
4、地下燃气管道与电杆(塔)基础之间的水平净距,还应满足本规范表6.7.5地下燃气管道与交流电力线接地体的净距规定。
3、架空燃气管道与铁路、道路、其它管线交叉时的垂直净距不应小于表6.3.15的规定。
表6.3.15 架空燃气管道与铁路、道路、其它管线交叉时的垂直净距
注:1、厂区内部的燃气管道,在保证安全的情况下,管底至道路路面的垂直净距可取4.5m;管底至铁路轨顶的垂直净距,可取5.5m。
在车辆和人行道以外的地区,可在从地面到管底高度不小于0.35m 的低支柱上敷设燃气管道。
2、电气机车铁路除外。
3 、架空电力线与燃气管道的交叉垂直净距尚应考虑导线的最大垂度。
4、输送湿燃气的管道应采取排水措施,在寒冷地区还应采取保温措施。
燃气管道坡向凝水缸的坡度不宜小于0.003。
5、工业企业内燃气管道沿支柱敷设时,尚应符合现行的国家标准《工业企业煤气安全规程》GB 6222 的规定。
10.2.1 用户室内燃气管道的最高压力不应大于表10.2.1 的规定。
表10.2.1 用户室内燃气管道的最高压力(表压MPa)
10.2.36 室内燃气管道与电气设备、相邻管道之间的净距不应小于表10.2.36的规定。
表10.2.36 室内燃气管道与电气设备、相邻管道之间的净距
注:1 当明装电线加绝缘套管且套管的两端各伸出燃气管道10cm时,套管与燃气管道的交叉净距可降至1cm。
2 当布置确有困难,在采取有效措施后,可适当减小净距。