上海九年级中考物理一模表格归纳专题汇编含答案
- 格式:docx
- 大小:150.59 KB
- 文档页数:11
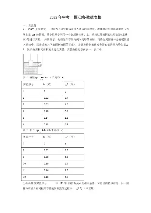
2022 年中考一模汇编-数据表格一、实验题 1 .(2022·上海静安 · 一模)为了研究物体在浸入液体的过程中,液体对柱形容器底部的压力 增加量 ΔF 的情况,某小组同学利用一个金属圆柱体、水、酒精以及相同的柱形容器(足够 高)等进行实验。
如图所示,他们先在容器内倒入足够的酒精,再将金属圆柱体分别缓慢浸 入酒精中,逐步改变其下表面到液面的深度h ,并计算得到液体对容器底部的压力增加量 F ,然后换用相同体积的水再次实验,实验数据记录在表一、表二中。
表一 酒精(ρ =0.8 10 千克/米 3 )酒精实验序号 h (米)1 02 0.023 0.054 0.105 0.146 0.18表二 水 7 (ρ =1.0 103 千克/米 3 )水实验序号 h (米)7 08 0.029 0.0810 0.1011 0.1612 0.18①分析比较实验序号______ 中 F 与h 的倍数关系及相关条件,可得出的初步结论:同一圆 柱体在浸入相同柱形容器的同种液体过程中, F 与 h 成正比;F (牛) 0 0.52.02.53.53.5F (牛) 0 0.41.02.02.82.8试卷第 2 页,共 8 页②分析比较实验序号 2 与 8 或者 4 与 10 中 F 与 h 的关系及相关条件, 可得出的初步结论: 同 一圆柱体在浸入相同柱形容器的不同液体过程中, ______; ③进一步分析表一、表二中的数据,发现 F 与 h 的关系有两种情况。
请你根据表一、表二 中的数据,尝试分析并写出这两种情况发生的临界深度h 的值。
______ (需写出分析过程)2 .(2022·上海松江·一模)某兴趣小组的同学观察到不同物体在空气中下落的快慢不同,如 石子下落比羽毛快得多, 于是他们联想到“物体在液体中下沉的快慢与哪些因素有关”, 并 作出以下猜想:猜想一:物体下沉快慢与物体质量有关;猜想二:物体下沉快慢与液体种类有关; 猜想三:物体下沉快慢与物体体积有关; 猜想四:物体下沉快慢与物体形状有关。
2023学年度第一学期期末九年级自适应练习物理2024.1一、选择题(本大题共6题,每题2分,共12分。
每题只有一个正确选项)1. 下列物理量中,可鉴别物质的是A. 质量B. 重力C. 密度D. 体积2. 下列家用电器中正常工作电流约为0.5 安的是A. 节能灯B. 电视机C. 电吹风D. 空调3. 如图所示,图钉帽做的宽大是为了A. 减小压力B. 增大压力C. 减小压强D. 增大压强4. 如图是电位器结构图,将接线柱a 、b 接入电路,滑片向右旋转,关于旋转过程中接入电阻的大小的变化,下列说法正确的是A. 变大B. 不变C. 变小D. 先变小后变大5. 某金属块质量为M, 将它浸没在盛有液体A 的杯中,溢出液体的质量为m₄; 将它浸没在盛满液体B 的杯中,溢出液体的质量为mg。
其中A、B和金属块的密度分别用PA、Pg和P金展表示。
若m₄>mg,则下列选项正确的是A.PA>PB,P 金属=MpA/m₄B.PA>PB,P 属=M₂ʙl MgC.PA<PB,P 金属=MDA/m₄D.PA<Pg,P 金属=M₂BlM₀6. 在如图所示的电路中,电源电压保持不变,闭合开关S, 电路正常工作。
一段时间后发现有一只电表的示数变大,已知故障仅出现在电阻R 或R₂。
若将R 和R₂的位置互换,与互换前比较,下列说法正确的是A. 若电压表示数不变,R₁一定断路B. 若电流表示数变小,R₁一定断路C. 若电流表示数不变,R,可能短路D. 若电压表示数变大, R;可能短路二、填空题(本大题共7题,共23分)请将结果填入答题纸的相应位置。
7. 上海家庭照明电路电压为_ 伏。
与毛皮摩擦过的橡胶棒带负电,是因为橡胶棒_ 电子(选填“得到”或“产生”)。
闭合电路中大量自由电荷_ 移动形成电流。
8. 意大利科学家_ 用如图所示装置进行实验,首先测得了标准大气压强的值约为1.0×10⁵帕,表示1平方米面积受到;实验时,若仅将玻璃管倾斜至虚线位置,则管内水银柱长度将_(选填“变小”“不变”或“变大”)。
2024届上海市中考物理质量检测模拟试题(一模)一、选择题:本大题共6小题,共12分。
1.下列说法中正确的是( )A. 导体中只要有电荷运动就会形成电流B. 通过导体的电流越大,导体的电阻就越小C. 原子是由原子核和核外电子组成的,原子核带正电D. 电磁波既可以在空气中传播,不可以在真空中传播U左管内注入水,在右管内注入煤油。
左右两管通过中间的水平细管相连接,细管中的水和煤油被阀门隔离开,左右两管中的水银平,如图所示。
当阀门打开瞬间( )A. 细管中的液体向左流动B. 细管中的液体向右流动C. 细管中的液体不动D. 细管中的水向右流动,煤油向左流动3.汽油机在压缩冲程后,汽缸中的燃料混合物( )A. 压强增大,温度降低B. 压强减小,温度降低C. 它们的比热容一样大D. 压强减小,温度升高4.如图所示,是南开中学教师运动会的“同心鼓”项目,这个项目要求老师们同时用力拉着鼓四周的绳子,通过有节奏的收、放绳子使鼓起伏,让球在鼓面上跳动。
下列说法正确的是( )A. 球在上升过程中所受合力不为零,合力方向竖直向下B. 球上升到最高点,此时速度为零,受平衡力C. 球与鼓面撞击后向上运动,是因为球受到惯性D. 鼓悬空保持静止时,因受到多个不同方向的拉力,合力不为零R2=20Ω.S1S20.3A S1S20.9A,当、都闭合时,电流表的示数为,则下列说法正确的是( )A. 电源电压为9VR115ΩB. 的阻值为S1S210s R136JC. 当、都闭合时,内电流通过电阻产生的热量为S1S230ΩD. 当、都闭舍时,电路中的总电阻为AI AI6.如图是一款“科技测肤”美妆镜,它可以通过摄像头对人脸拍照,经过处理,最终将画面呈现在显示屏上。
关于摄像头的说法正确的是A. 成像时,人脸在摄像头的二倍焦距外B. 人脸通过摄像头成正立的虚像C. 人脸靠近摄像头时,像会变小D. 摄像头这类透镜可矫正近视眼二、填空题:本大题共7小题,共24分。
2021年上海市九年级物理一模汇编10.压强计算1、(2021嘉定一模)如图10所示,棱长分别为0.2米和0.1米的实心立方体A 、B 放置在水平地面上,物体A 、 B 的质量均为8千克。
求:①物体A 的密度ρA 。
②物体B 对水平地面的压强p B 。
③小明设想在A 、 B 两物体中选择某一物体沿竖直或水平方向截取一定质量Δm ,并将截取部分Δm 置于对方的上表面,使此时它们对水平地面的压强p A ´=p B ´。
上述做法是否都可行?请说明理由。
请写出满足p A ´=p B ´时的截取和放置方式,并计算出Δm 。
2、(2021宝山一模)如图9,质量均为m 的实心均匀圆柱体A 、B 竖直放置在水平地面上。
已知A 的密度和高度分别为4ρ和5h ,B 的密度和高度分别为5ρ和8h 。
① 试求A 、B 对地面压强之比p A :p B ?② 为了使A 、B 对地面的压强相等,可以在它们上部沿水平方向分别截去相同的___________(选填“质量”、“高度”、“体积”或“无法实现”),并通过计算简述你的理由。
AB图103、(2021普陀一模)将实心均匀圆柱体A、B放置在水平地面,对地面的压强分别为1960帕和1176帕,已知圆柱体A的密度为2×103千克/米3。
①求圆柱体A的高度h A。
②若圆柱体A、B的底面积、高度关系如右表所示。
(a)求圆柱体B的密度ρB。
(b)现将圆柱体A 沿水平方向截取一定高度叠放在圆柱体B的中央,则A、B对水平地面压强的变化量分别为∆p A和∆p B,求∆p A与∆p B的比值。
4、(2021崇明一模)某实心均匀圆柱体放置在水平地面上,其质量为20千克、体积为33810-⨯米、底面积为22410-⨯米.①求圆柱体的密度ρ;②求圆柱体对水平地面的压强p;③水平面上还有A、B两个圆柱体(相关数据如图7所示),请将其中(选填“A”或“B”)圆柱体竖直叠放在另一个圆柱体的上部中央,使上圆柱体对下圆柱体的压强最大.求出此最大压强P最大.圆柱体底面积高度A S 5hB 3S3h图7圆柱体底面积质量A S 5mB 5S m5、(2021浦东一模)两个形状大小完全相同的均匀实心长方体放在水平地面上。
2023年3月学业质量调研九年级综合(物理部分)注意:1.综合合卷满分135分,用时120分钟;2.答案必须填写在答题卡上。
一、选择题(共12分)1.下列物理量中,用科学家姓名作为物理量单位的是()A.质量B.体积C.密度D.压强2.摩擦起电中的“电”是指()A.电荷B.电量C.电流D.电压3.下列实例中,属于大气压应用的是()A.液位计B.拔火罐C.茶壶D.密度计4.滑雪时穿上滑雪板是为了()A.增大压力B.增大压强C.减小压力D.减少压强5.如图所示的电路中,电源电压保持不变。
闭合开关S,当滑动变阻器的滑片P向右移动时,变大的是()A.电流表A1的示数B.电流表A2的示数C.电压表V示数与电流表A1示数的比值D.电压表V示数与电流表A2示数的比值6.如图所示,底面积不同的圆柱形容器分别盛有甲、乙两种液体,液体的质量相等。
现分别从两容器中抽出液体,且剩余液体的液面到容器底部的距离均为h,则剩余液体对各自容器底部的压强p和剩余液体质量m的关系是()A.p甲>p乙,m甲<m乙B.p甲=p乙,m甲>m乙C.p甲>p乙,m甲>m乙D.p甲<p乙,m甲<m乙二、填空题(共23分)7.普通家庭照明电路电压是______________伏,家庭中空调和电视机是____________(选填“串联”或“并联”)连接的。
在家中每多使用一个用电器,其总电阻会___________(选填“变大”、“变小”或“不变”)。
8.著名的______实验证明了大气压的存在并且大气压的值是很大的,1644年,意大利科学家______用实验测定了大气压的值,大气压强的大小与海拔高度有关,海拔高度越高,大气压强就越______。
9.物理学研究中经常用到一些科学方法.例如:研究电流时与水流进行对比,这属于运用了______法;研究串联、并联电路时,引入“总电阻”,这属于运用了______法;研究电路中电流与电压、电阻的关系所得出的规律时,需要运用______法。
甲乙图 32024年上海初三物理一模汇编:变化压强1、(2024崇明一模)如图2所示,质量相同的实心均匀正方体甲、乙分别放置在水平地面上.若沿水平方向切去相同的比例,则此时甲、乙对地面的压力F 甲、F 乙和压强p 甲、p 乙的关系是 A .F 甲=F 乙,p 甲>p 乙B .F 甲>F 乙,p 甲<p 乙C .F 甲<F 乙,p 甲<p 乙D .F 甲=F 乙,p 甲<p 乙2、(2024虹口一模)如图1所示,均匀正方体甲、乙放在水平地面上,甲、乙对地面的压强分别为p 甲、p 乙。
若沿水平方向切去部分后,剩余部分体积相等且甲对地面压强比乙小,则 A .p 甲一定大于p 乙 B .p 甲一定等于p 乙 C .p 甲一定小于p 乙 D .p 甲可能大于p 乙3、(2024嘉定一模)如图2所示,实心均匀正方体甲、乙对水平地面的压力相等。
现将甲、乙沿水平方向切去相同厚度,此时甲、乙剩余部分对水平地面的压力为F 甲´、F 乙´。
接着再将甲、乙沿顺时针方向翻转90度后放置,此时甲、乙对水平地面的压强为p 甲´、p 乙´。
则 A .F 甲´<F 乙´,p 甲´>p 乙´ B .F 甲´<F 乙´,p 甲´<p 乙´ C .F 甲´>F 乙´,p 甲´>p 乙´ D .F 甲´>F 乙´,p 甲´<p 乙´4、(2024金山一模)如图3所示,放置在水平地面上的均匀圆柱体甲和乙,质量和高度均相等。
沿水平方向在两柱体上截去相同高度后,剩余部分对地面的压强p 甲、p 乙和压力F 甲、F 乙的关系是 A .p 甲<p 乙,F 甲=F 乙B .p 甲=p 乙,F 甲<F 乙C .p 甲>p 乙,F 甲=F 乙D .p 甲=p 乙,F 甲>F 乙甲乙图2图1甲乙甲乙图25、(2024浦东一模)如图2所示,甲、乙两个实心均匀正方体放在水平地面上,甲的质量小于乙的质量。
2022 年中考一模汇编-情景分析一、填空题1.( 2022 上· 海金山 一·模)如图所示为中国航天员在离地球 360 千米的高空完成太空作业的情况, 小华在观看视频时发现航天员要穿着厚厚的航天服才干走出太空舱, 通过查 阅资料, 他得到以下信息: ( 1 ) 1 个标准大气压是人类最适应的环境, 0.3个标准大气压 是人类低气压承受极限; ( 2 )不同海拔高度处的大气压值不同(见下表):海拔 高度 h 千米大气 压强p /105帕①分析表中的数据大气压强 p 和海拔高度 h 的变化情况,可得出的初步结论是: _______; ②进一步分析表中数据可得:当海拔高度 h 为 0.8千米时, p 为______ 105 帕;③根据上述查阅资料的信息和表格中的相关信息,说明航天服的作用,并写出判断依据:_______。
【答案】 大气压随海拔高度的增加而减小 0.92 保持压力平衡 【详解】①[1]分析表中的数据可以看出, 海拔高度 h 越大, 大气压强 p 的值越小, 可得出的初步 结论是:大气压随海拔高度的增加而减小。
②[2]由表格数据可知,海拔高度越高,大气压值越小,高度每升高 100m ,大气压减小 0.01 105 Pa , 即高度每升高 1m ,大气压减小 10Pa ,所以大气压强 p 随高度 h 变化的0.54 0.62 0.96 0.97 0.99 0.98 0.47 0.85 0.410.9 0.8 0.7 1.1.5 0.1 0.4 0.2 0.3 4 2 6 75 1 0 3关系式是p 1 105 Pa 10Pa/m h当海拔高度 h 为 0.8千米时, p 为p 1 105 Pa 10Pa/m 0.8 1000m 0.92 105 Pa③[3]中国航天员在离地球 360 千米的高空完成太空作业时,处于真空环境,大气压为零,航天服的作用是:使人在太空中承受的压力与在地球上承受的压力相似,即保持压力平衡。
2022学年度学生学习能力诊断练习初三综合一、选择题(本大题共6题,每题2分,共12分。
每题只有一个正确选项)1.以下各实例中,利用连通器原理工作的是()A.茶壶B.吸尘器C.密度计D.抽水机2.家用电视机正常工作时的电流约为()A.0.1安B.0.5安C.5安D.10安3.冰熔化成水后(ρ冰=0.9×103千克/米3)()A.质量变大,体积变小B.质量变小,体积变大C.质量不变,体积变小D.质量不变,体积变大4.在图所示的电路中,电源电压保持不变。
闭合开关S 时()A.电流表A 1的示数变大B.电流表A 的示数不变C.电压表V 示数与电流表A 示数的比值变大D.电压表V 示数与电流表A 1示数的比值不变5.材料、长度相同的甲、乙两导体串联在电路中,它们两端的电压分别为U 甲、U 乙。
若U 甲>U 乙,则关于它们的横截面积S 甲、S 乙以及通过的电流I 甲、I 乙的关系是()A.S 甲>S 乙,I 甲<I 乙B.S 甲<S 乙,I 甲>I 乙C.S 甲<S 乙,I 甲=I 乙D.S 甲>S 乙,I 甲=I 乙6.如图所示,均匀正方体甲、乙放在水平地面上,若在两物体上部沿水平方向切去一定的厚度,使剩余部分的高度相等,已知切去的质量△m 甲>△m 乙,则甲、乙剩余部分对地面的压力F 甲和F 乙、压强p 甲和p 乙的关系是()A.F甲>F乙p甲>p乙B.F甲>F乙p甲<p乙C.F甲<F乙p甲>p乙D.F甲<F乙p甲<p乙二、填空题(本大题共7题,共23分)7.上海地区家庭电路的电压为_______伏,家用冰箱和空调是_______连接的(选填“串联”或“并联”),德国物理学家________经过长期研究,最终得出了通过导体的电流与导体两端电压的关系。
8.马德堡半球实验证明了________存在且很大。
2023学年第一学期九年级综合测试(2024.01)(完卷时间120分钟,满分135分)物理部分考生注意:1.答题时,考生务必按答题要求在答题纸规定的位置上作答,在草稿纸、本试卷上答题一律无效。
2.如无特别说明,都必须在答题纸的相应位置上写出证明或计算的主要步骤。
一、选择题(共12分)下列各题均只有一个正确选项,请将正确选项的代号用2B 铅笔填涂在答题纸的相应位置上,更改答案时,用橡皮擦去,重新填涂。
1.下列物理量中,可鉴别物质的是A .质量B .密度C .电阻D .压强2.以下事例中属于增大压强的是A .铁轨铺在枕木上B .书包背带较宽C .坦克装有履带D .菜刀的刀刃很薄3.在研究电压时,我们常将它比作水压,这是采用了A .类比法B .等效替代法C .控制变量法D .理想模型法4.在如图1所示的四个电路中,电源电压都相等且保持不变,电阻R 的阻值均相等。
闭合开关S ,电流表的示数最小的是A BCD5.在如图2所示的电路中,开关S 闭合后正常工作,下列操作中,可能使电流表A 示数与电流表A 1示数的比值不变的是A .增大电源电压,向右移动R 1的滑片B .增大电源电压,用阻值大于R 2的电阻替换R 2C .向右移动R 1的滑片且用阻值大于R 2的电阻替换R 2D .向右移动R 1的滑片且用阻值小于R 2的电阻替换R 2图1公众号:奥孚升学孚升学公众号:奥孚升学公众号:奥孚升学公众号:奥孚升学公众号:奥孚升学公众号:奥孚升学公众号:奥孚升学公众号:奥孚升学公众号:奥孚升学公众号:奥孚升学公众号:奥孚6.将甲、乙两个相同的溢水杯放在水平桌面上,分别盛满不同的液体(至溢水口处),两个完全相同的实心小球放入溢水杯中,溢出的液体流到了相同的小烧杯中,静止时的状态如图3所示。
此时,甲中液体对烧杯底部的压强和乙中液体对烧杯底部的压强分别为p 1和p 2,甲溢水杯对桌面的压强和乙溢水杯对桌面的压强分别为p 3和p 4,则A .p 1>p 2,p 3>p 4B .p 1<p 2,p 3<p 4C .p 1<p 2,p 3=p 4D .p 1>p 2,p 3=p 4二、填空题(共23分)请将结果填入答题纸的相应位置。
九年级综合学科物理部分一、单项选择题(本大题共6题,每题只有一个正确选项)1. 载重汽车有很多车轮是为了( )A. 减小压强B. 减小压力C. 增大压强D. 增大压力 2. 历史上,首次通过实验测出大气压值的物理学家是( )A 伽利略 B. 帕斯卡 C. 托里拆利 D. 阿基米德 3. 已知水的密度大于冰的密度,水结成冰后( )A 质量变小 B. 质量不变 C. 体积变小 D. 体积不变 4. 滑动变阻器实现变阻是利用了改变接入电路中电阻线的( )A. 材料B. 长度C. 粗细D. 温度5. 如图所示,均匀正方体甲、乙置于水平地面上,它们对地面的压强相等。
若在甲、乙的上部沿水平方向截去相同的高度,它们剩余部分对地面的压力和压强分别为F 甲、F 乙和p 甲、p 乙,则( )A. F F >乙甲,p p >乙甲B. F F >乙甲,p p <甲乙C. F F <甲乙,p p >乙甲D. F F <甲乙,p p <甲乙6. 在如图所示的电路中,电源电压保持不变。
现对电路分别进行下列操作:①将滑动变阻器滑片向右移;②用电阻()331R R R <替换电阻1R ;③闭合开关S 。
其中能使电流表与电压表示数均变大的操作有( )A. 0个B. 1个C. 2个D. 3个二、填空题(本大题共7题)请将结果填入答题纸的相应位置。
7. 上海家庭电路两端电压为_________伏。
家中同时使用的用电器增多时,干路中的电流将_________(选填变大”、“变小”或“不变”)。
某电冰箱的额定功率为250瓦,正常工作4小时,耗电_________千瓦时。
8. 物理知识在生活中有着广泛的应用。
如图(a )所示,锅炉液位计主要是利用_________原理工作的;如图(b )所示是国产C919大飞机,为了减轻飞机质量,制作时采用密度_________的铝锂合金(选填“较大”或“较小”);先秦时期,古人用“角法”治病,“角法”就是现在的拔火罐,如图(c )所示,工作时罐内气压_________外界大气压强(选填“大于”“等于”或“小于”)。
共6页 第1页图22023学年第一学期期末学业质量调研九年级综合(物理部分)一、选择题(共12分)1.下列物理量中,属于物质本身的一种特性是A .质量B .密度C .压强D .浮力2.物理学历史上第一个用实验测出大气压强值的科学家是A .帕斯卡B .伽利略C .托里拆利D .马德堡市市长3.俗话说“磨刀不误砍柴工”,将斧头磨锋利的目的是A .增大压力B .增大压强C .减小压力D .减小压强4.导体的电阻与下列哪个因素有关A .导体材料B .导体中的电流C .导体两端的电压D .导体中通过的电量5.“热敏电阻”控制型动态电路如图1所示的电路,电源电压不变,R 1为热敏电阻,其阻值随温度的升高而减小.闭合开关S ,当监控区的温度升高时,电流表和电压表示数变化的情况是 A .电流表示数变大,电压表示数变大 B .电流表示数变小,电压表示数变小 C .电流表示数变大,电压表示数变小D .电流表示数变小,电压表示数变大6.如图2所示,质量相同的实心均匀正方体甲、乙分别放置在水平地面上.若沿水平方向切去相同的比例,则此时甲、乙对地面的压力F 甲、F 乙和压强p 甲、p 乙的关系是 A .F F =甲乙,p p >甲乙B .F F >甲乙,p p <甲乙C .F F <甲乙,p p <甲乙D .F F =甲乙,p p <甲乙二、填空题(共23分)7.普通车库里两辆电动自行车同时充电时,它们是 (1) (选填“串联”或“并联”)连接的,其插座电压是 (2) 伏;电动自行车骑行时,向下旋动右手的“调速”把手,车图1共6页 第2页8.茶壶工作时主要是利用 (4) 原理.大气压强的大小与海拔高度有关,海拔高度越高,大气压强越 (5) (选填“大”或“小”),若在同一地点用水代替水银做测量大气压大小的实验,则测出的大气压值将 (6) (选填“变小”、“不变”或“变大”). 9.冰的密度为330.910/⨯千克米,表示每立方米的冰 (7) 是30.910⨯千克,当冰熔化为水后,体积将 (8) (选填“变小”、“不变”或“变大”).一只杯子最多可盛质量为0.2千克的酒精,它一定 (9) (选填“能”、“不能”或“不确定”)盛下质量为0.2千克的水.(酒精的密度为330.810/⨯千克米)10.物理学研究中经常用到一些科学方法.例如:研究电流时经常与水流进行对比,这属于运用了 (10) 法;研究串联、并联电路时,引入“总电阻”,这属于运用了 (11) 法;研究电路中电流与电压、电阻的关系所得出的规律时,需要运用 (12) 法. 11.10秒内通过某导体横截面的电荷量为9库,通过该导体的电流为 (13) 安;若该导体两端的电压为9伏,则导体的电阻为 (14) 欧.若该导体两端的电压为零时,它的电阻为 (15) 欧.12.在图3所示的电路中,电源电压为0U 保持不变.已知电路中仅有一处故障,且只发生在电阻R 或小灯泡L 上,闭合开关S ,电压表指针所在的位置不变.请根据相关信息写出电压表的示数及相对应的故障: (16) .13.我们的日常生活已经离不开电,究竟什么是电?如何注意安全用电?怎样利用所学的电学知识解释生活中的电现象,以达到学以致用的目的!下表一是不同情况下各类电压大小的比较,下表二是一些常见物体的电阻大小.请完成下列问题.①我们的日常生活已经离不开电,但若不注意用电安全,会发生触电.!这里的“电”是指 (17) (选填“电荷”、“电子”、“电源”或“电流”).②通过以上两表中的信息,可得出人体安全电流约为 (18) 安.图3表一:不同情况下电压大小的比较 表二:一些物体的电阻大小共6页 第3页③一般情况下,当1毫安左右的电流通过人体时,会产生麻的感觉;电流超过10毫安,人会感觉到剧痛,甚至出现神经麻痹,呼吸困难,有生命危险.而日常我们做实验时,经常会出现如图4所示的情况,电源为2节新干电池,电路中通过小灯的电流约为0.3安即300毫安,为什么这种情况下人却没有危险?请在答题卡电路图上补充画出此时(人两手接触电路后)完整的电路图并分析原因 (19) .电路图: 原因:三、作图题(共5分)14.重20牛的物体静止在水平地面上,用力的图示法在图5中画出水平地面所受压力F .15.在图6所示电路里填上适当的电表符号,使之成为正确的电路.图4ASLL 2图6图5共6页 第4页四、综合题(共30分)16.物体浸没在水中,排开水的体积为33210-⨯米,求物体受到的浮力F 浮.17.如图7所示的电路中,已知电源电压均为U ,两电阻的阻值分别为1R 、2R .试求:(1)图7(a )中闭合开关后电路的总电阻和图7(b )中闭合开关后电路中的电流表示数; (2)图7(a )中闭合开关后电路的中电流表示数和图7(b )中闭合开关后电路的总电流.18.如图8所示,完全相同的圆柱形容器A 和B 放在水平地面上,A 中装有深为7h 、体积为33110-⨯米的水.B 中装有深为8h 的另一种液体,其密度为30.810⨯千克/3米,求:(1)A 容器中水的质量;(2)若A 容器的重力为2牛,容器与水平地面接触面积为41.1810-⨯2米,求A 容器对地面的压强;(3)若从A 、B 两容器中分别抽出高均为h ∆的液体后,液体对各自容器底部的压强分别为A P 、B P ,请通过计算比较A P 与B P 的大小关系及对应的h ∆的取值范围.AB图8(a ) (b )图7共6页 第5页19.物理课上,同学们利用压强计“研究液体内部压强”,进行了如下的操作.(1)实验前,用手指按压橡皮膜,发现U 形管中的液面升降灵活,说明该装置 (选填“漏气”或“不漏气”).实验时,小王将探头放入水下,U 形管两侧水面高度差为8厘米,此时U 形管内外的气压差为 Pa .(331.010/ρ=⨯千克米水,g 取10/牛千克) (2)正确操作后,分析图9②、图9③的实验现象,得出结论:同种液体中,液体压强随液体深度的增加而 (选填“增大”“减小”或“不变”).分析图9③、图9④的实验现象,得出结论:在深度相同时,液体的 越大,液体压强越大.(3)小王用图9⑤所示的装置测量未知液体的密度:在左侧加入适量的水,在右侧缓慢倒入待测液体,直到橡皮膜刚好变平,她测量了以下物理量: A .右侧待测液体到容器底的深度1h B .右侧待测液体到橡皮膜中心的深度2h C .左侧水到容器底的深度3h D .左侧水到橡皮膜中心的深度4h请你推导出待测液体密度的表达式为ρ= (选择题中合适的字母和ρ水表示).探头软管 U 形管水水 盐水隔板 橡皮膜①②③④⑤图9共6页 第6页20.某同学利用如图10所示的电路测量一待测电阻x R 的阻值,图中电源电压恒为6伏,滑动变阻器的最大阻值为50欧.(1)此实验测电阻的原理是 ;正确连接电路,闭合开关前,应将滑动变阻器的滑片P 移至 端(选填“A ”或“B ”).(2)实验过程中向左移动滑片P ,电压表的示数 (选填“变大”“变小”或“不变”);实验中测量多组电压和电流值的目的是 (选填“A ”验证实验结果是否正确;“B ”寻找普遍规律;“C ”减小测量误差).(3)若x R 为10Ω,在保证电路安全的情况下,滑动变阻器连入电路的阻值范围是 .R xAPB 图10共6页 第7页崇明区2023学年第一学期学业质量调研九年级物理参考答案和评分标准7. (1)并联; (2)220; (3)滑动变阻器。
2024年上海初三物理一模汇编:电学计算1、(2024虹口一模)在图7所示的电路中,电源电压为18伏保持不变,电阻R 1的阻值为10欧,滑动变阻器R 2允许通过的最大电流为1安。
闭合开关S ,电压表示数为10伏。
求: ① 此时电阻R 1两端的电压U 1。
② 此时变阻器连入电路的阻值R 2。
③ 移动变阻器滑片P 过程中,电源电压与电压表示数比值的最大值。
2、(2024金山一模)在图12所示的电路中,电源电压为18伏保持不变,电阻R 1的阻值为10欧,滑动变阻器R 2上标有“50Ω 1A”字样。
闭合开关S 后,电流表A 的示数为0.5安。
求: ① 电阻R 1两端的电压U 1; ② 此时滑动变阻器R 2的阻值;③ 现用电压为U 0的电源替换原来的电源,要求变阻器的滑片P 移到任意位置均能保证电路安全。
求U 0的最大值(写出完整的判断、计算过程)。
图7S R 1 R 2V图12 PS R 2 R 1VA3、(2024宝山一模)如图15甲所示电路,电阻R 1的阻值为10欧,滑动变阻器R 2上标有“50Ω 2A”的字样。
当滑动变阻器的滑片P 移至b 端时,闭合开关S ,电流表的示数为0.1安。
① 求电源电压U 0。
② 求滑动变阻器的滑片P 移至a 端时,电流表的示数I A 。
③ 若将一只电压表并联接入该电路(A 和B )、(B 和C )或(A 和C )中的某一部分两端,调节滑动变阻器的滑片P ,使电压表的指针指在图15乙所示的位置,请写出电压表所有可能连接的位置,并求出滑动变阻器R 2对应的阻值。
4、(2024奉贤一模)在图12所示的电路中,电源电压为12伏且保持不变,电阻R 1的阻值为10欧,滑动变阻器R 2上标有“20欧 *安”字样。
闭合开关S ,电压表示数为6伏。
求: ① 通过电阻R 1的电流I 1。
② 变阻器连入电路的阻值R 2。
③ 移动变阻器滑片P 过程中,电压表最大示数和最小示数的差值为6伏,求滑动变阻器R 2允许通过的最大电流I 2最大。
2024年上海初三物理一模汇编:动态电路1、(2024崇明一模)“热敏电阻”控制型动态电路如图1所示的电路,电源电压不变,R 1为热敏电阻,其阻值随温度的升高而减小.闭合开关S ,当监控区的温度升高时,电流表和电压表示数变化的情况是A .电流表示数变大,电压表示数变大B .电流表示数变小,电压表示数变小C .电流表示数变大,电压表示数变小D .电流表示数变小,电压表示数变大2、(2024徐汇一模)图6为烟雾报警器的模拟电路, R 1是滑动变阻器,R c 是气敏电阻,其阻值会随烟雾浓度增大而减小。
当烟雾浓度C 达到8%,电压表示数小于U 0时就会报警。
若要增大该装置对烟雾探测的灵敏度,即烟雾浓度C 达到4%时就报警,下列方案中可行的是 A .增大电源电压 B .向右移动滑片PC .增大电源电压,向右移动滑片PD .减小电源电压,向右移动滑片P3、(2024长宁一模)在图1所示的电路中,电源电压保持不变,电阻R 1、R 2均为定值电阻。
若在电路中添加一个电压表,闭合开关S 前后,发现电压表与电流表示数的比值不变,则电压表并联的位置 A .只能是MN 两点间 B .可能是PN 两点间 C .只能是MQ 两点间 D .可能是PM 两点间4、(2024黄浦一模)在图2所示的电路中,闭合开关S ,电路正常工作。
现对电路分别进行下列操作:①将滑动变阻器滑片向左移;②用电阻R 3(R 3>R 1)替换电阻R 1;③断开开关S ;④增大电源电压。
其中能使电压表示数变大的操作有 A .1个 B .2个 C .3个D .4个图1R 1 R 2VAS监控区 R 1S图6R C V P SR 1 R 2A图1NPMQ图2 VSR 1R 2P5、(2024宝山一模)如图7所示电路,滑动变阻器R 2的滑片P 向右移动时,判断电表的示数变化情况。
小宝同学的分析如下:①滑动变阻器的阻值变大→②电路的总电阻变大→③电流表A 的示数变小→④电压表V 的示数变大。
2019年上海各区中考物理一模试题分类汇编——数据表格((word版包含答案)2019 年上海中考物理一模试题分类汇编——数据表格1.(19嘉定区一模)某班同学在学习“重力”时,根据“用手掂物体”的活动体验和生活经验对物体受到的重力大小与哪些因素有关提出了以下猜想:猜想1:物体的质量;猜想2:物质的种类。
实验序号质量(千克)重力(牛)10.10 1.020.25 2.530.30 3.0表二被测物体:黄豆实验序号质量(千克)重力(牛)40.08 0.850.20 2.060.36 3.6实验序号质量(千克)重力(牛)70.05 0.580.15 1.590 .40 4.0①请你举出一个实例,作为提出猜想1 的依据。
根据上述猜想与假设,他们分组设计实验方案,利用弹簧测力计分别测得质量已知的多份大米、黄豆和陶泥所受的重力,实验中记录的有关数据分别如表一、表二、表三所示。
②分析比较实验序号1、2 与3 或4、5 与6 或7、8 与9 中的物体受到的重力与质量的关系及相关条件,可得出的初步结论是:。
③同学们在交流时发现根据实验所测数据无法直接比较物体受到的重力与物质种类的关系,理由是:。
④他们进一步综合分析比较表一、表二、表三中的物体受到的重力与其质量的关系发现:大米、黄豆和陶泥受到的重力和其质量的比值是个定值,且都相同,这表明猜想2 是否成立?⑤本实验进行了多次测量,其目的与以下实验多次测量目的不同的是A.测定物质的密度B.探究导体中的电流与电压关系C.探究物质的质量与体积的关系D.探究凸透镜成像的规律2.(19青浦区一模)在“探究物质质量与体积的关系”实验中,某小组同学分别用甲、乙两种不同的固态物质做实验。
实验时,分别测出它们的体积和质量,记录数据如表一、表二所示。
实验序号体积(厘米3)质量(克)110 9表二乙物质(固态)实验序号体积(厘米3)质量(克)410 11520 22630 33①分析比较实验序号1、2 与3(或4、5 与6)的数据及相关条件,可得出的初步结论是:。
崇明区2023学年第一学期学业质量调研九年级物理参考答案和评分标准题号答案要点及评分说明一、选择题(每题2分,共12分)1.B。
2.C。
3.B。
4.A。
5.C。
6.D。
二、填空题(除第16格4分,第19格2分,其余每空1分,共23分)7.(1)并联;(2)220;(3)滑动变阻器。
8.(4)连通器;(5)小;(6)不变。
9.(7)质量;(8)变小;(9)能。
10.(10)类比;(11)等效替代;(12)控制变量。
11.(13)0.9;(14)10;(15)10。
12.(16)若电压表示数为0,则L 断路;若电压表示数为U 0,则R 断路或L 短路。
(说明:上格每种情况2分,共4分)13.①(17)电流;②(18)2.4×10-3;③(19)此时人体相当于一个电阻与小灯并联,电源电压为3伏,通过人体的电流约为4-103 安即0.3毫安,低于人体安全电流,所以人没有危险。
(说明:上格电路图补充正确得1分,说理正确得1分,共2分。
本小题属开放题,只要说出此时通过人体电流小于人体安全电流,就能得分)三、作图题(共5分)14.力的大小1分、方向和作用点1分,共2分。
15.每个电路元件符号正确各得1分,共3分。
四、综合题(共30分)16.(3分)F 浮=ρ液gV 排=1×103千克/米3×9.8牛/千克×2×10-3米3=19.6牛说明:公式、代入和结果各1分,共3分。
17.(8分)(1)R 总=R 1+R 2I 1并=U/R 1说明:每个表达式(结果)得2分,共4分。
(2)I 串=U/R 串=U/(R 1+R 2)I 并=U/R 并=U/[R 1R 2/(R 1+R 2)]=R 1R 2U/(R 1+R 2)说明:每条公式1分,结果1分,共4分。
18.(9分)(1)m=ρV=1000千克/米3×1×10-3米3=1千克说明:公式、代入、结果各1分,共3分。
上海市各区县2017届初三物理试题表格归纳专题分类精编一、力学数据表格分析1、(2017虹口区第25题)小赵和小王讨论盛有液体的容器在放入物体前、后容器底部所受液体压强的增加量?p液与哪些因素有关,他们的猜想不同。
①小赵猜想:?p液与放入圆柱体的质量m物、体积V物有关,于是他将不同的圆柱体分别浸没在某种液体中,测得相应的?p液,并将数据记录在表一中。
) ②物体部分浸入液体中,测得物体浸入液体的体积V浸以及V物、?p液,并记录在表二中。
分析比较实验序号_________,可知小王的质疑是_________的(选填“正确”或“错误”);分析比较实验序号7与9与10,可得:将一物体浸入同种液体中,__________。
2、(2017静安区第25题)小明同学通过实验研究浸在液体中的物体对容器底部所受液体压强变化的影响。
首先,他将一个圆柱体放入足够深的水槽中,圆柱体浮在水面上,并利用仪器测得水槽底部所受水的压强,实验初始状态时水槽底部所受水的压强为3000.00帕。
然后,他在圆柱体上逐个放上与圆柱体底面积相同的圆板(圆板的厚度与材质相同),观察圆柱体在水中所处的状态,并记录下水槽底部所受水的压强。
表一、表二为两位同学记录的实验数据及观察到的实验现象。
①分析比较实验序号1、2、3与4(或5、6、7与8)中的水槽底部所受水的压强与所加圆板个数的大小关系及相关条件,可得出的初步结论是:(8)。
②请进一步综合分析比较表一、表二中压强变化量的数据及相关条件,并归纳得出结论。
(a)分析比较表一或表二中压强变化量的数据及相关条件,可得出的初步结论是:(9)。
(b)分析比较表一和表二中压强变化量的数据及相关条件,可得出的初步结论是:(10)。
3、(2017徐汇区第28题)为了研究柱体浸入水中的过程中水对容器底部的压强情况,某小组同学选用高度H、底面积S均不同的柱体A、B和C进行实验,如图21所示。
他们设法使柱体A逐步浸入水中,测量并记录其下表面到水面的(11)(12)(13)h图21距离h及水对容器底部的压强p,接着换用圆柱体B、C重复实验,并将全部实验数据记录在表一中(实验中容器内水均未溢出)。
表一柱体A:H=0.4米S=0.03米2表二柱体B:H=0.3米S=0.05米2表三柱体C:H=0.2米S=0.06米2实验序号h(米)p(帕)实验序号h(米)p(帕)实验序号h(米)p(帕)1 0 6000 7 0 6000 13 0 60002 0.1 6200 8 0.12 6400 14 0.05 62003 0.2 6400 9 0.15 6500 15 0.1 64004 0.3 6600 10 0.18 6600 16 0.15 66005 0.4 6800 11 0.24 6800 17 0.2 68006 0.5 6800 12 0.3 7000 18 0.3 6800①分析比较实验序号(11)数据中的浸入水的过程中,当h<H时,p随h的增大而增大。
②分析比较实验序号5、6或17、18数据中的p和h的数据及相关条件,可得出的初步结论是:同一柱体浸入水的过程中,(12)。
③进一步分析比较表一、表二和表三中的实验数据及相关条件,可得出初步结论:分析比较实验序号(13)的数据及相关条件,可得出的初步结论是:(14)。
分析比较实验序号(15)的数据及相关条件,可得出的初步结论是:(16)。
4、(2017杨浦区第31题)在学习了液体压强知识后,某小组同学对如图23所示实验产生了兴趣,他们想继续探究实验中使薄片恰好下落时管内水的深度H水与什么有关。
他们在液体槽中装入甲液体,在两端开口、粗细均匀的玻璃管的下端贴一个比管口稍大的塑料薄片,并将玻璃管竖直插入液体槽中,然后顺着管壁从上端开口处向管内缓缓注水,直至观察到薄片恰好脱离管口下落。
记录玻璃管的管口面积S、槽中液体密度ρ和玻璃管插入液体的深度h,管中水的深度H水。
接着改变深度h、槽中液体的种类和玻璃管的粗细,重复实验,所有数据均记录在下表。
(薄片的重力、玻璃管的厚度忽略不计)实验序号槽中液体密度ρ(×103千克/米3)深度h(米)管口面积S(×10-4米2)水的深度H水(米)10.8 0.1 5 0.082 0.2 5 0.163 0.3 5 0.244 0.3 10 0.2451.0 0.06 5 0.066 0.1 5 0.107 0.16 5 0.168 0.2 5 0.2091.2 0.05 3 0.0610 0.1 3 0.1211 0.2 3 0.2412 0.2 8 0.24图23①分析比较实验序号___(16)_____的数据及相关条件初步得出:玻璃管竖直插入同种液体中,使薄片恰好下落时管内水的深度H 水与管口面积S 无关。
②分析比较实验序号1、2与3(或5、6、7与8或9、10与11)的数据及相关条件可初步得出:玻璃管竖直插入同种液体中, (17) 。
③分析比较实验序号1、6与10(或2、8与11)的数据及相关条件可初步得出:当玻璃管竖直插入不同种液体中, (18) 。
④进一步综合分析表中数据,可初步得出:玻璃管竖直插入液体中,当 (19) 时,薄片恰好下落时管内水的深度H 水相同。
5、(2017普陀区第26题)生活中常有“铁比木头重”的说法,某实验小组同学围绕此说法开展讨论,并找来不同规格的木块和铁块,利用天平进行实验,如图18(a )(b )(c )(d )所示。
①② ③ 在“探究物质质量与体积的关系”之前,小组同学首先进行了假设:同种物质,物质质量与体积成正比,随后选用软陶和铝块进行实验,用量筒和电子天平分别测出它们在不同体积时的质量,并将实验测得的数据分别记录在表一和表二中。
、V 2、V 3)满足关系通过研究最终可以发现:相同体积的不同物质, (16) 越大,物质质量越大。
6、(2017松江区第26题)为了研究将物体浸没在水中时水对容器底部压强的增加量Δp 水与物体体积、质量的关系,小李和小华两位同学将质量和体积不同的物体分别浸没在盛有水的同一圆柱形容器中,并分别进行了实验。
(1)小李探究:Δp 水与放入物体质量m 的关系,于是选择质量不同、体积相同的三个物体,先后浸没在盛有水的同一圆柱形容器中,并测得Δp 水。
实验示意图及相应数据见表一。
表一水水m (11) (选填(a ) (b ) (c ) (d )铁块和木块图18 铁块和木块体积不同的铁块和木块铁块和木块(2)小华探究:Δp 水与放入的物体的体积V 的关系,于是选择质量相同、体积不同的合金物块先后浸没在盛有水的同一圆柱形容器,并测得Δp 水。
实验数据记录在表二中。
表二 表三同一圆柱形容器中, (12) 。
② 小华继续实验,实验数据记录在表三中。
发现测得的实验数据与表二中的结论不符合,原因可能是 (13) 。
请填写实验序号6中的相关数据:Δp 水为 (14) 帕。
③ 若容器的容积为V 容,底面积为S ,在该容器中倒入水的体积为V 水,将体积为V 物的合金物块浸没在水中,则水对容器底部压强增加量所能达到的最大值Δp 水最大= (15) 。
(涉及的物理量均用字母表示)7、(2017浦东新区第26题)为探究浸没在水中的物体对容器底的压力与哪些因素有关,某小组同学利用DIS 数据采集系统及若干重力G 和密度ρ已知的实心物体等器材进行实验。
他们将实心物体放入盛水的平底容器中(如图13所示),测出物体对容器底的压力F ,并将实验数据记录在表一中。
(1)分析表一中实验序号 (14) 中的数据及相关条件可初步得出:当物体的重力相同时,浸没在水中的物体对容器底的压力随物体密度的增大而增大。
(2)分析表一中实验序号1、2、3(或4、5、6,或7、8、9)中的数据及相关条件可初步得出: (15) 。
(3)小组同学进一步综合分析表一中的数据有了新发现,他们将经计算得到的部分数据记录在表二中。
(a )表二中空缺的数据依次为 (16) 、 (17) 、 (18) 。
(b )按表二中数据反映的规律推理:若浸没在水中某实心物体的密度ρ= 4 g/cm 3,重力G = 12 N ,则物体对容器底的压力F = (19) N 。
图13图198、(2017闵行区第29题)某兴趣小组在研究液体内部压强规律时,所用实验器材有:长为0.2米的吸管(底部用蜡封住)、电子天平、酒精(ρ=800千克/米3)、水、未知液体、刻度尺、细沙、柱状容器等。
实验时,他们首先在容器内装入足量水,并将适量细沙装入吸管中,用电子天平测出其总质量m 。
然后将该吸管放入水中,如图19所示,用刻度尺测出其静止时浸入液体的深度h ,记录相关实验数据于表一中。
接着,他们把水更换为酒精,重复上述过程,并记录数据于表二中。
(1)在本实验中,他们通过吸管总质量m 来比较吸管底部所受液体压强的大小,其原理是二力平衡条件及 (9) 。
(2)分析比较实验序号 (10) 的数据可得出液体内部压强和液体密度有关。
(3)分析比较实验序号1、2与3(或4、5与6)的数据可得出初步结论是: (11) 。
(4) 该小组一位成员把总质量为m 0的吸管放入未知液体中,测得其静止时浸入液体的深度为h 0(h 0<0.2米)。
则该未知液体的密度为 (12) (用m 0、h 0和ρ水的代数式表示)。
9、(2017青浦区第29题)为了研究物体漂浮在水面上时的特点,某小组同学用甲、乙两种材料制成体积不同的若干块物块进行实验,甲材料的密度为?甲,乙材料的密度?乙,且?甲<?乙。
如图10所示,他们让物块漂浮在水面上,测量并记录了物块的总体积和露出水面的体积,并将实验数据记录在下表中。
材料实验 物块体积 露出水面体积 材料实验 物块体积 露出水面体积 序号 (10-6米3)(10-6米3)序号 (10-6米3)(10-6米3)甲1 10 6 乙6 8 1.6 220 12 710 2 3 30 18 8 30 6 4 40 24 9 35 7 5503010459①分析比较实验序号 (13) 数据,可得出的初步结论是:同种材料的物块漂浮在水面上时,物块露出水面的体积与物块的体积成正比。
②分析比较实验序号1与7、3与8的数据,可得出的初步结论是: (14) 。
③他们分别分析了“露出水面的体积”和“物体体积”的比例关系,可以得出的进一步结论是: (a ) (15) 。
表一表二 序号 液体h (米) m (千克) 序号 液体h (米) m (千克) 1 水 0.08 0.0080 4 酒精 0.10 0.0080 2 0.10 0.0100 5 0.12 0.0096 30.120.012060.150.0120图10(b ) (16) 。