华南理工机械工程材料答案
- 格式:docx
- 大小:88.66 KB
- 文档页数:49
一、填空题1。
为改善低碳钢的切削加工性应进行哪种热处理( D )A、等温退火B、完全退火C、球化退火 C、正火2、钢中加入除Co之外的其它合金元素一般均能使其C曲线右移,从而( B )A、增大VKB、增加淬透性C、减小其淬透性 C增大其淬硬性3、金属的塑性变形主要是通过下列哪种方式进行的( C )A、晶粒的相对滑动B、晶格的扭折C、位错的滑移D、位错类型的改变4、高碳钢淬火后回火时,随回火温度升高其( A )A、强度硬度下降,塑性韧性提高B、强度硬度提高,塑性韧性下降C、强度韧性提高,塑性韧性下降D、强度韧性下降,塑性硬度提高5、过共析钢的正常淬火加热温度应该选择在( A )A、Acl+30—50CB、Ac3+30—50CC、Accm+30—50CD、T再+30—50C6、常见的齿轮材料20CrMnTi的最终热处理工艺应该是( D )A、调质B、淬火+低温回火C、渗碳D、渗碳后淬火+低温回火7、常见的调质钢大都属于( B )A、低碳低合金钢B、中碳低合金钢C、高碳低合金钢D、低碳中合金钢8、某一中载齿轮决定用45钢制造,其最终热处理采用下列哪种方案为宜( C )A、淬火+低温回火B、渗碳后淬火+低温回火C、调质后表面淬火D、正火9、某工件采用单相黄铜制造,其强化工艺应该是( C )A、时效强化B、固溶强化C、形变强化D、热处理强化10、在Fe—Fe3C合金中,其平衡组织中含有二次渗碳量最多的合金的含碳量为( D )A、0。
0008%B、0。
021%C、0.77%D、2.11%11、在Fe-Fe3C合金的退火组织中,含珠光体量最多的合金的碳含量为( B )A、0。
02%B、0.77%C、2。
11%D、4。
3%12、下列钢经完全退火后,哪种钢可能会析出网状渗碳体( D )A、Q235B、45C、60Si2MnD、T1213、下列材料中不宜淬火的是( D )A、GCr15B、W18Cr4VC、40CrD、YT1514、下列二元合金的恒温转变中,哪个是共析转变( C )A、L+α→βB、L→α+βC、γ→α+βD、α+β→γ15、下列合金钢中,耐蚀性最好的是( D )A、20CrMnTiB、40CrB、W18Cr4V D、1Cr18Ni9Ti16、下列合金中,哪种合金被称为巴氏合金( B )A、铝基轴承合金B、铅基轴承合金C、铜基轴承合金D、锌基轴承合金17、对球墨铸铁进行高温正火的目的是为了得到下列哪种组织( C )A、F+GB、F+P+GC、P+GD、Ld+G18、为降低低碳冷轧钢板的硬度,宜采用下列哪种工艺( D )A、完全退火B、球化退火C、再结晶退火D、等温退火19、感应加热表面淬火的淬硬深度,主要决定于因素( D )A、淬透性B、冷却速度C、感应电流的大小D、感应电流的频率20、下列材料中耐热性最好的是( C )A、GCr15B、W18Cr4VC、1Cr18Ni9TiD、9SiCr21、过共析钢的退火组织是( C )A、F+Fe3CIIIB、F+PC、P+Fe3CIID、P+Fe3CIII22、下列钢经淬火后硬度最低的是( A )A、Q235B、40CrC、GCr15D、45钢23、对奥氏体不锈钢进行固溶处理的目的是( D )A强化基体 B、提高其韧性C、消除应力D、消除碳化物24、滚动轴承钢GCr15的最终热处理应该是( A )A、淬火+低温回火B、渗碳+淬火+低温回火C、淬火+中温回火D、氮化+淬火+低温回火25、对工件进行分级淬火的目的是( C )A、得到下贝氏体B、减少残余奥氏体量C、减少工件变形D、缩短生产周期26、钢获得下列哪种组织时有最佳的综合机械性能( D )A、M+KB、P+FC、B下D、M+P27、某中等载荷齿轮拟选用45钢制造,其可能的最终热处理工艺应该是( B )A、淬火+低温回火B、调质+表面淬火C、渗碳+淬火+低温回火D、淬火+中温回火28、为了提高45钢的综合机械性能,应进行( B )A、正火B、调质C、退火D、淬火+中温回火29等温退火相对于一般退火工艺而言,更能( A )A、减少工件变形B、消除应力C、细化晶粒D、缩短退火周期30、高速钢淬火后进行多次回火的主要目的是( B )A、消除残余奥氏体,使碳化物入基体B、消除残余奥氏体,使碳化物先分析出C、使马氏体分解,提高其韧性D、消除应力,减少工件变形31、金属产生时效强化的主要原因是( D )A、形成了高密度位错B、晶格发生畸变C、晶格类型发生改变D、析出亚稳定第二相粒子32、钢中的二次渗碳体是指从( B )中析出的渗碳体A、从钢液中析出的B、从奥氏体中析出的C、从铁素中析出的D、从马氏体中析出的33、碳钢的下列各组织中,哪个是复相组织( A )A、珠光体B、铁素体C、渗碳体D、马氏体34、能够无限互溶的两组元素所构成的二元合金相图必定是( A )A、匀晶相图B、共晶相图C、包晶相图D、共析相图35、钢件出现下述哪种缺陷时,难以用热处理来消除( B )A、晶内偏析B、纤维组织C、晶粒粗大D、网状渗碳体36、钢的下列组织中热稳定性最差的是( C )A、珠光体B、马氏体C、回火屈氏体D、回火索氏体37、对片状马氏体而言,下列说法哪个是错误的( A )A、是位错马氏体B、是孪晶马氏体C、是过饱和的a固溶体D、具有高的强度38、下列各材料中淬火时最容易产生淬火裂纹的材料是( C )A、45钢B、20CrMnTiC、16MnD、W18Cr14V39、下列诸因素中,哪个是造成45钢淬火硬度偏低的主要原因( A )A、加强温度低于Ac3B、加热温度高于AC3C、保温时间过长D、冷却速度大于VK40、亚共晶白口铸铁的退火组织中,不可能有下列中的哪种组织( C )A、二次渗碳体B、共析渗碳体C、一次渗碳体D、共晶渗碳体41、过共析钢进行下列哪种热处理可能会造成网状渗碳体析出( A )A、完全退火B、再结晶退火C、正火D、去应力退火42、下列指标中,哪个是只决定了钢的成份的性能( D )A、淬透性B、淬硬性C、淬透层深度D、临界冷却速度VK43、分级淬火的目的是为了( D )A、得到B下B、增加马氏体的量C、减少残余奥氏体D、减少工件变形开裂44、过共析钢因过热而析出网状渗碳体组织时,可用下列哪种工艺消除( C )A、完全退火B、等温退火C、球化退火D、正火45、下列诸材料中淬透性最好的是( A )A、20CrMnTiB、40CrC、GCr15D、Q23546.下列诸材料中热硬性最好的是( C )A。
一、名词解释1.奥氏体:碳溶于γ-Fe中的间隙固溶体,以符号A表示。
2.回复:当加热温度不高时,冷变形金属的显微组织无明显变化,力学性能也变化不大,但残余应力显著降低,物理和化学性能部分地恢复到变形前的情况,这一阶段称为回复。
3.固溶体:溶质原子溶入固态的溶剂中,并保持溶剂晶格类型而形成的相。
4.自然时效:将铸件长时间置于室温环境下消除应力的时效处理方法。
5.加工硬化:随着冷变形程度的增加,金属材料所有强度和硬度指标都有所提高,但塑性、韧性有所下降的现象。
6.固溶强化:通过溶入溶质元素形成固溶体,使金属材料的强度、硬度升高的现象。
7.细晶强化:通过细化晶粒而使金属材料力学性能提高的方法称为细晶强化。
8.过冷度:理论结晶温度与实际结晶温度的差△T。
△T=T0-Tn.9.淬硬性:指钢在正常淬火条件下其马氏体所能达到的最高硬度。
10.淬透性:指钢在淬火时能获得淬硬深度的能力。
二、填空题1.石墨为片状的灰口铸铁为普通灰铸铁,石墨为团絮状的灰口铸铁为可锻铸铁,石墨为球状的灰口铸铁为球墨铸铁。
其中,球墨铸铁的韧性最高,因而可以锻造。
(片普团可锻球墨韧最高)2.工程中常用的特殊性能钢有不锈钢、耐磨钢、耐热钢等。
(特不耐磨热)3.金属的断裂形式有延性断裂和脆性断裂两种。
(脆延断)4.金属元素在钢中形成的碳化物可分为合金渗碳体、特殊碳化物两类。
5.常见的金属晶体结构有体心立方晶核、面心立方晶格和密排立方晶格三种。
(体面心密排)6.常用的回火方法有低温回火、中温回火和高温回火。
7.影响石墨化的主要因素有化学成分和冷却速度。
8.马氏体是碳在α-Fe中的过饱和固溶体,其形态主要有板状马氏体、针状马氏体。
其中,高碳针状马氏体硬度高、塑性差。
9.共析钢过冷奥氏体等温转变曲线三个转变区的转变产物是奥氏体、珠光体、共析渗碳体。
10.共析钢淬火形成M+A’后,在低温、中温、高温回火后的产物分别为M回+A’、T回、S回。
11.钢在加热过程中产生的过热缺陷可通过扩散退火热处理来消除。
机械工程材料习题集答案机械工程材料习题集答案机械工程材料是机械工程学科中的重要基础课程,对于学生的学习和理解起着重要的作用。
在学习过程中,习题集是一个很好的辅助工具,可以帮助学生巩固知识、提高解题能力。
本文将为大家提供一些机械工程材料习题集的答案,希望对大家的学习有所帮助。
1. 问题:什么是材料的弹性模量?如何计算?答案:材料的弹性模量是衡量材料抵抗形变的能力的物理量。
它反映了材料在受力作用下产生的弹性变形程度。
弹性模量可以通过杨氏模量(Young's modulus)进行计算,公式为E = σ/ε,其中E为弹性模量,σ为应力,ε为应变。
2. 问题:什么是材料的屈服强度?如何确定材料的屈服强度?答案:材料的屈服强度是指材料在受力作用下开始发生塑性变形的应力值。
确定材料的屈服强度可以通过拉伸试验来进行。
拉伸试验时,将试样加以拉伸,记录下应力-应变曲线,通过该曲线的拐点即可确定材料的屈服强度。
3. 问题:什么是材料的断裂韧性?如何计算材料的断裂韧性?答案:材料的断裂韧性是指材料在受力作用下抵抗断裂的能力。
计算材料的断裂韧性可以通过冲击试验来进行。
冲击试验时,将试样进行冲击加载,记录下冲击载荷与位移之间的关系曲线,通过该曲线的面积即可计算出材料的断裂韧性。
4. 问题:什么是材料的硬度?如何测量材料的硬度?答案:材料的硬度是指材料抵抗局部塑性变形的能力。
测量材料的硬度可以通过洛氏硬度试验、巴氏硬度试验等方法进行。
这些试验都是通过在材料表面施加一定的载荷,然后测量产生的印痕大小或者印痕深度来确定材料的硬度。
5. 问题:什么是材料的疲劳强度?如何确定材料的疲劳强度?答案:材料的疲劳强度是指材料在循环应力作用下发生疲劳破坏的强度。
确定材料的疲劳强度可以通过疲劳试验来进行。
疲劳试验时,将试样进行循环加载,记录下应力与循环寿命之间的关系曲线,通过该曲线的拐点即可确定材料的疲劳强度。
通过以上习题的答案,我们可以更好地理解和掌握机械工程材料的相关知识。
材料科学:机械工程材料考试答案(最新版) 考试时间:120分钟 考试总分:100分遵守考场纪律,维护知识尊严,杜绝违纪行为,确保考试结果公正。
1、判断题 金属或合金中,凡成分相同、结构相同,并与其他部分有界面分开的均匀组成部分称为相。
本题答案: 2、填空题 共析钢淬火形成M+A ’后,在低温、中温、高温回火后的产物分别为( )( )( )。
本题答案: 3、单项选择题 表示晶体中原子排列形式的空间格子叫做( )A.晶胞 B.晶格 C.晶粒 D.晶向 本题答案: 4、单项选择题 碳钢的淬火工艺是将其工件加热到一定温度,保温一段时间,然后采用的冷却方式是( )。
A .随炉冷却 B .在风中冷却 C .在空气中冷却 D .在水中冷却 本题答案:姓名:________________ 班级:________________ 学号:________________--------------------密----------------------------------封 ----------------------------------------------线----------------------5、问答题举例说明橡胶在工业产品设计中的应用。
本题答案:6、问答题影响金属结晶过程的主要因素是什么?本题答案:7、判断题10.球墨铸铁是铸铁中力学性能最好的。
本题答案:8、单项选择题在铁碳合金中,共析钢的含碳量为()。
A.0.67%B.0.77%C.0.8%D.0.87%本题答案:9、填空题合金结构钢与碳素结构钢相比,其突出优点是(),()。
本题答案:10、填空题合金工具钢是指用于制造各种()、()和()用钢的总合。
本题答案:11、单项选择题要制造直径16mm的螺栓,要求整个截面上具有良好的综合机械性能,应选用()A.45钢经正火处理B.60Si2Mn经淬火和中温回火C.40Cr钢经调处理本题答案:12、问答题常用的力学性能指标强度分为哪几种?本题答案:13、问答题如果其它条件相同,试比较在下列铸造条件下,所得铸件晶粒的大小;⑴金属模浇注与砂模浇注;⑵高温浇注与低温浇注;⑶铸成薄壁件与铸成厚壁件;⑷浇注时采用振动与不采用振动;⑸厚大铸件的表面部分与中心部分。
一、选择题,将答案代号填在答题纸上(每题3
分,共30分)
1 下列结论正确的是:
(A)材料力学的任务是研究各种材料的力学问题;
(B)材料力学的任务是在保证安全的原则下设计构件或零件;
(C)材料力学的任务是在力求经济的原则下设计构件或零件;
(D)材料力学的任务是在既安全又经济的原则下为设计构件或零件提供分析计算的基本理论和方法。
2 正方形桁架如图1-1所示,设NAB、NBC、………分别表示杆AB、BC,………的轴力,A,C铰点受力为P, 则下列结论中正确的是:
(A)
(B)
(C)
(D)
图1-1
3 左端固定的直杆受扭转力偶作用,如图1-2所示。
杆中的最大扭矩
|Mn|max为:
(A)6 kN·m(B)7 kN·m(C)8 kN·m(D)9 kN·m
图1-2(单位kN·m)
4 设低碳钢拉伸试件工作段的初始横截面积为A0,试件被拉断后,断口的横截面积为A;试件断裂前所能承受的最大载荷为pb,则下列结论中正确的是:
(A)材料的强度极限
(B)材料的强度极限
(C)当试件工作段中的应力达到强度极限
的瞬时,试件的横截面积为A;
(D)当试件开始断裂的瞬时,作用用试件的载荷为pb。
5 空心圆截面杆受轴向拉伸时,下列正确的结论是:
(A)外径和壁厚都增大(B)外径和壁厚都减小。
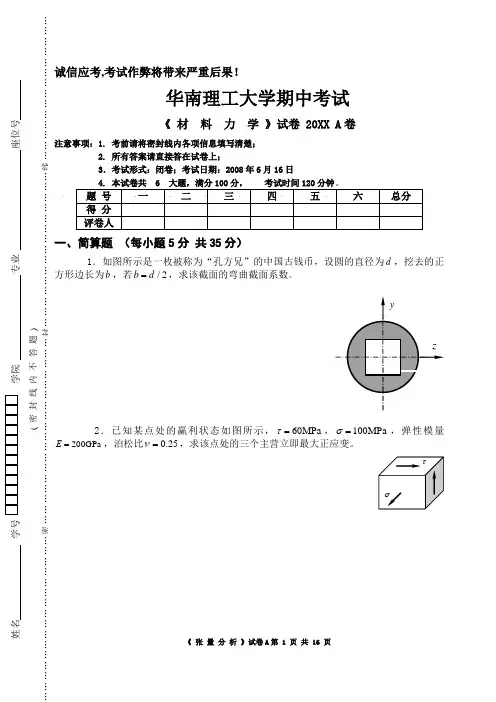
,考试作弊将带来严重后果!华南理工大学期中考试《 材 料 力 学 》试卷 20XX A 卷1. 考前请将密封线内各项信息填写清楚; 所有答案请直接答在试卷上;.考试形式:闭卷;考试日期:2008年6月16日(每小题5分 共35分)1.如图所示是一枚被称为“孔方兄”的中国古钱币,设圆的直径为d ,挖去的正b ,若/2b d =,求该截面的弯曲截面系数。
2.已知某点处的赢利状态如图所示,60MPa τ=,100MPa σ=,弹性模量200GPa Ε=,泊松比0.25ν=,求该点处的三个主营立即最大正应变。
3.试画出低碳钢拉伸时的应力-应变曲线,划分出弹性、屈服、强化、颈缩四个阶段,并在图上标出4个极限应力鱼延伸率。
4.如图所示, 重为Q 的物块在高度H 处自由下落冲击悬臂梁的B 点。
梁的抗弯刚度EI 为常量,若Q 、EI 、l 、h 均已知,试写出B 端的转角B 。
AQ5.图示两根材料相同的简支梁,求两梁中点的挠度之比。
6. 超静定结构如图所示,所有杆件不计自重,AB 为刚性杆,试问该结构属于几次超静定,并写出变形协调方程。
P7.两块相同的钢板用5个铆钉连接如图,已知铆钉直径为d ,钢板厚度为t ,宽度为b ,求铆钉所受的最大切应力,并画出钢板的受力图。
二、已知q 、a ,试作图示梁的剪力图和弯矩图,并确定其危险面。
qa2CPF三、铸铁量的载荷及截面尺寸如图所示,其中157.5mm C y =。
46012.5cm z I =,已知许用拉应力为[]40MPa t σ=,许用压应力为[]160MPa c σ=。
是按正应力条件校核量的强度。
若载荷不变,但将截面倒置,问是否合理,为什么?。
四. 位于水平面内的圆截面弯杆ABC ()90ABC ∠=, 如图所示. 已知28kN/m q =,40kN F = (作用在AB 的中点,方向平行BC ) ,0.5m L =, 杆的许用应力[]160MPa σ=。
指出危险截面, 并按第三强度理论设计杆的直径 d 。
第 1 章材料的性能 、选择题1. 表示金属材料屈服强度的符号是( B ) A.σ B.σs C.σb D.σ-12. 表示金属材料弹性极限的符号是(A ) A.σeB.σsC.σbD.σ-13. 在测量薄片工件的硬度时,常用的硬度测试方法的表示符号是(B ) A.HB B.HRC C.HV D.HS4. 金属材料在载荷作用下抵抗变形和破坏的能力叫( A ) A. 强度 B. 硬度 C. 塑性 D. 弹性二、填空1. 金属材料的机械性能是指在载荷作用下其抵抗(变形 )或(破坏 )的能力。
2. 金属塑性的指标主要有(伸长率)和(断面收缩率)两种。
3. 低碳钢拉伸试验的过程可以分为弹性变形、 (塑性变形)和(断裂)三个阶段。
4. 常用测定硬度的方法有(布氏硬度测试法) 、(洛氏硬度测试法)和维氏硬度测试法。
5. 疲劳强度是表示材料经(无数次应力循环)作用而(不发生断裂时)的最大应力值。
三、是非题1. 用布氏硬度测量硬度时,压头为钢球,用符号 HBS 表示。
2. 用布氏硬度测量硬度时,压头为硬质合金球,用符号HBW 表示。
3. 金属材料的机械性能可以理解为金属材料的失效抗力。
四、改正题1. 疲劳强度是表示在冲击载荷作用下而不致引起断裂的最大应力。
2. 渗碳件经淬火处理后用 HB 硬度计测量表层硬度 。
3. 受冲击载荷作用的工件,考虑机械性能的指标主要是疲劳强度。
4. 衡量材料的塑性的指标主要有伸长率和冲击韧性。
5. 冲击韧性是指金属材料在载荷作用下抵抗破坏的能力。
五、简答题6. 在立方晶系中 , 指数相同的晶面和晶向 (B ) A.相互平行 B. 相互垂直 C. 相互重叠 D. 毫无关联7. 在面心立方晶格中 , 原子密度最大的晶面是 (C ) A.(100) B.(110) C.(111) D.(122)将冲击载荷改成交变载荷 将 HB 改成 HR 将疲劳强度改成冲击韧性 将冲击韧性改成断面收缩率 将载荷改成冲击载荷1. 说明下列机械性能指标符合所表示的意思:σ σs:屈服强度 HRC :洛氏硬度(压头为金刚石圆锥)σb : 抗拉强度HBS:布氏硬度(压头为钢球) 第 2 章材料的结构一、选择题1. 每个体心立方晶胞中包含有( B )个原子2. 每个面心立方晶胞中包含有( C )个原子3. 属于面心立方晶格的金属有( C )4. 属于体心立方晶格的金属有( B )5. 在晶体缺陷中,属于点缺陷的有( A )s 、σ 0.2 、 HRC 、σ -1 、σ b 、δ 5、 HBS 。
机械工程材料习题集答案-华南理工大学习题集参考答案Ch1 金属的晶体结构 三、1. bcc 、fcc 、hcp ,bcc 、fcc 、hcp 。
2. 致密度,配位数3. 2/a 2 、1.4/a 2、2.31/a 2 ;1/a 、 1.4/a 、 0.58/a 。
{111}、<110>。
4. 多、晶体缺陷。
5. fcc 、hcp 。
6. 4、42a 、12、0.74。
7. 空位、间隙原子;位错;晶界和亚晶界。
8. [121]、(121)9. 畸变,升高,下降。
10.晶体中已滑移的部分,未滑移部分。
11.⊥、∥12.位错线和b 。
1;无数。
Ch2纯金属的结晶三、 1. 低于理论结晶温度才结晶,理论结晶温度-实际结晶温度。
2. 形核与长大。
3. 大、细、高、好。
4. 液、固相自由能差,液相过冷。
5. 平面、密排面。
6. 表面细等轴晶、柱状晶、中心粗等轴晶。
7. 偏析、疏松、气孔、夹杂物。
8. (1)细,(2)细,(3)细。
四、五、1Ch3 金属的塑性变形与再结晶 三、1. 滑移、孪生,滑移2. 原子密度最大。
3. {110},6,<111>,2,12;{111},4,<110>,3,12。
Fcc ,滑移方向较多。
4. λφστcos cos s k =或λφτσcos cos ks =,小,软位向。
5. 晶界、晶体位向差,较高。
6. 提高,升高,下降。
再结晶退火。
7. 织构。
8. 回复、再结晶、晶粒长大。
9. 去应力退火,200-3000C 。
10. 去应力退火。
11. 再结晶退火,降低硬度、恢复塑性。
12. 再结晶温度。
低于再结晶温度,高于再结晶温度。
13. 偏析、杂质、夹杂物,热加工纤维组织(流线)。
14. 优于。
Ch4 合金的相结构与二元合金相图 三、 1. 固溶体;金属化合物2. 溶剂,溶质,溶剂。
3. 溶质,溶剂;置换固溶体、间隙固溶体。
4. 升高,提高,下降。
《机械工程材料》试题L调质:对钢材作淬火+高温回火处理,称为调质处理。
2.碳素钢:含碳量W 2.11%的铁碳合金。
3.SPCD:表示冲压用冷轧碳素钢薄板及钢带,相当于中国08A1 (13237 )优质碳素结构钢。
二、填空题:10 X2= 2 0分L按腐蚀过程特点,金属腐蚀可分为化学腐蚀和电化学腐蚀。
2.常用力学性能判据有强度、韧性、延展性禾口弹性模量。
3.钢中的—魄_元素引起热脆,—磴—元素引起冷脆,—氢—元素引起白点,―氢_元素引起兰脆。
4.铝合金的强化除了热处理强化外,还可以进行—固溶时效.强化。
5.钢在加热过程中产生的过热缺陷可以通过史区热处理来消除。
6.常用的高分子材料有塑料、橡胶和合成名f维。
7.铸造铝合金分为铝铜合金、铝镁合金、铝硅合金和铝锌合金。
8.合金工具钢是指用于制造各种一刃具、1M 和—量且_用钢的总合。
9.材料渗碳的目的是为了得到较高的零件表层硬度与耐磨性。
10. 45钢按用途分类属于―碳素结构钢。
三、判断题:1 0 X2= 2 0分1.( X )钢的淬透性主要取决于冷却速度。
2.( V )实际的金属晶体都呈各向异性。
3.( x )加工硬化、固溶强化均使材料强度、硬度显著提高,塑性、韧性明显降低,故可认为它们有相同的强化机理。
4.( V )金属材料、陶瓷材料和高分子材料的本质区别在于它们的化学键不同。
5.( V )材料的强度、硬度越高,其塑性、韧性越差。
6.( V )调质和正火两种热处理工艺所获得的组织分别为回火索氏体和索氏体,它们的区别在于碳化物的形态差异。
7.(X)铝合金人工时效比自然时效所获得的硬度高,且效率也高,因此多数情况下采用人工时效。
8.( x )硬质合金可用做刀具材料,模具材料和量具材料。
9.( x )在热处理中变形和开裂都是不可避免的。
10.( V )球墨铸铁是铸铁中力学性能最好的。
四、问答题5X9 = 45分1、什么是金属的力学性能?金属的力学性能主要包括哪些方面?材料在一定温度条件和外力作用下,抵抗变形和断裂的能力称为材料的力学性能。
说在最前面的话对考华工机械材料加工方向,并选择考“金属学与热处理”科目的,个人觉得难度并非很大,拿到130分并非难事。
但今年达到这个分数的人似乎并不多,个人觉得其他人是因为看过真题后产生掉以轻心的邪念!才导致悲剧的发生!确实,稍微复习就能很轻松上100分,但110分以下的分数都是相当于考砸的分数!材料加工这个专业录取分数高,原因就是专业课容易拿高分!如果这科拿不到高分,上线就危险了!即使勉强上线,奖学金也是危险!(另外还必须拿到高分的就是数学了。
)要得到事半功倍的复习效果,应该防范两种极端。
极端一:杀鸡用牛刀。
为取得理想分数,就要准备充分,把要考到的知识点都复习到位。
但是如果是关于这门课的资料的都看,就连和华工考相同的专业课的其他学校的资料也找来看的话,那就是小题大做了!这样做将会花费大量的时间,虽然把知识学到了,但对考华工一点帮助都没有。
以过来人的身份,我可以很负责任的说:考华工需要的资料并不多,就是:指定教材,PPT课件,十年真题。
如果还要说需要什么的话,就是这份盛行于网上的《华南理工机械工程材料答案》。
除此四样的其他资料,一眼都不要看!这个断言大概到10月份接触真题的时候你就可以自己印证了。
但十月份才发现这个事实,你就追悔莫及了!极端二:掉以轻心。
预先看过真题的人都会觉得这些年真题都不难,每题都好像会做,所以这样的考生容易给专业课安排复习时间较少!或则开始复习时间较晚!经常的表现为:暑假前还未买到教材,开学前还未把教材看过几遍;专业课复习时间比政治复习时间少!真题出题规律研究较少,复习流于表面。
所以,建议有这样心理的同学尽快端正态度,否则专业课就得拉总分的后腿了!个人建议就是:九月份把教材、PPT课件看熟,多看几遍,特别是根据PPT讲义把握《机械工程材料》的脉络,《机械工程材料》和PPT讲义一定要多熟,《金属学与热处理》看两遍就可以了。
十月份把十年真题全部做完,答案以《机械工程材料》为落脚点,因为真题答案都是在这本教材上直接抄写出来,建议在课本相应的地方划出了,方便最后冲刺的时候看,用我教材复印件的就可以看到我不仅在课本上标示出答案,还在旁边把年份也标了出来,这对研究华工出题规律极有好处。
机械工程课后答案第一章1、什么是黑色金属?什么是有色金属?答:铁及铁合金称为黑色金属,即钢铁材料;黑色金属以外的所有金属及其合金称为有的金属。
2、碳钢,合金钢是怎样分类的?答:按化学成分分类;碳钢是指含碳量在0.0218%--2。
11%之间,并含有少量的硅、锰、硫、磷等杂质的铁碳合金。
3、铸铁材料是怎样分类的?应用是怎样选择?答:铸铁根据石墨的形态进行分类,铸铁中石墨的形态有片状、团絮状、球状、蠕虫状四种,对应为灰铸铁、可锻铸铁、球墨铸铁和蠕墨铸铁。
4、陶瓷材料是怎样分类的?答:陶瓷材料分为传统陶瓷、特种陶瓷和金属陶瓷三种。
5、常见的金属晶体结构有哪几种?它们的原子排列和晶格常数各有什么特点?α—Fe,γ-Fe,Al,Cu,Ni,Pb,Cr,V,Mg,Zn各属何种金属结构?答:体心晶格立方,晶格常数a=b=c,α-Fe,Cr,V.面心晶格立方,晶格常数a=b=c,γ-Fe,Ni,Al,Cu,Pb.密排六方晶格,Mg,Zn。
6、实际金属晶体中存在哪些缺陷?它们对性能有什么影响?答:点缺陷、破坏了原子的平衡状态,使晶格发生扭曲,从而引起性能变化,是金属的电阻率增加,强度、硬度升高,塑性、韧性下降。
线缺陷(位错)、少量位错时,金属的屈服强度很高,当含有一定量位错时,强度降低。
当进行形变加工时,位错密度增加,屈服强度增高。
面缺陷(晶界、亚晶界)、晶界越多,晶粒越细,金属的塑性变形能力越大,塑性越好。
7、固溶体有哪些类型?什么是固溶强化?答:间隙固溶体、置换固溶体。
由于溶质元素原子的溶入,使晶格发生畸变,使之塑性变形抗力增大,因而较纯金属具有更高的强度、硬度,即固溶强化作用。
第二章1、在什么条件下,布氏硬度实验比洛氏硬度实验好?答:布氏硬度实验主要用于硬度较低的退火钢、正火钢、调试刚、铸铁、有色金属及轴承合金等的原料和半成品的测量,不适合测定薄件以及成品。
洛氏硬度实验可用于成品及薄件的实验。
2、σ0。
2的意义是什么?能在拉伸图上画出来吗?答:表示对于没有明显屈服极限的塑性材料,可以将产生0。
华 南 理 工 大 学 期 末 考 试 试 卷(闭卷部分) 科 目: 机 械 工 程 材 料结晶后的晶粒便越 ,其强度越 ,塑性和韧性越 。
3. 纯Fe 的同素异构转变为 ⎯⎯⎯→⎯°C 1394 ⎯⎯→⎯°C912 ,其晶体结构依次是 、 、 。
4. 属于珠光体类型的组织有 、 、 三种, 三者均由 和 两种相构成。
但它们的力学性能是有差别 的,其原因是 。
5. 碳钢中马氏体组织形态主要有 、 两种,其中 强韧性较好。
6. 金属的塑性变形在大多数情况下是以 的方式进行的,它是在 作用下发生,常沿晶体中 的晶面及晶向发生。
7. 在BCC 和FCC 晶格中,单位晶胞内的原子数分别为 和 ,其致密度分别为 和 。
8. 有时在过共析钢球化退火之前安排一道正火的热处理工序,其作用是 。
9.合金中的基本相结构, 有 和 两类。
10.钢的淬硬性主要取决于 。
11.HT200是 的牌号,其中的碳主要以 的形式存在,其形态呈 状。
13. 除Co外,大多数合金元素溶入奥氏体后,总是不同程度地使“C”曲线向 移动, 使钢临界冷却速度V K ,淬透性 。
14、高速钢的锻造不仅是为了成型, 而且是为了___________________________。
高速钢淬火后需经________℃______次回火, 其回火后的组织是_____________, 其性能具有 、 、 。
15. 20CrMnTi钢中Ti的主要作用是 ,而1Cr18Ni9Ti钢中Ti的主要作用是 。
16.Cu-Zn合金一般称为_________铜, 而Cu-Sn合金一般称为_________铜。
17、回复退火也称 退火。
二. 选择题 (15分, 每题 1 分, 答案写在题号前的括号中 )( ) 1. 面心立方晶格原子密度最大的晶面和晶向分别是 。
A、{111}、<110>B、{110}、<111>C、{100}、<111>( ) 2. 在体心立方晶格中,晶向指数[UVW]与晶面指数(hkl)满足hU+kV+lW=0时,则此晶面与晶向 。
机械工程材料A卷标准答案一、名词解释:(10分)1、固溶强化:固溶体溶入溶质后强度、硬度提高,塑性韧性下降现象。
2、加工硬化:金属塑性变形后,强度硬度提高的现象。
2、合金强化:在钢液中有选择地加入合金元素,提高材料强度和硬度4、热处理:钢在固态下通过加热、保温、冷却改变钢的组织结构从而获得所需性能的一种工艺。
5、细晶强化:晶粒尺寸通过细化处理,使得金属强度提高的方法。
二、选择适宜材料并说明常用的热处理方法(30分)三、(20分)车床主轴要求轴颈部位硬度为HRC54—58,其余地方为HRC20—25,其加工路线为:下料锻造正火机加工调质机加工(精)轴颈表面淬火低温回火磨加工指出:1、主轴应用的材料:45钢2、正火的目的和大致热处理工艺细化晶粒,消除应力;加热到Ac3+50℃保温一段时间空冷3、调质目的和大致热处理工艺强度硬度塑性韧性达到良好配合淬火+高温回火4、表面淬火目的提高轴颈表面硬度5.低温回火目的和轴颈表面和心部组织。
去除表面淬火热应力,表面M+A’心部S回四、选择填空(20分)1.合金元素对奥氏体晶粒长大的影响是(d)(a)均强烈阻止奥氏体晶粒长大(b)均强烈促进奥氏体晶粒长大(c)无影响(d)上述说法都不全面2.适合制造渗碳零件的钢有(c)。
(a)16Mn、15、20Cr、1Cr13、12Cr2Ni4A (b)45、40Cr、65Mn、T12(c)15、20Cr、18Cr2Ni4WA、20CrMnTi3.要制造直径16mm的螺栓,要求整个截面上具有良好的综合机械性能,应选用(c )(a)45钢经正火处理(b)60Si2Mn经淬火和中温回火(c)40Cr钢经调质处理4.制造手用锯条应当选用(a )(a)T12钢经淬火和低温回火(b)Cr12Mo钢经淬火和低温回火(c)65钢淬火后中温回火5.高速钢的红硬性取决于(b )(a)马氏体的多少(b)淬火加热时溶入奥氏体中的合金元素的量(c)钢中的碳含量6.汽车、拖拉机的齿轮要求表面高耐磨性,中心有良好的强韧性,应选用(c )(a)60钢渗碳淬火后低温回火(b)40Cr淬火后高温回火(c)20CrMnTi渗碳淬火后低温回火7.65、65Mn、50CrV等属于哪类钢,其热处理特点是(c )(a)工具钢,淬火+低温回火(b)轴承钢,渗碳+淬火+低温回火(c)弹簧钢,淬火+中温回火8. 二次硬化属于(d)(a)固溶强化(b)细晶强化(c)位错强化(d)第二相强化9. 1Cr18Ni9Ti奥氏体型不锈钢,进行固溶处理的目的是(b)(a)获得单一的马氏体组织,提高硬度和耐磨性(b)获得单一的奥氏体组织,提高抗腐蚀性,防止晶间腐蚀(c)降低硬度,便于切削加工10.推土机铲和坦克履带板受到严重的磨损及强烈冲击,应选择用(b )(a)20Cr渗碳淬火后低温回火(b)ZGMn13—3经水韧处理(c)W18Cr4V淬火后低温回火五、填空题(20分)1、马氏体是碳在a-相中的过饱和固溶体,其形态主要有板条马氏体、片状马氏体。
机械工程材料课后答案1. 弹性模量是材料的重要指标,它描述了材料在受力时的变形能力。
材料的弹性模量越大,表示材料在受力时的变形能力越小,即材料越硬。
常见的金属材料如钢铁、铝合金等具有较高的弹性模量,而塑料、橡胶等则具有较低的弹性模量。
2. 屈服强度是材料在受力时开始发生塑性变形的应力值。
在材料受力时,当应力达到一定数值时,材料开始出现塑性变形,这个应力值即为屈服强度。
不同材料的屈服强度各不相同,通常来说,金属材料的屈服强度较高,而非金属材料的屈服强度较低。
3. 断裂韧度是材料在受力时能够吸收的能量大小,也可以理解为材料抗断裂的能力。
断裂韧度越大,表示材料在受力时能够吸收的能量越多,抗断裂能力越强。
常见的钢材、铝合金等金属材料具有较高的断裂韧度,而玻璃、陶瓷等非金属材料的断裂韧度较低。
4. 硬度是材料抵抗表面划痕或压痕的能力。
常见的硬度测试方法包括洛氏硬度测试、巴氏硬度测试等。
硬度值越大,表示材料越难被划痕或压痕,即材料越硬。
金属材料通常具有较高的硬度,而非金属材料的硬度较低。
5. 疲劳强度是材料在受到交变应力作用下能够承受的最大应力值。
材料在长期受到交变应力作用时,容易发生疲劳破坏,因此疲劳强度是描述材料抗疲劳破坏能力的重要指标。
通常来说,金属材料的疲劳强度较高,而非金属材料的疲劳强度较低。
6. 总的来说,材料的力学性能指标包括弹性模量、屈服强度、断裂韧度、硬度和疲劳强度等。
不同材料具有不同的力学性能,这些力学性能指标直接影响着材料在工程实践中的应用。
因此,了解和掌握材料的力学性能指标对于机械工程专业的学生来说至关重要。
通过课后答案的学习,可以帮助学生加深对材料力学性能指标的理解,为将来的工程实践打下坚实的基础。
机械工程材料课后习题答案机械工程材料课后习题答案随着工业技术的不断发展,机械工程材料的研究和应用变得愈发重要。
机械工程材料课程的习题是帮助学生巩固知识和理解材料性能的重要方式。
本文将为大家提供一些机械工程材料课后习题的答案,希望能够帮助大家更好地理解和应用这门课程。
1. 什么是材料的弹性模量?如何计算弹性模量?答案:材料的弹性模量是衡量材料在受力作用下变形程度的指标。
它反映了材料在受力作用下恢复原状的能力。
弹性模量的计算公式为弹性模量 = 应力 / 应变。
2. 什么是材料的硬度?如何测试材料的硬度?答案:材料的硬度是衡量材料抵抗划痕或压痕的能力。
常用的测试方法有洛氏硬度测试、布氏硬度测试和维氏硬度测试等。
这些测试方法通过对材料表面施加一定的压力,然后测量压痕的大小来确定材料的硬度。
3. 什么是材料的韧性?如何计算材料的韧性?答案:材料的韧性是衡量材料抵抗断裂的能力。
它反映了材料在受力作用下能够吸收能量的能力。
材料的韧性可以通过计算材料的断裂韧性来评估,断裂韧性的计算方法有很多,常用的一种是通过测量材料的断裂韧性试样断裂前后的断面面积来计算。
4. 什么是材料的疲劳强度?如何评估材料的疲劳强度?答案:材料的疲劳强度是衡量材料在交变载荷下抵抗疲劳破坏的能力。
材料的疲劳强度可以通过进行疲劳试验来评估,试验中,施加交变载荷,观察材料的疲劳寿命和破坏形态,从而确定材料的疲劳强度。
5. 什么是材料的蠕变?如何评估材料的蠕变性能?答案:材料的蠕变是指在高温和恶劣条件下,材料在持续受力作用下发生的时间依赖性变形。
评估材料的蠕变性能可以通过进行蠕变试验来确定,试验中,施加一定的载荷和温度,观察材料的蠕变变形情况,从而评估材料的蠕变性能。
总结:机械工程材料课后习题的答案涉及了材料的弹性模量、硬度、韧性、疲劳强度和蠕变等重要概念和测试方法。
通过对这些习题的理解和掌握,可以帮助学生更好地应用这些知识和技能于实际工程中。
机械工程材料是机械工程领域中的基础课程,对于培养学生的工程素养和解决实际问题的能力具有重要意义。
说在最前面的话对考华工机械材料加工方向,并选择考“金属学与热处理”科目的,个人觉得难度并非很大,拿到130分并非难事。
但今年达到这个分数的人似乎并不多,个人觉得其他人是因为看过真题后产生掉以轻心的邪念!才导致悲剧的发生!确实,稍微复习就能很轻松上100分,但110分以下的分数都是相当于考砸的分数!材料加工这个专业录取分数高,原因就是专业课容易拿高分!如果这科拿不到高分,上线就危险了!即使勉强上线,奖学金也是危险!(另外还必须拿到高分的就是数学了。
)要得到事半功倍的复习效果,应该防范两种极端。
极端一:杀鸡用牛刀。
为取得理想分数,就要准备充分,把要考到的知识点都复习到位。
但是如果是关于这门课的资料的都看,就连和华工考相同的专业课的其他学校的资料也找来看的话,那就是小题大做了!这样做将会花费大量的时间,虽然把知识学到了,但对考华工一点帮助都没有。
以过来人的身份,我可以很负责任的说:考华工需要的资料并不多,就是:指定教材,PPT课件,十年真题。
如果还要说需要什么的话,就是这份盛行于网上的〈〈华南理工机械工程材料答案》。
除此四样的其他资料,一眼都不要看!这个断言大概到10月份接触真题的时候你就可以自己印证了。
但十月份才发现这个事实,你就追悔莫及了!极端二:掉以轻心。
预先看过真题的人都会觉得这些年真题都不难,每题都好像会做,所以这样的考生容易给专业课安排复习时间较少!或则开始复习时间较晚!经常的表现为:暑假前还未买到教材,开学前还未把教材看过几遍;专业课复习时间比政治复习时间少!真题出题规律研究较少,复习流于表面。
所以,建议有这样心理的同学尽快端正态度,否则专业课就得拉总分的后腿了!个人建议就是:九月份把教材、PPT课件看熟,多看几遍,特别是根据PPT讲义把握〈〈机械工程材料》的脉络,〈〈机械工程材料》和PPT讲义一定要多熟,〈〈金属学与热处理》看两遍就可以了。
十月份把十年真题全部做完,答案以〈〈机械工程材料》为落脚点,因为真题答案都是在这本教材上直接抄写出来,建议在课本相应的地方划出了,方便最后冲刺的时候看,用我教材复印件的就可以看到我不仅在课本上标示出答案,还在旁边把年份也标了出来,这对研究华工出题规律极有好处。
完成这两个月高效率的学习,你大概也对华工的专业课复习了然于胸了。
之后该怎能复习也有自己的体会了!如果让我说,就是在剩下的时间里把“机械工程材料”的重点内容,PPT讲义,十年真题背下来!做到厚积薄发!补充一点,本人希望大家能把材料学院考“金属学”的这四年的真题也拿来做做,首先你会发现有很多小题是完全一样的,因为这两科都是按照〈〈机械工程材料》为蓝本出题的,我这么说你就应该知道什么意思了吧,就是把材料学院“金属学”试卷里面不一样的题好好准备,也许有今年的“金属学与热处理”的新题。
比如名词解释就要好好布防一下,防范改革!关于复试,大家不用顾虑,复试也是有一定规律可循的。
以后我会给你发邮件再仔细说,你们现在就好好把准备初试吧。
现在可以说的就是:复试的专业笔试很重要!专业面试次之,这两项得分会使你名次往上爬十名左右!英语面试相对简单。
专业笔试我这里有今年的复试真题,可以依次复习;专业面试表现出色也就问题不大了。
以上算是我对专业课的体会的总结吧,希望看到这篇文章的你能有所收获,如果我的建议有幸帮助你考上华工的话,也请你以后能热心帮助其他学弟学妹们备考华工!以上这篇备考心得请您不要公布到网上,这是我本人对你资助我就读华工的感谢,希望你能好好利用!饮水思源!预祝你金榜题名!西湖凉亭2009年8月按上面的说法,下面的这份盛行于网络的所谓参考答案,我也仔细看过,有点质疑是否是华工的资料,但当时我还是宁可信其有吧,确实可圈可点!但也有些是与考华工无关的!重要的我用蓝色帮你圈出来了!比如再结晶温度的计算,细化晶粒的好处等都是真题里面部分题目的标准答案!非蓝色部分,你就适当看看,也定会收获不少!建议这跟资料9月份和教材、78页PPT课件一起同步复习吧。
〈〈工程材料》复习思考题参考答案第一章金属的晶体结构与结晶1. 解释下列名词点缺陷,线缺陷,面缺陷,亚晶粒,亚晶界,刃型位错,单晶体,多晶体,过冷度,自发形核,非自发形核,变质处理,变质剂。
答:点缺陷:原子排列不规则的区域在空间三个方向尺寸都很小,主要指空位间隙原子、置换原子等。
线缺陷:原子排列的不规则区域在空间一个方向上的尺寸很大,而在其余两个方向上的尺寸很小。
如位错。
面缺陷:原子排列不规则的区域在空间两个方向上的尺寸很大,而另一方向上的尺寸很小。
如晶界和亚晶界。
亚晶粒:在多晶体的每一个晶粒内,晶格位向也并非完全一致,而是存在着许多尺寸很小、位向差很小的小晶块,它们相互镶嵌而成晶粒,称亚晶粒。
亚晶界:两相邻亚晶粒间的边界称为亚晶界。
刃型位错:位错可认为是晶格中一部分晶体相对于另一部分晶体的局部滑移而造成。
滑移部分与未滑移部分的交界线即为位错线。
如果相对滑移的结果上半部分多出一半原子面,多余半原子面的边缘好像插入晶体中的一把刀的刃口,故称“刃型位错”。
单晶体:如果一块晶体,其内部的晶格位向完全一致,则称这块晶体为单晶体。
多晶体:由多种晶粒组成的晶体结构称为“多晶体”。
过冷度:实际结晶温度与理论结晶温度之差称为过冷度。
自发形核:在一定条件下,从液态金属中直接产生,原子呈规则排列的结晶核心。
非自发形核:是液态金属依附在一些未溶颗粒表面所形成的晶核。
变质处理:在液态金属结晶前,特意加入某些难熔固态颗粒,造成大量可以成为非自发晶核的固态质点,使结晶时的晶核数目大大增加,从而提高了形核率,细化晶粒,这种处理方法即为变质处理。
变质剂:在浇注前所加入的难熔杂质称为变质剂。
2. 常见的金属晶体结构有哪几种?a -Fe、丫-Fe、Al、Cu、Ni、Pb、Cr、V、Mg、Zn各属何种晶体结构?答:常见金属晶体结构:体心立方晶格、面心立方晶格、密排六方晶格;a — Fe、Cr、V属于体心立方晶格;丫一Fe、Al、Cu、Ni、Pb属于面心立方晶格;Mg、Zn属于密排六方晶格;3. 配位数和致密度可以用来说明哪些问题?答:用来说明晶体中原子排列的紧密程度。
晶体中配位数和致密度越大,则晶体中原子排列越紧密。
4. 晶面指数和晶向指数有什么不同?答:晶向是指晶格中各种原子列的位向,用晶向指数来表示,形式为UVW ;晶面是指晶格中不同方位上的原子面,用晶面指数来表示,形式为hkl。
5. 实际晶体中的点缺陷,线缺陷和面缺陷对金属性能有何影响?答:如果金属中无晶体缺陷时,通过理论计算具有极高的强度,随着晶体中缺陷的增加,金属的强度迅速下降,当缺陷增加到一定值后,金属的强度又随晶体缺陷的增加而增加。
因此,无论点缺陷,线缺陷和面缺陷都会造成晶格崎变,从而使晶体强度增加。
同时晶体缺陷的存在还会增加金属的电阻,降低金属的抗腐蚀性能。
6. 为何单晶体具有各向异性,而多晶体在一般情况下不显示出各向异性?答:因为单晶体内各个方向上原子排列密度不同,造成原子间结合力不同,因而表现出各向异性;而多晶体是由很多个单晶体所组成,它在各个方向上的力相互抵消平衡,因而表现各向同性。
7. 过冷度与冷却速度有何关系?它对金属结晶过程有何影响?对铸件晶粒大小有何影响?答:①冷却速度越大,则过冷度也越大。
②随着冷却速度的增大,则晶体内形核率和长大速度都加快,加速结晶过程的进行,但当冷速达到一定值以后则结晶过程将减慢,因为这时原子的扩散能力减弱。
③过冷度增大,△ F大,结晶驱动力大,形核率和长大速度都大,且N的增加比G增加得快,提高了N与G的比值,晶粒变细,但过冷度过大,对晶粒细化不利,结晶发生困难。
8. 金属结晶的基本规律是什么?晶核的形成率和成长率受到哪些因素的影响?答:①金属结晶的基本规律是形核和核长大。
②受到过冷度的影响,随着过冷度的增大,晶核的形成率和成长率都增大,但形成率的增长比成长率的增长快;同时外来难熔杂质以及振动和搅拌的方法也会增大形核率。
9. 在铸造生产中,采用哪些措施控制晶粒大小?在生产中如何应用变质处理?答:①采用的方法:变质处理,钢模铸造以及在砂模中加冷铁以加快冷却速度的方法来控制晶粒大小。
②变质处理:在液态金属结晶前,特意加入某些难熔固态颗粒,造成大量可以成为非自发晶核的固态质点,使结晶时的晶核数目大大增加,从而提高了形核率,细化晶粒。
③机械振动、搅拌。
第二章金属的塑性变形与再结晶1. 解释下列名词:加工硬化、回复、再结晶、热加工、冷加工。
答:加工硬化:随着塑性变形的增加,金属的强度、硬度迅速增加;塑性、韧性迅速下降的现象。
回复:为了消除金属的加工硬化现象,将变形金属加热到某一温度,以使其组织和性能发生变化。
在加热温度较低时,原子的活动能力不大,这时金属的晶粒大小和形状没有明显的变化,只是在晶内发生点缺陷的消失以及位错的迁移等变化,因此,这时金属的强度、硬度和塑性等机械性能变化不大,而只是使内应力及电阻率等性能显著降低。
此阶段为回复阶段。
再结晶:被加热到较高的温度时,原子也具有较大的活动能力,使晶粒的外形开始变化。
从破碎拉长的晶粒变成新的等轴晶粒。
和变形前的晶粒形状相似,晶格类型相同,把这一阶段称为“再结晶”。
热加工:将金属加热到再结晶温度以上一定温度进行压力加工。
冷加工:在再结晶温度以下进行的压力加工。
2. 产生加工硬化的原因是什么?加工硬化在金属加工中有什么利弊?答:①随着变形的增加,晶粒逐渐被拉长,直至破碎,这样使各晶粒都破碎成细碎的亚晶粒,变形愈大,晶粒破碎的程度愈大,这样使位错密度显著增加;同时细碎的亚晶粒也随着晶粒的拉长而被拉长。
因此,随着变形量的增加,由于晶粒破碎和位错密度的增加,金属的塑性变形抗力将迅速增大,即强度和硬度显著提高,而塑性和韧性下降产生所谓“加工硬化”现象。
②金属的加工硬化现象会给金属的进一步加工带来困难,如钢板在冷轧过程中会越轧越硬,以致最后轧不动。
另一方面人们可以利用加工硬化现象,来提高金属强度和硬度,如冷拔高强度钢丝就是利用冷加工变形产生的加工硬化来提高钢丝的强度的。
加工硬化也是某些压力加工工艺能够实现的重要因素。
如冷拉钢丝拉过模孔的部分,由于发生了加工硬化,不再继续变形而使变形转移到尚未拉过模孔的部分,这样钢丝才可以继续通过模孔而成形。
3. 划分冷加工和热加工的主要条件是什么?答:主要是再结晶温度。
在再结晶温度以下进行的压力加工为冷加工,产生加工硬化现象;反之为热加工,产生的加工硬化现象被再结晶所消除。
4. 与冷加工比较,热加工给金属件带来的益处有哪些?答:(1)通过热加工,可使铸态金属中的气孔焊合,从而使其致密度得以提高。
(2) 通过热加工,可使铸态金属中的枝晶和柱状晶破碎,从而使晶粒细化,机械性能提高。
(3) 通过热加工,可使铸态金属中的枝晶偏析和非金属夹杂分布发生改变,使它们沿着变形的方向细碎拉长,形成热压力加工“纤维组织”(流线),使纵向的强度、塑性和韧性显著大于横向。