混凝土比例表
- 格式:docx
- 大小:21.45 KB
- 文档页数:6
混凝土配比表混凝土按强度分成若干强度等级,混凝土的强度等级是按立方体抗压强度标准值fcu,k划分的。
立方体抗压强度标准值是立方抗压强度总体分布中的一个值,强度低于该值得百分率不超过5%,即有95%的保证率。
混凝土的强度分为C7.5、C10、C15、C20、C25、C30、C35、C40、C45、C50、C55、C60等十二个等级。
混凝土配合比是指混凝土中各组成材料(水泥、水、砂、石)之间的比例关系。
有两种表示方法:一种是以1立方米混凝土中各种材料用量,如水泥300千克,水180千克,砂690千克,石子1260千克;另一种是用单位质量的水泥与各种材料用量的比值及混凝土的水灰比来表示,例如前例可写成:C:S:G=1:2.3:4.2,W/C=0.6。
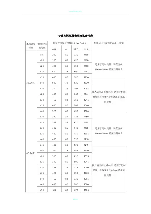
常用等级C20水:175kg水泥:343kg 砂:621kg 石子:1261kg配合比为:0.51:1:1.81:3.68C25水:175kg水泥:398kg 砂:566kg 石子:1261kg配合比为:0.44:1:1.42:3.17C30水:175kg水泥:461kg 砂:512kg 石子:1252kg配合比为:0.38:1:1.11:2.72. .普通混凝土配合比参考:水泥品种混凝土等级配比(单位)Kng 塌落度mm 抗压强度N/mm2水泥砂石水7天28天P.C32.5 C20 300 734 1236 195 35 21.0 29.0 1 2.45 4.12 0.65C25 320 768 1153 208 45 19.6 32.1 1 2.40 3.60 0.65C30 370 721 1127 207 45 29.5 35.2 1 1.95 3.05 0.56C35 430 642 1094 172 44 32.8 44.1 1 1.49 2.54 0.40C40 480 572 1111 202 50 34.6 50.7 1 1.19 2.31 0.42 P.O 32.5 C20 295 707 1203 195 30 20.2 29.1 1 2.40 4.08 0.66C25 316 719 1173 192 50 22.1 32.4 1 2.28 3.71 0.61C30 366 665 1182 187 50 27.9 37.6 1 1.82 3.23 0.51C35 429 637 1184 200 60 30.***6.2 1 1.48 2.76 0.47C40 478 *** 1128 210 60 29.4 51.0 1 1.33 2.36 0.44P.O 32.5R C25 321 749 1173 193 50 26.6 39.1 1 2.33 3.65 0.60C30 360 725 1134 198 60 29.4 44.3 1 2.01 3.15 0.55C35 431 643 1096 190 50 39.0 51.3 1 1.49 2.54 0.44C40 480 572 1111 202 40 39.3 51.0 1 1.19 2.31 0.42P.O 42.5(R) C30 352 676 1202 190 55 29.***5.2 1 1.92 3.41 0.54C35 386 643 1194 197 50 34.5 49.5 1 1.67 3.09 0.51C40 398 649 1155 199 55 39.5 55.3 1 1.63 2.90 0.50C50 496 606 1297 223 45 38.4 55.9 1 1.22 2.61 0.45 PII 42.5R C30 348 652 1212 188 50 31.***6.0 1 1.87 3.48 0.54C35 380 639 1187 194 50 35.0 50.5 1 1.68 3.12 0.51C40 398 649 1155 199 55 39.5 55.3 1 1.63 2.90 0.50C45 462 618 1147 203 4***2.7 59.1 1 1.34 2.48 0.44C50 480 633 1115 192 25 45.7 62.8 1 1.32 2.32 0.40 P.O 52.5R C40 392 645 1197 196 53 40.2 55.8 1 1.64 3.05 0.50C45 456 622 1156 19***2 43.5 59.5 1 1.36 2.53 0.43C50 468 626 1162 192 30 45.2 61.6 1 1.33 2.47 0.41 此试验数据为标准实验室获得,砂采用中砂,细度模数为2.94,碎石为5~31.5mm 连续粒级。
C30混凝土配合比表1. 引言混凝土是建筑、道路和其他基础设施工程中常用的材料之一。
在混凝土配制过程中,配合比是决定混凝土性能和强度的重要因素之一。
本文档将介绍C30混凝土的配合比表,并详细说明每个成分的配比和用途。
2. C30混凝土的特点C30混凝土是一种中等强度的混凝土,其特点如下:•抗压强度:C30混凝土的抗压强度为30 MPa (兆帕)。
•使用范围:C30混凝土适用于一些中等荷载的结构,如梁、柱和板等。
•施工难度:C30混凝土的施工难度较低,容易操作和浇筑。
3. C30混凝土配合比表下表显示了C30混凝土的配合比,包括水泥、砂、骨料和水的比例:成分比例用途水泥 1 提供混凝土的粘结力砂 1.2 填充剂,增加流动性细石 2.3 提供混凝土的强度和稳定性粗石 2.7 提供混凝土的强度和稳定性水0.55 控制混凝土的流动性外加剂0 - 0.6 可选,根据具体需要添加4. 配合比说明4.1 水泥水泥是混凝土中的胶凝材料,提供混凝土的粘结力。
在C30混凝土中,水泥的比例为1。
这意味着在配制1立方米的混凝土时,需要使用1立方米的水泥。
4.2 砂砂是混凝土的填充剂,能够增加混凝土的流动性。
在C30混凝土中,砂的比例为1.2。
这意味着在配制1立方米的混凝土时,需要使用1.2立方米的砂。
4.3 细石和粗石细石和粗石是混凝土的骨料,能够提供混凝土的强度和稳定性。
在C30混凝土中,细石和粗石的比例分别为2.3和2.7。
这意味着在配制1立方米的混凝土时,需要使用2.3立方米的细石和2.7立方米的粗石。
4.4 水水在混凝土中起到控制流动性的作用。
在C30混凝土中,水的比例为0.55。
这意味着在配制1立方米的混凝土时,需要使用0.55立方米的水。
4.5 外加剂外加剂是可选的,根据具体需要来添加。
外加剂可以改善混凝土的性能,如减水剂可提高流动性,增稠剂可增加粘性。
在C30混凝土中,外加剂的比例范围为0到0.6。
5. 总结C30混凝土是一种中等强度的混凝土,适用于中等荷载的结构。
普通水泥混凝土配合比参考表水泥标号水泥的标号是水泥“强度”的指标。
水泥的强度是表示单位面积受力的大小,是指水泥加水拌和后,经凝结、硬化后的坚实程度(水泥的强度与组成水泥的矿物成分、颗粒细度、硬化时的温度、湿度、以及水泥中加水的比例等因素有关)。
水泥的强度是确定水泥标号的指标,也是选用水泥的主要依据。
测定水泥强度的方法用前是“软练法”。
目录展开照规定的方法与水泥拌制成软练胶砂,制成7.07 X 7.07 X 7.07厘米的立方体抗压试块与8字形抗拉试块,在标准条件下进行养护,分别测定其3天、7天及28天的抗压强度和抗拉强度,以分组试块的28天平均抗压强度来确定水泥的标号,但3天、7天的技压强度也必须满足规定的要求。
目前我国生产的水泥一般有225#、325#、425#、525#等几种标号。
生产不同标号的水泥,是为了适应制做不同标号的混凝土的需要。
标准水泥的标号是水泥强度大小的标志,测定水泥标号的抗压强度,系指水泥砂浆硬结28d后的强度。
例如检测得到28d后的抗压强度为310kg/cm2,则水泥的标号定为300号。
抗压强度为300-400 kg/cm2者均算为300号。
普通水泥有:200、250、300、400、500、600六种标号。
200号-300号的可用于一些房屋建筑。
400号以上的可用于建筑较大的桥梁或厂房,以及一些重要路面和制造预制构件。
关于水泥标号的用法,其实并没有非常精细的规定,一般来说,设计图纸中会给出明确的规定。
在民用建筑工程中,一般用的比较多的是普通硅酸盐水泥和矿渣硅酸盐水泥。
标号一般常用的有P.O 32.5/42.5,P.S 32.5/42.5。
有325的和425的 325的250元--300元 425的360--450元品牌,地区不一样价格就不一样关于水泥标号通用水泥新标准是:GB175-1999《硅酸盐水泥、普通硅酸盐水泥》、GB1344-1999《矿渣硅酸盐水泥、火山灰硅酸盐水泥及粉煤灰硅酸盐水泥》、GB12958-1999《复合硅酸盐水泥》。
普通水泥混凝土配合比参考表水泥的标号是水泥“强度"的指标。
水泥的强度是表示单位面积受力的大小,是指水泥加水拌和后,经凝结、硬化后的坚实程度(水泥的强度与组成水泥的矿物成分、颗粒细度、硬化时的温度、湿度、以及水泥中加水的比例等因素有关).水泥的强度是确定水泥标号的指标,也是选用水泥的主要依据。
测定水泥强度的方法用前是“软练法”。
目录此法是将1:3的水泥、标准砂(福建平潭白石英砂)及规定的水,按照规定的方法与水泥拌制成软练胶砂,制成7.07 X 7.07 X 7.07厘米的立方体抗压试块与8字形抗拉试块,在标准条件下进行养护,分别测定其3天、7天及28天的抗压强度和抗拉强度,以分组试块的28天平均抗压强度来确定水泥的标号,但3天、7天的技压强度也必须满足规定的要求。
目前我国生产的水泥一般有225#、325#、425#、525#等几种标号。
生产不同标号的水泥,是为了适应制做不同标号的混凝土的需要。
标准水泥的标号是水泥强度大小的标志,测定水泥标号的抗压强度,系指水泥砂浆硬结28d后的强度。
例如检测得到28d后的抗压强度为310 kg/cm2,则水泥的标号定为300号。
抗压强度为300—400 kg/cm2者均算为300号。
普通水泥有:200、250、300、400、500、600六种标号。
200号—300号的可用于一些房屋建筑。
400号以上的可用于建筑较大的桥梁或厂房,以及一些重要路面和制造预制构件。
关于水泥标号的用法,其实并没有非常精细的规定,一般来说,设计图纸中会给出明确的规定.在民用建筑工程中,一般用的比较多的是普通硅酸盐水泥和矿渣硅酸盐水泥。
标号一般常用的有P.O 32。
5/42.5,P。
S 32.5/42。
5。
有325的和425的 325的250元--300元 425的360—-450元品牌,地区不一样价格就不一样关于水泥标号通用水泥新标准是:GB175-1999《硅酸盐水泥、普通硅酸盐水泥》、GB1344—1999《矿渣硅酸盐水泥、火山灰硅酸盐水泥及粉煤灰硅酸盐水泥》、GB12958-1999《复合硅酸盐水泥》。
C30混凝土配合比表1. 引言混凝土配合比是指混凝土中水泥、骨料、掺合料和水的比例及用量,它直接影响到混凝土的强度、耐久性和工作性能。
C30是指混凝土的标号,代表了混凝土的抗压强度等级,标志着混凝土的强度等级。
本文将介绍C30混凝土的配合比表。
2. 混凝土配合比表混凝土配合比表是根据C30混凝土的强度等级和工作性要求,确定混凝土中各组分的配合比例和用量。
以下是一个C30混凝土配合比表的示例:组分比例用量(千克/立方米)水泥1390-440砂 1.5-2.5650-750石料2-31210-1315掺合料0.3-0.6120-180水0.4-0.6160-180说明:- 混凝土配合比中的比例表示各组分与水泥的比值,例如砂的比例为1.5-2.5,表示砂与水泥的比例在1.5到2.5之间。
- 用量表示各组分在每立方米混凝土中的重量,以千克为单位。
3. 配合比表的解读根据上述配合比表,我们可以得到以下几点解读:3.1 水泥C30混凝土中水泥的配合比为1,表示水泥的用量与混凝土总重量相等。
根据具体工程要求,水泥的用量在390-440千克/立方米之间。
3.2 砂砂的配合比为1.5-2.5,表示砂与水泥的比例在1.5到2.5之间。
砂的用量在650-750千克/立方米之间。
3.3 石料石料的配合比为2-3,表示石料与水泥的比例在2到3之间。
石料的用量在1210-1315千克/立方米之间。
3.4 掺合料掺合料的配合比为0.3-0.6,表示掺合料与水泥的比例在0.3到0.6之间。
掺合料的用量在120-180千克/立方米之间。
3.5 水水的配合比为0.4-0.6,表示水与水泥的比例在0.4到0.6之间。
水的用量在160-180千克/立方米之间。
4. 注意事项在使用上述配合比表时,需要注意以下几点:•配合比表中的数据是根据经验和实际工程情况得出的,仅供参考。
实际使用时应根据具体材料和工程要求进行调整。
•混凝土的配合比应满足强度、耐久性和工作性能等要求,需要考虑混凝土的使用环境和工程结构等因素。
普通水泥混凝土配合比参考表Document serial number【KK89K-LLS98YT-SS8CB-SSUT-SST108】普通水泥混凝土配合比参考表2、当掺和掺合料时,采用内掺法可等量或超量取代,最大取代量应根据掺合料性能进行强度对比实验结果而定。
3、配制流态性混凝土时,参考配比试验所采用的是减水率在15%以上的高效减水剂。
4、参考配比试验所有砂石为||区中砂,石子为5-31.5mm的连续级配的碎石。
水泥标号百科名片水泥的标号是水泥“强度”的指标。
水泥的强度是表示单位面积受力的大小,是指水泥加水拌和后,经凝结、硬化后的坚实程度(水泥的强度与组成水泥的矿物成分、颗粒细度、硬化时的温度、湿度、以及水泥中加水的比例等因素有关)。
水泥的强度是确定水泥标号的指标,也是选用水泥的主要依据。
测定水泥强度的方法用前是“软练法”。
目录展开基本信息此法是将1:3的水泥、(福建平潭白石英砂)及规定的水,按照规定的方法与水泥拌制成软练胶砂,制成7.07 X 7.07 X 7.07厘米的立方体抗压试块与8字形抗拉试块,在标准条件下进行养护,分别测定其3天、7天及28天的抗压强度和抗拉强度,以分组试块的28天平均抗压强度来确定水泥的标号,但3天、7天的技压强度也必须满足规定的要求。
目前我国生产的水泥一般有225#、325#、425#、525#等几种标号。
生产不同标号的水泥,是为了适应制做不同标号的混凝土的需要。
水泥的标号标准水泥的标号是水泥强度大小的标志,测定水泥标号的抗压强度,系指水泥砂浆硬结28d后的强度。
例如检测得到28d后的抗压强度为310 kg/cm2,则水泥的标号定为300号。
抗压强度为300-400 kg/cm2者均算为300号。
普通水泥有:200、250、300、400、500、600六种标号。
200号-300号的可用于一些房屋建筑。
400号以上的可用于建筑较大的桥梁或厂房,以及一些重要路面和制造预制构件。
水泥混凝土配合比参考表U我公司同时生产不同强度等级的不同品种水泥,除早期强度.施工性能和工性能有所区别外,28天强度指标基本相同,故本参考配合比没有区分。
2、当掺和掺合料时,采用内掺法可等量或超量取代,最大取代量应根据掺合料性能进行强度对比实驶结果而定。
3、配制流态性混眾土时,参考配比试验所采用的是减水率在15$以上的高效减水剂。
k参考配比试验所有砂石为丨丨区中砂,石子为5-31. 5m(n的连续级配的碎石。
水泥标号百科名片水泥的标号是水泥“强度”的指标。
水泥的强度是表示单位面积受力的大小,是指水泥加水拌和后,经凝结、硬化后的坚实程度(水泥的强度与组成水泥的矿物成分、颗粒细度、硬化时的温度、湿度、以及水泥中加水的比例等因素有关)。
水泥的强度是确定水泥标号的指标,也是选用水泥的主要依据。
测定水泥强度的方法用前是“软练法”。
目录基本信息水泥的标号常见问题基本信息水泥的标号常见问题展开编辑本段基本信息此法是将1: 3的水泥、标准砂(福建平潭白石英砂)及规定的水,按照规定的方法与水泥拌制成软练胶砂,制成7. 07 X 7. 07 X 7. 07厘米的立方体抗压试块与8字形抗拉试块,在标准条件下进行养护,分别测定其3天、7天及28天的抗压强度和抗拉强度,以分组试块的28天平均抗压强度来确定水泥的标号,但3天、7天的技压强度也必须满足规定的要求。
目前我国生产的水泥一般有225#、325#、425#、525#等几种标号。
生产不同标号的水泥,是为了适应制做不同标号的混凝土的需要。
编辑本段水泥的标号标准水泥的标号是水泥强度大小的标志,测定水泥标号的抗压强度,系指水泥砂浆硬结28d后的强度。
例如检测得到28d后的抗压强度为310kg/cm2, 则水泥的标号定为300号。
抗压强度为300-400 kg/cm2者均算为300号。
普通水泥有:200、250、300、400、500、600六种标号。
200号-300号的可用于一些房屋建筑。
普通水泥混凝土配合比参考表水泥标号百科名片水泥的标号是水泥“强度”的指标。
水泥的强度是表示单位面积受力的大小,是指水泥加水拌和后,经凝结、硬化后的坚实程度(水泥的强度与组成水泥的矿物成分、颗粒细度、硬化时的温度、湿度、以及水泥中加水的比例等因素有关)。
水泥的强度是确定水泥标号的指标,也是选用水泥的主要依据。
测定水泥强度的方法用前是“软练法”。
目录此法是将1:3的水泥、标准砂(福建平潭白石英砂)及规定的水,按照规定的方法与水泥拌制成软练胶砂,制成7.07 X 7.07 X 7.07厘米的立方体抗压试块与8字形抗拉试块,在标准条件下进行养护,分别测定其3天、7天及28天的抗压强度和抗拉强度,以分组试块的28天平均抗压强度来确定水泥的标号,但3天、7天的技压强度也必须满足规定的要求。
目前我国生产的水泥一般有225#、325#、425#、525#等几种标号。
生产不同标号的水泥,是为了适应制做不同标号的混凝土的需要。
标准水泥的标号是水泥强度大小的标志,测定水泥标号的抗压强度,系指水泥砂浆硬结28d 后的强度。
例如检测得到28d后的抗压强度为310 kg/cm2,则水泥的标号定为300号。
抗压强度为300-400 kg/cm2者均算为300号。
普通水泥有:200、250、300、400、500、600六种标号。
200号-300号的可用于一些房屋建筑。
400号以上的可用于建筑较大的桥梁或厂房,以及一些重要路面和制造预制构件。
关于水泥标号的用法,其实并没有非常精细的规定,一般来说,设计图纸中会给出明确的规定。
在民用建筑工程中,一般用的比较多的是普通硅酸盐水泥和矿渣硅酸盐水泥。
标号一般常用的有P.O 32.5/42.5,P.S 32.5/42.5。
有325的和425的 325的250元--300元 425的360--450元品牌,地区不一样价格就不一样关于水泥标号通用水泥新标准是:GB175-1999《硅酸盐水泥、普通硅酸盐水泥》、GB1344-1999《矿渣硅酸盐水泥、火山灰硅酸盐水泥及粉煤灰硅酸盐水泥》、GB12958-1999《复合硅酸盐水泥》。
普通水泥混凝土配合比参考表水泥标号水泥的标号是水泥“强度”的指标。
水泥的强度是表示单位面积受力的大小,是指水泥加水拌和后,经凝结、硬化后的坚实程度(水泥的强度与组成水泥的矿物成分、颗粒细度、硬化时的温度、湿度、以及水泥中加水的比例等因素有关)。
水泥的强度是确定水泥标号的指标,也是选用水泥的主要依据。
测定水泥强度的方法用前是“软练法”。
目录展开基本信息此法是将1:3的水泥、(福建平潭白石英砂)及规定的水,按照规定的方法与水泥拌制成软练胶砂,制成7.07 X 7.07 X 7.07厘米的立方体抗压试块与8字形抗拉试块,在标准条件下进行养护,分别测定其3天、7天及28天的抗压强度和抗拉强度,以分组试块的28天平均抗压强度来确定水泥的标号,但3天、7天的技压强度也必须满足规定的要求。
目前我国生产的水泥一般有225#、325#、425#、525#等几种标号。
生产不同标号的水泥,是为了适应制做不同标号的混凝土的需要。
水泥的标号标准水泥的标号是水泥强度大小的标志,测定水泥标号的抗压强度,系指水泥砂浆硬结28d后的强度。
例如检测得到28d后的抗压强度为310 kg/cm2,则水泥的标号定为300号。
抗压强度为300-400 kg/cm2者均算为300号。
普通水泥有:200、250、300、400、500、600六种标号。
200号-300号的可用于一些房屋建筑。
400号以上的可用于建筑较大的桥梁或厂房,以及一些重要路面和制造预制构件。
关于水泥标号的用法,其实并没有非常精细的规定,一般来说,设计图纸中会给出明确的规定。
在民用建筑工程中,一般用的比较多的是普通硅酸盐水泥和矿渣硅酸盐水泥。
标号一般常用的有P.O 32.5/42.5,P.S 32.5/42.5。
有325的和425的 325的250元--300元 425的360--450元品牌,地区不一样价格就不一样关于水泥标号通用水泥新标准是:GB175-1999《硅酸盐水泥、普通硅酸盐水泥》、GB1344-1999《矿渣硅酸盐水泥、火山灰硅酸盐水泥及粉煤灰硅酸盐水泥》、GB12958-1999《复合硅酸盐水泥》。
混凝土配合比配置比例及调配办法C15混凝土理论配合比(kg/m3)2、基准砂率为37%,在基准砂率的基础上分别增加或减小1%.3、碎石5~20.0mm(5~10.0mm占20%,10~20.0mm占80%).4、使用部位:预制空心砖等。
C15混凝土理论配合比(kg/m3)2、基准砂率为44.0%,在基准砂率的基础上分别增加或减小1%.3、碎石5~25.0mm(5~10.0mm占20%,10~25.0mm占80%).4、使用部位:基础、垫层等.C15混凝土理论配合比(kg/m3)2、基准砂率为44.0%,在基准砂率的基础上分别增加或减小1%.3、碎石5~20.0mm(5~10.0mm占35%,10~20.0mm占65%).4、使用部位:路基护坡、骨架预制件、回填等.C15混凝土理论配合比(kg/m3)2、基准砂率为45%,在基准砂率的基础上分别增加或减小1%.3、碎石5~25.0mm(5~10mm占20%,10~25.0mm占80%)4、使用部位:涵洞、基坑、回填、骨架护坡、集水井等.CFG桩C20混凝土理论配合比(kg/m3)2、基准砂率为44%,在基准砂率的基础上分别增加或减小1%.3、碎石5~25.0mm(5~10.0mm占20%,10~25.0mm占80%).4、使用部位:CFG桩.CFG桩C20混凝土理论配合比(kg/m3)2、基准砂率为44%,在基准砂率的基础上分别增加或减小1%.3、碎石5~25.0mm(5~10.0mm占20%,10~25.0mm占80%). F类粉煤灰.4、使用部位:CFG桩.32、基准砂率为49%,在基准砂率的基础上分别增加或减小1%.3、碎石5~20.0mm(5~10.0mm占20%,10~20.0mm占80%).4、使用部位:CFG桩.C20混凝土理论配合比(kg/m3)2、基准砂率为37%,在基准砂率的基础上分别增加或减小1%.3、碎石5~20.0mm(5~10mm占20%,10~20.0mm占80%)4、使用部位:侧沟、预制盖板等.2、基准砂率为44.0%,在基准砂率的基础上分别增加或减小1%.3、碎石5~25.0mm(5~10mm占20%,10~25.0mm占80%)4、使用部位:涵洞、垫层、翼墙、侧沟等.C20混凝土理论配合比(kg/m3)2、基准砂率为44.0%,在基准砂率的基础上分别增加或减小1%.3、碎石5~25.0mm(5~10mm占20%,10~25.0mm占80%)4、使用部位:箱涵框架基础等.C20 混凝土理论配合比(kg/m3)2、基准砂率为43.5%,在基准砂率的基础上分别增加或减小1%.3、碎石5~20.0mm(5~10.0mm占35%,10~20.0mm占65%).4、使用部位:基础、侧沟、回填等.C20 混凝土理论配合比(kg/m3)2、基准砂率为44.0%,在基准砂率的基础上分别增加或减小1%.3、碎石5~25.0mm(5~10mm占20%,10~25.0mm占80%).4、使用部位:涵洞、垫层、翼墙、侧沟等.2、基准砂率为45.0%,在基准砂率的基础上分别增加或减小1%.3、碎石5~25.0mm(5~10mm占20%,10~25.0mm占80%).4、使用部位:水沟、盖板、挖孔桩护壁、填充等.高性能混凝土(C25)配合比(kg/m3)2、基准砂率为47.0%.3、碎石5~10.0mm.4、使用部位:预制防护栅栏等.5、只调掺合料比例.C25 混凝土理论配合比(kg/m3)2、基准砂率为43.5%,在基准砂率的基础上分别增加或减小1%.3、碎石5~25.0mm(5~10mm占20%,10~25.0mm占80%).4、使用部位:基础、垫层等.C25 混凝土理论配合比(kg/m3)2、基准砂率为44.0%,在基准砂率的基础上分别增加或减小1%.3、碎石5~20.0mm(5~10.0mm占35%,10~20.0mm占65%).4、使用部位:路基面找平、挡墙、侧沟及盖板、基础回填等.31、基准砂率为50.0%,在基准砂率的基础上分别增加或减小1%.2、基准水胶比为0.40,在基准水胶比的基础上分别增加或减小0.05.3、碎石5~10.0mm.4、使用部位:仰拱﹑初期支护等.C25混凝土理论配合比(kg/m3)2、基准砂率为45.0%,在基准砂率的基础上分别增加或减小1%.3、碎石5~25.0mm(5~10mm占20%,10~25.0mm占80%). 粉煤灰:Ⅰ级.4、使用部位:水沟、盖板、挖孔桩护壁、填充等.高性能混凝土(C30)配合比(kg/m3)2、基准砂率为42.0%.3、碎石5~25.0mm(5~10mm占20%,10~25.0mm占80%).4、使用部位:承台、涵洞.5、只调胶凝材料比例.水下混凝土高性能混凝土(C30)配合比(kg/m3)1、基准水胶比为0.38.2、基准砂率为42.0%.3、碎石5~25.0mm(5~10mm占20%,10~25.0mm占80%).4、使用部位:桩基.5、只调胶凝材料比例.6、水下混凝土配制强度需要提高10%~20%,取15%.例:C30:fcu,0=(30.0+1.645×4.5)×(1+0.15)=43.0MPa.高性能混凝土(C30)配合比(kg/m3)1、基准水胶比为0.41.2、基准砂率为43.0%.3、碎石5~25.0mm(5~10mm占20%,10~25.0mm占80%).4、使用部位:承台.5、只调胶凝材料比例.水下混凝土高性能混凝土(C30)配合比(kg/m3)1、基准水胶比为0.41.2、基准砂率为45.0%.3、碎石5~25.0mm(5~10mm占20%,10~25.0mm占80%).4、使用部位:桩基.5、只调胶凝材料比例.6、水下混凝土配制强度需要提高10%~20%,取15%.例:C30:fcu,0=(30.0+1.645×4.5)×(1+0.15)=43.0MPa. 水下混凝土高性能混凝土(C30)配合比(kg/m3)1、基准水胶比为0.40.2、基准砂率为44.0%.3、碎石5~25.0mm(5~10mm占20%,10~25.0mm占80%).4、使用部位:桩基.5、只调胶凝材料比例.6、水下混凝土配制强度需要提高10%~20%,取15%.例:C30:fcu,0=(30.0+1.645×4.5)×(1+0.15)=43.0MPa.高性能混凝土(C30)配合比(kg/m3)1、基准水胶比为0.41.2、基准砂率为43.0%.3、碎石5~25.0mm(5~10mm占20%,10~25.0mm占80%).4、使用部位:承台.5、只调胶凝材料比例.高性能混凝土(C30)配合比(kg/m3)1、基准水胶比为0.38.2、基准砂率为47.0%.3、碎石5~10.0mm..4、使用部位:预制电缆槽、栅栏、声屏障等.5、只调胶凝材料比例.高性能混凝土(C30)配合比(kg/m3)1、基准水胶比为0.38.2、基准砂率为43.0%.3、碎石5~25.0mm(5~10mm占20%,10~25.0mm占80%).4、使用部位:承台.5、只调胶凝材料比例.水下混凝土高性能混凝土(C30)配合比(kg/m3)1、基准水胶比为0.38.2、基准砂率为44.0%.3、碎石5~25.0mm(5~10mm占20%,10~25.0mm占80%).4、使用部位:桩基、明挖基础.5、只调胶凝材料比例.6、水下混凝土配制强度需要提高10%~20%,取15%.例:C30:fcu,0=(30.0+1.645×4.5)×(1+0.15)=43.0MPa.高性能混凝土(C30)配合比(kg/m3)1、基准水胶比为0.38.2、基准砂率为42.0%.3、碎石5~20.0mm(5~10.0mm占35%,10~20.0mm占65%).4、使用部位:承台、基础等.5、只调胶凝材料比例.水下混凝土高性能混凝土(C30)配合比(kg/m3)1、基准水胶比为0.37.2、基准砂率为43.0%.3、碎石5~20.0mm(5~10.0mm占35%,10~20.0mm占65%).4、使用部位:承台、基础等.5、水下混凝土配制强度需要提高10%~20%,取15%.例:C30:fcu,0=(30.0+1.645×4.5)×(1+0.15)=43.0MPa.高性能混凝土(C30)配合比(kg/m3)1、基准水胶比为0.38.2、基准砂率为42.0%.3、碎石5~25.0mm(5~10mm占20%,10~25.0mm占80%).4、使用部位:承台、涵洞.5、只调胶凝材料比例.水下混凝土高性能混凝土(C30)配合比(kg/m3)1、基准水胶比为0.38.2、基准砂率为44.0%.3、碎石5~25.0mm(5~10mm占20%,10~25.0mm占80%).4、使用部位:桩基..5、水下混凝土配制强度需要提高10%~20%,取15%.例:C30:fcu,0=(30.0+1.645×4.5)×(1+0.15)=43.0MPa.高性能混凝土(C35)配合比(kg/m3)1、基准水胶比为0.38.2、基准砂率为42.0%.3、碎石5~25.0mm(5~10mm占20%,10~25.0mm占80%).4、使用部位:承台、墩身、顶帽、托盘、涵洞.5、只调胶凝材料比例.高性能混凝土(C35)配合比(kg/m3)1、基准水胶比为0.39. 环境作用等级为T2.2、基准砂率为43.0%.3、碎石5~25.0mm(5~10mm占20%,10~25.0mm占80%).4、使用部位:承台、墩身、顶帽、托盘、支承垫石.5、只调胶凝材料比例. *:外掺料.防腐承台高性能混凝土(C35)配合比(kg/m3)1、基准水胶比为0.38. 环境作用等级为H1(二氧化碳侵蚀).2、基准砂率为45.0%. *:内掺料属胶凝材料.3、碎石5~25.0mm(5~10mm占20%,10~25.0mm占80%).4、使用部位:承台、墩身、顶帽、托盘等.5、只调胶凝材料比例. *:内掺料,属胶凝材料.水下混凝土高性能混凝土(C35)配合比(kg/m3)1、基准水胶比为0.38. 环境作用等级为H1.2、基准砂率为44.0%. *:内掺料属胶凝材料.3、碎石5~25.0mm(5~10mm占20%,10~25.0mm占80%).4、使用部位:桩基.5、只调胶凝材料比例. *:内掺料,属胶凝材料.6、水下混凝土配制强度需要提高10%~20%,取15%.例:C35:fcu,0=(35.0+1.645×4.5)×(1+0.15)=48.8MPa.高性能混凝土(C35)配合比(kg/m3)1、基准水胶比为0.40. 环境作用等级为T2.2、基准砂率为43.0%.3、碎石5~25.0mm(5~10mm占20%,10~25.0mm占80%).4、使用部位:承台、墩身、顶帽、托盘、支承垫石.5、只调胶凝材料比例.防腐承台高性能混凝土(C35)配合比(kg/m3)1、基准水胶比为0.39. 环境作用等级为H1(二氧化碳侵蚀).2、基准砂率为43.0%. *:内掺料,属胶凝材料.3、碎石5~25.0mm(5~10mm占20%,10~25.0mm占80%).4、使用部位:承台、墩身、顶帽、托盘等.5、只调胶凝材料比例. 水下混凝土高性能混凝土(C35)配合比(kg/m3)1、基准水胶比为0.39. 环境作用等级为H1.2、基准砂率为44.0%. *:内掺料属胶凝材料.3、碎石5~25.0mm(5~10mm占20%,10~25.0mm占80%).4、使用部位:桩基.5、只调胶凝材料比例.6、水下混凝土配制强度需要提高10%~20%,取15%.例:C35:fcu,0=(35.0+1.645×4.5)×(1+0.15)=48.8MPa.防腐承台高性能混凝土(C35)配合比(kg/m3)1、基准水胶比为0.38. 环境作用等级为H1(二氧化碳侵蚀).2、基准砂率为42.0%. *:内掺料属胶凝材料.3、碎石5~25.0mm(5~10mm占20%,10~25.0mm占80%).4、使用部位:承台、墩身、顶帽、托盘.5、只调胶凝材料比例.高性能混凝土(C35)配合比(kg/m3)1、基准水胶比为0.38. 环境作用等级为T2.2、基准砂率为43.0%.3、碎石5~25.0mm(5~10mm占20%,10~25.0mm占80%).4、使用部位:墩台身、顶帽、托盘.5、只调胶凝材料比例.高性能混凝土(C35)配合比(kg/m3)1、基准水胶比为0.37. 环境作用等级为T2.2、基准砂率为43.0%.3、碎石5~20.0mm(5~10.0mm占35%,10~20.0mm占65%).4、使用部位:基础、墩台身、顶帽、托盘等.5、只调胶凝材料比例.防水混凝土高性能混凝土(C35)配合比(kg/m3)1、基准水胶比为0.38,在基准水胶比的基础上分别增加或减小0.2。
普通水泥混凝土配合比参考表水泥标号水泥的标号是水泥“强度”的指标。
水泥的强度是表示单位面积受力的大小,是指水泥加水拌和后,经凝结、硬化后的坚实程度(水泥的强度与组成水泥的矿物成分、颗粒细度、硬化时的温度、湿度、以及水泥中加水的比例等因素有关)。
水泥的强度是确定水泥标号的指标,也是选用水泥的主要依据。
测定水泥强度的方法用前是“软练法”。
目录此法是将1:3的水泥、标准砂(福建平潭白石英砂)及规定的水,按照规定的方法与水泥拌制成软练胶砂,制成7.07 X 7.07 X 7.07厘米的立方体抗压试块与8字形抗拉试块,在标准条件下进行养护,分别测定其3天、7天及28天的抗压强度和抗拉强度,以分组试块的28天平均抗压强度来确定水泥的标号,但3天、7天的技压强度也必须满足规定的要求。
目前我国生产的水泥一般有225#、325#、425#、525#等几种标号.生产不同标号的水泥,是为了适应制做不同标号的混凝土的需要。
标准水泥的标号是水泥强度大小的标志,测定水泥标号的抗压强度,系指水泥砂浆硬结28d后的强度。
例如检测得到28d后的抗压强度为310 kg/cm2,则水泥的标号定为300号。
抗压强度为300-400 kg/cm2者均算为300号。
普通水泥有:200、250、300、400、500、600六种标号。
200号—300号的可用于一些房屋建筑。
400号以上的可用于建筑较大的桥梁或厂房,以及一些重要路面和制造预制构件。
关于水泥标号的用法,其实并没有非常精细的规定,一般来说,设计图纸中会给出明确的规定。
在民用建筑工程中,一般用的比较多的是普通硅酸盐水泥和矿渣硅酸盐水泥。
标号一般常用的有P.O 32.5/42。
5,P.S 32。
5/42。
5。
有325的和425的 325的250元—-300元 425的360——450元品牌,地区不一样价格就不一样关于水泥标号通用水泥新标准是:GB175-1999《硅酸盐水泥、普通硅酸盐水泥》、GB1344—1999《矿渣硅酸盐水泥、火山灰硅酸盐水泥及粉煤灰硅酸盐水泥》、GB12958—1999《复合硅酸盐水泥》。
一方混凝土配比表摘要:1.混凝土基础知识概述2.一方混凝土的配比概念3.一方混凝土的配比详细说明4.混凝土配合比的选择与影响因素5.结论正文:一、混凝土基础知识概述混凝土是由水泥、砂、石子和水等材料按一定比例混合而成的建筑材料,具有高强度、耐久性和经济性等优点,广泛应用于建筑工程中。
混凝土的性能与配合比、施工工艺以及养护条件等因素密切相关。
二、一方混凝土的配比概念一方混凝土是指混凝土中各种组成材料的重量比,通常以水泥、砂、石子和水的重量比来表示。
例如,C25 混凝土的配合比为水泥:砂:石:水=1:1.40:2.85:0.47(重量比),表示每1kg 水泥需要搭配1.40kg 砂、2.85kg 石子和0.47kg 水。
三、一方混凝土的配比详细说明以下是几种常见混凝土配合比的示例:1.C25 混凝土配合比:水泥:砂:石:水=1:1.40:2.85:0.47(重量比)材料用量(kg/m3):水泥:415kg;砂子:583kg;石子:1184kg;水:195kg2.C30 混凝土配合比:水泥:砂:石:水=1:1.18:2.63:0.41(重量比)材料用量(kg/m3):水泥:459kg;砂子:542kg;石子:1206kg;水:188kg3.C35 混凝土配合比(必须使用42.5 级以上水泥):水泥:砂:石:水=1:1.37:2.78:0.46(重量比)材料用量(kg/m3):水泥:424kg;砂子:581kg;石子:1179kg;水:195kg4.C40 混凝土配合比(必须使用42.5 级以上水泥):水泥:砂:石:水=1:1.08:2.41:0.40(重量比)材料用量(kg/m3):水泥:488kg;砂子:528kg;石子:1176kg;水:195kg四、混凝土配合比的选择与影响因素混凝土配合比的选择应根据工程特点、设计要求和施工条件等因素综合考虑。
主要影响因素包括:混凝土强度等级、耐久性要求、工程部位、施工条件等。
标准c30混凝土配比表
标准C30混凝土配比表是指在混凝土制作中,按照一定的配比比例将水泥、砂子、骨料和水等原材料混合制成的混凝土,标准C30混凝土属于普通混凝土,具有强度等级为C30的特点。
以下是标准C30混凝土配比表的具体内容:
1. 水泥用量:按照标准C30混凝土的配比要求,水泥的用量为350公斤/立方米。
2. 砂子用量:砂子的用量为710公斤/立方米。
3. 骨料用量:标准C30混凝土中,骨料的用量为1200公斤/立方米,其中粗骨料为900公斤/立方米,细骨料为300公斤/立方米。
4. 水用量:标准C30混凝土的水用量为190公斤/立方米。
5. 混凝土配合比:按照上述配料比例混合制成的混凝土,其水灰比为0.54,砂率为43%,骨料空隙率为36%,总体积稠度为0.67。
需要注意的是,标准C30混凝土的强度等级为C30,即28天抗压强度为30MPa。
在实际应用中,还需要根据具体工程需求和条件进行配
比调整,以保证混凝土的强度、耐久性和稳定性等方面的性能。
1立方c20混凝土配合比表混凝土是建筑工程中常用的一种材料,它由水泥、砂子、石子等材料按照一定的比例混合而成。
不同的工程需要使用不同配合比的混凝土,以满足工程的要求。
本文将介绍一种常用的配合比——1立方c20混凝土配合比,并详细解析其组成和特点。
1立方c20混凝土配合比表如下:材料比例水泥 350kg砂子 700kg石子 1100kg水 185kg我们来看一下这个配合比表的具体含义。
1立方代表的是混凝土的体积,也就是说,这个配合比适用于1立方的混凝土工程。
C20代表的是混凝土的抗压强度等级,表示混凝土的设计抗压强度为20MPa。
在这个配合比中,水泥、砂子、石子和水的比例分别为350kg、700kg、1100kg和185kg。
接下来,我们来分析一下这个配合比的特点和应用。
首先,由于水泥的用量较少,这种配合比的混凝土相对来说比较弱,适用于一些不需要太高强度的建筑工程,如地板、墙体、地基等。
其次,砂子和石子的用量较大,使得混凝土的骨料含量高,从而增加了混凝土的强度和稳定性。
此外,水的用量适中,既能保证混凝土的可塑性,又能保证混凝土的强度。
在实际工程中,我们需要根据具体的工程要求和条件来选择合适的混凝土配合比。
对于一些需要较高强度的工程,我们可以选择C30、C40等高强度等级的混凝土配合比。
而对于一些不需要太高强度的工程,如一些普通住宅的地板、墙体等,我们可以选择C20的混凝土配合比。
除了配合比外,混凝土的施工过程也是十分重要的。
在施工过程中,我们需要注意以下几点。
首先,要确保混凝土的原材料质量,特别是水泥的质量要符合国家标准。
其次,要严格按照配合比进行配料,确保各种材料的比例准确。
然后,在搅拌混凝土的过程中,要控制搅拌时间和搅拌速度,以保证混凝土的均匀性和可塑性。
最后,在浇筑混凝土后,要及时进行养护,以确保混凝土的强度和耐久性。
总的来说,1立方c20混凝土配合比适用于一些不需要太高强度的建筑工程。
通过合理的配合比和施工措施,可以获得均匀、稳定的混凝土,并满足工程的要求。