长江江苏段船舶最高航速限制情况一览表
- 格式:docx
- 大小:934.34 KB
- 文档页数:4
长江江苏段船舶定线制规定交海法[2014]33号长江沿线各省、自治区、直辖市交通运输厅(局、委),长江航务管理局,各直属海事局:现将《长江江苏段船舶定线制规定(2013)》印发你们,请遵照执行,该规定自2014年4月1日起施行。
2005年10月1日起施行的《长江江苏段船舶定线制规定(2005)》同时废止。
交通运输部2014年1月20日第一章总则第一条为维护长江江苏段水上交通秩序,改善通航环境,提高交通效率,保障航行安全,促进航运发展,根据《中华人民共和国内河交通安全管理条例》等有关法律、法规及有关国际公约,制定本规定。
第二条凡航行于长江江苏段通航水域的船舶,均应遵守本规定。
下列船舶因工作需要可不按规定的航路行驶:(一)正在执行公务的船舶;(二)在核定水域内在航施工的工程船舶;(三)进行海难救助的船舶;(四)经主管机关批准的船舶。
第三条长江江苏段通航水域全程实行船舶定线制。
船舶定线制遵循大船小船分流、避免航路交叉、各自靠右航行及过错责任原则。
第四条中华人民共和国江苏海事局及其分支机构是实施本规定的主管机关。
第二章航道、航路第五条深水航道深水航道一般设置在深泓附近,两侧界限分别用左侧侧面标、右侧侧面标标志标示(深水航道设置标准和尺度见附件1),主要供大型船舶使用。
深水航道设标由航道管理部门实施。
第六条通航分道及分隔带(线)在深水航道内设置的上、下行通航分道和分隔带分别占航标标示航道宽度的五分之二、五分之二、五分之一。
在不具备设置分隔带条件的深水航道内,分隔线为深水航道的中心线。
第七条推荐航路推荐航路设置在深水航道侧面标的外侧水域,供小型船舶使用。
在具备设置推荐航路条件的水域,黑浮联线外侧设置上行船舶推荐航路;红浮联线外侧设置下行船舶推荐航路(推荐航路设置标准和尺度见附件2)。
第八条定线制实施水域需要采取单向航行控制的,由主管机关以航行通(警)告形式发布。
第九条深水航道的维护水深由航道管理部门公布。
第三章航行第十条船舶在任何时候均应以安全航速行驶,防止发生事故。
精心整理长江江苏段船舶定线制规定(2013)第一章总则第一条为维护长江江苏段水上交通秩序,改善通航环境,提高交通效率,保障航行安全,促进航运发展,根据《中华人民共和国内河交通安全管理条例》等有关法律、法规及有关国际公约,制定本规定。
第二条凡航行于长江江苏段通航水域的船舶,均应遵守本规定。
则。
宽度的五分之二、五分之二、五分之一。
在不具备设置分隔带条件的深水航道内,分隔线为深水航道的中心线。
第七条推荐航路推荐航路设置在深水航道侧面标的外侧水域,供小型船舶使用。
在具备设置推荐航路条件的水域,黑浮联线外侧设置上行船舶推荐航路;红浮联线外侧设置下行船舶推荐航路(推荐航路设置标准和尺度见附件2)。
第八条定线制实施水域需要采取单向航行控制的,由主管机关以航行通(警)告形式发布。
第九条深水航道的维护水深由航道管理部门公布。
第三章航行第十条船舶在任何时候均应以安全航速行驶,防止发生事故。
在不危及他船或设施安全的情况下,船舶正常航行时最高航速不得超过15节(约28千米/小时),最低航速不得低于4节(约7.5千米/小时)。
船舶在泰6节(约未设推荐航路的航段,小型船舶应沿通航分道右侧边缘行驶。
第十五条大型船舶在经过通航条件受到限制的水域前,或自身操纵能力受到限制时,应向主管机关设置的船舶交通管理中心报告,在无碍他船行驶且采取必要的安全措施后,可选择航路行驶,驶过后应及时恢复到规定的通航分道内行驶。
第十六条船舶驶经福姜沙南水道、尹公洲航段,应遵守主管机关颁布的单向航行控制的有关规定(见附件4)。
第十七条船舶驶经桥区水域,应遵守桥区水域通航规定(见附件5)。
第十八条船舶驶经白茆沙北水道、福姜沙北水道、福姜沙中水道、太平洲捷水道、仪征捷水道、宝塔水道、乌江水道等水域,应遵守上述航路的专门规定(见附件6)。
第十九条船舶进出常熟港、营船港、天生港、江都港等专用航道及京杭运河小型船舶(队)上行专用航路时,应遵守上述专用航道的专门规定(见附件7)。
长江靠码头船速参考值
逆流最高航速不得超过8节(14.816公里),顺流最高航速不得超过11节(20.372公里);航速不得低于4千米/小时。
船舶在长江一些地段水域航行,应当保持正确瞭望,注意观察,并采取安全航速航行,防止发生水上交通事故。
船舶安全航速应当根据能见度、通航密度、船舶操纵性能和风、浪、水流、航路状况及其周围环境等主要因素确定。
普通的杂货船的速度在12-15节,也就是22-27公里/小时;
大型的集装箱船的速度在20-28节,也就是36-52公里/小时;
大型的邮轮的速度和大型的集装箱船差不多,在20-28节,也就是36-52公里/小时。
现在,国际上通用的表示轮船航速的计量单位是节。
1节=1海里/小时,1海里=1.852公里,一节也是1.852公里/小时。
长江船行速度有一小时55公里,也有一小时65公里的,还有一小时30多公里的,因为船的型号不一样,装载的物品也不样,所以船的速度也不一样。
长江航速规定多少节?
长江货轮时速28公里。
根据《长江江苏段船舶定线制规定2013》第十条规定:船舶在任何时候均应以安全航速行驶,防止发生事故,在不危及他船或设施安全的情况下,船舶正常航行。
长江航运的货船船行速度一般是多少呢?
长江中航行的货船船速一般约20km/h,之前配备的警用执法艇航速为25km/h左右,虽然能够满足。
安全▎一看你就懂!长江江苏段船舶限速规定经常有船员朋友通过公众号留言向我们询问,船舶在长江江苏段航行时,倒底有哪些限速规定呢,今天,我们就给大家做个整理,希望能够解开大家的迷团01总体限速要求《长江江苏段船舶定线制规定2013》第十条规定:船舶在任何时候均应以安全航速行驶,防止发生事故,在不危及他船或设施安全的情况下,船舶正常航行时最高航速不得超过 15 节(约 28 千米/小时),最低航速不得低于 4 节(约 7.5 千米/小时)。
船舶在泰州长江公路大桥桥区水域下界浮以下通航分道内正常航行时最低航速不得低于6 节(约 11 千米/小时)。
需要注意的是,这是船舶在正常航行的最高和最低航速要求,船舶为了避让、靠离泊等需要,需要采取更低航速的,不在此限。
02桥区水域限速规定《长江江苏段船舶定线制规定2013》附件5,长江江苏段桥区水域通航规定里这样描述,船舶通过桥区水域时(这里的桥区水域未规定是否为障碍性桥梁还是非障碍性桥梁),应当保持具有足够舵效的安全航速。
也就是说,船舶通过桥区水域时,应具有控制自己船位和正常调整航向的航速。
同时,在船舶抵达桥区水域上界和下界线时,逆流最高航速不得超过 8 节,顺流最高航速不得超过 11 节,进入桥区水域后,采用安全航速,谨慎通过。
一般来说,江阴以下为感潮河段,船舶需要考虑潮汐影响,通过苏通大桥、沪通大桥、江阴大桥(江阴大桥桥区水域上下界没有具体数据,所以江阴大桥限速规定一直也没法执行)时,应根据潮汐来判断船舶是处于逆流还是顺流,从而执行相应的限速规定。
江阴以上水域为非感潮河段,所以江阴以上的桥区水域不必考虑潮汐影响,一律以上水作为逆流,下水作为顺流,即船舶在抵达桥区水域上下界时,上水最高航速不得超过8节,下水最高航速不得超过11节。
各桥区水域的上下界请参见以前“备锚了头水域”的文章。
船舶进入桥区水域之后,可以视情况(如船舶流量、能见度、周围环境等)采取安全航速,可以提速,但最高航速不得超过15节。
长江段船舶定线制规定(2013)第一章总则第一条为维护长江段水上交通秩序,改善通航环境,提高交通效率,保障航行安全,促进航运发展,根据《中华人民国河交通安全管理条例》等有关法律、法规及有关国际公约,制定本规定。
第二条凡航行于长江段通航水域的船舶,均应遵守本规定。
下列船舶因工作需要可不按规定的航路行驶:(一)正在执行公务的船舶;(二)在核定水域在航施工的工程船舶;(三)进行海难救助的船舶;(四)经主管机关批准的船舶。
第三条长江段通航水域全程实行船舶定线制。
船舶定线制遵循大船小船分流、避免航路交叉、各自靠右航行及过错责任原则。
第四条中华人民国海事局及其分支机构是实施本规定的主管机关。
第二章航道、航路第五条深水航道深水航道一般设置在深泓附近,两侧界限分别用左侧侧面标、右侧侧面标标志标示(深水航道设置标准和尺度见附件1),主要供大型船舶使用。
深水航道设标由航道管理部门实施。
第六条通航分道及分隔带(线)在深水航道设置的上、下行通航分道和分隔带分别占航标标示航道宽度的五分之二、五分之二、五分之一。
在不具备设置分隔带条件的深水航道,分隔线为深水航道的中心线。
第七条推荐航路推荐航路设置在深水航道侧面标的外侧水域,供小型船舶使用。
在具备设置推荐航路条件的水域,黑浮联线外侧设置上行船舶推荐航路;红浮联线外侧设置下行船舶推荐航路(推荐航路设置标准和尺度见附件2)。
第八条定线制实施水域需要采取单向航行控制的,由主管机关以航行通(警)告形式发布。
第九条深水航道的维护水深由航道管理部门公布。
第三章航行第十条船舶在任何时候均应以安全航速行驶,防止发生事故。
在不危及他船或设施安全的情况下,船舶正常航行时最高航速不得超过15节(约28千米/小时),最低航速不得低于4节(约7.5千米/小时)。
船舶在长江公路大桥桥区水域下界浮以下通航分道正常航行时最低航速不得低于6节(约11千米/小时)。
严禁船舶停车淌航。
第十一条船舶必须在规定的通航分道或航路行驶。
江苏海事局关于长江江苏段船舶航速限制规定2010-06-23
1、正常航行不得低于4千米/小时。
2、根据最高航速限制规定,将长江江苏段分为三类水域,各类水域最高航速限制为:
①船舶进入一类水域前,逆流不得超过8节,顺流不得超过11节;进入该水域后,不得超过三类水域的最高航速限制。
②船舶在二类水域航行,逆流不得超过9节,顺流不得超过12节。
③船舶在三类水域航行,每年5月1日至10月31日顺流不得超过15节,其他月份不得超过13节;逆流不得超过12节。
3、正在执行公务的公务船舶、正在从事搜寻救助的船舶、以及经海事管理机构核准的其他船舶可不受最低、最高航速限制。
4、本规定不免除船舶对于附近航行、停泊或作业船舶、设施的浪损责任。
5、本规定不免除船长在限速情形下对安全所负的责任。
6、本规定的航速限制水域如有调整,海事管理机构将及时发布。
交通运输部关于发布《长江江苏段船舶定线制规定(2021年)》的公告正文:----------------------------------------------------------------------------------------------------------------------------------------------------交通运输部关于发布《长江江苏段船舶定线制规定(2021年)》的公告交海规〔2021〕1号长江沿线各省、自治区、直辖市交通运输厅(局、委),长江航务管理局,各直属海事局:现发布《长江江苏段船舶定线制规定(2021年)》,自2021年7月1日起实施,请相关单位和航经适用水域的船舶遵照执行。
交通运输部2021年3月30日长江江苏段船舶定线制规定(2021年)第一章总则第一条为维护长江江苏段水上交通秩序,改善通航环境,提高交通效率,保障航行安全,促进航运发展,根据《中华人民共和国内河交通安全管理条例》等有关法律、法规及有关国际公约,制定本规定。
第二条凡航行于长江江苏段通航水域的船舶均应遵守本规定。
以下几种情形除外:(一)正在执行公务的船舶;(二)在核定水域内在航施工的工程船舶;(三)进行海难救助的船舶;(四)经海事管理机构批准的船舶。
第三条长江江苏段通航水域全程实行船舶定线制。
船舶定线制遵循大船小船分流、避免航路交叉、各自靠右航行原则。
第四条中华人民共和国江苏海事局及其分支机构、派出机构(以下统称海事管理机构)负责本规定的监督实施。
第二章航道、航路第五条长江江苏段定线制航道、航路由通航分道、推荐航路、专用航道、专用航路和警戒区等组成。
第六条深水航道深水航道一般设置在深泓水域,两侧界限分别用左侧侧面标、右侧侧面标标志标示(深水航道设置标准和尺度见附件1),主要供大型船舶使用。
深水航道设标由航道部门实施。
第七条通航分道及分隔带(线)在深水航道内设置上、下行通航分道和分隔带(线)。
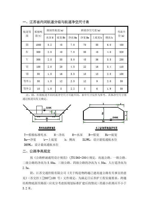
一、江苏省内河航道分级与航道净空尺寸表
注:Ⅲ、Ⅳ级航道不同河流净空尺寸可能不同,表中尺寸仅作为参考,具体净空尺寸需
通过航道局发文确定。
T--船舶标准吃水 H —净高 H--水深 B--船宽 Bb--底宽 Bm--净宽 b--上底宽 h :侧高 DLNWL :设计最低通航水位 DHNWL :设计最高通航水位
二、公路净高规定
按《公路桥涵通用设计规范》(JTG D60-2004)规定,高速公路、一级公路、二级公路的净高为5.00m ,三级公路、四级公路的净高为4.50m ,人行道净高为2.5m 。
附:江苏交通控股有限公司《关于构造物跨越已建高速公路有关事宜的意见》(苏交控工[2007]100号)文件规定:为满足日后养护工程实施要求,跨越结构物底面至路面(应充分考虑按规划标准扩建后的情况)的最小距离应不小于5.2米。
长江江苏段船舶定线制规定(2022版更新到2022-9-6日)总则第二条凡航行于长江江苏段通航水域的船舶,均应遵守本规定。
下列船舶因工作需要可不按规定的航路行驶:正在执行公务的船舶;在核定水域内在航施工的工程船舶;进行海难救助的船舶;第三章航行第十条航速:任何时候要以安全航速行驶在不危及他船或设施安全的情况下,正常航行时:最高航速不得超过15节最低航速不得低于4节(泰州公路桥区下界浮以下:不得低于6节)第十二条各自靠右尽可能远离分隔带或分隔线实施追越需短时占用分隔带,应在确保安全的情况下谨慎进行第十三条航速低于最低航速要求的大型船舶:应到推荐航路航行,如因故不能进推荐航路航行时,应尽可能沿通航分道右侧边缘行驶第十四条小型船舶必须按规定的推荐航路行驶(没有推荐航路沿右侧边缘行驶)第十五条经过通航条件受到限制的水域前或自身操纵能力受到限制时:1)应向主管机关设置的船舶交通管理中心报告2)在无碍他船行驶且采取必要的安全措施后,大型船舶可选择航路行驶3)驶过后应及时恢复到规定的通航分道内行驶第二十条横越:1)渡轮、靠离泊、进出锚地、服务区(见附件8)、河口,需横越通航分道、推荐航路,应当注意航道情况和周围环境,在无碍他船安全行驶的情况下,尽可能与通航分道、推荐航路成直角就近进行2)因靠离码头需要,在无碍他船安全行驶的情况下,事先向主管机关设置的船舶交通管理中心报告,征得同意后可选择航路行驶第四章停泊第二十一条大型船舶必须在主管机关公布的锚地或停泊区内停泊(见附件9)第二十二条小型船舶停泊(不能抛在海轮锚地和航道及分隔带内)第二十三条紧急抛锚:应尽可能让出通航分道第五章避让第二十四条下列情形,应主动避让沿通航分道正常行驶的船舶未按规定在通航分道、推荐航路内行驶的船舶进出汊河口、支流及专用航道的船舶横江渡轮靠离码头进出锚地及服务区的船舶第二十五条在经过桥区、渡运区(见附件10)、码头、锚地、服务区、支汊流河口、施工区之前,谨慎驾驶,注意横越船动态,并提前采取减速、停车等有效措施协助避让。
欢迎阅读长江江苏段一、二、三类水域一览表类别航段或水域名称和范围一类水域逆流航速不得超过8节;顺流航速不得超过11节桥区水域(5座大桥)1、苏通大桥(上界:大桥轴线上3400米;下界大桥轴线下3800米。
),2、泰州大桥(上界:大桥轴线上1500米;下界大桥轴线下1000米。
),3、南京四桥(上界:南京长江四桥施工6#浮对标联线,下界:南京长江四桥施工1#浮与南京炼油厂12号码头联线。
),4、南京大桥(上界:北岸浦口火车轮渡码头与南岸护桥部队铁制了望台之间的联线;下界:南京长江大桥以下1000米处南北两岸联线。
)5、大胜关高速铁路大桥、南京三桥(板桥汽渡)(上界:南岸凤翔码头与北岸七坝三角测点联线;下界:南京长江第三大桥桥轴线下游800米处南北两岸联线。
)渡运水域(13道客汽渡)1、海太汽渡(上界:长江#14红浮与B#12黑浮联线;下界:长江B#11黑浮经#13黑浮与南岸联线),2通沙汽渡(天生港专用水道下口)(上界:天#3红浮经通锚#1浮与通锚#2浮联线;下界:以长江#30左右通航浮和长江30#红浮联线下游1000米的水域),3、张皋汽渡(上界:张家港锚地(No:11)下界浮与南岸七圩三角测点联线;下界:长江#38-1左右通航浮与大新#1浮联线),4、江阴火车轮渡(福姜沙水道上口)(上界:北岸小桥港与南岸肖山水文站联线;下界:FB14#黑浮上游600米处与南岸大河港联线。
),5、韭菜港汽渡和黄田港汽渡(上界:长江#62红浮与黑浮联线;下界:北岸金泰水塔与南岸江阴船厂码头联线。
),6、利港汽渡(上界:长江#68黑浮与南岸利电烟(下)联线;下界:长江#67红浮与黑浮联线。
),7、圩塘汽渡(上界:长江#72红浮与黑浮联线上游300米;下界:长江#71红浮与黑浮联线上游800米。
),8、扬中汽渡(上界:高港水泵房码头与南岸二墩港河口上400米联线;下界:北岸船厂水塔与南岸扬中水厂专用浮联线。
),9、大港汽渡(上界:北岸东还原测点下1000米与南岸大港三期散货码头上端联线;下界:长江#98黑浮与南岸大港塔形岸标联线。
中华人民共和国江苏海事局关于长江江苏段船舶航速规定的通告中华人民共和国江苏海事局通告第10号中华人民共和国江苏海事局关于长江江苏段船舶航速规定的通告为维护长江江苏段水上交通秩序,规范船舶航行行为,提高航道整体通航效率,保障船舶、设施和人命的安全,依据《中华人民共和国内河交通安全管理条例》,结合长江江苏段通航实际情况,对船舶航速规定如下:一、船舶在长江江苏段水域航行,应当保持正规了望,注意观察,并采用安全航速航行,防止发生水上交通事故。
船舶安全航速应当根据能见度、通航密度、船舶操纵性能和风、浪、水流、航路状况及其周围环境等主要因素确定。
二、船舶在长江江苏段水域正常航行时,航速不得低于4千米/小时。
三、船舶在长江江苏段下列水域航行时,航速不得超过相应的最高航速限制:一类水域为桥区水域(无障碍桥墩除外)和渡运水域。
船舶进入一类水域前,对航速进行控制,抵达该水域上界或下界线时,逆流最高航速不得超过8节,顺流最高航速不得超过11节;进入该水域后,采用安全航速,谨慎通过,最大航速不得超过三类水域对最高航速限制的规定。
二类水域为通航密集区和交汇区、汊河口水域。
船舶在二类水域航行,逆流最高航速不得超过9节,顺流最高航速不得超过12节。
三类水域为除一类和二类水域以外的其他水域。
船舶在三类水域航行,每年5月1日至10月31日顺流最大航速不得超过15节,其它月份最大航速不得超过13节;逆流最大航速不得超过12节。
一类、二类、三类水域具体情况见附件。
四、正在执行公务的公务船舶、正在从事搜寻救助的船舶、以及经海事管理机构核准的其他船舶,可不受最低、最高航速的限制。
五、本规定不免除船舶对于附近正常航行、停泊或作业船舶、设施的浪损责任。
六、本规定不免除船长在限速情形下对安全所负的责任。
七、本规定的航速限制水域如有调整,海事管理机构将及时发布。
特此通告。
附件:长江江苏段一、二、三类水域一览表长江江苏段一、二、三类水域一览表二〇一〇年六月八日。