电工实验指导书
- 格式:doc
- 大小:224.83 KB
- 文档页数:28
电工电子实验指导书一、引言电工电子实验是电工电子专业学生进行实践课程的重要部分。
本实验指导书旨在为学生提供详细的实验操作步骤和相关知识,帮助学生掌握电工电子实验的基本技能和原理。
二、实验目的本实验旨在使学生:1. 熟悉电工电子实验室的基本设备和仪器;2. 掌握基本的电工电子实验操作技能;3. 理解电工电子实验的基本原理和相关知识;4. 培养实验观察能力和解决问题的能力。
三、实验器材和材料1.示波器2.函数发生器3.直流电源4.电阻器5.电容器6.电感器7.连接线等四、实验内容本次实验共包括以下几个实验项目:1. 交流电压测量实验2. 直流电路测量实验3. 电阻测量实验4. 电容测量实验5. 电感测量实验实验一:交流电压测量实验1. 接线:使用连接线将示波器和测量电路连接。
2. 调节示波器:根据待测交流电压的幅值和频率,调节示波器的控制方式和显示范围。
3. 读取电压值:在示波器上读取交流电压的值,并记录。
实验二:直流电路测量实验1. 接线:使用连接线将电源、电阻器和电压表连接成直流电路。
2. 开启电源:根据实验要求确定电源的电压,并将电源开启。
3. 测量电压:使用电压表测量电路中各个元件的电压值,并记录。
实验三:电阻测量实验1. 接线:使用连接线将电源、电阻器和电流表连接成电阻测量电路。
2. 开启电源:根据实验要求确定电源的电压,并将电源开启。
3. 测量电阻:使用电流表测量电阻器中通过的电流,并结合已知电压计算出电阻的值。
实验四:电容测量实验1. 接线:使用连接线将电容器、电阻器和电源连接成电容测量电路。
2. 开启电源:根据实验要求确定电源的电压,并将电源开启。
3. 充电和放电:观察电容器充电和放电的过程,并记录相应的电容器电压。
4. 计算电容:使用已知的电阻值和充电时间计算电容器的电容值。
实验五:电感测量实验1. 接线:使用连接线将电感器、电阻器和电源连接成电感测量电路。
2. 开启电源:根据实验要求确定电源的电压,并将电源开启。
电工实训指导书一、实训目的和意义电工实训是电力工程专业学生培养过程中重要的一环,通过实际操作和训练,学生能够巩固所学的理论知识,并掌握电工领域常见的操作技能。
本指导书旨在帮助学生全面了解电工实训的目的和意义,以及为学生提供详细的实训指导。
二、实训前的准备工作在进行电工实训之前,学生需要做好一系列准备工作。
具体包括:1.理论知识复习:在实训开始前,学生应复习相关的电工理论知识,包括电路基本原理、电器设备的安装要求等。
2.安全意识培养:电工实训存在一定的危险性,学生需要加强安全意识的培养,掌握基本的安全操作规范,并穿戴好相关的安全防护装备。
3.工具和设备准备:学生需要确认所需的工具和设备是否齐全,并保证它们的安全和有效性。
三、实训内容和步骤1. 实验室设备和布置在电工实训中,学生需要熟悉实验室中的各种设备和布置,包括电路连接台、电流表、电压表等。
学生应了解每种设备的功能和正确使用方法。
2. 基本电路的实验在电工实训中,学生需要掌握基本电路的连接和实验方法,包括串、并联电路的搭建和连接方法,电路中电阻、电流和电压的测量方法等。
学生可以通过实验来验证电路中的基本定律和公式。
3. 电器设备的安装和接线电工实训还包括电器设备的安装和接线的实践操作,学生需要了解电器设备的安装位置、安装要求和接线方法。
通过实际操作,学生可以掌握电器设备的正确安装和接线技巧。
4. 故障排除在电工实训中,学生需要学会故障排除的方法和技巧。
学生可以通过模拟实际故障情况,找出故障点并修复,提高解决问题的能力和实际操作能力。
5. 安全操作和事故处理在电工实训过程中,学生需要时刻注意安全操作,并掌握事故处理的应急措施。
学生应熟悉实验室中的紧急停电开关和消防设备的位置和使用方法,以确保实训过程中的安全性。
四、实训后的总结与评估在电工实训结束后,学生需要进行实训总结和自我评估。
学生可以回顾实训过程中遇到的问题和困难,总结经验和教训,以及对自己的实际操作能力和理论知识掌握程度进行评估。
《电工学》实验指导书实验一 戴维宁定理一、实验目的1.加深对戴维宁定理的理解;2.学习有源二端网络等效电动势和等效内阻的测量方法;3.熟悉稳压电源、数字万用表的使用;二、实验器材1.数字万用表 一块2.直流稳压电源 两台3.电阻 若干只4.导线 若干根5.面包板 两块三、实验原理简述任何一个线性有源二端网络都可以用一个电动势为E 、内阻为R 0 的等效电压源代替。
如图1-1所示。
等效电压源的电动势E 就是有源二端网络的开路电压U OC ,如图1-2(a )所示。
等效电压源的内阻R O 就是有源二端网络除源后(有源二端网络变为无源二端网络)两端之间的等效电阻,如图1-2(b )所示。
除源是指将原有源二端网络内所有电源的作用视为零,即将理想电压源视为短路、理想电流源视为开路。
(a )原电路 (b )戴维宁等效电路图1-1 戴维宁等效电路(a )开路电压 (b )等效电阻图1-2 等效量的求解在电路分析中,若只需计算某一支路的电流和电压,应用戴维宁定理就十分方便。
只要将该待求支路划出,其余电路变为一个有源二端网络,根据戴维宁定理将其等效为一个电压源,如图1-1(b )所示。
只要求出等效电压源的电动势E 和内阻R O ,则待求支路电流即为LR R EI +=四、实验内容和步骤1.实验电路连接及参数选择实验电路如图1-3所示。
由R1、R2 和R3 组成的T 型网络及直流电源U S 构成线性有源二端网络。
可调电阻箱作为负载电阻R L。
图1-3 验证电路在实验台上按图1-3所示电路选择电路各参数并连接电路。
参数数值及单位填入表1-1中。
根据图1-3给出的电路及实验步骤1 所选择参数计算有源二端网络的开路电压U OC、短路电流I SC 及等效电阻R O 并记入表1-2中。
图1-4测开路电压U OC 图1-5 测短路电流I SC (1)开路电压U OC 可以采用电压表直接测量,如图1-4所示。
直接用万用表的电压档测量电路中有源二端网络端口(N-P)的开路电压U OC,见图1-4,结果记入表1-2中。
实验一 正弦稳态交流电路相量的研究一、实验目的1.研究正弦稳态交流电路中电压、电流相量之间的关系。
2. 掌握日光灯线路的接线。
3. 理解改善电路功率因数的意义并掌握其方法。
二、原理说明 图1-11. 在单相正弦交流电路中,用交流电流表测得 各支路的电流值, 用交流电压表测得回路各元件两 端的电压值,它们之间的关系满足相量形式的基尔 霍夫定律,即 Σ0I =和Σ0U =。
2. 图1-1所示的RC 串联电路,在正弦稳态信 号U 的激励下,u R 与u C 保持有90º的相位差,即当 图1-2R 阻值改变时,U R 的相量轨迹是一个半圆。
U 、U C 与U R 三者形成一个直角形的电压三 角形,如图1-2所示。
R 值改变时,可改 变φ角的大小,从而达到移相的目的。
3. 日光灯线路如图10-3所示,图中 A是日光灯管,L 是镇流器, S 是启辉器,C 是补偿电容器,用以改善电路的功率因数(cos φ值)。
有关日光灯的工作原理请自行翻阅有关资料。
三、实验设备四、实验内容1. 按图1-1 接线。
R 为220V 、15W 的白炽灯泡,电容器为 4.7μF/450V 。
经指导教师检查后,接通实验台电源, 将自耦调压器输出( 即U)调至220V 。
记录U 、U R 、U C 值,U cR验证电压三角形关系。
日光2.灯线路接线及功率因数的改善按图1-4组成实验线路经指导老师检查后,接通实验台电源,将自耦调压器的输出调至220V ,记录功率表、电压表读数。
通过一只电流表和三个电流插座分别测得三条支路的电流,改变电容值,进行三次重复测量。
五、实验注意事项1. 本实验用交流市电220V ,务必注意用电和人身安全。
2. 功率表要正确接入电路。
3. 线路接线正确,日光灯不能启辉时, 应检查启辉器及其接触是否良好。
六、预习思考题1. 参阅课外资料,了解日光灯的启辉原理。
2. 在日常生活中,当日光灯上缺少了启辉器时, 人们常用一根导线将启辉器的两端短接一下,然后迅速断开,使日光灯点亮(DG09实验挂箱上有短接按钮,可用它代替启辉器做一下试验。
实验一线性电路叠加性和齐次性的研究一、实验目的1.验证叠加原理;2.了解叠加原理的应用场合;3.理解线性电路的叠加性。
二、原理说明叠加原理指出:在有几个电源共同作用下的线性电路中,通过每一个元件的电流或其两端的电压,可以看成是由每一个电源单独作用时在该元件上所产生的电流或电压的代数和。
具体方法是:一个电源单独作用时,其它的电源必须去掉(电压源短路,电流源开路);在求电流或电压的代数和时,当电源单独作用时电流或电压的参考方向与共同作用时的参考方向一致时,符号取正,否则取负。
在图1-1中:+'=UU''U叠加原理反映了线性电路的叠加性,线性电路的齐次性是指当激励信号(如电源作用)增加或减小K倍时,电路的响应(即在电路其它各电阻元件上所产生的电流和电压值)也将增加或减小K倍。
叠加性和齐次性都只适用于求解线性电路中的电流、电压。
对于非线性电路,叠加性和齐次性都不适用。
三、实验设备1.直流数字电压表、直流数字毫安表2.恒压源(含+6V,+12V,0~30V可调)3.EEL-74A组件(含实验电路)四、实验内容实验电路如图1-2所示,图中:R1 = 150Ω,R2 = R5 = 100Ω,R3 =200Ω,R4 = 300Ω,电源U S1用恒压源中的+12V输出端,U S2用0~+30V可调电压输出端,并将输出电压调到+6V(以直流数字电压表读数为准),将开关S3投向R3侧。
1.U S1电源单独作用(将开关S1投向U S1侧,开关S2投向短路侧),参考图1-1(b),画出电路图,标明各电流、电压的参考方向。
用直流数字毫安表接电流插头测量各支路电流:将电流插头的红接线端插入数字毫安表的红(正)接线端,电流插头的黑接线端插入数字毫安表的黑(负)接线端,测量各支路电流,按规定:在结点A,电流表读数为‘+’,表示电流流出结点,读数为‘-’,表示电流流入结点,然后根据电路中的电流参考方向,确定各支路电流的正、负号,并将数据记入表1—1中。
《电工学》实验指导书实验一 戴维宁定理一、实验目的1.加深对戴维宁定理的理解;2.学习有源二端网络等效电动势和等效内阻的测量方法;3.熟悉稳压电源、数字万用表的使用;二、实验器材1.数字万用表 一块2.直流稳压电源 两台3.电阻 若干只4.导线 若干根5.面包板 两块三、实验原理简述任何一个线性有源二端网络都可以用一个电动势为E 、内阻为R 0 的等效电压源代替。
如图1-1所示。
等效电压源的电动势E 就是有源二端网络的开路电压U OC ,如图1-2(a )所示。
等效电压源的内阻R O 就是有源二端网络除源后(有源二端网络变为无源二端网络)两端之间的等效电阻,如图1-2(b )所示。
除源是指将原有源二端网络内所有电源的作用视为零,即将理想电压源视为短路、理想电流源视为开路。
(a )原电路 (b )戴维宁等效电路图1-1 戴维宁等效电路(a )开路电压 (b )等效电阻图1-2 等效量的求解在电路分析中,若只需计算某一支路的电流和电压,应用戴维宁定理就十分方便。
只要将该待求支路划出,其余电路变为一个有源二端网络,根据戴维宁定理将其等效为一个电压源,如图1-1(b )所示。
只要求出等效电压源的电动势E 和内阻R O ,则待求支路电流即为LR R EI +=四、实验内容和步骤1.实验电路连接及参数选择实验电路如图1-3所示。
由R1、R2 和R3 组成的T 型网络及直流电源U S 构成线性有源二端网络。
可调电阻箱作为负载电阻R L。
图1-3 验证电路在实验台上按图1-3所示电路选择电路各参数并连接电路。
参数数值及单位填入表1-1中。
根据图1-3给出的电路及实验步骤1 所选择参数计算有源二端网络的开路电压U OC、短路电流I SC 及等效电阻R O 并记入表1-2中。
图1-4测开路电压U OC 图1-5 测短路电流I SC (1)开路电压U OC 可以采用电压表直接测量,如图1-4所示。
直接用万用表的电压档测量电路中有源二端网络端口(N-P)的开路电压U OC,见图1-4,结果记入表1-2中。
实验一 基本电工仪表的使用及测量误差的计算一、实验目的1. 熟悉实验台上各类电源及各类测量仪表的布局和使用方法。
2. 掌握指针式电压表、电流表内阻的测量方法。
3. 熟悉电工仪表测量误差的计算方法。
二、原理说明1. 为了准确地测量电路中实际的电压和电流,必须保证仪表接入电路后不会改变被测电路的工作状态。
这就要求电压表的内阻为无穷大;电流表的内阻为零。
而实际使用的指针式电工仪表都不能满足上述要求。
因此,当测量仪表一旦接入电路,就会改变电路原有的工作状态,这就导致仪表的读数值与电路原有的实际值之间出现误差。
误差的大小与仪表本身内阻的大小密切相关。
只要测出仪表的内阻,即可计算出由其产生的测量误差。
以下介绍几种测量指针式仪表内阻的方法。
2. 用“分流法”测量电流表的内阻如图1-1所示。
A 为被测内阻(R A )的直流电流 表。
测量时先断开开关S ,调节电流源的输出电流I 使A 表指针满偏转。
然后合上开关S ,并保持I 值不 变,调节电阻箱R B 的阻值,使电流表的指针指在1/2满偏转位置,此时有I A =I S =I/2 ∴ R A =R B ∥R 1可调电流源 R 1为固定电阻器之值,R B 可由电阻箱的刻度盘上读得。
图 1-1 3. 用分压法测量电压表的内阻。
如图1-2所示。
V 为被测内阻(R V )的电压表。
测量时先将开关S 闭合,调节直流稳压电源的 输出电压,使电压表V 的指针为满偏转。
然后 断开开关S ,调节R B 使电压表V 的指示值减半。
此时有:R V =R B +R 1电压表的灵敏度为:S =R V /U (Ω/V) 。
式中U 为电压表满偏时的电压值。
4. 仪表内阻引起的测量误差(通常称之为方 可调稳压源 法误差, 而仪表本身结构引起的误差称为仪表基 图 1-2 本误差)的计算。
VR R V BSR 1+++_R A I AR BR 1I S+_A S(1)以图1-3所示电路为例,R 1上的电压为R 1 1U R1=─── U ,若R 1=R 2,则 U R1=─ U 。
电工综合应用实验、实训指导书揭阳捷和职业技术学校卢文升编2010年12月第一部分直流电路实验一电气仪表的使用和测量误差的计算一、实验目的1、掌握电气仪表的识别、使用与正确读数。
2、学会系统误差的计算。
3、了解误差产生的原因和减小误差的方法。
二、实验电路与工作原理1、电气测量的基本知识。
2、系统误差的计算。
3、电表内阻引起的测量误差和减小内阻影响的方法。
三、实验设备1、亚龙YL-NT-III型电工综合应用实验、实训装置中的可调直流稳压电源,多量程电压表与电流表(1.0级以上的电表)、变阻箱(999.9Ω)。
2、单元R8(未知电阻单元)3、万用表四、实验内容与实验步骤1、用伏安法测量未知电阻,选取R8单元中的R1、R3,先用万用表测量一下它们的大致阻值,然后确定采用多大电压的电压源,计算一下未知电阻通过的电流,并估算一下电阻上消耗的功率。
确定选取的电压表和电流表后,记录下它们的型号与准确度等级。
2、根椐未知电阻R1的阻值的数量级,确定实验的电路是图1-1a 或是图1-1b,此外电路中串接可变阻(采用电阻箱),是为了改变加在未知电阻上的电压。
3、建议采用12V的电压源,适当调节电阻箱的电阻,使加在未知电阻上的电压分4档进行测量,来求取未知电阻值,取其平均值,并计算各次检测的系统误差,取其平均值。
4、测量未知电阻R3的阻值,重做上述实验。
(注意未知电阻阻值数量级,以确定测量线路,电压表与电流表的量程)。
五、实验注意事项六、实验报告要求1、记录下使用议表的型号、准确度及表上各种符号的含义。
2、记录测定R1和R3时的实验数据。
3、计算R1的阻值,绝对误差ΔR和相对误差ΔR/R×100%。
4、计算R3的阻值,绝对误差ΔR和相对误差ΔR/R×100%。
实验二电路元件伏安特性的测绘一、实验目的1、掌握对电路元件的伏安特性的测定方法。
2、掌握实验曲线的绘制方法。
二、实验电路与工作原理三、实验设备1、亚龙YL-NT-III型电工综合应用实验、实训装置的可调稳压电源(0~30V、0~2A)、多量程电流表、数字电压表。
实验1.1 电工实验基本知识与基本测量第一部分 实验指导书(本实验2学时)1. 实验目的(1) 学习实验室规章制度和安全用电知识;(2) 熟悉实验室供电情况;(3) 通过对电阻、电压、电流的测量,熟悉并掌握万用表和直流稳压电源的使用方法; (4) 验证KCL 、KVL ; (5) 验证叠加定理;(6) 进一步理解电压、电流参考方向(正方向)的意义。
2. 实验器材与设备实验线路板、直流电压表、直流电流表、万用表、直流稳压电源等。
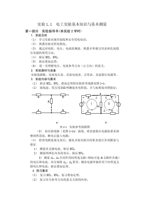
3. 实验内容与要求(1) 验证KCL 、KVL 、叠加定理的实验参考线路见图1-1。
(2) 接线前,用万用表Ω档测量各电阻值,并与标称值对照验证;a) b)图1-1 实验参考线路图(3) 按实验线路〔见图1-1b 〕接线,将直流稳压电源按要求调整到所需值,断电后接入电路;(4) 检查电路连接无误后,通电并按实验目的要求进行各项测量与验证1) 测量各支路电流,验证KCL ;2) 测量两网孔内各段电压,验证KVL ; 3) 测量U S1、U S2共同作用时所选支路(例如可选R 3支路作负载)的电压和电流, 再分别将U S1、U S2置零,测各电源单独作用下时所选支路电压和电流,验证叠加定理。
4. 预习要求(1) 复习KCL 、KVL ;复习叠加定理。
(2) 复习有关参考方向的意义方面的内容;2 +3 a(3)实验前到实验室进行调研。
了解实验设备及各仪表型号及使用方法,抄录实验设备上与本实验有关的参数(如确定R1、R2、R3、R4、R5及U S1、U S2值)。
(4)绘制电路图,对电路进行计算并写出实验预习报告,应包含如下内容:1)各支路电压、电流参考方向的设定,标出实验所用电路的电阻值和电源电压值;2)各支路电流、电压、回路电压的计算;3)选取1条支路按叠加定理计算该支路电流;4)设计并列出实验计算表格,填写计算数据;5)设计并列出实验测试数据表格,备用。
(计算表格和测试数据表格可以合二为一,以便对照。
电工电子技术实验指导书实验一日光灯电路及功率因数的改善一、实验目的1⒉⒊⒈数字万用表⒉交流电流表⒊ZH-12电学实验台⒋日光灯管、镇流器、电容器、起辉器⒈日光灯电路由灯管、启动器和镇流器组成,如图5-1①日光灯:灯管是内壁涂有荧光物质的细长玻璃管,管的两端装有灯丝电极,灯丝上涂有受热后易发射电子的氧化物,管内充有稀薄的惰性气体和少量的水银蒸汽。
它的起辉电压是400~500V,起辉后管压降只有80V左右。
因此,日光灯不能直接接在220V图5-1②启辉器:相当于一个自动开关,是由一个充有氖气的辉光管和一个小容量的电容器组成。
辉光管的两个金属电极离得相当近,当接通电源时,由于日光灯没有点亮,电源电压全部加在启动器辉光管的两个电极之间,使辉光管放电,放电产生的热量使到“U”形电极受热趋于伸直,两电极接触,这时日光灯的灯丝通过电极与镇流器及电源构成一个回路。
灯丝因有电流通过而发热,从而使氧化物发射电子。
同时,辉光管两个电极接通时,电极间的电压为零,辉光放电停止,倒“U”形双金属片因温度下降而复原,两电极分开,回路中的电流突然被切断,于是在镇流器两端产生一个瞬间高压。
这个高感应电压连同电源电压一起加在灯管的两端,使热灯丝之间产生弧光放电并辐射出紫外线,管内壁的荧光粉因受紫外线激发而③镇流器:它的作用一是在灯管起燃瞬间产生一高电压,帮助灯管起燃;二是在正常工作时,限制电⒉在电力系统中,当负载的有功功率一定,电源电压一定时,功率因数越小,线路中的电流就越大,使线路压降、功率损耗增大,从而降低了电能传输效率,也使电源设备得不到充分利在用户中,一般感性负载很多。
如电动机、变压器、电风扇、洗衣机等,都是感性负载其功率因数较低。
提高功率因数的方法是在负载两端并联电容器。
让电容器产生的无功功率来补偿感性负载消耗的无功功率以减少线路总的无功功率来达到提高功率因数的目的。
四、实验内⒈⒉按图5-2图5-2改善功率因数实验电路图注意:①此实验系强电,一定请指导教师检查无误后,方可通电实验。
电工实训实验指导书电工实训是电力专业学生必学的课程。
其中实验环节是学生掌握电工知识和技能的重要途径,也是学校为学生提供的实际操作平台。
为了帮助学生更好地进行实训实验,编写一份电工实训实验指导书是非常有必要的。
一、实验名称在实验指导书中,首先要明确实验名称,对于学生来说,实验名称必须简明扼要,清楚易懂,此外还需标明教师姓名、开始时间、结束时间等信息。
二、实验目的实验目的直接决定着实验的方向,指导学生学习电工知识。
在实验指导书中,需要对实验的目的进行描述,如:通过实验学习XXX原理、掌握XXX技能等。
三、实验原理实验原理是实验指导书中最为重要的一部分。
实验原理是进行实验的基础。
在实验指导书中要对实验原理进行详细、准确的阐述,引导学生理解实验原理的意义和作用,建立知识框架。
同时还要注意使用符号和公式进行解释。
四、实验步骤实验指导书中,实验步骤是最需要针对学生实际操作进行详细描述的部分。
步骤要根据教师课堂讲解和实验内容,来一步步进行引导。
步骤中要注重细节问题及实验须知,如:接线方法、仪器设备的操作参数等。
同时,要注意安全问题和防范措施。
五、实验过程实验过程通常在实验手册中进行描述。
在此环节中需要介绍实验标准、实验方法、数据记录和设备应用等。
实验中也可能出现一些不符合预期结果的情况,引导学生进行相应的修改调整。
六、实验结论实验结论是对实验结果的总结。
在实验指导书中要对实验结果进行验证和分析。
指导学生通过实验结果获取对原理的认知,从而进一步理解实验的意义和价值。
七、实验设备实验设备是参与实验的物理工具,对实验结果具有决定性的影响。
在此环节中,指导书需要对实验所需设备的规格和参数、如何正确操作的方法、以及设备维护、检修等问题进行详细说明。
八、问题与答案在实验指导书的末页中,可以设置问题与答案环节,让学生进行自测。
问题要根据学生课堂学习内容来设计,答案要精炼、详细。
电工实训实验指导书是学生进行实操的重要工具。
通过精心编写,不仅仅能够提高学生学习效果,更能够有效提高实验质量,提高电工专业学生的技能。
实验二 直流电路实验班级: 姓名: 学号: 桌号: 指导教师签字: 实验日期:20 年 月 日 一、实验目的1、验证线性电路叠加原理的正确性,加深对线性电路的叠加性和齐次性的认识和理解。
2、验证戴维南定理的正确性,加深对该定理的理解。
3、掌握测量有源二端网络等效参数的一般方法。
三、实验内容(1)叠加定理的验证实验实验线路如图1所示,用HE-12挂箱的“基尔夫定律/叠加原理”线路。
1. 将两路稳压源的输出分别调节为12V 和6V ,接入U 1和U 2处。
2. 令U 1电源单独作用(将开关K 1投向U 1侧,开关K 2投向短路侧)。
用直流数字电压表和毫安表(接电流插头)测量各支路电流及各电阻元件两端的电压,数据记入表1。
图1叠加原理的实验线路6V3. 令U2电源单独作用(将开关K1投向短路侧,开关K2投向U2侧),重复实验步骤2的测量和记录,数据记入表1。
4. 令U1和U2共同作用(开关K1和K2分别投向U1和U2侧),重复上述的测量和记录,数据记入表1。
5. 将U2的数值调至+12V,重复上述第3项的测量并记录,数据记入表1。
表 1(2)戴维南定理的验证被测有源二端网络如图2(a),即HE-12挂箱中“戴维宁定理/诺顿定理”线路。
图2(a) 图2 (b)1、用开路电压、短路电流法测定戴维宁等效电路的Uoc和R0。
在图2 (a)中,接入稳压电源Us=12V 和恒流源Is=10 mA,不接入R L。
利用开关K,分别测定U O c和Isc,并计算出R0。
(测U oc时,不接入mA表。
)2、利用开关K,接入可变电阻R L,改变R L值,测其电压和电流值,在坐标纸上画出伏安特性曲线。
3、验证戴维宁定理:从电阻箱上取得按步骤“1”所得的等效电阻R0之值,然后令其与直流稳压电源(调到步骤“1”时所测得的开路电压Uoc之值)相串联,如图2(b)所示,在同一坐标下绘出其伏安特性1、用电流插头测量各支路电流时,或者用电压表测量电压降时,应注意仪表的极性,并应正确判断测得值的+、-号。
实验一 直流电路实验一、实验目的: 1.验证基尔霍夫定律2.研究线性电路的叠加原理 3.等效电源参数的测定二、实验原理:1.基尔霍夫定律是电路理论中最重要的定律之一,它阐明了电路整体结构必须遵守的定律,基尔霍夫定律有两条即电流定律和电压定律。
电流定律:在任一时刻,流入电路中任一节点的电流之和等于流出该节点的电流之和,换句话来说就是在任一时刻,流入到电路中任一节点的电流的代数和为零,即∑I=0。
电压定律:在任一时刻,沿任一闭合回路的循行方向,回路中各段电压降的代数和等于零,即 ∑U=0。
2.叠加原理:n 个电源在某线性电路共同作用时,它们在电路中任一支路中产生的电流或在任意两点间所产生的电压降等于这些电源单独作用时,在该部分所产生的电流或电压降的代数和。
三、仪器设备及选用组件箱:1.直流稳压电源 GDS —02 GDS —03 2.常规负载 GDS —063.直流电压表和直流电流表 GDS —10四、实验步骤:1.验证基尔霍夫定律按图1—1接线,(U S1、U S2分别由GDS —02,GDS —03提供)调节U SI =6V ,U S2=10V ,然后分别用电流表测取表1—1中各待测参数,并填入表格中。
2.研究线性电路的叠加原理⑴ 将U S2从上述电路中退出,并用导线将c 、d 间短接,接入U S1,仍保持6V ,测得各项电流,电压,把所测数据填入表1—2中;⑵ 关断U S1,并退出电路,用导线将a 、f 短接,拆除cd 间短接线并将U S2重新接入原电路,使U S2保持10V ,测得各项电流、电压,填入表1—2中。
-U S2++U -图1-1表1--1表1--23.测定等效电源的参数根据戴维南定理可以将图1—2方框中的元件组合视为一个等效电源,其等效电动势E O 和电阻 R O 可按下面方法确定: ⑴ 测等效电动势E O将图1—2中的 U S2从电路中退出,让cd 间开路,U S1调至6V ,测cd 的开路电压,这就是等效电动势E O ,填入表1—3中。
为了在试验时能获得预期旳效果,提议试验者注意如下环节:试验准备试验准备即为试验旳预习阶段,是保证试验能否顺利进行旳必要环节。
每次试验前都应先进行预习,从而提高试验质量和效率,防止在试验时不知怎样下手,挥霍时间,完不成试验,甚至损坏试验装置。
因此,试验前应做到:(1)复习教材中与试验有关旳内容,熟悉与本次试验有关旳理论知识;(2)预习试验指导书,理解本次试验旳目旳和内容;掌握本次试验旳工作原理和措施;(3)写出预习汇报,其中应包括试验旳详细接线图、试验环节等;(4)熟悉试验所用旳试验装置、测试仪器等;试验实行在完毕理论学习、试验预习等环节后,就可进入试验实行阶段。
试验时要做到如下几点:(1)试验开始前,指导教师要对学生旳预习汇报作检查,规定学生理解本次试验旳目旳、内容和措施,只有满足此规定后,方能容许试验开始。
(2) 指导教师对试验装置作简介,规定学生熟悉本次试验使用旳试验设备、仪器,明确这些设备旳功能、使用措施。
(3)如按试验小组进行试验,小组组员应有明确旳分工,各人旳任务应在试验进行中实行轮换,使参与者都能全面掌握试验技术,提高动手能力。
(4)按预习汇报上旳详细旳试验线路图进行接线,注意接线次序。
(5)完毕试验接线后,必须进行自查:串联回路从电源旳某一端出发,按回路逐项检查各设备、负载旳位置、极性等与否对旳,合理;并联支路则检查其两端旳连接点与否在指定旳位置。
距离较近旳两连接端尽量用短导线;距离较远旳两连接端尽量选用长导线直接连接,尽量不用多根导线做过渡连接。
自查完毕后,须经指导教师复查后方可通电试验。
(6)试验时,应按试验指导书所提出旳规定及环节,逐项进行试验和操作。
改接线路时,必须断开电源。
试验中应观测试验现象与否正常,所得数据与否全理,试验成果与否与理论相一致。
完毕本次试验所有内容后,应请指导教师检查试验成果。
经指导教师承认后方可拆除接线,整顿好连接线、仪器、工具。
试验总结试验旳最终阶段是试验总结,即对试验数据进行整顿、分析试验现象、撰写试验汇报。
电工技术实验指导书李锶编著机械设计制造及控制中心教材目录一基本定理实验(一) (3)(一)基尔霍夫定律 (4)(二)叠加原理 (4)二基本定理实验(二) (8)三RLC串联电路的幅频特性与谐振现象 (12)四三相电路实验 (18)五电机控制实验 (24)实验一 基本定理实验(一)一、 实验目的1.验证基尔霍夫电流、电压定律,加深对基尔霍夫定律的理解。
2.验证叠加定理3.加深对电流、电压参考方向的理解。
4.正确使用直流稳压电源和万用电表。
二、 实验原理1、基尔霍夫定律基尔霍夫定律是集总电路的基本定律。
它包括电 流定律和电压定律。
基尔霍夫电流定律(KCL ):在集总电路中,任 何时刻,对任一节点,有支路电流的代数和恒等于零。
图1-1 节点A ∑I=0I1+I2-I3=0(设I 流入节点A 取正 )基尔霍夫电压定律(KVL ):在集总电路中,任何 时刻,沿任一回路所有支路电压的代数和恒等于零。
图1-1 回路A ,R3,B ,E1,C ,R1 ∑U=0U R1+U R3-U E1=0(取顺时针为电压参考方向) 2、叠加原理叠加原理不仅是适用于线性直流电路,也适用于线性交流电路,为了测量方便,我们用直流电流电路来验证它。
叠加原理可简述如下:在线性电路中,任一支路中的电流(或电压)等于电路中各个独立源分别单独作用时在该支电路中产生的电流(或电压)的代数和,所谓一个电源单独作用是指除了该电源外其他所有电源的作用都去掉,即理想电压源所在处用短路代替,理想电流源所在处用开路代替,但保留它们的内阻,电路结构也不作改变。
由于功率是电压或电流的二次函数,因此叠加定理不能用来直接计算功率。
例如在图1-2中111I I I ''-'= I 3E 1B图1-1222I I I ''+'-= 333I I I ''+'= 显然 ()()1211211R I R I P R ''+'≠三、 仪器设备1.电路分析实验箱 一台 2.直流毫安表 二只 3.数字万用表 一台四、 实验内容与步骤(一)基尔霍夫定律1. 实验前先任意设定三条支路的电流参考方向,可采用如图示1-1中的I 1、I 2、I 3所示。