地铁车站施工测量作业指导书
- 格式:docx
- 大小:4.09 MB
- 文档页数:27
京沪高速铁路轨道工程测量整理和检测作业指导书单位:中铁十七局编制:高索审核:批准:2009年6月30日发布轨道工程测量整理和检测作业指导书1适用范围适用于京沪高速铁路轨道工程测量整理和检测。
2作业准备2.1资料准备图纸审核、资料收集、轨道测量资料计算审核和报验。
2.2数据核对施工之前在计算机中对设计数据(平曲线、竖曲线、超高)复核无误后输入到测量控制软件中。
2.3仪器设备配备GRP1000或GEDO CE精调轨检小车。
每台精调设备需至少配备一台全站仪(测角精度1",测距精度2mm+2ppm,带有自动照准和自动跟踪功能)。
DS03精密电子水准仪一台。
2.4测量人员配备每个作业工区设测量放样小组1个,小组成员4人,其中测量工程师1名,测量工3名。
2.5测量人员培训测量人员上岗前均经过培训,主要测量人员应持有京沪高速铁路建设测量工程师业务培训结业证书,持证上岗。
2.6仪器设备检定和日常检校所有仪器设备均有法定计量检定证书,并在检定有效期内。
测量仪器在使用前或使用过程中均要进行日常检校。
定期采用外部检核手段检测轨检小车测量系统可靠性,并作好记录。
设置一个专用检测台,检测台轨道的参数用精密水准仪和精密导线测量的方法测定。
将轨检小车测量系统安置在检测台上对其轨距、高低、轨向、水平测量的实际精度进行检测,确保轨检小车测量系统灵敏度的可靠性。
3技术要求(1)《新建铁路工程测量规范》(TB10101-99)。
(2)《客运专线铁路无碴轨道测量技术暂行规定》(铁建设[2006]189号)。
(3)《工程测量规范》(GB50026-2007)。
(4)《客运专线轨道几何状态测量仪暂行技术条件》(科技基[2008]86号)。
(5)《客运专线无砟轨道铁路工程施工质量验收暂行标准》(铁建设[2007]85号)。
(6)《客运专线铁路轨道工程施工质量验收暂行标准》(铁建设[2005]160号)。
(7)《客运专线铁路轨道工程施工技术指南》(TZ211-2005)。
目录概述 (1)第一篇施工准备工作作业指导书 (1)一、交通疏解作业指导书 (1)二、人行天桥施工作业指导书 (4)三、管线迁改作业指导书 (9)四、钢便桥施工作业指导书 (12)五、中山桥拆除施工作业指导书 (14)第二篇车站基坑围护结构作业指导书 (17)一、地下连续墙施工作业指导书 (17)二、地下连续墙钢筋加工与吊装作业指导书 (32)三、三轴搅拌桩施工作业指导书 (35)四、高压旋喷施工作业指导书 (44)五、袖阀管注浆施工作业指导书 (52)第三篇车站明挖法施工作业指导书 (55)一、基坑开挖作业指导书 (55)二、监控量测作业指导书 (61)三、抗拔桩施工作业指导书(钻孔灌注桩) (70)四、综合接地施工作业指导书 (81)五、防水施工作业指导书 (86)六、车站主体结构施工作业指导书 (93)第四篇盾构法施工作业指导书 (110)一、龙门吊安装作业指导书 (110)二、盾构始发作业指导书 (120)三、盾构掘进作业指导书 (132)四、盾构到达、过站及拆卸吊出作业指导书 (145)五、盾构洞门施工作业指导书 (152)六、联络通道及废水泵房施工作业指导书 (155)一、为提高公司地铁项目施工技术管理水平,规范地铁项目技术管理工作,并有效控制地铁工程项目施工技术过程,防止各类事件、事故的发生,提升企业竞争力与效益,特制定《中铁五局南昌轨道交通1号线土建5标项目部标准化管理体系文件之四——工程技术管理》。
二、《中铁五局南昌轨道交通1号线土建5标项目部标准化管理体系文件之四——地铁工程施工作业指导书》针对南昌地铁施工各施工作业进行了指导说明,特别是针对南昌地铁交通疏解方案、人行天桥施工方案等做出了阐述,希望能在公司以后的地铁施工领域中起到举一反三,抛砖引玉的作用,其中如有遗漏或不妥之处敬请见谅。
第一篇施工准备工作作业指导书一、交通疏解作业指导书1、适用范围本作业指导书适用于南昌轨道交通1号线土建5标项目部八一广场站交通疏解。
地铁车站施工测量作业指导书1 目的和适用范围通过车站施工测量控制,使地铁车站定位准确,施工过程结构位置和尺寸准确,以满足设计和规范要求,确保车站施工质量。
本作业指导书适用于地铁车站施工测量。
2 编制依据2.1 地铁车站工程相关设计图纸及周边建(构)筑物、地下管线调查、周边环境等资料。
2.2 《工程测量规范》(GB50026-2007)、《建筑变形测量规范》(JGJ8-2007)、《城市轨道交通工程测量规范》(GB50308-2008)、《精密工程测量规范》(GB/T 15314-94)、《城市测量规范》(CJJ8-99)、《国家一、二等水准测量规范》(GB 12897-1991)、《地下铁道、轻轨交通岩土工程勘察规范》(GB50307-1999)、《全球卫星定位系统(GPS)测量规范》(GB/T 18314-2001)、《建筑变形测量规范》(JGJ 8-2007)、《地下铁道工程施工及验收规范》(GB50299-1999)等国家现行有关施工及验收规范、规则、质量技术标准。
2.3 我公司地铁车站施工经验、研究成果以及现有的施工管理和技术水平、仪器设备配套能力等。
3 职责3.1 公司精测队负责各项目车站施工测量方案审查,对关键过程进行复测,负责对测量人员进行技能培训,负责对全公司测量仪器、盾构机导向系统进行管理等工作。
3.2 项目部工程技术部门负责制定车站施工测量方案、对具体实施进行监督、检查和指导等工作。
3.3 项目部测量组负责测量工作实施,并负责测量仪器的保管、使用、维护等工作。
3.4 项目部安质部负责对测量质量进行检查指导,对测量人员进行安全培训等工作。
3.5 项目部物设部负责除测量及监测仪器之外的其他相关配套设备的供应和维修保养等工作。
4测量工作的主要内容地铁车站施工测量工作主要内容如下:4.1 按照精密导线及精密水准测量要求进行交接桩地面控制网的复测。
4.2 根据车站施工需要进行控制网加密。
测量工序作业指导书一、工序名称测量工序二、编制目的及合用范围编制本作业指导书重要是为高速公路工程及城市道路桥梁、排水工程、地下铁道构筑物施工前期准备测量工作提供有效的依据和作业方法,贯穿于施工全过程。
本作业指导书合用于高速公路;城市道路与桥梁;特大桥;中小桥;排水工程;地铁高架桥;地铁车站;地铁地下建筑物等工程。
三、作业前准备1、检查测量工具如全站仪、水准仪、测距仪、水准尺、钢尺、直尺、皮尺等能否正常工作、是否通过标准计量单位鉴定,对超过鉴定周期的仪器设备应送标准计量单位重新进行鉴定。
2、根据工程需要应准备半永久性测量标志--方锥体混凝土桩、临时测量标志--木桩和铁钉,并刷涂红色油漆以便于识辨。
同时备有如下工具和材料:铁锨、铁镐、大锤、水泥、砂子、竹杆、小红旗等。
3、作业前由测量队长进行以下明确分工:3.1队长:抓全面工作,负责对内、外关系的协调,保证测量作业全过程的顺利完毕。
3.2司镜员:作业过程中负责观测工作。
规定对各种测量仪器能纯熟操作,并负责仪器的维修、鉴定、保养。
3.3记录计算员:认真地记录司镜员读出的观测值,并且复诵所记录的观测值,以和司镜员核对是否有误。
测量记录应笔迹清楚整齐,不得涂改、转抄。
当记录发生错误时,应采用对的的方法进行及时更正。
作业前要准备好记录本、铅笔、计算器等必需工具。
在观测过程中,记录员如发现某测回(或测站)超过限差,必须提醒司镜员补测一个测回或测站。
当一个测量作业完毕后要及时进行数据计算与成果整理,并交于队长审核。
3.4前后操作员:在水准测量中负责立水准尺。
立尺时要立直,不能左右偏移,也不能前仰后合。
在导线测量中,负责棱镜操作,要对中整平,棱镜正对全站仪或测距仪方向,前、后视操作员要听从司镜员指挥。
3.5工作员:带领两名普工,负责观测前期标记、编号,保证视线通畅无障碍,并负责测量仪器、工具的途中运送,此外还要做好前期材料、工具、人员、运送设备等方面的准备工作。
4、应备有其它的相关仪器、工具和材料:如对讲机、望远镜、信号旗、花竿、花竿支架、太阳伞、尺垫、绳尺、手锤、克丝钳、剪刀、绘图所用的工具等。
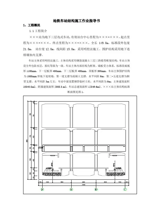
地铁车站结构施工作业指导书1、工程概况1.1工程简介×××站为地下三层岛式车站,有效站台中心里程为×××+×××,起点里程为×××+×××,终点里程为×××+×××,全长149.0m,标准段外包宽21.8m,站台宽12.0m,线间距15.0m,采用明挖法施工。
围护结构采用地下连续墙加内支撑。
车站主体采用明挖法施工,主体结构采用钢筋混凝土三层三跨箱型框架结构,车站主体设全外包防水层,基坑等级为一级。
车站主体内部结构为框架、墙板受力体系,标准段底板厚1100mm,下一层板厚400mm,下二层板厚400mm,顶板厚800mm。
车站主体围护结构为1000mm厚地下连续墙,第一道支撑为混凝土支撑,水平间距9m,第二~五道支撑为钢管支撑,水平间距3m左右,车站中部设置钢管临时立柱,水平间距为9m;主体建筑面积10840.8m2,附属建筑面积2008.8 m2,车站总建筑面积12849.6m2。
×××站主体结构标准断面图见图1。
图1 主体结构标准断面图1.2主要工程数量垫层C20混凝土584.6立方米;主体底板C35(P8)混凝土3799.36立方米,C40混凝土169.57立方米;C40(P8)混凝土243.5立方米;C40(P10)混凝土175.17立方米;主体侧墙C35(P8)混凝土4724.28立方米,主体侧墙C35(P10)混凝土2131.39立方米主体中层板C35混凝土5482.73立方米,C40(P8)混凝土80.23立方米;主体顶板C35(P8)混凝土2602.51立方米;主体立柱C45混凝土714.7立方米;混凝土矩形梁C35混凝土657.1立方米;混凝土矩形梁C35(P8)混凝土546.3立方米;混凝土矩形梁C35(P10)混凝土848立方米;主体结构Ⅰ级钢筋296.1吨,Ⅱ级钢筋3509.8吨。
地铁车站施工测量作业指导书1 目的和适用范围通过车站施工测量控制,使地铁车站定位准确,施工过程结构位置和尺寸准确,以满足设计和规范要求,确保车站施工质量。
本作业指导书适用于地铁车站施工测量。
2 编制依据2.1 地铁车站工程相关设计图纸及周边建(构)筑物、地下管线调查、周边环境等资料。
2.2 《工程测量规范》(GB50026-2007)、《建筑变形测量规范》(JGJ8-2007)、《城市轨道交通工程测量规范》(GB50308-2008)、《精密工程测量规范》(GB/T 15314-94)、《城市测量规范》(CJJ8-99)、《国家一、二等水准测量规范》(GB 12897-1991)、《地下铁道、轻轨交通岩土工程勘察规范》(GB50307-1999)、《全球卫星定位系统(GPS)测量规范》(GB/T 18314-2001)、《建筑变形测量规范》(JGJ 8-2007)、《地下铁道工程施工及验收规范》(GB50299-1999)等国家现行有关施工及验收规范、规则、质量技术标准。
2.3 我公司地铁车站施工经验、研究成果以及现有的施工管理和技术水平、仪器设备配套能力等。
3 职责3.1 公司精测队负责各项目车站施工测量方案审查,对关键过程进行复测,负责对测量人员进行技能培训,负责对全公司测量仪器、盾构机导向系统进行管理等工作。
3.2 项目部工程技术部门负责制定车站施工测量方案、对具体实施进行监督、检查和指导等工作。
3.3 项目部测量组负责测量工作实施,并负责测量仪器的保管、使用、维护等工作。
3.4 项目部安质部负责对测量质量进行检查指导,对测量人员进行安全培训等工作。
3.5 项目部物设部负责除测量及监测仪器之外的其他相关配套设备的供应和维修保养等工作。
4测量工作的主要内容地铁车站施工测量工作主要内容如下:4.1 按照精密导线及精密水准测量要求进行交接桩地面控制网的复测。
4.2 根据车站施工需要进行控制网加密。
武汉轨道交通三号线七标段土建工程施工测量作业指导书编制:审核:批准:中铁隧道集团有限公司武汉轨道交通三号线七标段土建工程项目经理部二零一四年十月1一、编制依据1、《城市轨道交通工程测量规范》(GB50308-2008);2、《工程测量规范》(GB50026-2007);3、《市政工程施工验收技术规程》;4、《城市测量规范》(JJ8-99)5、《盾构法隧道施工与验收规范》(GB50446-2008)6、《国家一、二等水准测量规范》(GB12898-91)7、《武汉市轨道交通三号线七标段工程区间土建工程施工组织设计》8、《武汉市轨道交通三号线七标段工程设计图》9、《测量交接桩文件》二、工程概况武汉市轨道交通三号线区间土建施工工程第七标段盾构区间位于武汉江汉二桥边。
区间隧道北起宗关站,起点里程为:左线DK12+319.269;右线DK12+319.271,南至汉阳江滩分界里程后,进入空推段继续推进,最终掘进至中间风井吊出,终点里程为:左线DK11+155.441;右线DK11+157.100。
盾构隧道长度:区间隧道右线965.3m,左线972.3m到达分界里程,盾构空推段右线196.9米,左线191.5米,共计:右线775环;左线776环,线路最大埋深37.2m,隧道最小转弯半径350m,衬砌管片为C50S12通用型管片,外径6.2米,内径5.5米,环宽1.5m,厚度350mm,楔形量为40mm。
三、适用范围本作业指导书适用于武汉地铁四号线二期二标项目盾构工区越江隧道工程施工测量的全过程。
四、地面控制测量地面平面控制网的复测按照股份公司二级测量复核制,定期对工程所在范围内控制点进行复测,通常情况下次/2月,复测后结果和上次复测结果进行比较,在允许范围内采用本次测量结果,超出范围时找明原因,采用两次平均值,复测时按以下技术指标进行外业测量和内业整理工作。
水平角观测:采用1"极全站仪对导线左右角各测3个测回,共6测回,按国家23《城市轨道交通工程测量规范》精密导线测角要求,测角中误差达到±1.5″。
工程编号:轨道控制网CPIII测量作业指导书单位:编制:审核:批准:年月日发布年月日实施目录1.适用范围 (1)2.作业准备 (1)2.1一般规定 (1)2.2 CPⅢ控制网的观测条件 (1)3.技术要求 (1)4.施工程序与工艺流程 (2)5.施工要求 (3)5.1控制网的复测 (3)5.1.1控制网测量要求 (3)5.1.2控制网复测 (3)5.2控制点高程复测 (4)5.2.1技术要求 (4)5.2.2测量方法 (4)5.2.3数据处理 (4)5.3 CPⅢ控制网测量工作 (5)5.3.1 CPⅢ控制点的埋设与编号 (5)5.3.2 CPⅢ平面控制网测量方法 (7)5.3.3 CPⅢ高程控制网测量 (10)6.施工放样 (11)6.1铺轨基标测设 (11)6.2道岔施工 (13)7.轨道精调测量 (14)7.1轨道铺设时的线路精调 (14)8.劳动组织 (15)9.轨道控制网CPⅢ测量设备机具配置 (15)10.质量控制及检验 (15)10.1测量复核 (16)10.1.1测量外业复核 (16)10.1.2测量内业复核 (16)10.2测量仪器定期检核 (16)11.安全及环保要求 (17)工程轨道控制网CPIII测量作业指导书1.适用范围本作业指导书为地铁轨道控制网CPⅢ测量作业指导书,适用于地铁轨道CPⅢ控制网建立,本文对测量条件、准备工作、点位的埋设和测量方法进行了全面阐述,为其他地铁铺轨项目轨道CPⅢ控制网建立提供参照。
2.作业准备2.1一般规定CPⅢ的控制网测量应在线下工程完工提供移交验工报告,并由业主测量队完成贯通测量及断面测量后开展。
2.2 CPⅢ控制网的观测条件(1)CPⅢ控制网外业观测应待土建工程完工,场地清理完成后进行。
(2)CPⅢ观测应在气象条件相对比较稳定下进行(温差变化较小,湿度较小,洞内粉尘较少)。
(3)CPⅢ观测时测程内不能有任何遮挡物,场内不得有人体可以感受到的任何震动。
目录一、钻孔桩施工 (2)二、深基坑开挖、支撑施工 (6)三、钢筋施工 (14)四、模板、脚手架施工 (20)五、喷射混凝土施工 (27)六、隧道监控量测施工 (30)七、防水施工 (35)八、暗挖马头门施工 (37)九、冬季施工措施 (39)十、安全文明施工措施 (45)一、钻孔桩施工旋挖钻作业施工1. 目的:指导旋挖钻机作业人员进行钻孔作业。
2. 适应范围:配备不同的钻头,可用于砂层、土层、卵砾层、岩层等不同地质,不受地域限制。
3. 旋挖钻机机械成孔作业3.1 施工机具配置有泥浆泵的旋挖钻机。
3.2 操作规程3.2.1 钻孔前准备工作3.2.1.2 场地准备平整场地,清除杂物、换除软土、夯打密实。
施工场地为旱地而且在施工期间地下水位在原地面以下时,将场地平整夯实,清除杂物;场地位于浅水时,采用筑岛后在顶面安置钻机,筑岛顶面高出施工水位 1.0m左右;钻机底盘不宜直接置于不坚实的填土上,以免产生不均匀沉陷。
钻机的安置应考虑钻孔施工中孔口出土清运的方便。
3.2.1.2护筒埋设埋设钢护筒时应通过定位的控制桩放样,把钻机钻孔的位置标于孔底。
再把钢护筒吊放进孔内,找出钢护筒的圆心位置,用十字线在钢护筒顶部或底部,然后移动钢护筒,使钢护筒中心与钻机钻孔中心位置重合,平面偏位误差为5cm以内。
同时用水平尺或垂球检查,使钢护筒垂直,保证垂直度≤1%。
在钢护筒周围对称地、均匀地回填最佳含水量的粘土,要分层夯实,达到最佳密实度。
以保证其垂直度及防止泥浆流失及位移、掉落,如果护筒底土层不是粘性土,应挖深或换土,在孔底回填夯实300-500mm厚度的粘土后,再安放护筒,以免护筒底口处渗漏塌方,夯填时要防止钢护筒偏斜。
护筒埋设深约1.6~1.7m且应高于地面30cm左右,护筒上口应绑扎木方对称吊紧,防止下窜。
3.2.1.3泥浆制备钻孔泥浆选用不分散、低固相、高粘度的优质膨润土泥浆。
泥浆由优质膨润土、碱(Na2CO3)等原料组成。
地铁车站施工测量作业指导书1 目的和适用范围通过车站施工测量控制,使地铁车站定位准确,施工过程结构位置和尺寸准确,以满足设计和规范要求,确保车站施工质量。
本作业指导书适用于地铁车站施工测量。
2 编制依据2.1 地铁车站工程相关设计图纸及周边建(构)筑物、地下管线调查、周边环境等资料。
2.2 《工程测量规范》(GB50026-2007)、《建筑变形测量规范》(JGJ8-2007)、《城市轨道交通工程测量规范》(GB50308-2008)、《精密工程测量规范》(GB/T 15314-94)、《城市测量规范》(CJJ8-99)、《国家一、二等水准测量规范》(GB 12897-1991)、《地下铁道、轻轨交通岩土工程勘察规范》(GB50307-1999)、《全球卫星定位系统(GPS)测量规范》(GB/T 18314-2001)、《建筑变形测量规范》(JGJ 8-2007)、《地下铁道工程施工及验收规范》(GB50299-1999)等国家现行有关施工及验收规范、规则、质量技术标准。
2.3 我公司地铁车站施工经验、研究成果以及现有的施工管理和技术水平、仪器设备配套能力等。
3 职责3.1 公司精测队负责各项目车站施工测量方案审查,对关键过程进行复测,负责对测量人员进行技能培训,负责对全公司测量仪器、盾构机导向系统进行管理等工作。
3.2 项目部工程技术部门负责制定车站施工测量方案、对具体实施进行监督、检查和指导等工作。
3.3 项目部测量组负责测量工作实施,并负责测量仪器的保管、使用、维护等工作。
3.4 项目部安质部负责对测量质量进行检查指导,对测量人员进行安全培训等工作。
3.5 项目部物设部负责除测量及监测仪器之外的其他相关配套设备的供应和维修保养等工作。
4测量工作的主要内容地铁车站施工测量工作主要内容如下:4.1 按照精密导线及精密水准测量要求进行交接桩地面控制网的复测。
4.2 根据车站施工需要进行控制网加密。
地铁工程施工测量方案_物业经理人地铁工程施工测量方案本标段施工测量采纳地面布置掌握导线点。
利用光学垂准仪及相关测量设备向地下隧道内投点掌握主体构造施工。
某东路站从西南、东北风井向下投点定出地下导线基线并传递高程,来掌握主体构造施工。
某桥~某东路站区间从区间施工竖井,向隧道内投点定出地下导线基线并传递高程,来掌握主体构造施工。
1 地面掌握测量1.1 平面掌握测量对业主供应的掌握导线点进展复测,并与相邻标段及接近掌握点进展贯穿联测。
利用全站仪进展地面施工导线布设,导线点埋设混凝土标石。
1.2 高程掌握测量对业主供应的周密水准点进展复测并与接近水准点贯穿联测。
使用周密水准仪和标尺在供应的水准点之间加密水准网,布设成闭合环线,闭合差≤±8√L mm(L为环线长度,以千米计),操作方法精度指标执行Ⅱ等水准点测量要求。
2 联系测量2.1 趋近测量从地面掌握点采纳趋近导线向风井和竖井引测坐标和方位,趋近导线拆角个数不多于3个,来回总长不大于350m,相对点中误差≤±10mm,定出施工导线点的精确位置。
2.2 地下定向采纳光学垂准仪进展风井、竖井投点,每次投点独立进展,共投三次。
三次点位互差≤±2mm,取中为最终位置。
风井、竖井各投出三点,利用小三角网指导地下施工。
2.3 高程传递利用加密水准网点作趋近水准测量,按Ⅱ等水准测量方法和仪器施测,限差≤±8√L mm。
使用检定过的钢尺用悬吊的方法经风井或竖井传递高程,上、下两台水准仪同时观看读数,每次错动钢尺3~5cm,共测三次。
高差较差掌握在±5mm以内,取平均值使用。
地下高程传递与坐标传递同步进展。
3 地下掌握测量地下施工掌握测量用掌握导线,直线隧道掘进大于200m时,曲线隧道掘进到直缓点时,埋设洞内导线掌握点,直线隧道施工掌握导线点平均边长150m,特别状况下,不短于100m。
曲线隧道施工掌握导线点埋设在曲线五大桩点上,一般边长不小于60m。
铁路工程施工测量作业指导书编制依据:《工程测量规范》《新建铁路工程测量规范》有关铁路工程施工技术规范有关铁路工程检验评定标准铁路工程施工测量作业指导书 介绍:铁路工程施工测量的任务;、着重介绍路基、中小桥梁放样检查程序;强调放样放样检查制度和内外业资料的管理工作、控制导线建立、移交、复测加密、施工测量的依据与工作原则等技术保证措施。
1、铁路工程施工测量的特点与任务铁路工程一般由桥梁工程、路基工程、沟涵排水工程、隧道工程等附属工程组成,构造繁杂,线路线型多变,施工里程一般较长,施工测量任务繁琐,特别控制导线一般为线性要素点,位于线路左线,施工时全部破坏,需要重新布设控制导线。
一般包括以下工作内容:2、路基、桥梁的施工放样程序2.1路基施工放样检查程序与工作要求:(复测结果,报监理复测) (监理复测满足精度要求)↓↓↓(监理复测满足精度要求)(满足安排大临设施、施工便道的需要,满足征地的需要)↓(复测原地面标高是否与设计图纸相符,如果与设计图纸出入较大,通知项目部打联系单,重新确认工程量地面起伏较大,可用全站仪,同时测得高程点与中桩的关系,绘制断面图。
)↓(确认工程清表后高程,计算实有工程量,特出地段清表深度超出设计要求,通知工程部,以联系单上报监理、建设单位;清表后标高资料由测量、监理、项目部三家共同认可后,以放样、复核、监理复测方式签字)↓(目的确定路基填筑范围,放坡范围,即坡脚线,保证路基宽度,防止土源浪费,挖临时排水沟等)↓↓(即厚度测量,分层填筑时控制填土厚度。
)↓(分层填筑时控制填土宽度。
)↓↓↓↓(纵坡、横坡、平整度均有标高测量控制)↓(标高加密放样后,铺设时采用拉剪刀线的方法保证厚度的均匀和标高)↓(满足铺轨要求)↓(根据实际情况,在竖曲线、超高段、特别是变坡过渡段应加密。
)↓(根据实际情况,在竖曲线、超高段、特别是变坡过渡段应加密。
)↓↓3.2铁路线路中小桥梁的特点放样检查程序3.2.1铁路线路中小桥的特点为方便居民交通,顺应河流的流向,及投资成本控制,铁路建设中,中小桥居多设计为与主线斜交,且跨度不一,存在基础与梁分孔线的偏心问题。
地铁车站施工测量作业指导书地铁车站施工测量作业指导书1 目的和适用范围通过车站施工测量控制,使地铁车站定位准确,施工过程结构位置和尺寸准确,以满足设计和规范要求,确保车站施工质量。
本作业指导书适用于地铁车站施工测量。
2 编制依据2.1 地铁车站工程相关设计图纸及周边建(构)筑物、地下管线调查、周边环境等资料。
2.2 《工程测量规范》(GB50026-2007)、《建筑变形测量规范》(JGJ8-2007)、《城市轨道交通工程测量规范》(GB50308-2008)、《精密工程测量规范》(GB/T 15314-94)、《城市测量规范》(CJJ8-99)、《国家一、二等水准测量规范》(GB 12897-1991)、《地下铁道、轻轨交通岩土工程勘察规范》(GB50307-1999)、《全球卫星定位系统(GPS)测量规范》(GB/T 18314-2001)、《建筑变形测量规范》(JGJ 8-2007)、《地下铁道工程施工及验收规范》(GB50299-1999)等国家现行有关施工及验收规范、规则、质量技术标准。
2.3 我公司地铁车站施工经验、研究成果以及现有的施工管理和技术水平、仪器设备配套能力等。
3 职责3.1 公司精测队负责各项目车站施工测量方案审查,对关键过程进行复测,负责对测量人员进行技能培训,负责对全公司测量仪器、盾构机导向系统进行管理等工作。
3.2 项目部工程技术部门负责制定车站施工测量方案、对具体实施进行监督、检查和指导等工作。
3.3 项目部测量组负责测量工作实施,并负责测量仪器的保管、使用、维护等工作。
3.4 项目部安质部负责对测量质量进行检查指导,对测量人员进行安全培训等工作。
3.5 项目部物设部负责除测量及监测仪器之外的其他相关配套设备的供应和维修保养等工作。
4测量工作的主要内容地铁车站施工测量工作主要内容如下:4.1 按照精密导线及精密水准测量要求进行交接桩地面控制网的复测。
4.2 根据车站施工需要进行控制网加密。
4.3 基坑围护结构施工控制。
4.4 降水井、立柱桩、抗拔桩及地基加固施工控制。
4.5围护结构侵限情况测量。
4.6钢支撑标高控制。
4.7井下控制点的设置及测量。
4.8结构施工测量。
4.9洞门钢环施工测量。
4.10站台板及屏蔽门等附属工程施工测量。
4.11竣工测量。
5测量工艺、方法及技术措施5.1 车站施工测量流程车站施工测量主要分为三部分:地面控制、围护结构控制和主体结构施工控制,具体流程及关键控制点如图5-1。
地面控制控制网接桩与复测——包括平面导线及水准考虑联系测量及结构施工便利,结合现场条件加密控制网,设置近井导线点及近井水准点。
特别要注意车站施工基坑开挖对加密导线点的影响,尽量设置在基坑开挖影响范围之外,且注意点的保护,还要加密复测频率。
注意:二者可以同步进行,要点是保证近井加密点精度,主要措施是加密点间距尽量等距,杜绝长短边。
围护结构控制主体结构施工控制围护结构外放及导墙施工控制降水井及立柱桩、抗拔桩施工控制地基加固施工控制围护结构侵限情况测量基坑内控制点设置及测量支撑架设标高控制结构施工测量洞门施工测量站台板及屏蔽门等附属工程施工测量车站竣工测量图5-1 车站施工测量控制流程图5.2 地面控制网复测平面控制网一般分为两个等级:一等为卫星定位控制网,二等为精密导线网。
地铁车站所采用的地面控制点一般是采用业主单位委托的测量单位对全线布设和移交的,包括平面控制测量和高程控制测量两个部分。
地铁车站地面控制测量主要工作流程如图5-2。
图5-2 地铁车站地面控制测量工作流程图 地铁车站施工风险大,周期长,工程分段较接收地面控制桩点、地面控制网卫星定位控制高程控制网复测各工作面引测平各工作面引测高多,按标段划分的搭接段要保护好测量交桩点位,在车站施工前期对业主及设计院交桩点进行复测,包括卫星定位控制网及精密导线网复测,高程控制网复测。
施工过程中根据具体情况进行复测,时间间隔一般不宜超过半年。
5.2.1 交桩平面控制网复测与加密首先根据业主交桩控制点进行管段内勘察走访,摸清点位情况及周围环境,对损坏或丢失的交桩控制点位要及时上报监理工程师及业主测量队,需要补测的按同精度同级扩展原则进行补测。
对于交桩控制网的复测,根据交桩点的情况以及施工加密点需要,选择采用静态GPS复测或者全站仪精密导线复测。
加密点根据交桩控制点及施工需要,通常布设成附合导线或结点导线网,尽量避免闭合导线的网型。
加密点设置时,应充分考虑长短边对于加密点精度的影响,加密边尽量等距。
各项目地面导线通常采用精密导线网形式,但是要尽量以GPS网控制点作为起算边和附合边。
以下情况时可以考虑采用静态GPS复测加密点作为精密导线网的控制边:①车站施工区域附近没有或者少于2个GPS控制点时;②车站附近只有两个GPS控制点,距离下一个GPS控制边2000m以上。
对于一个标段线路较长,包含车站及区间较多,交桩GPS点有6个以上,此外还有精密导线点时,可以采用静态GPS网对GPS控制点进行复测,随后按照车站及区间施工情况,以GPS点为已知数据形成附合网(如图5-3所示)或结点网(如图5-4所示),附合网或结点网可以根据车站及区间的分布分段设置,避免由于网型线路过长,中部误差大,而中部又恰好是一个车站的分布位置,降低了地面控制网精度的问题。
⑴ 静态GPS 网复测卫星定位控制网一般采用边连式,按照静态相对定位原理进行复测,相邻的短边控制点间保证同步观测,卫星定位控制网非同步独立观测时,必须构成闭合环或附合路线,每个闭合环或附合路线中的边数不应大于6条。
图5-3 附合导线网示意图GPS点1地铁车站施工范围GPS点2GPS点3GPS点4加密点1加密点2GPS点1地铁车站施工范围GPS点2GPS点3加密点1加密点2图5-4 结点网示意图按照卫星定位控制测量的要求进行控制网复测,具体要求如下:① 作业前应编制作业计划表。
② 天线应整平、对中,对中误差应小于2mm 。
③ 每时段观测前、后量取天线高各一次,两次互差小于3mm 时,应取两次平均值作为最后结果。
④ 应严格按规定的时间开机作业,保证同步观测同一组卫星;观测开始后,应及时记录或输入有关数据并随时注意卫星信号和信息存储情况。
⑤ 每日观测结束后,应及时将存储介质上的数据进行拷贝,并应及时将外业观测记录结果录入计算机进行数据处理。
卫星定位控制网主要技术平均边长(k m ) 最弱点的点位中误差(m m ) 相邻点的相对点位中误差(m m ) 最弱边的相对中误差与现有城市控制点的坐标较差(m m ) 不同线路控制网重合点坐标较差(m m )2 ±12 ±10 1/100000 ≤50 ≤25 卫星定位控制网测量作业基本技术要求 表 5-2 项目 要求 接收机类型 双频或单频 观测量 载波相位接收机标称精度≤(10m m +2×10-6×D )(D 为相邻点间的距离)卫星高度角(°) ≥15同步观测接收机≥3(台)有效观测卫星数(颗)≥4平均重复设站数≥2(次)观测时段长度(m i n)≥60数据采样间隔(s)≤10点位几何图形强度因子(P D O P)≤6卫星定位控制网复测结束后,应提交以下成果资料:①技术设计书;②控制网示意图;③控制网平差及精度评定资料;④控制点成果表;⑤技术总结。
⑵精密导线复测通常采用精密导线网形式,但是要尽量以GPS网控制点作为起算边和附合边。
按照精密导线的要求进行控制导线复测,具体要求如下:①导线点上只有两个方向时,其水平角观测应采用左、右角观测,左、右角平均值之和与360°的较差小于4″。
②前后视边长相差较大,观测需调焦时,宜采用同一方向正倒镜同时观测法,此时一个测回中不同方向可以不考虑2C较差的限差。
③测距时应读取温度和气压,测前、测后各读取一次,取平均值作为测站的气象数据。
温度读至0.2℃,气压读至50Pa。
方向观测法水平角观测技术要求(″) 全站仪等半测回归一测回内同一方向值各级 零差 2C 较差 测回较差 Ⅰ级 6 9 6 Ⅱ级 813 9距离测量限差技术要求(mm)全站仪等级 一测回读数间较差 单程各测回间较差 往返测或不同时段结果较差 Ⅰ级 3 42·(a +b d )Ⅱ级 4 6注: ① (a+bd)为仪器标称精度,a 为固定误差,b 为比例误差,d 为距离观测值(以千米计);② 一测回指照准目标一次读数4次。
精密导线网测量结束后,应提交下列资料:① 技术设计书;② 外业观测记录与内业计算成果;③ 导线网示意图;④ 导线点点之记;⑤ 导线点坐标及其精度评定成果表;⑥技术总结。
5.2.2 高程控制网复测根据交桩的精密水准点位置以及施工情况,加密便于施工的水准点,加密水准点应该布设在施工影响的区域之外,确保加密水准点的稳定,如图5-5。
图5-5 水准点加密示意图高程控制网复测按国家二等精密水准网施测,具体要求如下:⑴ 首先进行现场勘查,检查标石的完好性。
⑵ 逐点复核相邻水准点之间的高差,通过复测高差与设计高差进行比较确认设计单位所交的高程控制点精度是否满足精度要求,点位是已知水准点1已知水准点地铁车站施工范围加密水准点1加密水准点2否稳固可靠。
⑶作业前检查i角,保证i角绝对值在作业过程中均不超过20″。
⑷为了保证水准尺的稳定性,将尺垫安放在坚实的地方踩实以防止尺垫下沉并用竹竿辅助安置水准尺,确保水准尺在观测时处于竖直状态。
⑸水准路线采用往返观测,并沿同一条路线进行。
每一测段均采用偶数站结束,由往测转为返测时,互换前后尺再进行观测。
观测顺序为:往测:奇数站为后—前—前—后;偶数站为前—后—后—前返测:奇数站为前—后—后—前;偶数站为后—前—前—后水准网测量的主要技术水准测量等级每千米高差中数中误差(m m)附合水准路线平均长度(k m)水准仪等级水准尺观测次数往返较差、附合或环线闭合差(m m)偶然中误差M△全中误差MW与已知点联测附合或环线一等±1±235~45D S1铟瓦尺或条码尺往返测各一次往返测各一次±4L二等±2±42~4D S1铟瓦尺或往返往返±8L条码尺测各一次测各一次水准测量观测的视线长度、视距差、视线高等级视线长度前后视距差前后视距累计差视线高度仪器等级视距视线长度20m以上视线长度20m以下一等D S1≤50≤1.0≤3.0≥0.5≥0.3二等D S1≤60≤2.0≤4.0≥0.4≥0.3水准测量的测站观测限差(mm)等级上下丝读数平均值与中丝读数之差基、辅分划读数之差基、辅分划所测高差之差检测间歇点高差之差一等3.00.40.61.0二等3.00.50.72.0水准网测量结束后应提交以下资料:⑴技术设计书;⑵水准网示意图;⑶外业观测手簿及仪器检验资料;⑷高程成果表和精度评定等资料;⑸技术总结。