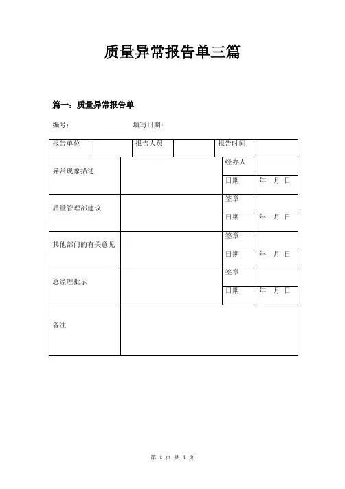
品质异常报告书
- 格式:xls
- 大小:29.00 KB
- 文档页数:1
品质异常检讨书篇一:品质部品质异常检讨报告品质部品质异常检讨报告事件问题描述如下:在6-1至6-3号生产的T8椭圆1/2平钩26*29.5和T81/2斜钩V字型直径26的产品,现这两款产品在生产至出货过程中混料包装出货到客户那里,导致影响客户的出货交期,有损客户对我司的印象,并造成公司物力资源的重大损失。
产品工序责任人如下:开机技术员:蔡灿军、赖虔洲品质iPQc:廖仲坤、赖惠兰点数贴标签:廖凤凤、罗贞凤、吕明裁管:廖国林出货检验:易浩品质部经查证对此事做原因分析如下:1、商务部的制令单上的图纸没更新只是文字描述。
2、针对产品规格和形状差不多的产品,且在同一台机器上生产,生产一款产品订单时更换模具生产下一款时,技术员未跟品质或点数工序沟通说下。
3、产品点数贴标签的时候标签贴错了,但当班的iPQc盖章时没检查到位发现问题。
4、裁管工序裁切时也没核对制令单来做,裁管员在裁管时没主动把首件拿给oQc检验确认。
5、生产出来的产品没有明确区分标识并分开放置,导致裁切、包装容易出错。
6、出货检查时oQc检验没及时发现问题杜绝流入客户那里。
7、新来员工及临时工未做相关岗前作业培训,容易放错误。
永久改善纠正措施如下:1、通知此事件相关负责人,然后召开品质异常检讨会。
2、商务部发出的制令单产品资料要及时更新。
3、新来员工及临时工应做相关的产品品质与作业规模培训再上岗。
4、品质部加强对品质检验员的培训与督导,特别是出货检查要把关到位。
5、生产车间5S要做好,如产品要准确标识区分,对于类似的产品要做明显标识并分开放置。
6、各部门的岗位职责说明书的制定落实。
让工作流程化,制度化。
这样大家工作更顺心。
7、各部门的管理制度撰写制定出来,并落实执行到位。
8、成立iSo内部审核小姐,对各部门的工作流程、5S、管理制度、作业规范、检验规范等相关事项进行不定期地审核与督导。
对于这件事,作为品质主管的我,在对品质检验员的培训与监督工作没做到位,虽有做品质程序文件及相关表单记录,品质部也有按程序来做事,但没监督品质检验员落实执行到位。
品质部品质异常检讨报告品质部品质异常检讨报告范文篇一:品质工作检讨书尊敬的领导:我怀着万分的愧疚以及懊悔向你们写下这份检讨书,我为自己工作的失误感到了深深地愧疚和不安,在此,我向各位领导做出深刻检讨:通过这件事,我感到自己身为品质人员,未能严以律已,且没有做到合理安排计划工作,在年底这个重要的时期给公司带来了恶劣的影响,由于自己的失职,给公司带来了严重的责任事故,导致严重影响到各工序的生产任务。
我对工作缺少足够的'责任心,没有把自己的工作合理安排,现在,我深深感觉到这件事的严重性,并且认识到自己的错误。
这次的生产事故使我不仅感到是自己的耻辱,更为重要的是对不起领导对我的信任,愧对领导的关心。
同时,诚心的感谢领导的批评指正。
感谢领导给我改正的机会,在以后的工作中我会严于律己,合理统筹计划,以加倍努力的工作来为我单位的工作做出积极的贡献,做一个合格的品质工作人员。
XX质部:xx2013-xx-xx篇二:品质部品质异常检讨报告事件问题描述如下:在6-1至6-3号生产的T8椭圆1/2平钩26*29.5和T8 1/2斜钩V字型直径26的产品,现这两款产品在生产至出货过程中混料包装出货到客户那里,导致影响客户的出货交期,有损客户对我司的印象,并造成公司物力资源的重大损失。
产品工序责任人如下:开机技术员:蔡灿军、赖虔洲品质IPQC:廖仲坤、赖惠兰点数贴标签:廖凤凤、罗贞凤、吕明裁管:廖国林出货检验:易浩品质部经查证对此事做原因分析如下:1、商务部的制令单上的图纸没更新只是文字描述。
2、针对产品规格和形状差不多的产品,且在同一台机器上生产,生产一款产品订单时更换模具生产下一款时,技术员未跟品质或点数工序沟通说下。
3、产品点数贴标签的时候标签贴错了,但当班的IPQC盖章时没检查到位发现问题。
4、裁管工序裁切时也没核对制令单来做,裁管员在裁管时没主动把首件拿给OQC检验确认。
5、生产出来的产品没有明确区分标识并分开放置,导致裁切、包装容易出错。
品质异常改善报告范文(一)引言概述:
品质异常改善报告旨在分析和解决产品或服务中出现的品质异常问题,提出改进措施,以确保产品或服务的质量符合预期标准。
本报告将针对品质异常问题进行分析,并提出相应的改善措施,以期为企业的品质管理提供参考。
正文内容:
一、问题分析
1. 异常问题的定义和范围
2. 异常问题对产品或服务的影响
3. 异常问题发生的原因分析
4. 异常问题的统计数据和趋势分析
5. 异常问题的追踪和溯源分析
二、改善措施
1. 建立品质异常问题管理的流程和标准
2. 加强员工培训和意识提升
3. 确定并改进异常问题的关键环节和流程
4. 优化供应链管理,提高原材料和零部件的品质控制
5. 注重数据分析和持续改进,建立反馈机制和监控措施
三、实施方案
1. 制定品质异常问题改善计划
2. 完善相关的工作流程和标准操作程序
3. 调整和优化人员配置和岗位职责
4. 配备必要的资源和设备支持改善措施的实施
5. 制定监控指标和评估体系,确保改善效果的可追溯性
四、改善效果评估
1. 分析改善措施的实施情况和进展
2. 比较改善前后的数据和指标,评估改善效果
3. 收集员工的反馈和建议,及时调整和改进
4. 确定改善措施的可持续性和稳定性
5. 提出下一步改善计划和目标设定
五、总结
通过对品质异常问题的分析和改善措施的实施,我们成功解决了产品或服务中存在的品质异常问题,并取得了显著的改善效果。
然而,品质异常问题的改善工作是一个持续的过程,我们将继续加强品质管理,提升品质意识,以确保产品或服务的持续稳定性和卓越性。
2024品质出问题的检讨书范文古人云:失之毫厘,谬以千里。
这其中的“毫厘”在我们产品质量管理中,即是品质,对企业的生存和发展具有至关重要的作用。
近期我们产品质量出现了一系列问题,已经引起了我们足够的重视。
为提升企业产品质量形象,保障消费者权益,确保企业可持续发展,现就近期出现的产品质量问题进行深入反思并提出相应改进措施。
一、原因分析在近期的产品检查中,我们发现了一系列品质问题。
具体问题主要表现在以下几个方面:质量意识淡薄近期的问题反映出部分员工对质量把控的意识较为薄弱,没有将“品质第一”的理念深入到日常工作中。
个别员工对质量把控的重视程度不够,缺乏对产品质量的敬畏之心。
操作不规范部分生产线员工在操作过程中未能严格按照生产流程进行作业,导致产品在某些环节存在缺陷。
此外,设备日常点检和保养不及时也导致产品质量受到影响。
质量培训不到位企业在发展过程中未能持续地对员工进行质量意识培训,使得员工在操作中无法有效把控质量。
对员工进行质量意识和技能的培训,对于提高产品合格率具有积极的推动作用。
原材料质量问题原材料质量的优劣直接影响到产品的品质。
近期出现的问题中有部分是由于原材料质量不达标所致,这与企业对供应商的管控力度不够有关。
质量管理体系不完善企业质量管理体系的完善程度直接关系到产品质量的稳定性。
目前企业的质量管理体系还存在一定程度的不足,需要进一步完善和加强。
二、解决方案针对上述问题,我们提出以下解决方案:加强员工质量意识教育通过开展定期的质量意识培训和交流会,提高员工对产品质量的重视程度。
同时,在日常工作中加强质量意识的宣传和引导,使员工牢记“品质第一”的原则。
规范操作流程对生产线上的操作流程进行全面梳理和优化,确保每个环节都有明确的操作规范和质量标准。
加强员工的操作技能培训,确保每位员工都能熟练掌握并按照规范进行操作。
完善质量培训体系建立健全质量培训体系,定期组织质量意识培训和技能提升培训。
通过案例分析、实战演练等多种形式提高培训效果,使员工在实际工作中能够更好地运用所学知识把控质量。
郎捷照明光电有限公司
品质工程异常报告书
对象:天睿PCB板异常工程过完波峰焊焊盘锡熔
品质工程
特性:锡熔焊盘12年12月15日
现象
异常内容及原因1,来料共2000PCS,
2,生产600PCS过波峰焊时发现28片焊盘没有了,至今统计有68片报费了。
3,而且每次生次都出现此现象,上次有带走一片去检验,未有任何答复。
4,造成此锡熔的PCB报费,
5,本公司实验证明其焊盘的钢皮太薄,以至于被锡熔。
6,我公司的损失必须由贵公司去承担。
可以打开放大看~!
供
应
商
对
策
对策成员
处
置
负责人:段辉华审核:2012年12月15日8时参
与
成。
第1篇一、报告概述随着市场竞争的日益激烈,品质问题成为企业生存和发展的关键。
本报告旨在总结我司在过去一年中品质异常问题的发生原因、处理措施及改进效果,为下一年的品质管理工作提供参考和依据。
二、品质异常问题概述1. 问题类型过去一年,我司品质异常问题主要集中在以下几类:(1)原材料质量异常:如供应商提供的原材料存在尺寸偏差、表面缺陷、材质不达标等问题。
(2)生产过程异常:如操作失误、设备故障、工艺参数控制不严等导致的产品质量问题。
(3)包装运输异常:如产品在运输过程中因包装不当、运输方式选择不合理等原因导致的损坏。
2. 问题影响品质异常问题对我司造成了以下影响:(1)经济损失:因品质问题导致的产品报废、返工、维修等费用增加。
(2)客户满意度下降:品质问题导致客户投诉、退货等,影响企业形象。
(3)市场份额减少:品质问题可能导致客户流失,市场份额下降。
三、品质异常问题原因分析1. 供应商管理不到位(1)供应商选择不合理:未对供应商进行严格筛选,导致部分供应商提供的原材料质量不稳定。
(2)供应商考核机制不完善:未对供应商进行定期考核,无法及时发现和解决问题。
2. 生产过程控制不严(1)员工操作不规范:部分员工对操作规程掌握不熟练,导致生产过程中出现失误。
(2)设备维护保养不及时:设备故障未得到及时处理,影响生产过程。
3. 包装运输不合理(1)包装材料选用不当:包装材料不符合产品特性,导致产品在运输过程中受损。
(2)运输方式选择不合理:未根据产品特性选择合适的运输方式,增加运输风险。
四、品质异常问题处理措施及改进效果1. 供应商管理改进(1)优化供应商选择:加强对供应商的筛选,确保原材料质量稳定。
(2)完善供应商考核机制:定期对供应商进行考核,确保其产品质量。
2. 生产过程控制改进(1)加强员工培训:提高员工操作技能,确保生产过程规范。
(2)加强设备维护保养:定期对设备进行保养,减少设备故障。
3. 包装运输改进(1)选用合适的包装材料:根据产品特性选择合适的包装材料,提高产品防护能力。
品质异常报告怎么写品质部品质异常检讨报告品质部品质异常检讨报告事件问题描述如下:在6-1至6-3号生产的T8椭圆1/2平钩26*29.5和T8 1/2斜钩V字型直径26的产品,现这两款产品在生产至出货过程中混料包装出货到客户那里,导致影响客户的出货交期,有损客户对我司的印象,并造成公司物力资源的重大损失。
产品工序责任人如下:开机技术员:蔡灿军、赖虔洲品质IPQC:廖仲坤、赖惠兰点数贴标签:廖凤凤、罗贞凤、吕明裁管:廖国林出货检验:易浩品质部经查证对此事做原因分析如下:1、商务部的制令单上的图纸没更新只是文字描述。
2、针对产品规格和形状差不多的产品,且在同一台机器上生产,生产一款产品订单时更换模具生产下一款时,技术员未跟品质或点数工序沟通说下。
3、产品点数贴标签的时候标签贴错了,但当班的IPQC盖章时没检查到位发现问题。
4、裁管工序裁切时也没核对制令单来做,裁管员在裁管时没主动把首件拿给OQC检验确认。
5、生产出来的产品没有明确区分标识并分开放置,导致裁切、包装容易出错。
6、出货检查时OQC检验没及时发现问题杜绝流入客户那里。
7、新来员工及临时工未做相关岗前作业培训,容易放错误。
永久改善纠正措施如下:1、通知此事件相关负责人,然后召开品质异常检讨会。
2、商务部发出的制令单产品资料要及时更新。
3、新来员工及临时工应做相关的产品品质与作业规模培训再上岗。
4、品质部加强对品质检验员的培训与督导,特别是出货检查要把关到位。
5、生产车间5S要做好,如产品要准确标识区分,对于类似的产品要做明显标识并分开放置。
6、各部门的岗位职责说明书的制定落实。
让工作流程化,制度化。
这样大家工作更顺心。
7、各部门的管理制度撰写制定出来,并落实执行到位。
8、成立ISO内部审核小姐,对各部门的工作流程、5S、管理制度、作业规范、检验规范等相关事项进行不定期地审核与督导。
对于这件事,作为品质主管的我,在对品质检验员的培训与监督工作没做到位,虽有做品质程序文件及相关表单记录,品质部也有按程序来做事,但没监督品质检验员落实执行到位。
品质异常报告单1. 异常描述本报告单描述了发生在{产品名称}的品质异常情况。
2. 事件详情2.1 事件时间异常事件发生于 {日期}。
2.2 异常现象在{产品名称}的生产过程中,以下品质异常被检测到:- 异常1:描述异常1的具体情况。
- 异常2:描述异常2的具体情况。
- 异常3:描述异常3的具体情况。
2.3 影响范围这些品质异常影响了以下领域:- 影响范围1:描述受到影响的范围1。
- 影响范围2:描述受到影响的范围2。
3. 原因分析经过初步分析,以下原因可能导致了品质异常的发生:- 原因1:描述可能导致异常的原因1。
- 原因2:描述可能导致异常的原因2。
- 原因3:描述可能导致异常的原因3。
4. 报告结果基于以上分析,以下为品质异常报告的结果:- 结果1:描述报告结果1。
- 结果2:描述报告结果2。
- 结果3:描述报告结果3。
5. 解决方案为解决品质异常问题,以下解决方案被提出:- 解决方案1:描述解决方案1的具体内容。
- 解决方案2:描述解决方案2的具体内容。
- 解决方案3:描述解决方案3的具体内容。
6. 预防措施为避免类似的品质异常再次发生,以下预防措施被提出:- 预防措施1:描述预防措施1的具体内容。
- 预防措施2:描述预防措施2的具体内容。
- 预防措施3:描述预防措施3的具体内容。
7. 结论本报告总结了发生在{产品名称}的品质异常情况,分析了异常原因,并提出了相应的解决方案和预防措施。
通过执行这些方案和措施,希望能避免类似的品质异常再次发生,确保产品质量的稳定。
编号:
制程不良品 厂商抱怨受检数突发性普通核准
审核
承办
成品不良品 评价品抽样数再发性一般纳入不良品 退回品不良数潜在性重大
异常情形如上,请予查明见复。
(请于 年 月 日前提出)
收文:发文:
部
发
(3)原 因分 析
(4)暂定及永久对策
核准审核承办
流出原因:
批次号订单号
发现时间审 核核 准 承 办
发现地点部
(2)应 急处 置
制造原因:
对策要求对策回复形式:
□ 本《报告书》;□ 品安表; 五步分析报告
公司
(5)对策处置效果追踪
临时对策:
永久对策:
以上所询异常,经查明原因及对策如上(1)异 常描 述
附加说明
品名
件号
品质不良/异常报告单
类别
发生
状况
异常
性质
一式一联 : 填表
核准
责任单
品保部
(请采购、开发等相关部门知悉,请提出意见)。
品质异常处理报告模板嘿,大家好!今天咱们聊聊品质异常处理这事儿。
别看这个话题听上去挺严肃的,其实也是个充满趣味的领域。
说到品质异常,就像咱们生活中总会遇到的小麻烦,可能是你早上想喝咖啡,结果发现杯子破了,或者你心心念念的外卖晚到了。
品质异常报告就像是给这些小麻烦贴个标签,帮咱们一块儿理清楚到底是怎么回事。
处理品质异常就跟给生活解压一样,得找出症结,才能轻松解决。
咱得看看异常的来源,像捉迷藏似的,得找出来。
有没有什么环节出问题?是材料不达标,还是生产过程中的小插曲?这就像去超市买水果,挑了半天,结果买回来的苹果上面有虫眼,心里那个五味杂陈啊!得仔细分析,看看是哪个环节没照顾到,绝对不能让这种情况再发生。
咱可不想把质量问题当成日常生活的一部分,简直太扎心了!再来说说影响,这可是大事儿。
品质异常不仅仅是产品的问题,还可能影响到客户的体验,影响到咱们的品牌形象。
这就像是在一场宴会上,结果菜没做好,宾客们全都挑剔,心里头直犯嘀咕。
处理不好,可就得不偿失。
咱们可不能让客户失望,得让他们觉得买咱的东西是物超所值,心里美滋滋的。
就该说说解决方案了。
这儿可是大显身手的时刻。
想想办法吧,看看是不是可以通过改进工艺,或者加强质量监控来避免类似问题。
就好比是咱们家里的小问题,换个灯泡、修个水龙头,总能找到解决的办法。
最重要的是,咱们得把每个步骤都记录下来,就像在日记里写今天的点滴,这样才能保证下次不再犯同样的错误,毕竟一失足成千古恨嘛!处理异常的过程中,沟通也很重要。
无论是跟同事还是客户,及时反馈才能让大家都心里有数。
想象一下,如果你在工作中发现了问题,结果没人跟你说,就自己一个人憋着,心里肯定不舒服。
咱们得形成一个良好的沟通机制,让每个人都能畅所欲言,这样大家都能齐心协力,共同打击品质异常,才能把问题扼杀在摇篮里!得给自己留点反思的空间,认真总结一下处理品质异常的经验。
反思不是什么丢人的事儿,恰恰是让咱成长的好机会。
品质异常改善报告范文(通用)(一)引言概述:品质异常是指在生产过程中出现的与产品质量相关的问题。
针对品质异常,我们进行了全面的调研和分析,提出了一套改善措施,旨在提高产品质量,减少异常发生的次数,提升客户满意度。
本报告将详细介绍我们的调研结果以及改善措施。
正文:一、异常问题分析1.收集并整理异常记录2.分析异常出现的频率、原因和影响3.对异常问题进行分类和优先级排序4.设立关键绩效指标,对异常问题进行量化评估5.明确异常问题对生产效率和产品质量的影响程度二、生产过程优化1.优化生产工艺流程2.强化生产操作规范和培训3.优化设备设施,确保其正常运行4.建立并完善质量管理体系5.加强生产过程监控,及时发现和纠正问题三、供应商管理改进1.建立合格供应商评估体系2.与供应商建立良好的沟通渠道3.加强对供应链环节的监控和管理4.定期进行供应商绩效评估,并持续改善5.与供应商共同制定品质改善计划四、质量教育培训1.建立培训计划,明确培训目标和内容2.加强操作员的技术培训和知识普及3.鼓励员工参与质量改善活动4.制定培训考核制度,激励员工参与学习5.持续监测培训成效,进行必要的调整和改进五、持续改进和跟踪1.建立改进机制,持续寻求创新和突破2.定期召开质量管理评审会议3.根据异常问题的发生情况,及时进行改善措施的调整4.建立异常问题纠正和预防措施的跟踪机制5.持续监测改善效果,确保改善措施的有效性总结:通过对品质异常问题的分析和改善措施的制定,我们保证了产品质量的稳定性和可靠性。
未来,我们将持续进行质量改进,并定期对改善措施进行评估和调整,以不断提升我们的核心竞争力和客户满意度。
同时,我们也将加强对供应链环节和员工的管理,形成全面的质量管理体系,为公司的可持续发展提供坚实的保障。
第1篇一、报告概述报告名称:品质部出错总结报告报告时间:2023年X月报告单位:XX公司品质部二、报告背景随着市场竞争的加剧,产品质量成为企业生存和发展的关键。
近期,我部在产品质量把控过程中出现了一些失误,影响了公司的声誉和客户满意度。
为总结经验教训,提高产品质量把控能力,特此撰写此报告。
三、具体错误情况及原因分析1. 错误情况一:原材料验收不合格(1)具体表现:在原材料验收过程中,部分供应商提供的原材料存在质量问题,如材质不符合标准、尺寸偏差较大等。
(2)原因分析:一是验收人员对原材料标准掌握不牢固,责任心不强;二是供应商管理不到位,对原材料质量把控不严。
2. 错误情况二:生产过程中出现次品(1)具体表现:在生产过程中,部分产品存在色差、变形、损坏等问题。
(2)原因分析:一是生产设备老化,导致生产过程中出现故障;二是生产人员操作不规范,对产品质量把控不到位。
3. 错误情况三:产品包装不符合要求(1)具体表现:产品包装存在破损、标识不清等问题。
(2)原因分析:一是包装材料质量不合格;二是包装人员责任心不强,操作不规范。
四、改进措施及预防措施1. 加强验收人员培训,提高验收标准掌握能力,增强责任心。
2. 对供应商进行严格筛选,加强对供应商的管理,确保原材料质量。
3. 对生产设备进行定期检查、维护,确保设备正常运行;加强对生产人员的培训,提高操作技能和产品质量把控能力。
4. 优化包装流程,选用合格包装材料;加强对包装人员的培训,提高包装质量。
5. 建立健全产品质量追溯体系,确保问题产品能够及时追踪到责任人。
五、总结本次品质部出错总结报告,旨在全面分析出错原因,提出改进措施,以预防类似问题再次发生。
品质部全体成员将以此为契机,不断提高自身素质,加强产品质量把控,为公司发展贡献力量。
第2篇一、前言为确保产品质量,提升公司整体竞争力,品质部始终将产品质量作为工作的重中之重。
然而,近期在工作中出现了一些失误,给公司带来了不良影响。