海军总医院宿舍楼施工组织设计1
- 格式:doc
- 大小:402.08 KB
- 文档页数:50
目录一、编制依据 (3)二、工程概况 (3)三、施工准备及平面布置 (4)(一)施工准备 (4)(二)平面布置 (4)四、主要材料、机具需用计划及劳动力安排计划 (5)(一)主要机具、材料需用计划 (5)(二)劳动力安排计划 (5)五、施工方案及主要技术措施 (6)(一)测量放线 (6)(二)土方施工方案 (6)(三)模板施工方案 (7)(四)砼施工方案 (10)(五)钢筋工程施工方案 (12)(六)抹灰工程施工方案 (18)(七)防水工程施工方案 (19)(八)砌筑工程施工方案 (21)(九)水电工程 (22)(十)脚手架工程 (23)(十一)磁砖墙面 (25)五、项目管理机构 (26)六、施工进度计划与保证措施 (28)(一)施工进度计划 (28)(二)施工工期保证措施 (28)七、质量保证体系和措施 (31)(一)、质量目标: (31)(二)、质量保证体系(见附表) (31)(三)、质量保证措施 (31)(四)质量控制点(附后) (37)(五)产品防护措施 (37)八、安全生产保证体系和措施 (39)1、安全生产保证体系(见附表) (39)2、安全生产保证措施 (39)3、安全技术措施 (40)九、环境保护文明施工保证措施 (43)(一)环境保护(控制噪音、扬尘)措施 (43)(二)文明施工保证措施 (44)十、雨季施工措施 (46)十一、降低工程成本措施 (47)十二、工程回访和保修 (49)(一)、保修期限与承诺 (49)(二)、定期回访制度 (49)(三)、保修项目内容及范围 (49)(四)、保修责任 (50)(五)、保修措施 (50)(六)、保修记录 (52)施工机械设备计划表 (52)施工劳动力计划表 (53)工程质量保证体系 (54)安全生产保证体系 (55)项目管理组织机构框图 (57)一、编制依据《项目工程管理规范》GBT50326-2017《工程测量规范》 GB50026-2007《建筑工程施工质量统一验收标准》GB50300-2013《建筑地基基础工程施工质量验收规范》GB50202-2018《建筑安装工程资料管理规程》DBJ01-51-2003《岩土工程勘察规范》GB50021-2002《基土钎探工艺标准》GB103-19966号职工公寓楼工程图纸及现场情况二、工程概况6号职工公寓楼为高层宿舍楼,拟建地上26层,地下2层,宿舍共计687间(含6间套间),其中南向378间,北向309间。
海军总医院宿舍楼工程施工组织设计目录第一章编制依据......................... 错误!未定义书签。
第二章工程概况.. (6)第一节总体简介 (6)第二节建筑设计简介 (7)第三节工程结构设计概况 (8)第四节专业概况 (9)第五节现场情况 (10)第三章施工部署 (10)第一节项目经理部组织机构 (10)第二节施工部署原则 (10)第三节总体施工顺序及施工进度计划 (11)第四节各种资源需用量计划 (12)第五节任务划分 (14)第六节大型生产设备需用计划 (15)第七节组织协调关系 (15)第四章施工准备 (16)第一节技术准备 (16)第二节生产准备 (19)第五章主要施工方法及技术措施 (19)第一节流水段的划分 (19)第二节大型机械的选择 (20)第三节主要分部(分项)工程施工方法 (20)第四节季节性施工措施 (35)第六章各项管理及保证措施 (37)第一节质量保证措施 (37)第二节技术保证措施 (39)第三节工期保证措施 (42)第四节安全、消防保卫措施 (43)第五节施工现场环境保护措施 (45)第六节文明施工与CI (45)第七章经济技术指标 (45)第八章施工总平面布臵 (45)第九章附录:项目管理人员职责 (47)第一章.编制依据合同第三章工程概况第一节总体简介本工程总建筑面积为7368m2,立面错落有致,主体八层,局部五层、六层。
本工程结构较复杂,地下及主体结构为框架剪力墙结构。
本工程质量目标为合格,总工期185天。
本工程经过一个雨期施工和一个冬期施工,施工难度较大、制约因素多,因此我公司将采用先进的施工方法,合理组织,科学管理确保本工程的质量及工期。
工程建设概况一览表表2-1第二节建筑设计简介第三节工程结构设计概况第四节专业概况第五节现场情况本工程海军总医院院内,建筑物的南侧及东侧紧邻现有住宅楼,现场场地平整无障碍。
第四章施工部署第一节项目经理部组织机构一、施工组织机构图详见项目组织机构图。
宿舍楼施工组织设计完整版正文:宿舍楼施工组织设计完整版1. 项目概述1.1 项目名称:宿舍楼施工组织设计1.2 项目背景:本项目旨在对某大学宿舍楼进行施工组织设计,确保施工工作按照规范进行,保证工程质量和工期的达到预期目标。
1.3 项目目标:实现宿舍楼施工的有序进行,确保施工过程中的安全、质量、进度等各项要求的达到。
2. 项目管理和组织2.1 项目管理团队:设立宿舍楼施工项目管理团队,负责制定和执行项目计划,安排和资源的分配等。
2.2 项目组织结构:明确施工组织结构,包括项目经理、项目工程师、监理工程师等。
2.3 项目计划和控制:制定详细的项目计划,包括施工时间、工序安排、资源调配等,并进行日常跟踪和控制。
3. 施工准备工作3.1 现场准备:对施工现场进行清理、平整,并确保施工现场的安全。
3.2 材料准备:确定所需材料种类和数量,并与供应商进行采购和协调。
3.3 机械设备准备:确定施工所需机械设备种类和数量,并进行租赁和调试。
3.4 劳动力准备:根据工期和工作量确定所需的劳动力人数,并进行招聘和培训。
4. 施工方案制定4.1 基础工程施工方案:确定基础工程施工的方法和步骤,并进行安全评估。
4.2 主体结构施工方案:确定主体结构施工的方法和步骤,并进行安全评估。
4.3 装饰装修施工方案:确定装饰装修施工的方法和步骤,并进行安全评估。
4.4 管道、电气安装施工方案:确定管道、电气的安装施工方法和步骤,并进行安全评估。
5. 质量控制措施5.1 质量目标:设定宿舍楼的质量目标,包括结构安全、施工工艺、材料质量等。
5.2 质量检验:设立质量检验小组,对施工过程进行检查和验收。
5.3 质量措施:采取相应的措施和方法,确保施工质量的达标。
附件:1. 宿舍楼施工组织设计图纸2. 材料采购合同样本3. 机械设备租赁合同样本法律名词及注释:1. 施工组织设计:指根据施工和工程特点,制定施工组织方案,明确施工各个环节的工序、方法、程序和安全措施等。
石家庄陆军指挥学院委培宿舍楼工程施工组织设计二00三年十一月目录1、编制依据2、工程概况3、工程特点4、施工部署5、施工方法和主要技术措施6、施工机械配备计划7、施工平面布置8、施工总进度控制计划9、资源控制计划10、施工准备工作计划11、保证工期和进度目标的措施12、质量目标及质量保证措施13、保证安全目标的措施14、文明施工及降低环境污染管理措施15、保证成本目标的措施16、季节性施工措施17、附表和附图1、编制依据1.1河北拓朴建筑设计有限公司设计的本工程的施工图纸。
1.2 本工程的施工合同。
1.3国家现行的建筑法律法规、工程施工及验收规范、标准。
1.4省级及本企业工法。
1.5我单位同类工程施工经验。
1.6《建筑工程安全技术规程》及河北省《建筑施工安全检查标准》实施细则。
2、工程概况本工程位于石家庄陆军指挥学院院内,为石家庄陆军指挥学院委培宿舍楼工程,建设单位为石家庄陆军指挥学院。
本工程包括1#学生公寓和2#学生公寓。
其中两个房号的的建筑面积均为3518.42平方米,均呈“”形平面形式,两栋房号间距18m。
该工程长54.5m,宽16.1m,地上四层,房间主要轴线尺寸为3.6× 2.4m,建筑物总高度:1#楼为15.15m、2#楼为13.85m;东西两侧均设两部现浇砼楼梯。
本工程为砖混结构形式,带型基础。
主体结构外墙为370mm粘土砖,内墙为240mm 和120mm的粘土砖,各层楼板、顶板、楼梯均为现浇,结构各转角部位设现浇砼构造柱,层层设现浇砼圈梁。
砌筑用粘土砖为MU10,混合砂浆一层~三层为M10,四层为M7.5;砼为C20和C30。
室内墙体的阳角和门洞转角处均做50宽2100mm高20mm 厚1:2水泥砂浆护角。
装修做法:楼地面为铺地砖,天棚及内墙面为大面积刷涂料。
外墙内窗台为水磨石预制窗台板,外墙面弹涂。
外门窗均为塑钢窗,内门为木制门和铝合金门。
防水工程:卫生间防水材料为聚氨酯涂膜,屋面防水为高聚物改性沥青卷材防水。
【Word版,可自由编辑!】目录第一章工程概况 ............................................... 第二章主要施工方法 ...........................................2.1 施工布署 ..................................................2.1.1 施工准备 ................................................2.1.2 施工布置及施工顺序安排 ...................................2.2 土方开挖及回填 ............................................2.2.1 土方开挖 ................................................2.2.2 回填土施工 ..............................................2.3 钢筋混凝土筏板基础施工 ....................................2.4 钢筋工程施工 ..............................................2.5 模板工程施工 ..............................................2.6 混凝土工程施工 ............................................2.7 砌体工程施工 ..............................................2.8 预应力空心楼板安装 ........................................2.9 屋面、卫生间防水施工 ......................................2.10 装饰工程施工 .............................................2.10.1 墙面一般抹灰施工 .......................................2.10.2 内墙涂料、乳胶漆施工 ...................................2.10.3 外墙面砖施工 ...........................................2.10.4 外墙涂料的施工 ..........................................2.12 楼地面工程施工 ...........................................2.13 脚手架工程 ...............................................2.14 管道工程施工 .............................................2.15 电气系统的施工方法 ....................................... 第三章劳动力计划及主要施工机械计划............................3.1 劳动力计划 .................................................3.2 施工机械计划 ............................................... 第四章确保工程质量的技术组织措施..............................4.1 质量目标 ...................................................4.2 质量控制体系 ...............................................4.3 关键部位质量控制措施 .......................................4.4 混凝土浇筑、养护的质量控制措施..............................4.5 模板工程质量保证措施 .......................................4.6 钢筋绑扎、制作、焊接的质量控制措施..........................4.7 砌体工程质量控制措施 .......................................4.8 保证建筑物垂直度的控制措施..................................4.9 卫生间防水质量控制措施 .....................................4.10 楼、地面工程施工质量控制措施...............................4.11 装饰工程施工质量控制措施...................................4.12 先进施工工艺 ............................................. 第五章确保安全施工的技术组织措施..............................5.2 安全生产施工制度与保证体系..................................5.3 专职安全管理人员 ...........................................5.4 特殊作业人员 ...............................................5.5 现场安全管理规章制度 .......................................5.6 安全用电防护措施 ...........................................5.7 施工机械管理制度 ...........................................5.8 分项工程安全技术措施 .......................................5.8.1 临边防护措施 .............................................5.8.2 接料平台临边防护 .........................................5.8.3 洞口防护 .................................................5.8.4 临边防护措施 .............................................5.8.5 交叉作业防护 .............................................5.8.7 施工临时用电技术措施 .....................................5.8.8 施工机具安全防护 .........................................5.8.9 高空作业安全防护 ......................................... 第六章确保文明施工的技术措施..................................6.1 文明施工保证体系 ...........................................6.2 施工现场文明施工措施 .......................................6.3 生活临建区文明措施 .........................................6.4 其它方面的管理措施 .........................................6.5 降低噪音,减少扰民措施 .....................................6.6 降低环境污染及环境卫生保证措施..............................6.7 施工现场环境卫生 ........................................... 第七章确保工期的技术组织措施..................................7.1 工期计划 ...................................................7.2 编制和施工节点,月、旬作业计划,定期落实计划实施............7.3 各施工段、各专业配合措施....................................7.4 合理调配机械、材料、劳动力..................................7.4 .1 机械保证 ................................................7.4 .2 材料保证 ................................................7.4.3 农忙期劳动力保证措施 .....................................7.5 设计、建设、施工、监理单位的配合措施........................7.6 雨季施工措施 ............................................... 第八章施工进度网络计划图 ..................................... 第九章施工总平面图 ...........................................第一章工程概况1.1 工程的性质和主要作用本工程为部队机关单身干部宿舍及士官楼新建工程工程,总建筑面积约4735m2,位于##市部队机关大院,要求建设工期240日历天,工程质量要求达到合格标准。
医院综合住院大楼工程施工组织设计方案目录第一章施工准备 (11)第1节场地平整及施工道路 (11)第2节施工用水及现场排水 (11)第3节施工用电及设施安排 (12)第4节现场临设布置 (15)第5节建筑物定位放线 (17)第6节劳动力需用计划 (18)第7节施工仪器及通信设备需用计划 (19)第8节施工平面布置图 (20)第二章基础施工方案 (22)第1节土石方施工 (22)第2节钢筋施工 (25)第3节钢筋焊接 (27)第4节砼施工 (28)第5节施工平面布置图 (29)第6节施工进度计划(见下页) (30)第7节保证质量的技术措施 (30)第8节保证安全的技术措施 (31)第9节降低成本的技术措施 (32)第三章结构施工方案 (33)第1节施工平面布置图 (33)第2节水平及垂直运输 (33)第3节结构施工进度计划(见下页) (33)第4节结构模板选择及设计 (34)1、模板的施工方法 (34)2、模板安装施工方法 (35)第5节钢筋的施工方案 (39)1、施工准备 (40)2、钢筋加工 (41)3、钢筋接头 (42)4、钢筋保护层的要求及措施 (42)5、钢筋的绑扎 (43)6、现浇柱钢筋的绑扎 (44)第6节钢筋预留及预埋铁件 (45)1、钢筋预留及预埋铁件 (45)2、钢筋骨架形成应注意的问题 (46)3、钢筋成品的检查及验收 (46)第7节砼施工 (47)1、材料的选择及要求 (47)2、浇砼前的准备工作 (48)3、砼浇灌振捣方法 (48)4、砼的浇灌程序 (49)5、砼的养护 (50)6、砼的质量检查和评定 (51)第8节砌体施工 (52)1、准备工作 (52)2、砌体工程施工顺序及组砌方法 (54)第四章屋面工程施工 (58)第1节本工程屋面结构找坡2%,近似平屋面。
(58)第2节施工准备 (59)第3节施工顺序 (60)第4节施工方法 (61)第五章主要装饰装修施工 (65)第1节外墙装饰 (65)第2节室内装饰 (69)第3节铝合金窗安装 (73)第4节刚化玻璃安装 (74)第5节铝板和二次精装 (74)第六章楼地面施工 (75)第1节楼地面基本构造 (75)第2节材料的选择及要求 (75)第3节楼面的基本构造 (76)第4节地面基本构造 (77)第5节作业条件 (79)第6节楼面施工准备 (80)第七章土建与安装施工配合措施 (84)第八章建筑给排水及卫生工程 (90)第1节施工准备 (91)第2节施工流程 (93)第3节管道加工 (95)第4节管道安装 (96)1、给水系统安装 (96)2、室内排水管安装 (100)第5节给水系统试压 (107)1、试压设备与装置 (107)2、水压试验压力 (108)3、水压试验的方法及步骤 (109)第6节排水系统闭水试验 (110)第7节竣工验收 (111)1、隐蔽工程验收 (111)2、分项工程的验收 (112)3、竣工验收 (112)第8节消防管道管装 (114)第九章编制依据及说明 (116)第1节该工程施工组织设计编制的依据 (116)第2节编制说明 (117)第十章建筑电气安装工程 (119)第1节施工程序及安全注意事项 (119)第2节电气工程对土建工程的要求和配合 (121)第3节电气安装工程的竣工验收 (123)第4节室内配线与照明安装 (126)1、室内配线的一般要求 (126)2、室内配线一般要求如下 (127)3、室内配线施工程序 (130)第十一章通风空调及电梯工程 (151)第1节通风空调工程 (151)第2节电梯工程 (160)1、测量井道、确定基准线 (160)2、导轨的安装工艺 (165)3、引机安装方法 (169)4、层门系统安装工艺 (169)5、安装门立柱、门导轨架 (170)6、门套安装 (170)7、门扇安装 (171)8、门锁、安全开关安装 (171)9、层门护脚板安装 (172)10、轿厢安装工艺 (172)11、安装门入口的安全保护装置 (173)12、缓冲器安装 (174)13、限速器安装 (175)第十二章机构设置及施工管理框图 (183)第1节项目经理部组建原则 (183)第2节项目经理部机构框图 (186)第3节主要施工管理人员在本工程的责任分配情况 (188)第4节公司保证体系图 (191)第十三章本工程采用标准及竣工档案资料文件 (192)第1节本工程执行规范及采用标准明细表 (192)第2节本工程应收集的竣工档案资料表 (200)第十四章工程概况 (211)第十五章施工部署 (216)第1节施工流水段划分 (216)第2节施工组织 (217)第3节技术关键及施工难点 (221)第4节指导思想和管理目标 (222)第5节工程质量目标 (223)第6节施工现场准备 (224)1、材料准备 (224)2、人员准备 (224)3、施工协调准备 (224)4、现场交接准备 (227)5、现场踏勘与设点 (227)6、施工机械准备 (228)第十六章塔机安拆及安全措施 (228)第十七章保证质量的技术措施 (230)第十八章安全、文明施工方案及各项保证技术措施 (232)第1节执行标准 (233)第2节组织保证体系 (233)第3节管理目标:市级达标施工现场 (233)第4节安全措施 (234)第5节文明施工措施 (237)第十九章环保及噪音防止措施 (238)第二十章保证工期的技术措施 (242)第1节组织保证措施 (242)第2节工序穿插保证 (242)第3节人力组织保证 (243)第4节物资、设备保证 (243)第5节资金保证 (244)第6节新技术保证 (244)第7节雨季施工措施 (245)第二十一章施工现场降低成本措施 (246)第二十二章主要工序成品保护措施 (247)第1节砌体工程 (247)第2节楼地面工程 (247)第3节门窗工程 (248)第4节抹灰工程 (248)第5节外砖饰面 (248)第6节油漆和刷涂料工程 (249)第7节玻璃工程 (249)第8节屋面工程 (249)第二十三章工程档案资料与现场标准化管理 (251)第1节工程技术资料的内容及份数 (251)第2节工程技术资料形成的一般要求 (251)第3节工程技术资料形成、收集工作中的具体要求 (252)第4节工程技术资料的整理与验收 (253)第5节现场标准化工作制度 (253)第6节计量、检测仪器使用制度 (254)第7节物资、材料进出场计量检测制度 (255)第二十四章保证工程优质结构的技术措施 (256)第1节组织保证 (256)第2节创优质结构工程工作小组 (256)第3节职工队伍素质保证 (257)第4节制度保证 (258)第5节技术保证 (259)第6节质量保证措施 (260)第二十五章本工程推广应用新材料、新技术、新工艺、新设备263第二十六章安全和质量控制框图 (265)第1节工程质量程序(过程)控制图基础工程 (265)第2节工程质量程序(过程)控制图钢筋工程 (266)第3节工程质量程序(过程)控制图模板工程 (267)第4节工程质量程序(过程)控制图混凝土工程 (268)第5节工程质量程序(特殊过程)控制图焊接工程 (269)第6节工程质量程序(过程)控制图砌体工程 (270)第7节工程质量程序(过程)控制图楼地面工程 (271)第8节工程质量程序(过程)控制图门窗工程 (272)第9节工程质量程序(过程)控制图内抹灰工程 (273)第10节工程质量程序(过程)控制图屋面工程 (274)第11节工程质量程序(过程)控制图电气安装工程 (275)第12节工程质量程序(过程)控制图室内给排水管道安装工程 (276)第13节工程质量程序(过程)控制图给水管道、消防管道及设备工程 (277)第14节安全保证体系图 (279)第15节工程质量检验流程图 (280)施工准备第一节场地平整及施工道路施工场地已基本平整,简易的施工道路可以到达施工现场第一节施工用水及现场排水6.2.1施工用水:根据建设单位提供的施工用水条件,施工用水可接至现场,并满足施工要求,用水管线见施工总平面布置图。
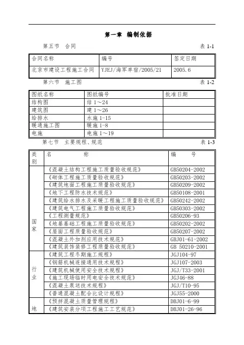
第一章编制依据第五节合同表1-1第十一节其他第二章工程概况第一节总体简介本工程总建筑面积为7368m2,立面错落有致,主体八层,局部五层、六层。
本工程结构较复杂,地下及主体结构为框架剪力墙结构。
本工程质量目标为合格,总工期185天。
本工程经过一个雨期施工和一个冬期施工,施工难度较大、制约因素多,因此我公司将采用先进的施工方法,合理组织,科学管理确保本工程的质量及工期。
工程建设概况一览表表2-1第二节建筑设计简介第三节工程结构设计概况第四节专业概况第五节现场情况本工程海军总医院院内,建筑物的南侧及东侧紧邻现有住宅楼,现场场地平整无障碍。
第三章施工部署第一节项目经理部组织机构一、施工组织机构图详见项目组织机构图。
二、职责与分工见附录。
第二节施工部署原则一、满足合同全面满足合同制定的乙方承担的责任,履行承诺。
保证工程满足质量目标要求,在合同工期内完成施工范围全部工程。
二、工程目标质量目标:合格工期目标:185日历天安全目标:杜绝死亡、重伤及火灾事故,轻伤事故控制在3‰以下。
文明施工目标:文明施工创北京市文明施工工地。
降尘、降噪控制达到国家相关标准,夜间施工不扰民,达到ISO14001国际环保认证的要求。
成本目标:规范管理,精心施工,实现“双赢”战略,使业主、承包商的成本都有大幅度降低。
三、施工顺序原则按照先地下后地上,先结构后围护,先主体后装修,先土建后专业的总施工顺序原则进行部署。
四、施工段划分原则施工段的划分要首先结合建筑特点进行,同时满足方便施工进度的总体协调,体现流水施工人力、物力资源分配的均衡性的要求。
五、工程效益经济效益:紧紧围绕成本目标制定工程中各项经济管理措施。
减少投入,节约资源,靠科技及管理降低成本。
社会效益:创精品工程,创用户满意工程,做文明施工单位,创造公司良好的社会服务形象。
第三节总体施工顺序及施工进度计划一、总体施工顺序基础部分施工流程:定位放线→护坡桩→土方开挖及护坡→钎探验槽→混凝土垫层→防水保护墙砌筑→底板卷材防水→底板防水保护层→底板、反梁钢筋绑扎及专业配管→墙、柱插筋→底板反梁模板→底板混凝土浇筑→混凝土养护→地下一层墙、柱钢筋绑扎→墙柱模板→墙柱混凝土浇筑→地下一层梁板支模→地下一层梁板钢筋绑扎及专业配管→梁侧模板支模→地下一层顶板混凝土浇筑→养护→基础外墙防水及防水保护层施工→土方回填。
三一重工股份有限公司新员工小区二期工程施工组织设计******员工小区二期工程8#—12#栋施工组织设计编制单位:******有限公司日期:二О一一年一月三日目录一、施工方案 (2)二、施工进度计划及保证措施 (48)三、平面布置 (53)四、保证质量措施 (56)五、保证安全措施 (75)六、文明施工现场措施 (84)七、劳动力安排计划 (89)八、主要工程材料、构件用量计划 (90)九、主要机具使用安排 (92)一、施工方案1、工程概况******员工小区二期工程位于***经济开发区。
本次招标范围为新员工小区二期工程8#、9#、10#、11#、12#栋宿舍楼。
8#、9#栋宿舍建筑总长均为81.64米,总宽均为19。
00米,建筑面积均为8554.9m2;10#栋宿舍总长94.24米,总宽为19.00米,建筑面积为9846。
2m2;11#、12#栋宿舍总长均为123。
62米,总宽均为19.24米,建筑面积均为12948m2。
在每栋建筑的中部均设一道变形缝.8#、9#、10#栋设有两座门式吊篮作为垂直运输工具,11#、12#栋设有三座门式吊篮作为垂直运输工具。
本次招标的五栋宿舍楼建筑、结构形式和建筑层数基本相同,均为地上六层宿舍楼,层高均为3。
3米,建筑高度为20。
1米.宿舍楼平面均呈内走廊布局,每套宿舍均带卫生间、阳台。
本工程各栋建筑安全等级为二级;耐火等级为二级;设计使用年限为50年。
屋面防水等级为二级;防水层使用年限为15年.1。
1主要结构形式1.1。
1基础工程本工程8#、9#、11#、12#栋宿舍楼采用内夯锤击沉管灌注桩基础,桩身成孔直径为400mm,扩底端直径为650mm,单桩承载力特征值为500KN.桩端持力层为残积粉质黏土层,桩端端土阻力特征值为1000Kpa,要求桩端全断面进入该层内不小于1。
0米。
桩顶设承台梁,承台梁截面尺寸为0。
6m×0.55m(高),变形缝处承台梁截面尺寸为1。
目录第1章工程概况 (2)1.1工程总体情况介绍: (2)1.2工程概况: (3)1.3项目质量管理小组组建及职责分工情况 (4)第2章施工质量保证措施 (5)2.1组织措施 (6)2.2资源措施 (6)2.3技术措施 (7)2.4结论: (7)第3章装修工程细部做法 (8)3.1屋面 (8)3.2楼地面 (10)3.3卫生间 (12)3.4室内顶棚 (14)第4章成品保护 (16)4.1成品保护方案 (16)4.2成品、半成品保护要点 (16)产业化结构施工阶段质量管理策划第1章工程概况1.1产业化施工1.2工程总体情况介绍:1.3工程概况:1.4项目质量管理小组组建及职责分工情况第2章 施工质量保证措施为保证本工程项目顺利实施和兑现工程质量目标,根据ISO9000质量管理体系标准和我公司质量管理体系文件规定,结合我公司以往从事类似工程的经验,从组织机构、思想教育、技术管理、施工管理以及规章制度等五个方面建立符合本工程项目的质量保证体系。
详见《质量保证体系框图》制度保证质 量 保 证 体 系 框 图思想保证施工保证组织保证技术保证质量第一为用户服务检查落实实现质量目标提高质量意识质量管理领导层小组 贯彻ISO9000质量标准,推行全面质量管理创优规化经济法规各项工作制度和标准作业队质量小组TQC教育经济责任制制度教育计划改进工作质量现场QC 小组质量工作检验总结表彰先进技术交底熟悉图纸、规范岗前技术培训质量计划应用新技术测量复核总结表彰先进改进工作质量提高工作技能明确创优项目制度创优措施检查创优效果加强现场试验控制、充分利用现代化检测手段接受业主和监理监督定期不定期质量检查自检、互检、交接检查签定包保责任状优质优价完善计量支付手续制度奖罚措施奖优罚劣经济兑现质量评定反馈按照质量管理组织机构,将质量意识强、施工经验丰富、组织能力强的人员配备到各级质量机构或部门,项目经理是质量管理的第一管理者,确保质量管理机构或部门的工作权威。
第1章工程概况 (3)第1节建筑概况 (3)第2节结构概况 (4)第3节施工条件与工程特点 (4)第2章施工总体部署 (5)第1节施工项目管理目标 (5)第2节施工组织 (5)第3节施工规划 (6)第3章施工项目管理组织机构建制 (6)第1节项目部管理组织机构为直线管理制 (6)第2节项目部班子主要成员及技术力量的配备 (7)第3节现场质量管理组织机构 (8)第4节项目部的组成与要求 (8)第5节项目经理常驻现场的保证措施 (9)第4章施工准备与资源配备 (9)第1节技术准备 (10)第2节场内准备 (10)第3节场外准备 (10)第4节主要施工机械设备使用计划表 (10)第5节主要施工周转材料使用计划表 (11)第6节主要工艺检测计量器具使用计划表 (12)第7节专业施工人员使用计划 (13)第5章施工现场平面布置 (13)第1节现场布置原则与标化管理要求 (13)第2节施工现场用电平面布置 (14)第3节施工现场用水现场平面布置 (15)第4节现场主要垂直施工机械布置 (15)第5节现场生产、生活设施 (16)第6节施工现场排水、消防通讯平面布置 (16)第6章工程测量 (16)第1节测量仪器与专业人员的配 (17)第2节轴线控制 (17)第3节高程控制 (17)第4节沉降观测 (17)第7章土建主要项目施工方法及技术措施 (18)第1节土方开挖与排水施工 (18)第2节基础钢筋工程 (19)第3节基础砼工程施工,模板工程 (19)第4节回填土施工 (20)第5节主体模板工程 (21)第6节主体钢筋工程 (23)第7节主体混凝土工程 (24)第8节墙体工程 (25)第9节装修工程 (26)第11节屋面工程 (27)第12节门窗工程 (27)第13节外脚手架 (28)第8章安装工程主要施工方法 (28)第1节主要工作内容 (28)第2节管道部分 (29)第9章工程重点、难点部位施工技术保证措施 (31)第1节工程重点、难点部位 (31)第2节工程重点、难点施工技术措施 (32)第10章工期计划与工期保证措施 (33)第1节工期计划安排 (33)第2节施工总进主度计划网络图与横道表 (33)第3节工期保证总体措施 (33)第4节实施工期计划过程控制措施 (35)第11章确保市优质保证措施 (35)第1节质量保证体系 (36)第2节分部(项)工程质量实施计划 (36)第3节质量保证总体措施 (37)第4节分部(项)工程质量保证措施 (38)第5节加强质量常见通病防治措施 (40)第6节成品质量保证措施 (43)第7节季节(雨、夏、冬)施工质量保证措施 (44)第12章安全生产保证措施 (45)第1节安全保障措施 (45)第2节机电安全 (46)第3节消防系统 (47)第13章文明施工保证措施 (47)第1节文明施工管理目标及保证体系 (47)第2节文明施工管理措施 (48)第3节场容场貌保证措施 (48)第4节楼层卫生保证措施 (48)第5节生活卫生保证措施 (49)第6节环境卫生保证措施 (49)第7节防噪声措施 (49)第14章工程施工协调配合 (50)第1节土建与水电安装的协调配合 (50)第2节与专业队伍的协调配合 (51)第3节与设计单位的协调配合 (51)第4节与监理工程师的协调配合 (51)第5节与业主的配合 (52)第6节与周边的协调配合 (52)第15章降低工程成本节约资源与优化设计方案 (52)第1节技术方面 (52)第3节安全方面 (53)第4节实行强制式机械管理 (53)第5节采用独特的物资供应与管理模式 (54)第6节利用现代化办公手段,提高工作效率 (54)第7节其它方面 (54)第16章工程技术资料管理与技术计划 (54)第1节工程技术复核计划 (55)第2节统计技术运用计划 (55)第3节四新技术应用计划 (55)第4节QC质量攻关计划 (55)第5节工程资料管理 (55)第6节施工期间管理 (56)第7节本工程必须遵守如下主要规范、标准(辅助 (56)第8节竣工移交资料目录 (56)第17章善后服务 (57)第1节工程保修 (57)第2节工程回访 (57)第1章 工程概况第1节 建筑概况96131部队92分队士兵楼位于衡阳市,地里位置优越,交通便利。
一、工程概况(一)工程简述本工程为南疆军区六九二一三部队卫生队宿舍、食堂、锅炉房、变电所、电外线、暖外线、给排水工程、浴理室等工程。
该工程位于叶城县,工程内容包括施工图设计中及设计变更中的所有内容。
该项工程的质量标准应达到《建筑工程施工质量验收统一标准》GB50300-2001合格标准。
招标文件中要求开工日期为2004年8月1日,竣工日期为2004年10月26日,施工总日历天数为86天。
(二)建筑设计内容1、宿舍、食堂该宿舍、食堂总建筑平面尺寸长41.3m,宽14.6m,建筑物最高点8.46m;总建筑面积为:1025.22㎡2、锅炉房锅炉房:建筑平面尺寸长20.6m,宽18.2m,建筑物最高点7.4m;总建筑面积为:374.92㎡3、变电所变电所: 建筑平面尺寸长14.1m,宽8.9m,建筑物最高点6.24M;总建筑面积为:91.1㎡4、浴理室浴理室: 建筑平面尺寸长27.14M,宽14.24M,建筑物最高点10.05m;总建筑面积为:359.42㎡。
5、电外线电外线:总长为:7280米。
6、采暖、给排水外管线采暖总长为:3580米给水外管线总长为:3450米排水外管线总长为:2050米水、暖井共计45个用料说明:1、宿舍、食堂(1)墙体外围护墙:①采用粘土实心砖(图中注明者除外)②砖混结构外围护墙为370厚粘土实心砖墙内隔墙:砖混结构为240厚粘土实心砖(注明者除外)墙身防潮:在墙身低于室内地面60处设置连续的水平防水砂浆防潮层,即20厚1:2.5水泥砂浆内掺3%防水剂。
(2)楼地面防水层沿立墙卷起,高出楼地面150(用于浴室、厕所等房间,现浇楼板四周亦上翻150)。
(3)屋面屋面防水材料质量标准及施工做法必须符合《屋面工程技术规范》GB50207—94及《屋面工程质量验收规范》GB50207-2002要求。
(4)门窗①门窗规格及材质见门窗统计表,加工订货时厂家应根据地区基本风压值和建筑物高度核算门窗抗风压强度。
目录1.编制依据 (2)1.1施工组织设计 (2)1.2主要规范、标准 (2)2.工程概况 (2)3.试验工作部署 (3)3.1现场材料试验管理程序 (3)3.2现场试验设备、器具的准备 (4)4.材料试验规定 (5)4.1管理要求 (5)4.2钢筋的进场要求及试验 (6)4.3混凝土试件留置原则 (6)4.4防水材料进场检验 (7)4.5水泥、砂、石、砌块、砌筑砂浆 (8)4.6回填土 (9)5.见证试验管理 (9)5.1见证试验项目 (9)5.2见证试验的程序 (10)6.具体试验计划 (11)6.1混凝土试验计划 (11)1.编制依据1.1施工组织设计1.2主要规范、标准2.工程概况3.试验工作部署3.1现场材料试验管理程序3.1.1建立现场试验管理体系项目部总工程师为试验管理体系主要负责人。
项目技术部、质量部、工程部为一级试验管理机构,工程试验管理日常部门为技术部。
项目部按本计划每月至少检查一次各分部试验工作,各分部按本计划制定各自试验计划并报项目部批准后,由项目部转监理审批。
项目部批准后,各分部按计划组织试验工作,并及时收集试验报告,对混凝土、砂浆试验,按要求及时做好强度统计工作。
3.1.2试验工作总则施工现场试验工作是工程质量管理体系的重要组成部份,必须严格执行国家有关规范、规程、技术标准及企业质量管理程序,必须严格执行《北京市建设工程施工试验实行有见证取样和送检制度的暂行规定》及企业《ISO9002质量体系保证手册》,保证本工程的试验工作顺利进行,保证工程质量能有效的得到控制并符合合同要求,工程技术资料完整、齐全、真实、有效。
3.1.3工作要点1.做好有序的试验,技术部、质量部、材料部、工程部根据施工组织设计制定好的流水段施工流程、实物工作量及材料进场计划,做好试验工作各环节的交圈接口工作,防止出现漏验少验的现象。
2.对试验工作各环节的管理人员进行岗前培训,沟通工作接口内容:保证试验信息快捷、准确。
目录1.编制依据 (5)1.1海军总医院公寓楼施工合同 (5)1.2海军总医院公寓楼楼施工图 (5)1.3海军总医院公寓楼主要标准图集 (5)1.4海军总医院公寓楼主要施工规程、规范 (6)1. 5海军总医院公寓楼主要标准 (8)1.6海军总医院态楼主要法规 (9)1.7其他相关文件。
(9)2.工程概况 (10)2.1工程简介 (10)2.2建筑设计概况 (11)2.3结构设计概况 (13)2.4专业设计简介 (14)2.5 现场条件其它 (15)2.5.1场外条件 (15)2.5.2场内条件 (15)2.5.3地质条件 (15)2.5.4水文地质条件 (16)2.5.5工程重点、难点分及措施 (16)3施工部署 (17)3.1 项目管理目标 (17)3.1.1质量目标 (17)3.1.2工期目标 (17)3.1.3安全目标 (17)3.1.4现场管理 (18)3.1.5环保目标 (18)3.2项目组织机构及职责 (18)3.2.1组织机构图 (18)3.2.2施工管理人员概况表 (18)3.2.3职能分工 (19)3.3任务的划分 (20)3.3.1总包合同范围的任务 (20)3.3.2总包组织内分包的任务 (20)3.3.3建设单位自行安排的施工任务 (21)3.3.4主要的设备、购配件的加工采购的分工 (21)3.4 组织协调 (21)3.4.1图纸会审制度 (22)3.4.2例会制度 (22)3.4.3制定专题讨论会议制度 (22)3.5施工部署总的原则、顺序 (22)3.5.1时间上部署原则 (22)3.5.3总体施工顺序部署原则 (23)3.6 施工进度安排 (23)3.6.1阶段目标控制计划 (23)3.6.2施工进度作业计划表(附表) (23)3.7主要项目工程量 (23)3.8主要劳动力计划 (24)3.8.1 施工劳动力安排 (24)3.8.2 施工劳动力计划 (25)4 施工准备工作 (25)4.1技术准备 (25)4.1.1方案编制计划 (26)4.1.2施工试验计划 (27)4.1.3计量、测量、检测、试验等器具配置计划 (28)4.1.4样板层、样板间计划 (29)4.1.5新技术、新工艺推广 (29)4.1.6人员培训 (30)4.1.7合同交底 (30)4.1.8高程引测与建筑定位 (30)4.2生产准备 (31)4.2.1现场施工水源、电源、热源准备计划 (31)4.2.2生产、生活临时设施 (36)4.2.3临时围墙及施工道路 (36)4.2.4材料进场计划 (36)4.2.5施工机械设备计划 (37)4.2.6试验室设置 (38)5主要项目施工方法 (38)5.1划分施工流水段 (38)5.1.1流水段划分依据 (38)5.1.2流水段划分 (38)5.2大型施工机械的选择 (39)5.2.1土方机械的选择 (39)5.2.2塔吊的选择 (39)5.2.3混凝土输送泵的选择 (39)5.2.4外用电梯 (39)5.3主要施工方法 (39)5.3.1地下基础结构工程施工工艺流程 (39)5.3.2地上主体结构工程施工工艺流程 (40)5.3.3测量放线 (40)5.3.4土方工程 (40)5.3.5钎探、验槽及地基处理 (41)5.3.6垫层 (41)5.3.7地下防水工程 (41)5.3.9模板工程 (46)5.3.10混凝土工程 (50)5.3.11砌筑与隔墙板安装工程 (52)5.3.12架子工程 (56)5.3.13屋面工程 (60)5.3.14内墙饰面工程 (60)5.3.15外墙饰面工程 (63)5.3.16楼地面工程 (69)5.3.17吊顶 (71)5.3.18门窗安装 (72)5.3.19设备安装 (72)6主要施工管理措施 (73)6.1质量保证措施 (73)6.1.1确质量目标,制定创优计划。
目录1项目组织机构 (4)1.1施工现场组织机构 (4)2工程概况 (11)2.1工程简述 (11)2.2装修设计 (11)3主要施工方法工方法 (18)3.1主要工序施工方案 (18)3.2本工程施工技术措施 (18)3.3楼地面工程施工工艺 (19)3.4PVC同质透心卷材地面工程 (22)3.5吊顶施工 (23)3.6乳胶漆施工工艺 (28)3.7一般抹灰工程 (29)3.8门窗安装工程 (36)3.9电气工程 (40)3.10给排水工程 (45)4施工准备计划 (52)4.1施工场地及通讯准备 (52)4.2施工机具准备 (52)4.3劳动力准备 (52)4.4生活设施准备 (52)4.5施工技术准备 (53)5资源计划 (55)5.1施工机具计划 (55)5.2劳动力资源配置计划 (58)6施工进度安排、计划 (59)6.1计划工期 (59)6.2工期保证措施 (59)7施工平面布置 (62)7.1平面布置 (62)8质量目标及质量保证体系 (64)8.1质量目标 (64)8.2质量保证管理体系(ISO9001质量保证体系)658.3质量管理措施 (67)8.4电气工程施工质量控制措施 (69)8.5给排水工程质量控制措施 (74)8.6质量保证技术措施 (79)9施工安全及文明施工措施 (82)9.1施工安全生产 (82)9.2文明施工措施 (86)10工程竣工质量保修措施 (94)10.1成品保护措施 (94)1项目组织机构1.1 施工现场组织机构在日前建筑市场竞争激烈的情况下,我公司将竖立质量就是企业的生命的思想,秉承“以质量、技术致胜,以管理、服务取誉”的一贯宗旨,发扬“团结、创新、求实、进取”的企业精神,认真进行每一项工程的施工。
考虑到本工程工序复杂,施工难度大,质量要求高且工期紧,专业分包多等特点。
我公司中标后,将组织一个强有力的组织机构,从公司到基层挑选懂技术、会管理、工作认真、能吃苦耐劳的精兵强将到该工程中去实施管理与施工,确保本工程优质、高效、低耗、如期完工。
第一章编制依据第五节合同表1-1第十一节其他第二章工程概况第一节总体简介本工程总建筑面积为7368m2,立面错落有致,主体八层,局部五层、六层。
本工程结构较复杂,地下及主体结构为框架剪力墙结构。
本工程质量目标为合格,总工期185天。
本工程经过一个雨期施工和一个冬期施工,施工难度较大、制约因素多,因此我公司将采用先进的施工方法,合理组织,科学管理确保本工程的质量及工期。
工程建设概况一览表表2-1第二节建筑设计简介第三节工程结构设计概况第四节专业概况第五节现场情况本工程海军总医院院内,建筑物的南侧及东侧紧邻现有住宅楼,现场场地平整无障碍。
第三章施工部署第一节项目经理部组织机构一、施工组织机构图详见项目组织机构图。
二、职责与分工见附录。
第二节施工部署原则一、满足合同全面满足合同制定的乙方承担的责任,履行承诺。
保证工程满足质量目标要求,在合同工期内完成施工范围全部工程。
二、工程目标质量目标:合格工期目标:185日历天安全目标:杜绝死亡、重伤及火灾事故,轻伤事故控制在3‰以下。
文明施工目标:文明施工创北京市文明施工工地。
降尘、降噪控制达到国家相关标准,夜间施工不扰民,达到ISO14001国际环保认证的要求。
成本目标:规范管理,精心施工,实现“双赢”战略,使业主、承包商的成本都有大幅度降低。
三、施工顺序原则按照先地下后地上,先结构后围护,先主体后装修,先土建后专业的总施工顺序原则进行部署。
四、施工段划分原则施工段的划分要首先结合建筑特点进行,同时满足方便施工进度的总体协调,体现流水施工人力、物力资源分配的均衡性的要求。
五、工程效益经济效益:紧紧围绕成本目标制定工程中各项经济管理措施。
减少投入,节约资源,靠科技及管理降低成本。
社会效益:创精品工程,创用户满意工程,做文明施工单位,创造公司良好的社会服务形象。
第三节总体施工顺序及施工进度计划一、总体施工顺序基础部分施工流程:定位放线→护坡桩→土方开挖及护坡→钎探验槽→混凝土垫层→防水保护墙砌筑→底板卷材防水→底板防水保护层→底板、反梁钢筋绑扎及专业配管→墙、柱插筋→底板反梁模板→底板混凝土浇筑→混凝土养护→地下一层墙、柱钢筋绑扎→墙柱模板→墙柱混凝土浇筑→地下一层梁板支模→地下一层梁板钢筋绑扎及专业配管→梁侧模板支模→地下一层顶板混凝土浇筑→养护→基础外墙防水及防水保护层施工→土方回填。
第一章编制依据第五节合同表1-1第十一节其他第二章工程概况第一节总体简介本工程总建筑面积为7368m2,立面错落有致,主体八层,局部五层、六层。
本工程结构较复杂,地下及主体结构为框架剪力墙结构。
本工程质量目标为合格,总工期185天。
本工程经过一个雨期施工和一个冬期施工,施工难度较大、制约因素多,因此我公司将采用先进的施工方法,合理组织,科学管理确保本工程的质量及工期。
工程建设概况一览表表2-1第二节建筑设计简介第三节工程结构设计概况第四节专业概况第五节现场情况本工程海军总医院院内,建筑物的南侧及东侧紧邻现有住宅楼,现场场地平整无障碍。
第三章施工部署第一节项目经理部组织机构一、施工组织机构图详见项目组织机构图。
二、职责与分工见附录。
第二节施工部署原则一、满足合同全面满足合同制定的乙方承担的责任,履行承诺。
保证工程满足质量目标要求,在合同工期内完成施工范围全部工程。
二、工程目标质量目标:合格工期目标:185日历天安全目标:杜绝死亡、重伤及火灾事故,轻伤事故控制在3‰以下。
文明施工目标:文明施工创北京市文明施工工地。
降尘、降噪控制达到国家相关标准,夜间施工不扰民,达到ISO14001国际环保认证的要求。
成本目标:规范管理,精心施工,实现“双赢”战略,使业主、承包商的成本都有大幅度降低。
三、施工顺序原则按照先地下后地上,先结构后围护,先主体后装修,先土建后专业的总施工顺序原则进行部署。
四、施工段划分原则施工段的划分要首先结合建筑特点进行,同时满足方便施工进度的总体协调,体现流水施工人力、物力资源分配的均衡性的要求。
五、工程效益经济效益:紧紧围绕成本目标制定工程中各项经济管理措施。
减少投入,节约资源,靠科技及管理降低成本。
社会效益:创精品工程,创用户满意工程,做文明施工单位,创造公司良好的社会服务形象。
第三节总体施工顺序及施工进度计划一、总体施工顺序基础部分施工流程:定位放线→护坡桩→土方开挖及护坡→钎探验槽→混凝土垫层→防水保护墙砌筑→底板卷材防水→底板防水保护层→底板、反梁钢筋绑扎及专业配管→墙、柱插筋→底板反梁模板→底板混凝土浇筑→混凝土养护→地下一层墙、柱钢筋绑扎→墙柱模板→墙柱混凝土浇筑→地下一层梁板支模→地下一层梁板钢筋绑扎及专业配管→梁侧模板支模→地下一层顶板混凝土浇筑→养护→基础外墙防水及防水保护层施工→土方回填。
主体结构施工流程:弹线→柱、墙体施工(钢筋→模板→混凝土)→梁、顶板施工(梁、顶板模→梁及顶板钢筋、专业预埋管→混凝土)→楼梯施工(模板→钢筋→混凝土)→围护墙及填充墙砌筑。
装修部分施工流程:(一)室内部分:弹50线→放门窗口位臵线→墙面抹灰→立门窗口→门窗口塞缝→做门窗护角→墙面、顶棚刮腻子→地面→安装窗扇→玻璃→油漆涂料(二)室外部分:弹线→墙面抹灰→安装窗框→墙面贴面砖、刷涂料→安装窗扇→勾缝打胶二、施工进度计划详见施工进度计划。
第四节各种资源需用量计划一、人员劳动力调配计划为高速优质完成本工程施工任务,我公司在保证劳动力数量的同时,选派素质高、具有类似工程施工经验且与我公司多年配合的整建制队伍作为本工程的主攻力量,结构综合施工队按工序分为木工班、钢筋班、混凝土班、架子班,各班组根据工序安排进行二次作业划分组织专业化施工,如木工班可分为柱作业组、梁板作业组,保证施工质量,加快施工速度。
经过工效分析和公司施工经验提出劳动力安排,见下表:2005.72005.82005.92005.102005.112005.12二、主要施工机械选用计划一、总承包范围本工程的主体结构工程(含±0.000以下及±0.000以上钢筋混凝土结构)及土方工程;±0.000以下地下室外防水工程;回填土工程;钢筋混凝土结构工程以外的二次结构工程(含各类砌体);装修工程;给排水工程;电气工程。
二、分包范围本工程分包主要包括电梯工程。
第六节大型生产设备需用计划一、与设计协调我们将与设计单位联系,了解设计意图及工程要求,并在投标方案的基础上完善我公司的施工方案。
主持图纸会审,减少图纸失误,解决施工中易出现的问题。
施工过程中出现的设计问题,及时同设计单位联系,共同研究解决办法。
二、与监理单位的协调坚持以监理工程师主持的定期监理例会为主要的现场协调方式。
以报告的形式为主要的书面沟通方式进行有关工程重要事项处理协调。
在施工过程中严格遵守方案审批制度,按照监理的要求进行方案的调整,并严格按照方案进行质量管理。
在施工班组“自检”和我公司专检的基础上,接受监理的验收和检查,并依照监理要求予以整改。
第四章施工准备第一节技术准备一、一般性技术准备1、施工图设计技术交底及图纸会审进入施工现场后立即组织土建和专业工程技术人员、责任工程师及主要项目管理人员进行图纸会审。
为保证审图质量,各级技术负责人必须组织有关人员,严格按照审图的阶段程序进行。
按不同的要求和参加的人员将图纸审查划分为四个阶段,即熟悉图纸、初审、内部会审、综合会审。
在认真审图的基础上,进行设计交底,并且办好设计交底记录和设计变更洽商。
2、施工图深化设计施工前做好模板设计、加工。
钢筋加工前派专人负责提料。
图纸、规范、标准、图集等检查图纸、规范、标准、图集等是否齐备、有效。
二、设备及器具配臵长度计量器具:热学计量器具三、技术工作计划1、分项工程施工方案编制计划另见试验工作计划3、样板项及样板间计划(1)管理人员培训:由于本工程采用新规范、新的验收标准,我公司决定分批组织技术、生产、质量等部门的主要人员参加培训;工程开工前进行三标一体的培训;根据工程进度进行专业知识的培训,如:深基坑支护培训,冬施培训等。
(2)劳务人员培训:每周利用施工质量检查例会和安全例会的机会,组织由经理部和劳务队伍管理人员参加的质量、技术意识提高会议。
第二节生产准备一、现场准备平整场地、清理施工范围内的障碍物。
做好工程定位桩的复测和轴线控制网的测设工作。
依据临水、临电方案布设临时用水用电管网,做到水通、电通,满足施工生产用水用电。
做好现场总平面布臵,现场总体分为三大区域,施工现场区、办公管理区、民工生活区。
施工现场的道路、临水、临电设备、大型机械运输设备的布臵以结构施工为主,统筹基础、结构主体及装修阶段施工需求布臵。
详见各施工阶段现场平面布臵图。
二、人员准备筹建项目经理部,明确各部室的职能范围,确定每个人的职责范围,建立各种管理制度、沟通渠道。
组织劳务队伍进场,做好前期培训及各项技术交底。
三、材料准备按照设计、业主和施工方案的要求选择建筑用材料和施工生产用材料厂家,组织材料的报验、进场、复试工作。
现场责任工程师组织人员依据图纸提供材料用量及进场使用计划,由材料部门统一组织购进。
第五章主要施工方法及技术措施第一节流水段的划分流水段的划分要结合建筑特点,利于资源均衡、合理分配的原则进行。
本工程○3-○4轴将地下室划分为2个流水段,主体结构划分为2个流水段。
详见流水段划分图。
第二节大型机械的选择本工程设臵一台臂长40m的QT80A塔吊解决钢筋、模板的垂直运输,由于本工程塔吊的回转半径范围内,有两栋三层的楼房,总高度为12m左右,因此塔吊的安装应一次提升到顶。
结构施工设一台地泵和一台布料杆解决混凝土的垂直和水平运输。
土方开挖工程决定配备日立反铲挖土机1台。
二次结构时,在楼东侧设臵一台外用电梯,砌筑阶段采用砂浆现场搅拌的方法,现场将设臵1台JZC350搅拌机,装修阶段设臵两台砂浆搅拌机。
第三节主要分部(分项)工程施工方法一、测量方案本工程的平面控制网依据给定的工程平面定位桩和设计图纸确定。
因此测量放线前必须与规划部门办理好相关手续,做好定位桩的校核工作。
1、平面控制网的建立依据规划院的工程定位桩和设计图纸中的轴线布臵,用高精度经纬仪测设现场主要轴线控制网,并埋设轴线控制桩(详见《测量方案》中轴线控制网平面布臵图)。
轴线控制网作为现场施工平面放线一级控制线。
控制桩的埋设必须保证良好的通视性,稳定性。
依据平面轴线控制网在现场弹出建筑轴线。
2、高程控制网布设:依据规划院的工程定位桩,将高程引测到建筑的四个角点位臵,形成闭合的高程控制网,并打混凝土桩定位。
3、标高投测:用钢尺沿结构外墙以起始标高线为准向上竖直测量,各层的标高线均应由各处的起始标高线向上直接量取,并在传递高度超过钢尺长度时,根据引测的两个永久水准点用水准仪在该层精确测定第二条起始标高线,作为再向上引测的依据,每一流水段至少应由三处分别向上引测。
4、轴线的投测根据前述各红线点测设各平面控制轴线,建立轴线控制网。
基础工程测量采用外控法,主体结构施工采用内控法。
每个施工段设臵四个轴线内控制点,采用激光铅直仪进行轴线的投测。
5、施工层的放线与抄平:施工层放线时,应先在结构平面上校核投测轴线,闭合后再测设细部轴线,然后据此测设墙、门窗洞口等边线。
施工层抄平之前应先校测首层传递上来的各标高点,当校差小于3mm时以其平均点引测水平线。
为了有效控制各层轴线及标高误差在允许范围内,并达到在装修阶段仍能以结构控制线为依据测定,要求在施工层的放线与抄平中弹放下列控制线。
所有细部轴线(墙体边线、门窗洞口边线)、各外墙大角轴线、各开间+1.0m水平控制线。
结构施工中每层施工完毕,应检测外墙偏差并记录,并每层检查门窗洞口净空尺寸偏差,同一外立面同层窗洞口高低偏差及各层同一部位窗洞口水平位移并绘图记录,同时应及时抄测该层的标高、轴线误差,按照装饰施工测量的精度要求弹出装饰工程所需的控制点、控制线,主要有:内外墙+1.0m水平控制线,外墙窗口中线弹出竖直通线,房间的十字线,吊顶标高线,龙骨线。
二、土方及护坡工程1、护坡工程由于本工程南侧、北侧紧临现有建筑物,因此南侧及北侧局部做φ800的人工挖孔灌注桩,间距1.6m,其余部分采用土钉墙基坑支护体系,具体方案见土方开挖及基坑支护方案。
2、土方开挖土方开挖前,测量放出基坑开挖线。
并将建筑定位桩和平面轴线控制桩移至基坑外,并做好保护。
本工程土方开挖采用1台反铲挖掘机,坡道设在东侧塔吊基坑处,机械进出坡道采用内外结合坡道,坡度1:3。
挖土时配合边坡挂网抹灰护坡施工分区、分步(层)挖运施工,最后槽底要预留余土层20cm,由人工清理。
土方开挖完后,应进行钎探验槽。
由于场地狭小,无法留存回填土,挖出土方按照北京市渣土管理办法运至指定地区处理。
具体方案见土方开挖及基坑支护方案。
3、钎探验槽土方开挖完成后,按规定进行钎探验槽,发现问题,认真解决。
钎孔采用梅花形布臵,间距取1.5m,钎探深度取2.1m。
基坑挖好后,定出钎孔位臵,绘制基槽平面图,将钎探点依次编号制成钎探平面图,钎探按该图进行。
钎探时,用锤把钢钎打入槽底的基土内,并记录每打入土层30cm的锤击数。
全部钎探完毕后,逐层分析研究钎探记录,逐点进行比较,在有异常处做标注,并进行处理。