实验三-定时器、计数器应用实验二
- 格式:docx
- 大小:175.09 KB
- 文档页数:9
实验三定时器、计数器操作与应用实验报告、实验目的1、 了解和熟悉FX 系列可编程序控制器的结构和外 部接线方法;2、 了解 和熟 悉 GX Developer Version 7.0 软件的 使用 方法 ;3、 掌握 可编 程序 控制器 梯形 图程 序的 编制 与调 试。
二、实验要求仔 细阅 读实 验指 导书 中关 于编 程软 件的 说明 ,复习 教材 中有 关内 容 , 分 析程 序运 行结 果。
三、实验设备2 、 开关 量输 入 / 输出 实验 箱 3、 计算 机 4、 编程 电缆注 意:1) 开关量输入/输出实验 箱内的钮子开关用来产生模拟的 开关量输入 信 号; 2) 开关量输入/输出实验箱内的LED 用来指示开关 量输出信号; 3) 编程电缆在连接PLC 与计算机时请注意方向。
四、实验内容1 、梯形图1 、 FX 系列可 编程 序控 制器一只一套5、 GX Developer Version 7.0软件一套2、梯形图程序0LD xooo1OUT YOOOX0012LD3OR¥0014AN I X0025OUT Y0016OUT TO K509MPS10AHI TO11OUT Y00212MPP13ASD TO14OUT¥00315LD X00316RST CO18LD X00419OUT CO K522LD CO23OUT Y00424END3、时序图r 时序10 □ ©Si正在进荷囲1SL 金冃勖厂手祜r XI广X3厂X5厂K1Q拧应C40 J2fl MIB -380 .360 '340 -33 MW 脚 M 创Q,220,200,13Q -1«-14D ,1如■!» 如也 40 如厂「五、实验步骤1、程序的编辑、检查和修改;2、程序的变换;3、程序的离线虚拟设备仿真测试;4、程序写入PLC;5、用PLC运行程序;6、比较程序的分析结果与实际运行结果。
实验二定时器实验
一、实验目的
l. 掌握定时指令的使用。
2. 掌握由计数器构成的典型环节。
3. 熟悉软件的调试方法,监控模式的使用。
二、实验器材
1. DICE-PLC02-A/B型可编程序控制器实验台/箱l台
2. FX一l0P-E编程器(可选)l只
3. 编程电缆l根
4. 连接导线若干
三、实验内容与步骤
一)实验原理
FX2N系列PLC有定时器256个(T0~T199),定时器的时基脉冲为l00ms(T25~T199、T250~T255)、10ms(T200~T245)、1ms(T246~T249),其中1ms(T246~T249)和l00ms(T250~T255)为累计(积算)型定时器。
每个定时器的定时范围从1×T~32767×Ts,T为时基脉冲周期。
二)实验内容与步骤:
1、编程实现按键按下后1s后接通LED,然后2s后断开LED,记录梯形图和指令表,然后打开监控模式,观察各元件的动态表现。
监控模式下的现象记录:
2)改变定时器的编号(地址)观察累计型和非累计型定时器的区别,然后打开监控模式,观察各元件的动态表现。
监控模式下的现象记录,累计型与非累计型的区别:
3)编写由定时器构成的闪烁(震荡)程序
分析:振荡器的高低电平/频率分别由什么控制。
4)编写8 LED流水灯程序;
实验报告
一、记录实验步骤
二、记录对应程序(梯形图和指令表)
三、记录实验现象
四、实验现象分析。
定时器计数器实验报告简介:定时器是一种用来产生、计数和处理时间信号的计时装置。
在数字电路中,定时器主要分为内部定时器和外部定时器两类,内部定时器是在单片机内部实现的,外部定时器则是通过外部电路实现的。
计数器则是一种用来计数的电子元件,根据不同的使用场合和要求,计数器可以分为多种类型。
在嵌入式系统中,定时器计数器应用广泛,例如在时钟、延时、计数等方面都有很大的作用。
实验目的:1. 学习定时器和计数器的基本原理及应用。
2. 熟悉定时器和计数器在单片机中的编程方法。
3. 掌握通过定时器和计数器实现延时和计数功能的方法。
实验器材:1. STM32F103C8T6开发板2. ST-LINK V2下载器3. 电脑实验内容:一、实验1:使用定时器和计数器实现延时功能1. 在Keil C中新建一个工程,并编写以下程序代码:```#include "stm32f10x.h"void TIM2_Int_Init(u16 arr,u16 psc){TIM_TimeBaseInitTypeDef TIM_TimeBaseStructure;NVIC_InitTypeDef NVIC_InitStructure ;RCC_APB1PeriphClockCmd(RCC_APB1Periph_TIM2, ENABLE);TIM_TimeBaseStructure.TIM_Period = arr;TIM_TimeBaseStructure.TIM_Prescaler=psc;TIM_TimeBaseStructure.TIM_CounterMode=TIM_CounterMode _Up;TIM_TimeBaseInit(TIM2, &TIM_TimeBaseStructure);TIM_ITConfig(TIM2,TIM_IT_Update,ENABLE );NVIC_InitStructure.NVIC_IRQChannel = TIM2_IRQn;NVIC_InitStructure.NVIC_IRQChannelPreemptionPriority = 1;NVIC_InitStructure.NVIC_IRQChannelSubPriority = 1;NVIC_InitStructure.NVIC_IRQChannelCmd = ENABLE; NVIC_Init(&NVIC_InitStructure);TIM_Cmd(TIM2, ENABLE);}void TIM2_IRQHandler(void){if (TIM_GetITStatus(TIM2, TIM_IT_Update) != RESET) {TIM_ClearFlag(TIM2, TIM_FLAG_Update);GPIO_WriteBit(GPIOB,GPIO_Pin_12,(BitAction)(1-GPIO_ReadOutputDataBit(GPIOB,GPIO_Pin_12)));}}int main(void){GPIO_InitTypeDef GPIO_InitStructure;RCC_APB2PeriphClockCmd(RCC_APB2Periph_GPIOB, ENABLE);GPIO_InitStructure.GPIO_Pin = GPIO_Pin_12;GPIO_InitStructure.GPIO_Mode = GPIO_Mode_Out_PP; GPIO_InitStructure.GPIO_Speed = GPIO_Speed_50MHz; GPIO_Init(GPIOB,&GPIO_InitStructure);TIM2_Int_Init(9999,7199);while (1);}```2. 将STM32开发板连接到电脑,并下载程序到开发板中。
实验名称:定时器/计数器应用实验日期:见自己实验数据得分:同组人:不填指导教师:姓名一、实验目的1.掌握51单片机定时器/计数器的基本结构、工作原理和工作方式。
2.掌握定时器/计数器T0、T1工作在定时器和计数器两种状态下的编程方法。
3.学习和掌握定时器/计数器工作在定时器和计数器两种状态下,分别采用中断和查询方式控制的编程方法。
4.熟练掌握利用软件扩展定时器/计数器量程的原理和编程技巧。
二、实验设备PC机一台,单片机实验系统一套三、实验内容设定时器/计数器工作于定时方式,定时时间为100ms,每当100ms到申请中断。
每10秒种将A的内容循环左移一次,送P1口显示。
四、实验原理51单片机有2个16位的定时器/计数器,分别是T0和T1。
它们有两种工作状态,可以工作在定时方式和计数方式;定时是对内部的机器周期进行加法计数,计数是对外部输入的计数脉冲进行加法计数,T0的外部计数脉冲从P3.4引脚输入,T1的外部计数脉冲从P3.5引脚输入;计数满产生溢出,硬件使定时器/计数器T0、T1的中断请求标志TF0、TF1置位;如果定时器/计数器允许中断,则可以采用中断方式进行溢出处理,而如果定时器/计数器不允许中断,则可以采用查询方式进行溢出处理。
若定时器/计数器T0工作在定时状态,在实验系统的晶振频率f OSC=12MH Z时,T0工作在方式1,16位最大计数量程,最长的定时时间是65mS多,要想实现10S定时,必须对T0进行量程扩展。
实验中采用R7进行软件扩展,即R7对T0定时50mS进行计数,计数200次就是定时10S。
每10S对累加器A进行一次左移,然后送P1口显示。
实验电路连接图如图1所示。
图1 定时器/计数器应用实验接线图根据此实验原理编写的实验源程序清单见附页。
五、实验步骤1.在E盘下为工程建立文件夹姓名3;2.新建工程项目文件姓名3.uv2,保存在文件夹姓名3中,并为工程选择目标器件为AT公司的AT89S51;3.编辑源程序,建立源文件姓名3.ASM,保存在文件夹姓名3中;4.将源文件姓名3.ASM添加到工程项目组中;5.设置调试环境,选择调试模式为Proteus软件仿真;6.运行程序,根据设计的数据记录表格进行实验,观察发光管显示的状态,并记录实验现象;7.实验数据经过实验指导教师检查正确后,实验结束。
机电一体化实验指导书1目录实验一与非逻辑功能实验 (1)实验二定时器/计数器功能实验 (4)实验三置位/复位及脉冲指令实验 (8)实验四移位寄存器实验 (14)实验五数码显示的模拟控制 (19)实验六装配流水线的模拟控制 (23)实验七交通灯的模拟控制 (26)实验八机械手的模拟控制 (29)附录 (31)机电一体化实验指导书实验一与非逻辑功能实验一、实验目的1.熟悉PLC实验装置。
2.练习手持编程器的使用3.熟悉系统操作。
4.掌握与、或、非逻辑功能的编程方法。
二、实验内容1.熟悉三菱GX-Developer 编程软件的使用方法,请详细阅读本书附录的全部内容。
2.编制梯形图并写出程序,通过程序判断Y1、Y2、Y3、Y4的输出状态,然后再输入并运行程序加以验证。
三、实验原理1.线圈驱动指令LD、LDI、OUTLD:取指令。
表示一个与输入母线相连的常开接点指令,即常开接点逻辑运算起始。
LDI:取反指令。
表示一个与输入母线相连的常闭接点指令,即常闭接点逻辑运算起始。
OUT:线圈驱动指令,也叫输出指令。
LD、LDI两条指令的目标元件是X、Y、M、S、T、C,用于将接点接到母线上。
也可以与ANB指令、ORB指令配合使用,在分支起点也可使用。
OUT是驱动线圈的输出指令,它的目标元件是Y、M、S、T、C。
对输入继电器X不能使用。
OUT指令可以连续使用多次。
LD、LDI是一个程序步指令,这里的一个程序步即是一个字。
OUT是多程序步指令,要视目标元件而定。
OUT指令的目标元件是定时器T和计数器C时,必须设置常数K。
2.接点串联指令AND、ANIAND,与指令。
用于单个常开接点的串联。
ANI,与非指令。
用于单个常闭接点的串联。
AND与ANI都是一个程序步指令,它们串联接点的个数没有限制,也就是说这两条指令可以多次重复使用。
OUT指令后,通过接点对其它线圈使用OUT指令称为纵接输出或连续输出,连续输出如果顺序不错可以多次重复。
《自动控制原理》实验指导书31000字实验一、开关量控制与监测实验目的:掌握开关量控制与监测的基本原理及方法。
实验器材:PC机、PLC编程软件、PLC编程器、PLC实验箱、直流电源、继电器、开关。
实验内容:1. 使用PLC编程软件进行PLC的程序编写。
2. 使用直流电源作为控制电源,将继电器与开关连接,利用PLC实现开关量控制和监测。
实验步骤:1. 利用PLC编程软件进行PLC的程序编写。
2. 将直流电源的正极与继电器的常闭端相连,继电器的常开端与开关相连。
3. 将开关的另一端与PLC的输入端相连,PLC的输出端与继电器的控制端相连。
4. 将直流电源的负极与PLC实验箱的接地端相连。
5. 将PLC编程器连接到PC机上,将编写好的程序下载到PLC实验箱中。
6. 按下开关,观察继电器的输出,检查程序的正确性。
实验结果:1. 开关按下,PLC输出信号,继电器吸合。
2. 开关松开,PLC输出信号,继电器断开。
实验二、模拟量采集和控制实验目的:掌握模拟量采集和控制的基本原理及方法。
实验器材:PC机、PLC编程软件、PLC编程器、PLC实验箱、直流电源、电位器、LED灯。
实验内容:1. 使用PLC编程软件进行PLC的程序编写。
2. 使用电位器作为模拟量输入信号源,利用PLC采集电位器的模拟量信号,并控制LED灯的亮度。
实验步骤:1. 利用PLC编程软件进行PLC的程序编写。
2. 将电位器的信号通过模拟量转换模块输入到PLC的模拟量输入端。
3. 利用PLC的模拟量比较指令,将电位器的模拟量信号转换成数字量信号。
4. 根据数字量输出信号的状态,控制LED灯的亮度。
5. 将直流电源的负极与PLC实验箱的接地端相连。
6. 将PLC编程器连接到PC机上,将编写好的程序下载到PLC实验箱中。
7. 调节电位器,观察LED灯的亮度变化。
实验结果:1. 电位器调整时,模拟量输入信号发生变化。
2. 根据模拟量输入信号的大小,PLC输出数字量信号,控制LED灯的亮度。
PLC 应用技术实验指导书
1 实验3 定时器和计数器指令的应用
一、实验目的
1. 熟悉CPM2A 型PLC 的交流和直流电源的连接,熟悉输入开关板和I/O 端子的连接。
2. 通过实验程序熟悉定时器和计数器指令的基本应用方法。
二、实验内容
1. 认真阅读实验程序,理解并熟悉实验程序的功能。
2. 输入程序。
3. 调试并监控程序运行。
三、实验步骤
1. 正确连接PLC 所需的各种电源。
连接实验程序的需要的输入开关板和I/O 的接线端子。
2. 输入用定时器指令编写的延时10s 导通的定时程序(见图1)。
运行、监控并调试,观察结果。
3. 输入用计数器指令编写的计数10次的计数程序(见图2)。
运行、监控并调试,观察结果。
4. 用定时器和计数器器指令编写一个既有定时器,又有计数器的延时10s 导通的定时电路程序。
输入、修改、运行、监控并调试,观察结果。
●自编梯形图程序:
四、实验总结及思考
1. 总结本次实验中各个程序运行的结果。
2. 写出上述梯形图程序的指令语句表。
3. 若延时时间修改为50s ,应该修改定时器的什么值,如何修改?
4. 按现在的程序,计数电路中的1.02输入端子上应该接动合还是动断按钮?为什么?
00000 00002 00005
图1 延时10s 的定时电路的梯形图 00000 00004 00007 图2 计数10次的计数电路的梯形图。
实验二定时器计数器实验1.实验目的①掌握8051的定时器、中断系统编程方法;②了解定时器的应用、实时程序的设计和调试技巧。
2.预习要求①理解定时器的四种工作方式的异同点;②理解TMOD寄存器中GATE、C/T控制位的作用;③理解定时器中断服务程序的响应过程;④理解定时器实现精确定时的方法;⑤认真预习本节实验内容,设计出器件之间的实验连接线,自行编写程序,填写实验报告。
3.实验设备计算机1台;ZDGDTH-1型80C51实验开发系统1套;2号导线、8P数据线若干条;4.基础型实验内容①如图2-1所示,假设采用P1.0口控制外部LED,用拨动开关控制外部中断,用二号导线将D2区80C51/C8051F020MCU模块的 P1.0、P3.2口分别与A 5区八位逻辑电平显示模块的L0、C6区八位逻辑电平输出K0相连。
在Keil环境运行以下程序,分别拨动K0于高低电平位置,观察实验现象,并说明所发生实验现象的原因。
图2-1 外部中断及LED显示电路ORG 0000HLJMP MAINORG 000BHLJMP TIMER0ORG 0030HMAIN: CLR P1.0MOV TMOD,#0AHMOV TL0,#50HMOV TH0,#50HSETB TR0SJMP $TIMER0: CPL P1.0RETIEND②用二号导线将80C51/C8051F020 MCU模块的P1.0与八位逻辑电平显示模块的任意一只发光二极管相连,全速运行下列程序,发光二极管隔一秒点亮一次,点亮时间为一秒。
流程图为:主程序框图定时中断子程序图源程序:Tick equ 10000 ; 10000 x 100us = 1sT100us equ 20 ; 100us时间常数(6M)C100us equ 5h ; 100us记数单元LEDBuf BIT 00HLED BIT P1.0org 0000Hljmp Startorg 000BHLJMP T0IntORG 0100HT0Int: push PSWmov a, C100us+1jnz Goondec C100usGoon: dec C100us+1mov a, C100usorl a, C100us+1jnz Exit ; 100us 记数器不为0, 返回mov C100us, #HIGH(TICK);#high(Tick)mov C100us+1, #LOW(TICK);#low(Tick)cpl LEDBuf ;100us 记数器为0, 重置记数器,取反LEDExit: pop PSWretiStart: mov TMOD, #02h ; 方式2, 定时器mov TH0, #t100usmov TL0, #t100usmov IE, #10000010b ; EA=1, IT0 = 1setb TR0 ; 开始定时clr LEDBufclr P1.0mov C100us, #high(Tick)mov C100us+1, #low(Tick)Loop: mov c, LEDBufmov P1.0, csjmp Loopend5.设计型实验内容①编程使第1~4和5~8发光二极管循环点亮的时间分别为0.25s、0.5s、0.75s、1s。
PLC原理与应用实验指导书课程性质:实验编写人:张国胜责任教授:武洪涛审定人:徐爱钧目录实验一PLC基本指令实验 (2)实验二PLC定时器/计数器实验 (6)实验三自动配料系统模拟控制实验 (8)实验四机械手模拟控制实验 (10)实验五天塔之光模拟控制实验 (12)实验六步进电机控制实验 (13)实验七电梯模拟控制实验 (14)实验八十字路口交通灯模拟控制实验 (15)实验一PLC基本指令实验一、实验目的1. 掌握常用基本指令的使用方法。
2. 熟悉编程器的指令编入、删除、插入、程序读出等操作。
3. 学会用基本逻辑与、或、非等指令实现基本逻辑组合电路的编程。
二、实验器材1. DICE-PLC01型可编程序控制器实验台/箱l台2. 编程电缆l根3. 连接导线若干三、实验内容及步骤三菱系列FX系列可编程序控制器基本指令有20多条(根据主机型号的不同,指令系统也有所差异),如下表所示。
本次实验进行常用基本指令LD、LDⅠ、LDP、LDF、AND、ANI、ANDP、ANDF、OR、ORI、ORP、ORF、ANB、ORB、OUT、END指令的编程操作训练。
(1)基本指令实验实验二PLC定时器/计数器实验一、实验目的l. 掌握定时指令的使用。
2. 掌握计数器的使用。
3. 掌握计数器/ 定时器内部时基脉冲参数的设置。
二、实验器材1. DICE-PLC01型可编程序控制器实验台/箱l台2. 编程电缆l根3. 连接导线若干三、实验内容与步骤1. 定时器指令FX1 s系列PLC有定时器63个(T0~T63),定时器的时基脉冲为l00ms(0.1s〕,每个定时器的定时范围从0.1s~3276.7s,定时指令占用步数3步。
当M8028被驱动时(即M8028=1),定时器T32~T62(30点)的时基脉冲为10ms(0.01s)即T32~T62的定时时基脉冲为0.01s。
对下列程序进行编程练习:2、计数器指令FX1s系列PLC的一般计数器个数为16个(C0~Cl5),停电锁存计数器16个(Cl6~C31),每个计数器均为16位,设定值范围在K1~K32767内.,该指令占步数为3步。
实验一根本指令实验本实验为验证性实验。
一.实验目的1.熟悉PLC实验箱系统的使用方法;2.熟悉PLC编程软件及方法;3.掌握与、或、非等指令;4.掌握定时器、计数器的使用;5.熟悉SET置位、RST复位、PLS上升沿微分、PLF下降沿微分指令的编程及使用。
二.实验原理和电路任何厂家消费的PLC,均有根本的逻辑指令。
三菱FX系列PLC有根本指令20条。
本次实验进展常用的根本指令LD、LDI、AND、ANI、OR、ORI、SET、RST、PLS、PLF、OUT和END等指令的编程操作训练,其余指令训练将在以后实验中进展。
1.LD、LDI、AND、ANI、OR、ORI、OUT、END指令LD:取指令。
将动合触点与母线连接。
LDI:取反指令。
将动断触点与母线连接。
AND:与指令。
将动合触点与前面的电路串联连接。
ANI:与反指令。
将动断触点与前面的电路串联连接。
OR:或指令。
将动合触点与前面的电路并联连接。
ORI:或反指令。
将动断触点与前面的电路并联连接。
OUT:输出指令。
线圈驱动。
END:完毕指令。
表示程序完毕。
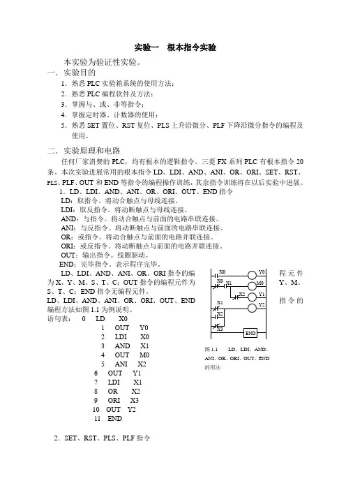
LD、LDI、AND、ANI、OR、ORI、OUT、END指令的编程方法如图1.1为例说明。
语句表:0 LD X01 OUT Y02 LDI X03 AND X14 OUT M05 ANI X26 OUT Y17 LDI X18 OR X29 ORI X310 OUT Y211 END2.SET、RST、PLS、PLF指令SET 为PLC 的置位或称置数指令,RST 为PLC 的复位或称清零指令。
SET/RST 指令用于线圈〔Y 、S 、M 〕的自保持功能,相当于RS 触发器,其中S 为置数端,使线圈接通,R 为复位端,使线圈复位。
PLS 为上升沿微分输出指令,PLF 为下降沿微分输出指令。
这两条指令在输入信号的上升沿或下降沿产生一个扫描周期的脉冲。
SET 指令的编程元件为Y 、M 、S ;RST 指令的编程元件为Y 、M 、S 、D 、V 、Z 、T 、C 。
实验三、定时器/计数器实验一、实验目的1、了解MCS-51单片机定时/计数器的基本结构、工作原理和工作方式。
2、掌握定时/计数器工作在定时器和计数器两种方式下的编程方法。
3、掌握数码管显示电路的驱动原理及编程方法。
二、实验内容1、编写单片机程序,用T0作定时器产生周期为1秒的方波(用查询方式编程),从P3.6,P3.7口输出,将P3.7接到示波器显示该方波波形;用T1作计数器对从P3.6输出的方波进行计数,计数结果通过P1口输出到发光二极管显示。
(计算机仿真)2、编写单片机程序,用T0作定时器产生周期为1秒的方波(用查询方式编程),从P3.6,P3.7口输出,将P3.6输出的方波接到P3.5口通过T1作计数器对该方波进行计数,计数值由LED显示,用存储示波器显示P3.7输出的方波。
(实验台验证)3、设计一个60秒计时器,秒计时结果用两位LED数码管显示。
(计算机仿真)4、选做:设置按键控制计时器的启、停及清零功能。
三、实验原理电路原理图如下,所需元件为:AT89C52、LED-YELLOW、7SEG-COM-CAT-GRN 当晶振为22.1184M时,一个机器周期为0.54251微秒,要实现500毫秒的定时,需要921659个机器周期,对于51单片机内部定时器来说,最大只能定时65536个机器周期,定时35.535毫秒,不能满足要求,为此必须借助软件循环进行扩展。
实现的方法是:用定时器中断定时10毫秒,再用软件扩展50倍即可得到500毫秒的定时。
当到达500毫秒时,对P3.7输出取反,可得到周期为1秒的方波。
选择模式1,每个10ms中断一次,设初值为X,根据下面公式,可求得X 的值。
(216-计数初值)*机器周期=定时时间36161010101184.2212)2(-⨯=⨯⨯-X 有关定时计数器的特殊功能寄存器,请参考课本。
选择模式1,每个10ms 中断一次,设初值为X ,根据下面公式,可求得X 的值。
西南科技大学实验报告课程名称:单片机原理及应用A实验名称:中断、定时器/计数器实验姓名:学号:班级:生医1401指导教师:雷华军西南科技大学信息工程学院制实验题目数码管动态扫描显示驱动、键盘动态扫描驱动一、实验目的1、熟练巩固单片机开发环境KEIL界面的相关操作和PROTUES仿真软件的操作,会使用HEX文件进行单片机的仿真。
2、了解定时器的原理和四种工作方式的使用方法,学习定时器的相关应用,包括产生信号和计数,利用定时器进行延时等。
3、进一步掌握熟练单个数码管以及多位数码管的显示原理,学会将0~1000的数字进行显示。
4、掌握利用单片机产生矩形方脉冲的相关原理。
二、实验原理1、定时器结构和原理图①上图①为定时器T0、T1的结构,其中振荡器经12分频后作为定时器的时钟脉冲,T为外部计数脉冲输入端,通过开关K1选择。
反相器,或门,与门共同构成启/停控制信号。
TH 和TL为加1计数器,TF为中断标志。
每接收到一个脉冲,加1计数器自动加1,当计数器中的数被加为0时产生溢出标志,TF将被置1。
计数器工作方式的选择和功能的实现需要配置相应的寄存器TMOD和TCON。
2、定时器工作方式定时器共有四种工作方式分别为方式0——方式3。
方式0:13位计数器,最大计数值为213个脉冲。
方式1:16位计数器,最大计数值为216个脉冲。
方式2:8位自动重装计数器。
该方式下,TL进行计数工作,TH用于存放计数初值,当产生溢出中断请求时会自动将TH中的初值重新装入TL,以使计数器继续工作。
方式3:仅限于T0计数器,在方式3下,T0计数器被分成两个独立的8为计数器TL0和TH0。
3、定时器间隔1ms产生一个脉冲利用单片机1 P3.0口进行脉冲的输出,通过定时器进行端口定时控制,实现每1ms高低电平变换。
就可以实现一个占空比为50%的矩形脉冲输出。
对于定时器的定时功能实现,需要进行定时器模式选择,定时器初值设定。
4、利用中断进行脉冲的计数将单片机1 P3.0口输出的脉冲连接到单片机2的中断INT0口P3.2,通过脉冲的高低电平变换触发中断0,进行脉冲个数的计数。
《单片机原理与接口技术》第3章单片机集成功能模块实验实验二中断控制实验实验三定时/计数器实验班级:学号:姓名:成绩:指导老师:日期:2017年11月6日实验二中断控制实验一、实验目的学习中断控制技术的基本原理,掌握中断程序的设计方法。
二、实验原理1、参照实验电路连线图接线,在8051的P1口上接8个发光二极管,在INT0(P3.2)接入触发脉冲电路,利用下降沿触发产生中断。
2、编制主程序,使P1口的8个发光二极管同时亮,延时一会儿在同时熄灭,延时时间自定。
外来脉冲每触发一次,主程序便中断一次,在中断服务子程序中,使P1口的8个发光二极管在某一时刻只有一个点亮,并向左循环移动。
三、仪器设备:1、PC计算机一台。
2、Dais-386PRO+实验系统一套。
四、实验内容:1、定时器中断单片机集成的定时器可以产生定时中断,利用定时器T0,编写程序,使P1.0控制的发光二极管L0每隔1秒交替点亮或熄灭。
实验步骤:1)按图3-2-1连接实验电路,参考程序:A51\3_2_1.ASM;2)编写程序,经编译、链接无语法错误后装载到实验系统;3)运行程序,观察发光二极管L0,应每隔1秒交替点亮或熄灭;4)实验完毕后,应使用暂停命令中止程序的运行。
2、外部中断L0P1.0发光二极管单片机图3-2-2 实验接线图SP单脉冲P3.2L0P1.0发光二极管单片机图3-2-1 实验接线图P3.2(INT0)连接单脉冲发生器,编写程序,每按一次脉冲产生一次中断,使P1.0控制的发光二极管L0交替点亮或熄灭。
1)按图3-2-2连接实验电路,参考程序:A51\3-2-2.ASM;2)编写程序,经编译、链接无语法错误后装载到实验系统;3)运行程序,每按动一次单脉冲按钮令发光二极管L0交替点亮或熄灭;4)实验完毕后,五、实验结果讨论:定时器中断:由于实际晶振为11.0592MHz,所以延时10ms时设置的初值为DBFFH,本程序运用了两种方法设置初值,一种是用HIGH(65536-COUNT)取高8位,一种是(65536-COUNT)/256右移8位来取高八位,然后用中断服务子程序来进行100次循环来延时1s 并且CPL指令取反来实现灯的明暗交替变换。
成绩实验报告实验名称定时计数器实验实验班级电子08-2姓名何达清学号12(后两位)指导教师实验日期2010年11月12日实验三定时/计数器实验一、实验目的1、掌握数码管的静态和动态扫描显示法。
2、掌握单片机定时计数器的初始化编程。
3、学会运用定时计数器进行单片机控制程序设计。
二、实验内容1、见图一,利用静态扫描显示法,让数码管显示数字6 。
(数码管元件7SEG-MPX1-CA,共阳极数码管)0RG 0000HMOV P0,#82HEND2、见图一,利用静态扫描显示法,让数码管显示数字0。
间隔时间1秒后,显示数字1。
间隔时间1秒后,显示数字2。
………间隔时间1秒后,显示数字F。
间隔时间1秒后,显示数字0 。
周而复始,循环不息。
图一程序如下:ORG 0000HLJMP MAINMAIN:MOV R0,#0FFHLOOP:INC R0CJNE R0,#16,SHOWMOV R0,#0SHOW:MOV A,R0MOV DPTR,#TABMOVC A,@A+DPTRMOV P0,AACALL DELAY1SAJMP LOOPDELAY1S: ;误差0usMOV R7,#0A7HDL1:MOV R6,#0ABHDL0:MOV R5,#10HDJNZ R5,$DJNZ R6,DL0DJNZ R7,DL1NOPRETTAB:DB0C0H,0F9H,0A4H,0B0H,99H,92H,82H,0F8H,80H,90H,88H,83H,0C6H,0A1H,86H,8EH,0FFH END3、见图二,利用动态扫描显示法,,让数码管显示数字01234567 。
(数码管元件7SEG-MPX8-CA-BLUE,共阳极数码管)图二程序如下:ORG 0000HAJMP MAINORG 000BHAJMP TEFORG 33HMAIN:MOV SP,#60HMOV R4,#0MOV R3,#80HMOV TMOD,#02HMOV TH0,#06HMOV TL0,#06HSETB ET0SETB EASETB TR0LP:CJNE R4,#8,NEXTMOV R4,#0NEXT:MOV A,R4MOV DPTR,#TABMOVC A,@A+DPTRMOV R5,AAJMP LPTEF:PUSH ACCMOV A,R3RL AMOV P1,AMOV P2,R5INC R4MOV R3,APOP ACCRETITAB:DB 0C0H,0F9H,0A4H,0B0H,99H,92H,82H,0F8H,80H,90H,88H,83H,0C6H,0A1H,86H,8EH END4、见图二,利用动态扫描显示法,,让数码管显示数字12.34.56,每隔一秒,数字变化相当于时间计时器。
实验三 定时器/计数器实验(一)一、实验目的通过实验了解定时器和计数器的不同应用。
进一步掌握定时器和计数器的编程和调试的方法。
二、实验内容要求学生自行设计并调试程序(教师可适当提示)1、自复位接通延时定时器电路(一个机器周期脉冲发生器电路)提示:先思考下面三个电路,根据定时器的刷新方式分析它们能否正常工作?不能工作的程序应如何修改?为了确保在每次定时器达到预置值时,自复位定时器的输出都能够接通一个程序扫描周期,用一个常闭触点来代替定时器位作为定时器的使能输入。
但一个程序扫描周期的脉冲过窄,在状态表中无法监视,为解决这种状况,可使用比较指令“LDW >= T33,+40”控制PLC 的某个输出点,再用状态图监视。
(思考:若想形成自复位计数器电路应如何编程?)知识回顾:定时器的刷新方式: 1ms 定时器每隔1ms 刷新一次与扫描周期和程序处理无关即采用中断刷新方式。
因此当扫描周期较长时,在一个周期内可能被多次刷新,其当前值在一个扫描周期内不一定保持一致。
10ms 定时器则由系统在每个扫描周期开始自动刷新。
由于每个扫描周期内只刷新一次,故而每次程序处理期间,其当前值为常数。
100ms 定时器则在该定时器指令执行时刷新。
下一条执行的指令,即可使用刷新后的结果,非常符合正常的思路,使用方便可靠。
但应当注意,如果该定时器的指令不是每个周期都执行,定时器就不能及时刷新,可能导致出错。
使用定时器本身的常闭触点作定时器的使能输入。
定时器的状态位置1时,依靠本身的常闭触点的断开使定时器复位,并重新开始定时,进行循环工作。
采用不同时基标准的定时器时,会有不同的运行结果,具体分析如下:(1)T32为1ms 时基定时器,每隔1ms 定时器刷新一次当前值,CPU 当前值若恰好在处理常闭触点和常开触点之间被刷新,Q0.0可以接通一个扫描周期,但这种情况出现的几率很小,一般情况下,不会正好在这时刷新。
若在执行其他指令时,定时时间到,1ms 的定时刷新,使定时器输出状态位置位,常闭触点打开,当前值复位,定时器输出状态位立即复位,所以输出线圈Q0.0一般不会通电。
《单片机技术》实验(2022级自动化1201~02电气1201~02)教案课程教案课程名称:单片机技术实验任课教师:王韧所属院部:电气与信息工程学院教学班级:自动化1201~02、电气1201~02教学时间:2022—2022学年第二学期湖南工学院课程基本信息湖南工学院教案用纸实验一数据传送实验一、本次实验主要内容1、Keil软件的使用方法和调试。
2、存储器之间数据传送的方法和循环程序设计。
3、MCS-51系列单片机堆栈的使用。
二、实验目的与要求1、掌握单片机的汇编指令系统及汇编语言程序设计方法。
2、掌握单片机的存储器体系结构。
3、熟悉Keil软件的功能和使用方法。
4、掌握单片机应用程序的调试方法。
三、实验重点难点MOV、MOV某指令的用法特点。
四、实验方法和手段讲授、演示、操作、仿真、提问。
五、作业与习题布置写出实验报告。
P1湖南工学院教案用纸一、实验内容或原理1、实现单片机内部RAM之间,外部RAM之间以及内部RAM与外部RAM之间的数据传送。
2、利用Keil软件编辑、汇编、调试、运行实验程序并记录实验数据。
二、设计要求1、编写程序将00H~0FH16个数据分别送到单片机内部RAM30H~3FH单元中。
2、编写程序将片内RAM30H~3FH的内容传送至片内RAM40~4FH单元中。
3、编写程序将片内RAM40H~4FH单元中的内容传送到外部RAM4800H~480FH单元中。
4、编写程序将片外4800H~480FH单元内容送到外部RAM5800H~580FH单元中。
5、编写程序将片外RAM5800H~580FH单元内容传送回片内RAM50H~5FH单元中。
三、实验报告要求1、实验目的和要求。
2、设计要求。
3、实验程序流程框图和程序清单。
4、实验总结。
5、思考题。
四、思考题1、说明MCS-51系列单片机对片内RAM和片外RAM存贮器各有哪些寻址方式?2、说明指令MOVA,20H和MOVC,20H中的20H含义有什么不同?传送指令中的助记符MOV,MOV某,MOVC各适用于访问哪个存储器空间?P2湖南工学院教案用纸实验后记:P3湖南工学院教案用纸实验二单片机并行I/O口的应用实验一、本次实验主要内容1、利用单片机并行I/O口控制流水灯。
电气控制及PLC技术实验指导书(FX-TRN-BEG-C版本)浙江海洋学院自动化技术中心序言本实验指导书适用于电气工程及其自动化专业的《电气控制及PLC技术》课程实验部分教学环节。
实验教学环节在本课程教学中为16学时,占总学时的33%。
实际开设的实验项目可根据教学大纲确定。
实验教学是教学环节当中必不可少的重要一环,实验课主要有两方面的重要意义:第一,通过实验使学生加深对理论教学中重点和难点的理解。
比如,在课堂教学中,学生对基本逻辑指令、程序设计步骤和过程难于全面理解和把握,仅停留在感性认识阶段。
而通过实验,就会从直观的实际操作过程中加强对理论知识的理解,建立牢固的认识。
第二,通过学生自身实际动手操作的过程,不仅有利于对课程本身内容的理解,更有助于将各专业课程知识融会贯通,为日后走向社会、提高和培养工作能力打下基础。
实验课的目的并不在于仅仅使学生会做几个固定内容的实验,而在于给学生提供一个动手的机会。
指导教师应鼓励学生积极思考、独立完成实验项目。
在实验室等条件允许情况下,应积极引导学生积极创造并完成课外设计性或综合性实验。
编者目录第一章 FX-TRN-BEG-C软件介绍 (4)第二章 FX-TRN-BEG-C软件基本操作练习 (8)第三章实验项目 (13)实验一基本逻辑指令应用 (13)实验二计时器/计数器应用 (17)实验三按钮信号控制设计 (22)实验四输送带控制设计 (25)实验五舞台装置控制设计 (28)实验六自动门操作控制设计 (31)实验七升降机控制设计 (34)实验八部件分拣与分配控制设计 (37)第一章 FX-TRN-BEG-C软件介绍一、练习概要此软件目的在于帮助您学习PLC的编程。
当您安装软件的时候,您学习PLC时所需的以下项目已经被装进您的计算机。
•编程工具• 一个虚拟PLC• 模拟机器• 输入/输出 开关和指示灯请看一下下边的表。
从介绍性的到进阶性的多样的练习被分成6类。
您能任意选择一个作为起点。