管 道 试 压 记 录
- 格式:pdf
- 大小:73.89 KB
- 文档页数:2
管道试压检查记录一、任务描述本文档旨在记录管道试压检查的过程和结果,以确保管道系统的安全性和可靠性。
本次试压检查的管道为XX工程项目的给水管道,试压工作由XX工程师负责。
二、试压前准备工作1. 确认试压范围:根据设计图纸和工程要求,确定试压的管道范围。
2. 准备试压设备:包括试压泵、压力表、压力传感器等设备,并进行检查和校准。
3. 准备试压介质:根据工程要求,选择合适的介质进行试压,如水或气体。
4. 管道准备工作:清理管道内部,确保管道无杂物和污垢,检查管道的连接件和焊缝是否完好。
三、试压过程1. 设置试压参数:根据设计要求和工程规范,设置试压的压力和持续时间。
2. 连接试压设备:将试压泵与管道系统连接,并确保连接牢固、密封良好。
3. 充气或注水:根据试压介质的选择,使用试压泵将气体或水注入管道系统,逐渐增加压力。
4. 压力保持:当试压压力达到设定值后,保持一段时间,观察压力是否稳定。
5. 压力释放:试压结束后,缓慢释放压力,确保管道系统安全。
6. 检查泄漏:在压力释放后,仔细观察管道系统是否有泄漏现象,如有泄漏,及时进行修复。
四、试压结果记录1. 试压日期和时间:记录试压的具体日期和时间。
2. 试压范围:详细描述试压的管道范围,包括起止点和管段长度。
3. 试压参数:记录试压时设定的压力和持续时间。
4. 试压结果:记录试压过程中观察到的压力变化情况,包括最高压力、最低压力和压力稳定时间。
5. 泄漏情况:如有泄漏现象,记录泄漏的位置和程度,并记录修复情况。
6. 结论:根据试压结果,评估管道系统的安全性和可靠性,并提出相应的建议和措施。
五、安全注意事项1. 在试压过程中,严禁站在管道系统附近,以免发生意外伤害。
2. 使用试压设备时,应按照操作手册和安全规范进行操作,确保人员和设备的安全。
3. 如发现管道系统存在严重泄漏或其他安全隐患,应立即采取紧急措施并报告相关负责人。
六、总结本次管道试压检查记录清楚了试压的过程和结果,为管道系统的安全性和可靠性提供了有效的保障。
阀门强度及严密性测试记录
设备隐蔽工程验收记录
系统清洗试验记录
灌水试验记录
消防管道、燃气管道压力试验记录
排水干管通球试验记录
单位(子单位)工程竣工验收记录统表—1
单位(子单位)工程质量控制资料和查记录(表一) 统表—2—1
单位(子单位)工程质量控制资料和查记录(表二) 统表—2—2
单位(子单位)工程安全和功能检验资料核查
及主要功能抽查记录
注:抽查项目由验收组协商确定.
单位(子单位)工程观感质量检查记录
注:质量评比为差的项目,应进行返修。
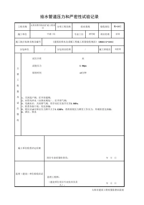
给水管道水压试验记录填写说明1.设计最大工作压力(Mpa):由设计出;2.试验压力(Mpa):查表7.3.15;3.10分降压值(Mpa):实测观察;一般2小时内不大于0.05Mpa;4.允许渗水量L/(min)·(km):查表7.3.16;5.注水法(1)达到试验压力的时间(t1):观察记录;(2)恒压结束时间(t2):观察记录;(3)恒压时间内注入的水量W(L):观测记录;(4)渗水量q(L/min):计算,q=W/(T1-T2);(5)折合平均渗水量L/(min)·(km):计算渗水量×1000/试验段长度;实例:某工程管道长度为155m,管径为Φ100mm,管材为PE,接口种类为热熔连,设计最大工作压力0.4Mpa。
第一次试压:10分钟内降压0.004Mpa,达到试验压力的时间t1为8:30,恒压结束时间t2为10:30,恒压时间内注入水量为0.52L,计算并填表。
(1)根据查表7.3.15得知,试验压力为工作压力的1.5倍,试验压力为0.6 Mpa。
(2)根据实测观察,2小时内降压0.045Mpa,所以,10分钟降压值为0.045/12=0.00375 Mpa。
(3)根据表7.3.16得知,允许渗水量为0.28 L/(min)·(km)。
(4)观察得知:达到试验压力的时间(t1)为8:30′,恒压结束时间(t2)为10:30′,有效试验时间为2小时,即120分钟。
恒压时间内注入的水量W为0.52L,所以,渗水量q= W/(T1-T2)=0.52/120=0.00433L/min,折合平均渗水量为0.0043×1000/155=0.028L/(min)·(km) 填表如下:计算:q=)(21t t W。
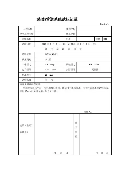
(采暖)管道系统试压记录(采暖)管道吹洗记录(采暖)管道隐蔽工程检查记录B-1-28保温检查记录焊缝外观质量检查记录B-1-19技术负责人:质检员:班(组)长管道补偿装置安装记录手机震动,来一条微信消息,他说:“我开好房间了,等你!他们都说你技术好,我想试试真假。
真的,我平时对你也不错吧,你可不能让我干等着呀。
”她回:“那好吧,你先等我,我在家里,先洗个澡,换身衣服吧。
”半个小时后,她问:“你在哪里开房?”“欢乐斗地主,电信一区,12号房间,不见不散哦。
”“给老娘滚!”当然,以上是个笑话。
不过,近日成都一家燃气公司也发生了一件类似的事情,董事长在微信里发了一个六十块钱的红包,三名员工一时手痒,按耐不住诱惑,结果伸手一抢纷纷中招:工作时间玩手机,罚款五百!在面对记者采访时,董事长表示:“我为了了解大家的思想动态,所以加入了员工的微信群里。
”贵董事长显然忘记了,微信是一款私人社交APP,主要用于朋友间的情感交流,如果谈工作,我们有OA或IMO等专门的办公协作软件。
如果公司实在不成气候,一时没有使用这样的专业应用程序,也应当提前与员工约定,公司把QQ或者微信当做办公交流的专用软件。
没有事先的约定,董事长从微信里冒出来,就是以“朋友”的身份,而非“老板”的身份。
朋友发红包,抢还是不抢呢?朋友上班抢红包,罚还是不罚呢?显然,天真的员工把董事长当做了朋友,所以抢了红包,而老谋深算的董事长没有把员工当做朋友,所以罚了员工。
试探是一把双刃剑,你在试探别人的时候,往往先暴露了自己。
然而,朋友圈里的试探之风经久不衰。
最常见的试探:“清清吧,不用回。
试试吧,复制我发的消息,找到微信里的设置,通用,群发助手,全选,粘贴复制的信息发送就行,谁的发送失败了,就是把你拉黑了,你再扔掉那些尸体就OK啦!”发出这种试探信息的人,骨子里肯定极端自卑,而且平时很可能不大受待见,要不怎么老怀疑自己被朋友删了呢?像马云,我猜他一定不会纠结于自己是不是被微信好友给删了。
XXXX市XXXXXXXXX工程XXXXXXXXXX工程第XXX单元XXX施工第X标段【合同编号:XXXXXXXXXXXXXXXXXXXXXXXXXXXXXX】管道试压专项方案XXX施工单位一、工程概况本标段为土建施工X标,负责XXXXX分水口门至XXXXX(包括XX支线)土建施工(包括XX加压泵站)。
试验段桩号XX0+630—XX0+980,全长350m,全部为单排DN800的高强度聚氯乙烯(PVC-S)给水管道。
二、试验目的根据设计、规范要求,给水管道工程安装完成后,检验打压段管材衔接处是否密封不漏水,检验压力是否达到运行要求。
三、试验依据(1)XX市XXXXXXX工程XXXXXXXX工程第X计单元施工第X标段《招标文件》;(2)《施工合同》;(3)施工图及设计技术要求;(4)国家现行法律法规及标准(5)本工程管道试压按《给水排水管道工程施工及验收规范》(GB 50268-2008)以及河北省地方标准埋地高强度聚氯乙烯(PVC-S)给水管道工程技术规程(DB13/T2164-2014)与设计院提供技术要求文件的规定进行打压,试验压力取工作压力的1.5倍,即为管道工作压力为0.36MPa,设计压力为0.54MPa。
依规范要求至少达0.8MPa,故此次试验压力取0.8MPa。
四、试压前准备工作1、管道试压采用管道试压泵作为压力源。
2、压力表采用 0-1.0MPa,最小刻度 0.02MPa,管道一端设一个压力表。
(压力表使用前必须拿到计量局进行校正,并出具证明),压力计要安装在试验段低端部位。
3、盲板选择:由XX管厂提供的钢制盲板(满足国标PN10)。
4、后背设计:采用原状土加固后背墙或素混凝土后背墙,然后在后背墙上使用4个100T的千斤顶均匀顶住盲板上、下、左、右四个方向,使盲板在打压时不会因管道内压力增加而产生管道轴向方向的位移。
5、水源设计:水源采用饮用水,XX县地下水无污染。
直接采用地下水即可。
旁站记录(管道试压) 工程名称:销售珠三角管道二期工程项目编号:WWJLSB-001工程名称:销售珠三角管道二期工程项目编号:WWJLSB-002工程名称:销售珠三角管道二期工程项目编号:WWJLSB-003旁站记录(管道试压)工程名称:销售珠三角管道二期工程项目编号:WWJLSB-004旁站记录(管道试压) 工程名称:销售珠三角管道二期工程项目编号:WWJLSB-005工程名称:销售珠三角管道二期工程项目编号:WWJLSB-006工程名称:销售珠三角管道二期工程项目编号:WWJLSB-007旁站记录(管道试压) 工程名称:销售珠三角管道二期工程项目编号:WWJLSB-008旁站记录(管道试压)工程名称:销售珠三角管道二期工程项目编号:WWJLSB-009旁站记录(管道试压) 工程名称:销售珠三角管道二期工程项目编号:WWJLSB-010工程名称:销售珠三角管道二期工程项目编号:WWJLSB-011工程名称:销售珠三角管道二期工程项目编号:WWJLSB-012旁站记录(管道试压)工程名称:销售珠三角管道二期工程项目编号:WWJLSB-013旁站记录(管道试压)工程名称:销售珠三角管道二期工程项目编号:WWJLSB-014工程名称:销售珠三角管道二期工程项目编号:WWJLSB-015工程名称:销售珠三角管道二期工程项目编号:WWJLSB-016旁站记录(管道试压)工程名称:销售珠三角管道二期工程项目编号:WWJLSB-017旁站记录(管道试压)工程名称:销售珠三角管道二期工程项目编号:WWJLSB-018旁站记录(管道试压) 工程名称:销售珠三角管道二期工程项目编号:WWJLSB-019旁站记录(管道试压)工程名称:销售珠三角管道二期工程项目编号:WWJLSB-020旁站记录(管道试压)工程名称:销售珠三角管道二期工程项目编号:WWJLSB-021旁站记录(管道试压)工程名称:销售珠三角管道二期工程项目编号:WWLSB-022旁站记录(管道试压) 工程名称:销售珠三角管道二期工程项目编号:WWJLSB-023工程名称:销售珠三角管道二期工程项目编号:WWJLSB-024工程名称:销售珠三角管道二期工程项目编号:WWJLSB-025旁站记录(管道试压)旁站记录(管道试压)工程名称:销售珠三角管道二期工程项目编号:WWJLSB-027工程名称:销售珠三角管道二期工程项目编号:WWJLSB-028工程名称:销售珠三角管道二期工程项目编号:WWJLSB-029旁站记录(管道试压) 工程名称:销售珠三角管道二期工程项目编号:WWJLSB-030工程名称:销售珠三角管道二期工程项目编号:WWJLSB-031工程名称:销售珠三角管道二期工程项目编号:WWJLSB-032旁站记录(管道试压)工程名称:销售珠三角管道二期工程项目编号:WWJLSB-033旁站记录(管道试压)工程名称:销售珠三角管道二期工程项目编号:WWJLSB-034工程名称:销售珠三角管道二期工程项目编号:WWJLSB-035工程名称:销售珠三角管道二期工程项目编号:WWJLSB-036工程名称:销售珠三角管道二期工程项目编号:WWJLSB-037工程名称:销售珠三角管道二期工程项目编号:WWJLSB-038工程名称:销售珠三角管道二期工程项目编号:WWJLSB-039工程名称:销售珠三角管道二期工程项目编号:WWJLSB-040。
管道试压检查记录一、任务背景管道试压检查是在管道安装完成后进行的一项重要工作,旨在验证管道系统的密封性能和承压能力。
本次试压检查记录旨在详细记录试压过程中的相关数据和结果,以便后续分析和评估。
二、试压前准备工作1. 确定试压范围:根据设计要求和管道布置图,确定试压的具体管段范围。
2. 清洁管道:对试压范围内的管道进行清洁,确保无杂质和污物。
3. 准备试压设备:准备好试压泵、压力表、压力记录仪等试压设备,并进行检查和校准。
4. 安装试压阀门:根据试压范围,安装试压阀门,确保能够控制试压介质的流动。
5. 进行安全措施:在试压区域设置警示标志,并确保工作人员佩戴安全防护装备。
三、试压过程记录1. 试压日期和时间:记录试压开始的日期和时间。
2. 试压介质:记录试压使用的介质,如水、氮气等。
3. 试压压力:按照设计要求,逐渐增加试压压力,并记录每次增压的数值和时间。
4. 试压时间:记录试压持续的时间,通常根据设计要求进行。
5. 压力保持:在达到试压压力后,记录压力保持的时间,并观察压力变化情况。
6. 泄漏检查:在试压过程中,进行泄漏检查,记录泄漏点的位置和泄漏程度。
7. 试压结束:试压结束后,记录试压结束的日期和时间,并关闭试压阀门。
四、试压结果记录1. 试压压力:记录试压结束时的压力数值。
2. 压力保持情况:根据试压过程中的观察和记录,评估试压压力的保持情况。
3. 泄漏情况:根据泄漏检查的结果,记录泄漏点的数量和程度。
4. 试压合格性评估:根据设计要求和相关标准,评估试压结果的合格性,并记录评估结论。
五、试压报告和处理1. 编制试压报告:根据试压记录和结果,编制试压报告,包括试压过程、结果、评估和建议等内容。
2. 处理不合格情况:如发现试压结果不合格,需及时采取相应的措施进行处理和修复,并记录处理情况。
六、相关安全注意事项1. 严格遵守安全操作规程,确保试压过程中的人身安全。
2. 确保试压设备的正常运行和安全使用。