【Excel表格模板】钢筋工程隐蔽验收记录
- 格式:xls
- 大小:15.50 KB
- 文档页数:4
1-8/A-C轴一层顶板、梁、楼梯、框架柱标高:-0.090m 3.510m1、钢筋进场材料质量证明文件齐全、有效且通过进场验收。
进场复试结果合格。
钢筋连接套筒材料质量证明文件齐全、有效。
钢筋实验:HRB400E8实验编号:GJ18-01434;HRB400E10试验编号:GJ18-01435;HRB400E12实验编号:GJ18-01436;HRB400E20实验编号:GJ18-01437;HRB400E22实验编号:GJ18-01433;HRB400E25实验编号:GJ18-01432。
2、顶板距梁起步筋50mm、、框架柱距下层顶板起步筋50mm、梁距框架柱起步筋50m;3、板配筋1)顶板:板厚120mm,LB1板配筋为双层单向X&Y8@200,LB2板配筋为X:10@200,Y8@200,LB3板配筋为X&Y10@2002)空调板:板厚100mm 8@150 8@2003)门厅入口悬挑板:板厚120mm 8@200双层双向拉通4、梁配筋L1(2):250*450 上部纵筋322,下部纵筋522 2/310@200(2)L2(2):250*450 上部纵筋222,下部纵筋522 2/310@200(2)L3(7):250*500 上部纵筋222,下部纵筋3208@200(2)L4(2):300*500 上部纵筋220,下部纵筋5208@200(2)L5(2):300*500 上部纵筋222,下部纵筋722 2/58@200(2)L6(2):300*500 上部纵筋322,下部纵筋4208@200(2)L7(1):300*500 上部纵筋222,下部纵筋622 2/48@200(2),梁底标高3.390mL8(2):300*500 上部纵筋222,下部纵筋4258@200(2)L9(2):300*500 上部纵筋222,下部纵筋4208@200(2)L10 (1):200*450 上部纵筋218,下部纵筋2208@200(2)L10 (2):300*500 上部纵筋322,下部纵筋822 3/58@200(2)L11 (1):200*400 上部纵筋218,下部纵筋2188@200(2)L12 (1):250*500 上部纵筋220,下部纵筋2208@200(2)KL1(7):350*600 上部纵筋222+(212),下部纵筋5208@100/200(4)N412KL2(7):400*700 上部纵筋225+(222),下部纵筋5258@100/200(4)G612KL3(7):350*600 上部纵筋222+(212),下部纵筋4208@100/200(4)N412 KL4(4):350*700 上部纵筋325+(112),下部纵筋6228@100/200(4)N612 KL5(2):300*600 上部纵筋325,下部纵筋52512@100(2)G412KL6(2):300*600 上部纵筋325,下部纵筋42510@100(2)G412KL7(2A):300*600 上部纵筋325,下部纵筋52512@100(2)N412KL8(2):300*600 上部纵筋325,下部纵筋42510@100(2)G412KL9(2):300*600 上部纵筋325,下部纵筋62512@100(2)N412KL10(2):350*700 上部纵筋3+(112),下部纵筋6228@100/200(4)N612 KL1(1):300*500 上部纵筋320,下部纵筋3188@100(2)N212 梁底标高3.890m验收结论:本表由施工单位填写。
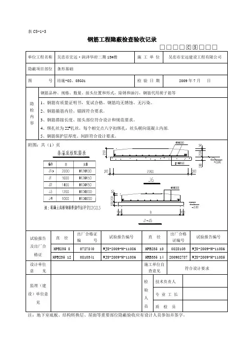
钢筋工程隐蔽检查验收记录表
工程名称:**省××城南中学教学楼工程编号:20**-01验收部位二层梁板验收日期20**年04月20日
质量检查情况
检查项目施工单位自检建设(监理)复检钢筋材质试验或证明钢材质量控制资料符合设计要求经复检符合要求
焊接质量及试验焊接试验资料符合设计和规范要求经复检符合要求
主筋规格数量及间距主筋制作与安装符合设计图纸要求经复检符合要求
锚固和搭接长度钢筋锚固和搭接长度符合设计要求经复检符合要求
接头部位钢筋接头部位符合设计和规范要求经复检符合要求
保护层垫块梁板钢筋保护层均按要求垫置垫块经复检符合要求
模板自检评定模板自检评定合格经复检符合要求
钢筋自检评定钢筋自检评定合格经复检符合要求
承重墙柱自检评定
原材料试验及配比砂、石和水泥有试验,有砼配合比经复检符合要求
预埋件预留洞位置有按设计图纸要求预埋并校对正确经复检符合要求
施工缝设置处理一次性连续浇灌,不留置施工缝经复检符合要求
简图或说明
本钢筋检验批质量经施工单位自检合格后,向监理单位报验,经监理单位复检符合设计图纸要求,并同意施工单位进行混凝土的浇灌。
施工单位自评:合格
项目经理:
专职质检员:卢大强
20**年04月20日监理(建设)单位评定:合格
监理工程师:林小亮
(建设单位代表)林大亮
20**年04月21日
注:表格内容要求用碳素墨水填写。
钢筋工程隐蔽检查验收记录表
质控(建)表 4.1.5.3 共页第页龙海市保障性住房民生小区三期
施工单位鑫泰建设集团有限公司工程名称
工程
分部(子分部)
地基与基础分项工程
钢筋
工程名称名称
隐检部位承台地梁
隐蔽项目钢筋隐蔽隐蔽日期年月日
1、纵向受力钢筋的品种、规格、数量、位置。
隐蔽2、钢筋的连接方式,接头位置、数量、接头面积百分率等。
内容3、箍筋、横向钢筋品种、规格、受力、间距等。
4、预埋件的规格、尺寸、锚固长度、数量、位置等。
施工钢筋有质量证明文件,复试合格,钢筋无腐蚀、无污染;墙体厚度200mm,钢筋采单位
用电弧焊,接头错开布置,接头率为 50%,水平筋起步距梁 50mm,间距、排距均匀;
检查
情况墙内外侧保护层 15mm,预埋件的规格、尺寸、锚固长度、数量、位置自检合格。
隐蔽
验收
同意隐蔽。
结论
专业技术负责人专业质检员专业施工员
签施工单位
字
栏
监理工程师(建设单位项目专业技术负责人)。