电工电子实验考试笔试部分
- 格式:doc
- 大小:88.00 KB
- 文档页数:6
本套试卷为电工精选题库,总共300道题!题目几乎覆盖电工常考的知识点。
题库说明:本套电工题库包含(选择题150道,多选题50道,判断题100道)一、单选题(共计150题,每题1分)1.采用人工胸外按压法,按压频率为每分钟( )左右。
A.12次B.36次C.80次D.120次答案:C2. lOkV电缆终端头的带电部分离地面的距离不小于( )m。
A.lB. 2C. 2.5D. 1.5答案:C3. 在工作环境中见到以下标志,表示( )A.注意安全B.当心触电C.当心感染答案:B4. “止步,高压危险!”标识牌的字色应该是( )。
A.红字,有黑箭头B.黑字,有红箭头C.黑字,有黑箭头D.红字,有红箭头答案:B5. 接线端子排应能牢固地固定在安装( )或安装表面上.A.水泥B.导管C.角钢D.导轨答案:D6. 新装和大修后的低压线路和设备,绝缘电阻不应低于( )MΩ。
A.0.22;B.0.5;C.1;D.2;答案:B7. 低压架空线路导线最小允许截面积为( )mm2。
A.10B.16C.25D.358. DZL18-20漏电保护器仅适用于220V,额定电流为( )及以下的单相电路中。
A.10AB.18AC.20AD.40A答案:C9. 电力变压器一.二次绕组对应电压之间的相位关系称为( )。
A.短路电压比B.阻抗比C.变压比D.连接组别答案:D10. 对于中.小容量变压器,可以装设单独的( ),作为变压器防止相间短路故障的主保护。
A.电流速断保护B.过电流保护C.差动保护D.瓦斯保护答案:A11. 交流测速发电机的定子上装有( )。
A.一个绕组B.两个串联的绕组C.两个并联的绕组D.两个在空间相差90电角度的绕组答案:D12. 快热式电烙铁持续通电时间不超过( )。
A.1minB.2minC.3minD.5min答案:B13. 使用临时拉线时,一个锚桩上的临时拉线不得超过( )。
A.一根B.两根C.三根D.四根答案:B14. 熔断器的保护特性又称为( )。
大学电工电子考试题型及答案一、选择题(每题2分,共20分)1. 在电路中,电压与电流的关系遵循什么定律?A. 欧姆定律B. 基尔霍夫电压定律C. 基尔霍夫电流定律D. 法拉第电磁感应定律答案:A2. 二极管的主要特性是:A. 单向导电性B. 高频响应C. 大功率承受D. 线性放大答案:A3. 在理想变压器中,一次侧和二次侧的电压与匝数的关系是:A. 正比B. 反比C. 无关D. 相等答案:A4. 以下哪个元件不是构成放大电路的基本元件?A. 晶体管B. 电阻C. 电容D. 电机答案:D5. 正弦交流电的表达式为i = I_m * sin(ωt),其中I_m表示:A. 有效值B. 最大值C. 角频率D. 初相位答案:B6. 一个电阻为R的电路,通过它的电流为I,则1小时内该电路消耗的电能是:A. I^2 * R * 1hB. I^2 * R * 3600sC. I * R * 1hD. I * R * 3600s答案:B7. 电路发生短路时,电路中的电流将:A. 保持不变B. 减小C. 增加D. 为零答案:C8. 三相交流电的相电压是:A. 相与相之间的电压B. 相与中性点之间的电压C. 任意两相之间的电压D. 无法确定答案:B9. 在RC串联电路中,电容的充放电时间常数τ是:A. R * CB. 1/(R * C)C. R/CD. C/R答案:A10. 稳压二极管的正常工作状态是:A. 反向击穿区B. 正向导通区C. 饱和区D. 放大区答案:A二、填空题(每题2分,共20分)11. 电路中任一闭合回路的电动势的和等于该闭合回路中各元件电压降的______。
答案:和12. 一个电感为1亨利的线圈接到频率为50赫兹的交流电源上,其感抗为______欧姆。
答案:2πfL = 2π * 50 * 1 ≈ 314.1613. 一个电路的总电阻为100欧姆,其中包含一个50欧姆和一个60欧姆的电阻,如果它们是并联的,则并联部分的电阻为______欧姆。
考电工操作证笔试题库及答案考电工操作证是电工从业人员必备的一项资格证书,用来评估电工操作技能和安全意识。
笔试是考电工操作证的重要组成部分,确定候选人在理论知识方面的掌握情况。
以下是一份针对电工操作证笔试的题库及答案,帮助考生更好地准备和复习。
题库:1. 电流单位是什么?答:安培(A)。
2. 以下哪个元件用于储存电能?答:电容器。
3. 高压线路上所使用的绝缘子主要作用是什么?答:起支持和绝缘作用。
4. 下面哪个设备主要用于测量电压的大小?答:电压表。
5. 电流的定义是什么?答:单位时间内电荷通过导体的数量。
6. 在安装电气设备时,最重要的是什么?答:确保安全。
7. 以下哪个元件用于控制电路中的电流?答:电阻。
8. 交流电的频率通常为多少赫兹?答:50赫兹。
9. 下面哪个设备常用于防止电路中过流?答:熔断器。
10. 连接电路中的导线应该采用什么颜色顺序?答:蓝色、棕色、黄绿色。
答案:1. A2. 电容器3. 支持和绝缘4. 电压表5. 单位时间内电荷通过导体的数量6. 确保安全7. 电阻8. 50赫兹9. 熔断器10. 蓝色、棕色、黄绿色以上是一部分的电工操作证笔试题库及答案,供考生进行复习和准备。
考生们在复习过程中还应该重点关注电工操作的实践技能和安全知识。
希望通过充分准备和复习,考生们能够顺利通过电工操作证笔试,取得优异成绩。
祝愿各位考生在考试中取得好成绩,并在未来的电工工作中展现出卓越的能力和职业素养。
本套试卷为电工精选题库,总共200道题!题目几乎覆盖电工常考的知识点。
题库说明:本套电工题库包含(选择题100道,多选题100道)一、单选题(共计100题,每题1分)1.高压熔断器熔丝熔断后,撞击器使负荷开关( 高压交流接触器)跳闸,可防止由( )而造成电气设备损坏。
A.缺相运行B.过电压运行C.欠电压运行答案:A2. 对于频繁起动的异步电动机,应当选用的控制电气是( )A.铁壳开关B.低压断路器C.接触器D.转换开关答案:C3. 低压电杆断开导线时,应( )。
A.先断开相线后断开零线B.先断开零线后断开相线C.可以同时断开答案:A4. 三相异步电动机中,改变旋转磁场转向的方法是( )。
A.改变电流的方向B.调换相线和零线C.任意调换两根电源线D.任意调换三根电源线答案:C5. 与热继电器相比,熔断器的动作延时( )。
A.短得多B.查不多C.长一些D.长得多答案:A6. 接地电阻测量仪是测量( )的装置。
A.直流电阻B.绝缘电阻C.接地电阻答案:C7. 当高压电容器内部设有放电电阻时,电容器组仍应设( )。
A.合格的放电装置B.残压监视装置C.电容器内部放电电阻测量装置答案:A8. 负荷开关可以分合的最大电流是( )电流。
B.负荷C.两相短路D.三相短路答案:B9. 几个等值的电阻串联,则各个电阻的端电压( )。
A.不确定B.不相等C.相等答案:C10. 仪用互感器分( )两种。
A.电力变压器和电流互感器B.电流互感器和电压互感器C.特种互感器和电流互感器答案:B11. 运行中的避雷器爆炸与( )无关。
A.线路过负荷B.进水受潮C.过电压D.环境污染答案:A12. 110KV及以下线路保护测控装置不具备( )功能。
A.三相一次或二次重合闸B.过电流保护C.断路器保护D.过负荷保护答案:C13. 单位导线截面所通过的电流值称为( )。
A.额定电流B.负荷电流C.电流密度D.短路电流答案:C14. 手持单相电动工具的控制开关为( ),电源线应是护套线.绝缘应保持良好。
电气电工电子技术考试题库一、选择题1. 电流通过导体时,导体发热的原因是:A. 导体对电流的阻力B. 导体内部的电子运动C. 电流的热效应D. 导体的电阻率2. 欧姆定律的表达式是:A. V = IRB. I = V/RC. R = V/ID. A, B, 和 C 都是3. 以下哪个不是基本的电路元件?A. 电阻器B. 电容器C. 电感器D. 变压器4. 交流电(AC)与直流电(DC)的主要区别是:A. 电流的方向B. 电流的大小C. 电流的频率D. 电流的相位5. 电容器的单位是:A. 欧姆(Ω)B. 法拉(F)C. 亨利(H)D. 安培(A)二、填空题6. 在电路中,电压是电势差的一种表现,其单位是________。
7. 电阻器的主要作用是限制电流的流动,其单位是________。
8. 电感器在交流电路中会产生________效应。
9. 电容器在直流电路中相当于________。
10. 变压器的主要功能是改变电压的大小,其工作原理是基于________。
三、简答题11. 请简述串联电路和并联电路的区别。
12. 什么是电磁感应现象?请给出一个实际应用的例子。
13. 为什么说电容器可以储存电能?请简要说明其工作原理。
14. 什么是功率因数?它对电力系统有什么影响?15. 解释什么是谐振现象,并说明其在电子电路中的重要性。
四、计算题16. 已知一个电阻为100Ω,通过它的电流为2A,求该电阻两端的电压。
17. 一个电容器的电容值为4.7μF,当它被充电到10V时,存储的电能是多少?18. 一个串联电路中包含一个电阻R1=200Ω,一个电容器C=10μF,一个电感器L=5mH,和交流电源的频率为50Hz。
求电路的总阻抗。
19. 如果一个变压器的原边电压为220V,次边电压为2200V,求变压器的变比。
20. 已知一个电路的功率为1000W,电压为220V,求电路中的电流。
五、分析题21. 请分析一个典型的家庭电路中,为什么需要使用漏电保护器,并说明其工作原理。
本套试卷为电工精选题库,总共500道题!本套题库全国通用,题型为常考题。
题库说明:本套电工题库包含(单项选择题350道,多选题50道,判断题100道)一、单选题(共计350题,每题1分)1.单只电容器的电压越高,则表明( )。
A.充电电流大B.电容器的容积大C.极板上储存的电荷多答案:C2. 触摸屏密码画面设计,主要运用了触摸屏的哪个功能。
( )A.数值输入B.数值显示C.使用者等级D.按钮开关答案:C3. 在锅炉.金属容器.管道内等工作地点狭窄场所.应使用Ⅲ类工具或装设额定漏电动作电流不大于(),额定漏电动作时间不大于0.1S漏电保护器的Ⅱ类工具。
A.30mA;B.15mA;C.10mA;D.6mA;答案:B4. 有功功率P.无功功率Q.视在功率S之间的关系是( )。
A.S=P+QB.S=P-QC.S=Q-PD.S2=P2+Q2答案:D5. 交流电通过电阻与电感串联电路,线圈两端的电压( )。
A.与电流同相位B.与电流反相位C.滞后电流90°D.超前电流90°答案:D6. 并联电力电容器的作用是( )。
A.降低功率因数B.提高功率因数C.维持电流D.提高电流答案:B7. 变.配电所一次主接线中所用的电气设备,称为( )。
A.远动设备B.二次设备C.一次设备答案:C8. 对户外多油断路器DW7-10检修后作交流耐压试验时合闸状态试验合格,分闸状态在升压过程中却出现“噼啪”声,电路跳闸击穿的原因是( )。
A.支柱绝缘子破损B.油质含有水分C.拉杆绝缘受潮D.油箱有脏污答案:B9. 万用表测量电阻时,使用内部电池作电源,应用( )的方法进行。
A.并联分流电阻B.串联分压电阻C.电压一电流法D.配用互感器答案:C10. 电流互感器二次侧不允许( )A.开路B.短路C.接仪表D.接保护答案:A11. 单位面积电缆线芯输送电流能力随线芯截面积增大而降低,原因是( )。
A.发热效应B.集肤效应C.电晕效应答案:B12. 生产经营单位的主要负责人在本单位发生重大生产安全事故后逃匿的由( )处15日以下拘留。
南京邮电大学电工电子实验复习资料与试卷一、实验操作1、信号与系统操作实验请复习所做的实验。
主要掌握的要点:①由所给的电路转换出该电路的电压传输函数H(s)=V2(s)/V1(s),并能把传输函数化成Multisim所需的标准形式:(A)算子S 在分子的幂次不高于分母的幂次。
(B)因需用积分器仿真,算子S 应化成1/S 。
(C)分母的常数项化成1。
②能画出完整的系统模拟框图。
③运用Multisim的模拟器件库中的积分器、比例放大器、加法器等模块组构系统模拟电路。
应遵循以下几个原则:(1)系统模拟电路输入端必用加法器模块对输入信号和反馈信号求和,加法器输出送积分器模块(2)根据S 的最高幂次n,取出n个积分器模块串接。
(3)算子S的系数使用比例放大器模块(4)传输函数H(S)的分子是输出项,分子中各项比例放大器模块的输出用加法器求和后成为系统输出。
分母是负反馈项,其系数正、负异号后送输入端加法器。
(5)分母中为1的常数项不用任何运算模块例如1:106262111()//()111[()//]()101030001RSC SC SCH SR R RSC SC SCSS S+⨯=++⨯+=++画出幅频和相频图例如2:画出幅频和相频图2、操作题如下图所示,写出该图的传输函数H(S)(V1是输入信号、V2是输出信号)。
画出题中电路对应的系统模拟框图。
(20分)写出传输函数H(S) (10分)画出题中电路对应的系统模拟框图(10 分)在Multisim2001环境中,测试该系统模拟电路的幅频特性相关参数。
(10分)(需包含半功率点与谐振频率点)频率点 3.147KHz 3.715KHz 4.474KHz电压比0.707 0.9999 0.707根据测试数据作出该电路的幅频特性曲线图。
(10分)有波形5分, 每个参数1分.3、D/A转换器操作实验请复习所做的实验。
掌握的要点:①根据输出电压选定数字输入端。
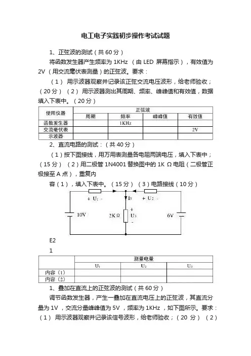
设计由DAC0832完成。
电工电子实践初步操作考试试题1、正弦波的测试(共60分)将函数发生器产生频率为1KHz (由LED 屏幕指示),有效值为2V (用交流毫伏表测量)的正弦波。
要求:(1)用示波器观察并记录该正弦交流电压波形,给老师验收;(20分)(2)用示波器测出其周期、频率、峰峰值和有效值,数据填入下表中。
(20分)2、直流电路的测试:(共40分)(1)按下图接线,用万用表测量各电阻两端电压,填入下表中;(15分)(2)用二极管1N4001替换图中的1K Ω电阻(二极管正极接至A 点),重复内容(1),填入下表中。
(15分)(3)电路接线(10分)E211、叠加在直流上的正弦波的测试(共60分)调节函数发生器,产生一叠加在直流电压上的正弦波,其直流分量为1V ,交流分量峰峰值为5V ,频率为1KHz ,如下图所示。
要求:(1)用示波器观察并记录该信号波形,给老师验收;(20分)(2)用交流毫伏表测出该信号的交流电压有效值,用示波器测出该信号的直流分量、交流分量峰峰值和周期,数据填入下表中。
(20分)(3)仪器操作(20分)图叠加在直流上的正弦波2、直流电路的测试:(共40分)(1)按下图接线,用万用表测量各电阻两端电压,填入下表中;(15分)(2)用二极管1N4001替换图中的1K Ω电阻(二极管正极接至A 点),重复内容(1),填入下表中。
(15分)(3)电路接线(10分)E2I 11、几种周期性信号的幅值、有效值及频率的测量(60分)调节函数发生器,使它的输出信号波形分别为正弦波、方波和三角波,信号的频率为2KHz (由函数发生器频率指示),信号的大小由交流毫伏表测量为1V 。
要求:(1)用示波器观察并记录波形,给老师验收;(20分)(2)测量其周期和峰值,计算出频率和有效值,数据填入下表中。
(20分)(3)仪器操作(20分)2、直流电路的测试:(共40分)(1)按下图接线,用万用表测量各电阻两端电压,填入下表中;(15分)(2)用二极管1N4001替换图中的1K Ω电阻(二极管正极接至A 点),重复内容(1),填入下表中。
电工笔试题目及答案一、单选题(每题2分,共10分)1. 电流的单位是:A. 伏特B. 欧姆C. 安培D. 瓦特答案:C2. 电路中电阻的单位是:A. 瓦特B. 欧姆C. 安培D. 伏特答案:B3. 以下哪个不是电工常用的测量工具?A. 万用表B. 钳形电流表C. 绝缘电阻表D. 电烙铁答案:D4. 交流电的周期是指:A. 电流方向改变一次的时间B. 电流方向改变两次的时间C. 电流大小改变一次的时间D. 电流大小改变两次的时间答案:B5. 以下哪个选项不是电路的基本组成部分?A. 电源B. 负载C. 导线D. 绝缘体答案:D二、多选题(每题3分,共15分)1. 以下哪些是直流电的特点?A. 电流方向不变B. 电流方向周期性变化C. 电流大小不变D. 电流大小周期性变化答案:AC2. 电路的基本状态包括:A. 开路B. 短路C. 断路D. 通路答案:ABD3. 以下哪些是电工安全操作的基本要求?A. 穿戴绝缘手套B. 使用绝缘工具C. 操作前切断电源D. 随意操作答案:ABC4. 以下哪些是电工常用的绝缘材料?A. 橡胶B. 塑料C. 金属D. 木材答案:ABD5. 以下哪些是电路故障的常见类型?A. 短路B. 断路C. 过载D. 接地答案:ABC三、判断题(每题1分,共10分)1. 电流的单位是安培,电压的单位是伏特。
(对)2. 欧姆定律表明电流与电压成正比,与电阻成反比。
(对)3. 电路中的电阻越大,电流越小。
(对)4. 交流电的频率越高,电流变化越快。
(对)5. 电工操作时可以不穿戴绝缘手套。
(错)6. 电路中电流的大小与负载的电阻无关。
(错)7. 电路中负载的电阻越大,电压越高。
(错)8. 电路中电流的方向始终不变。
(错)9. 电路中的电流大小与电压成正比,与电阻成反比。
(对)10. 电工操作时必须切断电源。
(对)四、简答题(每题5分,共20分)1. 请简述欧姆定律的内容。
答案:欧姆定律表明,在电路中,电流的大小与电压成正比,与电阻成反比。
电工实训笔试复习题一、填空题或选择1、在桥式起重机中电动机的过载保护元件应采用(过流继电器),而不采用(热过流继电器)。
2、三相异步电机运行中应装设(热过流继电器)和(熔断器)保护。
3、通用示波器主要有(X 通道)、(Y通道)、和(组机)等组成。
4、室内配线应尽量避免(接头),导线连接和分支处不应受到(机械外力)的作用。
5、三极管有两种类型,即(NPN)和(PNP)型。
6、继电保护装置由(检测)、(比较)、(执行)三个基本环节组成。
7、电动机的制动方式分为两种:(机械制动)、(电气制动)。
8、输入交流电,纯电阻电路,电压与电流的相位关系是(一致);纯电感电路,电流和电压的相位关系是(电压超前)电流90°;纯电容电路,电流和电压的相位关系是(电压滞后)电流90°。
9、500V以下电机绝缘电阻不应低于(0.5MΩ/500V)。
10、晶体二极管具有(单向)导电性、即加正向电压二极管(导通),加反向电压就(截止)。
11、接触器是利用电磁吸力使电路(接通)与(断开)的一种自动控制器,它主要结构有(电磁机构)系统和(触头)系统二大部分。
12、要使电机反转,只要改变三相电源的(相序)即把任意(两根)电源线交换即可。
13、照明线路导线截面的选择一般应符合导线允许的(电流密度及温升)、(机械强度)和(线路允许)电压损失。
14、同步电动机和异步电动机相比,区别在它的(转速恒定不变)并且(与负载波动无关)。
15、星---三角降压起动是指电动机在起动时其定子绕组接成(星)形,待转速升高到接近额定转速时再将它换成(三角)形。
16、工频交流电的安全电压等级有(36V)、(24V)、(12V)。
17、常用电磁线有(漆包线)和(双玻璃丝包线)。
18、50H Z交流电对人体影响的电流分几种,大小多少?(感觉电流1)1.1mA,0)0.7mA)、(摆脱电流1)16mA,0)10mA)、(致命电流30~50mA)。
电工电子考试题
1. 电气与电子基础知识
1.1 电气元件
在电路中,常用的电气元件有哪些?请简要介绍各种元件的特点和作用。
1.2 电路基础
简单电路中,串联电路和并联电路有什么区别?请说明各自的特点和应用场景。
2. 电工基础知识
2.1 电路图
根据给定的电路图,计算电阻的串并联组合,求解电路的总电阻。
2.2 电气安全
在进行电气工作时,应注意哪些安全事项?请列举并简要说明。
3. 电子工程技术
3.1 电子元器件
常见的电子元器件有哪些?请说明它们的工作原理和应用场景。
3.2 电子电路设计
根据指定的功能要求,设计一个简单的数字电路电子电路,并进行
仿真验证。
4. 辅助工具使用
4.1 电工工具
常用的电工工具有哪些?分别用途是什么?请说明其使用方法和注
意事项。
4.2 电子测试仪器
常用的电子测试仪器有哪些?如何正确使用这些测试仪器来检测电
路的参数和性能?
5. 实际问题解决
5.1 电路故障排除
对于一个给定的电路故障现象,如何通过分析和检测找出故障的原因,并进行修复?
5.2 电气设计方案
以一个实际的电气工程为例,阐述电气设计方案的具体内容和流程,并分析其技术可行性。
通过以上考试题,可以全面评估学生对电工电子知识的掌握情况,
帮助他们更好地理解和应用相关知识。
祝大家考试顺利,取得优异成绩!。
一.实验台1.若使直流电源上的恒流电源输出为5毫安,应先其接入电路再调节输出旋钮即可达到要求。
2.启动XST—2B实验装置后,在电源控制屏上U1、V1、W1与N1之间可获得220V伏电压。
3.当电压切换指示开关打到三相网压时,三块指针式交流电压表指示的是U1V1W1之间的电压。
4.直流电压源两路输出均无指示,应将电源开关按下置即可。
5.启动XST—2B实验装置后,在UVW之间可获得0~450V范围内的三相可调电压。
6.启动XST—2B实验装置后,在电源控制屏上的U1V1W1之间可获得380伏电压。
7.电压源的输出端不能短路否则,将会损害电压源。
8.由于恒流电源的输出端开路,所以无论怎样调节恒流电源的输出旋钮,其输出始终显示为零。
9.将XST—2B实验装置左侧的漏电断路器复位后才能启动装置。
10.将XST—2B实验装置钥匙式电源总开关置于开的位置,停止按钮红灯亮。
11.XST—2B的电压转换开关放置于三相网压时,三个电压表指示的电压为380V。
12.按下XST—2B实验装置的启动钮,绿灯亮红灯灭,主控屏启动结束。
13.将XST—2B实验装置电压转换开关拨到三相调压时,调左侧调压器手柄电压表应有电压输出。
14.使用XST—2B装置三相固定电压时,请接U1V1W1端子可获得三相380伏电压。
15.使用XST—2B实验装置单相固定电压时,请接U1V1W1任意一个端子和N1端子,可获得单相220V电压。
16.若用XST—2B装置上的三相调压,请接UVW端子可获得连续可调三相电压。
17.若用XST—2B实验装置上的单相调压,请接UVW端子任意一个端子和N端子,可获得单相连续可调电压。
18.XST—2B实验装置的直流电源出现短路、过压时,蜂鸣器发出告警声排除故障后按复位按钮,电源恢复工作。
19.由于漏电故障使XST—2B实验装置的蜂鸣器告警,并自动切断电源时,只有排除故障后再按复位按钮,方可重新启动主控屏。
20.用电器连接故障导致电源跳闸报警时,应按告警复位按钮可消除报警声音。
电工电子考试试卷及答案一、选择题 (每空格2分,共20分)1.两个阻值相同的电阻器串联后的等效电阻与并联后的等效电阻之比是( )。
A.4:1 B.1:4 C.1:2 D.2:12.电路中两点间的电压高,则( )。
A.两点的电位高B.两点间的电位差大C.两点的电位一定为正D.两点的电位一定为负3.有“220V、100W”“220V、25W”白炽灯两盏,串联后接入220V交流电源,其亮度情况是()。
A.100W灯泡最亮 B.25W灯泡最亮 C.两只灯泡一样亮4.电路如图 4所示,如果电阻R1增大,则电流表的读数()。
A.增大B.减小C.不变D.不定图 4题4 图 5题55.正弦电压的波形如图 5所示,则=()。
A.-30ºB. 0ºC. 30ºD. 150º6.某电阻元件的额定数据为“1KΩ、2.5W”,正常使用时允许流过的最大电流为()。
A.50mA B.2.5mA C.250mA D.25mA7.在R、L串联的正弦交流电路中,总电压U=30V,L上的电压UL =18V,则R上的电压UR =()。
A.12V B. 24V C. 48V D. 488.三相对称电路是指()。
A.三相电源对称的电路B.三相负载对称的电路C.三相电源和三相负载均对称的电路9.角频率ω与频率ƒ之间的关系为()。
A.ω=2πƒB.ω=1/ƒC.ω=πƒD.ω=ƒ10.我国使用的工频交流电频率为()。
A.45Hz B.50Hz C.60Hz D.65Hz二、判断题 (每小题2分,共20分)1.因为正弦量可以用相量来表示,所以说相量就是正弦量。
()2.正弦量的三要素是指最大值、角频率和相位。
()3.正弦交流电路的频率越高,阻抗越大;频率越低,阻抗越小。
()4.电感元件的正弦交流电路中,消耗的有功功率等于零。
()5.正弦交流电路的视在功率等于有功功率和无功功率之和。
()6.JK触发器可完成:保持、置0、置1、翻转四种功能。
电工笔试基础试题及答案1. 电流通过导体时,导体两端的电压与通过导体的电流成正比,这一定律称为欧姆定律。
根据欧姆定律,电压U、电流I和电阻R之间的关系是:U=IR。
请判断该说法是否正确,并解释原因。
答案:正确。
欧姆定律表明,在电阻不变的情况下,导体两端的电压与通过导体的电流成正比。
公式U=IR表明,电压等于电流乘以电阻。
2. 交流电路中,电感元件的阻抗与频率成正比。
请判断该说法是否正确,并解释原因。
答案:错误。
在交流电路中,电感元件的阻抗与频率成反比。
电感的阻抗XL=2πfL,其中f为频率,L为电感值。
随着频率的增加,电感阻抗会减小。
3. 星形连接的三相电路中,线电压与相电压的关系是什么?答案:在星形连接的三相电路中,线电压是相电压的√3倍。
即U线=√3U相。
4. 并联电路中,总电阻与各并联电阻之间的关系是什么?答案:在并联电路中,总电阻R总等于各并联电阻倒数之和的倒数。
即1/R总=1/R1+1/R2+...+1/Rn。
5. 变压器的工作原理是什么?答案:变压器的工作原理基于电磁感应。
当原线圈通过交流电时,会在铁芯中产生交变磁通,这个交变磁通在副线圈中感应出电动势,从而实现电能的传输和电压的变换。
6. 什么是三相电路的平衡负载和不平衡负载?答案:在三相电路中,如果三个相的负载电阻相等,称为平衡负载;如果三个相的负载电阻不相等,则称为不平衡负载。
7. 什么是功率因数?提高功率因数的意义是什么?答案:功率因数是交流电路中有功功率与视在功率的比值。
提高功率因数可以减少线路损耗,提高电能传输效率,降低设备投资成本。
8. 什么是谐波?谐波对电力系统有什么影响?答案:谐波是指频率为基波频率整数倍的正弦波。
谐波会对电力系统造成电压波动、设备过热、保护装置误动作等问题,影响系统的稳定运行。
9. 什么是接地?接地的目的是什么?答案:接地是指将电气设备的非带电金属部分与大地连接。
接地的目的是为了防止电气设备因绝缘损坏而带电,保护人身和设备安全。
本套试卷为电工精选题库,总共500道题!题目几乎覆盖电工常考的知识点。
题库说明:本套电工题库包含(选择题300道,多选题100道,判断题100道)一、单选题(共计300题,每题1分)1.在带电设备上工作必须填写工作票,应填写第一种工作票的工作是( )。
A.带电作业B.在二次回路上工作C.不需高压设备停电的工作D.在高压设备上工作,需将高压设备停电的工作答案:D2. 电动机( )作为电动机磁通的通路,要求材料有良好的导磁性能。
A.机座B.端盖C.定子铁芯答案:C3. 装机容量.电网容量.发电量增长速度应( )工业生产值的增长。
A.等于B.大于C.小于答案:B4. 双列布置的低压配电屏,屏前通道宽度不低于( )m。
A.0.8B. 1.0C. 1.5D. 2答案:D5. 使用SB-10型普通示波器观察信号波形时,欲使显示波形稳定,可以调节( )旋钮。
A.聚焦B.整步增幅C.辅助聚焦D.辉度答案:B6. 在二极管的p型侧接电源的正极,在n型侧接电源的负极,其接合部的电场屏蔽将( )。
A.增强B.不变C.减弱D.消失答案:D7. 在中性点直接接地电网中的剩余电流保护器后面的电网零线不准再( ),以免引起保护器误动作。
A.重复接地B.直接接地C.保护接零D.保护接地答案:A8. 在正弦波振荡器中,反馈电压与原输入电压之间的相位差是( )。
A.0°B.90°C.180°D.270°答案:A9. 一般照明的电源优先选用( )V。
A.220B.380C.36答案:A10. ( )是指光明供电服务公司接受委托,派驻供电所负责10千伏及以下配电设备运维.台区营销管理和客户服务的复合型外勤人员。
A.配电营业工B.综合班员C.台区经理D.客户经理答案:C11. C6150车床主电路中( )触点接触不良将造成主轴电动机不能正转。
A.转换开关B.中间继电器C.接触器D.行程开关答案:C12. 当已知经济电流密度Jj和线路最大工作电流Ig时,即可计算出经济截面Sj为( )。
二、笔试题1、利用E228C64设计一个5路序列信号发生器,4路序列码模值均为8,各个序列信号的码值分别为F1=10110100,F2=01100010,F3=10011101,F4=11001001,F5=10011101。
请建立序列码的数据并将数据填入下表中。
2、已知存储器28C64的起始4个地址空间内存放的16进制数据依次为0E、97、2A、61,当采用状态Q1Q0依次为00、01、10、11的计数器对四个空间循环寻址时,存储器的07端口输出的序列信号分别是什么?(8分)0 0101 1 1110 2 1100 3 10104 01005 00116 00017 0100 3、如果一个存储器的容量为8K 大小,每个存储单元能存储8数据,则这个存储器应具有 10 根地址线。
(5分)4、在实验中所用器件型号为:28C64B型按其功能分类这个器件是属于___(A:,B:);_可擦出可编程E2__(A:单极型的,B:单极型的,C:可擦除可编程E2,D:可擦除可编程);器件的总容量为_8K×8位__(A:4K×8位,B:8K×4位,C:8K×8位,D:4K×4位);地址线为:_13根__(A:10根,B:13根,C:12根,D:11根);每次可读取的数据为:_8位__(A:4位,B:8位,C:10位,D:12位)。
6、在实验中所用的可编程器件型号为:9510884器件类型属于(A:,B:,C:,D:),器件按其集成度分属于_高密度可编程器件__(A:高密度可编程器件,B:低密度可编程器件);按编程方法分类为—___(A:,B:,B:);器件的容量为:_2000门__(A:5000门,B:1万门,C:1000门,D:2000门)。
(8分)10、采用软件对正峰值为4V、负峰值为-4V、频率为1、占空比为20%的矩形波进行单边频谱分析,可知,其直流分量为负(正、负)值,谱线包络的第一个零结点位置为 5k ,有效频带范围内谱线有 4 条。
招聘电子或电器或仪器仪表岗位笔试题与参考答案一、单项选择题(本大题有10小题,每小题2分,共20分)1、电子技术中,下列哪种元件属于无源元件?A、二极管B、三极管C、电阻D、电感答案:C 解析:在电子技术中,电阻、电容、电感等元件不产生能量,而是消耗或存储能量,因此被称为无源元件。
二极管和三极管是半导体器件,它们能够控制和转换电信号,因此属于有源元件。
选项C电阻是无源元件。
2、在仪器仪表领域,下列哪种设备用于测量电流的有效值?A、万用表B、示波器C、频率计D、欧姆表答案:A 解析:万用表是一种多功能的电子测试仪器,它可以测量电压、电流和电阻等参数。
在测量电流时,万用表可以测量交流电流的有效值(RMS值)。
示波器主要用于观察和测量电压波形,频率计用于测量频率,欧姆表用于测量电阻值。
因此,选项A万用表是用于测量电流有效值的设备。
3、题干:在电子技术中,下列哪个元件通常用于放大信号?A. 电容器B. 电阻器C. 晶体二极管D. 运算放大器答案:D 解析:运算放大器(Op-Amp)是一种广泛用于放大信号的电子元件。
它可以将输入信号放大到所需的幅度,广泛应用于音频和视频放大、信号滤波、信号转换等领域。
电容器、电阻器和晶体二极管在电子技术中也有应用,但它们的主要功能不是放大信号。
4、题干:在电子测量中,以下哪个设备用于测量电流的大小?A. 示波器B. 万用表C. 频率计D. 热像仪答案:B 解析:万用表是一种常见的电子测量工具,它可以用来测量电流、电压、电阻等多种电参数。
在测量电流时,需要将万用表串联到电路中,选择适当的量程,从而测量电流的大小。
示波器用于观察和分析信号波形,频率计用于测量信号的频率,热像仪用于检测物体表面的温度分布。
5、在电子电路中,用于放大信号的电子元件是:A. 电阻B. 电容C. 电感D. 晶体管答案:D 解析:晶体管(特别是晶体三极管)是电子电路中最常用的放大元件,它能够放大输入信号的幅度。
二、笔试题
1、利用E228C64设计一个5路序列信号发生器,4路序列
码模值均为8,各个序列信号的码值分别为F1=10110100,
F2=01100010,F3=10011101,F4=11001001,F5=10011101。
请建立序列码的数据并将数据填入下表中。
2、已知存储器28C64的起始4个地址空间内存放的16进制数据依次为0E、97、2A、61,当采用状态Q1Q0依次为00、01、10、11的计数器对四个空间循环寻址时,存储器的07端口输出的序列信号分别是什么?(8分)
0 0101 1 1110 2 1100 3 1010
4 0100
5 0011
6 0001
7 0100 3、如果一个存储器的容量为8K 大小,每个存储单元能存储8
数据,则这个存储器应具有 10 根地址线。
(5分)
4、在实验中所用器件型号为:28C64B型按其功能分类这个器件是属于___(A:,B:);_可擦出可编程E2__(A:单极型的,B:单极型的,C:可擦除可编程E2,D:可擦除可编程);器件的总容量为_8K×8位__(A:4K×8位,B:8K×4位,C:8K×8位,D:4K×4位);地址线为:_13根__(A:10根,B:13根,C:12根,D:11根);每次可读取的数据为:_8位__(A:4位,B:8位,C:10位,D:12位)。
6、在实验中所用的可编程器件型号为:9510884器件类型属于(A:,B:,C:,D:),器件按其集成度分属于_高密度可编程器件__(A:高密度可编程器件,B:低密度可编程器件);按编程方法分类为—___(A:,B:,B:);器件的容量为:_2000门__(A:5000门,B:1万门,C:1000门,D:2000门)。
(8分)
10、采用软件对正峰值为4V、负峰值为-4V、频率为1、占空比
为20%的矩形波进行单边频谱分析,可知,其直流分量为负(正、负)值,谱线包络的第一个零结点位置为 5k ,有效频
带范围内谱线有 4 条。
当增大矩形波占空比后,其谱线包络
的主峰高度增高(增高、降低),有效频带宽度减小(增大、
减小),有效频带范围内高次谐波数目减少 (增加、减少)。
11、理想的正弦波只有基波分量,而无谐波分量、直流分量分量。
否则说明该正弦波已有失真。
12、用0832设计产生如图所示频率为1的正斜率阶梯波(信号
输出幅度为0~2V可调,电源电压为±5V)发生器,其电路并不
完整,试完成该电路,确定时钟频率,确定0832参考电压,确
定数字量的输入端,要求有简单的设计过程。
13、在可编程波形发生器实验中,电路原理图(正确)和示波器显示波形如下图所示,请分析硬件电路中的错误(要有分析过程,15分)
(1)参考电压接为-5V 。
(5分)
(2)0832数据D7接为固定高电平,(10分)
超过运放工作范围部分被截至。
14、选择题
(1)触发器 没有空翻 (没有空翻,有空翻);触发器可用于
设计计数器和移位寄存器 (锁存数据,设计计数器和移位寄存器);触发器的触发方式 边沿触发 (边沿触发,电平触发)。
(2)锁存器 有空翻 (没有空翻,有空翻);锁存器可用于 锁存数据 (锁存数据,设计计数器和移位寄存器);锁存器的触发方式 电平触发 (边沿触发,电平触发)。
N N V R N R V R I V 256
5
256256REF FB REF FB OUT10=⨯-=⨯⨯-
=⨯-=
(3)的输入端在使用时,多余的输入端
不可以悬空(不可以悬空,可以悬空)。
对于与非门多余的输入端接高电平(接高电平,接地),对于或非门多余输入接地(接高电平,接地)。
15、请写出下图电路的传输函数H(s),并画出系统模拟框图。
(10分)
16、首先令函数发生器输出信号10.5V,波形为正弦。
其次将函
数发生器输出和示波器本身的校正信号(10.5V,方波)分别送
入示波器1和2通道,调整相关旋钮开关使两波形稳定显示,此
时两个信号的峰峰值相同,在Y轴所占的格数也应相同。
再其次
用交流毫伏表300档分别测量正弦信号和方波信号的电压值。
请
分析不同波形用示波器测得的电压的峰峰值相同,为何用交流毫
伏表测得的电压不同,请说明原因。
答:交流毫伏表表盘刻度是依据正弦有效值确定的,所以测量方
波时将产生误差.如果一定要用交流毫伏表测量非正弦信号电压,
则应计算出各种波形的有效值与正弦波有效值的换算关系,用交
流毫伏表测得的初值后, 换算出非正弦的有效值电压。
由于非正弦种类很多,换算不方便,所以多用示波器测量。
26、示波器在双踪使用时,为了使两个通道的波形稳定的显示在屏幕上,在什么情况下使用信号强的信号作为触发同步信号;在什么情况下使用周期长的信号作为触发同步信号。
答:同频下使用强信号作为同步触发信号;在不同频率下(整数倍)使用频率低的信号或周期长的信号作为同步触发信号。
31、用示波器显示电平时,其输入耦合方式选择
_ (直流)((直流)、(交流)、(接地));当双踪显示频率相同、幅度分别为5和1V的两个正弦波形时,触发信源选择幅度
为_1的那一路。
当频率不同,但两路波形的频率具有整数倍关
系时,选择周期长(长、短)的那一路作触发信源。
33、存储器28C64存储器容量为_8字节,用其设计一路10的序
列信号发生器,请画出详细电路原理图,写出使用的存储单元地址。
所需其他元件自选。
(10分)
解:存储单元地址为:0000H ~
0009H
用74161实现10的计数器,Q3~
Q0的输出作为28C64的A3~A0
地址。
计数器的反馈函数为:。