EF37电子管参数
- 格式:pdf
- 大小:371.63 KB
- 文档页数:8
常用电子管管脚接线图(1)管脚图例管子型号管子型号(1) 管子型号(2) A6AQ8ECC85A6BQ7A ECC180A6BZ7AA6CG7A6FQ7(第9脚为NC)A6DJ8ECC88A6922E88CCA7308E188CCA8223E288CCA CcaA6N16н1пA6N26н2пA6N66н6пA6N116н23пA6240G(第9脚为IC)A6н30пA12C51A15670A16N36н3п常用电子管管脚接线图(2)管脚图例管子型号管子型号(1)管子型号(2) B12AT7ECC81B12AU7ECC82B12AX7ECC83B12BH7B5751B5814AB6201E81CCB6189E82CCB6681E83CCB7025B12AY76н4пB ECC99B E80CCB6N4B6N10B2025B15687B17119E182CC常用电子管管脚接线图(3)管脚图例管子型号管子型号(1)管子型号(2) C6SL7GTC5691C6SN7GTC5692C6N8P6н8сC6N9P6н9сC ECC33C6AS7GC6080C6N5P6н5сC6N13P6н13сC6BX7GTC6BL7GTAD6BQ5EL84D7189D6P146п14п常用电子管管脚接线图(4)管脚图例管子型号管子型号(1)管子型号(2) E6F6GTE6L6GE6L6GCE6V6GTE5881E6550AE KT88(第1脚为BC)E KT66E1614E7581AE6P3P6п3сE6P6P6п6сE6G-B8F2A3F2c4cF45F50F300BF4300B常用电子管管脚接线图(5)管脚图例管子型号管子型号(1)管子型号(2) G211G845H EL346CA7常用电子管管脚接线图(6)管脚图例管子型号管子型号(1)管子型号(2) I7027AK7868常用电子管管脚接线图(7)管脚图例管子型号管子型号(1)管子型号(2) L807L FU-7г-807M6AU6EF94M6BA6EF93M6BD6M6J46ж4пM6J56ж5п常用电子管管脚接线图(8)管脚图例管子型号管子型号(1)管子型号(2) M16AG5EF96M16AK5EF95M16BC5M16J16ж1пM16J36ж3пN6267EF86N6J86ж32п常用电子管管脚接线图(9)管脚图例管子型号管子型号(1)管子型号(2) N16BX6EF80N16EJ7EF184O6SJ7GTO5693O6J8P6ж8с常用电子管管脚接线图(10)管脚图例管子型号管子型号(1)管子型号(2) P5AR4GZ34P5V4GP5Z4GT GZ30P GZ32P GZ33P GZ37P U54P5Z4P5ц4сQ5U4GQ5U4GBQ5Z3P5ц3с常用电子管管脚接线图(11)管脚图例管子型号管子型号(1)管子型号(2) R5R4GYR5Y3GTR274BR5Z2PS5Z3S80常用电子管管脚接线图(12)管脚图例管子型号管子型号(1)管子型号(2) T6CA4EZ81T EZ80U6X4EZ90常用电子管管脚接线图(13)管脚图例管子型号管子型号(1)管子型号(2) U16Z46ц4пV7591常用电子管管脚接线图(14)页眉内容管脚图例管子型号管子型号(1)管子型号(2) W6AN8X6BL8ECF80X6U8A ECF82常用电子管管脚接线图(15)管脚图例管子型号管子型号(1)管子型号(2) Y7199注:F----灯丝G----栅极G1----控制栅G2----帘栅极G3----抑制栅极或集射屏H----热丝K----阴极P----屏极IC----管内没有电极连接的空脚,但管座上的焊片不能作中继连接端子用。
常用电子管管脚接线图集团标准化工作小组 [Q8QX9QT-X8QQB8Q8-NQ8QJ8-M8QMN]常用电子管管脚接线图(1)管脚图例管子型号管子型号(1) 管子型号(2) A6AQ8ECC85A6BQ7A ECC180A6BZ7AA6CG7A6FQ7(第9脚为NC)A6DJ8ECC88A6922E88CCA7308E188CCA8223E288CCA CcaA6N16н1пA6N26н2пA6N66н6пA6N116н23пA6240G(第9脚为IC)A6н30пA12C51A15670A16N36н3п常用电子管管脚接线图(2)管脚图例管子型号管子型号(1)管子型号(2)B12AT7ECC81B12AU7ECC82B12AX7ECC83B12BH7B5751B5814AB6201E81CCB6189E82CCB6681E83CCB7025B12AY76н4пB ECC99B E80CCB6N4B6N10B2025B15687B17119E182CC常用电子管管脚接线图(3)管脚图例管子型号管子型号(1)管子型号(2) C6SL7GTC5691C6SN7GTC5692C6N8P6н8сC6N9P6н9сC ECC33C6AS7GC6080C6N5P6н5сC6N13P6н13сC6BX7GTC6BL7GTAD6BQ5EL84D7189D6P146п14п常用电子管管脚接线图(4)管脚图例管子型号管子型号(1)管子型号(2) E6F6GTE6L6GE6L6GCE6V6GTE5881E6550AE KT88(第1脚为BC)E KT66E1614E7581AE6P3P6п3сE6P6P6п6сE6G-B8F2A3F2c4cF45F50F300BF4300B常用电子管管脚接线图(5)管脚图例管子型号管子型号(1)管子型号(2) G211G845H EL346CA7常用电子管管脚接线图(6)管脚图例管子型号管子型号(1)管子型号(2) I7027AK7868常用电子管管脚接线图(7)管脚图例管子型号管子型号(1)管子型号(2) L807L FU-7г-807M6AU6EF94M6BA6EF93M6BD6M6J46ж4пM6J56ж5п常用电子管管脚接线图(8)管脚图例管子型号管子型号(1)管子型号(2)M16AG5EF96M16AK5EF95M16BC5M16J16ж1пM16J36ж3пN6267EF86N6J86ж32п常用电子管管脚接线图(9)管脚图例管子型号管子型号(1)管子型号(2) N16BX6EF80N16EJ7EF184O6SJ7GTO5693O6J8P6ж8с常用电子管管脚接线图(10)管脚图例管子型号管子型号(1)管子型号(2) P5AR4GZ34P5V4GP5Z4GT GZ30P GZ32P GZ33P GZ37P U54P5Z4P5ц4сQ5U4GQ5U4GBQ5Z3P5ц3с常用电子管管脚接线图(11)管脚图例管子型号管子型号(1)管子型号(2) R5R4GYR5Y3GTR274BR5Z2PS5Z3S80常用电子管管脚接线图(12)管脚图例管子型号管子型号(1)管子型号(2) T6CA4EZ81T EZ80U6X4EZ90常用电子管管脚接线图(13)管脚图例管子型号管子型号(1)管子型号(2) U16Z46ц4пV7591常用电子管管脚接线图(14)管脚图例管子型号管子型号(1)管子型号(2) W6AN8X6BL8ECF80X6U8A ECF82常用电子管管脚接线图(15)管脚图例管子型号管子型号(1)管子型号(2) Y7199注:F----灯丝 G----栅极 G1----控制栅 G2----帘栅极 G3----抑制栅极或集射屏 H----热丝 K----阴极 P----屏极IC----管内没有电极连接的空脚,但管座上的焊片不能作中继连接端子用。
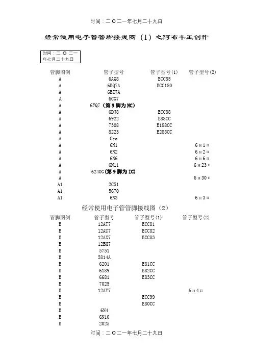
经常使用电子管管脚接线图(1)之阿布丰王创作管脚图例管子型号管子型号(1) 管子型号(2)A 6AQ8 ECC85A 6BQ7A ECC180A 6BZ7AA 6CG7A 6FQ7(第9脚为NC)A 6DJ8 ECC88A 6922 E88CCA 7308 E188CCA 8223 E288CCA CcaA 6N1 6н1пA 6N2 6н2пA 6N6 6н6пA 6N11 6н23пA 6240G(第9脚为IC)A 6н30пA1 2C51A1 5670A1 6N3 6н3п经常使用电子管管脚接线图(2)管脚图例管子型号管子型号(1) 管子型号(2)B 12AT7 ECC81B 12AU7 ECC82B 12AX7 ECC83B 12BH7B 5751B 5814AB 6201 E81CCB 6189 E82CCB 6681 E83CCB 7025B 12AY7 6н4пB ECC99B E80CCB 6N4B 6N10B 2025B1 5687B1 7119 E182CC经常使用电子管管脚接线图(3)管脚图例管子型号管子型号(1) 管子型号(2)C 6SL7GTC 5691C 6SN7GTC 5692C 6N8P 6н8сC 6N9P 6н9сC ECC33C 6AS7GC 6080C 6N5P 6н5сC 6N13P 6н13сC 6BX7GTC 6BL7GTAD 6BQ5 EL84D 7189D 6P14 6п14п经常使用电子管管脚接线图(4)管脚图例管子型号管子型号(1) 管子型号(2)E 6F6GTE 6L6GE 6L6GCE 6V6GTE 5881E 6550AE KT88(第1脚为BC)E KT66E 1614E 7581AE 6P3P 6п3сE 6P6P 6п6сE 6G-B8F 2A3F 2c4cF 45F 50F 300BF 4300B经常使用电子管管脚接线图(5)管脚图例管子型号管子型号(1) 管子型号(2)G 211G 845H EL34 6CA7经常使用电子管管脚接线图(6)管脚图例管子型号管子型号(1) 管子型号(2)I 7027AK 7868经常使用电子管管脚接线图(7)管脚图例管子型号管子型号(1) 管子型号(2) L 807L FU-7 г-807M 6AU6 EF94M 6BA6 EF93M 6BD6M 6J4 6ж4пM 6J5 6ж5п经常使用电子管管脚接线图(8)管脚图例管子型号管子型号(1) 管子型号(2) M1 6AG5 EF96M1 6AK5 EF95M1 6BC5M1 6J1 6ж1пM1 6J3 6ж3пN 6267 EF86N 6J8 6ж32п经常使用电子管管脚接线图(9)管脚图例管子型号管子型号(1) 管子型号(2) N1 6BX6 EF80N1 6EJ7 EF184O 6SJ7GTO 5693O 6J8P 6ж8с经常使用电子管管脚接线图(10)管脚图例管子型号管子型号(1) 管子型号(2) P 5AR4 GZ34P 5V4GP 5Z4GT GZ30P GZ32P GZ33P GZ37P U54P 5Z4P 5ц4сQ 5U4GQ 5U4GBQ 5Z3P 5ц3с经常使用电子管管脚接线图(11)管脚图例管子型号管子型号(1) 管子型号(2) R 5R4GYR 5Y3GTR 274BR 5Z2PS 5Z3S 80经常使用电子管管脚接线图(12)管脚图例管子型号管子型号(1) 管子型号(2) T 6CA4 EZ81T EZ80U 6X4 EZ90经常使用电子管管脚接线图(13)管脚图例管子型号管子型号(1) 管子型号(2) U1 6Z4 6ц4пV 7591经常使用电子管管脚接线图(14)管脚图例管子型号管子型号(1) 管子型号(2) W 6AN8X 6BL8 ECF80X 6U8A ECF82经常使用电子管管脚接线图(15)管脚图例管子型号管子型号(1) 管子型号(2) Y 7199注:F----灯丝 G----栅极 G1----控制栅 G2----帘栅极G3----抑制栅极或集射屏H----热丝 K----阴极 P----屏极IC----管内没有电极连接的空脚,但管座上的焊片不能作中继连接端子用.IS----管内屏蔽.NC----管内没有电极连接的空脚,可作连接端子用.BC----金属管腰,屏蔽用.。
常用电子管管脚接线图(1)管脚图例管子型号管子型号(1) 管子型号(2) A6AQ8ECC85A6BQ7A ECC180A6BZ7AA6CG7A6FQ7(第9脚为NC)A6DJ8ECC88A6922E88CCA7308E188CCA8223E288CCA CcaA6N16н1пA6N26н2пA6N66н6пA6N116н23пA6240G(第9脚为IC)A6н30пA12C51A15670A16N36н3п常用电子管管脚接线图(2)管脚图例管子型号管子型号(1)管子型号(2) B12AT7ECC81B12AU7ECC82B12AX7ECC83B12BH7B5751B5814AB6201E81CCB6189E82CCB6681E83CCB7025B12AY76н4пB ECC99B E80CCB6N4B6N10B2025B15687B17119E182CC常用电子管管脚接线图(3)管脚图例管子型号管子型号(1)管子型号(2) C6SL7GTC5691C6SN7GTC5692C6N8P6н8сC6N9P6н9сC ECC33C6AS7GC6080C6N5P6н5сC6N13P6н13сC6BX7GTC6BL7GTAD6BQ5EL84D7189D6P146п14п常用电子管管脚接线图(4)管脚图例管子型号管子型号(1)管子型号(2) E6F6GTE6L6GE6L6GCE6V6GTE5881E6550AE KT88(第1脚为BC)E KT66E1614E7581AE6P3P6п3сE6P6P6п6сE6G-B8F2A3F2c4cF45F50F300BF4300B常用电子管管脚接线图(5)管脚图例管子型号管子型号(1)管子型号(2) G211G845H EL346CA7常用电子管管脚接线图(6)管脚图例管子型号管子型号(1)管子型号(2) I7027AK7868常用电子管管脚接线图(7)管脚图例管子型号管子型号(1)管子型号(2) L807L FU-7г-807M6AU6EF94M6BA6EF93M6BD6M6J46ж4пM6J56ж5п常用电子管管脚接线图(8)管脚图例管子型号管子型号(1)管子型号(2) M16AG5EF96M16AK5EF95M16BC5M16J16ж1пM16J36ж3пN6267EF86N6J86ж32п常用电子管管脚接线图(9)管脚图例管子型号管子型号(1)管子型号(2) N16BX6EF80N16EJ7EF184O6SJ7GTO5693O6J8P6ж8с常用电子管管脚接线图(10)管脚图例管子型号管子型号(1)管子型号(2) P5AR4GZ34P5V4GP5Z4GT GZ30P GZ32P GZ33P GZ37P U54P5Z4P5ц4сQ5U4GQ5U4GBQ5Z3P5ц3с常用电子管管脚接线图(11)管脚图例管子型号管子型号(1)管子型号(2) R5R4GYR5Y3GTR274BR5Z2PS5Z3S80常用电子管管脚接线图(12)管脚图例管子型号管子型号(1)管子型号(2) T6CA4EZ81T EZ80U6X4EZ90常用电子管管脚接线图(13)管脚图例管子型号管子型号(1)管子型号(2) U16Z46ц4пV7591常用电子管管脚接线图(14)管脚图例管子型号管子型号(1)管子型号(2) W6AN8X6BL8ECF80X6U8A ECF82常用电子管管脚接线图(15)管脚图例管子型号管子型号(1)管子型号(2)Y7199注:F----灯丝 G----栅极 G1----控制栅 G2----帘栅极 G3----抑制栅极或集射屏 H----热丝 K----阴极 P----屏极IC----管内没有电极连接的空脚,但管座上的焊片不能作中继连接端子用。
常用电子管管脚接线图管脚图例管子型号管子型号(1) 管子型号(2)A 6AQ8 ECC85A 6BQ7A ECC180A 6BZ7AA 6CG7A 6FQ7(第9脚为NC)A 6DJ8 ECC88A 6922 E88CCA 7308 E188CCA 8223 E288CCA CcaA 6N1 6н1пA 6N2 6н2пA 6N6 6н6пA 6N11 6н23пA 6240G(第9脚为IC)A 6н30пA1 2C51A1 5670A1 6N3 6н3п管脚图例管子型号管子型号(1) 管子型号(2)B 12AT7 ECC81B 12AU7 ECC82B 12AX7 ECC83B 12BH7B 5751B 5814AB 6201 E81CCB 6189 E82CCB 6681 E83CCB 7025B 12AY7 6н4пB ECC99B E80CCB 6N4B 6N10B 2025B1 5687B1 7119 E182CC常用电子管管脚接线图(3)管脚图例管子型号管子型号(1) 管子型号(2)C 6SL7GTC 5691C 6SN7GTC 5692C 6N8P 6н8сC 6N9P 6н9сC ECC33C 6AS7GC 6080C 6N5P 6н5сC 6N13P 6н13сC 6BX7GTC 6BL7GTAD 6BQ5 EL84D 7189D 6P14 6п14п常用电子管管脚接线图(4)管脚图例管子型号管子型号(1) 管子型号(2)E 6F6GTE 6L6GE 6L6GCE 6V6GTE 5881E 6550AE KT88(第1脚为BC)E KT66E 1614E 7581AE 6P3P 6п3сE 6P6P 6п6сE 6G-B8F 2A3F 2c4cF 45F 50F 300BF 4300B常用电子管管脚接线图(5)管脚图例管子型号管子型号(1) 管子型号(2)G 211G 845H EL34 6CA7常用电子管管脚接线图(6)管脚图例管子型号管子型号(1) 管子型号(2)I 7027AK 7868常用电子管管脚接线图(7)管脚图例管子型号管子型号(1) 管子型号(2) L 807L FU-7 г-807M 6AU6 EF94M 6BA6 EF93M 6BD6M 6J4 6ж4пM 6J5 6ж5п常用电子管管脚接线图(8)管脚图例管子型号管子型号(1) 管子型号(2) M1 6AG5 EF96M1 6AK5 EF95M1 6BC5M1 6J1 6ж1пM1 6J3 6ж3пN 6267 EF86N 6J8 6ж32п常用电子管管脚接线图(9)管脚图例管子型号管子型号(1) 管子型号(2) N1 6BX6 EF80N1 6EJ7 EF184O 6SJ7GTO 5693O 6J8P 6ж8с常用电子管管脚接线图(10)管脚图例管子型号管子型号(1) 管子型号(2) P 5AR4 GZ34P 5V4GP 5Z4GT GZ30P GZ32P GZ33P GZ37P U54P 5Z4P 5ц4сQ 5U4GQ 5U4GBQ 5Z3P 5ц3с常用电子管管脚接线图(11)管脚图例管子型号管子型号(1) 管子型号(2) R 5R4GYR 5Y3GTR 274BR 5Z2PS 5Z3S 80常用电子管管脚接线图(12)T 6CA4 EZ81T EZ80U 6X4 EZ90常用电子管管脚接线图(13)管脚图例管子型号管子型号(1) 管子型号(2) U1 6Z4 6ц4пV 7591常用电子管管脚接线图(14)W 6AN8X 6BL8 ECF80X 6U8A ECF82常用电子管管脚接线图(15)管脚图例管子型号管子型号(1) 管子型号(2) Y 7199注:F----灯丝 G----栅极 G1----控制栅 G2----帘栅极 G3----抑制栅极或集射屏 H----热丝 K----阴极 P----屏极IC----管内没有电极连接的空脚,但管座上的焊片不能作中继连接端子用。
常用电子管管脚接线图(1)管脚图例管子型号管子型号(1) 管子型号(2)A 6AQ8 ECC85A 6BQ7A ECC180A 6BZ7AA 6CG7A 6FQ7(第9脚为NC)A 6DJ8 ECC88A 6922 E88CCA 7308 E188CCA 8223 E288CCA CcaA 6N1 6н1пA 6N2 6н2пA 6N6 6н6пA 6N11 6н23пA 6240G(第9脚为IC)A 6н30пA1 2C51A1 5670A1 6N3 6н3п常用电子管管脚接线图(2)管脚图例管子型号管子型号(1) 管子型号(2)B 12AT7 ECC81B 12AU7 ECC82B 12AX7 ECC83B 12BH7B 5751B 5814AB 6201 E81CCB 6189 E82CCB 6681 E83CCB 7025B 12AY7 6н4пB ECC99B E80CCB 6N4B 6N10B 2025B1 5687B1 7119 E182CC常用电子管管脚接线图(3)管脚图例管子型号管子型号(1) 管子型号(2)C 6SL7GTC 5691C 6SN7GTC 5692C 6N8P 6н8сC 6N9P 6н9сC ECC33C 6AS7GC 6080C 6N5P 6н5сC 6N13P 6н13сC 6BX7GTC 6BL7GTAD 6BQ5 EL84D 7189D 6P14 6п14п常用电子管管脚接线图(4)管脚图例管子型号管子型号(1) 管子型号(2)E 6F6GTE 6L6GE 6L6GCE 6V6GTE 5881E 6550AE KT88(第1脚为BC)E KT66E 1614E 7581AE 6P3P 6п3сE 6P6P 6п6сE 6G-B8F 2A3F 2c4cF 45F 50F 300BF 4300B常用电子管管脚接线图(5)管脚图例管子型号管子型号(1) 管子型号(2)G 211G 845H EL34 6CA7常用电子管管脚接线图(6)管脚图例管子型号管子型号(1) 管子型号(2)I 7027AK 7868常用电子管管脚接线图(7)管脚图例管子型号管子型号(1) 管子型号(2) L 807L FU-7 г-807M 6AU6 EF94M 6BA6 EF93M 6BD6M 6J4 6ж4пM 6J5 6ж5п常用电子管管脚接线图(8)管脚图例管子型号管子型号(1) 管子型号(2) M1 6AG5 EF96M1 6AK5 EF95M1 6BC5M1 6J1 6ж1пM1 6J3 6ж3пN 6267 EF86N 6J8 6ж32п常用电子管管脚接线图(9)管脚图例管子型号管子型号(1) 管子型号(2) N1 6BX6 EF80N1 6EJ7 EF184O 6SJ7GTO 5693O 6J8P 6ж8с常用电子管管脚接线图(10)管脚图例管子型号管子型号(1) 管子型号(2) P 5AR4 GZ34P 5V4GP 5Z4GT GZ30P GZ32P GZ33P GZ37P U54P 5Z4P 5ц4сQ 5U4GQ 5U4GBQ 5Z3P 5ц3с常用电子管管脚接线图(11)管脚图例管子型号管子型号(1) 管子型号(2) R 5R4GYR 5Y3GTR 274BR 5Z2PS 5Z3S 80常用电子管管脚接线图(12)管脚图例管子型号管子型号(1) 管子型号(2) T 6CA4 EZ81T EZ80U 6X4 EZ90常用电子管管脚接线图(13)管脚图例管子型号管子型号(1) 管子型号(2) U1 6Z4 6ц4пV 7591常用电子管管脚接线图(14)管脚图例管子型号管子型号(1) 管子型号(2) W 6AN8X 6BL8 ECF80X 6U8A ECF82常用电子管管脚接线图(15)管脚图例管子型号管子型号(1) 管子型号(2) Y 7199注:F----灯丝G----栅极G1----控制栅G2----帘栅极G3----抑制栅极或集射屏H----热丝K----阴极P----屏极IC----管没有电极连接的空脚,但管座上的焊片不能作中继连接端子用。
欧洲常见的电子管介绍欧洲常见的电子管介绍2011-05-06一、前述1904年,英国人弗莱明发明的具有划时代历史意义的电子二极管标志着人类进入了无线电时代。
在半导体器件未获患上广泛应用以前的半个多世纪中,胆管在无线电广播通讯、音频放大、摄谱仪仪表和其他工业自动化控制方面扮演着"独一无二"的脚色,为人类的文明进步立下了"赫赫军功"。
很多人可能不知,1946年美国人发明的世上第一台电子计算机ENIAC就是由18000多个胆管构成的。
今日,用着摆在桌面上的电脑,不禁浮想连翩。
恰巧今年是胆管诞辰一百周年的日子,理应道贺一番才是。
西欧是胆管的发源地之一,也是世上生产胆管最集中之处。
据不完全统计,鼎盛时期的西欧胆管品牌过百,每年生产的各类胆管遍及世界各地,多不堪数。
跟着半导体器件的广泛应用,西欧的胆管生产厂早在二十多年前已陆续停产。
众多的著名胆管品牌也是以或改变方式,或随之消失。
幸好如今还能在NOS管上一见其昔日的风采。
胆管逐渐淡出绝大部分应用范畴后,一般的人只能在音频这块"美丽的绿洲"中还能见到胆管的"靓影"。
就音频用管而言,人们公认西欧上世纪五六十年代(凡"年代"均指上世纪,下同)生产的胆管品质轶群,无与伦比,一些发烧友更非"西胆"不听。
也许有人会问,跟着科技的进步,越近期的产品其质量应越好才是。
其实不然,胆管的生产工艺在那时已达到了出神入化的田地,改进的余地很有限。
加上当时正值胆管火红的年代,各品牌之间竞争激烈。
在某些范畴如国防、摄谱仪仪表也需要高质量的胆管。
从七十年代起,胆管需求已逐渐衰落,生产成本能省则省,品质控制也大不如以前。
在西欧各胆管生产厂接踵关闭后,一些品牌虽还在发行胆管,但产品已非原厂产,而是来自"五湖四海",难循其踪,质量更是无法保证。
这种情况连一些著名品牌也未能幸免。
时常使用电子管管足交线图(1)之阳早格格创做管足图例管子型号管子型号(1)管子型号(2) A6AQ8ECC85A6BQ7A ECC180A6BZ7AA6CG7A6FQ7(第9足为NC)A6DJ8ECC88A6922E88CCA7308E188CCA8223E288CCA CcaA6N16н1пA6N26н2пA6N66н6пA6N116н23пA6240G(第9足为IC)A6н30пA12C51A15670A16N36н3п时常使用电子管管足交线图(2)管足图例管子型号管子型号(1)管子型号(2) B12A T7ECC81B12AU7ECC82B12AX7ECC83B12BH7B5751B5814AB6201E81CCB6189E82CCB6681E83CCB7025B12AY76н4пB ECC99B E80CCB6N4B6N10B2025B15687B17119E182CC时常使用电子管管足交线图(3)管足图例管子型号管子型号(1)管子型号(2)C6SL7GTC5691C6SN7GTC5692C6N8P6н8сC6N9P6н9сC ECC33C6AS7GC6080C6N5P6н5сC6N13P6н13сC6BX7GTC6BL7GTAD6BQ5EL84D7189D6P146п14п时常使用电子管管足交线图(4)管足图例管子型号管子型号(1)管子型号(2) E6F6GTE6L6GE6L6GCE6V6GTE5881E6550AE KT88(第1足为BC)E KT66E1614E7581AE6P3P6п3сE6P6P6п6сE6G-B8F2A3F2c4cF45F50F300BF4300B时常使用电子管管足交线图(5)管足图例管子型号管子型号(1)管子型号(2) G211G845H EL346CA7时常使用电子管管足交线图(6)管足图例管子型号管子型号(1)管子型号(2) I7027AK7868时常使用电子管管足交线图(7)管足图例管子型号管子型号(1)管子型号(2) L807L FU-7г-807M6AU6EF94M6BA6EF93M6BD6M6J46ж4пM6J56ж5п时常使用电子管管足交线图(8)管足图例管子型号管子型号(1)管子型号(2) M16AG5EF96M16AK5EF95M16BC5M16J16ж1пM16J36ж3пN6267EF86N6J86ж32п时常使用电子管管足交线图(9)管足图例管子型号管子型号(1)管子型号(2) N16BX6EF80N16EJ7EF184O6SJ7GTO5693O6J8P6ж8с时常使用电子管管足交线图(10)管足图例管子型号管子型号(1)管子型号(2) P5AR4GZ34P5V4GP5Z4GT GZ30P GZ32P GZ33P GZ37P U54P5Z4P5ц4сQ5U4GQ5U4GBQ5Z3P5ц3с时常使用电子管管足交线图(11)管足图例管子型号管子型号(1)管子型号(2)R5R4GYR5Y3GTR274BR5Z2PS5Z3S80时常使用电子管管足交线图(12)管足图例管子型号管子型号(1)管子型号(2) T6CA4EZ81T EZ80U6X4EZ90时常使用电子管管足交线图(13)管足图例管子型号管子型号(1)管子型号(2) U16Z46ц4пV7591时常使用电子管管足交线图(14)管足图例管子型号管子型号(1)管子型号(2) W6AN8X6BL8ECF80X6U8A ECF82时常使用电子管管足交线图(15)管足图例管子型号管子型号(1)管子型号(2) Y7199注:F----灯丝G----栅极G1----统造栅G2----帘栅极G3----压造栅极或者集射屏H----热丝K----阳极P----屏极IC----管内不电极连交的空足,但是管座上的焊片不克不迭做中继连交端子用.IS----管内屏蔽.NC----管内不电极连交的空足,可做连交端子用.BC----金属管腰,屏蔽用.。
常用电子管管脚接线图(1)管脚图例管子型号管子型号(1) 管子型号(2)A 6AQ8 ECC85A 6BQ7A ECC180A 6BZ7AA 6CG7A 6FQ7(第9脚为NC)A 6DJ8 ECC88A 6922 E88CCA 7308 E188CCA 8223 E288CCA CcaA 6N1 6н1пA 6N2 6н2пA 6N6 6н6пA 6N11 6н23пA 6240G(第9脚为IC)A 6н30пA1 2C51A1 5670A1 6N3 6н3п常用电子管管脚接线图(2)管脚图例管子型号管子型号(1) 管子型号(2)B 12AT7 ECC81B 12AU7 ECC82B 12AX7 ECC83B 12BH7B 5751B 5814AB 6201 E81CCB 6189 E82CCB 6681 E83CCB 7025B 12AY7 6н4пB ECC99B E80CCB 6N4B 6N10B 2025B1 5687B1 7119 E182CC常用电子管管脚接线图(3)管脚图例管子型号管子型号(1) 管子型号(2)C 6SL7GTC 5691C 6SN7GTC 5692C 6N8P 6н8сC 6N9P 6н9сC ECC33C 6AS7GC 6080C 6N5P 6н5сC 6N13P 6н13сC 6BX7GTC 6BL7GTAD 6BQ5 EL84D 7189D 6P14 6п14п常用电子管管脚接线图(4)管脚图例管子型号管子型号(1) 管子型号(2)E 6F6GTE 6L6GE 6L6GCE 6V6GTE 5881E 6550AE KT88(第1脚为BC)E KT66E 1614E 7581AE 6P3P 6п3сE 6P6P 6п6сE 6G-B8F 2A3F 2c4cF 45F 50F 300BF 4300B常用电子管管脚接线图(5)管脚图例管子型号管子型号(1) 管子型号(2)G 211G 845H EL34 6CA7常用电子管管脚接线图(6)管脚图例管子型号管子型号(1) 管子型号(2)I 7027AK 7868常用电子管管脚接线图(7)管脚图例管子型号管子型号(1) 管子型号(2) L 807L FU-7 г-807M 6AU6 EF94M 6BA6 EF93M 6BD6M 6J4 6ж4пM 6J5 6ж5п常用电子管管脚接线图(8)管脚图例管子型号管子型号(1) 管子型号(2) M1 6AG5 EF96M1 6AK5 EF95M1 6BC5M1 6J1 6ж1пM1 6J3 6ж3пN 6267 EF86N 6J8 6ж32п常用电子管管脚接线图(9)管脚图例管子型号管子型号(1) 管子型号(2) N1 6BX6 EF80N1 6EJ7 EF184O 6SJ7GTO 5693O 6J8P 6ж8с常用电子管管脚接线图(10)管脚图例管子型号管子型号(1) 管子型号(2) P 5AR4 GZ34P 5V4GP 5Z4GT GZ30P GZ32P GZ33P GZ37P U54P 5Z4P 5ц4сQ 5U4GQ 5U4GBQ 5Z3P 5ц3с常用电子管管脚接线图(11)管脚图例管子型号管子型号(1) 管子型号(2) R 5R4GYR 5Y3GTR 274BR 5Z2PS 5Z3S 80常用电子管管脚接线图(12)管脚图例管子型号管子型号(1) 管子型号(2) T 6CA4 EZ81T EZ80U 6X4 EZ90常用电子管管脚接线图(13)管脚图例管子型号管子型号(1) 管子型号(2) U1 6Z4 6ц4пV 7591常用电子管管脚接线图(14)管脚图例管子型号管子型号(1) 管子型号(2) W 6AN8X 6BL8 ECF80X 6U8A ECF82常用电子管管脚接线图(15)管脚图例管子型号管子型号(1) 管子型号(2) Y 7199注:F----灯丝 G----栅极 G1----控制栅 G2----帘栅极 G3----抑制栅极或集射屏 H----热丝 K----阴极 P----屏极IC----管内没有电极连接的空脚,但管座上的焊片不能作中继连接端子用。
常用电子管管脚接线图(1)管脚图例管子型号管子型号(1) 管子型号(2)A 6AQ8 ECC85A 6BQ7A ECC180A 6BZ7AA 6CG7A 6FQ7(第9脚为NC)A 6DJ8 ECC88A 6922 E88CCA 7308 E188CCA 8223 E288CCA CcaA 6N1 6н1пA 6N2 6н2пA 6N6 6н6пA 6N11 6н23пA 6240G(第9脚为IC)A 6н30пA1 2C51A1 5670A1 6N3 6н3п常用电子管管脚接线图(2)管脚图例管子型号管子型号(1) 管子型号(2)B 12AT7 ECC81B 12AU7 ECC82B 12AX7 ECC83B 12BH7B 5751B 5814AB 6201 E81CCB 6189 E82CCB 6681 E83CCB 7025B 12AY7 6н4пB ECC99B E80CCB 6N4B 6N10B 2025B1 5687B1 7119 E182CC常用电子管管脚接线图(3)管脚图例管子型号管子型号(1) 管子型号(2)C 6SL7GTC 5691C 6SN7GTC 5692C 6N8P 6н8сC 6N9P 6н9сC ECC33C 6AS7GC 6080C 6N5P 6н5сC 6N13P 6н13сC 6BX7GTC 6BL7GTAD 6BQ5 EL84D 7189D 6P14 6п14п常用电子管管脚接线图(4)管脚图例管子型号管子型号(1) 管子型号(2)E 6F6GTE 6L6GE 6L6GCE 6V6GTE 5881E 6550AE KT88(第1脚为BC)E KT66E 1614E 7581AE 6P3P 6п3сE 6P6P 6п6сE 6G-B8F 2A3F 2c4cF 45F 50F 300BF 4300B常用电子管管脚接线图(5)管脚图例管子型号管子型号(1) 管子型号(2)G 211G 845H EL34 6CA7常用电子管管脚接线图(6)管脚图例管子型号管子型号(1) 管子型号(2)I 7027AK 7868常用电子管管脚接线图(7)管脚图例管子型号管子型号(1) 管子型号(2) L 807L FU-7 г-807M 6AU6 EF94M 6BA6 EF93M 6BD6M 6J4 6ж4пM 6J5 6ж5п常用电子管管脚接线图(8)管脚图例管子型号管子型号(1) 管子型号(2) M1 6AG5 EF96M1 6AK5 EF95M1 6BC5M1 6J1 6ж1пM1 6J3 6ж3пN 6267 EF86N 6J8 6ж32п常用电子管管脚接线图(9)管脚图例管子型号管子型号(1) 管子型号(2) N1 6BX6 EF80N1 6EJ7 EF184O 6SJ7GTO 5693O 6J8P 6ж8с常用电子管管脚接线图(10)管脚图例管子型号管子型号(1) 管子型号(2) P 5AR4 GZ34P 5V4GP 5Z4GT GZ30P GZ32P GZ33P GZ37P U54P 5Z4P 5ц4сQ 5U4GQ 5U4GBQ 5Z3P 5ц3с常用电子管管脚接线图(11)管脚图例管子型号管子型号(1) 管子型号(2) R 5R4GYR 5Y3GTR 274BR 5Z2PS 5Z3S 80常用电子管管脚接线图(12)管脚图例管子型号管子型号(1) 管子型号(2) T 6CA4 EZ81T EZ80U 6X4 EZ90常用电子管管脚接线图(13)管脚图例管子型号管子型号(1) 管子型号(2) U1 6Z4 6ц4пV 7591常用电子管管脚接线图(14)管脚图例管子型号管子型号(1) 管子型号(2) W 6AN8X 6BL8 ECF80X 6U8A ECF82常用电子管管脚接线图(15)管脚图例管子型号管子型号(1) 管子型号(2) Y 7199注:F----灯丝 G----栅极 G1----控制栅 G2----帘栅极 G3----抑制栅极或集射屏 H----热丝 K----阴极 P----屏极IC----管内没有电极连接的空脚,但管座上的焊片不能作中继连接端子用。
经常使用电子管管脚接线图(1)之蔡仲巾千创作管脚图例管子型号管子型号(1)管子型号(2) A6AQ8ECC85A6BQ7A ECC180A6BZ7AA6CG7A6FQ7(第9脚为NC)A6DJ8ECC88A6922E88CCA7308E188CCA8223E288CCA CcaA6N16н1пA6N26н2пA6N66н6пA6N116н23пA6240G(第9脚为IC)A6н30пA12C51A15670A16N36н3п经常使用电子管管脚接线图(2)管脚图例管子型号管子型号(1)管子型号(2) B12A T7ECC81B12AU7ECC82B12AX7ECC83B12BH7B5751B5814AB6201E81CCB6189E82CCB6681E83CCB7025B12AY76н4пB ECC99B E80CCB6N4B6N10B2025B15687B17119E182CC经常使用电子管管脚接线图(3)管脚图例管子型号管子型号(1)管子型号(2) C6SL7GTC5691C6SN7GTC5692C6N8P6н8сC6N9P6н9сC ECC33C6AS7GC6080C6N5P6н5сC6N13P6н13сC6BX7GTC6BL7GTAD6BQ5EL84D7189D6P146п14п经常使用电子管管脚接线图(4)管脚图例管子型号管子型号(1)管子型号(2) E6F6GTE6L6GE6L6GCE6V6GTE5881E6550AE KT88(第1脚为BC)E KT66E1614E7581AE6P3P6п3сE6P6P6п6сE6G-B8F2A3F2c4cF45F50F300BF4300B经常使用电子管管脚接线图(5)管脚图例管子型号管子型号(1)管子型号(2) G211G845H EL346CA7经常使用电子管管脚接线图(6)管脚图例管子型号管子型号(1)管子型号(2) I7027AK7868经常使用电子管管脚接线图(7)管脚图例管子型号管子型号(1)管子型号(2) L807L FU-7г-807M6AU6EF94M6BA6EF93M6BD6M6J46ж4пM6J56ж5п经常使用电子管管脚接线图(8)管脚图例管子型号管子型号(1)管子型号(2) M16AG5EF96M16AK5EF95M16BC5M16J16ж1пM16J36ж3пN6267EF86N6J86ж32п经常使用电子管管脚接线图(9)管脚图例管子型号管子型号(1)管子型号(2) N16BX6EF80N16EJ7EF184O6SJ7GTO5693O6J8P6ж8с经常使用电子管管脚接线图(10)管脚图例管子型号管子型号(1)管子型号(2) P5AR4GZ34P5V4GP5Z4GT GZ30P GZ32P GZ33P GZ37P U54P5Z4P5ц4сQ5U4GQ5U4GBQ5Z3P5ц3с经常使用电子管管脚接线图(11)管脚图例管子型号管子型号(1)管子型号(2) R5R4GYR5Y3GTR274BR5Z2PS5Z3S80经常使用电子管管脚接线图(12)管脚图例管子型号管子型号(1)管子型号(2) T6CA4EZ81T EZ80U6X4EZ90经常使用电子管管脚接线图(13)管脚图例管子型号管子型号(1)管子型号(2) U16Z46ц4пV7591经常使用电子管管脚接线图(14)管脚图例管子型号管子型号(1)管子型号(2) W6AN8X6BL8ECF80X6U8A ECF82经常使用电子管管脚接线图(15)管脚图例管子型号管子型号(1)管子型号(2) Y7199注:F----灯丝 G----栅极 G1----控制栅 G2----帘栅极G3----抑制栅极或集射屏H----热丝 K----阴极 P----屏极IC----管内没有电极连接的空脚,但管座上的焊片不能作中继连接端子用.IS----管内屏蔽.NC----管内没有电极连接的空脚,可作连接端子用.BC----金属管腰,屏蔽用.。
欧洲常见的电子管介绍欧洲常见的电子管介绍(转)一、前述1904年,英国人弗莱明发明的具有划时代历史意义的电子二极管标志着人类进入了无线电时代。
在半导体器件未得到广泛应用之前的半个多世纪中,胆管在无线电广播通讯、音频放大、仪器仪表和其他工业自动化控制方面扮演着“独一无二”的角色,为人类的文明进步立下了“赫赫战功”。
许多人可能不知,1946年美国人发明的世界上第一台电子计算机ENIAC就是由18000多个胆管构成的。
今天,用着摆在桌面上的电脑,不禁浮想联翩。
恰巧今年是胆管诞辰一百周年的日子,理应庆贺一番才是。
西欧是胆管的发源地之一,也是世界上生产胆管最集中的地方。
据不完全统计,鼎盛时期的西欧胆管品牌过百,每年生产的各类胆管遍及世界各地,多不胜数。
随着半导体器件的广泛应用,西欧的胆管生产厂早在二十多年前已陆续停产。
众多的著名胆管品牌也因此或改弦易辙,或随之消失。
幸好如今还能在NOS管上一见其昔日的风采。
胆管逐渐淡出绝大部分应用领域后,一般的人只能在音频这块“绿洲”中还能见到胆管的“靓影”。
就音频用管而言,人们公认西欧上世纪五六十年代(凡“年代”均指上世纪,下同)生产的胆管品质超群,无与伦比,一些发烧友更非“西胆”不听。
也许有人会问,随着科技的进步,越近期的产品其质量应越好才是。
其实不然,胆管的生产工艺在那时已达到了炉火纯青的地步,改进的余地很有限。
加上当时正值胆管火红的年代,各品牌之间竞争激烈。
在某些领域如国防、仪器仪表也需要高质量的胆管。
从七十年代起,胆管需求已逐渐衰落,生产成本能省则省,品质控制也大不如以前。
在西欧各胆管生产厂相继关闭后,一些品牌虽还在发行胆管,但产品已非原厂产,而是来自“五湖四海”,难循其踪,质量更是无法保证。
这种情况连一些著名品牌也未能幸免。
因此,玩胆者在搜罗胆管时,把目光投向早期的产品不无道理。
可惜因停产多年,这些NOS 管存货日减而价格年复一年不断上涨。
某些牌子响、年份早的音频用管已属“古董”,不少拥有者只作收藏而不舍得上机。