工程量现场确认单模板
- 格式:doc
- 大小:73.00 KB
- 文档页数:12
工程量现场确认单模板本工程位于XXX大门东西两侧渠道,施工单位为XXX。
经现场确认,该区域存在大量建筑垃圾和生活垃圾,需要清除外运。
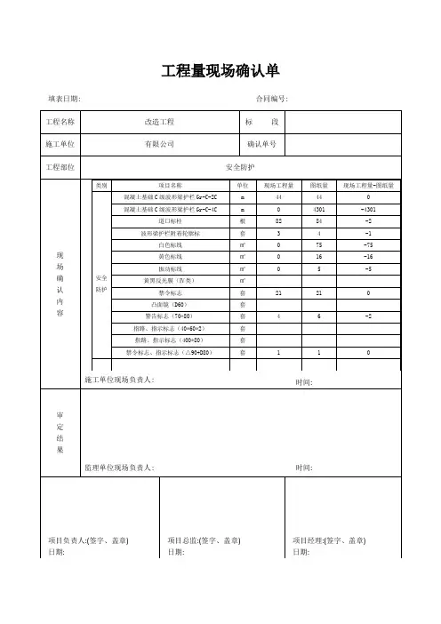
工程量如下:计算方法:垃圾清运方量=(长)60m×(宽)8m×(高)1.4m=672m³施工单位(章)监理单位(章)建设单位(章)审计单位(章)XXX大门东西两侧原有130棵柳树和杨树,以及709米的铁丝网栅栏。
为满足施工要求,这些树木和铁丝网栅栏需要被挖掘和拆除。
施工方投入了一台挖机和一台装载机,共计用时2天。
此外,还有8名工人参与施工,用时4天。
施工单位、监理单位、建设单位和审计单位都对工程进行了监管和确认。
工程名称:开封市涧水河综合治理工程施工二标段工程部位:K4+000--k4+053处施工日期:2017年2月8日工程情况说明:在长安4S店东北处的K4+000--XXX,存在大量建筑垃圾和生活垃圾。
为了保证施工质量和环保要求,这些垃圾需要被外运。
根据计算,需要外运垃圾共计21车(后八轮),每车方量约合15m³。
工程名称:开封市涧水河综合治理工程施工二标段工程部位:西环路顶管工程进口沉井施工日期:年月日工程情况说明:在西环路顶管工程进口沉井施工区域内存在大量建筑垃圾,需要清除以满足搅拌桩施工要求。
施工方决定将这些垃圾外运。
根据计算,需要外运建筑垃圾共计212.1m³。
工程名称:开封市涧水河综合治理工程施工二标段工程部位:黄河大街顶管工程出口沉井施工日期:年月日工程情况说明:在黄河大街顶管工程出口沉井施工区域内存在大量建筑垃圾,需要清除以进行水泥搅拌桩施工。
施工方决定将这些垃圾外运。
根据计算,需要外运建筑垃圾共计169.2m³。
工程名称:XXX至西环路围挡工程部位:施工日期工程情况说明:无法确定具体的工程部位和施工日期,因此无法进行改写或修正。
在龙翔.XXX至西环路围挡的施工中,出现了一些问题。
原本按照设计要求搭建的围挡导致售楼部无法正常营业,经过市政府和业主等相关部门的多方协调,同意将售楼部门前的围挡拆除并移至现状位置。
工程量现场确认单记录编号:变更编号:确认时间:年月日确认地点:参加人员:合同名称:合同编号:承包商/供应商:确认内容描述及产生原因分析:专业工程师:年月日序号工程事项工程量及向其它承包商索赔描述承包商/供应商(签字):监理单位(签字):项目工程总监(签字):合同预算部项目组(签字):《工程量现场确认单》使用说明1.适用范围:本单适用于公司开发项目施工中工程变更、设计变更之图纸难以计量部分的工程量确认工作。
2.填写要求:2.1.变更申报审批通过后,由项目部现场专业工程师负责组织现场工程量的确认工作(如需);2.2.隐蔽和开凿工程必须有当场拍照且有隐蔽验收记录;2.3.签署实体工程量时,尽量避免签署人工工日或机械台班;2.4.土石方工程必须提供施工前经项目部确认的土方方格网图以供计算工程量;2.5.承包商/供应商、监理单位、项目工程总监、合同预算部项目组四方签名确认(如工程事项及工程量描述超出一页,可另附页四方应逐页签名确认)。
2.6.当指令/通知单发生内容涉及返工、剔凿等需进行工作量现场核定时,应在施工前组织四方确认,并签署具体工程事项及对应的工程数量,不可使用“情况属实”等模糊词语;3.填写说明:项目部填写:3.1.记录编号由成本系统自动生成;合同名称、合同编号、变更编号、承包商/供应商(变更实施单位)由项目部专业工程师在成本系统中选择。
3.2.确认时间指承包商/供应商、监理单位、项目工程总监/授权人、合同预算部项目组确认地点及参加人员,由项目部专业工程师进行填写。
3.3.确认内容描述及产生原因分析:由项目部专业工程师负责根据现场实际填写。
合同预算部填写:3.4.工程事项、工程量及向其它承包商索赔描述,由合同预算部项目成本主管负责填写。
3.5.向其它承包商索赔:根据合同文件进行分析是否需扣除其它承包商/供应商相应费用。
4.核准程序:由参与现场工程量核定的承包商/供应商、监理单位、项目工程总监、合同预算部项目组四方共同签字确认。
编号:工程名称开封市涧水河综合治理工程施工二标段施工单位河南省广宇建设集团有限公司开封市涧水河综合治理二标段项目部工程部位西环路顶管出口施工日期2016年10月29日工程情况说明:西环路顶管工程出口沉井到黄汴河以西位置(沉井已南,东京大道围挡已北),居民拆迁完成,但留有大量建筑垃圾和生活垃圾混凝土路面破除,为保证施工质量,经四方联合确认,我施工方将建筑垃圾及生活垃圾清除外运。
工程量如下:计算方法:垃圾外运方量=[(长)(19+31)m×(宽)31.3m+(长)13.5m×(宽)22m]×(高)1.4m=2562.98m³混凝土破除方量=[(长)(19+31)m×(宽)31.3m+(长)13.5m×(宽)22m]×(高)0.1m=183.1m³施工单位(章)监理单位(章)建设单位(章)审计单位(章)编号:工程名称开封市涧水河综合治理工程施工二标段施工单位河南省广宇建设集团有限公司开封市涧水河综合治理二标段项目部工程部位西环路顶管出口施工日期2016 年11 月7 日工程情况说明:西环路顶管工程出口沉井到黄汴河以西位置(沉井施工区域内),居民拆迁完成,但留有大量建筑垃圾和生活垃圾混凝土路面破除,为保证施工质量,经四方确认,建筑垃圾及生活垃圾清除外运。
根据实地情况,工程量如下:计算方法:垃圾清运方量=(长)49m×(宽)12.6m×(高)1.4m=866.6m³下层混凝土面层破除方量=(长)49m×(宽)12.6m×(高)0.2m=123.8m³上层混凝土面层破除方量=(长)49m×(宽)12.6m×(高)0.10m=61.9m³地梁挖出:地梁挖出方量=((长)49m×(宽)12.6m)÷(3m×6m)×18m ×(0.4m×0.5m)=123.48m³注:地梁长度=(长)49m×(宽)12.6m)÷(3m×6m)×18m,地梁断面面积0.4m×0.5m施工单位(章)监理单位(章)建设单位(章)审计单位(章)工程量现场确认单编号:工程名称开封市涧水河综合治理工程施工二标段施工单位河南省广宇建设集团有限公司开封市涧水河综合治理二标段项目部工程部位黄河水利职业技术学院大门东西两侧渠道施工日期2016年8月24日工程情况说明:黄河水利职业技术学院大门东西两侧施工区域内原有柳树,杨树等共计130棵和709米的铁丝网栅栏,根据施工要求,对施工区域内的树进行挖出和拆除铁丝网栅栏。
工程量确认单模板工程量确认单。
项目名称,__________ 项目编号,__________ 工程名称,__________ 施工单位,__________。
序号工程内容单位工程量确认人确认时间。
1 土石方工程立方米。
2 混凝土工程立方米/立方米。
3 钢筋工程吨。
4 砌体工程平方米。
5 抹灰工程平方米。
6 油漆工程平方米。
7 防水工程平方米。
8 门窗工程平方米。
9 给排水工程米。
10 电气工程米。
11 通风工程平方米。
12 消防工程平方米。
13 电梯工程台。
14 装饰装修工程平方米。
15 围墙工程米。
16 绿化工程平方米。
17 道路工程平方米。
18 排水工程米。
19 照明工程米。
20 标识工程平方米。
21 景观工程平方米。
22 其他(请注明)平方米/米/台。
合计。
备注,________________________________________________________________________ ______。
确认人签字,______________________ 签字日期,______________________。
审批人签字,______________________ 签字日期,______________________。
工程量确认单填写注意事项:1. 填写工程内容时,要详细列出各项工程的具体内容,确保不遗漏;2. 工程量填写时,要按照实际情况填写准确的数量;3. 确认人和审批人要在相应的栏目签字确认,并填写签字日期;4. 填写备注时,如有需要,可在备注栏注明相关事项;5. 确认单填写完成后,需交由相关部门进行审批。
以上为工程量确认单模板,希望能够对您的工作有所帮助,如有任何疑问或需要进一步了解,请随时与我们联系。