现浇钢筋混凝土挡土墙基础模板安装分项工程检验批质量检验记录(模板)
- 格式:xlsx
- 大小:16.81 KB
- 文档页数:1
精选全文完整版可编辑修改
现浇钢筋混凝土挡土墙检验批质量检验记录
CJJ1-2008
主控项目
1.检查数量:每道挡土墙基槽抽检3点。
检验方法:查触(钎)探检测报告、隐蔽验收记录。
2. ⑴钢筋品种、规格和加工、成型与安装应符合设计要求。
检查数量:钢筋按品种每批1次。
安装全数检查。
检验方法:查钢筋试验单和验收记录。
⑵混凝土强度应符合设计规定。
检查数量:每班或每100m3取1组(3块),少于规定按1组计。
检验方法:查强度试验报告。
一般项目
1.检查数量:全数检查。
检验方法:观察。
2.检查数量:路外回填土每压实层抽检3点。
检验方法:环刀法、灌砂法或灌水法。
3. 现浇混凝土挡土墙允许偏差
注:表中H为挡土墙板高度。
- 114 -。
现浇结构混凝土工程检验批质量验收记录1. 引言现浇结构混凝土工程是指使用现场搅拌的混凝土,在浇注至模板内后进行硬化的工程。
该类工程在建筑领域中应用广泛,常见于建筑物的地基、柱、梁、板等部位。
为了确保现浇结构混凝土工程的质量和安全性,进行质量验收是非常重要的环节。
2. 检验批质量验收记录2.1 工程信息- 工程名称:- 工程地址:- 施工单位:- 监理单位:- 验收日期:2.2 检查项目在进行现浇结构混凝土工程质量验收时,应对以下项目进行检查:2.2.1 混凝土原料检查混凝土原料的供货合格证书或者试验报告,确保原材料符合相关标准要求;检查原材料使用量和搅拌过程是否符合设计要求。
2.2.2 模板检查模板的材料和制作工艺是否满足设计要求,是否有破损、变形等问题;检查模板安装是否牢固。
2.2.3 钢筋检查钢筋的质量和数量是否达到规范要求;检查钢筋的加工和安装是否符合设计要求。
2.2.4 技术要求检查施工过程中是否按照相关技术规范和施工图纸要求进行施工;检查现浇混凝土浇注过程中的振捣情况、养护措施等是否符合要求。
2.2.5 强度检测对混凝土进行强度检测,得出相应的抗压强度值,并与设计强度进行对比,判断混凝土是否符合要求。
2.3 检验结果根据对各项检查项目的实际情况进行评定,如:- 混凝土原料合格- 模板质量合格- 钢筋安装合格- 技术要求符合- 强度检测达标2.4 验收意见根据检验结果,提出对现浇结构混凝土工程的质量验收意见,如:- 合格验收,准予投入使用- 不合格验收,要求整改并重新验收3. 结论通过对现浇结构混凝土工程的质量验收,可以判断工程施工是否达到设计要求和相关技术标准。
同时,通过及时发现和解决质量问题,有助于确保施工质量和工程安全。
相关单位应根据验收结果和意见,及时进行整改或调整,确保工程质量符合要求。
综上所述,现浇结构混凝土工程的质量验收是一个重要的环节,通过对混凝土原料、模板、钢筋、技术要求和强度等方面进行检查,可以判断工程的质量状况并提出相应的验收意见。
基础墙体板混凝土浇筑分项工程质量验收记录工程名称:基础墙体板混凝土浇筑分项工程工程地点:施工单位:总包单位:监理单位:验收日期:1.工程概况本工程是基础墙体板混凝土浇筑分项工程,主要包括浇筑基础墙体板混凝土等工作。
2.施工材料2.1水泥:材料质量合格证明、采购报告、存储安全记录等;2.2砂:材料质量合格证明、采购报告、存储安全记录等;2.3骨料:材料质量合格证明、采购报告、存储安全记录等;2.4水:水质检测报告、采购报告、存储安全记录等;2.5外加剂:材料质量合格证明、采购报告、存储安全记录等。
3.施工要点3.1施工前,应核对施工图设计要求,对各项尺寸、位置、数量等进行检查确认;3.2施工前,应将施工现场进行清理整理,并搭建好脚手架和安全网;3.3施工过程中,应按照施工工艺要求进行操作,保证施工质量;3.4施工结束后,应及时对施工现场进行清理,清理掉浇筑时产生的废弃物;3.5施工结束后,应对混凝土浇筑的外观质量进行验收,包括表面平整度、裂缝情况等。
4.施工记录4.1浇筑前,检查现场是否符合施工要求,检查脚手架和安全网是否搭建完毕;4.2检查施工用水、水泥、砂、骨料等材料的质量合格证明和采购报告;4.3检查施工人员的资格证书和岗位证明;4.4检查混凝土浇筑过程中是否按照工艺要求进行操作,是否进行了充分拌和;4.5检查混凝土浇筑结束后的外观质量,包括表面平整度、裂缝情况等;4.6填写工程质量验收记录,记录施工过程中的关键环节和关键问题。
5.验收结论5.1本工程的混凝土浇筑工程符合设计要求和施工工艺要求,工程质量合格;5.2混凝土浇筑的外观质量符合规范要求,表面平整度、裂缝情况等均符合标准;5.3施工人员的证书和岗位证明齐全合格,施工现场脚手架和安全网搭建完毕;5.4施工过程中,材料的质量合格并按要求进行拌和,操作符合工艺要求。
6.验收意见本工程的基础墙体板混凝土浇筑分项工程质量验收结果良好,符合设计要求和规范要求,可以进行下一步工程施工。
现浇混凝土挡土墙检验批质量检验记录一、项目概况现浇混凝土挡土墙是一种常见的土木工程结构,在建筑工程中起到保护和支撑土体的作用。
为了确保挡土墙的质量和稳定性,需要进行质量检验。
本文档将记录现浇混凝土挡土墙的检验批质量检验记录,以便跟踪和评估工程质量。
二、检验批信息1. 工程名称:2. 工程编号:3. 检验日期:4. 报告编号:5. 检验批编号:三、检验项目1. 原材料质量检验:(1)水泥:检查水泥标志、包装、生产日期、试验报告等是否符合规定要求;(2)砂:检查砂的含泥量、含水率等是否符合规定要求;(3)骨料:检查骨料的含泥量、规格、含水率等是否符合规定要求;(4)混合料:检查混合料的配合比、含泥量、含水率等是否符合规定要求;(5)水:检查水源及水质是否符合规定要求。
2. 组织与施工质量检验:(1)模板:检查模板的尺寸、几何形状、表面平整度等是否符合要求;(2)钢筋布置:检查挡土墙钢筋布置是否符合设计要求;(3)浇注工艺:检查浇注工艺是否符合规定要求,包括浇注速度、浇注高度、充实度等;(4)混凝土坍落度:用坍落度试验测定混凝土坍落度;3. 其他检验项目:(1)抗压强度检验:根据规定时限对混凝土挡土墙进行抗压强度试验;(2)稳定性检验:检查挡土墙的稳定性,包括抗倾覆、抗滑动等;(3)表面平整度检验:检查挡土墙表面平整度是否符合规定要求;(4)裂缝检测:通过目测和非破坏检测方法检测挡土墙是否存在裂缝;(5)防水性能检验:检测挡土墙的防水性能。
四、检验结果1. 原材料质量检验结果:(1)水泥:合格/不合格;(2)砂:合格/不合格;(3)骨料:合格/不合格;(4)混合料:合格/不合格;(5)水:合格/不合格。
2. 组织与施工质量检验结果:(1)模板:合格/不合格;(2)钢筋布置:合格/不合格;(3)浇注工艺:合格/不合格;(4)混凝土坍落度:满足设计要求/不满足设计要求。
3. 其他检验项目结果:(1)抗压强度:达到设计要求/未达到设计要求;(2)稳定性:稳定/不稳定;(3)表面平整度:符合规定要求/不符合规定要求;(4)裂缝情况:无裂缝/存在裂缝;(5)防水性能:防水性能良好/防水性能不良。
挡土墙检验批质量验收记录(市政)(二)引言:挡土墙作为一种常见的市政工程建筑结构,在施工过程中需要进行质量检验和验收,以确保其稳定性和安全性。
本文旨在记录挡土墙检验批质量验收的相关内容。
正文:一、挡土墙基础验收1. 检查基础沉降情况2. 验证基础尺寸和平整度3. 检验基础混凝土质量4. 检测基础土质的承载力和稳定性5. 检查基础墙面的垂直度和平整度二、挡土墙墙体验收1. 检查挡土墙的结构是否符合设计要求2. 验证挡土墙的高程和轴线位置3. 检验挡土墙的土工材料质量4. 检测挡土墙的水平度和垂直度5. 检查挡土墙表面的光滑度和平整度三、挡土墙排水系统验收1. 检查排水管道的材料和连接方式2. 验证排水管道的坡度和位置3. 检验排水管道的防渗漏措施4. 检测排水孔的位置和尺寸5. 检查排水系统开口的渗透性和流量四、挡土墙防护验收1. 检验挡土墙后方的护坡结构和材料2. 检查挡土墙前方的护脚石或挡板设置3. 验证挡土墙的防冲刷措施4. 检测挡土墙面附加的防腐层或保护层材料5. 检验挡土墙表面的防污措施和美观度五、挡土墙附件验收1. 检查挡土墙的附属物(如护栏、标志牌)是否齐全2. 验证挡土墙附属物与挡土墙结构的连接牢固性3. 检验挡土墙附件的质量和耐久性4. 检查挡土墙附件的位置和布置是否符合要求5. 检测挡土墙附件的使用安全性和舒适度结论:通过对挡土墙检验批质量验收的各个方面的检查和验证,确认挡土墙工程的质量符合相关标准和设计要求。
同时,发现并整改了一些小问题,保证了挡土墙的稳定性和安全性。
现浇混凝土基础检验批质量检验记录1.项目名称:XXXXX项目2.工程名称:现浇混凝土基础3.检验日期:XXXX年XX月XX日4.检验单位:XXXX公司5.施工单位:XXXX公司6.监理单位:XXXX公司7.监理工程师:XXXX8.检验人员:XXXX9.检验依据:-《混凝土工程施工及验收规范》-《建筑工程质量验收标准》-《混凝土强度检验方法标准》10.检验设备:-混凝土强度试验仪-水泥浆密度计-骨料筛孔机-饱和表面干燥试验装置11.检验内容及结果:1)骨料筛分:骨料筛孔直径为18mm,经骨料筛孔机筛选,骨料通过率为100%,符合规范要求。
2)水泥浆密度测定:使用水泥浆密度计进行测定,测得水泥浆密度为1.2g/cm³,符合规范要求。
3)混凝土表面干燥试验:按规范要求,进行饱和表面干燥试验。
结果显示试块吸水率为 4.5%,达到规范要求。
4)混凝土强度试验:按规范要求,取现浇混凝土基础中的试块进行强度试验。
试块拿样位置符合规范要求,试块标记清晰。
按要求进行初期强度试验,测得1天龄混凝土强度为25MPa,符合规范要求。
按要求进行28天龄强度试验,测得28天龄混凝土强度为38MPa,符合规范要求。
12.检验结论:就本次现浇混凝土基础质量检验而言,骨料筛分、水泥浆密度、混凝土表面干燥试验以及强度试验的结果均符合相关规范要求,检验合格。
13.备注:-在施工过程中,施工单位遵守了相关施工规范和监理要求,施工质量可控。
-在试块拿样和强度试验过程中,相关检验设备使用正确,测量准确性高。
14.检验单位意见:-本次检验结果符合规范要求,现浇混凝土基础质量良好。
15.监理单位意见:-经检验发现,本次现浇混凝土基础的质量符合相关规范要求。
16.施工单位意见:-在施工过程中,我们严格按照施工图纸和相关规范要求进行施工,配合检验单位和监理单位的检验工作。
以上为现浇混凝土基础检验批质量检验记录。
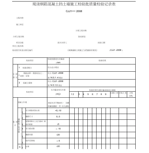
现浇钢筋混凝土挡土墙施工检验批质量检验记录表CJJ1— 2008工程名称施工单位项目经理 单位工程名称验收执行标准名称及编号技术负责人检验日期《城镇道路工程施工与质量验收规范》(CJJ1 -2008 )分项工程名称分部工程名称验收部位注:1、L为墙板长度,H为墙板全高(mm )。
2、主控项目一般项目的检查结果,需用语言描述的项,应按CJJ1-2008的要求详实描述;主控项目的计数检验项先填写“检验批主控项目计数检验记录表”(G1-1-1 ),然后将计数检验结果填写在本表相应的检查结果栏内;检验批一般项目计数检验数据较多、本表空格不够填写的项,可填写“检验批一般项目计数检验记录表”现浇钢筋混凝土挡土墙质量检验标准( CJJ1-2008 )(G1-1-2 ),将该表作为本表的附页1561现浇钢筋混凝土挡土墙质量检验应符合下列规定5现浇混凝土挡土墙允许偏差应符合表表 1561 -1主控项目1地基承载力应符合设计要求检查数量:每道挡土墙基槽抽检3点。
检验方法:查触(钎)探检测报告、隐蔽验收记录。
2钢筋品种和规格、加工、成型、安装与混凝土强度应符合本规范第 一般项目14.5.1条的有关规定3混凝土表面应光洁、平整、密实,无蜂窝、麻面、露筋现象,泄水孔通畅检查数量:全数检查。
检验方法:观察4钢筋加工与安装偏差应符合本规范表1424-1、表 1424-2 的规定 15.6.1 -1的规定。
现浇混凝土挡土墙允许偏差注:表中H为挡土墙板高度6路外回填土压实度应符合设计规定。
检验方法:环刀法、灌砂法或灌水法。
7 预制混凝土栏杆允许偏差应符合表15.6.1-表15.6.1-2的规定。
预制混凝土栏杆允许偏差注:L为构件长度8栏杆安装允许偏差应符合表1561-3的规定栏杆安装允许偏差表。
挡土墙模板安装检验批质量检验记录(一)引言概述:挡土墙模板安装是土木工程中的重要一环,对于墙体的稳定性和质量起着至关重要的作用。
为了确保挡土墙模板安装的质量,需要进行相应的检验工作。
本文将从以下五个大点阐述挡土墙模板安装检验批质量检验记录。
正文:1. 模板材料的检验1.1 确认模板材料的品种和规格是否符合设计要求1.2 检查模板材料的表面是否平整,无裂缝、破损等缺陷1.3 检查模板材料的连接件是否齐全、完好,并能够稳固连接2. 模板安装的检验2.1 检查模板安装的位置是否准确,与设计图纸一致2.2 检查模板支撑的方式和设置是否符合安全要求2.3 检查模板的固定是否牢固,能够承受正常的工作荷载2.4 检查模板的水平度、垂直度是否满足规范要求2.5 检查模板的结构是否密实,无松动、腐蚀等现象3. 模板接缝的检验3.1 检查模板之间的接缝是否紧密,无缝隙3.2 检查接缝处的填充物是否完好,能够保证墙体的整体性3.3 检查接缝处的胶水使用是否符合规范,并且能够有效粘贴4. 模板的防水工艺检验4.1 检查模板防水层的材料是否符合要求,并能够达到防水效果4.2 检查模板防水层的施工工艺是否符合规范,能够保证防水效果4.3 检查模板防水层的密封性是否良好,无渗漏现象5. 模板安装记录的检验5.1 检查模板安装记录的完整性和准确性5.2 检查模板安装记录是否包含了相关的检验、验收等信息5.3 检查模板安装记录是否经过相关责任人的签字确认总结:挡土墙模板安装检验批质量检验记录是确保施工质量的重要文件,通过对模板材料、模板安装、模板接缝、模板防水工艺和模板安装记录的检验,可以有效确保挡土墙模板安装的质量和稳定性。
只有经过严格检验,并符合相关规范要求,才能保障工程的可靠性和安全性。
挡土墙模板安装检验批质■检验记录
编号:
施工与质址验收规范的规定
施工駅位检査记录
监理单 位
验收 记录
主 控 项 目
施工与质址验收规范的规定
不合格点的实测 偏差
值或实测值
应测 点数 合格 点数
合格 率
(%
般 项 目
1
2
3
4 5
6
允
许
差
相邻两 板
表面高
* (一、 刨光模板
W2
钢模板
不刨光模
W4
表面 平整
度
(mm ) 刨光模板
W3
钢模扳
不刨光模 W5
断面 尺寸 (mm )
宽度
±10
高度
±10
杯槽宽度
十 20, 0
轴线偏 位(mm ) 杯槽中心 线
W10
杯槽底面高程(支據 面)(mm )
+5. —10
预埋件 (mm ) 高程 ±5
偏位 W15
平均合格率(%)
验收规范及图号
CJJ1-2008
工程名称 单位工程名称 施工单位 分包单位
项目经理 分部匸程名称
分项工程名称
验收部位 主要工程数址
技术负责人
施工工长。
5.10.1现浇混凝土模板安装工程检验批质量验收记录(共17页)--本页仅作为文档封面,使用时请直接删除即可----内页可以根据需求调整合适字体及大小--挡土墙现浇混凝土模板安装分项工程报审、报验表工程名称:矿业公司白马铁矿4#矿石破碎站建设工程项目编号:注:本表一式份,由承包单位填报,建设单位、项目监理机构、承包单位各一份。
表5.10.1 现浇混凝土模板安装工程检验批质量验收记录工程名称:矿业公司白马铁矿4#矿石破碎站建设工程项目编号:表5.10.1 现浇混凝土模板安装工程检验批质量验收记录(续表)工程名称:矿业公司白马铁矿4#矿石破碎站建设工程项目编号:注:L 为长度。
表5.10.1 现浇混凝土模板安装工程检验批质量验收记录工程名称:矿业公司白马铁矿4#矿石破碎站建设工程项目编号:表5.10.1 现浇混凝土模板安装工程检验批质量验收记录(续表)工程名称:矿业公司白马铁矿4#矿石破碎站建设工程项目编号:注:L 为长度。
表5.10.1 现浇混凝土模板安装工程检验批质量验收记录工程名称:矿业公司白马铁矿4#矿石破碎站建设工程项目编号:表5.10.1 现浇混凝土模板安装工程检验批质量验收记录(续表)工程名称:矿业公司白马铁矿4#矿石破碎站建设工程项目编号:注:L 为长度。
表5.10.1 现浇混凝土模板安装工程检验批质量验收记录工程名称:矿业公司白马铁矿4#矿石破碎站建设工程项目编号:表5.10.1 现浇混凝土模板安装工程检验批质量验收记录(续表)工程名称:矿业公司白马铁矿4#矿石破碎站建设工程项目编号:注:L 为长度。
表5.10.1 现浇混凝土模板安装工程检验批质量验收记录工程名称:矿业公司白马铁矿4#矿石破碎站建设工程项目编号:表5.10.1 现浇混凝土模板安装工程检验批质量验收记录(续表)工程名称:矿业公司白马铁矿4#矿石破碎站建设工程项目编号:注:L 为长度。
表5.10.1 现浇混凝土模板安装工程检验批质量验收记录工程名称:矿业公司白马铁矿4#矿石破碎站建设工程项目编号:表5.10.1 现浇混凝土模板安装工程检验批质量验收记录(续表)工程名称:矿业公司白马铁矿4#矿石破碎站建设工程项目编号:注:L 为长度。
现浇钢筋混凝土挡土墙工程检验批质量验收记录范本一:1.工程概述1.1 工程名称:现浇钢筋混凝土挡土墙工程检验批质量验收记录1.2 工程位置:具体地址1.3 总包单位:xxx公司1.4 分包单位:xxx公司1.5 施工单位:xxx公司1.6 监理单位:xxx公司2.工程质量验收人员2.1 验收组长:姓名、职称2.2 验收组员:姓名、职称2.3 监理工程师:姓名、职称3.工程质量验收依据根据《中华人民共和国建设工程质量管理条例》、《挡土墙工程施工及验收规范》等相关法律法规和标准进行验收。
4.工程进度及质量控制情况4.1 工程进度:a) xxxx年xx月xx日-xxxx年xx月xx日,完成挡土墙基础的施工;b) xxxx年xx月xx日-xxxx年xx月xx日,完成挡土墙主体的施工;c) xxxx年xx月xx日-xxxx年xx月xx日,完成挡土墙防水、防渗处理;4.2 施工质量控制:a) 钢筋的验收采用《钢筋混凝土工程钢筋验收规程》的要求;b) 模板的验收采用《钢筋混凝土工程模板验收规程》的要求;c) 混凝土的验收采用《普通混凝土工程验收规程》的要求;d) 挡土墙的验收采用《挡土墙工程施工及验收规范》的要求。
5.工程质量检查方式及结果5.1 施工工艺检查结果:a) 钢筋绑扎工艺得到落实,存在少量绑扎不严密的情况,已要求整改;b) 混凝土浇筑工艺得到落实,强度检测结果符合要求。
5.2 强度检测结果:a) C15混凝土达到设计强度要求;b) 钢筋拉力检测结果符合要求。
6.工程质量验收结论根据工程质量验收的检查结果,现场施工质量符合相关施工和验收规范的要求,可以进行下一步的工程节点。
7.附件暂无。
8.法律名词及注释1)中华人民共和国建设工程质量管理条例:建设工程质量管理的法规,对建筑工程施工过程和施工质量进行了规范和管理。
2)挡土墙工程施工及验收规范:对挡土墙工程施工和验收过程进行了规范,确保工程质量达到要求。
水泥混凝土面层检验批质量验收记录表编号:__________水泥混凝土原材料检验批质量验收记录表编号:__________填土方路基检验批质量验收记录表Ⅲ(支路及其他小路)编号:__________填土方路基检验批质量验收记录表编号:__________填土方路基检验批质量验收记录表Ⅱ(次干路)编号:__________土工材料处理软土路基检验批质量验收记录表编号:__________编号:__________挖土方路基检验批质量验收记录表编号:__________现浇钢筋混凝土挡土墙钢筋加工与安装检验批质量验收记录表编号:__________编号:__________现浇钢筋混凝土挡土墙栏杆制作与安装检验批质量验收记录表编号:__________现浇钢筋混凝土人行地道结构检验批质量验收记录表编号:__________雨水支管与雨水口检验批质量验收记录表编号:__________预制安装钢筋混凝土人行地道结构地基检验批质量验收记录表编号:__________预制安装钢筋混凝土人行地道结构墙板、顶板安装检验批质量验收记录表编号:__________预制安装钢筋混凝土人行地道结构预制墙板、顶板检验批质量验收记录表编号:__________预制混凝土砌块面层检验批质量验收记录表编号:__________粘层、透层与封层检验批质量验收记录表编号:__________目装配式钢筋混凝土挡土墙基础检验批质量验收记录表编号:__________编号:__________编号:__________。