联合验收记录表
- 格式:docx
- 大小:13.04 KB
- 文档页数:1
建设工程联合验收前质量抽查申请表
工程项目装配式建筑实施情况汇总表
项目栋装配式建筑竣工阶段评价复核表(国标)
项目栋装配式建筑竣工阶段评价复核表(省标)
项目栋装配式建筑技术措施信息表
房屋建筑及小区工程(含管廊)海绵城市
充电设施质量检查记录
建设工程无障碍设施试用意见记录
注:1.按照《广州市无障碍环境建设管理规定》(广州市人民政府令第172号)第十四条所列举的项目,建设单位在组织竣工验收时,应当邀请残疾人联合会参加并出具此试用意见。
2.此表一式3份,建设单位、残疾人联合会、残疾人代表各执一份。
建设工程无障碍设施质量检查记录
建设工程配套附属及绿化工程质量检查记录。
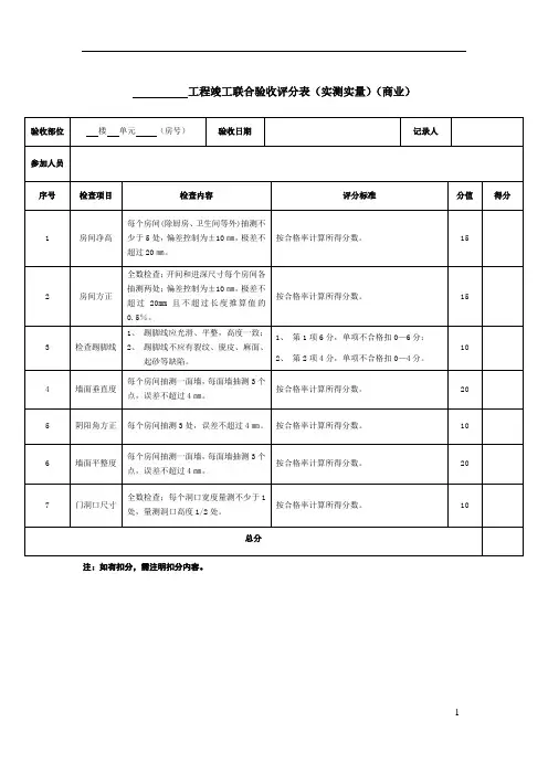
工程竣工联合验收评分表(实测实量)(商业)
注:如有扣分,需注明扣分内容。
工程竣工联合验收评分表(观感质量)(商业)
注:如有扣分,需注明扣分内容。
工程竣工联合验收评分表(水、电安装工程)(商业)
注:如有扣分,需注明扣分内容。
工程竣工联合验收评分表(公共部位)(商业)
注:如有扣分,需注明扣分内容。
工程竣工联合验收评分表(景观绿化)(商业)
注:如有扣分,需注明扣分内容。
工程竣工联合验收评分汇总表(商业)
注:
1.“评分表”中各项内容得分按检查情况评测,“分值”为最高分;
2.“评分表”及“汇总表”中无检查内容的项目按满分计;
3.“汇总表”中的综合得分为各单项总分乘以其加权系数后之和;
4.实测实量组的单项得分高于85分(含85分),其余各单项得分高于75
分(含75分),且综合得分高于90分(含90分)为优良;
5.实测实量组的单项得分高于85分(含85分),其余各单项得分高于75
分(含75分),且综合得分高于75分(含75分)为合格;
6.实测实量组的单项得分低于85分(不含85分),或其余各单项得分中任
意一项低于75分(不含75分),或综合得分低于75分(不含75分)为不合格,不合格项需进行专项复验。
7.专项复验标准仍按照本评测系统为准。
工艺工序样板验收记录表
XXX:
我单位已经完成楼样板工程,依据合同及甲方、监理要求,现申请联合验收。
施工方负责人:
时间:样板间位置:
样板间内容:
监理拍照记录
施工单位意见:
监理工程师意见:
XXX工程师意见:
建设方工程师意见:
建设方工程部经理意见:
样板间验收通过时间:
备注:1、本表一式3份,由施工单位负责走单;会签完毕甲方、监理、施工单位各留存一份。
2、每项重点工序大面积施工前必须做样板间,并经过各方联合验收合格并会签完毕方可大面积
2、每项重点工序大面积施工前必须做样板间,并经过各方联合验收合格并会签完毕方可大面积。
悬挑式脚手架联合验收记录表
施工单位中建三局一公司工程名称冠亚·国际星城三期
验收时间验收部位
序
检查项目检查标准检查结果号
1、方案按规定审核、审批,超过规定允许高度经专
施工家论证;
一
2、脚手架搭设与方案是否一致
方案
3、有专项安全技术交底
1、预埋环位置准确,锚固环是否按规范设置三道
2、悬挑梁规格、尺寸符合要求,固定、安装牢固
悬挑
二3、悬挑梁固定端长度是否符合倍
钢梁
4、斜拉钢丝绳规格、紧固程度、上层挂点是否符合
要求
1、立杆底部是否与钢梁连接柱固定
架体
2、剪刀撑应沿架体高度连续设置,角度符合要求
三
稳定
3、连墙件是否按照方案要求设置
1、扫地杆是否符合要求
架体2、立杆间距、步距设置是否符合要求
四
搭设3、小横杆设置是否符合要求
4、钢筋网片全数铺设并绑扎牢固
1、底部封闭是否牢固、可靠
架体
2、安全网是否挂设严密
五
防护
3、水平网是否按要求挂设
1、架体上垃圾是否清理
六荷载
2、封闭层垃圾是否清理
使用单位验收意见:
负责人:
验收结论监理单位验收意见:
负责人:。
二次结构放线、止水带联合验收确认单
注:1、各方在相应的方格里打“V”并签认;2、验收人员必须认真验收,必须签字确认。
二次结构构造柱钢筋安装质量隐蔽联合验收联记录表
注:1、各方在相应的方格里打“V”签认,不符合要求的部位需在图纸上原位标注并落实整改至合格;
2、验收人员必须认真验收,必须签字确认。
砌体砌筑前工作面交接联合验收记录表
砌体顶砌过程联合检查记录表
内、外墙粉刷前工作面交接联合验收记录表(砌体移交粉刷)
注:1、在内(外)墙粉刷分段完成后开始验收填写,各方在相应的方格里打“V”签认,
不符合要求的部位需落实整改至合格,在综合验收意见栏内签认已全部整改合格。
2、验收人员必须认真验收,必须签字确认。
楼梯踏步粉刷联合验收检查记录表
样板验收确认单
项目名称: 编号:。
照明工程验收记录表项目概述项目名称: XX照明工程项目工程地点: XX市XX区XX街道XX大厦建设单位: XX有限公司设计单位: XX设计有限公司监理单位: XX监理有限公司承包单位: XX承包有限公司前置条件1.工程竣工前,建设单位通知监理单位、设计单位、承包单位进行联合验收。
2.在验收过程中,监理单位应随时抽查,如发现问题及时指出。
验收内容本次照明工程验收应包括以下内容:1.灯具安装是否合理,有无松动、脱落现象。
2.照明设备的性能是否符合设计要求。
3.灯光色彩是否均匀,是否有色差。
4.照明设施的绝缘电阻值是否符合要求。
5.配电箱的电缆连接是否牢固,有无损坏现象。
验收步骤1.四方单位齐集,按照验收要求进行验收。
2.承包单位进行照明设备的操作演示。
3.设计单位负责说明照明设计方案,并与建设单位、监理单位协商解决设计问题。
同时,给出设备及照明质量检测报告。
4.监理单位开展抽样检测,保证照明设备的安装质量、电气连接质量符合标准,给出检测报告。
5.承包单位将照明设施的绝缘电阻值一并提供给监理单位。
6.按照验收结果,及时进行调整和修缮,确保所有照明设备顺利投入使用。
验收结果1.安装质量、电气连接质量符合标准。
2.照明色彩均匀,无明显色差现象。
3.照明设施的绝缘电阻值符合标准。
4.配电箱的电缆连接牢固,无损坏现象。
验收结论1.本次照明工程验收结果符合标准。
2.承包单位已对所有问题进行及时修缮。
3.根据验收结果,本工程验收合格,可以从此工程验收完毕。
签字记录单位/人员职务签字日期工程建设单位设计单位监理单位承包单位备注本文档为照明工程验收记录表,由工程建设单位、设计单位、监理单位、承包单位共同编制。
验收过程中应随时抽查,如果发现问题及时指出,保证工程质量。