《数字电路实验讲义》word版
- 格式:doc
- 大小:1.40 MB
- 文档页数:29
实验一示波器与数字电路实验箱的使用及门电路逻辑功能测试、变换(验证)一、实验目的:1、熟悉示波器及数字电路实验箱的使用2、验证门电路的逻辑功能3、掌握门电路的逻辑变换二、实验仪器及器材1、Vp—5225A—12、数字电路实验箱3、器件:74LS00(二输入与非门)、74LS02(或非门)、74LS86(异或门)说明:1)以上三个门电路中的V CC接电源电压,GND接地。
2)A、B为输入端,Y为输出端,指示灯亮为高电平,灯灭为低电平。
3)实验时,检查导线是否折断,方法:一端接电源,一端接指示灯。
三、实验内容:1、熟悉示波器各旋钮的功能作用并学会正确使用。
2、熟悉数字电路实验箱并正确使用。
3、时钟波形参数的测量1)测量脉冲波形的低电平和高电平。
(取f=1KHZ)2)测量脉冲的幅度(V OM),脉宽(T P),周期(T)。
(取f=1KHZ)3)用示波器调出频率f=2KHZ的波形图,并画出波形图。
4、门电路逻辑功能测试74LS00(二输入与非门)、74LS02(或非门)、74LS86(异或门)5、用与非门(74LS00)实现其它门电路的逻辑功能1)实现或门逻辑功能:写出转换表达式,画出电路图并验证功能。
2)实现异或门逻辑功能:写出转换表达式,画出电路图并验证功能四、数据记录及处理:1、脉冲波形参数的测量1)V H=?V L=?2)V OM=?T P=?T=?3)画出频率f=2KHZ的波形图2、门电路逻辑功能测试74LS00 与非门74LS02 或非门74LS86 异或门1)写出逻辑表达式的变换A+B=2)画出电路图3)功能测试4、用与非门74LS00实现异或门的逻辑功能1)写出逻辑表达式的变换A B=2)画出电路图3)功能测试五、注意事项:1、示波器的辉度不要太亮。
2、V/DIN衰减开关档应打得合适。
3、插入芯片时,应注意缺口相对,否则就错了。
4、接线时,注意检查电源、地线是否接正确。
六、思考题:在给定的器件中,自己选择一个器件并设计电路,使输入波形与输出波形反相,用示波器观察。
数字电路实验讲义课题:实验一门电路逻辑功能及测试课型:验证性实验教学目标:熟悉门电路逻辑功能,熟悉数字电路实验箱及示波器使用方法重点:熟悉门电路逻辑功能。
难点:用与非门组成其它门电路教学手段、方法:演示及讲授实验仪器:1、示波器;2、实验用元器件74LS00 二输入端四与非门 2 片74LS20 四输入端双与非门 1 片74LS86 二输入端四异或门 1 片74LS04 六反相器 1 片实验内容:1、测试门电路逻辑功能(1)选用双四输入与非门74LS20 一只,插入面包板(注意集成电路应摆正放平),按图1.1接线,输入端接S1~S4(实验箱左下角的逻辑电平开关的输出插口),输出端接实验箱上方的LED 电平指示二极管输入插口D1~D8 中的任意一个。
(2)将逻辑电平开关按表1.1 状态转换,测出输出逻辑状态值及电压值填表。
2、逻辑电路的逻辑关系(1)用74LS00 双输入四与非门电路,按图1.2、图1.3 接线,将输入输出逻辑关系分别填入表1.2,表1.3 中。
(2)写出两个电路的逻辑表达式。
3、利用与非门控制输出用一片74LS00 按图1.4 接线。
S 分别接高、低电平开关,用示波器观察S 对输出脉冲的控制作用。
4、用与非门组成其它门电路并测试验证。
(1)组成或非门:用一片二输入端四与非门组成或非门B+=,画出电路图,测试并填=AABY∙表1.4。
(2)组成异或门:①将异或门表达式转化为与非门表达式;②画出逻辑电路图;③测试并填表1.5。
5、异或门逻辑功能测试(1)选二输入四异或门电路74LS86,按图1.5 接线,输入端1、2、4、5 接电平开关输出插口,输出端A、B、Y 接电平显示发光二极管。
(2)将电平开关按表1.6 的状态转换,将结果填入表中。
6、逻辑门传输延迟时间的测量用六反相器74LS04 逻辑电路按图1.6 接线,输入200Hz 连续脉冲(实验箱脉冲源),将输入脉冲和输出脉冲分别接入双踪示波器Y1、Y2 轴,观察输入、输出相位差。
实验一 门电路逻辑功能测试及逻辑变换一、实验目的:1.掌握TTL 与非门、或非门和异或门输入与输出之间的逻辑关系。
2.熟悉TTL 中、小规模集成电路的外型、管脚和使用方法。
3. 熟悉逻辑功能的变换。
二、实验仪器及器件:1.数字电路实验箱 1台 2.二输入四与非门74LS00 1片 3. 二输入四或非门74LS28 1片 4. 二输入四异或门74LS86 1片 5.数字万用表 1块三、实验预习:1.复习各种门电路的逻辑符号、逻辑函数式、真值表。
2.查出实验所用集成电路的外引脚线排列图,熟悉其引脚线位置及各引脚线用途。
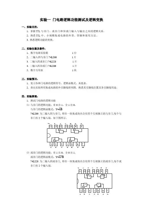
四、实验原理:1.测试门电路的逻辑功能⑴ 与非门的逻辑功能:有0出1,全1出0。
与非门的逻辑函数式:Y=AB74LS00为二输入四与非门, 即在一块集成块内含有四个互相独立的与非门,每个与非门有2个输入端。
如下图所示。
⑵ 或非门的逻辑功能:有1出0,全0出1。
或非门的逻辑函数式:Y=A+B74LS28为二输入四或非门, 即在一块集成块内含有四个互相独立的或非门,每个或非门有2个输入端。
Vcc 4B 4A 4Y 3B 3A 3Y1A1B1Y2A2B2YGND00 四2输入与非门V DDA4B4Y4Y3B3A3A1B1Y1Y2B2A2V SS4001 四2入或非门⑶异或门的逻辑功能:相同出0,相反出1。
异或门的逻辑函数式:Y=A⊕B=AB+AB74LS86为二输入四异或门,即在一块集成块内含有四个互相独立的异或门,每个异或门有2个输入端。
如图(c)所示。
2.门电路的逻辑变换:就是用与非门等组成其它门电路。
方法:先对其它门电路的函数式用摩根定理等公式变换成与非式,再画出相应逻辑图,然后用与非门实现之。
五、实验内容:实验前先检查实验箱电源是否正常,然后选择实验用的集成电路,按接线图连线。
特别注意V cc及地线不能接错。
线接好后经指导教师检查无误方可通电。
实验中改动接线必须先断开电源,接好线后再通电实验。
数字电路实验讲义课题:实验一门电路逻辑功能及测试课型:验证性实验教学目标:熟悉门电路逻辑功能,熟悉数字电路实验箱及示波器使用方法重点:熟悉门电路逻辑功能。
难点:用与非门组成其它门电路教学手段、方法:演示及讲授实验仪器:1、示波器;2、实验用元器件74LS00 二输入端四与非门 2 片74LS20 四输入端双与非门 1 片74LS86 二输入端四异或门 1 片74LS04 六反相器 1 片实验内容:1、测试门电路逻辑功能(1)选用双四输入与非门74LS20 一只,插入面包板(注意集成电路应摆正放平),按图1.1接线,输入端接S1~S4(实验箱左下角的逻辑电平开关的输出插口),输出端接实验箱上方的LED 电平指示二极管输入插口D1~D8 中的任意一个。
(2)将逻辑电平开关按表1.1 状态转换,测出输出逻辑状态值及电压值填表。
2、逻辑电路的逻辑关系(1)用74LS00 双输入四与非门电路,按图1.2、图1.3 接线,将输入输出逻辑关系分别填入表1.2,表1.3 中。
(2)写出两个电路的逻辑表达式。
3、利用与非门控制输出用一片74LS00 按图1.4 接线。
S 分别接高、低电平开关,用示波器观察S 对输出脉冲的控制作用。
4、用与非门组成其它门电路并测试验证。
(1)组成或非门:用一片二输入端四与非门组成或非门B==,画出电路图,测试并填+Y∙ABA表1.4。
(2)组成异或门:①将异或门表达式转化为与非门表达式;②画出逻辑电路图;③测试并填表1.5。
5、异或门逻辑功能测试(1)选二输入四异或门电路74LS86,按图1.5 接线,输入端1、2、4、5 接电平开关输出插口,输出端A、B、Y 接电平显示发光二极管。
(2)将电平开关按表1.6 的状态转换,将结果填入表中。
6、逻辑门传输延迟时间的测量用六反相器74LS04 逻辑电路按图1.6 接线,输入200Hz 连续脉冲(实验箱脉冲源),将输入脉冲和输出脉冲分别接入双踪示波器Y1、Y2 轴,观察输入、输出相位差。
预备实验门电路逻辑功能及测试一、实验目的1.熟悉门电路逻辑功能。
2.熟悉示波器使用方法。
二、实验仪器及材料双踪示波器74LS00 四2输入与非门 2片74LS20 二4输入与非门 1片74LS86 四2输入异或门 1片三、预习要求1.复习门电路工作原理及相应逻辑表达式。
2.熟悉所用集成电路的引线位置及各引线用途。
3.了解双踪示波器使用方法。
实验前先检查电源是否正常,然后选择实验用的集成电路,按自己的实验接线图接好连线,特别注意Vcc及地线不能接错。
先接好后经实验指导教师检查无误后可通电实验。
实验中改动接线须先断开电源,接好线后再通电实验。
1.测试门电路逻辑功能1)选用74LS20按图0-1接线输入端接S1-S4(电平开关输出插口),输出端接电平显示发光二极管(D1-D8任意一个)。
2)将电平开关按表0-1置位,分别测出电压及逻辑状态。
表0-12. 异或门逻辑功能测试1) 选74LS86按图0-2接线输入端1、2、4、5接电平开关,输出端A 、B 、Y 接电平显示发光二极管。
2) 将电平开关按表0-2置位,将结果填入表中。
表0-23.逻辑电路的逻辑关系1) 用74LS00按图 0-3,0-4接线,将输入输出逻辑关系分别填入表0-3,0-4中。
2) 写出上面两个电路逻辑表达式。
表0-3表0-4图0-2图 0-3图 0-44. 利用与非门控制输出用74LS00按图0-5接线,S 接任一电平开关用示波器观察S 对输出脉冲的控制作用。
5.用与非门组成其它门电路并测试验证1) 组成或非门:用一片四2输入与非门组成或非门,画出电路图,测试并填表0-5。
2) 组成异或门:将异或门表达式转化为与非门表达式后,画出逻辑电路图,测试并填表0-6。
表0-5五、 实验报告1. 按各步骤要求填表并画出逻辑图。
2.思考题1) 怎样判断门电路逻辑功能是否正常?2) 与非门的一个输入接连续脉冲,其余端什么状态时允许脉冲通过?什么状态时禁止脉冲通过? 3) 异或门又称可控反相门,为什么?表0-6图 0-5实验一TTL与非门主要参数测试一、实验目的掌握TTL与非门电路主要参数的意义及测试方法。
基础实验部分实验一集成逻辑门电路逻辑功能的测试一、实验目的1、熟悉数字逻辑实验箱的结构、基本功能和使用方法。
2、掌握常用非门、与非门、或非门、与或非门、异或门的逻辑功能及其测试方法。
二、实验仪器及设备1、数字逻辑实验箱 1台2、万用表 1只3、元器件: 74LS00 74LS04 74LS55 74LS86 各一块导线若干三、实验内容1、测试74LS04(六非门)的逻辑功能将74LS04正确接入面包板,注意识别1脚位置(集成块正面放置且缺口向左,则左下角为1脚)重点讲解,按表1-1要求输入高、低电平信号,测出相应的输出逻辑电平。
得表达式为AY=表1-1 74LS04逻辑功能测试表2、测试74LS00(四2输入端与非门)逻辑功能将74LS00正确接入面包板,注意识别1脚位置,按表1-2要求输入高、低电平信号,测出相应的输出逻辑电平。
得表达式为BY∙=A表1-2 74LS00 逻辑功能测试表3、测试74LS55(二路四输入与或非门)逻辑功能将74LS55正确接入面包板,注意识别1脚位置,按表1-3要求输入信号,测出相应的输出逻辑电平,填入表中。
(表中仅列出供抽验逻辑功能用的部分数据) 表1-3 74LS55部分逻辑功能测试表本器件的逻辑表达式应为:Y=EFGH ABCD ,与实侧值相比较,功能正确。
4、测试74LS86(四异或门)逻辑功能将74LS86正确接入面包板,注意识别1脚位置,按表1-4要求输入信号,测出相应的输出逻辑电平。
得表达式为Y=A⊕B表1-4 74LS86逻辑功能测试表四、实验结果分析(回答问题)若测试74LS55的全部数据,所列测试表应有256种输入取值组合。
用实验箱、万用表作一个实验示范,并强调测试方法及万用表的用法。
实验二集成逻辑门电路的参数测试一、实验目的掌握TTL和CMOS与非门主要参数的意义及测试方法。
进一步熟悉数字逻辑实验箱的基本功能和使用方法。
二、实验仪器及设备1、数字逻辑实验箱 1台2、万用表 2只3、元器件:74LS20(T063)、 CC4012 各一块,2CK11 4只电阻及导线若干三、实验内容(简单实验步骤、实验数据及波形)1、TTL与非门74LS20静态参数测试导通电源电流I CCL和截止电源电流I CCH。
数字电路实验讲义目录1 数字电路实验箱简介2 实验一基本门电路和触发器的逻辑功能测试3 实验二常用集成组合逻辑电路(MSI)的功能测试及应用4 实验三常用中规模集成时序逻辑电路的功能及应用5 实验四组合逻辑电路的设计6 实验五时序逻辑电路的设计7 实验六综合设计实验8 附录功能常用芯片引脚图数字电路实验箱简介TPE系列数字电路实验箱是清华大学科教仪器厂的产品,该实验箱提供了数字电路实验所必需的基本条件。
如电源,集成电路接线板,逻辑电平产生电路,单脉冲产生电路和逻辑电平测量显示电路,实验箱还为复杂实验提供了一些其他功能。
下面以JK触发器测试为例说明最典型的测试电路,图1为74LS112双JK触发器的测试电路。
其中Sd、Rd 、J、K为电平有效的较入信号,由实验箱的逻辑电平产生电路提供。
CP为边沿有效的触发信号,由单脉冲产生电路提供。
Q和为电路的输出,接至逻辑电平测量显示电路,改变不同输入的组合和触发条件,记录对应的输出,即可测试该触发器的功能。
逻辑电平测量显示图1. JK触发器测试电路实验一 基本门电路和触发器的逻辑功能测试一、 实验目的1、掌握集成芯片管脚识别方法。
2、掌握门电路逻辑功能的测试方法。
3、掌握RS 触发器、JK 触发器的工作原理和功能测试方法。
二、实验设备与器件 1、数字电路实验箱 2、万用表 3、双列直插式组件 74LS00:四—2输入与非门 74LS86:四—2输入异或门 74LS112:双J-K 触发器三、实验原理与内容 1、测试与非门的逻辑功能74LS00为四—2输入与非门,在一个双列直插14引脚的芯片里封装了四个2输入与非门,引脚图见附录。
14脚为电源端,工作时接5V,7脚为接地端,1A ,113和1Y 组成一个与非门,B A Y 111⋅=。
剩余三个与非门类似。
按图1—1连接实验电路。
改变输信号,测量对应输出,填入表1—1中,验证其逻辑功能。
测 量 显示逻 辑 电平图1—1 74LS00测试电路2、测试基本RS 触发器功能两个与非门相接可构成基本RS 触发器,R 、S 为触发器的清0和置1输入端。
数字电路实验讲义2008年5月目录实验1 TTL集成逻辑门功能测试 (1)实验2 组合逻辑电路 (6)实验3 加法器 (9)实验4 触发器逻辑功能测试 (13)实验5 译码器及数据选择器的应用 (17)实验6 同步计数器 (23)实验7 集成单元异步计数器 (27)实验8 移位寄存器的功能测试及应用 (33)实验9 555 集成定时器的应用 (36)实验1 TTL集成逻辑门功能测试一、实验目的1.掌握TTL与非门、或非门、异或门的逻辑功能。
了解三态门的主要特性及使用方法。
2.掌握TTL门电路电压传输特性的测试方法。
二、实验仪器1.数字电路实验箱一台2.万用表一块3.集成芯片74LS00 四2输入与非门74LS55 4输入与或非门74LS86 四2输入异或门74LS125 四2输入三态门三、实验原理TTL与非门的电压传输特性:电压传输特性表示与非门的输出电压U0与输入电压U i 之间的关系,由该曲线可以得到以下参数:U0H(输出高电平);U0L(输出低电平);阈值电压U TH(转折区中点对应的输入电压)。
三态门的特点:三态门的输出除0态和1态外,还可以呈现高阻状态,或称为开路状态。
利用三态门可以实现总线结构,还可以实现数据的双向传输。
四、实验内容及步骤1. 测试TTL与非门(74LS00)的逻辑功能1)集成电路的管脚见图1所示,管脚标“V CC”接电源+5V,管脚标“GND”接电源“地”,集成电路才能正常工作。
门电路的输入端接入高电平(逻辑1态)或低电平(逻辑0态),可由实验箱逻辑电平开关K提供,门电路的输入端接逻辑电平指示灯L,由L灯的亮或灭来判断输出电平的高、低。
74LS00 二输入与非门74LS55 与或非门74LS86 二输入异或门74LS125 四路三态缓冲门图1 集成电路管脚图2)实验线路如图2所示,与非门的输入端A、B分别接实验箱中逻辑电平开关K1、K2,扳动开关即可输入0态或者1态。
实验一:集成逻辑门电路的测试与使用一. 实验目的:1.学会检测常用集成门电路的好坏的简易方法;2.掌握TTL 与非门逻辑功能和主要参数的测试方法; 3.掌握TTL 门电路与CMOS 门电路的主要区别; 4.掌握三态门的特点及应用。
二. 实验仪器与器件:1.实验仪器:稳压电源、万用表、数字逻辑实验测试台。
2.元器件:74LS20、74LS00(TTL 门电路)、4011(CMOS 门电路)、74LS125、74LS04;它们的管脚排列如下: (1)74LS20(4输入端双与非门):Y= ABCDV2A 2B N 2C 2D 2Y1A 1B N C 1C 1D 1Y GNDV CC :表示电源正极、GND :表示电源负极、N C :表示空脚。
(2) 74LS00(2输入端4与非门):Y= AB V 4A 4B 4Y 3A 3B 3Y1A 1B 1Y 2A 2B 2Y GND(3) 4011(2输入端4与非门): Y= ABV4A 4B 4Y 3Y 3B 3A1A 1B 1Y 2Y 2B 2A GND(4)74LS125(三态缓冲器):Y=A (C=0)、Y 为高阻(C=1)V CC 4C 4A 4Y 3C 3A 3Y(5)74LS04(非门): Y= A1A 1Y 2A 2Y 3A 3Y GND集成门电路管脚的识别方法:将集成门电路的文字标注正对着自己,左下角为1,然后逆时针方向数管脚。
三. 实验原理:1.TTL 与非门的主要参数有:导通电源电流I CCL 、低电平输入电流I IL 、高电平输入电流I IH 、输出高电平V OH 、输出低电平V OL 、阈值电压V TH 等。
注意:不同型号的集成门电路其测试条件及规范值是不同的。
2.检测集成门电路的好坏的简易方法:(1)在未加电源时,利用万用表的电阻档检查各管脚之间是否有短路现象;(2)加电源:利用万用表的电压档首先检查集成电路上是否有电,然后再利用门电路的逻辑功能检查电路。
数字电路实验讲义实验一KHD-2型数字电路实验装置的使用和集成门电路逻辑功能的测试一、实验目的1.熟悉和掌握KHD-2型数字电路实验装置的使用。
2.熟悉74LS20和74LS00集成门电路的外形和管脚引线。
3.掌握与门、或门、非门、与非门、或非门和异或门逻辑功能的测试。
二、实验器材及设备1.KHD-2数字电路实验台2.4输入2与非门74LS20(1块)3.2输入4与非门74LS00或CC4011(1块)三、实验原理(一)KHD-2型数字电路实验台KHD-2型数字电路实验台由实验控制屏与实验桌组成。
实验控制屏主要由两块单面敷铜印刷线路板与相应电源、仪器仪表等组成。
控制屏由两块相同的数电实验功能板组成,其控制屏两侧均装有交流电压220V的单相三芯电源插座。
每块实验功能板上均包含以下各部分内容:1.实验板上装有一只电源总开关及一只熔断器(额定电流为1A)作为短路保护用。
2.实验板上共装有600多个高可靠的自锁紧式、防转、叠插式插座。
它们与集成电路插座、镀银针管座以及其他固定器件、线路的连线已设计在印刷线路板上。
板正面印有黑线条连接的器件,表示反面已装上器件并接通。
3.实验板上共装有200多根镀银长15mm的紫铜针管插座,供实验时接插小型电位器、电阻、电容、三极管及其他电子器件使用。
4.实验板上装有四路直流稳压电源(±5V、1A及两路0~18V、0.75A可调的直流稳压电源)。
实验板上标有处,是指实验时需用导线将直流电源+5V引入该处,是+5V 电源的输入插口。
5.高性能双列直插式圆集成电路插座18只(其中40P 1只、28P 1只、24P 1只、20P 1只、16P 5只、14P 6只、8P 2只、40P锁紧座1只)。
6.6位十六进制七段译码器与LED数码显示器:每一位译码器均采用可编程器件GAL 设计而成,具有十六进制全译码功能。
显示器采用LED共阴极红色数码管(与译码器在反面已连接好),可显示四位BCD十六进制的全译码代号:0、1、2、3、4、5、6、7、8、9、A、B、C、D、E和F。
实验二:TTL集成逻辑门的逻辑功能与参数测试一、实验目的1、掌握TTL集成与非门的逻辑功能。
2、掌握TTL器件的使用规则。
3、熟悉数字电路实验装置的结构,基本功能和使用方法。
二、实验原理本实验采用四输入双与非门74LS20和二输入四与非门74LS00,四输入双与非门是在一块集成块内含有两个互相独立的与非门,每个与非门有四个输入端。
其逻辑框图、符号及引脚排列如图2-1(a)、(b)、(c)所示。
(b)(a) (c)图2-1 74LS20逻辑框图、逻辑符号及引脚排列与非门的逻辑功能是:当输入端中有一个或一个以上是低电平时,输出端为高电平;只有当输入端全部为高电平时,输出端才是低电平(即有“0”得“1”,全“1”得“0”。
)其逻辑表达式为 Y=三、实验设备与器件1、+5V直流电源。
2、逻辑电平开关。
3、逻辑电平显示器。
4、直流数字电压表。
5、74LS20、74LS006、1KΩ电阻器(0.5W)四、实验内容、步骤及数据记录在合适的位置选取一个14P插座,按定位标记插好74LS20集成块。
1、验证TTL集成与非门74LS20的逻辑功能按图2-2接线,门的四个输入端接逻辑开关输出插口,以提供“0”与“1”电平信号,开关向上,输出逻辑“1”,向下为逻辑“0”。
门的输出端接由 LED发光二极管组成的逻辑电平显示器(又称0-1指示器)的显示插口,LED亮为逻辑“1”,不亮为逻辑“0”。
按表2-2的真值表逐个测试集成块中两个与非门的逻辑功能。
74LS20有4个输入端,有16个最小项,在实际测试时,只要通过对输入1111、0111、1011、1101、1110五项进行检测就可判断其逻辑功能是否正常。
图2-2 与非门逻辑功能测试电路表2-22、利用与非门组成其他门电路并测试其逻辑功能 (1)组成与门电路用与非门74LS00组成与门Z=A ﹒B ,画出测试电路(并注明芯片的引线端口),并完成表2-3。
表2-3(2)组成或门电路用与非门74LS00组成或门Z=A+B ,画出测试电路,并完成表2-4。
数字电子技术实验简要讲义适用专业:电气专业编写人:于云华、何进中国石油大学胜利学院机械与控制工程学院2015.3目录实验一:基本仪器熟悉使用和基本逻辑门电路功能测试 (3)实验二:小规模组合逻辑电路设计 (4)实验三:中规模组合逻辑电路设计 (5)实验四:触发器的功能测试及其应用 (7)实验五:计数器的功能测试及其应用 (8)实验六:计数、译码与显示综合电路的设计 (9)实验一:基本仪器熟悉使用和常用门电路逻辑功能测试(建议实验学时:2学时)一、实验目的:1、熟悉实验仪器与设备,学会识别常用数字集成芯片的引脚分配;2、掌握门电路的逻辑功能测试方法;3、掌握简单组合逻辑电路的设计。
二、实验内容:1、测试常用数字集成逻辑芯片的逻辑功能:74LS00,74LS02,74LS04,74LS08,74LS20,74LS32,74LS86等(预习时查出每个芯片的逻辑功能、内部结构以及管脚分配)。
2、采用两输入端与非门74LS00实现以下逻辑功能:①F=ABC ②F=ABC③F=A+B ④F=A B+A B三、实验步骤:(学生根据自己实验情况简要总结步骤和内容)主要包括:1、实验电路设计原理图;如:实现F=A+B的电路原理图:2、实验真值表;3、实验测试结果记录。
如:输入输出A B F30 0 灭0 1 亮1 0 亮1 1 亮四、实验总结:(学生根据自己实验情况,简要总结实验中遇到的问题及其解决办法)注:本实验室提供的数字集成芯片有:74LS00, 74LS02,74LS04,74LS08,74LS20,74LS32,74LS74,74LS90,74LS112,74LS138,74LS153, 74LS161实验二:小规模组合逻辑电路设计(建议实验学时:3学时)一、实验目的:1、学习使用基本门电路设计、实现小规模组合逻辑电路。
2、学会测试、调试小规模组合逻辑电路的输入、输出逻辑关系。
二、实验内容:1、用最少的门电路设计三输入变量的奇偶校验电路:当三个输入端有奇数个1时,输出为高,否则为低。
数字电路实验讲义传媒技术学院2013年4月实验一门电路电参数的测试一、实验目的:1、学习数字万用表、双踪示波器、信号发生器、DJ-SD1数字电路实验箱的使用方法;2、掌握TTL的门电路的主要参数及其测试方法;(74LS00)3、了解集电极开路OC门(74LS07)、三态输出门TSL(74LS125)的主要特性和使用方法。
4、学会使用数字表逻辑档检测TTL门电路好坏的方法。
二、实验原理:1、 TTL门电路在数字电路设计中,通常要用到一些门电路,而门电路的特性参数的好坏,在很大程度上影响整个电路工作的可靠性。
通常参数按时间特性分两种:静态参数和动态参数。
静态参数指电路处于稳定的逻辑状态下测得的参数,而动态参数则指逻辑状态转换过程中与时间有关的参数。
本实验中选用TTL 74LS00二输入端四与非门进行参数的实验测试,以掌握门电路的主要参数的意义和测试方法。
TTL 74LS00集成电路引脚排列图如图1-1所示。
图1-1 74LS00集成电路引脚排列图TTL与非门的主要参数有:(1)、空载导通功耗Pon 和空载截止功耗Poff:空载导通功耗Pon是指输入端全为高电平、输出为低电平且不接负载时的功率损耗。
Pon =VCC·ICCL空载截止功耗Poff是指输入端至少有一个为低电平、输出为高电平且不接负载时的功率损耗。
Poff =VCC·ICCH以上两式中:VCC——电源电压(+5V);I CCL ——空载导通电源电流;(输出为低电平且不接负载时的电源电流) I CCH ——空载截止电源电流。
(输出为高电平且不接负载时的电源电流)空载导通功耗P on 和空载截止功耗P off 的测试电路如图1-2所示。
图1-2 空载导通功耗P on 和空载截止功耗P off 的测试电路(2)、输入短路电流I IS :输入短路电流I IS 又称低电平输入电流I IL (I IS 即I IL )是指一个输入端接地,其他输入端悬空时,流过该接地输入端的电流。
数电实验讲义数字电子技术基础一实验设备认识及门电路功能测试一、目的:1、熟悉万用表及电子技术综合实验平台的使用方法;2、掌握门电路逻辑功能测试方法;3、了解TTL器件和CMOS器件的使用注意事项。
二、实验原理门电路的逻辑功能。
三、实验设备与器件1、电子技术综合实验平台一台2、万用表一块3、器件(1) 74LS02 一片(四二输入或非门)(2)74HC86 一片(四二输入异或门)(3) 74LS03 一片(四二输入与非门(OC))(4)74LS00 一片(四二输入与非门)四、实验内容和步骤1、测试74LS02和74HC86的逻辑功能。
注意CMOS电路的多余输入端不得悬空,应按需要接成相应的高低电平。
表中VO为不加负载时的电压,即开路输出电压。
表4-1-12.OC门上拉电阻计算及逻辑功能测试2.1 OC门上拉电阻的计算OC门输出端可以并联连接,即OC门可以实现“线与”逻辑,但必须接一个合适的上拉电阻RL,计算方法如下:RL(max)VCC VOLVCC VOHRL(mi nnIOH mIIHILM m IIL式中:m ― 负载门总输入端数n ― OC门并联的个数m ― 负载门个数IOH ― OC门输出管截止时的漏电流(对于74LS03按IOH=50 A计算) ILM ― OC门输出管导通时允许的最大灌电流(按VOL≤0.3V,ILM≤7.8mA估算) IIH ― 负载门每个输入端的高电平输入电流(对于74LS00按IIH=0.01 A) IIL ― 每个负载门的低电平输入电流(对于74LS00按IIL=-0.25mA估算) VCC ― 电源电压(5V) VOH ― 输出高电平(按3V估算) VOL ― 输出低电平(按0.3V估算)图4-1-1 2.2 OC门“线与”应用将各OC门输入端A、B和C分别接逻辑开关;Z、Y1和Y2分别接LED指示灯,连接电路图如图4-1-1所示。
当输入端A、B和C取不同值时,观察Z、Y1和Y2的变化情况,填入表4-1-2中。
《数字电子技术基础》实验指导手册首都师范大学信息工程学院2015年8月目录第一章数字电路实验基本知识第二章基本实验实验一基本逻辑门特性实验二逻辑门电路的功能实验三基本触发器实验四译码器和多路数据选择器实验五全加器设计与实现实验六简单时序电路实验七减法计数器的设计与实现实验八集成计数器第三章选作实验选做实验一组合逻辑中的竞争冒险选做实验二秒计时显示器的制作第一章 数字电路实验基本知识一、数字集成电路芯片:中,小规模数字IC 中最常用的是TTL (晶体三极管逻辑)电路和CMOS (互补场效应管逻辑)电路,TTL 器件型号以74(或54)作为前缀,称为74/54系列,如74LS10,74F181,54S86等。
中,小规模CMOS 数字集成电路主要是4XXX/45XX (X 代表0—9的数字)系列;高速CMOS 电路为74HC/HCT 系列。
TTL 电路与CMOS 电路各有优缺点,一般来说TTL 电路速度快,驱动能力强;CMOS 电路功耗小,电源范围大,输入阻抗高。
由于TTL 在世界范围内应用极广,在数字电路教学实验中主要使用TTL 电路的74系列作为实验用器件,采用单一的+5V 作为供电电源。
1. 字表示引脚号。
双列直插封装的IC 引脚有8、14、16、20、24、28等若干种。
2. 双列直插封装器件有两种引脚。
引脚之间的间距是2.54毫米。
两列引脚之间的距离有宽(15.24毫米)有窄(7.62毫米)两种。
将器件插入实验台相应的插座中去或从插座中拔出时要小心,不要将器件的引脚搞弯或折断。
通常要借助小起子进行操作。
特别注意:不要带电插拔器件!插拔器件只能在关断+5V 电源的情况下进行。
二、数字电路测试及故障查找、排除:1. 数字电路测试数字电路测试大体分为静态测试和动态测试两部分。
静态测试指的是:给定数字电路若干组静态输入值,测试其输出值是否正确。
在静态测试的基础上按设计要求在输入端加动态脉冲信号,观察输出端波形是否符合设计要求,这是动态测试。
实验一TTL集成逻辑门的逻辑功能与参数测试一、实验目的1、掌握TTL集成与非门的逻辑功能和主要参数的测试方法2、掌握TTL器件的使用规则3、进一步熟悉数字电路实验装置的结构,基本功能和使用方法二、实验原理本实验采用四输入双与非门74LS20,即在一块集成块内含有两个互相独立的与非门,每个与非门有四个输入端。
其逻辑框图、符号及引脚排列如图1-1(a)、(b)、(c)所示。
(b)(a) (c)图1-1 74LS20逻辑框图、逻辑符号及引脚排列1、与非门的逻辑功能与非门的逻辑功能是:当输入端中有一个或一个以上是低电平时,输出端为高电平;只有当输入端全部为高电平时,输出端才是低电平(即有“0”得“1”,全“1”得“0”。
)其逻辑表达式为 Y=2、TTL与非门的主要参数(1)低电平输出电源电流ICCL 和高电平输出电源电流ICCH与非门处于不同的工作状态,电源提供的电流是不同的。
ICCL是指所有输入端悬空,输出端空载时,电源提供器件的电流。
ICCH是指输出端空截,每个门各有一个以上的输入端接地,其余输入端悬空,电源提供给器件的电流。
通常ICCL>I CCH ,它们的大小标志着器件静态功耗的大小。
器件的最大功耗为P CCL =V CC I CCL 。
手册中提供的电源电流和功耗值是指整个器件总的电源电流和总的功耗。
I CCL 和I CCH 测试电路如图1-2(a)、(b)所示。
[注意]:TTL 电路对电源电压要求较严,电源电压V CC 只允许在+5V ±10%的范围内工作,超过5.5V 将损坏器件;低于4.5V 器件的逻辑功能将不正常。
(a) (b) (c) (d)图1-2 TTL 与非门静态参数测试电路图(2)低电平输入电流I iL 和高电平输入电流I iH 。
I iL 是指被测输入端接地,其余输入端悬空,输出端空载时,由被测输入端流出的电流值。
在多级门电路中,I iL 相当于前级门输出低电平时,后级向前级门灌入的电流,因此它关系到前级门的灌电流负载能力,即直接影响前级门电路带负载的个数,因此希望I iL 小些。
数字电路实验讲义课题:实验一门电路逻辑功能及测试课型:验证性实验教学目标:熟悉门电路逻辑功能,熟悉数字电路实验箱及示波器使用方法重点:熟悉门电路逻辑功能。
难点:用与非门组成其它门电路教学手段、方法:演示及讲授实验仪器:1、示波器;2、实验用元器件74LS00 二输入端四与非门 2 片74LS20 四输入端双与非门 1 片74LS86 二输入端四异或门 1 片74LS04 六反相器 1 片实验内容:1、测试门电路逻辑功能(1)选用双四输入与非门74LS20 一只,插入面包板(注意集成电路应摆正放平),按图1.1接线,输入端接S1~S4(实验箱左下角的逻辑电平开关的输出插口),输出端接实验箱上方的LED 电平指示二极管输入插口D1~D8 中的任意一个。
(2)将逻辑电平开关按表1.1 状态转换,测出输出逻辑状态值及电压值填表。
2、逻辑电路的逻辑关系(1)用74LS00 双输入四与非门电路,按图1.2、图1.3 接线,将输入输出逻辑关系分别填入表1.2,表1.3 中。
(2)写出两个电路的逻辑表达式。
3、利用与非门控制输出用一片74LS00 按图1.4 接线。
S 分别接高、低电平开关,用示波器观察S 对输出脉冲的控制作用。
4、用与非门组成其它门电路并测试验证。
(1)组成或非门:用一片二输入端四与非门组成或非门B==,画出电路图,测试并填+Y•ABA表1.4。
(2)组成异或门:①将异或门表达式转化为与非门表达式;②画出逻辑电路图;③测试并填表1.5。
5、异或门逻辑功能测试(1)选二输入四异或门电路74LS86,按图1.5 接线,输入端1、2、4、5 接电平开关输出插口,输出端A、B、Y 接电平显示发光二极管。
(2)将电平开关按表1.6 的状态转换,将结果填入表中。
6、逻辑门传输延迟时间的测量用六反相器74LS04 逻辑电路按图1.6 接线,输入200Hz 连续脉冲(实验箱脉冲源),将输入脉冲和输出脉冲分别接入双踪示波器Y1、Y2 轴,观察输入、输出相位差。
实验报告1、按步骤要求填表并画逻辑图2、回答问题:(1)怎样判断门电路逻辑功能是否正常?(2)与非门一个输入接连续脉冲,其余端什么状态时允许脉冲通过?什么状态时禁止脉冲通过?(3)异或门又称可控反相门,为什么?课题:实验二组合逻辑电路( 2 学时 ) 课型:验证性实验教学目标:1、掌握组合逻辑电路的功能测试。
2、验证半加器和全加器的逻辑功能3、学会二进制数的运算规律重点:掌握组合逻辑电路的功能测试难点:测试用异或、与或和非门组成的全加器的逻辑功能教学手段、方法:讲授及演示实验仪器:74LS00 二输入端四与非门 3 片74LS86 二输入端四异或门 1 片74LS54 四组输入与或非们 1 片实验内容1、组合逻辑电路功能测试⑴用2 片74LS00 组成图3.1 所示逻辑电路。
为了便于接线和检查,按图中注明的芯片编号及引脚对应的标号接线。
⑵图中A、B、C 接电平开关,Y1、Y2 接发光管电平显示。
⑶按表3.1 要求,改变A、B、C 的状态填表并写出Y1、Y2 的逻辑表达式。
⑷比较逻辑表达式运算结果与实验是否一致。
2、测试用异或门(74LS86)和与非门组成的半加器的逻辑功能根据半加器的逻辑表达式可知,半加器Y 是A、B 的异或,而进位Z 是A、B 相与,故半加器可用一个集成异或门和二个与非门组成如图3.2。
⑴在实验箱上用异或门和与非门接成以上电路。
A、B 接电平开关S、Y、Z 接电平显示。
⑵按表3.2 要求改变A、B 状态,将实验结果填表。
3、测试全加器的逻辑功能。
⑴写出图3.3 电路的逻辑表达式;⑵根据逻辑表达式列出真值表;⑶根据真值表画出函数Si、Ci 的卡诺图。
⑷填写表3.3 各点状态。
⑸按照原理图选择与非门,接线进行测试。
将结果记录在表3.4 中,并与表3.3 数据进行比较,看逻辑功能是否一致。
4、测试用异或、与或和非门组成的全加器的逻辑功能⑴画出用异或门、与或非门和非门实现全加器的逻辑电路图,写出逻辑表达式。
⑵用上述三块逻辑电路器件按自己画出接线图。
接线时注意与或非门中不用的与门输入端接地。
⑶输入端Ai、Bi、Ci-1 接电平开关输出插口(Si),输出端接电平显示发光二极管(Di)并将逻辑状态填入表3.5。
实验报告1、整理实验数据、图表并对实验结果进行分析讨论。
2、总结组合逻辑电路的分析方法。
课题触发器(一)R-S,D,J-K ( 2 学时 ) 课型:验证性实验教学目标:1、熟悉并掌握R-S,D,J-K触发器的构成,工作原理和功能测试方法。
2、学会正确使用触发器集成芯片。
3、了解不同逻辑功能FF相互转换的方法。
重点:掌握R-S,D,J-K触发器的构成,工作原理和功能测试方法难点:触发器功能转换教学手段、方法:讲授及演示实验仪器:1、双踪示波器2、实验用元器件74LS00 二输入端四与非门 1 片74LS74 双D 型触发器 1 片74LS112 双J-K 触发器 1 片实验内容:1、基本R-SFF 功能测试将两个TTL 与非门首尾相接构成基本R-SFF 电路如图4.1 所示。
(1) 按下面的顺序在输入端加信号:观察并记录FF 的Q、端的状态,将结果填入表4.1 中,并说明在上述各种输入状态下,FF 执行的是什么功能?(2) d S 端接低电平,d R 端加脉冲(手动单脉冲)。
(3) d S 端接高电平,d R 端加脉冲(手动单脉冲)。
(4)连接d R d S ,并加脉冲(手动单脉冲)。
观察⑵、⑶、⑷三种情况下,Q 、Q 端的状态。
总结基本R-SFF 的Q 或Q 端的状态改变和输入端 d R d S 的关系。
(5)当 d S =d R =0 时,观察Q 、Q 端的状态。
此时使d R d S 同时由低电平跳为高电平时,注意观察Q 、Q 端的状态,重复3--5 次看Q 、Q 端的状态是否相同,以正确理解“不定”状态的含义。
2、维持—阻塞型D 触发器功能测试双D 型正边沿维持—阻塞型触发器74LS74的逻辑符号如图4.2 所示。
图中、端为异步置1 端和置0 端(或称异步置位,复位端),CP 为时钟脉冲端。
(1) 在d R d S 端加低电平,观察并记录Q 、Q 端的状态。
(2) 在d R d S 端加高电平,D 端分别接高、低电平,用点动脉冲作为CP ,观察并记录当CP 为0、↑、1、↓时Q 端的变化(即由低电平跳为高电平和高电平跳为低电平)。
(3) 当d S = d R =1、CP=0(或CP=1),改变D 端信号,观察Q 端的状态是否变化?整理上述实验室数据,将结果填入表4.2 中。
(4) 令d R =d S =1,将D 和 端相连,CP 加连续脉冲,用双踪示波器观察并记录Q 相对于CP 的波形。
3、负边沿J-K 触发器功能测试双J-K 负边沿J-K 触发器74LS112 芯片的逻辑符号如图4.3 所示。
(1) 按表4.3 给出的控制状态顺序,测试其逻辑功能,并将结果填入表4.3 中。
(2) 令J=K=1 时,CP 端加连续脉冲,用双踪示波器观察Q 和CP 波形,并与D 型触发器实验2 的⑷ D 和端相连时观察到的Q 端的波形相比较,有何异同点?4、触发器功能转换(1) 将D 触发器和J-K 触发器转换成T,触发器,列出表达式,画出实验电路图。
(2) 接入连续脉冲,观察各触发器CP 及Q端波形。
比较两者关系。
(3) 自拟实验数据表并填写。
实验报告1、整理实验数据并填表2、写出实验内容3、4的实验步骤及表达式3、画出实验4的电路图及相应表格4、总结各类触发器特点课题:实验四三态输出触发器及锁存器 ( 2 学时 ) 课型:验证性实验教学目标:1、掌握三态触发器和锁存器的功能及使用方法2、学会用三态触发器和锁存器构成的功能电路。
重点:掌握三态触发器和锁存器的功能及使用方法难点:三态输出触发器功能及应用教学手段:讲授及演示实验仪器:1、双踪示波器2、元器件① CD4043 三态输出四R-S 触发器 1 片② 74LS75 四位D 锁存器 1 片实验内容:1、锁存器功能及应用。
图9.1 为74LS75 四D 锁存器,每两个D 锁存器由一个锁存信号G 控制,当G 为高电平时,输出端Q 随输入端D 信号的状态变化,当G 由高变为低时,Q 锁存在G 端由高变为低前Q 的电平上。
(1) 验证图9.1 锁存器功能,并列出功能状态表。
(2) 用74LS75 组成数据锁存器。
按图9.2 接线,1D~4D 接逻辑开关作为数据输入端,G1,2 和G3,4 接到一起作为锁存选通信号ST,1Q~4Q 分别接到7 段译码器的A-D 端,数据输出由数码管显示。
设:逻辑电平H 为“1”,L 为“0”ST=1,输入0001,0011,0111,观察数码管显示。
ST=0,输入不同数据,观察输出变化。
2、三态输出触发器功能及应用。
2、三态输出触发器功能及应用4043 为三态R-S 触发器,其包含有4 个R-S 触发器单元,输出端均用CMOS 传输门对输出状态施加控制。
当传输门截止时,电路输出呈“三态”,即高阻状态。
管脚排列见图9.3。
(1) 三态输出R-S 触发器功能测试验证R-S 触发器功能,并列出功能表。
注意:(a) 不用的输入端必须接地,输出端可悬空。
(b) 注意判别高阻状态,参考方法:输出端为高阻状态时用万用表电压档测量电压为零,用电阻档测量电阻为无穷大。
(2) 用三态触发器4043 构成总线数据锁存器图9.4 是用4043 和一个四2 输入端与非门4081(数据选通器)及一片4096(做缓冲器)构成的总线数据锁存器。
(a) 分析电路的工作原理。
(提示:ST 为选通端,R 为复位端,EN 为三态功能控制端)。
(b) 写出输出端Q 与输入端A、控制端ST、EN 的逻辑关系。
(c) 按图接线,测试电路功能,验证(1)的分析。
注意:4043 的R 和EN 端不能悬空,可接到逻辑开关上。
四、思考和选做1、图9.2 中,输出端Q 与输入端A 的相位是否一致?如果想使输出端与输入端完全一致,应如何改动电路?2、如果将输入端A 接不同频率脉冲信号,输出结果如何?试试看。
实验报告1、总结三态输出触发器的特点。
2、整理并画出4043和74LS75的逻辑功能。
课题:实验五时序电路测试及研究(2 学时)课型:验证性实验教学目标:1、掌握常用时序电路分析、设计及测试方法。
2、训练独立进行实验的技能。
重点:掌握常用时序电路分析、设计及测试方法难点:自循环移位寄存器—环形计数器教学手段:讲授及演示实验仪器:1、双踪示波器2、实验用元器件74LS00 二输入端四与非门 1 片74lS73 双J-K 触发器 2 片74LS175 四D 触发器 1 片74LS10 三输入端三与非门 1 片实验内容1、异步二进制计数器(1) 按图5.1 接线。