M75砂浆配合比设计书
- 格式:doc
- 大小:26.50 KB
- 文档页数:3
M7.5砂浆配合比计算书4、计算初步配合比(1)确定砂浆试配强度设计强度fcu,k=7.5Mpa,标准差取3.00 Mpa。
则砂浆的试配强度: fcu,0=7.5+0.645×1.88=8.71Mpa(2) 计算每立方砂浆中的水泥用量砂浆的特征系数a=3.03 b=-15.09取水泥的fce28=32.5×1.0=32.5Mpa则:Q C=1000(f m0-b)/a f ce=1000×(8.71+15.09)/3.03×35.8=241kg根据现场施工条件,水泥用量取245kg(3)确定每立方砂浆砂用量每立方砂浆中的砂用量按干燥状态的堆积密度值作为计算值Qc=1400kg(4)选定每立方米砂浆用水量:每立方米砂浆中的用水量根据砂浆稠度等要求选用260kg 5、调整工作性,提出基准配合比(1)按计算初步配合比试拌10L砂浆拌和物,各种材料用量水泥:2.45kg 水:2.6kg 砂: 15.2 kg(2)提出基准配合比混凝土拌和物的基准配合比为:mc: ms: mw=240:1520:260=1:6.33:1.08检验强度、确定试验室配合比根据JGJ98—2000规范5.3.3规定水泥用量上、下调整10%,每立方砂浆材料用量为:不同水灰比的混凝土强度值组别 水灰比(W/C)7d 强度值(Mpa) 28d 强度值(Mpa)备注 1 1.08 9.6 2 0.98 11.4 3 1.208.7根据强度结果,确定水泥:砂:水=240:1520:260= 1:6.33 : 1.08为M7.5砂浆的配合比。
水灰比 (W/C) 水泥用量(kg ) 砂用量(kg ) 水用量(kg )稠度 (mm) 容 重设计 (kg/m3) 实测 (kg/m3) 1.08 240 152026045 2020 2010 0.98 264 40 2040 2020 1.202164520002000。
M7.5砌筑砂浆配合比设计计算书一、 试配强度,027.5*1.259.4m f kf Mpa ===二、 设计依据(一)使用部位 涵洞:锥坡、洞口铺砌等路基:边坡防护、护坡道、边沟等桥梁:锥坡及防护等(二)砌筑砂浆配合比设计技术条件(三)设计依据标准1.《通用硅酸盐水泥》GB175-2007。
2.《建筑用砂》GB/T 14684-2011。
3.《公路桥涵施工技术规范》JTG/T F50-2011。
4.《公路路基施工技术规范》JTG F10-2006。
5.《砌筑砂浆配合比设计规程》JGJ /T98-2010。
6.《混凝土拌合用水标准》JGJ63-2006。
7.《河北省沧州至千童(冀鲁界)公路两阶段施工图设计》 三、 原材料1.水 泥:天津天旺崇正水泥有限公司 P.S.A32.5R 2.细骨料:保定曲阳砂场 中砂。
3.水: 拌合站场区井水。
四、 砂浆配合比的确定与要求1. 砂浆的试配强度计算: ,02m f f κ==9.4(MPa) ,0m f —砂浆的试配强度(MPa) κ—系数 κ=1.252. 水泥用量的计算4.2.1水泥的实测强度,*ce c ce k f f γ==32.5(MPa )ce f —水泥强度等级值(MPa )c γ—水泥强度等级的富余系数,取c γ=1.0 4.2.2每立方米砂浆中的水泥用量:,01000()/(*)c m ce Q f f βα=-=249c Q —每立方米砂浆中的水泥用量(kg ) ce f —水泥的实测强度(MPa )α、β—砂浆的特征系数,α=3.03,β=-15.09.根据经验,取每方水泥用量为280 kg 、用水量取250kg 。
3.砂干燥状态堆积密度为1524kg/m 3。
五、 砌筑砂浆配合比试配、调整1. 根据砂浆配合比各种材料用量确定砌筑砂浆理论表观密度为ρ=2054kg/m 3的基准配合比:水泥用量为280 kg/m 3时,稠度75mm ,保水率为92%,实测表观密度为ρ=2050 kg/m 3,粘聚性良好,保水性良好,工作性满足施工要求。
湖南省湘筑工程有限公司湖南省新化至溆浦高速公路第三合同段M7.5水泥砂浆配合比设计说明书施工单位:湖南省湘筑工程有限公司监理单位:广东虎门技术咨询有限公司目录一、设计说明 (01)二、设计依据 (01)三、设计要求 (01)四、原材料 (01)五、试件制取及养生方法 (01)六、配合比的计算 (01)七、试配及试验结果汇总 (05)八、配合比的选定 (06)九、施工注意事项 (06)附:1、配合比抗压强度试验报告;2、水泥性能试验报告;3、砂性能试验报告;M7.5水泥砂浆配合比设计说明书一、设计说明本水泥砂浆设计强度为M7.5。
主要用于桥梁工程的、涵洞工程的八字墙、防护工程的浆砌片石等。
现场施工时搅拌采用强制式搅拌机进行拌和。
二、设计依据1、《湖南省新化至溆浦高速公路两阶段施工图设计》2、《砌筑砂浆配合比设计规程》(JGJ 98-2000)3、《公路桥涵施工技术规范》(JTJ 041-2000)4、《公路工程集料试验规范》(JTG E42-2005)5、《公路工程水泥及水泥混凝土试验规程》(JTG E30-2005)6、《建筑用砂》(GB/T14684-2001)7、《通用硅酸盐水泥》(GB175-2007)三、设计要求1、设计强度7.5MPa,配制强度不低于8.7MPa;2、稠度要求:30~50mm;3、最小水泥用量:200kg/m3。
四、原材料1、水泥:采用湖南省海螺水泥有限公司生产“雪峰”牌P.C32.5水泥,经试验得知,该水泥各项性能均符合规范要求;(其具体性能试验指标见附件)2、砂:采用新化城坪新枫砂场生厂的河砂,经试验得知,该砂的级配符合II区中砂要求,细度模数为2.85,含泥量为1.5%,其各项性能均符合规范要求;(其具体性能试验指标见附件)3、水:采用饮用水。
五、试件制取及养生方法将用于配合比配制的各原材料混合,经搅拌机搅拌均匀后,检验水泥砂浆拌和物的稠度、分层度、及拌和物的表观密度。
75砂浆配合比计算书M7.5水泥砂浆配合比设计计算书一、计算砂浆试配强度1、确定砂浆的配制强度(fm.o) 已知设计强度f =7.5MPa,标准差σ按表21选用1.50, 即fm.o = f +0.645σ =7.5+0.645×1.50=8.5Mpa 2表1标准差σ选用值(MPa)砂浆强度等级M2.5 M5 M7.5 M10 M15 M20 施工水平优良 0.50 1.00 1.50 2.00 3.00 4.00一般 0.62 1.25 1.88 2.50 3.75 5.00较差 0.75 1.50 2.25 3.00 4.50 6.002、计算水泥用量(Qc) 已知配制强度fm.o=8.5 MPa,水泥强度fce=rc×fcek =1.0×32.5 =32.5MPa (式中: fcek为水泥标号的标准值, rc为水泥标号标准值的富余系数,根据实际统计资料确定为1.0)根据公式 Qc=1000*(fm.o- B)/ A*fce,其中 A=3.03,B=-15.09 即Qc=1000*(8.5+15.09)/ 3.03*32.5,240Kg计算出的水泥用量在规范要求每立方米砂浆水泥用量在220,280Kg间,故实际选用水泥用量为240Kg。
3、选定砂子用量(Qs) 每立方米砂浆中砂用量,按干燥状态砂堆积密度值作为计算值,故选用砂用量为1510 Kg。
4、确定用水量每立方米砂浆用水量根据砂浆稠度一般选用270,330 Kg ,依据经验当采用较粗砂时,用水量可取下限;当稠度小于70mm时,用水量可小于下限的原则,选用用水量为240 Kg.5、确定初步配合比Mc:Ms: =240:1510即: 1:6.29二、调整工作性,提出基准配合比1、按计算初步配合比试拌5L砼拌和物,各材料用量如下: 水泥:240×0.005=1.2? 水:240×0.005=1.2? 砂:1510×0.005=7.55?2、调整工作性按计算材料用量拌制砂浆,测定稠度为61mm,粘聚性,保水性均好,满足施工和易性要求.三、检验强度,确定试验室配合比1、检验强度分别采用水泥用量为264?、240?、216?进行拌合, 各组配比用量如下:A组:单位水泥用量mco=264?,单位水量mwo=220?,则砂浆拌合物的基准配合比为: Mc:Ms: =264:1510即: 1:5.72B组: 单位水泥用量mco=240?,单位水量mwo=240?,则砂浆拌合物的基准配合比为: Mc:Ms: =240:1510即: 1:6.29C组:单位水泥用量mco=216?,单位水量mwo=250?,则砂浆拌合物的基准配合比为: Mc:Ms: =216:1510即: 1:6.99三组配合比经拌制成型,测定其稠度均属合格.标准条件养护7天,按规定方法测得其立方体抗压强度值列于下表:组别水泥用量(kg) 7天抗压强度(MPa) 达到配制强度(,)A 264 10.3 121.2B 240 8.9 104.7C 216 7.0 82.42.确定试验室配合比根据试验结果,B组7天抗压强度达到试配强度的104.7%,测其工作性等均符合要求,而且水泥用量较A组少,C组水泥用量不满足规范要求。
M7.5水泥砂浆配合比设计说明书编制:复核:审核:日期:二○一三年三月三十日M7.5水泥砂浆配合比设计说明一、设计要求:水泥砂浆强度等级f为M7.5 ,施工稠度为30~50 mm,使2用部位为砌筑。
二、采用质量标准1、招标文件《技术规范》2、施工设计图纸3、《砌筑砂浆配合比设计规程》JGJ/T98-20104、《公路桥涵施工技术规范》JTG/T F50-20115、《通用硅酸盐水泥》GB175-2007三、采用试验操作规程1、《公路工程水泥及水泥混凝土试验规程》JTG E30-20052、《公路工程集料试验规程》JTGE42-20052、《建筑砂浆基本性能试验方法标准》JGJ/T 70-2009四、原材料来源及试验结果1、水泥:采用湖南南方水泥有限公司生产的兆山牌P.C32.5水泥,经检验,其2、细集料采用宁響砂场生产的中砂,经检验,各项性能指标见下表:3、水:生活用水五、配合比设计 (一)、确定初步配合比 1、确定配制强度0,m f =k 2f=1.2×7.5=9.0(根据施工水平k 值取1.20)0,m f —砂浆的试配强度(MPa ),精确至0.1MPa;2f —砂浆强度等级值(MPa ),精确至0.1MPa;k —系数,按表5.1.1取值。
表5.1.1砂浆强度标准差σ及k 值2、计算水泥用量:1)每立米砂浆中的水泥用量,按下式计算:)/()(10000,ce m c f a f Q ⋅-=β=1000(9+15.09)/(3.03×32.5) =245式中:c Q ——每立方米砂浆的水泥用量(kg ),精确到1kg ;ce f ——水泥实测强度(MPa ),精确至0.1MPa ;a 、β——砂浆的特征系数,其中a 取3.03、β取-15.09。
2)、每立方米砂浆中的砂用量,干燥状态下的堆积密度为1544kg ; 3)、每立方米砂浆中的用水量,根据砂浆稠度等要求选用265kg; (二)、调整配合比调整一:c Q取220kg ,砂取1544kg ,用水量根据稠度要求作适当调整;调整二:c Q取268kg ,砂取1544kg ,用水量根据稠度要求作适当调整; (三)、试拌校正1、按第一种配合比进行试验,试配搅拌量为6升则每种材料用量为m c0:m s0:m w0=1.464:9.264:1.59,测定稠度42mm,实测容重为2040Kg,则2053Kg-2040kg=13kg小于2053*2%=41Kg,故无需进行密度校正。
抹灰M7.5砂浆配合比设计计算书一、设计依据1、《砌筑砂浆配合比设计规程》(JGJT98-2011)2、北京清河枫烨园D座办公用房装修改造工程施工设计图纸二、设计要求1、强度等级:M7.52、砂浆稠度:30-50mm三、使用部位砌体及抹灰工程四、原材料1、水泥:采用冀东水泥有限公司生产的P.C32.5R水泥;2、细集料:采用砂石场生产的天然砂,细度模数 2.38,堆积密度1.496g/cm3,,表观密度2.650 g/cm3。
含泥量1.1%,空隙率44.6%;3、水:自来水;五、配制强度计算1、f m,o=f2+0.645σ根据《砌筑砂浆配合比设计规程》(JGJT98-2011、选取σ=2.25,由此可得:f m,o=f2+0.645σ=7.5+0.645*2.25=9.0Mpa;2、计算单位水泥用量Q c=1000(f m,o-β)/α*f ce其中α=3.03,β=-15.09f ce=γ*f ce,k=1.0*32.5=32.5Mpa;由此可得:Q c=1000(f m,o-β)/α*f ce=1000*(9.0+15.09)/3.03*32.5=245kg;根据《砌筑砂浆配合比设计规程》(JGJT98-2011、施工工艺和以往经验,单位水泥用量确定为290kg;M co=290kg;3、计算单位砂用量根据《砌筑砂浆配合比设计规程》(JGJT98-2011中的要求,每立方米砂浆中的砂用量,应按干燥状态的堆积密度作为计算值,则:M so=1496kg;4、确定单位用水量根据《砌筑砂浆配合比设计规程》(JGJT98-2011,每立方米砂浆用水量宜在270-330kg之间,且砂浆设计稠度为30-50mm。
因此,单位用水量M wo选定为300kg;则:M wo=300kg;5、确定初步配合比由以上计算可得出砂浆的初步配合比为:C : S : W=290:1496:300六、试拌1、根据计算出的初步配合比C : S : W=290:1496:300进行试拌,实际用水290 kg并对砂浆进行检测,得出砂浆稠度为43mm;分层度为16mm;容重为2070kg/m3,砂浆稠度符合设计满足施工要求。
M7.5 水泥砂浆配合比设计说明书
一、设计条件
1、水泥:怀化金大地P.C 32.5。
2、河砂:怀化安江,中砂。
二、设计计算步骤
1、计算试配强度:
ƒ2= 7.5 MPa
ƒm,0= ƒ2 +0.645σ = 8.7 MPa (σ取1.88MPa)
假定容重2100kg/m3
2、计算水泥用量:
确定水泥的实测强度值:ƒce = γC׃ce,k = 32.5MPa (取γC=1.0)
选取水泥砂浆的特征系数:a = 3.03,β = -15.09则
Q C = (ƒm,0-β)/(a׃ce) × 1000
= (8.7+15.09)/(3.03×32.5) ×1000
= 286 (kg)
3、计算砂用量:
查表取:Vs=1m3、рs=1502kg/m3;则
S0 = Vs×рs = 1502 (kg)
4、初步配合比:
质量比:C0:S0 = 286:1502 = 1:5.25
5、确定用水量:根据砂浆稠度及工作和易性要求、采用逐次加水
办法确定:W0 = 275(kg)
6、初步配比每方材料用量:
水泥:286 kg/m3 水:275 kg/m3 砂:1539 kg/m3
水灰比上浮0.03每立方材料用量:
水泥:296 kg/m3 水:275 kg/m3 砂:1529 kg/m3
7、试配和调整根据该初步配合比,其抗压试验结果(28天)列表如下:
8、理论配合比确定:
根据砂浆和易性和28d强度要求,选用0.93的水灰比。
M75砂浆配合比计算书M7.5砂浆配合比计算书一、材料:水泥:甘肃张掖巨龙建材有限责任公司P.O 42.5水泥砂:K6+000左侧砂场,细度模数为2.62,属于II区中砂水:饮用水设计依据:采用中华人民共和国行业标准《砌筑砂浆配合比设计规程》(JG98-2000、J65-2000)二、确定砂浆的试配强度:fm,o=f+0.645σ 2式中 fm,o—砂浆的试配强度,精确至0.1MPa;f—砂浆抗压强度平均值,精确至0.1MPa; 2σ—砂浆现场强度标准差,精确至0.01MPa。
fm,o=f+0.645σ 2=7.5+0.645×2.25=9.0MPa 其中σ值查《砌筑砂浆配合比设计规程》表5.1.3,施工水平为较差。
M7.5砂浆强度标差σ应选用2.25.三、确定单位水泥用量:1、每立方米砂浆中的水泥用量,应按下式计算:Qc=1000(fm,0-β)/(α×fce) 式中 Qc—每立方米砂浆的水泥用量,精确至1Kgfm,o—砂浆的试配强度,精确至0.1MPa;fce—砂浆的实测强度,精确至0.1MPa;α、β—砂浆的特征系数,其中α=3.03,β=-15.09。
2、在无法取得水泥的实测强度值时,可按下式计算:fce=γc× fce,k式中 fce,k—水泥强度等级对应强度值;γc—水泥强度等级值的富余系数,该值应按实际统计资料确定,无统计资料时γc可取1.0。
Qc=1000(fm,o-β)/(α×fce)=1000×(9.0+15.09)/(3.03×42.5)=187Kg为了保证强度选用230Kg和255Kg水泥用量。
四、确定单位用砂量:每立方米砂浆中的砂子用量,应按照干燥状态的堆积密度值作为计算值。
3根据试验所用砂的堆积密度为:1609Kg/m。
五、确定单位用水量:每立方米砂浆中的用水量,根据砂浆稠度等级要求可选用240~310 Kg。
M7.5砼配合比计算书一、本配合比组成材料:3,堆积密度:江砂:合浦石湾镇埒底砂场江砂,表观密度ρα=2675㎏/mρ=1510kg/m3。
水泥:兴业县葵阳海螺P.C32.5级,强度采用32.5Mpa拌和用水:砼拌和站井水试配结果使用部位:路基边沟、渗沟、涵洞及桥梁工程。
二、设计要求砂浆设计强度等级M7.5,施工时采用机械拌,施工要求坍落度为50~70㎜。
三、设计计算1、计算M7.5砂浆配制强度R PR P=1.15R S=1.15*7.5=8.625Mpa2、计算每m3砂浆水泥用量m.com.co=R P/(α*R d)*1000=8.625/(0.915*32.5)*1000=290kg调整系数(α值)表3、计算每m3砂浆砂用量m.So砂用量按每m3计,则m.So=1510kg4、计算每m3砂浆水用量m.Wo水用量按砂浆拌合物的稠度在50~70mm之间,即实际用水量。
A、砂浆配合比水泥:砂=290:1510= 1:5.211)试拌6L砂浆各种材料用量(kg)水泥m.co 290 *0.006= 1.74砂m.So 1510*0.006=9.062) 实测值①用水量:1.60 kg②稠度:58mm 62mm 56mm平均:58 mm③密度(kg/m3):a (2.617-0.446)/1.005*1000=2160b (2.615-0.446)/1.005*1000=2158c (2.619-0.446)/1.005*1000=2162平均:21603)调整:K=2160/(1.74+9.06+1.60)=174.19水泥m.co 1.74 *174.19= 303kg砂m.So 9.06*174.19=1578kg水m.Wo 1.60*174.19=279kg4 )配合比水泥:砂:水=303:1578:279=1:5.21:0.92B、每m3砂浆增加水泥用量20kg,即水泥m.co =290+20=310kg砂 m.So =1510kg砂浆配合比水泥:砂=310:1510= 1:4.872)试拌6L砂浆各种材料用量(kg)水泥m.co 310 *0.006= 1.86砂m.So 1510*0.006=9.062) 实测值①用水量:1.60 kg②稠度:63 mm 62 mm 60 mm平均:62 mm③密度(kg/m3):a (2.621-0.446)/1.005*1000=2164b (2.625-0.446)/1.005*1000=2168c (2.617-0.446)/1.005*1000=2160平均:21643)调整:K=2164/(1.86+9.06+1.60)=172.84水泥m.co 1.86 *172.84= 321 kg砂m.So 9.06*172.84= 1566 kg水m.Wo 1.60*172.84= 277 kg 4 )配合比水泥:砂:水=321:1566:277=1:4.88:0.86c、每m3砂浆减少水泥用量20kg,即水泥m.co =290-20=2700kg砂 m.So =1510kg砂浆配合比水泥:砂=270:1510= 1:5.953)试拌6L砂浆各种材料用量(kg)水泥m.co 270 *0.006= 1.62砂m.So 1510*0.006=9.062) 实测值①用水量:1.60 kg②稠度:66 mm 72 mm 69 mm平均:69 mm③密度(kg/m3):a (2.610-0.446)/1.005*1000=2153b (2.617-0.446)/1.005*1000=2160c (2.604-0.446)/1.005*1000=2147平均:21533)调整:K=2153/(1.62+9.06+1.60)=175.33水泥m.co 1.62 *175.33= 284kg砂m.So 9.06*175.33= 1588kg水m.Wo 1.60*175.33= 281kg4 )配合比水泥:砂:水=284:1588:281=1:5.59:0.99中国云南路建集团股份公司玉铁NO13标项目部试验室。
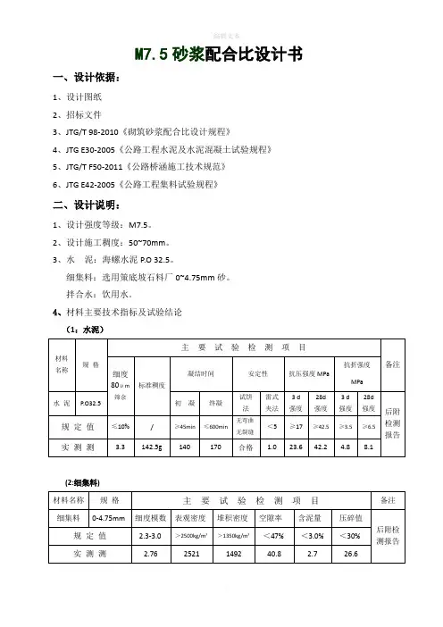
M7.5砂浆配合比设计书一、设计依据:1、设计图纸2、招标文件3、JTG/T 98-2010《砌筑砂浆配合比设计规程》4、JTG E30-2005《公路工程水泥及水泥混凝土试验规程》5、JTG/T F50-2011《公路桥涵施工技术规范》6、JTG E42-2005《公路工程集料试验规程》二、设计说明:1、设计强度等级:M7.5。
2、设计施工稠度:50~70mm。
3、水泥:海螺水泥P.O 32.5。
细集料:选用策底坡石料厂0~4.75mm砂。
拌合水:饮用水。
4、材料主要技术指标及试验结论(1:水泥)(2:细集料)三、砂浆初步配合比设计1、计算配制强度砂浆设计强度:0,m f =7.5MPa砂浆配制强度:(k 值取施工水平一般1.20)0,m f =2kf 7.5×1.20=9MPa 2、水泥用量计算:γc----水泥强度等级值的富余系数,取1.0)0(1000Q c β-=,fm /(αfce ⨯)=1000×[9.0-(-15.09)]/(3.03×32.5)=245kg α,β—砂浆的特征系数,其中α取3.03,β取-15.09 3、计算水用量:依据JTG/T 98-2010《砌筑砂浆配合比设计规程》表5.1.2及试拌情况取用水量230kg 4、计算砂用量依据JTG/T 98-2010《砌筑砂浆配合比设计规程》表4.0.2 取值为≧1900kg砂用量=1900-245-230=1425kg5、计算配合比:配合比:水泥:砂:水 :=245:1425:230比例为:1:5.82:0.941、根据砂浆配合比选定要求,以基准配合比为基础,另选配两个调整配合比,其用水量与基准配合比相同,胶凝材料较基准配合比分别增加或减少10%,计算配合比材料用:2、根据各选定配合比混凝土拌合物工作性能及抗压强度值,假定容重与实测容重之差少于2%,结合工地施工实际情况,拟选用申报配合比: 配合比:水泥:砂:水 :=245:1425:230比例为:1:5.82:0.94。
设计说明1、试验目的:云南省都香高速公路守望至红山段A7合同段M7.5砂浆配合比设计,主要使用于路基工程、隧道工程、桥梁工程等砌体工程。
2、试验依据:1、《公路工程水泥及水泥混凝土试验规程》(JTG E30-2005)2、《砌筑砂浆配合比设计规程》(JGJ/T98-2010)3、《公路工程集料试验规程》(JTG E42-2005)4、《公路隧道施工技术细则》(JTG/T F60-2009)5、《公路隧道施工技术规范》(JTG F60-2009)6、《公路桥涵施工技术规范》(JTG/T F50-2011)7、设计文件3.试验的原材料:1、水泥:采用华新水泥(昭通)有限公司生产的堡垒牌P.O42.5普通硅酸盐水泥。
2、细集料采用昭通市鲁甸县水磨镇圣元砂石料场生产的II类机制砂。
3、水:昭通市鲁甸县都香A7标地下水。
M7.5砂浆配合比设计计算书1.确定砂浆配制强度(fm,o)根据《砌筑砂浆配合比设计规程》(JGJ/T98-2010)的规定设计要求已知砂浆设计强度为7.5MPa,施工水平一般,查表得k=1.20砂浆的配制强度fm,o =k×f2fm,o=1.20*7.5=9.0 Mpa。
2.确定砂浆稠度根据《砌筑砂浆配合比设计规程》(JGJ/T98-2010)第5.1.2条规定,结合现场实际情况选取稠度为30~50mm3.计算单位水泥用量根据经验选用每方砂浆水泥用量为:270kg/m3。
4. 砂用量为1m3砂子的堆积密度为1700kg/m3,则砂子质量为Q s=1×1700=1700kg5. 选定单位用水量根据砂浆的强度等级要求,查表确定用水量为=230kg/m36.提出基准配合比水泥:砂:水=270kg:1700kg:230kg7.计算试拌材料用量按基准配合比试拌 6L 砂浆拌合物,各种材料用量:水泥:砂:水=1.62kg:10.2kg:1.38kg按计算材料用量拌制砂浆拌合物,满足施工稠度的要求,此配合比为基准配合比。
M7.5砂浆配合比设计书一、基本要求M7.5砂浆用于JH-HA1标石砌体工程,设计稠度为30-50mm。
二、原材料1、水泥:东台磊达P.O32.5;2、砂:赣江砂,II区中砂,细度模数2.8,堆积密度1418 kg/m3;3、水:饮用水;三、初步配合比设计1、计算砂浆试配强度f m,0f m,0=f2+0.645δ,其中δ取值1.88MPa(施工水平一般)则f m,0=7.5+0.645*1.88=8.7(MPa)2、计算每立方米砂浆中水泥用量QcQc=1000(f m,0-β)/(α*f ce)其中,α=3.03,β=-15.09,f ce=1.0*32.5=32.5通过计算,Qc=242(kg)3、计算每立方米砂浆中砂用量Qs根据砂试验,其堆积密度为1418(kg/ m3),故每立方米砂浆中砂用量Qs=1418(kg)4、根据试拌测试实际稠度,达到设计砂浆稠度时确定每立方米砂浆的用水量Qw四、试拌调整,提出砼基准配合比根据实际需要,确定试拌材料用量。
本设计拌和砂浆混合料10L,检验其物理性能(检验结果见试验记录表)。
提出基准配合比为:Qc:Qw:Qs=242:270:1418五、检验强度,确定试验室配合比按照基准配合比成型,进行标准砂浆抗压强度检测。
在基准配合比确定的水泥用量基础上,相应减少和增加10%,进行试拌,检验各自的工作性(检验结果见试验记录表)。
分别制作抗压试件2组(70.7*70.7*70.7 mm3)。
强度试验结果见试验记录表。
根据强度结果,最终试验室配合比为:Qc:Qw:Qs=242:270:1418六、结果整理检验结果汇总表。
M75砂浆配合比设计报告砂浆是建筑中常用的一种材料,用于连接砖块或石块的结合材料,起着支撑和固定的作用。
砂浆配合比的设计是保证砂浆质量的重要一环,下面将对M75砂浆的配合比设计进行报告。
1.设计要求根据建筑施工要求,需要设计M75砂浆配合比,其要求具备以下性能:(1)抗压强度:砂浆抗压强度不低于75MPa;(2)抗折强度:砂浆抗折强度不低于10MPa;(3)施工性能:砂浆应具备良好的可塑性和抗裂性。
2.原材料选择根据砂浆的配合比设计要求,我们选择以下原材料:(1)水泥:选用标号为P.O42.5水泥,以保证砂浆的强度和耐久性;(2)粉煤灰:作为混合材料,可以改善砂浆的可塑性和抗裂性;(3)砂子:选用细砂,颗粒均匀,杂质含量低,以提高砂浆的强度和质量;(4)外加剂:选择一种高效的减水剂,以提高砂浆的可塑性和工作性。
3.配合比设计根据砂浆的配合比设计要求,我们可以采用以下配合比:(1)水泥:粉煤灰:砂子=1:0.3:3:确保砂浆具备良好的可塑性和抗裂性;(2)外加剂:按照外加剂的生产厂家提供的配合比控制加入的量,以达到所需的工作性能。
4.设计过程(1)砂浆强度的计算:根据砂浆的配合比,选择合适的试验方法进行强度试验,通过试验结果计算出砂浆的抗压强度和抗折强度。
(2)施工性能的试验:根据砂浆的配合比,进行施工性能的试验,包括试验砂浆的可塑性、抗裂性等性能。
(3)优化配合比:根据试验结果和设计要求,对配合比进行优化,调整原材料的用量和比例,以达到预期的性能要求。
5.结论与建议通过砂浆配合比的设计和试验,可以得到满足M75砂浆设计要求的配合比。
在实际施工中,应注意以下几个方面:(1)选择原材料时应确保其质量,并遵循设计配合比的原则;(2)在施工过程中,保持充分的浇筑、抹平和固化时间,以保证砂浆的质量;(3)施工现场应遵循规范要求,并进行质量检测,及时发现和处理质量问题。
通过合理的配合比设计和施工操作,可以保证砂浆的质量和使用性能,确保建筑物的安全和耐久性。
M7.5砂浆配合比设计一、设计依据:1.JGJ98-2000《砌筑砂浆配合比设计规程》2.JTG E30-2005《公路工程水泥及水泥混凝土试验规程》3.JTG F10-2006《公路路基施工技术规范》4.JTGE42-2005《公路工程集料试验规程》5.JTJ041-2000《公路桥涵施工技术规范》以及设计文件进行设计。
二、概述:1.使用部位:路基防护排水工程、浆砌基础工程。
2.稠度要求:50~70mm。
3. 分层度要求:(≤30mm)。
三、材料:1.水泥:湖南长沙河田白石建材有限公司白石牌P.C32.5复合硅酸盐水泥2.河砂:株洲县渌口达安砂场,细度模数为:2.8,含泥量1.2%,属Ⅱ区中砂,堆积密度1.557g/cm3。
3.水:饮用水。
材料性能试验报告单附后四、水泥砂浆试件制取及养生方法:水泥砂浆试件采用机械搅拌,人工插捣成型。
养生方法采用标准养护,温度18~220C。
相对湿度大于95%。
五、砂浆配合比的计算:1. 砂浆设计强度f m.k=7.5MPa2. 计算砂浆配制强度f m.o=f m,k+0.645δ=7.5+0.645×1.88=8.7MPa3.计算每立方米砂浆中的水泥用量Qc=1000×(f m,o-β)/(a×f ce)= 1000×(8.7+15.09)/(3.03×32.5)=242 kg/㎥(根据经验选定水泥用量320 kg/㎥)每立方米砂浆中砂的用量,取1557 kg/㎥根据砂浆稠度为50~70mm,经试拌最佳稠度用水量为260Kg/m3初步配合比为水泥:砂:水=320:1557:260水灰比=0.81六、配合比的试拌与调整1:计算水泥砂浆试拌材料用量:按初步配合比试拌的水泥砂浆拌和物为12 L,各种材料用量为:水泥:3.84kg砂:18.68kg水:3.12kg2:实测工作性:按初步配合比拌制水泥砂浆拌和物,其稠度测定值:(70mm)(68mm)平均值:( 70mm ),实测容重:2160 Kg/m3(≥1900Kg/m3),分层度:25㎜,分层度:(≤30mm),满足施工要求。
关于M7.5水泥砂浆配合比设计说明一、试验室所用仪器设备及试验环境:试验过程中使用的仪器设备精度、规格、准确性等均符合规范要求,并通过江西省计量测试研究所检验合格。
试验室、标养室,温度、湿度均符合规范要求。
二、材料选用1、水泥:选用江西“青峰”牌P.032.5,依据GB/T17671—1999,GB/T1346—2001及GB/T11345—1991试验规程,各项指标符合GB175—1999规范要求,详见下表:2、细骨料:选用赣江河砂,依据JTJ058—2000试验规程,其各项指标均符合JTJ041—2000规范要求,详见下表:3、水:饮用水,符合JTJ041—2000规范砼拌制用水要求。
三、配合比的设计与计算依据JGJ98—2000及《公路工程国内招标文件范本》(2003年版)下册,结合工地实际情况对M7.5水泥砂浆进行设计与计算,具体过程如下:1、砂浆的试配强度:ƒm,0 =ƒ2+0.645σ(σ取2.25)=7.5+0.645×2.25 = 9.0Mpa2、计算每立方米砂浆中的水泥用量:1000(ƒm,0-β)1000(9.0+15.09)Q c = = =244㎏a·ƒce·γc 3.03×32.5×1.03、根据《公路国内招标文件范本》(2003年版)下册有关章节规定,结合工地施工情况,确定稠度50—70㎜,水泥用量300㎏,水灰比0.65,初步设计配合比水泥:砂:水(1)300 :1510 :1954、按基准配合比分别增加及减少10%,计算另两个配合比:(2)330 :1510 :195(3)270 :1510 :195四、通过上述配合比的计算,按基准配合比分别增加及减少计算的另两个不同配合比,进行试拌,对其拌合物的稠度分别进行检测,均能满足设计要求,并分别将拌合物制件,标准养护,进行7天、28天的抗压强度检验,详见下表:五、根据经济、合理、保证工程质量、方便施工的原则,拟定表3中编号2的配合比为M7.5水泥砂浆设计配合比,具体用于桥台锥坡浆砌片石、砂浆勾缝、盖板涵洞口铺砌、盖板涵锥坡浆砌片石、砂浆勾缝、圆管涵洞口铺砌、圆管涵锥坡浆砌片石、砂浆勾缝。
配含比设计1.砌筑砂浆说明本配合比用于拱形护坡,矮墙,护面墙,排水沟,截水沟,平台截水沟,路堤截流槽,弃土场,圆管涵洞口铺砌,锥坡,人行梯道,明洞,洞I、L竖井洞口加强段等。
采用混凝土罐车运输;施工中采用强制式搅拌机搅合。
〈〈砌筑砂浆配合比设计规程》JGJ 98-20003.砌筑砂浆设计要求3.1 设计强度Mpa配制强度Mpa3.2 稠度要求:30-50mm3.3 最小水泥用量:200kg/m34.1水泥:采用河北冀东“盾石”水泥P?水泥。
细度为0.7%,标准稠度为28.0%,初凝时间为164min,终凝时间为229min三天抗折强度为 5.1Mpa,抗压强度为25.6Mpa,各项指标符合规范要求。
4.2细集料:细度模数:M x=,属中砂3',表观密度为/cm3,级配属于连续级配。
5. 砌筑砂浆配合比的计算5.1 确定配制强度:f m,o=f 2+0.645 a =7.5+0.645 X Mpa5.2 确定水泥用量:查表得:a a, 6 ;每立方米砂浆中水泥用量,Q C=1000(Fm,o- 6 )/以*Fce=185kg.取250kg.确定砂子用量:1m 3砂子的堆积密度值做为每立方米砂浆中的砂子的用量,即每立方米砂浆砂子的用量取1462kg.5.4 确定用水量:根据砂浆稠度要求确定。
5.5 确定每立方米砂浆配合比材料用量5.6 确定试配用量:水胶比的选取情况:采用三个不同的配合比时,基准配合比分别按0.05增加和减少。
每立方米碌材料用量试拌所需用量(Kg)6. 配合比调配,调试及确定6.1 按基准配合比拌制,采用水胶比为的基准配合比拌合碌和易性良好,具有良好的粘聚性、保水性。
6.2 坍落度第一次测试为84mm第二次测试为80mn,碌插捣容易,拌合物含砂情况为多。
6.3 假定碌设计容重为:2370kg/m3,实测碌容重为:2374kg/m3。
该碌表观密度实测值与计算值之差的绝对值未超过计算值的2%故将该配合比确定为设计配合比。
M7.5水泥砂浆配合比设计
一、设计依据:
《砌筑砂浆配合比设计规程》JGJ98-2000
《公路桥涵施工技术方案》JTJ041-2000
《建筑用砂》GB/T14684-2001
《水泥胶砂强度检验方法(ISO法)》GB175-2007
《水泥标准稠度用水量、凝结时间、安定性检验方法》GB175-2007
二、工程名称:232省道改建工程(扬子江路北段)
三、水泥砂浆强度等级:M7.5
四、用途:砌筑块石(雨水管、小型结构物等),砂浆稠度为
30~50mm
五、原材料组成:1、水泥强度等级为P.C32.5
采用江阴海豹“定山”牌水泥
2、砂:采用江西长江砂,符合Ⅱ类砂标准
六、确定水泥砂浆试配强度:
M7.5 f=7.5+(0.645×1.5)=8.5Mpa
七:基准配合比:。
水泥用量:Qc=[1000×(8.5-(-15.09)]/(3.03×37.6)=207 根据《砌筑砂浆配合比设计规程》表5.2.1及施工经验选用:
水泥230kg/m3 黄砂1615 kg/m3
则基准配合比为:水:水泥:黄砂=270:230:1615
八:依据《砌筑砂浆配合比设计规程》JGJ98-2000要求,试配时采用三个不同的配比,其中一个为基准配合比,其他配合比的水泥用量按基准配合比分别增加或减少10%,其配合比见下表:
根据结果选用:水:水泥:黄砂=270:280:1615配比。
砂浆配合比设计计算书
实验批号:试验编号:
一、设计依据
1、《砌筑砂浆配合比设计规程》(JGJ/T98-2010)
二、设计要求
1、强度等级:M7.5
2、砂浆种类:水泥砂浆
3、砂浆稠度:50-70mm
4、保水率(%):≥80
三、使用部位
砌筑
四、原材料
1、水泥:广东强盛水泥。
P.O 42.5水泥;
2、细集料:白云区砂场,细度模数,堆积密度kg/m3,,表观密度g/cm3。
含泥量%,空隙率%;
3、水:饮用水;
五、配制强度计算
1、f m,o= k f2
根据《砌筑砂浆配合比设计规程》(JGJ/T98-2010)、k=1.20由此可得:f m,o= k f2 =1.2×5.0=9.0Mpa;
2、计算单位水泥用量
Q c=1000(f m,o-β)/α*f ce
其中α=3.03,β=-15.09
f ce=γ*f ce,k=1.0*42.5=42.5Mpa;由此可得:
Q c=1000(f m,o-β)/α*f ce=1000*(9.0+15.09)/3.03*42.5=187kg;
3、计算单位砂用量
根据《砌筑砂浆配合比设计规程》(JGJ/T98-2010)中的要求,每立方米砂浆中的砂用量,应按干燥状态的堆积密度作为计算值,则:Q s= kg;
4、确定单位用水量
根据《砌筑砂浆配合比设计规程》(JGJ/T98-2010),每立方米砂浆用水量宜在270-330kg之间,且砂浆设计稠度为50-70mm。
因此,单位用水量Q w选定为kg;则:
Q w= kg;
5、确定初步配合比
由以上计算可得出砂浆的初步配合比为:
C : S : W= : :
六、试拌
1、根据计算出的初步配合比C : S : W= 进行试拌,实际用水280 kg并对砂浆进行检测,得出砂浆稠度为mm;保水率为容重为kg/m3,砂浆稠度符合设计满足施工要求。
因此调整后的配合比如下:
C : S : W=
2、计算另两个配合比
根据计算出的基准配合比,另外两个配合比为在基准配合比的基础上分别减少水泥用量的10%,由此可得:
#配合比经过试拌后,对砂浆进行检测,稠度为mm;实测容重为kg/m3。
#配合比经过试拌后,对砂浆进行检测,稠度为mm,实测容重为kg/m3。
七、砂浆立方体的实际抗压强度,如下图:
八、确定施工配合比
根据砂浆配合比设计相关规定,拌合砂浆满足施工,28天强度立方体抗压强度不小于配制强度的要求。
并考虑项目实际施工需求,选定配合比作为施工配合比。
编写人:校核:编写日期:。