单层厂房结构吊装施工方案
- 格式:doc
- 大小:468.00 KB
- 文档页数:21
单层工业厂房吊装施工方案一、前言工业厂房吊装是指使用起重设备将大型构件或设备吊装到工业厂房内的操作过程。
单层工业厂房吊装作为一种常见的施工方式,具有吊装效率高、施工周期短等优点。
本文将针对单层工业厂房吊装进行方案设计和操作流程介绍。
二、施工方案2.1 设备准备在进行工业厂房吊装施工前,需要对所需设备进行准备。
常用的起重设备包括吊车、起重机、吊索等。
根据工程的具体情况和吊装对象的重量、尺寸等参数,选择适合的起重设备,并确保设备具备良好的工作状态和安全性能。
2.2 前期准备工作在进行吊装施工之前,需要进行一系列的前期准备工作。
首先,对工程现场进行勘测,确定起重设备和吊点位置。
然后,对工业厂房内的固定设施进行检查,确保吊装过程中不会造成设施损坏或人员伤害。
此外,还需准备好所需的辅助工具和安全防护设备,如横梁、吊索、安全帽、安全绳等。
2.3 吊装操作流程步骤一:安全检查在进行吊装操作之前,必须进行全面的安全检查。
包括起重设备的安全性能检查、工程现场的安全环境检查,以及操作人员的安全防护检查等。
确保所有的安全措施和防护设备完好有效。
步骤二:吊装计划制定根据工程需要和实际情况,制定详细的吊装计划。
包括起重设备的选择、吊点的确定、起重参数的计算等。
吊装计划应该合理安全,并考虑到吊装对象的重量、尺寸、形状等因素。
步骤三:固定吊点在进行吊装之前,需要确定好吊装对象的吊点。
吊点的选择应该考虑到物体的平衡和稳定性,并采用安全可靠的固定方法。
常用的吊点固定方法包括吊环、吊钩、扣板等。
步骤四:进行吊装操作根据吊装计划和吊装对象的实际情况,进行吊装操作。
在操作过程中,需要严格按照吊装计划的要求操作,确保吊装过程的安全可靠。
注意操作人员的指挥和配合,并保持沟通畅通。
步骤五:吊装完成后处理在吊装完成后,需要及时处理吊装设备和材料。
将吊装设备归位并进行检查和保养,确保设备的正常运行。
将吊装材料进行整理和分类,以便下次使用或储存。
单层工业厂房的结构吊装方法单层工业厂房结构吊装施工组织设计指导书一、工程概况(一)主要内容1.房屋基本情况:工程项目、结构形式、跨度、长度、柱距、节间、建筑面积、厂房走向、方位、厂房与周围的关系(如:厂房与原有建筑物的相距情况,有无预留扩建场地、厂区道路设施及运输情况等)。
2.构件选用情况:要求分跨介绍,主要承重构件名称、类型、规格、尺寸;主要有承重构件的控制标高(柱子:牛腿标高、屋架:下弦标高,连系梁:梁底标高,房屋、屋顶最高标高):抗风柱的设置(位置、间距)。
3.主要构件的生产情况:柱子、屋架采用现场生产;吊车梁、联系梁、基础梁、屋面板、天沟板等构件采用预制生产,运入现场后按规定位置排放。
(二)具体要求1.文字叙述应作到清楚、正确、简洁。
2.按适当比例在计算书上画出车间平面位置图、结构布置平面图和剖面图。
3.书写及作图均应符合规定(以下同此要求)二、主要承重结构一览表(一)主要内容1.构件名称及编号;2.构件数量;3.构件重量4.构件长度;5.安装标高。
(二)具体要求1.选择基础梁、连系梁、柱子、屋架、吊车梁、屋面板、天沟板进行有关统计、计算。
要求准备,不得漏项、漏件或打算失误。
2.将以上结果通过表格反映。
附:“主要承重结构一览表”项次跨度轴线构件名称及编号构件数量构件重量构件长度安装标高三、施工前的准备工作(一)主要内容1.场地清理与道路铺设要求:起重机开行路线,道路清理与压实,雨季施工排水等。
2.装配工钢筋砼杯形基础的准备要点:定位轴线,杯底抄平,杯口弹线,杯口覆盖,基坑回填等。
3.构件的运输方法及注意事项:要点:运输工具的选择,各类构件的运输方法,运输时的注意事项(强度、支承位置、装车方向、运输道路、运输顺序、卸车位置等)运输的要求等。
4.构件的就位和堆放要点:位置确定,堆放场地,堆放层数,构件稳定等。
5.构件的拼装与加固天窗架、大跨度屋架和组合屋架等,为了使运输及避免在过程中损失,一般在预制厂先预制成块体,运往工地后在拼装成整体。
某单层工业厂房构造吊装施工方案姓名:学号:日期: 2021 年月日分数:批阅教师:目录第一章工程概略 .....................................错误 ! 不决义书签。
1、工程简介 .....................................错误 ! 不决义书签。
2、施工条件 .....................................错误 ! 不决义书签。
3、金工车间主要预制构件一览表 ...................错误 ! 不决义书签。
第二章吊装机械的选择 ...............................错误 ! 不决义书签。
1、柱 ...........................................错误 ! 不决义书签。
2、屋架 .........................................错误 ! 不决义书签。
3、屋面板 .......................................错误 ! 不决义书签。
4、吊装构件起重机的工作参数 .....................错误 ! 不决义书签。
第三章构造吊装方法的选择 ...........................错误 ! 不决义书签。
第四章构造构件吊装 .................................错误 ! 不决义书签。
1、柱的吊装 .....................................错误 ! 不决义书签。
2、吊车梁的吊装 .................................错误 ! 不决义书签。
3、屋架吊装 .....................................错误 ! 不决义书签。
4、屋面板的吊装 .................................错误 ! 不决义书签。
施工组织课程设计题目:单层厂房结构吊装施工方案学院:建筑工程学院班级::学号:目录第一章设计资料 (3)第二章吊装机械的选择 (7)一、柱子 (7)二、吊车梁 (8)三、屋架 (8)四、屋面板 (8)第三章结构预制方案 (9)第四章结构吊装方案 (10)第五章起重机开行路线 (12)第六章施工组织计划 (14)第七章质量保证措施 (15)第八章安全保证措施 (17)第九章文明施工措施 (20)第十章施工图 (21)第一章设计资料一、工程概况工程为某单层工业厂房,建筑面积为3024平方米,总长为6*12=72米,总宽24+18=42米,系装配式钢筋混凝土单层工业厂房,图1为单层工业厂房的基础平面图和剖面图,试进行吊装设计。
二、已知条件1、柱子、屋架再现场预制,其余构建在预制场预制;2、起重机可参考表1选用或选用其它型号的起重机;3、主要构件见表2及图2;4、施工现场场面标高为±0.00。
三、设计要求1、选择起重机类型和型号;2、确定起重机开行路线;3、绘制预制阶段的构件平面布置图)2#图;4、绘制吊装阶段的构件平面布置图2#图。
四、参考资料1、教材-建筑施工教程――中国建材出版社2、建筑施工、机械定额――中国建工出版社3、建筑施工规范――中国建工出版社4、建筑施工手册――中国建工出版社图2 主要构件柱抗风柱柱柱抗风柱柱表1 25T起重机(国庆一号)履带起重机性能表表2 主要构件工程量一览表第二章吊装机械的选择起重机的选择主要是根据厂房跨度、构件重量、吊装高度、现场条件及现有设备等确定,本工程结构采用履带式起重机。
吊装主要构件工作参数为:一、柱子选择抗风柱进行计算,起重机工作参数确定如下:抗风柱:Q=86.8KN,标高16.85M起重高度H1=h1+h2+h3+h4=16.85+0.5+1.5=18.85M起重量Q=QA+QA1=86.8+2=88.8KN现初选定W1-200型履带式起重机,启动臂长30M,查起重机性能表,当起重量88.8KN时相应的起重半径R=15.3M,起重高度H=24.5M>18.85M,满足吊装柱子的条件,由此选用W1-200型履带式起重机,起重半径不大于15.3M处吊装柱子。
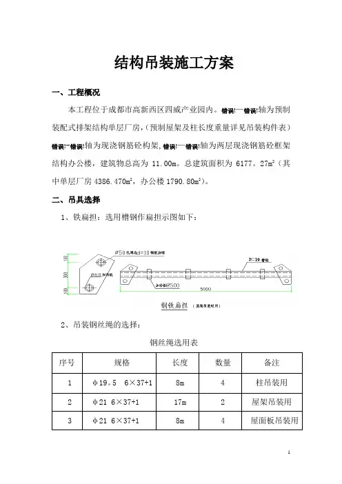
结构吊装施工方案一、工程概况本工程位于成都市高新西区四威产业园内。
错误!—错误!轴为预制装配式排架结构单层厂房,(预制屋架及柱长度重量详见吊装构件表)错误!-错误!轴为现浇钢筋砼构架,错误!—错误!轴为两层现浇钢筋砼框架结构办公楼,建筑物总高为11.00m。
总建筑面积为6177。
27m2(其中单层厂房4386.470m2,办公楼1790.80m2)。
二、吊具选择1、铁扁担:选用槽钢作扁担示图如下:2、吊装钢丝绳的选择:钢丝绳选用表序号规格长度数量备注1 φ19。
5 6×37+1 8m 4柱吊装用2 φ21 6×37+1 17m 2 屋架吊装用3 φ21 6×37+1 8m4 屋面板吊装用3、其它吊具选用表4、起重机械选择:根据屋架的自重及加固的重量,确定最大起重量为12t,最大起重高度为16米。
1)、起重机选择及工作参数计算根据施工需要,现场选用履带吊进行吊装。
部分主要构件安装时的工作参数计算如下:(1)、柱采用斜吊绑扎一点起吊.由于最大起重量Qmax=7。
22t,最大长度Hmax=11。
446m。
要求起重量:Q=Q1+Q2=7。
22+0。
2=7.42t,要求起重高度:H=H1+H2+H3+H4=0+0.3+7.0+2。
0=9.30m (2)、屋架要求起重量:Q=Q1+Q2=11.3+0.4=11。
7t,要求起重高度:H=H1+H2+H3+H4=7.0+0.3+3.45+4。
5=15。
25m (3)、屋面板要求起重量:Q=Q1+Q2=1.5+0。
2=1.7t,要求起重高度:H=H1+H2+H3+H0+d=7.00+3.45+0.3+2。
5+3。
0 =16.25m(4)、车间主要吊装构件的数量、重量、长度、安装标高见下表:KH300-2型起重机参数详见下表:KH300-2起重机起重特性根据上部计算结果和结合上表参数.选择KH300-2型起重机。
选25m臂,工作半径为12米,起重量为15。
厂房钢结构吊装专项方案
一、前言
钢结构吊装是厂房建设过程中的重要环节,对于安全、高效地搭建厂房结构具有重要意义。
二、概述
厂房钢结构吊装专项方案是针对厂房建设过程中的钢结构吊装环节制定的具体操作方案。
三、方案步骤
1. 前期准备
•确定吊装计划和流程
•调查施工现场情况,制定详细安全方案
•准备必要的吊装设备和工具
2. 钢结构吊装方案
•按照设计要求确定吊装方向和位置
•拟定吊装计划,包括吊装机械的选型、数量、位置等•制定详细的操作流程和安全措施
3. 吊装操作
•组织施工人员按照计划进行吊装操作
•在操作过程中进行实时监控和沟通,及时调整计划•完成吊装工作后,进行检查和验收
四、安全注意事项
•严格遵守吊装设备操作规范
•做好应急预案,确保吊装过程中及时处理突发情况
•做好作业人员培训和安全意识教育
五、总结
厂房钢结构吊装专项方案是确保厂房建设施工顺利进行的重要保障措施,只有严格按照方案要求执行,才能确保吊装作业的安全和高效完成。
以上是厂房钢结构吊装专项方案的具体内容,希望能为相关施工人员提供参考和指导。
单层工业厂房结构吊装方案一、设计条件1、工程概况本工程为某厂单层钢筋混凝土装配式车间,该车间共两跨,其平面位置、厂房轴线尺寸和剖面图如图1、2、3所示:图 32、施工技术条件(1)地质:由勘测报告知,土壤为一级大孔性黄土,天然地基承载力为15T/2m,地下水位在地表下6-7米。
(2)吊装前基础已施工完毕并回填平整至-0.2m(3)屋架为现场预制,屋面板在预制构件加工厂制作,用汽车运入现场并排放。
二、起重机械的选择根据厂房基本概况及现有起重设备条件,初步选用W1-100型履带式起重机进行结构吊装。
主要构件吊装的参数计算如下:1、起重量QA-E跨屋架要求起重量127.150.20.57.85Q Q Q t ≥+=++=E-H跨屋架要求起重量124.460.2 4.66Q Q Q t ≥+=+=屋面板要求起重量121.020.2 1.22Q Q Q t ≥+=+=柱Z A要求起重量126.40.2 6.6Q Q Q t ≥+=+=柱Z E、Z H要求起重量126.90.27.1Q Q Q t ≥+=+=抗风柱Z1-2要求起重量125.810.2 6.01Q Q Q t ≥+=+=2、起重高度HA-E 跨屋架长24m,故绑扎时应采用横吊梁四点绑扎。
123410.70.25 2.74 6.3920.08H h h h h m =+++=+++=E-H 跨屋架长18m,故绑扎时应采用四点绑扎。
123410.70.25 1.515 5.2317.7H h h h h m =+++=+++=屋面板绑扎时应采用四点绑扎。
123410.7 3.20.250.25 2.517.4H h h h h m =+++=++++=柱Z A 、Z E 的起重高度 12348.40.250412.02H h h h h m ≥+++=+++= 柱Z H 的起重高度 12348.40.250412.65H h h h h m ≥+++=+++= 抗风柱Z 1-2的起重高度 123411.580.20 2.013.78H h h h h m ≥+++=+++=3、起重半径R根据起重量Q 和起重高度H 查W 1-100起重机工作性能曲线得柱Z A 所需的臂长为L=23m 起重半径为R=7.0m柱Z E 、Z H 所需的臂长为L=18m 起重半径为R=7.0m柱Z 1-2所需的臂长为L=18m 起重半径为R=7.0mA-E 跨屋架所需的臂长为L=23m 起重半径为R=7.0mE-H 跨屋架所需的臂长为L=23m 起重半径为R=7.0m吊装屋面板起重机的最小臂长054.5∂=== 0012.23 1.523.0sin cos sin 54.5cos54.5h a g L m ++=+=+=∂∂ 可与吊装屋架使用同一臂长L=23m起重半径 R=A+0cos 1.323cos54.515.8L m ∂=+⨯=查W1-100型23m 起重臂的性能曲线知,R=15.8m 时,Q=1.8t >1.22t ,H=18m >16.95m ,所以选择W1-100型23m 起重臂符合吊装屋面板的要求。
电大建筑施工与管理专业施工技术方案设计某单层工业厂房结构吊装施工方案姓名:学号:日期:分数:批阅教师:目录★编制依据和原则☆编制依据☆编制原则第一章工程概况 (3)1、工程简介 (3)2、施工准备 (4)3、金工车间主要预制构件一览表 (5)第二章钢构件吊装工艺及机械的选择 (5)1、柱 (5)A、柱的吊装工艺 (5)B、柱的吊装参数 (6)2、梁 (8)A、梁的吊装工艺 (8)B、梁的吊装参数 (8)3、屋架 (9)A、屋架吊装工艺 (9)B、屋架吊装参数 (10)4、屋面板 (11)A、屋面板的吊装工艺 (11)B、屋面板的吊装参数 (11)5、吊装构件起重机的工作参数 (11)第三章结构吊装方法的选择 (11)第四章起重机开行路线及构件的平面布置 (12)1、吊装柱时起重机的开行路线及柱的平面布置 (12)2、吊装屋架时起重机的开行路线及构件的平面布置 (12)第五章质量保证措施 (13)第六章安全保证措施 (17)1、吊装工程的安全技术要点 (17)2、安全技术的一般规定 (17)4、防止起重机倾翻 (18)5、防吊装结构失稳 (19)6、防止触电 (20)第七章文明施工措施 (20)★编制依据☆编制依据1.本工程招标文件、图纸、招标补遗书、招标答疑书。
2.现场考察所得资料3.国家、部颁和北京市等相关行业颁发的设计规范、施工规范、验收标准及安全准则。
4.我单位可投入本工程的资源和在类似工程施工中积累的施工、管理经验。
☆编制原则1.根据工程实况,突出难点,重点。
2.科学合理,统筹安排,坚持以人为本的原则,合理配置生产要素,坚持以机械化施工为主,人工辅助的总体指导思想,投入足够的人员、精良的机械设备进场,提高机械化程度,降低施工人员的劳动强度。
3.施工最大限度地减少对环境的影响。
遵照国家、北京市有关环境保护的规定,制定完善的环境保护等措施。
4.建立强有力的后勤保障系统,确保工程施工对人员、设备、物资等需要。
一、工程概况某厂房工程,设计为单跨单层框架钢结构,厂房长41m,柱距6m,共有9个节间,钢屋架。
厂房的平、剖图如图所示。
本项目厂房做法:屋面采用0.5mm厚W750型彩色压型钢板及收边包角,单脊双坡排水。
墙体采用灰砂砖砌筑围护、钢筋混凝土梁、柱。
主要吊装工程量为16.6m钢屋架,钢屋架重61。
4KN,共8个,标高5。
5m。
二、结构安装前的准备工作(1)在厂房施工现场,构件吊装前要运到吊装地点就位,支垫位置要正确,装卸时吊点位置要符合设计要求。
(2)堆放构件的场地应平整坚实。
(3)构件就位时,应根据设计的受力情况搁置在垫木或支架上,并应保持稳定.三、结构吊装方法钢屋架在工厂制作好后,由汽车运到现场吊装.屋盖系统包括屋架、檩条和屋面板。
各构件吊装过程为:绑扎-→吊升-→对位—→临时固定—→校正—→最后固定四、起重机的选择和工作参数的计算结构吊装采用汽车式起重机QY16型,吊装主要构件的工作参数为:屋架采用两点绑扎吊装。
要求起重量 Q=Q1+Q2=(61。
4+3.0)KN=64。
4 KN要求起重高度见图 H=h1+h2+h3+h4=(5.5+0。
3+2。
7+3。
0)m=11.5m因起重机能不受限制地开到吊装位置附近,所以不需验算起重半径R。
钢屋架就位后需要进行多次试吊并及时重新绑扎吊索,试吊时吊车起吊一定要缓慢上升,做到各吊点位置受力均匀并以钢屋架不变形为最佳状态,达到要求后即进行吊升旋转到设计位置,再由人工在地面拉动预先扣在大梁上的控制绳,转动到位后,即可用板钳来定柱梁孔位,同时用高强螺栓固定。
并且第一榀钢屋架应增加四根临时固定揽风绳,第二榀后的大梁则用屋面檀条及连系梁加以临时固定,在固定的同时,用吊锤检查其垂直度,使其符合要求。
钢屋架的检验主要是垂直度,垂直度可用挂线球检验,检验符合要求后的屋架再用高强度螺栓作最后固定。
在吊装钢屋架前还须对柱进行复核,采用葫芦拉钢丝绳缆索进行检查,待大梁安装完后方可松开缆索。
单层工业厂房结构安装施工方案(精)一、方案概述本文旨在介绍一种精细化的单层工业厂房结构安装施工方案,旨在保证工程的顺利进行和质量提升。
二、前期准备工作在进行工业厂房结构安装施工之前,需要进行以下前期准备工作:1.地基处理:根据设计要求对地基进行处理,确保地基承载能力符合要求;2.物料准备:准备好所需的建筑材料和设备,确保施工过程中的顺畅进行;3.人员配备:确定施工队伍人员构成,包括工程师、技术人员和作业人员等。
三、工艺流程1. 安装准备1.确定安装区域,并清理施工现场;2.搭建安全防护设施,确保施工安全;3.确认结构图纸和安装要求。
2. 钢结构安装1.按照设计要求安装主梁、次梁和柱子;2.采用合适的连接方式连接各部件,确保稳固可靠;3.对连接处进行质量检查,确保安装质量。
3. 钢板安装1.安装地面钢板,并确保水平;2.按照设计要求安装墙面和屋顶钢板;3.进行验收,确保钢板安装完整牢固。
4. 喷涂防腐1.对安装完成的钢结构进行防腐处理,延长使用寿命;2.选择适当的防腐涂料进行喷涂作业;3.确保整个结构都覆盖到,达到防腐效果。
四、质量控制1.施工人员应按照安装要求进行作业,确保安装质量;2.进行过程监控,发现问题及时调整;3.完成施工后进行整体验收,验收合格后方可交付使用。
五、安全措施1.严格遵守安全操作规程,确保施工安全;2.各类设备应按照要求进行检查和维护;3.安装时应配备好安全防护用具,防止意外伤害发生。
六、总结本文对单层工业厂房结构安装施工方案进行了系统性的阐述,通过前期准备工作、工艺流程、质量控制和安全措施,确保施工质量和安全。
希望能对相关工程建设提供一定的参考和帮助。
单层工业厂房吊装施工方案介绍本文档介绍了单层工业厂房吊装施工方案,主要包括吊装准备工作、吊装方案设计、吊装过程和注意事项。
吊装准备工作在进行单层工业厂房的吊装施工前,需要进行吊装准备工作。
以下是吊装准备工作的主要内容:1.厂房检查:检查厂房结构是否符合吊装要求,包括承重能力、支撑结构等。
2.吊装设备准备:选择适当的吊装设备,如起重机、吊车等,并检查其功能和工作状态。
3.人员准备:组织吊装人员,并确保他们具备吊装操作的相关经验和技能。
4.安全准备:制定安全措施,如设置安全警示标识、防护网等,确保吊装过程中的安全。
吊装方案设计在进行单层工业厂房的吊装施工时,需要设计合适的吊装方案。
以下是吊装方案设计的要点:1.厂房结构分析:对厂房结构进行分析,确定吊装点的合理位置,并考虑吊装过程中的重心平衡和稳定性。
2.吊装工艺流程:制定吊装工艺流程,包括吊装顺序、方法和步骤等,确保吊装过程安全可靠。
3.吊装工具选择:选择合适的吊装工具,如吊钳、吊具等,确保吊装过程中的稳定性和准确性。
4.吊装方案优化:根据实际情况进行吊装方案的优化设计,提高吊装效率和安全性。
吊装过程在实际进行单层工业厂房吊装施工时,需要按照吊装方案进行吊装过程中的操作。
以下是吊装过程中的主要步骤:1.吊装准备:检查吊装设备和吊装工具的使用情况,并做好安全防护。
2.吊装就位:将吊装设备和吊装工具放置到吊装点位,并进行固定和调整,确保吊装平稳和准确。
3.吊装动作:根据吊装方案进行吊装动作,包括起吊、横移、放置等。
在吊装过程中,需要注意保持平衡和稳定。
4.吊装调整:根据实际情况进行吊装调整,确保吊装过程中的安全和准确。
注意事项在进行单层工业厂房吊装施工时,需要注意以下事项:1.安全第一:安全是吊装工作的首要考虑因素,必须对吊装设备、吊装工具和吊装点位进行细致的检查和评估,确保吊装过程中的安全。
2.吊装固定:吊装设备和吊装工具在吊装过程中必须进行固定和调整,确保吊装平稳和准确。
单层工业厂房吊装施工方案
单层工业厂房的吊装施工方案主要包括以下几个方面:工程准备、设备选择、安全措施和施工流程。
首先,进行工程准备。
施工前需要进行现场勘查,评估厂房的结构承载能力和施工条件。
制定详细的施工方案,包括吊装设备的选型和数量、吊装起重高度和角度等。
其次,选择合适的吊装设备。
根据工程需求,选择适宜的起重设备,常用的有起重机、吊车、塔吊等。
根据厂房的结构和吊装物体的重量、形状等因素,选择合适的吊装设备和配套工具。
然后,采取必要的安全措施。
吊装施工是高危行业,必须严格遵守安全操作规程,确保人员安全。
在施工现场设置警示标志,限制人员进入危险区域。
对施工人员进行专业培训,确保其掌握吊装操作技术和相关安全知识。
对吊装设备进行定期检查和维护,确保设备的正常运行。
最后,制定施工流程。
根据吊装物体的尺寸和重量,确定吊装方案和吊装顺序。
在吊装前,对吊装物体进行合理的固定和包装,防止运输过程中的损坏。
在吊装过程中,严格按照规定的吊装方案和指挥信号操作,确保吊装过程平稳、安全。
吊装完成后,及时清理施工现场,确保安全和环境的整洁。
综上所述,单层工业厂房的吊装施工方案主要包括工程准备、设备选择、安全措施和施工流程等方面。
通过合理的规划和安全措施,可以确保吊装施工过程的安全和顺利进行。
施工组织课程设计题目:单层厂房结构吊装施工方案学院:建筑工程学院班级::学号:目录第一章设计资料 (3)第二章吊装机械的选择 (7)一、柱子 (7)二、吊车梁 (8)三、屋架 (8)四、屋面板 (8)第三章结构预制方案 (9)第四章结构吊装方案 (10)第五章起重机开行路线 (12)第六章施工组织计划 (14)第七章质量保证措施 (15)第八章安全保证措施 (17)第九章文明施工措施 (20)第十章施工图 (21)第一章设计资料一、工程概况工程为某单层工业厂房,建筑面积为3024平方米,总长为6*12=72米,总宽24+18=42米,系装配式钢筋混凝土单层工业厂房,图1为单层工业厂房的基础平面图和剖面图,试进行吊装设计。
二、已知条件1、柱子、屋架再现场预制,其余构建在预制场预制;2、起重机可参考表1选用或选用其它型号的起重机;3、主要构件见表2及图2;4、施工现场场面标高为±0.00。
三、设计要求1、选择起重机类型和型号;2、确定起重机开行路线;3、绘制预制阶段的构件平面布置图)2#图;4、绘制吊装阶段的构件平面布置图2#图。
四、参考资料1、教材-建筑施工教程――中国建材出版社2、建筑施工、机械定额――中国建工出版社3、建筑施工规范――中国建工出版社4、建筑施工手册――中国建工出版社图2 主要构件柱抗风柱柱柱抗风柱柱表2 主要构件工程量一览表第二章吊装机械的选择起重机的选择主要是根据厂房跨度、构件重量、吊装高度、现场条件及现有设备等确定,本工程结构采用履带式起重机。
吊装主要构件工作参数为:一、柱子选择抗风柱进行计算,起重机工作参数确定如下:抗风柱:Q=86.8KN,标高16.85M起重高度H1=h1+h2+h3+h4=16.85+0.5+1.5=18.85M起重量Q=QA+QA1=86.8+2=88.8KN现初选定W1-200型履带式起重机,启动臂长30M,查起重机性能表,当起重量88.8KN时相应的起重半径R=15.3M,起重高度H=24.5M>18.85M,满足吊装柱子的条件,由此选用W1-200型履带式起重机,起重半径不大于15.3M处吊装柱子。
二、屋架选AB跨屋架Q=82.7KN,屋架标高12.4M。
起重量:Q2=QA+QA1=82.7+3=85.7KN屋架高度:H2=h1+h2+h3+h4=(12.4+0.3)+0.5+3.68+3=19.88m初选定W1-200型履带式起重机,查起重机性能表:当起重良Q=85.7KN时,起重高度H=22.2M>19.88M,满足屋架的吊装条件,其相应起重半径R=14.5M ,由此选用W1-200型履带式起重机,在起重半径不大于14.5M 处吊装屋架 三、屋面板初选1200W -型履带式起重机,杆长36m,验算吊装屋面板时是否满足。
屋面板起重高度如图起重量:'313215A A Q Q Q KN=+=+=起重高度:()31234512.40.30.5 3.680.24219.12H h h h h h m =++++=+++++= 求最小起杆对应的起重仰角:()3312.4 3.68 1.7arctan arctan 55.953 1.5ha g α+-===︒++取56α=︒求最小起重臂长:min 14.383 1.514.38 4.525.34sin cos sin 56cos560.380.56h a g L m αα++=+=+=+=︒︒现选用1200W -型履带式起重机臂长3025.34m m >,满足条件,当起重仰角56α=︒时,可得起重机半径:cos 1.630cos5618.4R F L m α=+=+︒= 根据L =30m ,R =18.4m ,查起重机性能表可得35615KN KN θθ=>=321.819.12H m m=>,选用1200W -型履带式起重机满足吊装要求,此时起重臂长30 m ,起重仰角56︒,起重半径R =18.4m ,能吊装屋面板。
注:H -起重机起重高度,1h -安装支座的顶面高度, 2h -安装间隙不小于0.3m , 3h -绑扎点至起吊后构件底面距离, 4h -索尺高度(绑扎点至吊钩中心),h -起重臂T 铰屋面板吊装支座高度,a -起重钩需跨过已安装好结构距离,g -起重臂轴线与已安装好结构间水平距离至少取一米。
第三章 结构预制方案现场预制构件有预应力钢筋混凝土屋架,预制混凝土柱,支撑和大型屋面板等为工厂预制,在吊装前运到场地。
构件预制应满足的安装的基本要求,符合施工工艺和技术要求。
柱和屋架制作时土底摸的做法:先将原土夯实,为减少土层对构件的附着力,在夯实土层上铺砂垫层,夯实找平后用混合沙浆抹平,隔离层刷废机油两道,并加酒精石粉一层,土低摸完成后,应及时浇注柱与屋架的混凝土,振捣时严防振捣棒头插入底摸。
柱沿各纵轴按纵向布置滑行法起吊,沿轴线布置,牛腿朝向上。
屋架榀叠浇,叠浇时应考虑扶直就位的顺序,即先扶直的放在上面,后扶直的放在下层,考虑就位范围和支模,浇注混凝土,抽管,穿筋,和张拉等工序的工作面柱的制作顺序:底摸-绑扎钢筋——支倒模——浇注混凝土——拆模养护屋架的制作顺序:底摸-绑扎钢筋——支倒模——浇注混凝土——拆模养护——孔道灌浆等工序。
柱预制场地划分与基础工程划分相同,分为三个阶段,即第一阶段为A轴的13根柱和18M的全部抗风柱,第二施工段为B,C轴13根柱和13轴24M跨的3个抗风柱,第三施工段取D轴13根柱和1轴24M跨的3个抗风柱。
屋架叠浇,每层为一个施工段,即分成三段,每段混凝土浇注完,经拆摸养护其强度达到设计强度的30%后方可进行第二段扎钢筋,支倒模,浇注混凝土;屋架达到设计强度的75%后方可张拉预应力钢筋,当孔道灌浆强度达到1.5N/MM2后方进行扶直就位。
屋架和柱的制作同时进行,流水施工顺序为:屋架一段W1——柱—段Z2——屋架二段W2——柱二段Z2——屋架三段W3——柱三段Z3第四章结构吊装方案一. 结构吊装工程准备1、材料准备(1)钢筋混泥土柱,梁,屋架等预制构件应有良好的质量保证(2)水泥宜用高于325级普通硅胶酸盐水泥(3)中砂(4)石子:粒径10—20mm(5)垫块:铁楔(6)电焊条:必须按设计规定选用,其性能应符合焊接材质性能标准(7)吊装工具:钢丝绳,撬杠,吊钩,卡环,横吊梁,滑车,吊索,楔块,铁垫,千斤顶,木楔等。
2、技术准备(1)组织图纸学习和图纸会审进行技术交底,编制施工图预算(2)编制各分项工程工艺卡及主要分部分项工程施工措施:起重机进场前,按照施工平面布置图平整场地松软的场地要用枕木或厚钢板垫铺;钢筋混泥土杯形基础杯口顶面弹出十字中线,根据中线检查杯口尺寸,测出杯底的实际高度,量出杯底标高的调整值,并在标口做出标志,用水泥砂浆或细石将杯底垫平至标志处;在柱,屋架,吊车架,构件弹出安装中心线作为构件安装对位,校核依据。
(3)提出半成品加工计划及技术资料.(4)作出可靠性检查,验收无误后方可进行吊装.3.现场准备(1)拆迁工程障碍物,平整场地,定位放线,修筑临时道路. (2)临时供电线路,电源从正式6KV高压线接触,在北部建设一台125KV变压器,沿厂房设主干线,其他用点拉临时线.(3)铺设临时用水需线,保证施工用水。
单层工业厂房安装的顺序为:柱子——吊车梁——屋盖系统结构吊装方案包括:确定结构吊装方法:选择合适的起重机;预制阶段构件平面布置和起重机的开行路线;屋架就位阶段构件平面布置;编制吊装工程施工进度计划等结构吊装的主要构件有柱子,屋架,吊车梁,连系梁,基础梁和天沟板,屋面板,其中柱子最重86.8KN,屋面板安装高度16.335M。
吊装构件选用履带式起重机,拟定分三次开行作业,第一次开行吊装柱子,第二次开行吊装吊车梁,第三次开行吊装屋面系统.第五章起重机的开行路线一、柱子的布置及开行路线根据柱预制阶段布置方案,宜采用滑行法起吊,沿轴线布置,牛腿朝向旋转法起吊。
方案一:因AB 跨度较大,且2L R ≥=24122m =,起重机可跨中开行,每个停机点可起吊两根柱子。
(a 图)方案二:A 轴每一停机点吊装一根柱子,起重机开行路线距基础中心线8m ,边柱在跨外开行,D 轴边柱吊装在跨外开行。
(c 图)现因预制件布置,及场地的限制采用方案一。
跨内开行,起重机自AB 轴跨内进场,每停一点吊装两根柱子,直至吊装A 轴13根柱,B 轴13根柱,然后沿距CD 轴跨内开行自13-1吊装 D 轴柱,同时完成柱的临时固定,校正,最后固定,就完成了第一次开行。
二、吊装吊车梁的开行路线吊车梁可沿柱边纵向预制,尽量靠近吊装位置。
屋架在跨内3榀叠浇预制,两端预留抽管穿筋场地,屋架的间隙取1m,以后支模绑扎钢筋浇注混凝土。
吊车梁吊装时起重机沿跨中开行,每一停机点可吊二根吊车梁,在吊装吊车梁时可同时进屋架扶直就位,屋架就位位置采用沿柱边斜向线组纵向排放就位。
起重机沿A 轴,B 轴跨内进场,然后沿B 轴C 轴跨内开行吊装吊车梁安装和屋架扶直完成第二次开行吊装。
为了缩短工期,保证吊装机械工作的连续性,另选一台28Q -型汽车式起重机,臂长6.95m,作为吊车梁,屋面板等场外预制构件进场就位的辅助机械。
三、吊装屋架和屋面板的开行路线当屋架和屋面板就位后,用起重机在A轴,B轴跨中开行,有1—2轴节间吊装屋架,屋面板,支撑,天沟板等,然后转入C轴D轴仍跨中开行,有13—12轴开始吊装,直至12—1轴完成第二次开行,最后吊装厂房两侧抗风柱,起重机退场。
在吊装工作中需要注意,柱吊装之前应对基础杯底标高进行全面检查,柱校正后应立即进行最后固定,浇注混凝土强度达到设计强度0750方可吊装上部构件,否则不能进行下一阶段的施工。
屋架扶直后靠柱边斜向就位。
第六章施工组织计划安排吊装施工进度表,把各施工阶段间相互在施工顺序上有联系的工序搭接起来。
柱子的吊装,校正,屋架扶直就位等工序在时间,空间上有较好搭接,以便充分利用工作面,缩短工期;施工队组能实现专业化生产,操作水平不断提高;工程质量和安装生产得到保障,劳动生产率得到提高,并做到连续,均衡,有节奏地进行施工,同时为后续围护,装修工程,机械化生产创造条件。
吊装施工进度计划表:W 型履带式起重机,吊装说明:在上述吊装施工中所用的机械为1200柱子工程量49根,吊车梁26根,其它构件详见工程量表格。
劳动组织:司机两名,吊装施工13名,焊工7人。
施工中构件预制,布置等施工没有计入吊装施工组织中。
第七章质量保证措施施工中除遵守建设工程质量验收规范及建设工程安装操作规程所规定的条例外,本工程尚应注意以下几点:一、施工方面1、柱基杯底标高及厂房各轴线位置,在结构吊装前均应进行全面复查。