江苏省建筑工程施工质量验收资料
- 格式:doc
- 大小:1.35 MB
- 文档页数:94
(全套模板)江苏省建筑工程施工质量验收资料(给排水及采暖)目录建筑给水排水及采暖工程施工现场质量管理记录 SN1.1提示该表如栏目内不够填写时,可另行加页。
建筑给水排水及采暖分部工程质量验收记录 SN1.2建筑给水排水及采暖分部工程质量验收记录 SN1.3(统表1)建筑给水排水及采暖分项工程质量验收记录 SN1.4(统表2)建筑给水排水及采暖工程质量控制资料核查记录 SN1.5建筑给水排水及采暖工程安全和功能检验资料核查及主要功能抽查记录 SN1.6建筑给水排水及采暖工程观感质量检查记录 SN1.7设备进场验收记录 SN2.1建筑给水排水及采暖工程材料、设备、器具合格证、质保书、进场检(试)验报告汇总表SN2.2技术负责人:质量检查员:年月日提示建筑给水排水及采暖工程、材料、配件设备出厂合格证、质保书按下列范围整理:1.镀锌管、排水塑料管、给水塑料管、复合管应有质保书或合格证;镀锌管质保书上应明确本单位工程中使用材料的型号、规格、数量、机械性能和化学成分,如物资公司使用抄件,应有原件编号,原件存放处,供货单位应盖章,抄件人应签名。
建筑工程用给水排水塑料管应有试验报告,省建委推广证,给水塑料管,以及卫生部门认可的卫生许可证。
2.阀门、水嘴、散热器、消防接合器、室外消火栓、室内消火栓箱、卫生器具、压力表、水位计、温度计、安全阀等配件以及保温材料等应有产品质量合格证。
3.设备应包括锅炉、锅炉附属设备、水泵、风机、热交换器、除尘器、分汽缸、水处理设备等应有产品质量合格证及有关随机重要说明。
4.有防火要求的产品(如消火箱等)及配件应有消防部门认可的生产许可证。
5.以上所述材料合格证,质保书及有关试验报告存档填写不够时,可另页附后。
6.表中数量为合格证或质保书数量,不应填写材料或设备,附件数量。
管道工程隐蔽验收记录 SN2.3提示一、隐蔽内容中应包括隐蔽的数量、管道系统的规格及型号、固定方法、及接口型式等。
建筑工程施工质量验收资料(ZJ:桩基部分)档号档案代号案卷题名编制单位编制日期密级保管期限共卷第卷建筑工程施工质量验收资料使用说明为认真贯彻执行国家《建筑工程施工质量验收统一标准》(GB50300-2001)及其相应的规范,促进施工企业做好资料的收集和整理工作,使工程技术资料管理工作做到规范化、标准化、系统化。
我站依据《建筑工程施工质量验收统一标准》(GB50300-2001)及其相应的规范编制了《建筑工程施工质量验收资料》。
全套共8个分册.本册是桩基部分,另7分册分别是土建部分、玻璃幕墙部分、钢结构部分、给排水及采暖卫生部分、建筑电气部分、通风空调及电梯部分。
现将使用中应注意的事项说明如下:一、建筑工程质量验收资料的收集㈠分项工程检验批1、各分项工程检验批在班组自检合格的基础上,由企业专职质检员根据国家规范中相应条款在下道工序施工前进行验收,填写验收记录并经监理工程师(建设单位项目专业技术人员)确认。
2、分项工程检验批质量验收记录,应按下列要求填写。
①分项工程检验批质量验收记录表中“主控项目”的质量情况,应简明扼要地说明该项目实际达到的质量状况,填写质保书编号和试验报告编号,避免填写“符合规范要求”、“符合质量要求”等空洞无物的笼统结论。
②“一般项目”的质量情况,如有具体数据的就写数据。
无数据的,填写实际情况。
当分项工程检验批检查时发现不合格者必须进行处理。
否则,不得进行下一道工诹的施工。
③施工单位检验评定结果栏目由项目质量检查员填写。
监理(建设)单位验收结论栏由监理工程师在核查资料、现场实测旁站后填写。
末实行监理的工程由建设单位项目专业技术负责人在核查资料、现场实测旁站后填写。
④如果分项工程检验批的主控项目的检测数据如混凝土强度不能及时按验收批提供时,可先根据该检验批的检验结果以及施工现场的质量情况,先进行验收,但其强度应大于验收批规定的最低强度的要求。
⑤分项工程及检验批项数,本资料中表格不够可复印,无此项及多余的部分应抽掉。
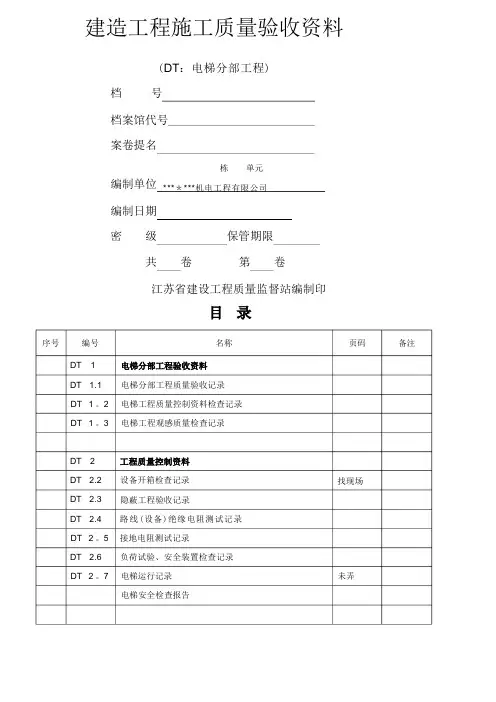
建造工程施工质量验收资料(DT:电梯分部工程)档号档案馆代号案卷提名栋单元编制单位编制日期密级保管期限共卷第卷江苏省建设工程质量监督站编制印名称电梯分部工程质量验收记录电梯工程质量控制资料检查记录电梯工程观感质量检查记录设备开箱检查记录隐蔽工程验收记录路线(设备)绝缘电阻测试记录接地电阻测试记录负荷试验、安全装置检查记录电梯运行记录电梯安全检查报告备注找现场未弄序号编号DT 1DT 1.1DT 1 。
2DT 1 。
3DT 2DT 2.2DT 2.3DT 2.4DT 2 。
5DT 2.6DT 2 。
7页码*******机电工程有限公司电力驱动曳引式或者强制式电梯子分部工程质量验收记 录设备进场验收记录土建交接检验质量验收记录驱动主机、液压电梯液压系统分项工程质量验收记录导轨分项工程质量验收记录3 。
1。
门系统分项工程质量验收记录轿厢(平衡重)、安全部件分项工程质量验收记录悬挂装置、随行电缆、补偿装置分项工程质量验收记录电气装置分项工程质量验收资料电力驱动电梯整机安装验收工程名称安装地点监理工程师/项目负责人检验结果子 分 部 工 程 名 称合格 不合格安装单位DTDTDT DTDT DT 4DT 5DTDTDTDT 33.13.1.13。
1.2 3.1。
3 3。
1。
3。
1.6 3.1。
7 3.1.8 3。
1.9 监理(建设)单位合同号 梯号工程 施工单位名称序号土建布置图纸会审、交接、设计变更、洽商记录合格设备出厂合格证书及开箱检查记录合格隐蔽工程验收记录合格负荷试验、安全装置检查记录合格接地、绝缘电阻测试记录合格分项、分部工程施工验收记录验 收 结 论:监理(建设)单位专业监理工程师:(项目负责人)年 月 日******机电工程有限公司 核查意见资料名称 核查人份数合格 1717 456 2311111施工单位抽查情况√√√√√√√√√√√√√√√√√√ √√√√√√√√√ √√√√√√√√√ √√√√√√√√√√√√√√√√√******机电工程有限公司√√√√ √ √√√好√好√√ √√√√√√√√项目运行、平层、开关门门扇、门地坎机房导轨支架底坑轿顶、轿内扶梯、 自动人行道梯级、 踏板、围裙板胶带、扶手层门、信号系统观感质量综合评价工程名称序号12345678910质量评价差 监理意见一 般验收结论: 总监理工程师: (建设单位项目负责人)年 月 日检查结论: 施工单位项目经理:年 月 日总监理工程师:(建设单位负责人)年 月 日工程名称 分项工程名称附 件规 格 编 号数量225*110*162 01104*69*200 02190*74*205 08240*89*105 09380*64*75 10231*80*95 13193*94*75 14510*43*47 1588*50*55 16360*75*40 18205*80*80 1968*60*66 20170*156*39 21220*89*75 35完好无损完好无损完好无损完好无损完好无损完好无损完好无损完好无损完好无损完好无损完好无损完好无损完好无损完好无损主机控制柜轿底轿壁轿架厅门踏板导轨钢丝绳对重架电器件对重块吊顶井道件名称箱箱箱箱箱箱箱箱箱箱箱箱箱箱施工单位 ******机电工程有限公司 施工单位项目经理:2022 年 08 月 06 日年 月 日设 备 名 称 外表面状况开箱日期开箱记录建设单位序号131014 12114596722 3811 1 1 1 1 1 1 1 1 1 1 1 1工程名称隐蔽内容及部位:隐蔽电梯主机座的搁机大梁。
江苏省工程质量验收资料有哪些?土建工程主要质量保证资料:钢材出厂合格证、实验报告、焊接实验报告、焊条合格证、水泥出厂合格证或报告、砖出厂合格证和实验报告、防水材料合格证和实验报告、构件合格证、混凝土试块实验报告、砂浆试块实验报告、土壤实验、打桩记录、地基验槽记录、结构吊装、结构验收记录、工程隐蔽验收记录、中间交接验收记录等。
随着我国法规的不断健全,我国的工程质量从建设到竣工后验收,都是比较严格的。
现在的正规的工程建筑的质量,是完全可以让广大市民放心使用的。
各级政府在检验工程质量的时候,对于具体的规定,可能会根据当地的实际情况来制定。
小编现在为大家介绍的是江苏省工程质量验收资料有哪些的相关资料。
一、江苏省工程质量验收资料有哪些?(1)土建工程主要质量保证资料:钢材出厂合格证、实验报告、焊接实验报告、焊条合格证、水泥出厂合格证或报告、砖出厂合格证和实验报告、防水材料合格证和实验报告、构件合格证、混凝土试块实验报告、砂浆试块实验报告、土壤实验、打(试)桩记录、地基验槽记录、结构吊装、结构验收记录、工程隐蔽验收记录、中间交接验收记录等。
(2)机械及电气设备安装主要质量保证资料:主要设备、材料合格证;设备安装记录、电气设备绝缘、接地电阻测试记录、设备实验、试压、调整记录、设备试运转记录、隐蔽工程验收记录等。
(3)建筑采暖卫生与煤气工程主要质量保证资料:材料、设备出厂合格证、管道、设备强度、焊口检查和严密性实验记录、系统清洗记录、排水管灌水、通水、通球实验记录、卫生洁具盛水记录、锅炉烘炉、煮炉、设备试运转记录等。
(4)其它专业工程质量保证资料见相关档案归档规定要求。
二、资料员工作流程第一部分开工前资料-1、中标通知书及施工许可证-2、施工合同-3、委托监理工程的监理合同-4、施工图审查批准书及施工图审查报告-5、质量监督登记书-6、质量监督交底要点及质量监督工作方案-7、岩土工程勘察报告-8、施工图会审记录-9、经监理(或业主)批准所施工组织设计或施工方案-10、开工报告-11、质量管理体系登记表-12、施工现场质量管理检查记录-13、技术交底记录-14、测量定位记录-第二部分质量验收资料-1、地基验槽记录-2、基桩工程质量验收报告-3、地基处理工程质量验收报告-4、地基与基础分部工程质量验收报告-5、主体结构分部工程质量验收报告-6、特殊分部工程质量验收报告-7、线路敷设验收报告-8、地基与基础分部及所含子分部、分项、检验批质量验收记录-9、主体结构分部及所含子分部、分项、检验批质量验收记录-10、装饰装修分部及所含子分部、分项、检验批质量验收记录-11、屋面分部及所含子分部、分项、检验批质量验收记录-12、给水、排水及采暖分部及所含子分部、分项、检验批质量验收记录-13、电气分部及所含子分部、分项、检验批质量验收记录-14、智能分部及所含子分部、分项、检验批质量验收记录-15、通风与空调分部及所含子分部、分项、检验批质量验收记录-16、电梯分部及所含子分部、分项、检验批质量验收记录-17、单位工程及所含子单位工程质量竣工验收记录-18、室外工程的分部(子分部)、分项、检验批质量验收记录-第三部分试验资料-1、水泥物理性能检验报告-2、砂、石检验报告-3、各强度等级砼配合比试验报告-4、砼试件强度统计表、评定表及试验报告-5、各强度等级砂浆配合比试验报告-6、砂浆试件强度统计表及试验报告-7、砖、石、砌块强度试验报告-8、钢材力学、弯曲性能检验报告及钢筋焊接接头拉伸、弯曲检验报告或钢筋机械连接接头检验报告-9、预应力筋、钢丝、钢绞线力学性能进场复验报告-10、桩基工程试验报告-11、钢结构工程试验报告-12、幕墙工程试验报告-13、防水材料试验报告-14、金属及塑料的外门、外窗检测报告(包括材料及三性)-15、外墙饰面砖的拉拔强度试验报告-16、建(构)筑物防雷装置验收检测报告-17、有特殊要求或设计要求的回填土密实度试验报告-18、质量验收规范规定的其他试验报告-19、地下室防水效果检查记录-20、有防水要求的地面蓄水试验记录-21、屋面淋水试验记录-22、抽气(风)道检查记录-23、节能、保温测试记录-24、管道、设备强度及严密性试验记录-25、系统清洗、灌水、通水、通球试验记录-26、照明全负荷试验记录-27、大型灯具牢固性试验记录-28、电气设备调试记录-29、电气工程接地、绝缘电阻测试记录-30、制冷、空调、管道的强度及严密性试验记录-31、制冷设备试运行调试记录-32、通风、空调系统试运行调试记录-33、风量、温度测试记录-34、电梯设备开箱检验记录-35、电梯负荷试验、安全装置检查记录-36、电梯接地、绝缘电阻测试记录-37、电梯试运行调试记录-38、智能建筑工程系统试运行记录-39、智能建筑工程系统功能测定及设备调试记录-40、单位(子单位)工程安全和功能检验所必须的其他测量、测试、检测、检验、试验、调试、试运行记录-第四部分材料、产品、构配件等合格证资料-1、水泥出厂合格证(含28天补强报告)-2、砖、砌块出厂合格证-3、钢筋、预应力、钢丝、钢绞线、套筒出厂合格证-4、钢桩、砼预制桩、预应力管桩出厂合格证-5、钢结构工程构件及配件、材料出厂合格证-6、幕墙工程配件、材料出厂合格证-7、防水材料出厂合格证-8、金属及塑料门窗出厂合格证-9、焊条及焊剂出厂合格证-10、预制构件、预拌砼合格证-11、给排水与采暖工程材料出厂合格证-12、建筑电气工程材料、设备出厂合格证-13、通风与空调工程材料、设备出厂合格证-14、电梯工程设备出厂合格证-15、智能建筑工程材料、设备出厂合格证-16、施工要求的其他合格证-第五部分施工过程资料-1、设计变更、洽商记录-2、工程测量、放线记录-3、预检、自检、互检、交接检记录-4、建(构)筑物沉降观测测量记录-5、新材料、新技术、新工艺施工记录-6、隐蔽工程验收记录-7、施工日志-8、砼开盘报告-9、砼施工记录-10、砼配合比计量抽查记录-11、工程质量事故报告单-12、工程质量事故及事故原因调查、处理记录-13、工程质量整改通知书-14、工程局部暂停施工通知书-15、工程质量整改情况报告及复工申请-16、工程复工通知书-第六部分必要时应增补的资料-1、勘察、设计、监理、施工(包括分包)单位的资质证明-2、建设、勘察、设计、监理、施工(包括分色)单位的变更、更换情况及原因-3、勘察、设计、监理单位执业人员的执业资格证明-4、施工(包括分包)单位现场管理售货员及各工种技术工人的上岗证明-5、经建设单位(业主)同意认可的监理规划或监理实施细则-6、见证单位派驻施工现场设计代表委托书或授权书-7、设计单位派驻施工现场设计代表委托书或授权书-8、其他-第七部分竣工资料-1、施工单位工程竣工报告-2、监理单位工程竣工质量评价报告-3、勘察单位勘察文件及实施情况检查报告-4、设计单位设计文件及实施情况检查报告-5、建设工程质量竣工验收意见书或单位(子单位)工程质量竣工验收记录-6、竣工验收存在问题整改通知书-7、竣工验收存在问题整改验收意见书-8、工程的具备竣工验收条件的通知及重新组织竣工验收通知书-9、单位(子单位)工程质量控制资料核查记录(质量保证资料审查记录)-10、单位(子单位)工程安全和功能检验资料核查及主要功能抽查记录-11、单位(子单位)工程观感质量检查记录(观感质量评定表)-12、定向销售商品房或职工集资住宅的用户签收意见表-13、工程质量保修合同(书)-14、建设工程竣工验收报告(由建设单位填写)-15、竣工图(包括智能建筑分部)-建筑工程质量监督存档资料-1、建设工程质量监督登记书-2、施工图纸审查批准及建筑工程施工图审查报告-3、单位工程质量监督工作方案-4、建设工程质量监督交底会议通知书及交底要点-5、建设工程质量监督记录-6、建设工程质量管理体系登记表-7、施工现场质量管理检查记录-8、地基、基桩工程质量监督验收检查通知书-9、地基验槽记录及基桩工程质量验收报告-10、地基、基桩工程质量核查记录-11、设计单位出具(或认可)的地基处理措施及地基处理工程质量验收报告-12、地基与基础分部工程质量监督验收检查通知书及验收报告-13、地基与基础分部工程质量核查记录-14、主体结构分部工程质量监督验收检查通知书及验收报告-15、主体结构分部工程质量核查记录-16、特殊部分工程质量监督验收检查通知书及验收报告-17、线路敷设工程质量监督验收检查通知书及验收报告-18、钢材力学、弯曲性能检查报告及钢结构焊接接头拉伸、弯曲检验报告-19、预应力筋、钢丝、钢绞线力学性能进场复验报告-20、水泥物理性能检验报告-21、砼试件强度统计表、评定表试验报告-22、装配或预制构件结构性能检验合格证及施工接头、拼缝的砼承受施工满载、全部满载时试件强度试验报告-23、防水砼、喷射砼抗压、抗渗试验报告及锚杆抗拨力试验报告-24、地基处理工程中各类地基和各类复合地基施工完成后的地基强度(承载力)检验结果-25、桩基工程基桩试验报告-26、砂浆强度统计表及试件试验报告-27、砖、石、砌块强度检验报告-28、建筑工程材料有害物质及室内环境的检测报告-29、防水材料(包括止水带条和接缝密封材料)、保温隔热及密封材料的复验报告-30、金属及塑料外门、外窗复验报告(包括材料、风压性、气透性、水渗性)-31、外墙饰面砖的拉拔强度试验报告-32、各类电梯、自动扶梯、自动人行道安装工程的整机安装验收报告-33、各类设备安装工程的隐蔽验收、系统联动、系统调试及系统安装验收记录-34、砼楼面板厚度钻孔抽查记录-35、工程质量事故报告单-36、工程质量整改通知书及工程局部暂停施工通知书-37、工程质量复工意见书及工程质量复工通知书-38、单位(子单位)工程质量控制资料核查记录(质量保证资料审查记录)-39、单位(子单位)工程安全和功能检验资料核查及主要功能抽查记录-40、单位(子单位)工程观感质量检查记录(观感质量评定表)-41、施工单位工程竣工报告-42、监理单位工程竣工质量评价报告-43、勘察单位勘察文件及实施情况检查报告-44、设计单位设计文件及实施情况检查报告-45、建设工程竣工验收报告-46、工程竣工验收监督检查通知书-47、质量保证资料核查记录-48、单位(子单位)工程质量竣工验收记录(工程质量竣工验收意见书)-49、重新组织竣工验收通知书-50、工程竣工复验意见书-51、竣工验收存在问题整改通知书及存在问题整改验收意见书-52、工程质量保修合同-53、单位(子单位)工程质量监督报告-注:幕墙、钢结构及网架的整套资料存质监站上述资料已经为大家做出了详细的介绍。
建筑工程施工质量验收资料
(GJ:钢结构工程部分)
档号
档案馆代号
案卷题名南京斯迈柯特种金属装备股份有限公司
厂房二
编制单位江苏火花钢结构集团有限公司
编制日期2022年4月25日
密级保管期限
共卷第卷
江苏省建设工程质量监督站编印
目录
钢结构工程概况GJ1.1
复核人:填表人:
注:内容填不下者可另加附件,临时变更记录附后。
施工组织设计、施工方案及审批 GJ1.3
注:附施工组织设计、施工方案。
施工安全技术交底记录GJ1.4
注:本记录一式两份,一份交接受交底人,一份存档。
高强度螺栓施工记录 GJ1.5
钢结构矫正施工记录 GJ1.5
钢零部件矫正成型施工记录 GJ1.5
钢零部件边缘加工施工记录 GJ1.5
焊接材料的烘培记录 GJ1.5.1
施工日志 GJ1.5.2
焊工合格证汇总表 GJ1.6
钢结构工程质量控制资料核查表 GJ1.7
有关安全及功能检验和见证检测项目检查记录 GJ1.8
扭矩扳手标定记录
垫板、垫块检查记录
钢结构工程观感质量检查记录 GJ1.9
质量合格证明文件、检测报告、复试报告汇总表 GJ统表1
钢构件合格证汇总表 GJ2.2.3。
(全套模板)江苏省建筑工程施工质量验收资料(给排水及采暖)(共76页)-本页仅作为预览文档封面,使用时请删除本页-目录建筑给水排水及采暖工程施工现场质量管理记录提示该表如栏目内不够填写时,可另行加页。
建筑给水排水及采暖分部工程质量验收记录建筑给水排水及采暖分部工程质量验收记录(统表1)建筑给水排水及采暖分项工程质量验收记录(统表2)建筑给水排水及采暖工程质量控制资料核查记录建筑给水排水及采暖工程安全和功能检验资料核查及主要功能抽查记录建筑给水排水及采暖工程观感质量检查记录设备进场验收记录建筑给水排水及采暖工程材料、设备、器具合格证、质保书、进场检(试)验报告汇总表日提示建筑给水排水及采暖工程、材料、配件设备出厂合格证、质保书按下列范围整理:1.镀锌管、排水塑料管、给水塑料管、复合管应有质保书或合格证;镀锌管质保书上应明确本单位工程中使用材料的型号、规格、数量、机械性能和化学成分,如物资公司使用抄件,应有原件编号,原件存放处,供货单位应盖章,抄件人应签名。
建筑工程用给水排水塑料管应有试验报告,省建委推广证,给水塑料管,以及卫生部门认可的卫生许可证。
2.阀门、水嘴、散热器、消防接合器、室外消火栓、室内消火栓箱、卫生器具、压力表、水位计、温度计、安全阀等配件以及保温材料等应有产品质量合格证。
3.设备应包括锅炉、锅炉附属设备、水泵、风机、热交换器、除尘器、分汽缸、水处理设备等应有产品质量合格证及有关随机重要说明。
4.有防火要求的产品(如消火箱等)及配件应有消防部门认可的生产许可证。
5.以上所述材料合格证,质保书及有关试验报告存档填写不够时,可另页附后。
6.表中数量为合格证或质保书数量,不应填写材料或设备,附件数量。
管道工程隐蔽验收记录提示一、隐蔽内容中应包括隐蔽的数量、管道系统的规格及型号、固定方法、及接口型式等。
二、检查结果栏中应包括隐蔽的管道系统防腐、管道支承、固定、各种试验,管道坡度,埋深等必须检查,并有相应的验收记录。
江苏省工程质量验收资料有哪些?随着我国法规的不断健全,我国的工程质量从建设到竣工后验收,都是比较严格的。
现在的正规的工程建筑的质量,是完全可以让广大市民放心使用的。
各级政府在检验工程质量的时候,对于具体的规定,可能会根据当地的实际情况来制定。
小编现在为大家介绍的是江苏省工程质量验收资料有哪些的相关资料。
随着我国法规的不断健全,我国的工程质量从建设到竣工后验收,都是比较严格的。
现在的正规的工程建筑的质量,是完全可以让广大市民放心使用的。
各级政府在检验工程质量的时候,对于具体的规定,可能会根据当地的实际情况来制定。
小编现在为大家介绍的是江苏省工程质量验收资料有哪些的相关资料。
▲一、江苏省工程质量验收资料有哪些?(1)土建工程主要质量保证资料:钢材出厂合格证、实验报告、焊接实验报告、焊条合格证、水泥出厂合格证或报告、砖出厂合格证和实验报告、防水材料合格证和实验报告、构件合格证、混凝土试块实验报告、砂浆试块实验报告、土壤实验、打(试)桩记录、地基验槽记录、结构吊装、结构验收记录、工程隐蔽验收记录、中间交接验收记录等。
(2)机械及电气设备安装主要质量保证资料:主要设备、材料合格证;设备安装记录、电气设备绝缘、接地电阻测试记录、设备实验、试压、调整记录、设备试运转记录、隐蔽工程验收记录等。
(3)建筑采暖卫生与煤气工程主要质量保证资料:材料、设备出厂合格证、管道、设备强度、焊口检查和严密性实验记录、系统清洗记录、排水管灌水、通水、通球实验记录、卫生洁具盛水记录、锅炉烘炉、煮炉、设备试运转记录等。
(4)其它专业工程质量保证资料见相关档案归档规定要求。
▲二、资料员工作流程第一部分开工前资料-1、中标通知书及施工许可证-2、施工合同-3、委托监理工程的监理合同-4、施工图审查批准书及施工图审查报告-5、质量监督登记书-6、质量监督交底要点及质量监督工作方案-7、岩土工程勘察报告-8、施工图会审记录-9、经监理(或业主)批准所施工组织设计或施工方案-10、开工报告-11、质量管理体系登记表-12、施工现场质量管理检查记录-13、技术交底记录-14、测量定位记录-第二部分质量验收资料-1、地基验槽记录-2、基桩工程质量验收报告-3、地基处理工程质量验收报告-4、地基与基础分部工程质量验收报告-5、主体结构分部工程质量验收报告-6、特殊分部工程质量验收报告-7、线路敷设验收报告-8、地基与基础分部及所含子分部、分项、检验批质量验收记录-9、主体结构分部及所含子分部、分项、检验批质量验收记录-10、装饰装修分部及所含子分部、分项、检验批质量验收记录-11、屋面分部及所含子分部、分项、检验批质量验收记录-12、给水、排水及采暖分部及所含子分部、分项、检验批质量验收记录-13、电气分部及所含子分部、分项、检验批质量验收记录-14、智能分部及所含子分部、分项、检验批质量验收记录-15、通风与空调分部及所含子分部、分项、检验批质量验收记录-16、电梯分部及所含子分部、分项、检验批质量验收记录-17、单位工程及所含子单位工程质量竣工验收记录-18、室外工程的分部(子分部)、分项、检验批质量验收记录-第三部分试验资料-1、水泥物理性能检验报告-2、砂、石检验报告-3、各强度等级砼配合比试验报告-4、砼试件强度统计表、评定表及试验报告-5、各强度等级砂浆配合比试验报告-6、砂浆试件强度统计表及试验报告-7、砖、石、砌块强度试验报告-8、钢材力学、弯曲性能检验报告及钢筋焊接接头拉伸、弯曲检验报告或钢筋机械连接接头检验报告-9、预应力筋、钢丝、钢绞线力学性能进场复验报告-10、桩基工程试验报告-11、钢结构工程试验报告-12、幕墙工程试验报告-13、防水材料试验报告-14、金属及塑料的外门、外窗检测报告(包括材料及三性)-15、外墙饰面砖的拉拔强度试验报告-16、建(构)筑物防雷装置验收检测报告-17、有特殊要求或设计要求的回填土密实度试验报告-18、质量验收规范规定的其他试验报告-19、地下室防水效果检查记录-20、有防水要求的地面蓄水试验记录-21、屋面淋水试验记录-22、抽气(风)道检查记录-23、节能、保温测试记录-24、管道、设备强度及严密性试验记录-25、系统清洗、灌水、通水、通球试验记录-26、照明全负荷试验记录-27、大型灯具牢固性试验记录-28、电气设备调试记录-29、电气工程接地、绝缘电阻测试记录-30、制冷、空调、管道的强度及严密性试验记录-31、制冷设备试运行调试记录-32、通风、空调系统试运行调试记录-33、风量、温度测试记录-34、电梯设备开箱检验记录-35、电梯负荷试验、安全装置检查记录-36、电梯接地、绝缘电阻测试记录-37、电梯试运行调试记录-38、智能建筑工程系统试运行记录-39、智能建筑工程系统功能测定及设备调试记录-40、单位(子单位)工程安全和功能检验所必须的其他测量、测试、检测、检验、试验、调试、试运行记录- 第四部分材料、产品、构配件等合格证资料-1、水泥出厂合格证(含28天补强报告)-2、砖、砌块出厂合格证-3、钢筋、预应力、钢丝、钢绞线、套筒出厂合格证-4、钢桩、砼预制桩、预应力管桩出厂合格证-5、钢结构工程构件及配件、材料出厂合格证-6、幕墙工程配件、材料出厂合格证-7、防水材料出厂合格证-8、金属及塑料门窗出厂合格证-9、焊条及焊剂出厂合格证-10、预制构件、预拌砼合格证-11、给排水与采暖工程材料出厂合格证-12、建筑电气工程材料、设备出厂合格证-13、通风与空调工程材料、设备出厂合格证-14、电梯工程设备出厂合格证-15、智能建筑工程材料、设备出厂合格证-16、施工要求的其他合格证-第五部分施工过程资料-1、设计变更、洽商记录-2、工程测量、放线记录-3、预检、自检、互检、交接检记录-4、建(构)筑物沉降观测测量记录-5、新材料、新技术、新工艺施工记录-6、隐蔽工程验收记录-7、施工日志-8、砼开盘报告-9、砼施工记录-10、砼配合比计量抽查记录-11、工程质量事故报告单-12、工程质量事故及事故原因调查、处理记录-13、工程质量整改通知书-14、工程局部暂停施工通知书-。
江苏省建筑工程施工质量验收资料工程概况TJ1.1工程项目施工治理人员名单TJ1.2施工现场质量治理检查记录TJ1.3开工日期:年月日施工组织设计/方案报审表工程名称:编号:A3.1____-____施工组织设计、施工方案审批表TJ1.4技术交底记录TJ1.5开工报告TJ1.6图纸会审、设计变更、洽商记录汇总表 TJ2.1设计交底记录 TJ2.1.2编号:工程定位测量、放线验收记录TJ2.2钢材合格证和复试报告汇总表TJ2.3.1技术负责人: 质量检查员:水泥出厂合格证和复试报告汇总表TJ2.3.2技术负责人: 质量检查员:砖(砌块)检验报告汇总表TJ2.3.3技术负责人: 质量检查员:混凝土外加剂(及其它材料)产品合格证出厂检验报告和进场复验报告汇总表TJ2.3.4技术负责人: 质量检查员:防水和保温材料合格证、复试报告汇总表TJ2.3.5技术负责人: 质量检查员:技术负责人: 质量检查员:混凝土试块试压报告汇总表TJ2.4.1工程名称: 德尔国际丝绸广场一期5#楼该验收批设计等级: C40注:1.fcu,i—第i组混凝土抗压强度代表值。
2.不同验收批的混凝土、标准养护和与结构实体同条件养护的混凝土应分别汇总评定。
试验报告分别附本汇总表后。
混凝土强度评定TJ2.4.2————————————结构实体混凝土强度评定TJ2.4.3 ————————————注:同条件养护试件强度GBJ107的规定确定后,宜取1.10的折算系数。
砂浆强度汇总评定表TJ2.4.4 工程名称: 该批设计等级:钢筋连接试验报告、焊条(剂)合格证汇总表TJ2.4.5技术负责人: 质量检查员:土壤试验记录汇总表TJ2.4.6钢筋隐藏工程验收记录TJ统表2.5屋面、天沟、檐口、檐沟、水落口、泛水、变形缝和伸出屋面管道的防水构造隐藏工程验收记录TJ统表2.5抹灰工程隐藏验收记录TJ统表2.5施工日志TJ2.6.1现场施工预应力记录TJ2.6.2(建设单位项目负责人) 记录人:地基验槽记录和地基处理记录TJ2.6.3技术负责人: 质量检查员:钢筋混凝土爱护层定位件隐藏工程验收记录2、爱护层厚度承诺偏差基础±10、柱梁±5、板、墙、壳±3。
工程概况 TJ1.1复核人:填表人:工程项目施工管理人员名单 TJ1.2施工现场质量管理检查记录 TJ1.3开工日期:施工组织设计、施工方案审批表 TJ1.4注:附施工组织设计、施工方案。
技术交底记录 TJ1.5注:本记录一式两份,一份交接受交底人,一份存档。
开工报告 TJ1.6建设单位:工程竣工报告 TJ1.7图纸会审、设计会审、洽商记录汇兑表 TJ2.1注:图纸会审、设计变更、洽商记录附后。
图纸会审、设计变更、洽商记录 TJ2.1.1设计交底记录 TJ2.1.2编号:共页第页工程定位测量、放线验收记录 TJ2.2钢材合格证和复试报告汇总表 TJ2.3.1技术负责人:质量检查员:水泥出厂合格证、复试报告汇总表 TJ2.3.2技术负责人:质量检查员:砖(砌块)检验报告汇总表 TJ2.3.3技术负责人:质量检查员:混凝土外加剂(及其它材料)产品合格证、出厂检验报告和进场复验报告汇总表 TJ2.3.4技术负责人:质量检查员:防水和保温材料合格证、复试报告汇总表 TJ2.3.5技术负责人:质量检查员:提示(其它)建筑材料合格证、复试报告汇总表 TJ2.3.6技术负责人:质量检查员:混凝土试块试压报告汇总表 TJ2.4.1工程名称:该验收批设计等级:技术负责人:质量检查员:注:1.f cu,i————第I组混凝土抗压强度代表值。
2.不同验收批的混凝土、标准养护和与结构实体同条件养护的混凝土应分别汇总评定。
试验报告分别附本汇总表后。
混凝土强度评定 TJ2.4.2 单位工程:技术负责人:质量检查员:年月日结构实体混凝土强度评定 TJ2.4.3 单位工程:技术负责人:质量检查员:年月日注:同条件养护试件强度按GBJ107的规定确定后,宜取1.10的折算系数。
砂浆强度汇总评定表 TJ2.4.4工程名称:该批设计等级:钢筋连接试验报告、焊条(剂)合格证汇总表 TJ2.4.5技术负责人:质量检查员:土壤试验记录汇总表 TJ2.4.6隐蔽工程验收记录统表第页共页注:如需绘制图纸的附本记录后。
目录
建筑给水排水及采暖工程施工现场质量管理记录
提示
该表如栏目内不够填写时,可另行加页。
建筑给水排水及采暖分部工程质量验收记录
建筑给水排水及采暖分部工程质量验收记录(统表1)
建筑给水排水及采暖分项工程质量验收记录(统表2)
建筑给水排水及采暖工程质量控制资料核查记录
建筑给水排水及采暖工程安全和功能检验资料核查及主要功能抽查记录
建筑给水排水及采暖工程观感质量检查记录
设备进场验收记录
建筑给水排水及采暖工程材料、设备、器具合格证、质保书、进场检(试)验报告汇总表
技术负责人:质量检查员:年月日
提示
建筑给水排水及采暖工程、材料、配件设备出厂合格证、质保书按下列范围整理:
1.镀锌管、排水塑料管、给水塑料管、复合管应有质保书或合格证;镀锌管质保书上应明确本单位工程中使用材料的型号、规格、数量、机械性能和化学成分,如物资公司使用抄件,应有原件编号,原件存放处,供货单位应盖章,抄件人应签名。
建筑工程用给水排水塑料管应有试验报告,省建委推广证,给水塑料管,以及卫生部门认可的卫生许可证。
2.阀门、水嘴、散热器、消防接合器、室外消火栓、室内消火栓箱、卫生器具、压力表、水位计、温度计、安全阀等配件以及保温材料等应有产品质量合格证。
3.设备应包括锅炉、锅炉附属设备、水泵、风机、热交换器、除尘器、分汽缸、水处理设备等应有产品质量合格证及有关随机重要说明。
4.有防火要求的产品(如消火箱等)及配件应有消防部门认可的生产许可证。
5.以上所述材料合格证,质保书及有关试验报告存档填写不够时,可另页附后。
6.表中数量为合格证或质保书数量,不应填写材料或设备,附件数量。
管道工程隐蔽验收记录
提示
一、隐蔽内容中应包括隐蔽的数量、管道系统的规格及型号、固定方法、及接口型式等。
二、检查结果栏中应包括隐蔽的管道系统防腐、管道支承、固定、各种试验,管道坡度,埋深等必须检查,并有相应的验收记录。
管道支、吊架安装记录
提示
一、本表可与管道隐蔽记录配套使用。
二、埋地管道安装:
1.管道应填写管下部垫层状态(如:细砂厚度≥100mm,宽度≥管径的倍,坡度与管道坡度相同,管顶回填细土或砂的厚度≥200mm。
)
2.给水塑料管穿基础应加钢套管,套管长度与基础宽度相同。
3.排水塑料管水平管与立管连接处用2个45°弯头,下部设支墩,支墩不得设在未经外理的土层上。
三、吊顶内管道安装,说明栏应填写:
1.当管道采用吊架时应说明吊架与楼板连接处理情况,如预埋钢板、吊杆与钢板双面焊接长度,如用膨胀螺栓应说明膨胀螺栓直径、连接角钢规格及吊杆及角钢双面焊缝长度。
2.如采用支架应说明支架预埋深度(一般不小于200mm)。
3.支、吊架防腐情况(如刷沥青漆二遍)。
4.支吊架间距栏,应按现场实际支、吊架间距填写。
支、吊架最大间距见《建筑给水排水和采暖工程质量验收规范》有关第文的要求。
楼板(屋面)立管洞盛水试验记录
提示
在设计无要求时,洞周围用石灰膏围堰,高度约20 mm,堰内灌满水,时间24h,管道应洞不漏水为合格。
塑料排水管伸缩器安装预留伸缩量记录
提示
伸缩器预留伸缩量:夏季5~10 mm,春秋季10~15 mm,冬季15~20 mm。
管道保温验收记录
承压管道系统(设备)强度和严密水压试验记录
提示
一、承压管道系统(设备)的各项试验的系数,在设计无要求时,应按照相应的规范要求执行。
非承压管道灌水试验记录
提示
一、排水管灌水试验:隐蔽或埋地的排水管道在隐蔽前必须做灌水试验,其灌水高度应不低于底层卫生器具的上边缘或底层地面高度。
灌水方法(过程)满水15分钟水面下降后,再灌满观察5分钟,液面不下降,检查管道及接口无渗漏为合格。
二、雨水排水管灌水试验,安装在室内的雨水排水管安装后应做灌水试验,灌水高度应到每根立管上部的斗雨水。
灌水时间为1小时,不渗不漏水为合格。
给水、热水及采暖管道系统冲洗记录
提示
一、利用自来水或临时水泵向系统内充水,从底层到顶层逐个打开配水点阀门,或打开临时管道进、排水阀门,冲洗至流出水无污物和无可见物为合格。
二、冲洗方法:利用自来水或临时水泵向系统充水。
三、冲洗结果:冲洗至流出水无污物和无可见物水质与进水水质为合格。
卫生器具满水试验记录
地漏排水试验记录
提示
地漏排水试验,距地漏最远可能发生漏水处,应在该处倒5~6kg水,地漏应将水全部排完及地面无存水现象为合格。
室内排水管道通球试验记录
提示
一、必须对水平干管和立管进行通球。
通球率达100%,球径为管道公称直径的2/3。
二、通球时必须选用硬质球,以球通过为合格。
排水系统及卫生器具通水试验记录
提示
一、给水、排水系统及卫生器具通水试验,应在室外给水排水系统接通后进行:
1.给水系统通水试验,给水配水点开启数量应按设计规定,当设计无规定时,开启1/3的配水点,检查给水正常,排水畅通及卫生器具、管道、接头不漏水为合格。
2.排水系统及卫生器具的其它2/3的部分,分层开启每个配水点的水量约6~8kg,应全部排水畅通,卫生器具及接口不漏水部分。
室内给水系统子分部工程质量验收记录统表1
给水管道及配件安装分项工程质量验收记录统表2
给水管道及配件安装工程检验批质量验收记录 SN3.1.1
提示
(一)主控项目:
主控项目第一项检验方法:金属及复合给水管道系统,在试验压力下观测10min,压力降不大于,然后降至工作压力进行检查,应不渗不漏水;塑料给水管系统应在试验压力下稳压1h,压力降不应超过,然后在工作压力的倍状态下稳压2h,压力不应超过 Mpa,同时检查各连接处不得渗漏。
主控项目第二项检验方法:观察和开启阀水,水咀等放水。
为了保证使用功能,强调给水系统在竣工后或交付使用前必须通水试验,并作好记录,以备检验。
主控项目第三项检验方法:检查有关部门提供的检测报告。
为了保证水质、使用安全,强调生活饮用水管道在竣工后或交付使用前,必须进行吹洗,除去杂物,使管道清洁,并经有关部门取样化验,达到国家《生活饮用水标准》,才能交付使用。
主控项目第四项检验方法:观察或局部解剖检查。
为了延长使用寿命,确保使用安全,规定除塑料管和复合管本身具有防腐功能,可以直接埋行敷设外,其它金属给水管埋地敷设均应按设计或规范要求作防腐处理。
(二)一般项目:
一般项目第一项检验方法:尺量检查。
该条规定主要是防止给水水质不受污染。
一般项目第二项检验方法:观察检查。
原《规范》第9章内容过于烦锁,使用不方便,根据调研确认两条。
一般项目第三项检验方法:用水平尺和尺量检查。
给水水平管道坡度坡向泄水装置是为了试压、冲洗、维修时排管内存水。
尤其在北京寒冷地区,在冬季末正式采暖时,管内积水易冻结。
一般项目第四项检验方法:用水平尺、直尺、拉线、吊线和尺量检查。
一般项目第五项检验方法:观察、尺量及手板检查。
管道支、吊架应外观平整,结构牢固,与管接触严密,支架埋入墙内尝试不少于200mm,管卡埋深不小于120mm,应有防拔出措施,并用1:2水泥砂浆堵洞。
一般项目第六项检验方法:观察和尺量检查。
给水设备安装分项工程质量验收记录统表2
给水设备安装工程检验批质量验收记录 SN3.1.3
提示
(一)主控项目:
主控项目第一项检验方法:对照图纸用仪器和尺量检查。
主控项目第二项检验方法:温度计实测检查。
为了保证水泵运行安全,其试运转的轴承温升值必须符合设备说明的限值,一般水泵轴承温升:滑动轴承温升不大于35℃,滚动轴承温升不大于40℃;电动机温升不大于60℃。
主控项目第三项检验方法:满水试验应静置24h,观察,不渗不漏;水压试验在试验压力下,持续时间为10min压力不降,不渗不漏。
(二)一般项目:
一般项目第一项检验方法:对照图纸、尺量检查。
一般项目第二项检验方法:观察检查。
水箱的溢流管和泄水管应引至排水地点附近是满足排水方便,不与排水管直接相连接,一定要断开,距离不小于100mm,是防止排水系统污物或细菌污染水箱水质。
也防止排水量太大,排水支管及地漏,可能将水返至室内,造成室内水灾。
一般项目第三项检验方法:观察检查。
因弹簧减振器不利于立式水泵运行保持稳定,故规定不能采用。
一般项目第四项检验方法:用经纬仪、水平仪、百分表、水平尺、吊线和尺量检查。
水泵安装,当用垫铁承载负荷找平时,一般每组垫铁不小于二块,不多于五块,每个地脚栓处不少于一组垫铁。
不得使用钢板和未加工垫铁。
衬平灌浆时,砼的标号应高于基础混凝土的标号1号,当砼的标号达到70%以上时,应复查设备安装纵横水平度等,合格后,应将每组垫之间用点焊固定,然后进行二次灌浆磨平、压光。
一般项目第五项检验方法:用钢针刺入,2m靠尺和楔形塞尺检查。
室内排水系统安装子分部工程质量验收记录统表1
室内排水管道及配件安装分项工程质量验收记录统表2。