地基基础课程设计72175
- 格式:doc
- 大小:1.12 MB
- 文档页数:28
1、设计资料1、1上部结构资料某教学实验楼,上部结构为7层框架,其框架主梁、次梁均为现浇整体式,混凝土强度等级C30。
底层层高3、4m(局部10m,内有10t桥式吊车,其余层高3、3m,底层柱网平面布置及柱底荷载如图2所示。
1、2建筑物场地资料(1)拟建建筑物场地位于市区内,地势平坦,建筑物平面位置如图1所示图1建筑物平面位置示意图(2)建筑场地位于非地震区,不考虑地震影响。
场地地下水类型为潜水,地下水位离地表2、1m,根据已有分析资料,该场地地下水对混凝土无腐蚀作用。
(3)建筑地基得土层分布情况及各土层物理、力学指标见表1。
表1 地基各土层物理、力学指标表1地基各土层物理、力学指标2、1选择桩型根据施工场地、地基条件以及场地周围环境条件,选择桩基础。
采用预应力高强混凝土薄壁管桩,这样可以较好得保证桩身质量,并在较短得施工工期完成沉桩任务。
桩截面尺寸选用:D=500mm ,壁厚t=50mm。
混凝土强度C30。
考虑承台埋深1、5 m,以4层黄褐色粉土夹粉质粘土为持力层,桩端进入持力层深度2倍桩径即0、6m,桩顶嵌入承台0、1m。
这时桩端一下持力层厚度大于4倍桩径,满足要求。
3、确定单桩承载力特征值初步设计时,单桩竖向承载力特征值估算++.3⨯16002=⨯⨯⨯=⨯+14⨯⨯127246.0kN4293.812.325145.0(.0作施工图设计时,根据单桩竖向静荷载试验,得到单桩竖向承载力特征值4、确定桩数、桩位布置、拟定承台底面尺寸先不计承台及承台上覆土重及偏心荷载估算桩得数量取桩数n=6根为进一步减轻挤土效应,软土中桩距取4倍径,即2m,桩得布置如图,承台尺寸,满足构造要求。
承台及上覆重度取,则现在按偏心受荷,验算桩数取n=6就是合理得5、确定复合基桩竖向承载力设计值该桩属于非端承桩,并n>3,承台底面下并非欠固结土、新填土等,故承台底面不会与土脱离,所以宜考虑桩群土承台得相互作用效应,按复合基桩计算竖向承载力设计值5、1六桩承台承载力计算承台净面积承台底地基土极限阻力标准值6桩顶作用验算荷载取A柱得组合:F =2547,M =25,Q =14承台高度1m等厚,荷载作用于承台顶面。
基础地基课程设计一、教学目标本课程旨在让学生掌握地基的基本概念、类型和设计原则。
知识目标包括:1.理解地基的定义、功能和分类;2. 掌握不同类型地基的特点和适用条件;3. 熟悉地基设计的基本原则和方法。
技能目标包括:1. 能够分析地基问题;2. 能够选择合适的地基类型和设计方法;3. 能够进行简单的地基设计计算。
情感态度价值观目标包括:1. 培养学生对工程安全的重视;2. 培养学生对环境保护的意识;3. 培养学生团队合作和解决问题的能力。
二、教学内容本课程的教学内容主要包括地基的基本概念、类型和设计原则。
具体包括以下几个方面:1. 地基的定义和功能;2. 地基的分类及其特点;3. 地基设计的原理和方法;4. 不同类型地基的设计计算;5. 地基问题的分析和处理。
三、教学方法为了达到上述教学目标,本课程将采用多种教学方法,包括讲授法、案例分析法、实验法和讨论法。
1. 讲授法:通过教师的讲解,使学生掌握地基的基本概念、类型和设计原则;2. 案例分析法:分析实际工程案例,使学生更好地理解和应用所学知识;3. 实验法:进行地基实验,使学生直观地了解地基的性质和特点;4. 讨论法:分组讨论,培养学生团队合作和解决问题的能力。
四、教学资源为了支持教学内容和教学方法的实施,丰富学生的学习体验,我们将选择和准备以下教学资源:1. 教材:《土力学与地基工程》;2. 参考书:相关学术论文和工程案例;3. 多媒体资料:地基实验视频、工程图片等;4. 实验设备:土壤力学实验装置、地基模型等。
通过这些教学资源,帮助学生更好地理解和掌握地基知识。
五、教学评估本课程的评估方式包括平时表现、作业、考试等。
平时表现主要评估学生的课堂参与、提问和团队协作等情况;作业主要评估学生的理解和应用能力;考试主要评估学生的知识掌握和运用能力。
评估方式应客观、公正,能够全面反映学生的学习成果。
具体包括以下几个方面:1. 课堂表现:评估学生的参与度、提问和回答问题的情况;2. 作业:评估学生的完成情况、正确性和创新性;3. 考试:评估学生的知识掌握、理解和运用能力。
地基基础的课程设计一、课程目标知识目标:1. 让学生掌握地基基础的基本概念,包括地基、基础的定义及其在工程中的作用。
2. 使学生了解地基土的性质及分类,能够描述不同类型地基土的特点。
3. 让学生掌握基础的类型及适用条件,能够分析实际工程中选择合适基础的原因。
技能目标:1. 培养学生运用所学知识,分析简单工程案例中地基基础问题的能力。
2. 提高学生运用图表、数据等工具,进行地基基础计算和问题解决的能力。
3. 培养学生通过小组合作,进行资料搜集、讨论和分析,形成问题解决方案的能力。
情感态度价值观目标:1. 培养学生对土木工程领域的兴趣,激发学生探究科学问题的热情。
2. 培养学生严谨、务实的学习态度,使学生认识到基础知识在工程实践中的重要性。
3. 培养学生的团队协作意识,提高学生在合作中沟通、交流和解决问题的能力。
本课程针对初中年级学生,结合教材内容,注重理论知识与实际应用的结合,旨在提高学生对地基基础知识的掌握,培养学生解决实际问题的能力,同时注重培养学生的学习兴趣和团队协作精神。
课程目标具体、可衡量,便于后续教学设计和评估。
二、教学内容1. 地基基础概念:讲解地基、基础的定义,探讨其在工程中的作用及相互关系。
教材章节:第一章 地基基础概述2. 地基土的性质及分类:介绍地基土的物理、力学性质,阐述不同类型地基土的特点。
教材章节:第二章 地基土的性质与分类3. 基础的类型及适用条件:讲解不同类型的基础结构,分析其适用条件及优缺点。
教材章节:第三章 基础的类型与选用4. 地基基础计算:引导学生学习如何进行简单地基基础计算,包括地基承载力、基础底面尺寸等。
教材章节:第四章 地基基础计算5. 工程案例分析:分析实际工程中地基基础问题的解决方法,提高学生运用知识解决实际问题的能力。
教材章节:第五章 工程案例分析6. 小组合作与讨论:组织学生进行小组合作,搜集相关资料,讨论分析地基基础问题,形成解决方案。
教材章节:第六章 实践与探讨教学内容根据课程目标进行选择和组织,确保科学性和系统性。
地基基础课程设计任务书一、设计目的通过地基基础课程设计把土力学与地基基础课程所学的知识与所学的结构课程知识有机的联系起来,把所学的专业知识应用到实际工程,是解决实际工程问题的实践性教学环节。
通过对一般地质条件下的混合结构条形基础的设计,培养学生独立思考问题,综合运用所学知识,查阅有关资料和应用现行规范的能力。
二、设计题目:混合结构房屋浅基础设计。
三、设计依据⑴建筑平、剖面图及工程做法该建筑为某校四层混合结构家属住宅楼,楼盖与屋盖为C20现浇钢筋混凝土结构,内墙为双面抹灰的24粘土实心砖墙,外墙为外清水内抹灰的37墙。
钢筋混凝土现浇楼板厚100mm ,楼梯为现浇板式楼梯,每层均设有240 mm ×240 mm 截面的圈梁。
⑵工程地质条件(可由下表中任选一种)层数指标项目 方案一 方案二 首层土名杂填土 耕土 土工指标 γ=15.7kN/m 3E S =2.6MPaγ=17kN/m 3 E S =3MPa厚度 0.9m 0.6m 二层土名粉质粘土 粉土 土工指标 f k =150kPa γ=19.2kN/m 3 E S =10MPaf k =160kPa γ=19kN/m 3 E S =10MPa厚度 3m 2m 三层土名淤泥质粘土 淤泥质粘土 土工指标 f k =96kPa γ=17.3kN/m 3 E S =2.4MPaf k =90kPa γ=16.5kN/m 3 E S =2.4MPa地下水位1.8m1.5m⑶气象条件该地区标准冻结深度为800mm。
⑷均布活荷载标准值屋面均布活荷载值:0.7 kN/m2屋面雪荷载值:0.3 kN/m2楼面均布活荷载值:1.5 kN/m2楼梯均布活荷载值:2.0 kN/m2楼梯间恒载:近似为3.5 kN/m2四、任务⑴确定基础埋深;⑵统计上部荷载;⑶验算地基基础强度指标;⑷绘制基础平面图及断面图。
五、要求⑴完成①、⑨、○A轴线的基础计算工程并绘制施工图;⑵计算书一份,既有计算过程且应将有关数据与成果表格化,要求书写工整,含目录与页数。
地基施工课程设计一、课程目标知识目标:1. 学生能够理解地基施工的基本概念,掌握地基处理和加固的常用方法。
2. 学生能够描述不同地质条件下地基施工的技术要求和施工特点。
3. 学生能够解释地基施工中涉及的质量控制和安全措施。
技能目标:1. 学生能够运用所学知识,分析并解决地基施工过程中遇到的技术问题。
2. 学生能够运用专业软件或工具,进行简单的地基施工设计和计算。
3. 学生通过小组合作,设计并完成一项模拟地基施工的实践活动。
情感态度价值观目标:1. 学生培养对土木工程专业的兴趣,增强对地基施工职业的认识。
2. 学生树立安全意识,认识到工程质量对国家和人民生命财产安全的重要性。
3. 学生在合作学习中,培养团队精神和沟通能力,形成良好的职业道德观。
本课程针对高年级土木工程专业学生,结合课程性质、学生特点和教学要求,以实用性为导向,注重理论与实践相结合。
课程目标旨在使学生掌握地基施工的基本知识,提高解决实际问题的能力,同时培养学生的职业素养和团队协作能力,为未来从事相关工作奠定基础。
通过对课程目标的分解和实施,教师可进行有针对性的教学设计和评估,确保学生达到预期学习成果。
二、教学内容本章节教学内容主要包括以下几部分:1. 地基施工基本概念:地基的定义、分类及作用;地基施工的重要性。
2. 地基处理与加固方法:介绍常见的地基处理方法,如预压、置换、注浆等;地基加固技术,如锚固、地下连续墙、抗滑桩等。
3. 地基施工技术要求:不同地质条件下地基施工的技术要点;地基施工中常见问题及处理方法。
4. 地基施工质量控制与安全措施:地基施工质量标准;质量控制方法及手段;安全事故的预防与处理。
5. 地基施工实践:结合实际工程案例,分析地基施工过程中的技术问题和解决方案。
教学内容依据教材相关章节,具体安排如下:第一周:地基施工基本概念及地质条件分析;第二周:地基处理与加固方法;第三周:地基施工技术要求及案例分析;第四周:地基施工质量控制与安全措施;第五周:小组合作进行模拟地基施工实践。
《地基基础》课程设计指导书(总学时数:1周,学分数:1)一、课程的性质、目的和任务性质:本课程设计为配合《土力学与基础工程》课程教学的实践性环节;该课程设计就承担着学生专业应用能力培养的任务。
任务:已知某工程的地质勘探报告和上部设计荷载及沉桩方式,根据已知条件进行桩基础设计。
目的:使学生综合运用所学过的知识进行实际工程的设计,并且为毕业设计和今后的工作打下基础。
二、设计内容、要求与进度安排1、设计内容(1)基础设计方案可行性论证及选择;(2)确定桩端持力层,选择桩材、桩长、桩身截面及承台埋深;(3)确定单桩竖向承载力设计值;(4)选择桩数及桩的平面布置,确定承台平面尺寸;(5)群桩中基桩受力验算(单桩竖向荷载均值、最大荷载、最小荷载);(6)群桩承载力验算(按假想实体基础考虑);(7)桩基水平承载力计算(按m法计算弯矩、剪力、位移及桩身配筋);(8)群桩沉降计算;(9)承台设计(受弯、受冲切、受剪切、局部受压及配筋计算)。
(10)地基持力层下存在软弱土层时,需验算软弱下卧层承载力;(11)桩及承台施工图设计(桩位平面布置图、承台配筋图、桩及承台剖面图、桩身配筋图和必要的施工说明等)。
2、设计要求(1)通过课程设计,使学生对基础工程设计内容和过程有了较全面地了解,并熟悉了有关设计规范、规程、手册和工具书的使用。
(2)严格按设计大纲和设计任务书的规定要求进行设计计算。
(3)在教师指导下,学生应独立完成课程设计任务书所规定的全部设计内容。
设计计算正确无误,算式应注明引用资料的出处,并列出公式及其各符号意义、单位等;文字叙述应简明扼要,表达清晰,文理通顺,课程设计文字总数应超过12000字。
(4)课程设计必须附有一定数量的工程图,见绘制施工图内容要求;所有制图应采用标准图纸图幅(A2)手工绘制,且符合规范要求。
也可运用计算机辅助设计(CAD)绘图(附有手画草图)。
(5)设计中需引用10个以上参考文献,且按规定格式标注;(6)为加强英语应用能力的培养,可写出300字左右的课程设计摘要,并将其译成英文,译文应准确无误,中、英文摘要装订在课程设计的正文前面。
地基工程课程设计一、课程目标知识目标:1. 让学生掌握地基工程的基本概念,如地基的分类、作用及重要性;2. 了解地基处理方法及其适用条件,包括置换法、压实法、桩基法等;3. 掌握地基承载力的计算方法,并能够运用到实际工程中。
技能目标:1. 培养学生运用所学知识分析地基工程问题的能力,如判断地基类型、选择合适的地基处理方法等;2. 提高学生运用计算工具进行地基承载力计算的能力;3. 培养学生团队协作能力,通过分组讨论、分析案例,共同解决实际问题。
情感态度价值观目标:1. 培养学生对土木工程专业的热爱,增强对地基工程学科的兴趣;2. 培养学生严谨、务实的学习态度,注重理论与实践相结合;3. 增强学生的环保意识,认识到地基工程在保护生态环境中的重要作用。
分析课程性质、学生特点和教学要求,本课程旨在使学生通过系统地学习地基工程知识,具备解决实际工程问题的能力。
课程目标具体、可衡量,便于学生和教师在教学过程中明确预期成果。
后续教学设计和评估将围绕这些具体学习成果展开。
二、教学内容1. 地基工程概述- 地基的概念、分类及作用- 地基工程的重要性2. 地基处理方法- 置换法的原理及适用条件- 压实法的原理及适用条件- 桩基法的原理及适用条件3. 地基承载力计算- 地基承载力的定义及影响因素- 地基承载力计算方法- 地基稳定性分析4. 地基工程实例分析- 分析不同类型地基工程案例- 针对案例选择合适的地基处理方法- 计算案例中的地基承载力5. 团队协作与讨论- 分组讨论实际工程案例- 共同解决案例中遇到的地基工程问题- 汇报成果,分享经验教学内容根据课程目标进行选择和组织,保证科学性和系统性。
教学大纲明确教学内容、安排和进度,与教材章节相对应。
通过以上教学内容的学习,使学生掌握地基工程的基本知识,具备解决实际工程问题的能力。
三、教学方法为了提高教学效果,激发学生的学习兴趣和主动性,本章节将采用以下多样化的教学方法:1. 讲授法:教师通过生动的语言和形象的比喻,系统地传授地基工程的基本概念、理论知识和计算方法。
桥梁地基基础课程设计一、课程目标知识目标:1. 学生能理解桥梁地基基础的基本概念,掌握其分类和功能。
2. 学生能掌握桥梁地基基础的受力原理,了解不同类型地基的承载力特点。
3. 学生能了解桥梁地基基础的设计原则和施工要求。
技能目标:1. 学生能运用所学知识,分析桥梁地基基础的问题,并提出合理的解决方案。
2. 学生能通过实际案例分析,掌握桥梁地基基础的设计方法和步骤。
3. 学生能运用绘图工具,绘制桥梁地基基础的施工图。
情感态度价值观目标:1. 学生培养对桥梁工程建设的兴趣,增强对国家基础设施建设的自豪感。
2. 学生培养团队协作意识,学会在项目中进行有效沟通和分工合作。
3. 学生树立安全意识,认识到桥梁地基基础在工程中的重要性。
课程性质:本课程为实践性较强的专业课程,结合理论知识与实践操作,培养学生解决实际工程问题的能力。
学生特点:高中年级学生,具有一定的物理和数学基础,思维活跃,对实际工程有较高的兴趣。
教学要求:注重理论知识与实践操作的相结合,通过案例分析、小组讨论、实地考察等多种教学手段,提高学生的综合运用能力。
将课程目标分解为具体的学习成果,便于后续教学设计和评估。
二、教学内容1. 桥梁地基基础概述- 地基与基础的定义与功能- 地基与基础的分类及其应用2. 桥梁地基基础受力原理- 地基土的物理性质与工程特性- 地基承载力的计算与评价- 基础形式与受力特点3. 桥梁地基基础设计原则- 设计基本要求与规范- 地基处理方法与技术- 基础结构设计原理4. 桥梁地基基础施工技术- 施工准备与工艺流程- 施工质量控制与验收标准- 施工安全措施与管理5. 桥梁地基基础案例分析- 实际工程案例介绍- 案例分析方法和步骤- 案例解决策略与实践经验教学内容依据课程目标,注重科学性和系统性,结合教材相关章节进行组织。
教学大纲明确教学内容安排和进度,确保理论与实践相结合。
教学内容涵盖桥梁地基基础的基本概念、受力原理、设计原则、施工技术和案例分析,旨在帮助学生全面掌握桥梁地基基础的知识体系。
地基基础处理课程设计一、课程目标知识目标:1. 让学生掌握地基基础处理的基本概念、原理和方法。
2. 使学生了解不同类型地基的特点及其处理方法,如软土地基、黄土地基等。
3. 引导学生掌握地基处理工程中常用的施工工艺和设备。
技能目标:1. 培养学生运用所学知识分析、解决实际工程中地基基础处理问题的能力。
2. 提高学生查阅相关资料、进行实地考察和团队协作的能力。
3. 培养学生通过实验、演示等方法验证地基处理效果的能力。
情感态度价值观目标:1. 培养学生对土木工程事业的热爱和责任感,激发学生学习专业知识的兴趣。
2. 培养学生严谨的科学态度和良好的工程伦理观念。
3. 引导学生关注环境保护和可持续发展,认识到地基基础处理在工程建设中的重要性。
本课程针对高年级土木工程专业学生,结合课程性质、学生特点和教学要求,将目标分解为具体的学习成果。
课程旨在帮助学生掌握地基基础处理的理论知识,培养实际操作能力,并激发学生对土木工程事业的热爱和责任感。
后续教学设计和评估将以此为基础,确保课程目标的实现。
二、教学内容本章节教学内容主要包括以下几部分:1. 地基基础处理概述:介绍地基基础处理的概念、目的和意义,使学生了解其在土木工程中的重要性。
2. 地基类型及特点:分析不同类型地基(如软土地基、黄土地基等)的特点,以及相应的处理方法。
3. 地基处理技术:详细讲解常用的地基处理技术,包括预压加固、排水固结、深层搅拌、桩基等,并结合教材章节进行具体案例分析。
4. 地基处理施工工艺及设备:介绍地基处理施工过程中常用的工艺和设备,使学生掌握施工要点。
5. 地基处理效果检测与评估:讲解地基处理效果的检测方法,如原位测试、室内试验等,以及评估标准。
6. 地基基础处理在工程中的应用:分析典型工程案例,让学生了解地基基础处理在工程实践中的应用。
教学内容安排和进度如下:1. 第1周:地基基础处理概述,地基类型及特点。
2. 第2周:地基处理技术(预压加固、排水固结)。
地基基础设计课程设计一、教学目标本课程旨在让学生掌握地基基础设计的基本原理和方法,培养学生解决实际工程问题的能力。
具体目标如下:1.知识目标:(1)了解地基基础的概念、分类和作用;(2)掌握地基承载力计算、沉降计算和稳定性分析的方法;(3)熟悉各种基础设计的适用条件和工程实践。
2.技能目标:(1)能够运用所学知识进行简单的基础设计;(2)具备分析和解决实际工程问题的能力;(3)学会使用相关设计软件进行基础设计。
3.情感态度价值观目标:(1)培养学生对工程安全的重视;(2)增强学生的团队协作意识和沟通能力;(3)激发学生对土木工程学科的兴趣和热爱。
二、教学内容本课程的教学内容主要包括以下几个部分:1.地基基础概述:地基的概念、分类、作用和基础的设计流程;2.地基承载力计算:承载力计算的基本原理、方法及其应用;3.沉降计算:沉降计算的基本公式、计算方法和控制标准;4.稳定性分析:基础稳定性评价方法、加固措施及应用;5.基础设计实例:各种基础设计的特点、适用条件和工程实践。
三、教学方法为了提高教学效果,本课程将采用多种教学方法相结合的方式,包括:1.讲授法:系统讲解地基基础设计的理论知识;2.案例分析法:分析实际工程案例,让学生了解基础设计的应用;3.实验法:学生进行地基基础实验,提高学生的实践能力;4.讨论法:分组讨论问题,培养学生的团队协作和沟通能力。
四、教学资源为了支持教学内容和教学方法的实施,我们将准备以下教学资源:1.教材:《地基基础设计》及相关辅助教材;2.参考书:国内外相关论文、专著及工程案例;3.多媒体资料:教学PPT、视频动画等;4.实验设备:地基基础实验装置、计算软件等。
通过以上教学资源的使用,将丰富学生的学习体验,提高教学效果。
五、教学评估为了全面、客观地评估学生的学习成果,本课程将采用多种评估方式,包括:1.平时表现:通过课堂参与、提问、小组讨论等环节,评估学生的学习态度和积极性;2.作业:布置适量的作业,评估学生对知识的理解和应用能力;3.考试:设置期中考试和期末考试,全面测试学生的知识掌握和应用能力;4.课程设计:学生进行地基基础设计实践,评估学生的设计能力和创新意识。
地基与基础处理课程设计一、课程目标知识目标:1. 学生能理解地基与基础处理的基本概念,掌握其重要作用。
2. 学生能掌握不同类型地基的处理方法及其适用条件。
3. 学生能了解基础工程的施工流程及质量控制要点。
技能目标:1. 学生能够分析工程地质条件,选择合适的地基处理方法。
2. 学生能够运用所学知识,解决基础工程中的实际问题。
3. 学生能够通过实际操作,提高动手能力和团队协作能力。
情感态度价值观目标:1. 学生培养对建筑工程的热爱,增强对专业知识的兴趣。
2. 学生树立安全意识,注重工程质量,养成良好的职业道德。
3. 学生在学习过程中,培养合作精神,增强沟通能力。
课程性质:本课程为土木工程专业基础课程,旨在使学生掌握地基与基础处理的基本理论和方法,为后续专业课程学习打下基础。
学生特点:学生为大一或大二土木工程专业学生,具备一定的物理和力学基础,但对实际工程了解较少。
教学要求:结合学生特点和课程性质,注重理论联系实际,采用案例教学、实验操作等教学方法,提高学生的实际操作能力和解决实际问题的能力。
通过本课程的学习,使学生能够达到上述课程目标,为未来的工程师职业生涯奠定基础。
二、教学内容1. 地基与基础处理概述- 地基与基础的概念及其作用- 地基处理方法的分类及发展2. 地基处理技术- 物理方法:预压、换填、排水等- 化学方法:注浆、深层搅拌等- 动力方法:振动沉模、强夯等3. 基础工程设计- 基础类型及选择依据- 基础工程的施工流程及质量控制4. 地基与基础处理案例分析- 不同地质条件下地基处理方法的选择- 常见地基与基础处理工程事故分析5. 实践教学环节- 实地考察:了解实际工程中地基处理方法的应用- 实验操作:进行地基处理模拟实验,加深对理论知识的理解教学内容依据课程目标,结合教材相关章节,保证科学性和系统性。
教学大纲明确教学内容安排和进度,确保学生充分掌握地基与基础处理的相关知识。
通过以上教学内容的实施,使学生具备实际工程中地基与基础处理的基本能力。
地基基础工程课程设计一、教学目标本课程旨在让学生掌握地基基础工程的基本概念、原理和设计方法。
通过本课程的学习,学生将能够:1.描述地基基础工程的基本概念,包括天然地基、人工地基、基础类型等。
2.解释地基基础工程的基本原理,如压力分布、承载力、沉降计算等。
3.应用地基基础工程的设计方法,包括浅基础、深基础、地下室等。
4.分析实际工程案例,提出地基基础问题的解决方案。
二、教学内容本课程的教学内容主要包括以下几个部分:1.地基基础工程概述:介绍天然地基、人工地基、基础类型等基本概念。
2.地基基础工程原理:讲解压力分布、承载力、沉降计算等基本原理。
3.地基基础工程设计:介绍浅基础、深基础、地下室等设计方法。
4.实际工程案例分析:分析地基基础工程在实际工程中的应用,并提出解决方案。
三、教学方法为了提高教学效果,本课程将采用多种教学方法,包括:1.讲授法:讲解地基基础工程的基本概念、原理和设计方法。
2.案例分析法:分析实际工程案例,让学生更好地理解地基基础工程的应用。
3.实验法:安排实地考察或实验室实验,让学生亲身体验地基基础工程的过程。
4.讨论法:学生进行分组讨论,促进学生之间的交流与合作。
四、教学资源为了支持教学内容和教学方法的实施,我们将准备以下教学资源:1.教材:选用权威、实用的地基基础工程教材作为主要教学资源。
2.参考书:提供相关的参考书籍,供学生深入学习。
3.多媒体资料:制作课件、教案等多媒体资料,丰富教学手段。
4.实验设备:安排实地考察或实验室实验所需的设备,确保学生能够亲身体验地基基础工程的过程。
五、教学评估本课程的评估方式包括平时表现、作业、考试等多个方面,以全面客观地评价学生的学习成果。
1.平时表现:通过课堂参与、提问、小组讨论等环节,评估学生的学习态度和积极性。
2.作业:布置相关的练习题和案例分析,评估学生对知识的理解和应用能力。
3.考试:进行期中考试和期末考试,评估学生对课程知识的掌握程度。
土木工程系《地基基础课程设计》任务书、指导书12一、地基基础设计任务书(一)设计目的:让学生熟悉地基基础的设计过程及相应的构造要求,为将来从事设计和施工工作打下坚实的基础。
(二)设计资料:某单层建筑物为内框架结构,框架柱的截面尺寸为300×400mm,墙厚为240mm,室内外高差为0.45m,采用MU10粘土多孔砖,M5水泥砂浆。
垫层为C10混凝土,独立柱基础、桩及桩承台为C25混凝土,钢筋为HPB235。
地质剖面图如图一、二所示,建筑底层平面图如图所示。
题号见表一。
(三)设计要求:1.计算书内容完整、步骤清楚,包括山墙、外墙砖基计算,独立柱基础计算,桩及桩承台计算。
2.绘制一张2#基础施工图:包括基础平面布置图(1:100)及刚性基础剖面图(1:30)与独立柱基础详图(1:40)及施工说明。
4.要求每位同学按表一中自己的题号进行设计,与题号不合者以不及格论处。
附:地质剖面图3456学生题目分配表 表一二、地基与基础课程设计指导书本次课程设计的内容包括:两个刚性基础设计(山墙基础和外纵墙基础)、一个柱下独立基础设计7和一个柱下桩基设计。
(一)刚性基础设计 1.确定基础埋深从地质资料来看,上层土质较好,可作为持力层,基础荷载不大,所以基础埋深取1m 左右即可。
计算地基承载力的修正值:()()5.03-+-+=d b f f m d b ak a γηγη2.确定基础的底面宽度hf F b G a K γ-≥注意b 值取成50mm 的倍数3.验算地基的软弱下卧层 具体步骤参见教材 4.确定基础的剖面尺寸可下面采用两种方案中的任意一种 (1)混凝土和砖的组合基础A .首先确定混凝土基础的厚度h 1,(300~500mm 左右,取50mm 的倍数) 根据构造要求,选用C15的混凝土,根据基底压力P K =bG F KK +,确定混凝土基础的刚性角,并确定混凝土基础的外挑长度b 18B .确定每边砖基的台阶数n60201⨯--≥b b b n b 0为上部墙身的厚度,注意台阶数n 应取整数C .验算基础的高度h 是否满足基础的构造要求当上部砖基为间隔式时:12060211⨯+⨯+=n n h h ,n 1+n 2=n 为每边的台阶数,注意n 2≥n 1, 不然就不符合砖的刚性角的要求。
地基课程设计2一、教学目标本课程旨在让学生了解和掌握地基工程的基本概念、设计原理和施工技术,培养学生分析和解决地基问题的能力。
具体目标如下:1.知识目标:学生能熟练掌握地基的定义、分类和功能;了解不同类型的地基处理方法;掌握地基设计的基本原理和方法;了解地基施工的流程和技术。
2.技能目标:学生能运用所学知识对实际工程中的地基问题进行分析和判断;具备地基工程方案设计和施工的基本能力。
3.情感态度价值观目标:培养学生对地基工程事业的热爱和敬业精神,增强学生的社会责任感,提高学生的人地关系意识。
二、教学内容本课程的教学内容主要包括以下几个部分:1.地基的基本概念:包括地基的定义、分类和功能,不同类型地基的特点和应用。
2.地基处理方法:包括天然地基的处理方法、人工地基的处理方法以及地基加固技术。
3.地基设计原理:包括地基设计的基本原则、地基承载力的确定、地基稳定性的分析等。
4.地基施工技术:包括地基施工的基本流程、施工方法、施工设备及施工质量控制。
5.地基工程案例分析:分析实际工程中的地基问题,探讨地基工程方案设计和施工的方法。
三、教学方法为了提高教学效果,本课程将采用多种教学方法相结合的方式,包括:1.讲授法:通过教师的讲解,使学生掌握地基工程的基本概念、设计原理和施工技术。
2.讨论法:学生就地基工程案例进行分析讨论,提高学生分析问题和解决问题的能力。
3.案例分析法:分析实际工程中的地基问题,使学生更好地理解地基工程的设计和施工方法。
4.实验法:安排学生参观地基工程施工现场或进行地基实验,增强学生的实践操作能力。
四、教学资源为了支持本课程的教学,我们将准备以下教学资源:1.教材:选用权威、实用的地基工程教材作为主要教学资源。
2.参考书:提供地基工程相关的参考书籍,丰富学生的知识体系。
3.多媒体资料:制作精美的课件、教学视频等,提高学生的学习兴趣。
4.实验设备:为学生提供地基实验所需的设备,培养学生的实践能力。
《地基基础结构设计》课程设计任务书一、课程设计的教学目的通过本课程设计,使学生掌握基础结构设计的理论知识和应用条件,明确理论的假定条件,掌握理论的适用范围;能够选择和运用相关规范,初步选择基础方案,进行基础结构设计;能够绘制和识读基础结构施工图,增强解决工程实际问题的能力。
在设计中,树立作为工程技术和管理人员应有的职业道德、责任意识和敬业务实精神;培养团队协作精神、沟通交流能力、科学的工作态度和严谨的工作作风,并具有环保意识和开拓精神。
二、课程设计的内容和要求(一)设计题目某教学楼为多层现浇钢筋混凝土框架结构,室外地坪标高同自然地面,室内外高差450mm。
柱网布置如图所示,试设计该基础。
(二)设计资料(1)工程地质条件该地区地势平坦,无相邻建筑物,经地质勘察,工程地质资料:自上而下依次为:①杂填土:厚约0.5m,含部分建筑垃圾;②粉质粘土:厚1.2m,软塑,潮湿,承载力特征值fak=130KN/m2;③粘土:厚1.5m,可塑,稍湿,承载力特征值fak=210KN/m2;④全风化砂质泥岩:厚2.7m,承载力特征值fak=230KN/m2;⑤强风化砂质泥岩:厚3.0m,承载力特征值fak=300KN/m2;⑥中风化砂质泥岩:厚4.0m,承载力特征值fak=620KN/m2;水文资料为:地下水对混凝土无侵蚀性,地下水位深度位于地表下1.5m。
(2)给定参数柱截面尺寸为500mm×500mm,上部结构作用在柱底的荷载标准值见表2,上部结构作用在柱底的荷载效应基本组合设计值见表3:(3)材料选用混凝土等级C25~C30,钢筋Ⅰ、Ⅱ级。
(4)根据以上所给资料分组设计,具体分组根据学生人数考虑。
学生根据所在组号和题号,完成基础结构设计。
(三)设计内容(1)确定基础埋置深度(2)确定地基承载力特征值(3)确定基础的底面尺寸(4)对基础进行结构内力分析、强度计算(5)确定基础的高度(6)基础底板配筋计算、并满足构造设计要求(7)编制设计计算书(8)绘制基础结构施工图(含平面图、详图),提出必要的技术说明。
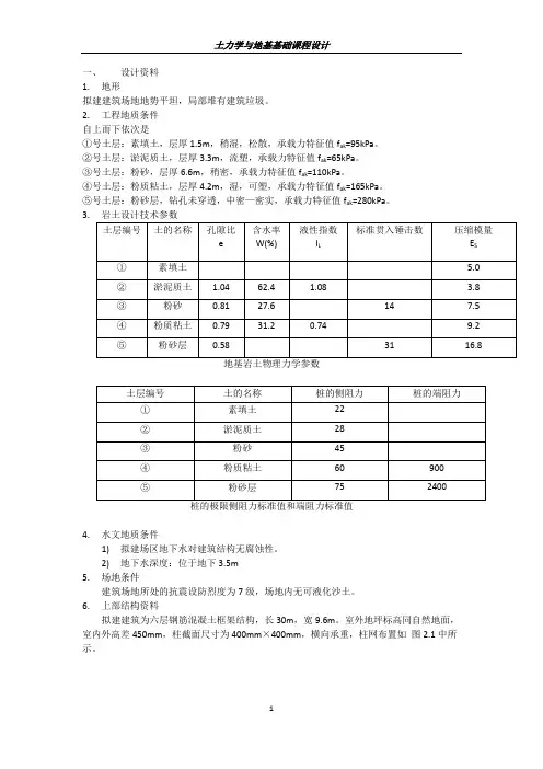
土木工程专业课程设计岩土工程综合课程设计专业名称:岩土工程年级班级:1202班学生:祝陆彬指导教师:马理工大学土木工程学院二○一五年六月目录第1章柱下独立基础设计 (1)1.1 设计题目 (1)1.2设计资料 (1)1.2.1 地形 (1)1.2.2工程地质条件 (1)1.2.3基础设计技术参数 (1)1.2.4水文地质条件 (1)1.2.5 上部结构资料 (2)1.3 柱下独立基础设计 (3)1.3.1 选择基础材料 (3)1.3.2 选择基础埋置深度 (3)1.3.3 求地基承载力特征值 (3)1.3.4 初步选择基底尺寸 (4)1.3.5 验算持力层地基承载力 (4)1.3.6 计算基底净反力 (5)1.3.7基础高度(采用阶梯形基础) (5)1.3.8 变阶处抗冲切验算 (6)1.3.9 配筋计算 (7)1.3.10 基础配筋大样图 (9)1.3.11 确定○A○C两轴柱子基础底面尺寸 (9)1.3.12 ○A○C两轴持力层地基承载力验算 (10)1.4设计图纸 (10)第2章桩基础设计 (11)2.1设计题目 (11)2.2设计资料 (11)2.2.1 地形 (11)2.2.2工程地质条件 (11)2.2.3 岩土设计技术参数 (11)2.2.4水文地质条件 (12)2.2.5上部结构资料 (12)2.2.6 上部结构作用 (12)2.3 灌注桩基设计 (13)2.3.1单桩承载力计算 (13)2.3.2基桩竖向荷载承载力设计值计算 (14)2.3.3桩基验算 (14)2.3.4承台设计 (15)2.2.4.1 承台力计算 (15)2.3.4.2承台厚度及受冲切承载力验算 (16)2.3.4.3承台受剪承载力计算 (17)2.3.4.4承台受弯承载力计算 (18)2.3.5桩身结构设计 (19)2.3.5.1桩身轴向承载力验算 (19)2.3.5.2桩身水平承载力验算 (19)2.3.5.3配筋长度计算 (21)2.3.6 估算○A○C轴线柱下桩数 (21)2.3.6.1 桩数估算 (21)2.3.6.2 承台平面尺寸确定 (22)2.4 设计图纸 (23)参考文献 (24)第1章 柱下独立基础设计1.1 设计题目取柱下独立基础课程设计任务书中1题号○B 轴荷载,做柱下独立基础的设计。
1.2设计资料1.2.1 地形 拟建建筑场地平整 1.2.2工程地质条件 自上而下土层依次如下:①号土层:杂填土,层厚约0.6m ,含部分建筑垃圾。
②号土层:粉质粘土,层厚1.0m ,软塑,潮湿,承载力特征值ak f 130KPa =。
③号土层:黏土,层厚1.4m ,可塑,稍湿,承载力特征值180ak f KPa =。
④号土层:细砂,层厚2.5m ,中密,承载力特征值k 240Kpa a f =。
⑤号土层:强风化砂质泥岩,厚度未揭露,承载力特征值300ak f KPa =。
1.2.3基础设计技术参数地基岩土物理力学参数如表1.1所示。
1.2.4水文地质条件(1)拟建场区地下水对混凝土结构无侵蚀性。
(2)地下水位深度:位于地标下2.0m 。
表1-1:地基岩土物理力学参数土层编号土的名称重度γ)/(3mkN孔隙比e液性指数LI黏聚力c(kPa)摩擦角ϕ(。
)压缩模量sE(MPa)标准贯入锤击数N承载力特征值akf(kPa)①杂填土18②粉质粘土20 0.65 0.84 34 13 7.5 6 130③黏土19.4 0.58 0.78 25 23 8.2 11 180④细砂21 0.62 30 11.6 16 240⑤强风化砂质泥岩2218 22 300 1.2.5 上部结构资料拟建建筑物为多层全现浇框架结构,框架柱截面尺寸为mmmm500500⨯。
室外地坪标高同自然地面,室外高差450mm。
柱网布置如图1.1所示。
图1.1 柱网平面图1.2.6 上部结构作用本设计取 1号题○B轴柱底荷载:1.柱底荷载效应标准组合值:F 1548KN k =,M 100N m k k =,48k V KN =。
2.柱底荷载效应基本组合值:F 2012KN =,M 130kN m =,KN V 62=。
持力层选用○4号土层,承载力特征值 f 240ak kPa = 1.3 柱下独立基础设计 1.3.1 选择基础材料基础采用25C 混凝土,钢筋采用235HRB ,预估基础高度m 8.0。
1.3.2 选择基础埋置深度根据柱下独立基础课程设计任务书要求和工程地质资料选取。
本设计取○4号土层为持力层,基础地面高取至持力层下m 0.5。
所以考虑取室外地坪到基础底面为m 5.35.04.10.16.0=+++。
由此得基础剖面示意图如下:图1-2:基础剖面示意图1.3.3 求地基承载力特征值a f根据细沙土,查表1-1得 0.2=b η,0.3=d η。
F KM KV K基底以上土的加权平均重度。
()3/13.105.35.0110.1104.194.04.190.1206.018m kN m =⨯+⨯-+⨯+⨯+⨯=γ持力层承载力特征值a f (先不考虑对基础宽度修正) ()()kPa d f f m d ak a 17.3315.05.313.100.32405.0=-⨯⨯+=-+=γη(上式d 按室外地面算起)1.3.4 初步选择基底尺寸取柱底荷载标准值:F 1548N k k =,M 100N m,k k =⋅.V 48k kN =.. 计算基础和回填土重k G 时的基础埋深:725.3)95.35.3(21=+=d基础底面积:2070.520225.2105.117.3311548m d f F A G a k =⨯-⨯-=-=γ由于偏心不大,基础底面积按20%增大,即:2084.670.52.12.1m A A =⨯==初步选定基础底面面积204.72.22.3m b l A =⨯=⨯=,且m m b 32.2<=不需要再对a f 进行修正。
1.3.5 验算持力层地基承载力 回填土和基础重为:kN dA G G k 88.41804.7)20225.2105.1(=⨯⨯+⨯==γ偏心距为: m lm G F M e k k k k 6.1607.088.41815488.048100=<=+⨯+=+=0min >k P ,满足要求。
基底最大压力: )2.307.061(04.788.4181548)61(max ⨯+⨯+=++=l e A G F P k k kk 所以,最后确定基础底面面积长m 3.2,宽m 2.2。
1.3.6 计算基底净反力取柱底荷载效应基本组合设计F 2012N,k = M 130N m,k = V 62kN =。
净偏心距为: m N M e n 09.020128.0621300=⨯+==基础边缘处的最大和最小净反力:kPa kPa l e lb F P n n n 334.0266.277)2.309.061(2.22.32012)61(0maxmin =⨯±⨯⨯=±=1.3.7基础高度(采用阶梯形基础) 柱边基础截面抗冲切验算(见图1-3))a ( )b (图1-3 冲切验算简图)a ( 柱下冲切 )b (变阶处冲切3.2lm =,m b 2.2=,m b a c t 5.0==,m a c 5.0=初步选定基础高度mm h 800=,分两个台阶,每阶高度均为400mm 。
mm h 750)1040(8000=+-=(有垫层),则m b m h a a t b 2.2275.025.020=<=⨯+=+=,取m a b 2=5002000125022t b m a a a mm ++=== 因偏心受压,n p 取kPap n 02.334max =冲切力:⎥⎥⎦⎤⎢⎢⎣⎡⎪⎭⎫ ⎝⎛---⎪⎭⎫ ⎝⎛--=200max ,2222h b b b h a l P F c c n l =⎥⎥⎦⎤⎢⎢⎣⎡⎪⎭⎫ ⎝⎛---⨯⎪⎭⎫⎝⎛--⨯275.025.022.22.275.025.022.3334.02 kN 437.57=抗冲切力:75.025.11027.10.17.00.730⨯⨯⨯⨯⨯=b a f m t hp βkN kN 57.43744.833>=满足要求1.3.8 变阶处抗冲切验算如图1-3,m b a t 4.11==,m a 8.11=,0140050350h mm =-=m b m h a a b 2.21.235.024.12011=<=⨯+=+=取m a b 1.2=,因此,可得m a a a b t m 75.121.24.12=+=+=冲切力:⎥⎥⎦⎤⎢⎢⎣⎡⎪⎭⎫ ⎝⎛---⎪⎭⎫ ⎝⎛--=2011011max ,2222h b b b h a l P F n l =⎥⎥⎦⎤⎢⎢⎣⎡⎪⎭⎫ ⎝⎛---⨯⎪⎭⎫⎝⎛--⨯235.024.122.22.235.028.122.3334.02 kN 36.256=抗冲切力:35.075.11027.10.17.00.7301⨯⨯⨯⨯⨯=h a f m t hp β=kN kN 36.256544.5>,满足要求。
1.3.9 配筋计算选用的HPB235 级钢筋,2/210mm N f y =(1)基础长边方向如图1-4和1-5所示,图1-4 配筋截面图 图1-5 偏心受压基底受力分布图 І-І截面(柱边),柱边净反力:(),I min ,max ,min 2cn n n n l a P P P P l+=+- ()66.27702.3342.325.02.3277.66-⨯⨯++=kPa 24.310=悬臂部分净反力平均值: ()()kPa p p n n 13.32224.31002.3342121max =+⨯=+I 弯矩: ()()2,max ,12242n n I cc P P M l a b b +⎛⎫=-+ ⎪⎝⎭Ⅰ ()()5.02.225.02.313.3222412+⨯⨯-⨯⨯=m kN ⋅=5.47927.33827502109.0mm M A s =⨯⨯=II对于Ⅲ-Ⅲ 截面(变阶处),有()1,min ,max ,min 2n n n n l a P P P P l+=+-Ⅲ kN 69.321)66.27702.334(2.328.12.366.277=-⨯++=2240.06a KP =()()2,max ,1112242n n P P M l a b b +⎛⎫=-+ ⎪⎝⎭ⅢⅢ()()4.12.228.12.3269.3212.33402412+⨯⨯-⨯+⨯=m kN ⋅=3.15526017.23473502109.0103.1550.2mm h f M A y s =⨯⨯⨯==IIII I I比较,1S A 和,S A Ⅲ,应按1,S A 配筋,实际配140@16Φ 则钢筋根数:1711402200=+=n ,227.33827.3418171.201mm mm A s >=⨯= (2)基础短边方向。