燃气管道与建筑物、构筑物的安全距离
- 格式:doc
- 大小:75.00 KB
- 文档页数:3
燃气管道安全距离规定
燃气管道安全距离规定是指在建筑物、交通干线等场所设置燃气管道时,需要保持一定的安全距离以确保人民群众的生命财产安全。
首先,根据《城市燃气设施安装工程设计规范》规定,燃气管道应与其他地下管线保持一定的水平和垂直的间距,以防止燃气管道的分布抬高地下管线的风险。
其次,按照相关规定,燃气管道与建筑物之间也需要保持一定的安全距离。
一般情况下,设置燃气管道的管廊、井道、隧道等建筑物与其他工程设施之间的距离不应小于50cm,以确保
燃气管道的安全运行。
此外,燃气管道还应与电缆、电线等设施保持一定的水平距离,并采取有效的绝缘措施,以防止燃气管道被其他设施损坏导致燃气泄漏等安全事故。
在交通干线方面,燃气管道与道路之间也有一定的安全距离要求。
一般情况下,设置燃气管道的地下通道与道路之间的距离不能小于10m,以确保燃气管道不受交通事故等外力破坏。
当然,在具体的燃气管道设计和安装中,还需要考虑地质条件、用气需求等因素,合理确定安全距离。
此外,为了确保燃气管道运行安全,还需要采取一系列的安全保护措施,如安装防撞设施、设置紧急切断装置等。
总之,燃气管道安全距离规定是为了防止燃气管道与其他地下管线、建筑物、设施以及交通干线等发生碰撞、损坏等情况,从而保障公众的生命财产安全,减少燃气泄漏等安全事故的发生。
因此,必须严格按照规定要求进行燃气管道的设计、施工和维护,不得随意违规操作。
中压燃气管道安全距离
摘要:
一、中压燃气管道的定义和作用
二、中压燃气管道的安全距离规定
1.管道与建筑物和大型构筑物的安全距离
2.管道与公路、铁路等道路的安全距离
3.管道与其他设施的安全距离
三、中压燃气管道安全距离的意义
1.防止火灾和爆炸事故的发生
2.保障人员和设施的安全
3.维护社会稳定和公共安全
正文:
中压燃气管道是一种用于输送燃气的重要设施,对于城市和乡村的燃气供应具有重要作用。
然而,中压燃气管道在安装和使用过程中,必须严格遵守安全距离规定,以确保管道的安全运行。
根据我国《城镇燃气设计规范》的规定,中压燃气管道应设置在专用的管道走廊内,并保持一定的安全距离。
具体来说,管道与建筑物和大型构筑物的安全距离应不小于6 米,与公路、铁路等道路的安全距离应不小于5 米,与其它设施的安全距离也有具体规定。
这些安全距离的设定意义重大。
首先,它可以防止火灾和爆炸事故的发生。
中压燃气管道内输送的燃气具有较高的压力和温度,一旦发生泄漏,就可
能引发火灾和爆炸事故。
保持安全距离可以有效降低这种风险。
其次,安全距离可以保障人员和设施的安全。
在管道周围设置安全距离,可以避免人员误入危险区域,减少事故发生的可能性。
同时,安全距离还可以保护管道免受外部损伤,延长管道使用寿命。
最后,维护中压燃气管道的安全距离,可以维护社会稳定和公共安全。
燃气管道是城市和乡村基础设施的重要组成部分,一旦发生事故,不仅可能造成财产损失,还可能影响居民生活和社会稳定。
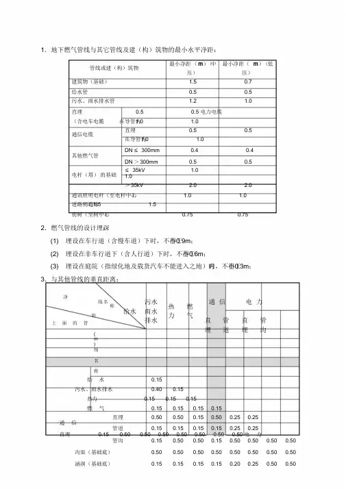
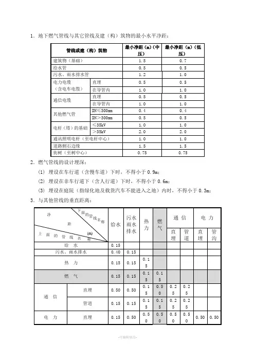
------1.地下燃气管线与其它管线及建(构)筑物的最小水平净距:管线或建(构)筑物最小净距 (m )(中 压) 最小净距( m )(低压) 建筑物(基础) 1.5 0.7 给水管0.5 0.5 污水、雨水排水管 1.21.0直埋0.50.5 电力电缆 (含电车电缆)在导管内1.0 1.0通信电缆直埋 0.5 0.5在导管内1.0 1.0 DN ≤ 300mm 0.4 0.4 其他燃气管DN >300mm0.5 0.5电杆(塔) 的基础≤ 35kV1.0 1.0 >35kV2.0 2.0 通讯照明电杆(至电杆中心) 1.01.0 道路侧石边缘1.5 1.5街树(至树中心)0.750.752.燃气管线的设计埋深:(1) 埋设在车行道(含慢车道)下时,不得小于0.9m ; (2) 埋设在非车行道下(含人行道)下时,不得小于0.6m ;(3) 埋设在庭院(指绿化地及载货汽车不能进入之地)内时,不得小于0.3m ; 3.与其他管线的垂直距离:净上 面 的管距(m ) 线 名 称线 名 称给水污水雨水排水热 力燃 气通 信 电 力 直 管 直 管 埋道埋沟给 水 0.15 污水、雨水排水0.40 0.15 热力 0.15 0.15 0.15 燃 气0.15 0.15 0.15 0.15通 信 直埋 0.500.500.150.500.250.25管道 0.15 0.15 0.15 0.15 0.25 0.25 直埋0.15 0.500.50 0.50 0.50 0.50 0.50 0.50 电 力管沟0.15 0.50 0.50 0.15 0.50 0.50 0.500.50 沟渠(基础底) 0.50 0.50 0.50 0.50 0.50 0.50 0.50 0.50 涵洞(基础底)0.150.150.150.150.200.250.500.50。
燃气工程常用标准文件管理序列号:[K8UY-K9IO69-O6M243-OL889-F88688]地下部分(<1.6MPa)1.地下燃气管道与建筑物、构筑物或相邻管道之间的水平和垂直净距埋设在车行道下时,不得小于 0.9m;埋设在非车行道(含人行道)下时,不得小于 0.6m;埋设在庭院(指绿化地及载货汽车不能进入之地)内时,不得小于 0.3m;埋设在水田下时,不得小于 0.8m。
注:当采取行之有效的防护措施后,上述规定均可适当降低。
6.3.5 输送湿燃气的燃气管道,应埋设在土壤冰冻线以下。
地下燃气管道与构筑物或相邻管道之间垂直净距2.套管内径应比燃气管道外径大 100mm 以上3.管沟沟底宽度和工作坑尺寸,应根据现场实际情况和管道敷设方法确定,也可按下列要求:4. 1 单管沟底组装按表 2.3.3 确定。
5.表2.3.3 沟底宽度尺寸表6. 2 单管沟边组装和双管同沟敷设可按下式计算。
7.ca++=+DsD12式中 a ──沟槽底宽度(m);8.D1──第一条管道外径(m);9.D2──第二条管道外径(m);10.s ──两管道之间的设计净距(m);11. c ──工作宽度,在沟底组装:c = 0.6(m);在沟边组装:c =0.3(m)。
地上部分(<1.6MPa)1.中压和低压燃气管道,可沿建筑耐火等级不低于二级的住宅或公共建筑的外墙敷设;次高压 B、中压和低压燃气管道,可沿建筑耐火等级不低于二级的丁、戊类生产厂房的外墙敷设。
2.建筑物外墙的燃气管道距住宅或公共建筑物门、窗洞口的净距;中压管道不应小于 0.5m,低压管道不应小于 0.3m。
燃气管道距生产厂房建筑物门、窗洞口的净距不限3.在车辆和人行道以外的地区,可在从地面到管底高度不小于 0.35m 的低支柱上敷设燃气管道。
4.中、低压钢质燃气管道(焊接连接)推荐使用的管道规格。
中、低压燃气管道常用管道规格表(0.01MPa<P≤0.4MPa、P<0.01MPa )表2-3-4室内燃气管道工程施工图设计要点:(一)管线位置1、管线一般采用明装,不允许穿越卧室、密闭地下室、浴室、厕所、易燃易爆品仓库、有腐蚀性介质的房间、配电间和变电室等。
中华人民共和国燃气保护法安全距离
中华人民共和国燃气保护法规定了燃气管道与其他设施之间的安全距离。
根据该法律,燃气管道距离交通要道、高压电线、通信线路、水域、湖泊、河流等区域要保持一定的安全距离,以确保燃气管道的安全运行。
具体的安全距离要根据燃气管道的性质、规模和周边环境来确定。
在城市和居民区,燃气管道离房屋、道路、电线杆等建筑物或设施要保持一定的安全距离。
在工业区和工地等场所,燃气管道距离其他管道、设备、工艺装置等也要有一定的安全距离。
此外,燃气保护法还规定了燃气管道的埋设深度,以保证管道的安全性和稳定性。
根据规定,燃气管道在公共区域的埋设深度要符合国家相关规范和标准的要求。
总的来说,燃气保护法的安全距离规定旨在保障燃气管道的安全运行和使用,减少事故和损失的发生,确保人民生命财产的安全。
户内安装特别要求1.引入管入户位置为入户层五零水平线以下20公分,位置不能满足要求的引入管阀门及管件水平安装2.引入管与立管连接处安装波纹金属软管,采用法兰连接3.户内立管均采用焊接连接,要求预留丝口水平,焊口平整,预留高度为 2.3m ±5cm,立管固定牢固,支架安装位置为三通口下方3-5cm。
4.户内挂表正常情况下采用反挂,距墙距离>5cm,表后管固定牢固5.户内立管顶端采用堵板焊死,堵板平整与立管结合完整,边缘圆滑燃气管道安全距离规定地下燃气管道与建筑物、机构物或相邻管道之间的水平和垂直净距,不应小于下列规定:1、地下燃气管道与建筑物、构筑物或相邻管道之间的水平净距(m)2、地下燃气管道与构建物或相邻管道之间垂直间距(m)注:1、如受地形限制无法满足上述要求时。
经与有关部门协商,采取行之有效的防护措施后,上表中规定的净距,均可适当缩小,但次高压燃气管道距建筑物外墙面不应小于3.0m,中压管道距建筑物基础不应小于0.5m,且距建筑物外墙面不应小于 1.0m,低压管道应不影响建(构)筑物和相邻管道基础的稳固性,且次高压A管壁厚度小于9.5mm时,距外墙面分别不应小于地下燃气管道压力为1.61Mpa的有关规定距离。
2、安装套管采用钢管或PE80系列管道,交叉位置套管长度比障碍管道每端长20cm以上,套管公称直径比现铺设管道大2个型号。
3、聚乙烯管道和钢骨架聚乙烯复合管道与热力管道之间的水平净距项目地下燃气管道(m)低压中压次高压B A B热力管直埋热水 1.0 1.0 1.0 1.5蒸汽 2.0 2.0 2.0 3.0 在管沟内(至外壁) 1.0 1.5 1.5 2.0项目燃气管道(当有套管时,从套管外径计)(m)热力管燃气管在直埋管上方0.5(加套管)燃气管在直埋管下方 1.0(加套管)燃气管在管沟上方0.2(加套管)或0.4 燃气管在管沟下方0.3(加套管)4、调压站(含调压柜)与其他建筑物、构筑物的水平净距设置形式调压装置入口燃气压力级制建筑物外墙面重要公共建筑物铁路(中心线)城镇道路公共电力变配电柜地上单独建筑高压(A)18.0 30.0 25.0 5.0 6.0 高压(B)13.0 25.0 20.0 4.0 6.0 次高压(A)9.0 18.0 15.0 3.0 6.0燃气管道和电气设备、相邻管道之间的净距注:当明装电线与燃气管道交叉净距小于10cm时,电线应加绝缘套绝缘套管的两端应各伸出燃气管道10cm。
附录1:燃气管道的安全间距摘自《城镇燃气设计规范》GB50028-93(2002部分修订版)表5.3.2-1 地下燃气管道与建筑物、构筑物或相邻管道间的水平净距(m)项目地下燃气管道低压中压高压BA B A建筑物的基础0.7 1.0 1.5 - - 外墙面(出地面处)- - - 4.5 6.5给水管0.5 0.5 0.5 1.0 1.5 污水、雨水排水管 1.0 1.2 1.2 1.5 2.0电力电缆(含电车电缆)直埋0.5 0.5 0.5 1.0 1.5 在导管内 1.0 1.0 1.0 1.0 1.5通信电缆直埋0.5 0.5 0.5 1.0 1.5在导管内 1.0 1.0 1.0 1.0 1.5 其他燃气管道D N≤300mm 0.4 0.4 0.4 0.4 0.4D N>300mm 0.5 0.5 0.5 0.5 0.5热力管直埋 1.0 1.0 1.0 1.5 2.0 在管沟内(至外壁) 1.0 1.5 1.5 2.0 4.0 电杆(塔)基础≤35KV 1.0 1.0 1.0 1.0 1.0>35KV 2.0 2.0 2.0 5.0 50 通讯照明电杆(至电杆中心) 1.0 1.0 1.0 1.0 1.0 铁路路堤坡脚 5.0 5.0 5.0 5.0 5.0有轨电车钢轨 2.0 2.0 2.0 2.0 2.0 街树(至树中心)0.75 0.75 0.75 1.20 1.201表5.3.2-2 地下燃气管道与构筑物或相邻管道之间垂直间距(m)项目地下燃气管道(当有套管时,以套管计)给水管、排水管或其它燃气管道0.15 热力管的管沟底(或顶)0.15 电缆直埋0.50在导管内0.15铁路轨底 1.20有轨电车轨底 1.00表5.6.3 调压站(含调压柜)与其他建筑物、构筑物的水平京局、净距设置形式调压装置入口燃气压力级制建筑物外墙面重要公共建筑物铁路(中心线)城镇道路公共电力变配电柜地上单独建筑高压(A)18.0 30.0 25.0 5.0 6.0 高压(B)13.0 25.0 20.0 4.0 6.0次高压(A)9.0 18.0 15.0 3.0 6.0次高压(B) 6.0 12.0 10.0 3.0 6.0中压(A) 6.0 12.0 10.0 2.0 6.0中压(B) 6.0 12.0 10.0 2.0 6.0调压柜次高压(A)7.0 14.0 12.0 2.0 6.0次高压(B) 4.0 8.0 8.0 2.0 6.0中压(A) 4.0 8.0 8.0 1.0 6.0中压(B) 4.0 8.0 8.0 1.0 6.0地下单独建筑中压(A) 3.0 6.0 6.0 - 6.0中压(B) 3.0 6.0 6.0 - 6.0地下调压箱中压(A) 3.0 6.0 6.0 - 6.0中压(B) 3.0 6.0 6.0 - 6.0 表7.2.26 燃气管道和电气设备、相邻管道之间的净距管道和设备与燃气管道的净距(cm)平行敷设交叉敷设电气设备明装的绝缘电线或电缆25 10(注)暗装的或放在管子中的绝缘电线5(从所作的槽或管子的边缘算起)1电压小于1000V的裸露电线的导电部分100 100 配电盘或配电箱30 不允许相邻管道应保证燃气关和相邻管道的安装、安全维护和修理2注:当明装电线与燃气管道交叉净距小于10cm时,电线应加绝缘套管。
燃气管道施工与安装要求一、工程基本规定(1)燃气管道对接安装引起的误差不得大于3º,否则应设置弯管,次高压燃气管道的弯管应考虑盲板力。
(2)管道与建筑物、构筑物、基础或相邻管道之间的水平和垂直净距:1)燃气管道与建筑物、构筑物、基础或相邻管道之间的水平和垂直净距,不应小于规范的规定。
当要求不一致时,应满足要求严格的。
2)无法满足上述安全距离时,应将管道设于管道沟或刚性套管的保护设施中,套管两端应用柔性密封材料封堵。
3)保护设施两端应伸出障碍物且与被跨越障碍物间的距离不应小于0.5m。
对有伸缩要求的管道,保护套管或地沟不得妨碍管道伸缩且不得损坏绝热层外部的保护壳。
(3)管道埋设的最小覆土厚度地下燃气管道埋设的最小覆土厚度(路面至管顶)应符合下列要求:埋设在车行道下时,不得小于0.9m;埋设在非车行道下时,不得小于0.6m;埋设在机动车不能到达地方时,不得小于0.3m;埋设在水田下时,不得小于0.8m(不能满足上述规定时应采取有效的保护措施)。
(4)地下燃气管道不宜与其他管道或电缆同沟敷设。
当需要同沟敷设时,必须采取防护措施。
二、燃气管道穿越构建筑物(1)不得穿越的规定:1)地下燃气管道不得从建筑物和大型构筑物的下面穿越。
2)地下燃气管道不得在堆积易燃、易爆材料和具有腐蚀性液体的场地下面穿越。
(2)地下燃气管道穿过排水管、热力管沟、联合地沟、隧道及其他各种用途沟槽时,应将燃气管道敷设于套管内。
套管两端的密封材料应采用柔性的防腐、防水材料密封。
(3)燃气管道穿越铁路、高速公路、电车轨道和城镇主要干道时应符合下列要求:1)穿越铁路和高速公路的燃气管道,其外应加套管,并提高绝缘、防腐等措施。
2)穿越铁路的燃气管道的套管,应符合下列要求:①套管埋设的深度:铁路轨道至套管顶不应小于1.20m,并应符合铁路管理部门的要求。
②套管宜采用钢管或钢筋混凝土管。
③套管内径应比燃气管道外径大100mm以上。
④套管两端与燃气管的间隙应采用柔性的防腐、防水材料密封,其一端应装设检漏管。
燃气管道与建筑物构筑物安全距离1. 背景介绍燃气管道是供气系统中的重要组成部分,而建筑物构筑物是人们居住和工作的场所。
为了保障燃气供应的安全性,必须合理确定燃气管道与建筑物构筑物之间的安全距离。
本文将介绍燃气管道与建筑物构筑物安全距离的相关要求和标准。
2. 相关法律法规燃气管道与建筑物构筑物的安全距离要求通常由相关法律法规明确规定,以下为常见的几个法规:•《建筑设计防火规范》•《城市燃气供应管理办法》•《城市燃气管道设计安装规范》•《燃气工程建设与管理办法》根据这些法规,燃气管道与建筑物构筑物之间的安全距离应按照一定方式计算,并设定相应的要求。
3. 安全距离计算方法燃气管道与建筑物构筑物之间的安全距离计算主要考虑到以下因素:3.1 管道类型不同类型的燃气管道,其安全距离计算方法会有所不同。
常见的燃气管道类型包括天然气管道、液化石油气管道等。
3.2 管道直径和压力燃气管道的直径和压力也是计算安全距离的重要因素,通常来说,直径越大、压力越高的管道与建筑物构筑物之间的安全距离要求也会相应增加。
3.3 建筑物类型不同类型的建筑物对于燃气管道的安全距离要求也会有所不同。
例如,高层建筑的安全距离要求通常比低层建筑更大。
3.4 环境因素燃气管道与建筑物构筑物之间的安全距离还需要考虑环境因素,如通风条件、周围建筑物密度等。
根据上述因素,可以采用一定的计算方法,如使用距离系数、经验公式等,计算出燃气管道与建筑物构筑物之间的安全距离。
4. 安全距离的标准要求根据相关法律法规的规定,燃气管道与建筑物构筑物之间的安全距离应满足以下基本要求:4.1 垂直距离管道与建筑物顶部之间的垂直距离不能小于一定数值,以确保燃气泄漏时不会对建筑物构筑物造成危险。
4.2 水平距离管道与建筑物构筑物之间的水平距离也需要符合要求,以确保在发生事故时不会对建筑物构筑物造成危险。
4.3 防火隔离燃气管道与建筑物构筑物之间还需要设立防火隔离措施,避免火灾发生时的传播。
149号附件2城市燃⽓管⽹设施安全距离规范标准⽂档国家燃⽓管道设施安全距离标准⼀、城镇燃⽓管道设计压⼒(表压)分级标准⼆、城镇燃⽓管道安全间距标准1、压⼒不⼤于1.6MPa的燃⽓管道(1)钢管地下燃⽓管道与建筑物、构筑物或相邻管道之间的⽔平净距(m)地下燃⽓管道与构筑物或相邻管道之间垂直净距(m)(2)PE管聚⼄烯管道和钢⾻架聚⼄烯复合管道与热⼒管道之间的⽔平净距(m)聚⼄烯管道和钢⾻架聚⼄烯复合管道与热⼒管道之间的垂直净距(m)2、压⼒不⼤于1.6MPa的管道⼀级或⼆级地区地下燃⽓管道与建筑物之间的⽔平净距不应⼩于下表的规定。
⼀级或⼆级地区地下燃⽓管道与建筑物之间的⽔平净距(m)三级地区地下燃⽓管道与建筑物之间的⽔平净距不应⼩于下表的规定。
三级地区地下燃⽓管道与建筑物之间的⽔平净距(m)⾼压地下燃⽓管道与构筑物或相邻管道之间的⽔平和垂直净距。
不应⼩于表6.3.3-1和6.3.3-2次⾼压A的规定。
但⾼压A 和⾼压B地下燃⽓管道与铁路路堤坡脚的⽔平净距分别不应⼩于8m和6m;与有轨电车钢轨的⽔平净距分别不应⼩于4m和3m。
四级地区地下燃⽓管道输配压⼒不宜⼤于1.6MPa(表压)。
其设计应遵守本规范6.3节的有关规定。
四级地区地下燃⽓管道输配压⼒不应⼤于4.OMPa(表压)。
⾼压燃⽓管道的布置应符合下列要求:1 ⾼压燃⽓管道不宜进⼊四级地区;当受条件限制需要进⼊或通过四级地区时,应遵守下列规定:1)⾼压A地下燃⽓管道与建筑物外墙⾯之间的⽔平净距不应⼩于30m(当管壁厚度δ≥9.5mm或对燃⽓管道采取有效的保护措施时,不应⼩于15m);2)⾼压B地下燃⽓管道与建筑物外墙⾯之间的⽔平净距不应⼩于16m(当管壁厚度δ≥9.5mm或对燃⽓管道采取有效的保护措施时,不应⼩于10m);3)管道分段阀门应采⽤遥控或⾃动控制。
3、场站安全间距(1)门站、储配站集中放散装置的放散管与站外建、构筑物的防⽕间距调压站(含调压柜)与其他建筑物、构筑物⽔平净距(m)⽓瓶车固定车位与站外建、构筑物的防⽕间距(m)(4)LNG⽓化站液化天然⽓⽓化站的液化天然⽓储罐、天然⽓放散总管与站外建、构筑物的防⽕间距(m)(5)CNG加⽓站CNG⼯艺设备与站外建(构)筑物的安全间距(m)(6)LNG、L-CNG加⽓站LNG设备与站外建(构)筑物的安全间距(m)。
燃气管道的规划距离
根据燃气行业的相关标准和规定,燃气管道的规划距离应符合
以下原则:
1. 距离建筑物:燃气管道应与建筑物保持一定的距离。
具体的
距离要根据管道的类型和管道周围的环境而定。
一般而言,燃气管
道与住宅建筑物的最小距离应该是50米以上,与商业建筑物的最
小距离应该是100米以上。
2. 距离交通道路:燃气管道应与交通道路保持一定的距离,以
确保交通安全。
具体的距离要根据管道的直径和交通道路的类型而定。
一般而言,燃气管道与普通道路的最小距离应该是10米以上,与高速公路或者铁路的最小距离应该是50米以上。
3. 距离其他特定场所:燃气管道还应与特定场所,如学校、医院、公共安全设施等保持一定的距离,以确保公共安全。
具体的距
离要根据管道的直径和特定场所的性质而定。
需要注意的是,燃气管道的规划距离并没有统一的标准,会受到地方性的标准和规定的影响。
因此,在进行燃气管道规划时,应当严格按照当地相关法律法规和行业标准进行操作,确保规划距离符合合法合规要求。
总之,燃气管道的规划距离是确保燃气安全和公共安全的重要要素,应当根据管道类型、周围环境和相关法律法规进行合理规划和布局。
参考文献:
- 燃气行业相关标准和规定。