规范允许偏差一览表79408
- 格式:doc
- 大小:1.04 MB
- 文档页数:32
二、砌体工程模板安装允许偏差及检查方法预制构件尺寸允许偏差及检验方法注:1、为构件长度(mm)。
2 、检查中心线、螺栓和孔道位置时,应沿纵、横两个方向量测,并取其中的较大值;3 、对开头复杂或特殊要求的构件,其尺寸偏差应符合标准图基设计的要求。
现浇构件尺寸允许偏差及检验方法一混凝土工程GBJ134-903、混凝土结构尺寸的允许偏差表人防)项目允许偏差轴线位移10标高层高全高±10 ±20截面尺寸厚度小于200㎜±10mm厚度为200-40㎜±15mm厚度大于400㎜±20 mm柱、墙垂直度5mm表面平整度8mm预埋管、预留孔中心线位置偏移5mm预埋螺栓中心线位置偏移5mm预留洞中心线位置偏移15 mm电梯井井筒长、宽对中心线井筒全高垂直度+25H/1000且不大于20 注:H为电梯井筒全高(㎜)4、混凝土组成材料计量结果的允许偏差:GB50164-92组成材料允许偏差水泥、掺合料±2%粗、细骨料±3%水、外加剂±2%5、混凝土从搅拌机卸出到浇筑完毕的延续时间: GB50164-926、现浇结构尺寸允许偏差和检验方法:GB50204-20027、现浇结构外观质量缺陷: GB50204-2002名称现象严重缺陷一般缺陷露筋构件内钢筋未被混凝土包裹而外露纵向受力钢筋有露筋其他钢筋有少量露筋蜂窝混凝土表面缺少水泥砂浆而形成石子外露构件主要受力部位有蜂窝基他部位有少量蜂窝孔洞混凝土中孔穴深度和长度均超过保护层厚度构件主要受力部位有孔洞其他部位有少量孔洞夹渣混凝土中央有杂物且深度超过保护层厚度构件主要受力部位有夹渣其他部位有少量夹渣疏松混凝土中局部不密实构件主要受力部位有疏松其他部位有少量疏松裂缝缝隙从混凝土表面延构件主要受力部位有影响结其他部位有少量不影响伸至混凝土内部构性能或使用功能的裂缝结构性能或使用功能的裂缝连结部构件连接处混凝土缺陷连接部位有影响结连接部位有基本不影位缺陷及连接钢筋、连接件松动构传力性能的缺陷响结构传力性能的缺陷外形缺陷缺棱掉角、棱角不直、翘清水混凝土构件有影响使用其他混凝土构件有不曲不平、飞边凸肋等功能或装饰效果的外形缺陷影响使用功能的外形缺陷外表缺陷构件表面麻面、掉皮、具有重要装饰效果的其他混凝土构件有起砂、沾污等清水混凝土构件有外表缺陷影响使用功能的外表缺陷8、预制构件尺寸的允许偏差及检验方法: GB50204-2002二模板工程1、现浇构件模板安装的允许偏差及检验方法: GB50204-2002项目允许偏差(㎜) 检验方法轴线位置 5 钢尺检查底模上表面标高±5 水准仪或拉线、钢尺检查截面内基础±10 钢尺检查部尺寸柱、墙、梁+4,-5 钢尺检查层高垂直度不大于5m 6 经纬仪或吊线、钢尺检查大于5m8 经纬仪或吊线、钢尺检查相邻两板表面高低差 2 钢尺检查表面平整度 5 2m靠尺和塞尺检查2、预埋件和预留孔洞的允许偏差: GB50204-2002项目允许偏差(㎜)预埋钢板中心线位置 3预埋管、预留孔中心线位置 3插筋中心线位置 5外露长度+10,0预埋螺栓中心线位置 2外露长度+10,0预留洞中心线位置10尺寸+10,03、预制构件模板安装的允许许偏差及检验方法: GB50204-2002项目允许偏差(㎜) 检验方法长度板、梁±5 钢尺量两角边,取其中较大值薄腹梁、桁架±10柱0,-10墙、板0,-5宽度板、墙板0,-5 钢尺量一端及中部,梁、薄腹梁、桁架、柱+2,-5 取其中较大值高(厚)度板+2,-3 钢尺量一端及中部,墙板0,-5 取其中较大值梁、薄腹梁、桁架、柱+2,-5侧向弯曲梁、板、柱L/1000且≤15 拉线、钢尺量最大弯曲处墙板、薄腹梁、桁架L/1500且≤15板的表面平整度 3 2m靠尺和塞尺检查相邻两板表面高低差 1 钢尺检查对角线差板7 钢尺量两个对角线墙板 5翘曲板、墙板L/1500 调平尺在两端量测设计起拱薄腹梁、桁架、梁±3 拉线,钢尺量跨中4、底模板拆除时的混凝土强度要求: GB50204-2002构件内型构件跨度(m) 达到设计的混凝土立方体抗压强度标准值的百分率(%) 板≤2 ≥50>2,≤8 ≥75>8 ≥100梁、拱、壳≤8 ≥75>8 ≥100悬臂构件/ ≥100三钢筋工程1、钢筋加工的允许偏差: GB50204-2002项目允许偏差(㎜)受力钢筋顺长度方向全长的净尺寸±10弯起钢筋的弯折位置±20箍筋内净尺寸±52、钢筋安装位置的允许偏差和检验方法: GB50204-2002项目允许偏差(㎜) 检验方法绑扎钢筋网长、宽±10 钢尺检查网眼尺寸±20 钢尺量连续三档,取最大值绑扎钢筋骨架长±10 钢尺检查宽、高±5 钢尺检查受力钢筋间距±10 钢尺量两端、中间各一点,取最大值排间±5保护层厚度基础±10 钢尺检查柱、梁±5 钢尺检查板、墙、壳±3 钢尺检查绑扎箍筋、横向钢筋间距±20 钢尺量连续三档,取最大值钢筋弯起点位置20 钢尺检查预埋件中心线位置 5 钢尺检查水平高差+4,0 钢尺和塞尺检查注:表中梁类、板类构件上部纵向受力钢筋保护层厚度的合点率应达到90%及以上,且不得有超过表中数值1.5倍的尺寸偏差。
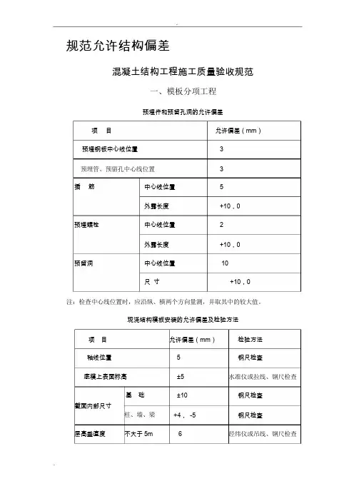
规范允许结构偏差混凝土结构工程施工质量验收规范一、模板分项工程注:检查中心线位置时,应沿纵、横两个方向量测,并取其中的较大值。
注:检查轴线位置时,应沿纵、横两个方向量测,并取其中的较大值。
预制构件模板安装的允许偏差及检验方法4.3 模板拆除主控项目说明:4.3.1 由于过早拆模、混凝土强度不足而造成混凝土结构构件沉降变形、缺棱掉角、开裂、甚至塌陷的情况时有发生。
为保证结构的安全和作用功能,提出了拆模时混凝土强度的要求。
该强度通常反映为同条件养护混凝土试件的强度。
考虑到悬臂构件更容易因混凝土强度不足而引发事故,对其拆模时的混凝土强度应从严要求。
二、钢筋分项工程钢筋加工的允许偏差说明:5.3.4 本条提出了钢筋加工形状、尺寸偏差的要求。
其中,箍筋内净尺寸是新增项目,对保证受力钢筋和箍筋本身的受力性能都较为重要注:1 检查预埋件中心线位置时,应沿纵、横两个方向量测,并到其中的较大值;3表中梁类、板类构件上部纵向受力钢筋保护层厚度的合格点率应达到90%及以上,且不得有超过表中数值1.5倍的尺寸偏差。
三. 预应力分项工程束形控制点的竖向位置允许偏差检查数量:在同一检验批内,抽查各类型构件中预应力筋总数的5%,且对各类型构件均不少于5束,每束不应少于5处。
检验方法:钢尺检查。
注:束形控制点的竖向位置偏差合格点率应达到90%及以上,且不得有超过表中数值1.5的尺寸偏差。
四、混凝土分项工程注:对强度等级为C60及以上的混凝土试件,其强度的尺寸换算系数可通过试验确定。
五、现浇结构分项工程现浇结构尺寸偏差和检验方法注:检查轴线、中心线位置时,应沿纵、横两个方向量测,并取其中的较大值。
混凝土设备基础尺寸允许偏差和检验方法注:检查坐标、中心线位置时,应沿纵、横两个方向量测,并取其中的较大值。
六、装配式结构工程预制构件尺寸的允许偏差及检验方法注:1 l为构件长度(mm)。
2 检查中心线、螺栓和孔道位置时,应沿纵、横两个方向量测,并取其中的较大值;3对开头复杂或特殊要求的构件,其尺寸偏差应符合标准图基设计的要求。
建筑⼯程规范允许偏差⼀览表项⽬允许偏差(mm)绑扎钢筋⽹长、宽±10 ⽹眼尺⼨±20绑扎钢筋⾻架长±10 宽、⾼±5受⼒钢筋间距±10排距±5 保护层厚度基础±10柱、梁±5板、墙、壳±3绑扎箍筋、横向钢筋间距±20 钢筋弯起点位置20⼆、砌体⼯程主控项⽬1 砖强度等级设计要求MU2 砂浆强度等级设计要求M3 ⽔平灰缝砂浆饱满度≥80%4 斜槎留置第5.2.3条5 直槎拉结筋及接槎处理第5.2.4条6 轴线位移≤10mm7 垂直度(每层)≤5mm⼀般项⽬1 组砌⽅法第5.3.1条2 ⽔平灰缝厚度10mm 8–12mm3 基础顶⾯、楼⾯标⾼±15mm4 表⾯平整度(混⽔)8mm5 门窗洞⼝⾼度宽±5mm6 外墙上下窗⼝偏移20mm7 ⽔平灰缝平直度(混⽔)10mm模板安装允许偏差及检查⽅法序号项⽬允许偏差值(mm)检查⽅法国家标准省优质结构⼯程标准1 轴线位移柱、墙、梁 5 3 尺量2 底模上表⾯标⾼±5 ±3 ⽔准仪或拉线尺量3 截⾯内尺⼨基础±10±6尺量柱、墙、梁+4、-5±34 层⾼垂直度层⾼不⼤于5m6 4 经纬仪或吊线、尺量⼩于5m 8 65 相邻两板表⾯⾼低差 2 2 尺量6 表⾯平整度 5 3 靠尺、塞尺7 阴阳⾓⽅正— 2 ⽅尺、塞尺顺直— 2 线尺8 预埋铁件中⼼线位移 3 2 拉线、尺量9 预埋管、螺栓中⼼线位移 3 2拉线、尺量螺栓外露长度+10、0 +5、0 10 预留孔洞中⼼线位移+10 6拉线、尺量尺⼨+10、0 +6、011 门窗洞⼝中⼼线位移— 3拉线、尺量宽、⾼—±5对⾓线— 612 插筋中⼼线位移 5 5尺量外露长度+10、0 +10、0预制构件尺⼨允许偏差及检验⽅法项⽬允许偏差(mm)检验⽅法长度板、梁+10,-5钢尺检查柱+5,-10墙板±5薄腹梁、桁架+15,-10宽度⾼(厚)度板、梁、柱、墙板、薄腹梁、桁架±5钢尺量⼀端及中部,取其中较⼤值侧向弯曲梁、柱、板L/750 且≤20拉线、钢尺量最⼤侧向弯曲处墙板、薄腹梁、桁架L/1000且≤20预埋件中⼼线位置10钢尺检查螺栓位置 5螺栓外露长度+10,-5预留孔中⼼线位置 5 钢尺检查预留洞中⼼线位置15 钢尺检查主筋保护层厚度板+5,-3钢尺或保护层厚度测定仪式量测梁、柱、墙板、薄腹梁、桁架+10,-5对⾓线差板、墙板10 钢尺量两个对⾓线表⾯平整度板、墙板、柱、梁 5 2m靠尺和塞尺检查预应⼒构件预留孔道位置梁、墙板、薄腹梁、桁架3 钢尺检查翘曲板L/750 调平尺在两端量测墙板L/1000墙板注:1、为构件长度(mm)。
规范允许结构偏差混凝土结构工程施工质量验收规范一、模板分项工程注:检查中心线位置时,应沿纵、横两个方向量测,并取其中的较大值。
注:检查轴线位置时,应沿纵、横两个方向量测,并取其中的较大值。
预制构件模板安装的允许偏差及检验方法4.3 模板拆除主控项目说明:4.3.1 由于过早拆模、混凝土强度不足而造成混凝土结构构件沉降变形、缺棱掉角、开裂、甚至塌陷的情况时有发生。
为保证结构的安全和作用功能,提出了拆模时混凝土强度的要求。
该强度通常反映为同条件养护混凝土试件的强度。
考虑到悬臂构件更容易因混凝土强度不足而引发事故,对其拆模时的混凝土强度应从严要求。
二、钢筋分项工程钢筋加工的允许偏差说明:5.3.4 本条提出了钢筋加工形状、尺寸偏差的要求。
其中,箍筋内净尺寸是新增项目,对保证受力钢筋和箍筋本身的受力性能都较为重要钢筋安装位置的允许偏差和检验方法注:1 检查预埋件中心线位置时,应沿纵、横两个方向量测,并到其中的较大值;3表中梁类、板类构件上部纵向受力钢筋保护层厚度的合格点率应达到90%及以上,且不得有超过表中数值1.5倍的尺寸偏差。
三. 预应力分项工程束形控制点的竖向位置允许偏差检查数量:在同一检验批内,抽查各类型构件中预应力筋总数的5%,且对各类型构件均不少于5束,每束不应少于5处。
检验方法:钢尺检查。
注:束形控制点的竖向位置偏差合格点率应达到90%及以上,且不得有超过表中数值1.5的尺寸偏差。
四、混凝土分项工程混凝土试件尺寸及强度的尺寸换算系数注:对强度等级为C60及以上的混凝土试件,其强度的尺寸换算系数可通过试验确定。
五、现浇结构分项工程现浇结构尺寸偏差和检验方法注:检查轴线、中心线位置时,应沿纵、横两个方向量测,并取其中的较大值。
混凝土设备基础尺寸允许偏差和检验方法注:检查坐标、中心线位置时,应沿纵、横两个方向量测,并取其中的较大值。
六、装配式结构工程预制构件尺寸的允许偏差及检验方法注:1 l为构件长度(mm)。
二、砌体工程模板安装允许偏差及检查方法预制构件尺寸允许偏差及检验方法注:1、为构件长度(mm)。
2 、检查中心线、螺栓和孔道位置时,应沿纵、横两个方向量测,并取其中的较大值;3 、对开头复杂或特殊要求的构件,其尺寸偏差应符合标准图基设计的要求。
现浇构件尺寸允许偏差及检验方法一混凝土工程GBJ134-903、混凝土结构尺寸的允许偏差表人防)项目允许偏差轴线位移10标高层高全高±10±20截面尺寸厚度小于200㎜±10mm厚度为200-40㎜±15mm厚度大于400㎜±20 mm柱、墙垂直度5mm表面平整度8mm预埋管、预留孔中心线位置偏移5mm预埋螺栓中心线位置偏移5mm预留洞中心线位置偏移15 mm电梯井井筒长、宽对中心线井筒全高垂直度+25H/1000且不大于20 注:H为电梯井筒全高(㎜)4、混凝土组成材料计量结果的允许偏差:GB50164-92组成材料允许偏差水泥、掺合料±2%粗、细骨料±3%水、外加剂±2%5、混凝土从搅拌机卸出到浇筑完毕的延续时间: GB50164-926、现浇结构尺寸允许偏差和检验方法:GB50204-20027、现浇结构外观质量缺陷: GB50204-2002名称现象严重缺陷一般缺陷露筋构件内钢筋未被混凝土包裹而外露纵向受力钢筋有露筋其他钢筋有少量露筋蜂窝混凝土表面缺少水泥砂浆而形成石子外露构件主要受力部位有蜂窝基他部位有少量蜂窝孔洞混凝土中孔穴深度和长度均超过保护层厚度构件主要受力部位有孔洞其他部位有少量孔洞夹渣混凝土中央有杂物且深度超过保护层厚度构件主要受力部位有夹渣其他部位有少量夹渣疏松混凝土中局部不密实构件主要受力部位有疏松其他部位有少量疏松裂缝缝隙从混凝土表面延构件主要受力部位有影响结其他部位有少量不影响伸至混凝土内部构性能或使用功能的裂缝结构性能或使用功能的裂缝连结部构件连接处混凝土缺陷连接部位有影响结连接部位有基本不影位缺陷及连接钢筋、连接件松动构传力性能的缺陷响结构传力性能的缺陷外形缺陷缺棱掉角、棱角不直、翘清水混凝土构件有影响使用其他混凝土构件有不曲不平、飞边凸肋等功能或装饰效果的外形缺陷影响使用功能的外形缺陷外表缺陷构件表面麻面、掉皮、具有重要装饰效果的其他混凝土构件有起砂、沾污等清水混凝土构件有外表缺陷影响使用功能的外表缺陷8、预制构件尺寸的允许偏差及检验方法: GB50204-2002二模板工程1、现浇构件模板安装的允许偏差及检验方法: GB50204-2002项目允许偏差(㎜) 检验方法轴线位置 5 钢尺检查底模上表面标高±5 水准仪或拉线、钢尺检查截面内基础±10 钢尺检查部尺寸柱、墙、梁+4,-5 钢尺检查层高垂直度不大于5m 6 经纬仪或吊线、钢尺检查大于5m8 经纬仪或吊线、钢尺检查相邻两板表面高低差 2 钢尺检查表面平整度 5 2m靠尺和塞尺检查2、预埋件和预留孔洞的允许偏差: GB50204-2002项目允许偏差(㎜)预埋钢板中心线位置 3预埋管、预留孔中心线位置 3插筋中心线位置 5外露长度+10,0预埋螺栓中心线位置 2外露长度+10,0预留洞中心线位置10尺寸+10,03、预制构件模板安装的允许许偏差及检验方法: GB50204-2002项目允许偏差(㎜) 检验方法长度板、梁±5 钢尺量两角边,取其中较大值薄腹梁、桁架±10柱0,-10墙、板0,-5宽度板、墙板0,-5 钢尺量一端及中部,梁、薄腹梁、桁架、柱+2,-5 取其中较大值高(厚)度板+2,-3 钢尺量一端及中部,墙板0,-5 取其中较大值梁、薄腹梁、桁架、柱+2,-5侧向弯曲梁、板、柱L/1000且≤15 拉线、钢尺量最大弯曲处墙板、薄腹梁、桁架L/1500且≤15板的表面平整度 3 2m靠尺和塞尺检查相邻两板表面高低差 1 钢尺检查对角线差板7 钢尺量两个对角线墙板 5翘曲板、墙板L/1500 调平尺在两端量测设计起拱薄腹梁、桁架、梁±3 拉线,钢尺量跨中4、底模板拆除时的混凝土强度要求: GB50204-2002构件内型构件跨度(m) 达到设计的混凝土立方体抗压强度标准值的百分率(%) 板≤2 ≥50>2,≤8 ≥75>8 ≥100梁、拱、壳≤8 ≥75>8 ≥100悬臂构件/ ≥100三钢筋工程1、钢筋加工的允许偏差: GB50204-2002项目允许偏差(㎜)受力钢筋顺长度方向全长的净尺寸±10弯起钢筋的弯折位置±20箍筋内净尺寸±52、钢筋安装位置的允许偏差和检验方法: GB50204-2002项目允许偏差(㎜) 检验方法绑扎钢筋网长、宽±10 钢尺检查网眼尺寸±20 钢尺量连续三档,取最大值绑扎钢筋骨架长±10 钢尺检查宽、高±5 钢尺检查受力钢筋间距±10 钢尺量两端、中间各一点,取最大值排间±5保护层厚度基础±10 钢尺检查柱、梁±5 钢尺检查板、墙、壳±3 钢尺检查绑扎箍筋、横向钢筋间距±20 钢尺量连续三档,取最大值钢筋弯起点位置20 钢尺检查预埋件中心线位置 5 钢尺检查水平高差+4,0 钢尺和塞尺检查注:表中梁类、板类构件上部纵向受力钢筋保护层厚度的合点率应达到90%及以上,且不得有超过表中数值倍的尺寸偏差。
项目允许偏差(mm)绑扎钢筋网长、宽±10 网眼尺寸±20绑扎钢筋骨架长±10 宽、高±5受力钢筋间距±10排距±5 保护层厚度基础±10柱、梁±5板、墙、壳±3绑扎箍筋、横向钢筋间距±20 钢筋弯起点位置20二、砌体工程主控项目1 砖强度等级设计要求MU2 砂浆强度等级设计要求M3 水平灰缝砂浆饱满度≥80%4 斜槎留置第5.2.3条5 直槎拉结筋及接槎处理第5.2.4条6 轴线位移≤10mm7 垂直度(每层)≤5mm一般项目1 组砌方法第5.3.1条2 水平灰缝厚度10mm 8–12mm3 基础顶面、楼面标高±15mm4 表面平整度(混水)8mm5 门窗洞口高度宽±5mm6 外墙上下窗口偏移20mm7 水平灰缝平直度(混水)10mm模板安装允许偏差及检查方法序号项目允许偏差值(mm)检查方法国家标准省优质结构工程标准1 轴线位移柱、墙、梁 5 3 尺量2 底模上表面标高±5 ±3 水准仪或拉线尺量3 截面内尺寸基础±10±6尺量柱、墙、梁+4、-5±34 层高垂直度层高不大于5m6 4 经纬仪或吊线、尺量小于5m 8 65 相邻两板表面高低差 2 2 尺量6 表面平整度 5 3 靠尺、塞尺7 阴阳角方正— 2 方尺、塞尺顺直— 2 线尺8 预埋铁件中心线位移 3 2 拉线、尺量9 预埋管、螺栓中心线位移 3 2拉线、尺量螺栓外露长度+10、0 +5、010 预留孔洞中心线位移+10 6拉线、尺量尺寸+10、0 +6、011 门窗洞口中心线位移— 3拉线、尺量宽、高—±5对角线— 612 插筋中心线位移 5 5尺量外露长度+10、0 +10、0预制构件尺寸允许偏差及检验方法项目允许偏差(mm)检验方法长度板、梁+10,-5钢尺检查柱+5,-10墙板±5薄腹梁、桁架+15,-10宽度高(厚)度板、梁、柱、墙板、薄腹梁、桁架±5钢尺量一端及中部,取其中较大值侧向弯曲梁、柱、板L/750 且≤20拉线、钢尺量最大侧向弯曲处墙板、薄腹梁、桁架L/1000且≤20预埋件中心线位置10钢尺检查螺栓位置 5螺栓外露长度+10,-5预留孔中心线位置 5 钢尺检查预留洞中心线位置15 钢尺检查主筋保护层厚度板+5,-3钢尺或保护层厚度测定仪式量测梁、柱、墙板、薄腹梁、桁架+10,-5对角线差板、墙板10 钢尺量两个对角线表面平整度板、墙板、柱、梁 5 2m靠尺和塞尺检查预应力构件预留孔道位置梁、墙板、薄腹梁、桁架3 钢尺检查翘曲板L/750 调平尺在两端量测墙板L/1000墙板注:1、为构件长度(mm)。
项目允许偏差(mm)绑扎钢筋网长、宽±10 网眼尺寸±20绑扎钢筋骨架长±10 宽、高±5受力钢筋间距±10排距±5 保护层厚度基础±10柱、梁±5板、墙、壳±3绑扎箍筋、横向钢筋间距±20 钢筋弯起点位置20二、砌体工程主控项目1 砖强度等级设计要求MU2 砂浆强度等级设计要求M3 水平灰缝砂浆饱满度≥80%4 斜槎留置第5.2.3条5 直槎拉结筋及接槎处理第5.2.4条6 轴线位移≤10mm7 垂直度(每层)≤5mm一般项目1 组砌方法第5.3.1条2 水平灰缝厚度10mm 8–12mm3 基础顶面、楼面标高±15mm4 表面平整度(混水)8mm5 门窗洞口高度宽±5mm6 外墙上下窗口偏移20mm7 水平灰缝平直度(混水)10mm模板安装允许偏差及检查方法序号项目允许偏差值(mm)检查方法国家标准省优质结构工程标准1 轴线位移柱、墙、梁 5 3 尺量2 底模上表面标高±5 ±3 水准仪或拉线尺量3 截面内尺寸基础±10±6尺量柱、墙、梁+4、-5±34 层高垂直度层高不大于5m6 4 经纬仪或吊线、尺量小于5m 8 65 相邻两板表面高低差 2 2 尺量6 表面平整度 5 3 靠尺、塞尺7 阴阳角方正— 2 方尺、塞尺顺直— 2 线尺8 预埋铁件中心线位移 3 2 拉线、尺量9 预埋管、螺栓中心线位移 3 2拉线、尺量螺栓外露长度+10、0 +5、010 预留孔洞中心线位移+10 6拉线、尺量尺寸+10、0 +6、011 门窗洞口中心线位移— 3拉线、尺量宽、高—±5对角线— 612 插筋中心线位移 5 5尺量外露长度+10、0 +10、0预制构件尺寸允许偏差及检验方法项目允许偏差(mm)检验方法长度板、梁+10,-5钢尺检查柱+5,-10墙板±5薄腹梁、桁架+15,-10宽度高(厚)度板、梁、柱、墙板、薄腹梁、桁架±5钢尺量一端及中部,取其中较大值侧向弯曲梁、柱、板L/750 且≤20拉线、钢尺量最大侧向弯曲处墙板、薄腹梁、桁架L/1000且≤20预埋件中心线位置10钢尺检查螺栓位置 5螺栓外露长度+10,-5预留孔中心线位置 5 钢尺检查预留洞中心线位置15 钢尺检查主筋保护层厚度板+5,-3钢尺或保护层厚度测定仪式量测梁、柱、墙板、薄腹梁、桁架+10,-5对角线差板、墙板10 钢尺量两个对角线表面平整度板、墙板、柱、梁 5 2m靠尺和塞尺检查预应力构件预留孔道位置梁、墙板、薄腹梁、桁架3 钢尺检查翘曲板L/750 调平尺在两端量测墙板L/1000墙板注:1、为构件长度(mm)。
项目允许偏差(mm)绑扎钢筋网长、宽±10 网眼尺寸±20绑扎钢筋骨架长±10 宽、高±5受力钢筋间距±10排距±5 保护层厚度基础±10柱、梁±5板、墙、壳±3绑扎箍筋、横向钢筋间距±20 钢筋弯起点位置20二、砌体工程主控项目1 砖强度等级设计要求MU2 砂浆强度等级设计要求M3 水平灰缝砂浆饱满度≥80%4 斜槎留置第5.2.3条5 直槎拉结筋及接槎处理第5.2.4条6 轴线位移≤10mm7 垂直度(每层)≤5mm一般项目1 组砌方法第5.3.1条2 水平灰缝厚度10mm 8–12mm3 基础顶面、楼面标高±15mm4 表面平整度(混水)8mm5 门窗洞口高度宽±5mm6 外墙上下窗口偏移20mm7 水平灰缝平直度(混水)10mm模板安装允许偏差及检查方法序号项目允许偏差值(mm)检查方法国家标准省优质结构工程标准1 轴线位移柱、墙、梁 5 3 尺量2 底模上表面标高±5 ±3 水准仪或拉线尺量3 截面内尺寸基础±10±6尺量柱、墙、梁+4、-5±34 层高垂直度层高不大于5m6 4 经纬仪或吊线、尺量大于5m 8 65 相邻两板表面高低差 2 2 尺量6 表面平整度 5 3 靠尺、塞尺7 阴阳角方正— 2 方尺、塞尺顺直— 2 线尺8 预埋铁件中心线位移 3 2 拉线、尺量9 预埋管、螺栓中心线位移 3 2拉线、尺量螺栓外露长度+10、0 +5、010 预留孔洞中心线位移+10 6拉线、尺量尺寸+10、0 +6、011 门窗洞口中心线位移— 3拉线、尺量宽、高—±5对角线— 612 插筋中心线位移 5 5尺量外露长度+10、0 +10、0预制构件尺寸允许偏差及检验方法项目允许偏差(mm)检验方法长度板、梁+10,-5钢尺检查柱+5,-10墙板±5薄腹梁、桁架+15,-10宽度高(厚)度板、梁、柱、墙板、薄腹梁、桁架±5钢尺量一端及中部,取其中较大值侧向弯曲梁、柱、板L/750 且≤20拉线、钢尺量最大侧向弯曲处墙板、薄腹梁、桁架L/1000且≤20预埋件中心线位置10钢尺检查螺栓位置 5螺栓外露长度+10,-5预留孔中心线位置 5 钢尺检查预留洞中心线位置15 钢尺检查主筋保护层厚度板+5,-3钢尺或保护层厚度测定仪式量测梁、柱、墙板、薄腹梁、桁架+10,-5对角线差板、墙板10 钢尺量两个对角线表面平整度板、墙板、柱、梁 5 2m靠尺和塞尺检查预应力构件预留孔道位置梁、墙板、薄腹梁、桁架3 钢尺检查翘曲板L/750 调平尺在两端量测墙板L/1000墙板注:1、为构件长度(mm)。
.规范允许结构偏差混凝土结构工程施工质量验收规范一、模板分项工程预埋件和预留孔洞的允许偏差项目预埋钢板中心线位置预埋管、预留孔中心线位置插筋中心线位置外露长度预埋螺栓中心线位置外露长度预留洞中心线位置尺寸允许偏差(mm)335+10,02+10,010+10,0注:检查中心线位置时,应沿纵、横两个方向量测,并取其中的较大值。
现浇结构模板安装的允许偏差及检验方法项目轴线位置底模上表面标高基础截面内部尺寸柱、墙、梁层高垂直度不大于5m 允许偏差(mm)5±5±10+4,-56检验方法钢尺检查水准仪或拉线、钢尺检查钢尺检查钢尺检查经纬仪或吊线、钢尺检查大于5m 相邻两板表面高低差表面平整度.825经纬仪或吊线、钢尺检查钢尺检查2m靠尺和塞尺检查注:检查轴线位置时,应沿纵、横两个方向量测,并取其中的较大值。
预制构件模板安装的允许偏差及检验方法项目板、梁长度薄腹梁、桁架柱墙板宽度板、墙板允许偏差(mm)检验方法±5钢尺量两角边,取其中大±10值0,-100,-50,-5钢尺量一端及中部,取其梁、薄腹梁、桁架、柱+2,-5板+2,-3中较大值钢尺量一端及中部,取其高(厚)度墙板0,-5梁、薄腹梁、桁架、柱+2,-5中较大值侧向弯曲梁、板、柱墙板、薄腹梁、桁架板的表面平整度相邻两板表面高低差对角线差板墙板l/1000且≤15l/1500且≤153175拉线、钢尺量最大弯曲处2m靠尺和塞尺检查钢尺检查钢尺量两个对角线翘曲设计起拱板、墙板薄腹梁、桁架、梁l/1500±3调平尺在两端量测拉线、钢尺量跨中注:l为构件长度(mm)。
4.3模板拆除主控项目底模拆除时的混凝土强度要求构件类型构件跨度(m)达到设计的混凝土立方体抗压强度标准值的百分率(%)≤2≥50板>2,≤8>8梁、拱、壳≤8>8悬臂构件-≥75≥100≥75≥100≥100说明:4.3.1由于过早拆模、混凝土强度不足而造成混凝土结构构件沉降变形、缺棱掉角、开裂、甚至塌陷的情况时有发生。
一、钢筋工程二、砌体工程三、模板工程模板安装允许偏差及检查方法四、混凝土工程预制构件尺寸允许偏差及检验方法注:1、为构件长度(mm)。
2 、检查中心线、螺栓和孔道位置时,应沿纵、横两个方向量测,并取其中的较大值;3 、对开头复杂或特殊要求的构件,其尺寸偏差应符合标准图基设计的要求。
现浇构件尺寸允许偏差及检验方法一混凝土工程GBJ134-903、混凝土结构尺寸的允许偏差表人防)截面尺寸厚度小于200㎜±10mm厚度为200—40㎜±15mm厚度大于400㎜±20mm柱、墙垂直度5mm表面平整度8mm预埋管、预留孔中心线位置偏移5mm预埋螺栓中心线位置偏移5mm预留洞中心线位置偏移15mm电梯井井筒长、宽对中心线井筒全高垂直度+25H/1000且不大于20注:H为电梯井筒全高(㎜)4、混凝土组成材料计量结果的允许偏差:GB50164-92组成材料允许偏差水泥、掺合料±2%粗、细骨料±3%水、外加剂±2%5、混凝土从搅拌机卸出到浇筑完毕的延续时间: GB50164-926、现浇结构尺寸允许偏差和检验方法:GB50204-20027、现浇结构外观质量缺陷: GB50204-2002名称现象严重缺陷一般缺陷露筋构件内钢筋未被混凝土包裹而外露纵向受力钢筋有露筋其他钢筋有少量露筋蜂窝混凝土表面缺少水泥砂浆而形成石子外露构件主要受力部位有蜂窝基他部位有少量蜂窝孔洞混凝土中孔穴深度和长度均超过保护层厚度构件主要受力部位有孔洞其他部位有少量孔洞夹渣混凝土中央有杂物且深度超过保护层厚度构件主要受力部位有夹渣其他部位有少量夹渣疏松混凝土中局部不密实构件主要受力部位有疏松其他部位有少量疏松裂缝缝隙从混凝土表面延构件主要受力部位有影响结其他部位有少量不影响伸至混凝土内部构性能或使用功能的裂缝结构性能或使用功能的裂缝连结部构件连接处混凝土缺陷连接部位有影响结连接部位有基本不影位缺陷及连接钢筋、连接件松动构传力性能的缺陷响结构传力性能的缺陷外形缺陷缺棱掉角、棱角不直、翘清水混凝土构件有影响使用其他混凝土构件有不曲不平、飞边凸肋等功能或装饰效果的外形缺陷影响使用功能的外形缺陷外表缺陷构件表面麻面、掉皮、具有重要装饰效果的其他混凝土构件有起砂、沾污等清水混凝土构件有外表缺陷影响使用功能的外表缺陷8、预制构件尺寸的允许偏差及检验方法:GB50204-2002二模板工程1、现浇构件模板安装的允许偏差及检验方法:GB50204-2002项目允许偏差(㎜) 检验方法轴线位置 5 钢尺检查底模上表面标高±5 水准仪或拉线、钢尺检查截面内基础±10 钢尺检查部尺寸柱、墙、梁+4,-5 钢尺检查层高垂直度不大于5m 6 经纬仪或吊线、钢尺检查大于5m8 经纬仪或吊线、钢尺检查相邻两板表面高低差 2 钢尺检查表面平整度 5 2m靠尺和塞尺检查2、预埋件和预留孔洞的允许偏差:GB50204-2002项目允许偏差(㎜)预埋钢板中心线位置 3预埋管、预留孔中心线位置 3插筋中心线位置 5 外露长度+10,0预埋螺栓中心线位置 2外露长度+10,0预留洞中心线位置10尺寸+10,03、预制构件模板安装的允许许偏差及检验方法: GB50204-2002项目允许偏差(㎜) 检验方法长度板、梁±5 钢尺量两角边,取其中较大值薄腹梁、桁架±10柱0,-10墙、板0,-5宽度板、墙板0,-5 钢尺量一端及中部,梁、薄腹梁、桁架、柱+2,-5 取其中较大值高(厚)度板+2,-3 钢尺量一端及中部,墙板0,-5 取其中较大值梁、薄腹梁、桁架、柱+2,-5侧向弯曲梁、板、柱L/1000且≤15 拉线、钢尺量最大弯曲处墙板、薄腹梁、桁架L/1500且≤15板的表面平整度 3 2m靠尺和塞尺检查相邻两板表面高低差 1 钢尺检查对角线差板7 钢尺量两个对角线墙板 5翘曲板、墙板L/1500 调平尺在两端量测设计起拱薄腹梁、桁架、梁±3 拉线,钢尺量跨中4、底模板拆除时的混凝土强度要求:GB50204-2002构件内型构件跨度(m)达到设计的混凝土立方体抗压强度标准值的百分率(%)板≤2 ≥50〉2,≤8 ≥75〉8 ≥100梁、拱、壳≤8 ≥75>8 ≥100悬臂构件/ ≥100三钢筋工程1、钢筋加工的允许偏差:GB50204-2002项目允许偏差(㎜)受力钢筋顺长度方向全长的净尺寸±10弯起钢筋的弯折位置±20箍筋内净尺寸±52、钢筋安装位置的允许偏差和检验方法: GB50204-2002项目允许偏差(㎜) 检验方法绑扎钢筋网长、宽±10 钢尺检查网眼尺寸±20 钢尺量连续三档,取最大值绑扎钢筋骨架长±10 钢尺检查宽、高±5 钢尺检查受力钢筋间距±10 钢尺量两端、中间各一点,取最大值排间±5保护层厚度基础±10 钢尺检查柱、梁±5 钢尺检查板、墙、壳±3 钢尺检查绑扎箍筋、横向钢筋间距±20 钢尺量连续三档,取最大值钢筋弯起点位置20 钢尺检查预埋件中心线位置 5 钢尺检查水平高差+4,0 钢尺和塞尺检查注:表中梁类、板类构件上部纵向受力钢筋保护层厚度的合点率应达到90%及以上,且不得有超过表中数值1.5倍的尺寸偏差。
钢筋工程、砌体工程三、模板工程模板安装允许偏差及检查方法四、混凝土工程预制构件尺寸允许偏差及检验方法注:1、为构件长度(m m)。
2、检查中心线、螺栓和孔道位置时,应沿纵、横两个方向量测,并取其中的较大值;3、对开头复杂或特殊要求的构件,其尺寸偏差应符合标准图基设计的要求。
现浇构件尺寸允许偏差及检验方法混凝土工程GBJ134—90、梁、杠上任何一处的蚱窝而枳不大十20C51S 累汁不大于WCKJOcmS 孑L洞而科!不人于4Ocmr 累十卜不犬于80c皿备碍筋氏度不人于1 0cm2 , 累计不人于20cm。
二、墙*板*拱上仃何一处的卿備面积不大于2000cm2 >累计>F大十4OOOcm2,孑L洞而私大于lOOcm2*驭刁不大于2OQcm2;筋氏庶不人-HNOcm” 累计不人一H 4Ocg、混凝土结构尺寸的允许偏差表人防截面尺寸厚度小于200伽±0mm厚度为200-40伽±15mm厚度大于400伽±20 mm柱、墙垂直度5mm表面平整度8mm预埋管、预留孔中心线位置偏移5mm预埋螺栓中心线位置偏移5mm预留洞中心线位置偏移15 mm电梯井井筒长、宽对中心线井筒全咼垂直度+ 25H/1000且不大于20 注:H为电梯井筒全高(mm)4、混凝土组成材料计量结果的允许偏差:GB50164 —92组成材料允许偏差水泥、掺合料±2%粗、细骨料±5%水、外加剂±>%6、现浇结构尺寸允许偏差和检验方法:GB50204 —20027、现浇结构外观质量缺陷:GB50204 —2002名称现象严重缺陷一般缺陷露筋构件内钢筋未被混凝土包裹而外露纵向受力钢筋有露筋其他钢筋有少量露筋蜂窝混凝土表面缺少水泥砂浆而形成石子外露构件主要受力部位有蜂窝基他部位有少量蜂窝孔洞混凝土中孔穴深度和长度均超过保护层厚度构件主要受力部位有孔洞其他部位有少量孔洞夹渣混凝土中央有杂物且深度超过保护层厚度构件主要受力部位有夹渣其他部位有少量夹渣疏松混凝土中局部不密实构件主要受力部位有疏松其他部位有少量疏松裂缝缝隙从混凝土表面延构件主要受力部位有影响结其他部位有少量不影响伸至混凝土内部构性能或使用功能的裂缝结构性能或使用功能的裂缝连结部构件连接处混凝土缺陷连接部位有影响结连接部位有基本不影位缺陷及连接钢筋、连接件松动构传力性能的缺陷响结构传力性能的缺陷二模板工程1、现浇构件模板安装的允许偏差及检验方法 :GB50204 — 2002项目允许偏差(伽)检验方法轴线位置5 钢尺检查底模上表面标咼±5水准仪或拉线、钢尺检查截面内 基础±10钢尺检杳部尺寸 柱、 墙、梁 + 4,— 5钢尺检查层咼垂直度不大于5m 6 经纬仪或吊线、钢尺检查大于5m8 经纬仪或吊线、钢尺检查相邻两板表面咼低差2钢尺检查起砂、沾污等 清水混凝土构件有外表缺陷 影响使用功能的外表缺陷 8预制构件尺寸的允许偏差及检验方法GB50204 —外形缺陷 缺棱掉角、棱角不直、翘 曲不平、飞边凸肋等 清水混凝土构件有影响使用 功能或装饰效果的外形缺陷 其他混凝土构件有不 影响使用功能的外形缺陷表面平整度52 m 靠尺和塞尺检查相邻两板表面咼低差 钢尺量两个对角线墙板项目允许偏差(伽)预埋钢板中心线位置 3预埋管、 预留孔中心线位置 3插筋中心线位置 5外露长度+ 10,0预埋螺栓中心线位置 2外露长度+ 10,0预留洞中心线位置 10尺寸+ 10,03、预制构件模板安装的允许许偏差及检验方法:GB50204 — 2002项目允许偏差(伽)检验方法长度板、梁 ±5钢尺量两角边,取其中较大值薄腹梁、桁架±10柱0,— 10墙、板0, — 5宽度板、墙板 0, — 5钢尺量一端及中部,梁、薄腹梁、桁架、柱十2, — 5取其中较大值高(厚)度板 + 2, — 3钢尺量一端及中部,墙板0, — 5取其中较大值梁、 薄腹梁、桁架、柱+ 2, — 5侧向弯曲梁、板、柱L/1000且w 15 拉线、钢尺量最大弓曲处墙板、薄腹梁、桁架L/1500且w 152、预埋件和预留孔洞的允许偏差:GB50204 — 2002板的表面平整度 2m 靠尺和塞尺检查3翘曲 板、墙板L/1500调平尺在两端量测 设计起拱 薄腹梁、 桁架、±3拉线,钢尺量跨中4、底模板拆除时的混凝土强度要求:GB50204 — 2002构件内型 构件跨度(m )达到设计的混凝土立方体抗压强度标准值的百分率(%)>8钢尺检查 对角线差>8 >100悬臂构件/ > 100三钢筋工程1、钢筋加工的允许偏差:GB50204— 2002项目允许偏差(伽) 受力钢筋顺长度方向全长的净尺寸 ±0 弯起钢筋的弯折位置 i20 箍筋内净尺寸±得有超过表中数值1.5倍的尺寸偏差3、纵向受拉钢筋的最小搭接长度 :GB50204— 2002 附录 B钢筋类型混凝土强度等级C15 C20〜C25C30 〜C35 > C40 光圆钢筋 HPB23级 45d 35d 30d 25d 带肋钢筋HRB335 级 55d45d35d30dHRB400 级RRB400 级 / 55d 40d35d注:两根直径不同钢筋的搭接长度 ,以较细钢筋的直径计算。
标准偏差允许范围嘿,朋友!你知道啥是标准偏差允许范围不?这玩意儿啊,就像是给一个调皮的孩子划定的活动区域。
标准偏差,听起来是不是有点高大上?其实没那么玄乎。
咱就说一群学生考试成绩吧,有的考得高,有的考得低,那这些成绩的离散程度就能用标准偏差来衡量。
那标准偏差允许范围呢,就是给这个离散程度画个圈,告诉我们在啥范围内是正常的,啥范围就有点不对劲啦。
比如说,工厂生产零件。
每个零件的尺寸总不可能完全一样吧?要是标准偏差允许范围很小,那说明要求可严格啦,零件尺寸得差不多才行。
这就好比做蛋糕,大小形状得差不多,不然看着就不整齐。
可要是范围很大呢,那可能质量就有点参差不齐喽。
再想想运动员的训练成绩。
短跑的时间,每次都有点差别吧?要是标准偏差允许范围合适,那说明运动员发挥比较稳定。
可要是范围太离谱,一会儿快得惊人,一会儿慢得要命,这能行?这不就像坐过山车,忽上忽下,让人心里没底嘛。
在日常生活里,标准偏差允许范围也无处不在。
比如你买菜称重量,总不能今天买一斤,明天买半斤后天买两斤吧?这重量也得有个差不多的范围,不然菜市场不就乱套啦?还有啊,像我们的工资收入。
要是每个月差距太大,这个月富得流油,下个月穷得叮当响,这谁受得了?所以也得有个相对稳定的范围,心里才有底,日子才能过得踏实,不是吗?所以说,标准偏差允许范围可不是什么高冷的概念,它和咱们的生活息息相关,影响着方方面面。
咱们得搞清楚它,才能更好地把握生活中的各种变化,让事情都在合理的范围内进行,您说是不是这个理儿?总之,标准偏差允许范围就像一把尺子,衡量着事物的稳定与变化,咱们得学会用好这把尺子,让生活更有条理,更有秩序!。
线性尺寸公差表线性尺寸允许的偏差(不包括损坏边缘)(倒圆半径和倒角高度见表2)值用mm表示公差等级公称尺寸允许的偏差名称描述0.5-3>3-6>6-3>30-12>120-40>400-1000>1000-2000>2000-4000f 精密级±0.05±0.05±0.1 ±0.15±0.2±0.3±0.5-m 中等级±0.1±0.1±0.2 ±0.3±0.5±0.8±1.2±2c 粗糙级±0.2±0.3±0.5 ±0.8±1.2±2±3±4v 最粗级-±0.5 ±1±1.5±2.5±4±6±81) 低于0.5mm的公称尺寸,偏差应在公称尺寸后标出。
表2 –损坏边缘线性尺寸允许的偏差(倒圆半径和倒角高度)值用mm表示公差等级公称尺寸允许的偏差名称描述0.5-3 >3-6 >6f 精密级±0.2±0.5±1m 中等级c 粗糙级±0.4±1±2v 最粗级1) 低于0.5mm的公称尺寸,偏差应在公称尺寸后标出。
表3 - 角度尺寸允许的偏差公差等级公称尺寸允许的偏差名称描述≤10>10 ~ 50 > 50 ~ 120 >120 ~ 400 > 400f 精密级±1o±0o30’±0o20’±0o10’±0o5’m 中等级c 粗糙级±1o30’±1o±0o30’±0o15’±0o10’v 最粗级±3o±2o±1o±0o30’±0o201) 低于0.5mm的公称尺寸,偏差应在公称尺寸后标出。
一、钢筋工程项目允许偏差(mm)绑扎钢筋网长、宽±10 网眼尺寸±20绑扎钢筋骨架长±10 宽、高±5受力钢筋间距±10排距±5 保护层厚度基础±10柱、梁±5板、墙、壳±3绑扎箍筋、横向钢筋间距±20 钢筋弯起点位置20二、砌体工程主控项目1 砖强度等级设计要求MU2 砂浆强度等级设计要求M3 水平灰缝砂浆饱满度≥80%4 斜槎留置第5.2.3条5 直槎拉结筋及接槎处理第5.2.4条6 轴线位移≤10mm7垂直度(每层)≤5mm一般项目1 组砌方法第5.3.1条2 水平灰缝厚度10mm 8–12mm3 基础顶面、楼面标高±15mm4 表面平整度(混水)8mm5 门窗洞口高度宽±5mm6 外墙上下窗口偏移20mm7 水平灰缝平直度(混水)10mm三、模板工程模板安装允许偏差及检查方法序号项目允许偏差值(mm)检查方法国家标准省优质结构工程标准1 轴线位移柱、墙、梁 5 3 尺量2 底模上表面标高±5 ±3 水准仪或拉线尺量3 截面内尺寸基础±10±6尺量柱、墙、梁+4、-5±34 层高垂直度层高不大于5m6 4 经纬仪或吊线、尺量小于5m 8 65 相邻两板表面高低差 2 2 尺量6 表面平整度 5 3 靠尺、塞尺7 阴阳角方正— 2 方尺、塞尺顺直— 2 线尺8 预埋铁件中心线位移 3 2 拉线、尺量9 预埋管、螺栓中心线位移 3 2拉线、尺量螺栓外露长度+10、0 +5、010 预留孔洞中心线位移+10 6拉线、尺量尺寸+10、0 +6、011 门窗洞口中心线位移— 3拉线、尺量宽、高—±5对角线— 612 插筋中心线位移 5 5 尺量外露长度+10、0 +10、0 四、混凝土工程预制构件尺寸允许偏差及检验方法项目允许偏差(mm)检验方法长度板、梁+10,-5钢尺检查柱+5,-10墙板±5薄腹梁、桁架+15,-10宽度高(厚)度板、梁、柱、墙板、薄腹梁、桁架±5钢尺量一端及中部,取其中较大值侧向弯曲梁、柱、板L/750 且≤20拉线、钢尺量最大侧向弯曲处墙板、薄腹梁、桁架L/1000且≤20预埋件中心线位置10钢尺检查螺栓位置 5螺栓外露长度+10,-5预留孔中心线位置 5 钢尺检查预留洞中心线位置15 钢尺检查主筋保护层厚度板+5,-3钢尺或保护层厚度测定仪式量测梁、柱、墙板、薄腹梁、桁架+10,-5对角线差板、墙板10 钢尺量两个对角线表面平整度板、墙板、柱、梁 5 2m靠尺和塞尺检查预应力构件预留孔道位置梁、墙板、薄腹梁、桁架3 钢尺检查翘曲板L/750 调平尺在两端量测墙板L/1000墙板注:1、为构件长度(mm)。
2 、检查中心线、螺栓和孔道位置时,应沿纵、横两个方向量测,并取其中的较大值;3 、对开头复杂或特殊要求的构件,其尺寸偏差应符合标准图基设计的要求。
现浇构件尺寸允许偏差及检验方法项目允许偏差(mm)检查方法轴线位置mm基础15钢尺检查独立基础10墙、柱、梁8剪力墙 5垂直度mm 层高≤5m 8钢尺检查>5m 10全高(H)H/1000且≤30钢尺检查标高mm层高±10钢尺检查全高±30截面尺寸+8,-5+25,0钢尺检查电梯井井筒长、宽对定位中心线mm井筒全高(H)垂直度mmH/1000且≤30钢尺检查表面平整度mm 8 钢尺检查预埋设施中心线位置mm预埋件10钢尺检查预埋螺栓 5预埋管 5预留洞中心线位置mm 15 钢尺检查一混凝土工程GBJ134-903、混凝土结构尺寸的允许偏差表人防)项目允许偏差轴线位移10标高层高全高±10 ±20截面尺寸厚度小于200㎜±10mm厚度为200-40㎜±15mm厚度大于400㎜±20 mm柱、墙垂直度5mm表面平整度8mm预埋管、预留孔中心线位置偏移5mm预埋螺栓中心线位置偏移5mm预留洞中心线位置偏移15 mm电梯井井筒长、宽对中心线井筒全高垂直度+25H/1000且不大于20 注:H为电梯井筒全高(㎜)4、混凝土组成材料计量结果的允许偏差:GB50164-92组成材料允许偏差水泥、掺合料±2%粗、细骨料±3%水、外加剂±2%5、混凝土从搅拌机卸出到浇筑完毕的延续时间: GB50164-926、现浇结构尺寸允许偏差和检验方法:GB50204-20027、现浇结构外观质量缺陷: GB50204-2002名称现象严重缺陷一般缺陷露筋构件内钢筋未被混凝土包裹而外露纵向受力钢筋有露筋其他钢筋有少量露筋蜂窝混凝土表面缺少水泥砂浆而形成石子外露构件主要受力部位有蜂窝基他部位有少量蜂窝孔洞混凝土中孔穴深度和长度均超过保护层厚度构件主要受力部位有孔洞其他部位有少量孔洞夹渣混凝土中央有杂物且深度超过保护层厚度构件主要受力部位有夹渣其他部位有少量夹渣疏松混凝土中局部不密实构件主要受力部位有疏松其他部位有少量疏松裂缝缝隙从混凝土表面延构件主要受力部位有影响结其他部位有少量不影响伸至混凝土内部构性能或使用功能的裂缝结构性能或使用功能的裂缝连结部构件连接处混凝土缺陷连接部位有影响结连接部位有基本不影位缺陷及连接钢筋、连接件松动构传力性能的缺陷响结构传力性能的缺陷外形缺陷缺棱掉角、棱角不直、翘清水混凝土构件有影响使用其他混凝土构件有不曲不平、飞边凸肋等功能或装饰效果的外形缺陷影响使用功能的外形缺陷外表缺陷构件表面麻面、掉皮、具有重要装饰效果的其他混凝土构件有起砂、沾污等清水混凝土构件有外表缺陷影响使用功能的外表缺陷8、预制构件尺寸的允许偏差及检验方法: GB50204-2002二模板工程1、现浇构件模板安装的允许偏差及检验方法: GB50204-2002项目允许偏差(㎜) 检验方法轴线位置 5 钢尺检查底模上表面标高±5 水准仪或拉线、钢尺检查截面内基础±10 钢尺检查部尺寸柱、墙、梁+4,-5 钢尺检查层高垂直度不大于5m 6 经纬仪或吊线、钢尺检查大于5m8 经纬仪或吊线、钢尺检查相邻两板表面高低差 2 钢尺检查表面平整度 5 2m靠尺和塞尺检查2、预埋件和预留孔洞的允许偏差: GB50204-2002项目允许偏差(㎜)预埋钢板中心线位置 3预埋管、预留孔中心线位置 3插筋中心线位置 5外露长度+10,0预埋螺栓中心线位置 2外露长度+10,0预留洞中心线位置10尺寸+10,03、预制构件模板安装的允许许偏差及检验方法: GB50204-2002项目允许偏差(㎜) 检验方法长度板、梁±5 钢尺量两角边,取其中较大值薄腹梁、桁架±10柱0,-10墙、板0,-5宽度板、墙板0,-5 钢尺量一端及中部,梁、薄腹梁、桁架、柱+2,-5 取其中较大值高(厚)度板+2,-3 钢尺量一端及中部,墙板0,-5 取其中较大值梁、薄腹梁、桁架、柱+2,-5侧向弯曲梁、板、柱L/1000且≤15 拉线、钢尺量最大弯曲处墙板、薄腹梁、桁架L/1500且≤15板的表面平整度 3 2m靠尺和塞尺检查相邻两板表面高低差 1 钢尺检查对角线差板7 钢尺量两个对角线墙板 5翘曲板、墙板L/1500 调平尺在两端量测设计起拱薄腹梁、桁架、梁±3 拉线,钢尺量跨中4、底模板拆除时的混凝土强度要求: GB50204-2002构件内型构件跨度(m) 达到设计的混凝土立方体抗压强度标准值的百分率(%)板≤2 ≥50>2,≤8 ≥75>8 ≥100梁、拱、壳≤8 ≥75>8 ≥100悬臂构件/ ≥100三钢筋工程1、钢筋加工的允许偏差: GB50204-2002项目允许偏差(㎜)受力钢筋顺长度方向全长的净尺寸±10弯起钢筋的弯折位置±20箍筋内净尺寸±52、钢筋安装位置的允许偏差和检验方法: GB50204-2002项目允许偏差(㎜) 检验方法绑扎钢筋网长、宽±10 钢尺检查网眼尺寸±20 钢尺量连续三档,取最大值绑扎钢筋骨架长±10 钢尺检查宽、高±5 钢尺检查受力钢筋间距±10 钢尺量两端、中间各一点,取最大值排间±5保护层厚度基础±10 钢尺检查柱、梁±5 钢尺检查板、墙、壳±3 钢尺检查绑扎箍筋、横向钢筋间距±20 钢尺量连续三档,取最大值钢筋弯起点位置20 钢尺检查预埋件中心线位置 5 钢尺检查水平高差+4,0 钢尺和塞尺检查注:表中梁类、板类构件上部纵向受力钢筋保护层厚度的合点率应达到90%及以上,且不得有超过表中数值1.5倍的尺寸偏差。
3、纵向受拉钢筋的最小搭接长度: GB50204-2002附录B钢筋类型混凝土强度等级C15 C20~C25 C30~C35 ≥C40光圆钢筋HPB23级45d 35d 30d 25d带肋钢筋HRB335级55d 45d 35d 30dHRB400级RRB400级/ 55d 40d 35d注:两根直径不同钢筋的搭接长度,以较细钢筋的直径计算。
4、钢筋电弧焊焊条型号:JGJ18-96钢筋级别电弧焊接头型式坡口焊,熔槽帮条焊, 窄间隙焊钢筋与钢板搭接焊预埋邦条焊,搭接焊预埋件穿孔塞焊件T型角焊ⅠE4203 E4303 E4316E4315 E4303ⅡE4303 E5003 E5016E5015 E4303ⅢE5003 E5503 E6016E6015 /6、电渣压力焊接头焊接缺陷及消除措施: JGJ18-96焊接缺陷措施轴线偏移 1.矫正直钢筋端部;2.正确安装夹具和钢筋;3.避免过大的顶压力;4.及时修理或更换夹具弯折 1. 矫正直钢筋端部;2.注意安装和扶持上钢筋;3.避免焊后过快卸夹具;4. 修理或更换夹具咬边 1.减小焊接电流;2.缩短焊接时间;3.注意上钳口的起点和止点,确保钢筋顶压到位未焊合 1.增大焊接电流;2.避免焊接时间过短;3.确保上钢筋下送处如焊包不均 1.钢筋端面力求平整;2.填装焊浏尽量均匀;3.延长焊接时间.适当增加熔化量气孔 1.按规定要求烘焙焊浏;2.清除钢筋焊接部位的铁锈;3.确保接缝在焊剂中合适埋入深度烧伤 1.钢筋导电部位除净铁锈;2.尽量夹紧钢筋焊包下淌 1.彻底封堵焊剂筒的漏孔;2.避免焊后过快回收焊剂7、埋弧压力焊焊接参数: JGJ18-96钢筋级别钢筋直径(㎜) 引弧提升高度(㎜) 电弧电压(V) 焊接电流(A) 焊接通电时间(S)I级 6 2.5 30~35 400~4508 2.5 30~35 500~600Ⅱ级10 2.5 30~35 500~65012 3.0 30~35 500~65014 3.5 30~35 500~65016 3.5 30~40 500~65018 3.5 30~40 500~65020 3.5 30~40 500~60022 4.0 30~40 500~60025 4.0 30~40 500~6508、预埋件钢筋埋弧压力焊接头焊接缺陷及消除措施: JGJ18-96焊接缺陷措施钢筋咬边 1.减小焊接电流或缩短焊接时间;2.增大压入量;气孔 1.烘焙焊剂;2.清除钢板和钢板上的铁锈、油污;夹渣 1.清除焊剂中熔渣等杂物;2.避免过早切断焊接流;3.加快顶压速度;未焊合 1.增大焊接电流,增加焊接通电时间;2.适当加大顶压力;焊包不均匀 1.保证焊接地线的接触良好;2.使焊接处对称导电;钢板焊穿 1.减小焊接电流或减少焊接通电时间;2.避免钢板局部悬空;钢筋淬硬脆断 1. 减小焊接电流,延长焊接时间;2.检查钢筋化学成分;钢板凹陷 1. 减小焊接电流,延长焊接时间;2.减小顶压力,减小压入量9、钢筋电弧焊接头尺寸偏差及缺陷允许值: JGJ18-96名称单位接头型式帮条焊搭接焊坡口焊;窄间隙焊;熔槽帮条焊帮条焊接头中心线的纵向偏移㎜0.5d / /接头处弯折角(º) 4 4 4接头处钢筋轴线的偏移㎜0.1d 0.1d 0.1d焊缝厚度㎜+0.05d;0 +0.05d;0 /焊缝宽度㎜+0.1d;0 +0.1d;0 /焊缝长度㎜-0.5d -0.5d /横向咬边深度㎜0.5 0.5 0.5在长2d焊缝表面数量↑ 2 2 /上的气孔及夹渣面积㎜² 6 6 /在全部焊缝表面数量↑ / / 2上的气孔及夹渣面积㎜² / / 69、钢筋临时性接头尺寸偏差及缺陷允许值: 同8四地基与基础工程1、土方开挖工程质量检验标准(㎜)GB50202-20022、临时性2、挖方边坡值: GB50202-2002土的类别边坡值(高:宽)砂土(不包括细砂、粉砂) 1:1.25~1:1.5一般性粘土硬1:0.75~1:1.0硬、塑1:1.00~1:1.25软1:0.50~1:1.0或更缓碎石类土充填坚硬,硬塑性粘土1:0.50~1:1.00碎石类土充填砂土1:1.0~1:1.50注:1.设计有要求时,应符合设计标准。