电厂烟气排放折算公式 (2)
- 格式:docx
- 大小:17.38 KB
- 文档页数:5
烟气折算公式流速Vs = Kv * Vp其中Vs 为折算流速Kv为速度场系数Vp 为测量流速粉尘1 粉尘干基值DustG = Dust / ( 1 – Xsw / 100 )其中DustG 为粉尘干基值Dust 为实测的粉尘浓度值Xsw 为湿度2 粉尘折算DustZ = DustG * Coef其中DustZ 为折算的粉尘浓度值DustG 为粉尘干基值Coef 为折算系数,它的计算方式如下:Coef = 21 / ( 21 - O2 ) / Alphas其中O2 为实测的氧气体积百分比。
Alphas 为过量空气系数(燃煤锅炉小于等于45.5MW折算系数为1.8; 燃煤锅炉大于45.5MW折算系数为1.4; 燃气、燃油锅炉折算系数为1.2)3粉尘排放率DustP = DustG * Qs / 1000000其中DustP 为粉尘排放率Dust 为粉尘干基值Qs 为湿烟气流量,它的计算方式如下:Qs = 3600 * F * Vs其中Qs 为湿烟气流量F 为测量断面面积Vs 为折算流速SO21 SO2干基值SO2G = SO2 / ( 1 – Xsw / 100 )其中SO2G 为SO2干基值SO2 为实测SO2浓度值Xsw 为湿度2 SO2折算SO2Z = SO2G * Coef其中SO2Z 为SO2折算率SO2G 为SO2干基值Coef 为折算系数,具体见粉尘折算3 SO2排放率SO2P = SO2G * Qsn / 1000000其中SO2P 为SO2排放率SO2G 为SO2干基值Qsn 为干烟气流量,它的计算方式如下:Qsn = Qs * 273 / ( 273 + Ts ) * ( Ba + Ps ) / 101325 * ( 1 – Xsw / 100 ) 其中Qs 为湿烟气流量Ts 为实测温度Ba 为大气压力Ps 为烟气压力Xsw 为湿度NO1 NO干基值NOG = NO / ( 1 – Xsw / 100 )其中NOG 为NO干基值NO 为实测NO浓度值Xsw 为湿度2 NO折算NOZ = NOG * Coef其中NOZ 为NO折算率NOG 为NO干基值Coef 为折算系数,具体见粉尘折算3 NO排放率NOP = NOG * Qsn / 1000000其中NOP 为NO排放率NOG 为NO干基值Qsn 为干烟气流量,它的计算方式如下:Qsn = Qs * 273 / ( 273 + Ts ) * ( Ba + Ps ) / 101325 * ( 1 – Xsw / 100 ) 其中Qs 为湿烟气流量Ts 为实测温度Ba 为大气压力Ps 为烟气压力Xsw 为湿度。
烟气折算公式流速Vs = Kv *Vp其中Vs 为折算流速Kv为速度场系数Vp 为测量流速粉尘1 粉尘干基值DustG = Dust / ( 1 – Xsw / 100 )其中DustG 为粉尘干基值Dust 为实测的粉尘浓度值Xsw 为湿度2 粉尘折算DustZ = DustG *Coef其中DustZ 为折算的粉尘浓度值DustG 为粉尘干基值Coef 为折算系数,它的计算方式如下:Coef = 21 / ( 21 - O2 )/ Alphas其中O2 为实测的氧气体积百分比。
Alphas 为过量空气系数(燃煤锅炉小于等于45.5MW折算系数为1。
8;燃煤锅炉大于45.5MW折算系数为1。
4;燃气、燃油锅炉折算系数为1.2)3粉尘排放率DustP = DustG *Qs / 1000000其中DustP 为粉尘排放率Dust 为粉尘干基值Qs 为湿烟气流量,它的计算方式如下:Qs = 3600 * F * Vs其中Qs 为湿烟气流量F 为测量断面面积Vs 为折算流速SO21 SO2干基值SO2G = SO2 / (1 – Xsw / 100 )其中SO2G 为SO2干基值SO2 为实测SO2浓度值Xsw 为湿度2 SO2折算SO2Z = SO2G * Coef其中SO2Z 为SO2折算率SO2G 为SO2干基值Coef 为折算系数,具体见粉尘折算3 SO2排放率SO2P = SO2G *Qsn / 1000000其中SO2P 为SO2排放率SO2G 为SO2干基值Qsn 为干烟气流量,它的计算方式如下:Qsn = Qs *273 / (273 + Ts ) * (Ba + Ps )/ 101325 * ( 1 – Xsw / 100 )其中Qs 为湿烟气流量Ts 为实测温度Ba 为大气压力Ps 为烟气压力Xsw 为湿度NO1 NO干基值NOG = NO / (1 – Xsw / 100 )其中NOG 为NO干基值NO 为实测NO浓度值Xsw 为湿度2 NO折算NOZ = NOG * Coef其中NOZ 为NO折算率NOG 为NO干基值Coef 为折算系数,具体见粉尘折算3 NO排放率NOP = NOG * Qsn / 1000000其中NOP 为NO排放率NOG 为NO干基值Qsn 为干烟气流量,它的计算方式如下:Qsn = Qs *273 / ( 273 + Ts ) *(Ba + Ps )/ 101325 *(1 – Xsw / 100 )其中Qs 为湿烟气流量Ts 为实测温度Ba 为大气压力Ps 为烟气压力Xsw 为湿度。
精心整理1.1.1烟气流量的计算s s V F Q ⨯⨯=3600(式4-1)式中:s Q -湿烟气排放量,m 3/h ;F -测定断面面积,m 2;s V -测定断面的平均烟气流速,m/s 。
1.1.2标态下干烟气排放量的计算4-2) a B s p s t 1.1.34-3)m V s P s t -烟气温度,℃。
1.1.4烟气含尘浓度计算310⨯=sndV gC (式4-4)式中:C -标准状态下干燥烟气的含尘浓度,mg/Nm 3;g -所采得的粉尘量,mg ;21g g g -=;1g -采样前滤筒质量,mg ; 2g -采样后滤筒质量,mg 。
1.1.5烟尘排放量的计算610mm Q C q ⋅=(式4-5) 式中:m q -烟尘排放量kg/h 。
1.1.6漏风率的计算4-6)in O 2K 1.1.74-7)in C 1.1.84-8)式中:p ∆-除尘器压力降,Pa ;in p -除尘器入口全压平均值,Pa ; out p -除尘器出口全压平均值,Pa ;H p -高温气体浮力的校正值,Pa 。
()gHp a H ρρ-=(式4-9)式中:a ρ-大气密度,kg/m 3;ρ-通过除尘器气体的密度,kg/m 3;g -重力加速度,m/s 2;H -出入口测试位置的高度差,m 。
1.1.9静压的计算)1000(2p d t s K P P P ⨯-=(式4-10) 式中:s P -烟气静压,kPa ;d P p K 1.1.104-11)s V 1.1.114-12) p K d P -烟气动压,Pa ;ρ-烟气密度,kg/m 3。
1.1.12湿烟气密度的计算10132527327334.1s a P B t ρs +⨯+⨯=(式4-13)式中:ρ-烟气密度,kg/m 3;B-大气压力,Pa;ap-测点处烟气静压,Pa;st-烟气温度,℃。
s。
烟气折算公式之答禄夫天创作流速Vs = Kv * Vp其中Vs 为折算流速Kv为速度场系数Vp 为丈量流速粉尘1 粉尘干基值DustG = Dust / ( 1 – Xsw / 100 )其中DustG 为粉尘干基值Dust 为实测的粉尘浓度值Xsw 为湿度2 粉尘折算DustZ = DustG * Coef其中DustZ 为折算的粉尘浓度值DustG 为粉尘干基值Coef 为折算系数,它的计算方式如下:Coef = 21 / ( 21 - O2 ) / Alphas其中O2 为实测的氧气体积百分比.Alphas 为过量空气系数(燃煤锅炉小于即是45.5MW 折算系数为 1.8; 燃煤锅炉年夜于45.5MW折算系数为 1.4; 燃气、燃油锅炉折算系数为1.2)3粉尘排放率DustP = DustG * Qs / 1000000其中DustP 为粉尘排放率Dust 为粉尘干基值Qs 为湿烟气流量,它的计算方式如下:Qs = 3600 * F * Vs其中Qs 为湿烟气流量F 为丈量断面面积Vs 为折算流速SO21 SO2干基值SO2G = SO2 / ( 1 – Xsw / 100 )其中SO2G 为SO2干基值SO2 为实测SO2浓度值Xsw 为湿度2 SO2折算SO2Z = SO2G * Coef其中SO2Z 为 SO2折算率SO2G 为SO2干基值Coef 为折算系数,具体见粉尘折算3 SO2排放率SO2P = SO2G * Qsn / 1000000其中SO2P 为SO2排放率SO2G 为SO2干基值Qsn 为干烟气流量,它的计算方式如下:Qsn = Qs * 273 / ( 273 + Ts ) * ( Ba + Ps ) / 101325 * ( 1 – Xsw / 100 )其中Qs 为湿烟气流量Ts 为实测温度Ba 为年夜气压力Ps 为烟气压力Xsw 为湿度NO1 NO干基值NOG = NO / ( 1 – Xsw / 100 )其中NOG 为NO干基值NO 为实测NO浓度值Xsw 为湿度2 NO折算NOZ = NOG * Coef其中NOZ 为 NO折算率NOG 为NO干基值Coef 为折算系数,具体见粉尘折算3 NO排放率NOP = NOG * Qsn / 1000000其中NOP 为NO排放率NOG 为NO干基值Qsn 为干烟气流量,它的计算方式如下:Qsn = Qs * 273 / ( 273 + Ts ) * ( Ba + Ps ) / 101325 * ( 1 – Xsw / 100 )其中Qs 为湿烟气流量Ts 为实测温度Ba 为年夜气压力Ps 为烟气压力Xsw 为湿度。
几个常用的系数供参考(排污系数)烧一吨煤,产生1600×S%千克SO2,1万立方米废气,产生200千克烟尘。
烧一吨柴油,排放2000×S%千克SO2,1.2万立米废气;排放1千克烟尘。
烧一吨重油,排放2000×S%千克SO2,1.6万立米废气;排放2千克烟尘。
大电厂,烟尘治理好,去除率超98%,烧一吨煤,排放烟尘3-5千克。
普通企业,有治理设施的,烧一吨煤,排放烟尘10-15千克;砖瓦生产,每万块产品排放40-80千克烟尘;12-18千克二氧化硫。
规模水泥厂,每吨水泥产品排放3-7千克粉尘;1千克二氧化硫。
乡镇小水泥厂,每吨水泥产品排放12-20千克粉尘;1千克二氧化硫。
物料衡算公式:1吨煤炭燃烧时产生的SO2量=1600×S千克;S含硫率,一般0.6-1.5%。
若燃煤的含硫率为1%,则烧1吨煤排放16公斤SO2 。
1吨燃油燃烧时产生的SO2量=2000×S千克;S含硫率,一般重油1.5-3%,柴油0.5-0.8%。
若含硫率为2%,燃烧1吨油排放40公斤SO2 。
排污系数:燃烧一吨煤,排放0.9-1.2万标立方米燃烧废气,电厂可取小值,其他小厂可取大值。
燃烧一吨油,排放1.2-1.6万标立方米废气,柴油取小值,重油取大值。
【城镇排水折算系数】 0.7~0.9,即用水量的70-90%。
【生活污水排放系数】采用本地区的实测系数。
【生活污水中COD产生系数】60g/人.日。
也可用本地区的实测系数。
【生活污水中氨氮产生系数】7g/人.日。
也可用本地区的实测系数。
使用系数进行计算时,人口数一般指城镇人口数;在外来较多的地区,可用常住人口数或加上外来人口数。
【生活及其他烟尘排放量】按燃用民用型煤和原煤分别采用不同的系数计算:民用型煤:每吨型煤排放1~2公斤烟尘原煤:每吨原煤排放8~10公斤烟尘一、工业废气排放总量计算1.实测法当废气排放量有实测值时,采用下式计算:Q年= Q时× B年/B时/10000式中:Q年——全年废气排放量,万标m3/y;Q时——废气小时排放量,标m3/h;B年——全年燃料耗量(或熟料产量),kg/y;B时——在正常工况下每小时的燃料耗量(或熟料产量),kg/h。
【小技巧】燃煤电厂大气污染物排放总量的估算一般电厂大气污染物排放用mg/m3表示,怎么能快速估算出每发一度电大气污染物的排放量是多少呢?即如何把排放的单位从mg/Nm3转换成mg/kWh或g/kWh呢?这样估算某一时间段内的污染物排放量不就容易多了么?当然,还可顺便计算所需交的排污费用呢。
解决思路,如果我们能取得某一负荷(MW)下相应的烟气量(Nm3/h)及污染物排放浓度(mg/Nm3),即可计算,度电污染物排放量(mg/kwh) = 烟气量(Nm3/h)×污染物排放浓度(mg/Nm3)/ 负荷(1000 × kW)。
对于全年污染物排放量,我们可以用满负荷工况下的设计烟气量及各环保设施的设计排放浓度来进行估算。
由于不种煤种元素成分不一样以及实际运行时过量空气系数会有差异,对实际的烟气量会有所影响,但对于全年估算来说,可以认为影响不大。
拿一台实施了超低排放改造的600MW的机组为例进行计算,假设其年利用小时数为4500小时,且当地大气污染物排污收费标准均为1.2元/kg,则二氧化硫、氮氧化物及烟尘的年排放总量及排污费用可由如下Excel表估算出来(注:所用烟气量为设计煤种满负荷工况下对应的烟气量,实际算时可用自己厂的设计值替代一下)。
通过这样的计算,我们能简便的估算出所要的结果。
对于环保工程师来说,就能对机组的大气污染物排放总量做到心中有底,与环保部门也能算一版明白账了。
最后,用同样方法对燃气电厂的NOx排放总量进行计算,我们可以发现,在同样的NOx排放浓度(mg/Nm3)时,燃机的度电排放量是要比燃煤的差不多翻倍的。
如拿9F级联合循环机组及9E级联合循环机组的烟气量进行计算,如NOx排放浓度都是50mg/Nm3,则在与超低排放煤电机组发同样多电量的情况下(粉红背景色部分),燃机的NOx的排放总量则要比煤电大约1.8倍哦!想不到吧?。
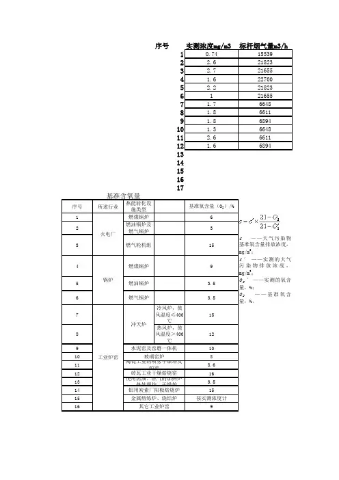
序号实测浓度mg/m3标杆烟气量m3/h10.74155392 2.6218233 2.7216554 1.6227005 2.22182361216557 1.766488 1.866119 1.8689410 1.3664811 2.6661112 1.668941314151617序号所述行业热能转化设施类型基准氧含量(O 2)/%1燃煤锅炉62燃油锅炉及燃气锅炉33燃气轮机组15c——大气污染物基准氧含量排放浓度,mg/m 3;4燃煤锅炉9c ′——实测的大气污染物排放浓度,mg/m 3;5燃油锅炉 3.5O 2′——实测的氧含量,%;6燃气锅炉3.5O 2——基准氧含量,%。
7冷风炉,鼓风温度≤400℃158热风炉,鼓风温度>400℃12910108118.6121613 3.5141515按实测浓度计169铝用炭素厂阳极焙烧炉金属熔炼炉、烧结炉其它工业炉窑火电厂锅炉工业炉窑冲天炉基准含氧量水泥窑及窑磨一体机玻璃窑炉陶瓷工业的喷雾干燥塔及炉窑砖瓦工业干燥焙烧窑使用燃油、燃气的加热炉、热处理炉、干燥炉基准含氧量%监测含氧量%折算浓度mg/m3排放速率kg/h3.52012.950.011498863.519.7350.05673983.520.259.06250.05846853.520280.036323.52038.50.04801063.52017.50.0216553.52029.750.01130163.52031.50.01189983.52031.50.01240923.52022.750.00864243.52045.50.01718863.520280.01103043.520003.520003.520003.520003.52000。
烟气折算方法烟尘排放浓度折算:SOOT=SOOT 实测×实测)× × × (实测)其中:SOOT 实测:烟囱入口烟尘浓度,mg/m3O 实测:机组排烟氧含量,%T :机组排烟温度X 实测:机组排烟湿度,%脱硫排放浓度折算公式:折算值=(实测值mg/m3)×(氧气折算到6%)=SO2实测值×2.86×(21-6)/(21-氧量实测值)其中:2.86是PPM 换算成mg /m3的转换率。
各种种锅炉及其锅炉形式、燃烧方式的不同,锅炉过剩空气系数也不同,为了统一尺度对锅炉排放的二氧化硫进行监管,国家环保部在制定标准时定义排放浓度时也同时定义了温度K273、大气压101325pa 、锅炉烟气过剩空气系数(燃煤锅炉a =1.8,燃油、燃气锅炉a =1.2)等条件,折算到该条件下的排放浓度达到标准规定值即为“达标排放”,超过规定值即为“超标排放”。
环保局的监测数据均按标准折算,以确定是否超标应予处罚,并按此计算排放总量。
实测值与折算值得出的重量是一样的。
(过剩)空气系数过剩空气系数是燃料燃烧时实际空气需要量与理论空气需要量之比值,用“α”表示。
计算公式:α=20.9%/(20.9%-O2实测值)其中:20.9%为O2在环境空气中的含量,O2实测值为仪器测量烟道中的O2值举例:锅炉测试时O2实测值为13%,计算出的过剩空气系数α=20.9%/(20.9%-13%)=2.6国标规定过剩空气系数应按α=1.8(燃煤锅炉),α=1.2(燃油燃气锅炉)进行折算。
举例:燃煤锅炉,锅炉测试时O2实测值为13%,SO2排放值500ppm,计算出的过剩空气系数α=2.6,那么根据国标规定,折算后的SO2排放浓度=SO2实测值×(α实际值/α国标值)=500ppm×(2.6/1.8 )=722ppm举例:燃油燃气锅炉,锅炉测试时O2实测值为13%,SO2排放值500ppm,计算出的过剩空气系数α=2.6,那么根据国标规定,折算后的SO2排放浓度=SO2实测值×(α实际值/α国标值)=500ppm×(2.6/1.2 )=1083ppmPPM 是浓度单位的一种。
、NO —NO2 转换公式NO2=NO/30*46=NO*1.53(U23/Model1080监测的是NO,而DAS显示的为NO2,用此公式做NO/NO2的浓度转换)式中:30 为NO 的分子量46 为NO2 的分子量二、折算值计算公式1)实测过量空气系数实测过量空气系数=21 /(21- O2 )其中:21 为空气中的氧含量O2 为实际测量的氧含量2)折算系数折算系数=实测过量空气系数/标准过量空气系数其中:燃煤锅炉的标准过量空气系数为 1.43)折算值折算值=浓度*折算系数其中:折算值为NO2/SO2/CO/DUST 等污染物的折算值浓度为NO2/SO2/CO/DUST 等污染物的实测浓度三、mg/m3 和ppm 单位转换公式1)转换系数转换系数=气体分子量/22.4其中:转换系数为NO2/SO2/CO的转换系数气体分子量为NO2/SO2/CO的分子量22.4为气体摩尔体积SO2 的转换系数:64/22.4=2.857NO2 的转换系数:46/22.4=2.05CO的转换系数:28/22.4=1.252) mg/m3 和ppm 转换浓度(ppm)浓度(mg/m3)/转换系数四、标干流量计算公式1)流速计算公式V==F*C* Pk/其中:V ――流速,单位m/sF――速度场系数C ----- 皮托管系数Pd――未经开方的差压信号Pk ――开方后的差压信号2)工况流量计算公式Q1=3600*A*V其中:Q1――工况流量,单位m3/h最新范本,供参考!V ――流速3)标况流量计算公式A――管道横截面积Q 2=Q1*[(101325+P)/101325]*[273.15/(273.15+T)] 其中:Q1――工况流量,单位m3/hQ2——标况流量,单位Nm3/hP――实测烟气静压,单位PaT――实测烟气温度,单位C4)标干流量计算公式Q 3=Q2* ( 1-H/100)其中:Q3 ----- 标干流量,单位Nm3/hQ2――标况流量,单位Nm3/hH 湿度,单位%DAS 中标干流量计算过程如下:Q =3600*A*V*[(101325+P)/101325]*[273.15/(273.15+T)]* (1-H/100)=(3600/101325) *273.5* A*V*(1-H/100) (101325+P) /(273.15+T)= 9.7* A*V*(1-H/100) (101325+P) /(273.15+T)排放率(kg/h )=实测浓度(mg/m3) *标干流量(m3/h )/1000000其中:排放率为 NO2/SO2/CO/DUST 的排放率实测浓度为 NO2/SO2/CO/DUST 的实测浓度标干流量为烟道的标干流量1) 1 分钟烟气排放量1分钟烟气排放量(m3)=标干流量(m3/h )/60 2) 1 分钟污染物排放量1分钟污染物排放量(kg )=实测浓度(mg/m3) *1分钟烟气排放量(m3) /lOOOOOO 其中: 1分钟污染物排放量为 NO2/SO2/CO/DUST 的 1分钟排放量 实测浓度为 NO2/SO2/CO/DUST 的实测浓度本文档内容可以自由复制内容或自由编辑修改内容期待你的好评和关注,我们将会做得更好】五、 排放率计算公式、. 六 1 分钟排放量计算公式。
烟气折算公式之邯郸勺丸创作流速Vs = Kv * Vp其中Vs 为折算流速Kv为速度场系数Vp 为丈量流速粉尘1 粉尘干基值DustG = Dust / ( 1 – Xsw / 100 )其中DustG 为粉尘干基值Dust 为实测的粉尘浓度值Xsw 为湿度2 粉尘折算DustZ = DustG * Coef其中DustZ 为折算的粉尘浓度值DustG 为粉尘干基值Coef 为折算系数, 它的计算方式如下:Coef = 21 / ( 21 - O2 ) / Alphas其中O2 为实测的氧气体积百分比.Alphas 为过量空气系数(燃煤锅炉小于即是45.5MW 折算系数为 1.8; 燃煤锅炉年夜于45.5MW折算系数为 1.4; 燃气、燃油锅炉折算系数为1.2)3粉尘排放率DustP = DustG * Qs / 1000000其中DustP 为粉尘排放率Dust 为粉尘干基值Qs 为湿烟气流量, 它的计算方式如下:Qs = 3600 * F * Vs其中Qs 为湿烟气流量F 为丈量断面面积Vs 为折算流速SO21 SO2干基值SO2G = SO2 / ( 1 – Xsw / 100 )其中SO2G 为SO2干基值SO2 为实测SO2浓度值Xsw 为湿度2 SO2折算SO2Z = SO2G * Coef其中SO2Z 为 SO2折算率SO2G 为SO2干基值Coef 为折算系数, 具体见粉尘折算3 SO2排放率SO2P = SO2G * Qsn / 1000000其中SO2P 为SO2排放率SO2G 为SO2干基值Qsn 为干烟气流量, 它的计算方式如下:Qsn = Qs * 273 / ( 273 + Ts ) * ( Ba + Ps ) / 101325 * ( 1 – Xsw / 100 )其中Qs 为湿烟气流量Ts 为实测温度Ba 为年夜气压力Ps 为烟气压力Xsw 为湿度NO1 NO干基值NOG = NO / ( 1 – Xsw / 100 )其中NOG 为NO干基值NO 为实测NO浓度值Xsw 为湿度2 NO折算NOZ = NOG * Coef其中NOZ 为 NO折算率NOG 为NO干基值Coef 为折算系数, 具体见粉尘折算3 NO排放率NOP = NOG * Qsn / 1000000其中NOP 为NO排放率NOG 为NO干基值Qsn 为干烟气流量, 它的计算方式如下:Qsn = Qs * 273 / ( 273 + Ts ) * ( Ba + Ps ) / 101325 * ( 1 – Xsw / 100 )其中Qs 为湿烟气流量Ts 为实测温度Ba 为年夜气压力Ps 为烟气压力Xsw 为湿度。
一、NO—NO2转换公式NO2=NO/30*46=NO*1、53(U23/Model1080监测的就是NO,而DAS显示的为NO2,用此公式做NO/NO2的浓度转换)式中:30为NO的分子量46为NO2的分子量二、折算值计算公式1)实测过量空气系数实测过量空气系数=21/(21- O2)其中:21为空气中的氧含量O2为实际测量的氧含量2)折算系数折算系数=实测过量空气系数/标准过量空气系数其中:燃煤锅炉的标准过量空气系数为1、43)折算值折算值=浓度*折算系数其中:折算值为NO2/SO2/CO/DUST等污染物的折算值浓度为NO2/SO2/CO/DUST等污染物的实测浓度三、mg/m3与ppm单位转换公式1)转换系数转换系数=气体分子量/22、4其中:转换系数为NO2/SO2/CO的转换系数气体分子量为NO2/SO2/CO的分子量22、4为气体摩尔体积SO2的转换系数:64/22、4=2、857NO2的转换系数:46/22、4=2、05CO的转换系数:28/22、4=1、252)mg/m3与ppm转换浓度( ppm)= 浓度(mg/m3)/转换系数四、标干流量计算公式1)流速计算公式V==F*C*Pk/其中:V——流速,单位m/sF——速度场系数C——皮托管系数Pd——未经开方的差压信号Pk——开方后的差压信号2)工况流量计算公式Q 1=3600*A*V其中:Q1——工况流量,单位m3/hA——管道横截面积V——流速3)标况流量计算公式Q 2=Q1*[(101325+P)/101325]*[273、15/(273、15+T)]其中:Q1——工况流量,单位m3/hQ2——标况流量,单位Nm3/hP——实测烟气静压,单位PaT——实测烟气温度,单位℃4)标干流量计算公式Q 3=Q2*(1-H/100)其中:Q3——标干流量,单位Nm3/hQ2——标况流量,单位Nm3/hH——湿度,单位%DAS中标干流量计算过程如下:Q =3600*A*V*[(101325+P)/101325]*[273、15/(273、15+T)]* (1-H/100)=(3600/101325)*273、5* A*V*(1-H/100) (101325+P) /(273、15+T)= 9、7* A*V*(1-H/100) (101325+P) /(273、15+T)五、排放率计算公式排放率(kg/h)=实测浓度(mg/m3)*标干流量(m3/h)/1000000 其中:排放率为NO2/SO2/CO/DUST的排放率实测浓度为NO2/SO2/CO/DUST的实测浓度标干流量为烟道的标干流量六、1分钟排放量计算公式1)1分钟烟气排放量1分钟烟气排放量(m3)=标干流量(m3/h)/602)1分钟污染物排放量1分钟污染物排放量(kg)=实测浓度(mg/m3)*1分钟烟气排放量(m3)/其中:1分钟污染物排放量为NO2/SO2/CO/DUST的1分钟排放量实测浓度为NO2/SO2/CO/DUST的实测浓度。
精心整理
一、NO —NO2转换公式
NO2=NO/30*46=NO*1.53
(U23/Model1080监测的是NO ,而DAS 显示的为NO2,用此公式做NO/NO2的浓度转换)
式中:30为NO 的分子量
46为NO2的分子量
二、折算值计算公式
1实测23三、122.4为气体摩尔体积
SO2的转换系数:64/22.4=2.857
NO2的转换系数:46/22.4=2.05
CO 的转换系数:28/22.4=1.25
2)mg/m3和ppm 转换
浓度(ppm )=浓度(mg/m3)/转换系数
四、 标干流量计算公式
1)流速计算公式
V==F*C*Pk/
其中:V——流速,单位m/s
F——速度场系数
C——皮托管系数
Pd——未经开方的差压信号
Pk——开方后的差压信号
2)工况流量计算公式
A
V——流速
3
P
T
4
H
DAS
=(
五、排放率计算公式
排放率(kg/h)=实测浓度(mg/m3)*标干流量(m3/h)/1000000 其中:排放率为NO2/SO2/CO/DUST的排放率
实测浓度为NO2/SO2/CO/DUST的实测浓度
标干流量为烟道的标干流量
六、1分钟排放量计算公式
1)1分钟烟气排放量
1分钟烟气排放量(m3)=标干流量(m3/h)/60
2)1分钟污染物排放量
1分钟污染物排放量(kg)=实测浓度(mg/m3)*1分钟烟气排放量(m3)/1000000其中:1分钟污染物排放量为NO2/SO2/CO/DUST的1分钟排放量
实测浓度为NO2/SO2/CO/DUST的实测浓度。
烟气量的计算常用锅炉烟气量估算方法烧一吨煤,产生1600×S%千克SO2,1万立方米废气,产生200千克烟尘。
3 L! p+ A) H# y& z9 H# ^烧一吨柴油,排放2000×S%千克SO2,1.2万立米废气;排放1千克烟尘。
烧一吨重油,排放2000×S%千克SO2,1.6万立米废气;排放2千克烟尘。
大电厂,烟尘治理好,去除率超98%,烧一吨煤,排放烟尘3-5千克。
4b4 p3 u# E0 W普通企业,有治理设施的,烧一吨煤,排放烟尘10-15千克;) u% S! h+ k% X, g0 ]砖瓦生产,每万块产品排放40-80千克烟尘;12-18千克二氧化硫。
规模水泥厂,每吨水泥产品排放3-7千克粉尘;1千克二氧化硫。
9 ^) e8 |$ w/ q+ P乡镇小水泥厂,每吨水泥产品排放12-20千克粉尘;1千克二氧化硫。
;~# I+ I8 I! ]" h8 q物料衡算公式:8 v; _$ M* U' V8 T; ~1吨煤炭燃烧时产生的SO2量=1600×S千克;S含硫率,一般0.6-1.5%。
若燃煤的含硫率为1%,则烧1吨煤排放16公斤SO2 。
, C8 S r9 W" L& J1吨燃油燃烧时产生的SO2量=2000×S千克;S含硫率,一般重油1.5-3%,柴油0.5-0.8%。
若含硫率为2%,燃烧1吨油排放40公斤SO2 。
' J5 D" G3 m2 C$ \* U6 p¬排污系数:燃烧一吨煤,排放0.9-1.2万标立方米燃烧废气,电厂可取小值,其他小厂可取大值。
燃烧一吨油,排放1.2-1.6万标立方米废气,柴油取小值,重油取大值。
【城镇排水折算系数】 0.7~0.9,即用水量的70-90%。
2 E# C1W& ]' g3 V+ Q+ Q【生活污水排放系数】采用本地区的实测系数。
烟气折算公式之南宫帮珍创作流速Vs = Kv * Vp其中Vs 为折算流速Kv为速度场系数Vp 为丈量流速粉尘1 粉尘干基值DustG = Dust / ( 1 – Xsw / 100 )其中DustG 为粉尘干基值Dust 为实测的粉尘浓度值Xsw 为湿度2 粉尘折算DustZ = DustG * Coef其中DustZ 为折算的粉尘浓度值DustG 为粉尘干基值Coef 为折算系数, 它的计算方式如下:Coef = 21 / ( 21 - O2 ) / Alphas其中O2 为实测的氧气体积百分比.Alphas 为过量空气系数(燃煤锅炉小于即是45.5MW 折算系数为 1.8; 燃煤锅炉年夜于45.5MW折算系数为 1.4; 燃气、燃油锅炉折算系数为1.2)3粉尘排放率DustP = DustG * Qs / 1000000其中DustP 为粉尘排放率Dust 为粉尘干基值Qs 为湿烟气流量, 它的计算方式如下:Qs = 3600 * F * Vs其中Qs 为湿烟气流量F 为丈量断面面积Vs 为折算流速SO21 SO2干基值SO2G = SO2 / ( 1 – Xsw / 100 )其中SO2G 为SO2干基值SO2 为实测SO2浓度值Xsw 为湿度2 SO2折算SO2Z = SO2G * Coef其中SO2Z 为 SO2折算率SO2G 为SO2干基值Coef 为折算系数, 具体见粉尘折算3 SO2排放率SO2P = SO2G * Qsn / 1000000其中SO2P 为SO2排放率SO2G 为SO2干基值Qsn 为干烟气流量, 它的计算方式如下:Qsn = Qs * 273 / ( 273 + Ts ) * ( Ba + Ps ) / 101325 * ( 1 – Xsw / 100 )其中Qs 为湿烟气流量Ts 为实测温度Ba 为年夜气压力Ps 为烟气压力Xsw 为湿度NO1 NO干基值NOG = NO / ( 1 – Xsw / 100 )其中NOG 为NO干基值NO 为实测NO浓度值Xsw 为湿度2 NO折算NOZ = NOG * Coef其中NOZ 为 NO折算率NOG 为NO干基值Coef 为折算系数, 具体见粉尘折算3 NO排放率NOP = NOG * Qsn / 1000000其中NOP 为NO排放率NOG 为NO干基值Qsn 为干烟气流量, 它的计算方式如下:Qsn = Qs * 273 / ( 273 + Ts ) * ( Ba + Ps ) / 101325 * ( 1 – Xsw / 100 )其中Qs 为湿烟气流量Ts 为实测温度Ba 为年夜气压力Ps 为烟气压力Xsw 为湿度。
一、NO—NO2转换公式
NO2=NO/30*46=NO*
(U23/Model1080监测的是NO,而DAS显示的为NO2,用此公式做NO/NO2的浓度转换)
式中:30为NO的分子量
46为NO2的分子量
二、折算值计算公式
1)实测过量空气系数
实测过量空气系数=21/(21- O2)
其中:21为空气中的氧含量
O2为实际测量的氧含量
2)折算系数
折算系数=实测过量空气系数/标准过量空气系数
其中:燃煤锅炉的标准过量空气系数为
3)折算值
折算值=浓度*折算系数
其中:折算值为NO2/SO2/CO/DUST等污染物的折算值
浓度为NO2/SO2/CO/DUST等污染物的实测浓度三、mg/m3和ppm单位转换公式
1)转换系数
转换系数=气体分子量/
其中:转换系数为NO2/SO2/CO的转换系数
气体分子量为NO2/SO2/CO的分子量
为气体摩尔体积
SO2的转换系数:64/=
NO2的转换系数:46/=
CO的转换系数:28/=
2)mg/m3和ppm转换
浓度( ppm)= 浓度(mg/m3)/转换系数
四、标干流量计算公式
1)流速计算公式
V==F*C*Pk/
其中:V——流速,单位m/s
F——速度场系数
C——皮托管系数
Pd——未经开方的差压信号
Pk——开方后的差压信号
2)工况流量计算公式
Q 1=3600*A*V
其中:Q1——工况流量,单位m3/h A——管道横截面积
V——流速
3)标况流量计算公式
Q 2=Q1*[(101325+P)/101325]*[+T)]
其中:Q1——工况流量,单位m3/h
Q2——标况流量,单位Nm3/h P——实测烟气静压,单位Pa T——实测烟气温度,单位℃ 4)标干流量计算公式
Q 3=Q2*(1-H/100)
其中:Q3——标干流量,单位Nm3/h
Q2——标况流量,单位Nm3/h
H——湿度,单位%
DAS中标干流量计算过程如下:
Q =3600*A*V*[(101325+P)/101325]*[+T)]* (1-H/100)
=(3600/101325)** A*V*(1-H/100) (101325+P) /+T)
= * A*V*(1-H/100) (101325+P) /+T)
五、排放率计算公式
排放率(kg/h)=实测浓度(mg/m3)*标干流量(m3/h)/1000000
其中:排放率为NO2/SO2/CO/DUST的排放率
实测浓度为NO2/SO2/CO/DUST的实测浓度
标干流量为烟道的标干流量
六、1分钟排放量计算公式
1)1分钟烟气排放量
1分钟烟气排放量(m3)=标干流量(m3/h)/60
2)1分钟污染物排放量
1分钟污染物排放量(kg)=实测浓度(mg/m3)*1分钟烟气排放量(m3)/1000000
其中:1分钟污染物排放量为NO2/SO2/CO/DUST的1分钟排放量
实测浓度为NO2/SO2/CO/DUST的实测浓度。