弃土场排水沟施工技术交底
- 格式:docx
- 大小:9.88 KB
- 文档页数:5
弃土场改沟技术交底一、工程概况本合同段弃土场改沟是变更增加的,是C20片石混凝土结构,其断面尺寸如图所示,图附后。
二、改沟施工1、基础开挖设置好临时排水沟,以保证排水畅通。
同时结合地质情况选好放坡坡率,设置好安全警戒标志,基坑开挖采用人工配合挖掘机开挖施工,采用自上而下,分段分层的方法进行,基坑开挖好后,采用压路机或小型机械进行基底夯实并整平,然后报请项目部路基工程师或路基助理进行对基坑结构尺寸进行检验。
2、片石混凝土施工的要求改沟C20片石混凝土采用现场浇注。
模板采用钢模,模板要求平顺顺直,模板相邻两边高差不大于2mm,并严密不漏浆。
支撑采用钢管支护,支撑牢固稳定。
模板立好后报项目部路基工程师或路基助理进行检验合格后方可进下一步施工。
混凝土由工地临时设置的拌合机拌制,采用人工运输、人工倒装入模,用插入式振捣器振捣。
所填片石采用色泽均匀、结构密实、不易风化、无裂纹的硬质石料。
片石的形状不受限制,但其中部的厚度不得小于15cm。
混凝土浇筑完成以后应在浮浆后尽快予以覆盖和洒水养护,洒水时间不小于7天,每天洒水次数以能保持砼表面经常处于湿润状态。
改沟沉降缝每10米设置一道,沉降缝位于同一截面上,缝宽1~2cm ,沉降缝用沥清麻絮填塞。
三、质量保证措施1.项目经理部和各项目队共同制定创优规划,明确创优目标,划分创优职责,落实到人。
2.各项目队按照任务分工制定管段工程创优措施和分期实施计划,落实任务,找准关键,选定课题,成立QC小组,积极开展活动,确保全段质量全优。
3.各施工作业班组,要根据自己的创优任务,拟订项目工程具体的分项实施计划,责任到人,严格要求,全员保证,精益求精。
4.推行我单位行之有效的《施工技术管理条例》和《分级技术负责制》,使基层单位技术工作规范化。
5.推行全面质量管理,实行项目分解及目标管理,对重大技术问题组织QC 小组攻关,科学指导施工,积极推广新技术、新工艺、新设备、新材料,为创质量全优的目标共同努力。
技术交底
图1弃土场排水沟示意图
4.2 弃土挡墙施工
(1) 挡墙墙身材料采用C30片石混凝土,片石量为30%。
石料应为石质一致,不易风化且未风化的硬石,无裂纹,其强度等级不应小于MU30。
片石形状不受限制,但中部厚度不应小于15cm。
砌筑前应将石料表面泥土冲洗干净。
(2) 弃土挡墙前端与地表连接处2m范围内采用50cm厚M15浆砌片石铺砌,挡渣墙顶部弃渣表面4m范围采用50cm厚M15浆砌片石铺砌以防流水冲刷。
图5 土场底部碎石盲沟断面图
弃土场表面和边坡采用清淤弃土或清除的地表种植土、表土等覆盖,覆土厚度不少于0.5m,复耕或撒播草籽、乔灌结合绿化。
挡渣墙施工完成后,在墙顶布设位移及沉降量测点,发现挡渣墙位移、沉降时及时反馈至工区工程部。
5、施工注意事项
5.1 挡土墙基础必须置于稳定的地层上。
5.2 雨季施工挡土墙时宜搭设雨棚,地面上加筑适当高度的围埂,以防地表汇集雨水流入基坑内,保持基坑干燥。
基坑开挖前应做好地表截、排水及防渗工作。
5.3 基坑弃土或坑边材料的堆放位置与高度应不影响基坑的稳定。
开挖后及时验槽,认真核对地质资料,如遇地层情况与设计不符时,现场应及时反馈工区工程部,由工程部与设计及业主沟通,以便修正设计参数。
5.4 挡土墙基础施工严禁大面积开挖基础,一次开挖长度控制在10~15m,倾斜基底应确保斜基底尺寸要求,以利于墙身稳定。
基坑回填必须夯实,墙后弃土及时跟进并压实,弃渣不得形成松渣或空洞形成。
1 1排水沟施工技术交底单位工程名称:路基工程 路基工程编号:QRCJ Ⅲ-Ⅰ-JSJD-3-017工程 项目 路基工程DK102+220~DK121+000接受班组工程数量9092.15m ³2013.10.8~2014.6.30交底内容一、主要工程数量及结构尺寸示意图排水沟每10m 数量表(底宽0.6m ,深0.6m )序号 编号 直径(mm ) 长度(m ) 数量(根) 总长(m ) 总重(kg )HPB235钢筋合计(kg ) 混凝土(m ³) 1 N1 6 2.61 67 174.87 38.821 78.5415.332 N269.9418178.92 39.720水沟钢筋示意图二、质量标准(1)排水沟采用梯形沟,路堤地段梯形沟底宽0.6m ,沟深0.6m ,厚0.2m;路堑地段梯形沟底宽0.6m ,沟深0.6m ,厚0.2m ,内外侧边坡率1:1.均采用混凝土现浇。
(2)排水沟排水坡度陡与1:2.5时,沟底设缓流设施,缓流设施可采用沟底设置鹅卵石或混凝土预制块等措施,鹅卵石或混凝土预制块间距不大于0.5m ,上下游相错布置。
交底内容(3)排水沟出口末设置2.5m*2.5m*0.5m(长*宽*深)的缓冲池,缓冲池采用厚0.3m的M10浆砌片石砌筑,缓冲池位于地面以下,四周与地面齐平,避免集中水流冲蚀地表。
(4)排水沟内侧边缘距坡脚距离一般不小于2m,排水沟内侧边缘距坡脚距离2m。
(5)排水沟位于路基回填土上时,回填土应分层压实,填料及压实标准与相连的铁路路基本体相同。
(6)排水沟排水坡度不小于2‰,特殊设计地段沟底标高详见路基排水断面设计。
(7)排水沟每10m为一现浇单元,每两个单元间设伸缩缝一道,缝宽2cm,伸缩缝设置详见“伸缩缝设置图”。
伸缩缝设置图(8)排水沟底板钢筋的混凝土净保护层厚度不小于70mm,靠土侧沟壁钢筋的混凝土净保护层厚度不小于70mm,其他钢筋的混凝土净保护层厚度不小于30mm。
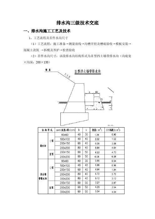
排水沟三级技术交底一、排水沟施工工艺及技术1、工艺流程及首件水沟尺寸(1)工艺流程:施工准备→测量放线→沟槽开挖及槽底验收→模板安装→混凝土浇筑→拆模及养护→检查验收(2)首件水沟尺寸:该段排水沟结构形式为Ⅱ型挡土墙带排水沟(沟底宽×沟深:200×150)2、测量放线根据建设单位移交的测量控制点,按照施工图纸和施工规范中规定的预留工作宽度,准确放出施工开槽线,经施工方及监理方复核确认后方可土方开挖施工。
在开挖至基底部位时,测量人员随时监测开挖深度,严格控制预留土方厚度在200mm以上。
3、沟槽开挖根据排水沟的深度、现况地面标高及沟槽放坡坡度(一般按1:0.3设置),现场洒白灰线控制沟槽开挖宽度与顺直度,利用人工配合挖掘机开挖,自卸汽车运输,机械挖槽应确保槽底土壤不被扰动,基底预留200mm土层人工清底。
开槽后应人工修整槽底,复核槽底高程。
严格控制槽底高尺寸,防止超挖,槽底开挖到位后,应清除浮土,并用打夯机将基底夯实。
如遇软弱淤泥处,应将淤泥清理干净,用碎石土回填至沟底标高并用打夯机将基地夯实。
4、槽底验收基槽开挖完毕后,首先进行自检、互检,合格后,由项目部报请监理工程师进行检验,在全部检验合格后,立即进行下步工序,防止长时间晾槽或者泡水。
5、水沟铺底模板安装水沟铺底为50cm,水沟铺底侧模采用60×120cm钢模板立模。
立模前应将模板打磨干净并涂刷脱模剂。
模板端头之间用螺栓连接(模板接缝处应紧密吻合,用胶条嵌缝),模板背面用双排钢管串连起来(间距为20cm)。
模板支撑可采用钢管或木方,支撑间距为100cm(模板上部及下部均应支撑,必要时可加密支撑),应当保证支撑绝对稳固,避免出现爆模、跑模现象。
每隔20m设置一道伸缩缝。
模板安装完成后,现场技术人员及施工班组长应当先进行自检,自检合格后,报请监理进行检验。
检验合格后方可进行水沟铺底混凝土浇筑。
6、水沟沟墙模板安装当水沟铺底混凝土强度达到75%时,即可进行水沟沟墙模板安装。
土质排水沟施工方案目录第一章编制说明 (1)1.1 编制依据 (1)1.2 编制目的 (1)1.3 编制原则 (1)1.4 编制范围 (2)第二章工程概况 (2)2.1 工程概况 (2)2.2 气象条件 (3)2.3 排水沟工程概况 (3)2.4 主要工程量 (4)第三章施工准备 (4)3.1 技术准备 (4)3.2 人员准备 (4)3.3 主要施工机械 (4)第四章施工进度计划 (5)第五章施工工艺 (5)5.1 施工工艺流程 (5)5.2 施工方案 (6)第六章雨季施工措施 (7)6.1 注意事项 (7)6.2 雨季施工措施 (7)第七章质量保证措施 (8)7.1 质量保证措施 (8)第八章安全保证措施 (9)8.1 安全管理制度 (9)8.2 排水施工安全保证措施 (9)第九章环保、水保措施 (9)第十章文明施工 (10)附表1: (1)第一章编制说明1.1编制依据1)招标文件及补遗书;2)北京武交工程勘察设计院提供的《甘其毛都口岸至临河一级公路两阶段施工图设计》与《地勘报告》;3)中国建筑总公司提供的本项目的《投标文件—施工组织设计》;4)施工图设计文件中明文规定的技术规范、规定、标准以及有关现行的国家和行业技术规范和标准;5)踏勘工地,从现场调查、采集、咨询所获取的资料;6)我单位的施工能力、技术力量和经济实力以及我单位在类似工程的施工经验;7)参考有关施工技术规范及验收标准,详见下表。
表1.1-1 参考技术规范及验收标准表1.2编制目的国道242甘临一级公路位于内蒙古河套地区,地质条件复杂,施工难度大。
每年灌溉次数较多,地下水位高,且降雨相对其他地方均较多,对交排水设置及施工提出了较高的要求,本方案编制的目的是为了确保排水工程的顺利施工,保证工程进度。
1.3编制原则1、遵守内蒙古省高速公路工程施工各项条款要求,认真贯彻业主、总监办及监理工程师的指示、指令和要求。
2、遵守设计文件技术要求、施工技术规范和施工质量检验评定标准,全面响应业主和监理的要求。
排洪沟施工技术交底一、项目背景排洪沟是城市排水系统中的重要组成部分,其主要功能是收纳和引导降雨排水,以保证城市内涝情况得到控制。
施工排洪沟时需要注意各项细节,以确保其运行效果和工程质量。
二、施工前准备1.设计准备:施工方应详细了解设计图纸,并与设计单位进行充分交流,确保对图纸内容的理解一致。
2.材料准备:确认施工过程中需要使用的材料和设备,并进行合理的采购和安排。
3.施工队伍准备:组织施工队伍,确保队员具备相关技术和经验,能够胜任施工任务。
三、施工工艺1.地面准备:在施工前,需要对施工场地进行清理和整平,保证施工操作的顺利进行。
2.开挖:按照设计要求进行开挖,包括主排洪沟和支洪沟的位置和尺寸。
3.排水系统安装:先安装排水管道系统,包括主管、支管和沉淀池等,确保系统的连通性和密封性。
4.沟槽加固:完工后,对排洪沟的沟槽进行加固,以提高其抗压能力和稳定性。
5.管道连接:主管与支管之间需要进行有效的连接,以确保水流畅通,避免渗漏和堵塞。
6.防渗处理:对于排洪沟底部和壁面,需要进行有效的防渗处理,使用防水材料进行涂覆或加固。
7.沟面修整:对排洪沟的沟面进行修整,确保其平整度和坡度,以便有效排水。
四、施工要点1.施工安全:施工过程中,需严格遵守施工安全规范,采取安全措施,防止事故发生。
2.质量控制:交底施工人员需熟悉并掌握施工规范和质量标准,确保施工质量符合要求。
3.施工进度:安排合理的施工计划和进度,避免延误施工进度。
4.施工记录:对施工过程进行详细记录,包括开挖深度、材料使用、施工方法等,以备后续参考。
五、施工验收1.验收标准:施工方应按照设计要求和相关标准对排洪沟进行验收,确保工程质量达到要求。
2.验收程序:施工方和监理单位共同参与验收,提供验收报告,并进行必要的整改和追溯。
3.验收文件:施工方须妥善保管施工过程产生的文件和资料,并及时提交给相关单位。
六、施工注意事项1.环保要求:施工过程中应注意环境保护问题,减少对周边环境的影响,进行垃圾分类处理。
公路土质边沟施工技术交底
类型:工程技术类编号:D-04
开挖过程中和开挖后对高程、坡度进行测量和复核,不允许超挖;开挖应保证上口、下口宽度、坡度、深度满足设计要求;
开挖过程完成后,使原有排水沟和新建纵、横向排水沟斜街平顺,保证流水畅通;(4)修整
对局部坡面和沟底不平整处,采用挖掘机配合人工修整;成型断面线型平顺、美观。
(5)检查验收
分段开挖成型后,对高程、宽度及坡度等进行验收,各项指标应满足设计图纸要求。
六、施工质量控制措施
(1)施工前,组织技术人员和施工工人熟悉图纸,并做好技术交底工作。
(2)严格按照图纸施工,开挖开口线准确放样,确保控制在规范要求的范围内;
(3)定期组织职工进行质量学习,根据作业内容,学习相关的工程质量措施;
(4)开挖过程中,测量人员进行测量校核和检查,对出现的问题及时纠正处理,保证断面尺寸,线性平顺;
七、交通管理计划
7.1临时交通控制示意图
7.2临时交通控制过程。
安全技术交底记录施工水土保持基本措施中国水电十四局贵广铁路十二标段指挥部二○○九年四月安全技术交底记录交底(单位)部门:安质部时间:编号:施工水土保持基本措施安全方针预防为主、防治结合安全指标不发生造成重大社会影响的环境破坏事故主管单位安全质量部负责人王艳利(部门)项目相关单工程部、综合部、各施工队位(部门)安全技术交底内容:为了更加有效地适应贵广铁路工程建设,按照贵广公司“六位一体”中环境保护的要求,指挥部安全质量部结合本标段的工程特点编制了《施工水土保持基本措施》,为更好的提高安全文明施工成效、加强本措施的可操作性,现对本措施向你单位进行交底。
一、工程概况:新建贵阳至广州铁路站前工程GGTJ-12标段范围包括(DK746+789.79-DK763+574,线路长16.784KM)所有路基工程、桥涵工程。
工程为Ⅰ级铁路,路段旅客列车设计行车时速为200KM/h,预留提速条件。
工程处于广东省贺州市与广州段之间,线路自四通特大桥贵阳端台尾,跨三茂铁路,经肇庆北车站,止于青歧涌特大桥主跨前。
共有新建桥梁7座,累计长度9268m,占线路总长的55%,其中特大桥3座计8689m,大桥1座计416m,中桥3座计163m。
梁部采用连续梁的有2联,预制架设箱梁394孔。
新建涵洞30座计980.68横延米新建旅客地道2座计1194.62m2。
本段属于西江、北江冲积平原,局部为岗丘地区及零星剥蚀残丘。
平原地势平坦,水网交错,河塘密布。
属亚热带季风气候,气温高,雨量丰富,雨热同季,无霜期长。
四至九月暴雨较为集中,为汛期,冬季很少严寒。
二、水土保持和防护的重点:1、施工路段产生的污水可能造成直接排放到河流中;2、拌合站拌制混凝土产生的污水可能排放到水渠;3、复耕土随意倾倒;4、高填方路堤;5、桥台、墩台桩基施工弃土、污水排放;6、路基、取土场及弃土场水土流失。
三、水土保持监控责任单位和责任人:责任单位和部门:安质部 施工一队 施工三队 施工五队施工六队 综合队监控责任人:王艳利 刘学宝 徐新 陈敏生 杨擘 谢文华 张海滨 刘文现场监控人员:钮锐 柳建龙 王蓬勃 仪肃峡 罗卫鹏 张富忠 朱吉光四、水土保持所采取的措施:1、对植物、植被、野生动物、人文自然景观等保护措施进行详细介绍。
项目交底记录制表:时间:复核:时间:技术交底书排水工程检查井及管道安装技术交底书挖到底后及时施工垫层混凝土和底板混凝土。
降水至井坑最低点300mm以下。
4)土方开挖后,如土质松软,出现塌方现象即采用钢板桩打支撑。
开挖出的土方全部装车运往指定弃土场,禁止在沟槽边堆土,应做到随挖随运。
5)当沟槽挖深大于2m时,应采用U型钢板桩支护,并应符合下列规定:(5)基础垫层:沟槽经监理工程师验收合格,即可按设计要求进行碎石砂垫层施工。
本工程管道垫层及换填采用厚1:1碎石砂,并分层压实,每层不大于15cm,压实度≥95%。
(若底部有软基处理,则砂垫层宽度=开挖沟槽底宽,厚度为30cm;若底部无软基处理,则砂垫层宽度=基础宽度,厚度为15cm)。
管道基础采用C20混凝土浇筑(先浇筑管底混凝土基础,待管道安装无误后再浇筑管侧基础),检查井基础垫层采用10cmC15素混凝土。
砼需按标准进行立模施工,采用平板振动器振实。
模块采用木模,支撑要有足够的强度、刚度和稳定性,模块接缝要严密。
砼基础施工时应严格控制在无水的情况下施工,同时严格控制标高。
管道基础厚度见表2。
表2管径500600800100012001350150016501800(mm)管底基础100120160200240270300300300(6)沟槽四周侧边采用钢管防护,钢管设置每5m 1根,每根漏出地面1.2m,距离地面0.4m和1m各设置一根横向钢管,钢管之间采用扣件进行连接,使用绿网封闭钢管间的空隙。
7.成品保护措施;名称措施内容覆盖未完成回填工序时,应用模板将沟槽坑洞全部覆盖,防止人员掉落发生安全事故封闭在施工区域两侧设置锥形桶或铁马,拉警戒线封闭,禁止无关人员及车辆接近。
8.其他应注意的问题。
严格按照安全施工交通管制要求设立相关标志牌,建立工作区。
相关人员设备必须在保护区内作业,确保施工安全。
附件及附图:附件1.包管大样图:附件2.地基承载力要求:。
弃土场排水沟施工技术交底1. 前言弃土场排水沟的施工技术,是确保弃土场水系畅通和稳定运行的重要保障。
有效的施工技术能够提高弃土场的处理能力,提高弃土场的处理效率,降低成本,也能减少对周围环境的污染。
本文旨在对弃土场排水沟的施工技术进行详细介绍,以便施工人员能够更好地掌握该项技术。
2. 弃土场排水沟施工技术2.1 排水沟的选型对于弃土场的排水沟来说,需要根据弃土场的实际情况来进行选型。
首先需要考虑的是弃土场的排水量,以及弃土场的水质情况。
其次需要考虑的是弃土场的地形地貌、环境条件等因素。
最后,需要考虑的是弃土场的处理能力和处理效率。
2.2 施工前准备在施工前,需要对弃土场的地形地貌、环境条件等情况进行评估,同时还需对施工现场进行清理,并进行必要的安全措施。
施工前还需要准备好所需的工具、材料和设备等。
2.3 施工步骤2.3.1 清理施工现场施工前,需要对弃土场排水沟的施工现场进行清理,将现场上的垃圾、杂草、碎石等杂物全部清理出去,以保证施工的顺利进行。
2.3.2 土方开挖在清理施工现场后,需要对排水沟的土方进行开挖。
土方的开挖深度应该达到排水沟设计要求深度的1.5倍,以便给管道和速溶剂留有足够的空间。
2.3.3 井口设置为了保证排水沟的畅通,必须在适当的位置开挖两个或多个井口用于检修。
井口的设置要求必须密封严密,以便防止影响弃土场的排水流量。
2.3.4 绿化处理在排水沟的施工过程中,需要保持施工现场的绿化环境。
对于弃土场的风景区等建筑群,还需要进行适当的绿化设计,以便美化环境。
2.3.5 安装排水管在排水沟的施工过程中,需要安装排水管道,这需要根据实际情况来决定管道的材料和规格。
在安装管道的过程中,还需要保持管道的整洁,以便保证排水畅通。
2.3.6 安装护坡板在施工排水沟的同时,还需要安装较为坚固的护坡板,以便保证排水沟的周围边坡不会滑坡。
护坡板的安装质量对于弃土场的施工和运行具有重要影响。
2.4 施工安全措施在施工过程中,需要保证施工人员的安全。
一、交底目的为确保弃土场治理工程安全、高效、有序进行,保障施工人员生命财产安全,现将弃土场治理安全技术要求进行交底,请各施工人员认真学习和执行。
二、交底内容1. 工程概况(1)工程名称:[工程名称](2)工程地点:[工程地点](3)施工单位:[施工单位](4)监理单位:[监理单位]2. 施工安全要求(1)施工人员必须佩戴安全帽、安全带、防尘口罩等个人防护用品。
(2)施工现场设置明显的安全警示标志,施工人员必须遵守安全规定,不得擅自进入危险区域。
(3)施工现场实行定人、定岗、定责制度,各岗位人员应熟悉岗位职责,确保施工安全。
3. 施工现场管理(1)施工现场道路应保持畅通,严禁乱堆乱放,确保车辆、行人通行安全。
(2)施工现场应设置消防设施,确保消防通道畅通,施工人员应掌握消防器材的使用方法。
(3)施工现场应设置排水设施,确保雨水、污水排放畅通,防止积水。
4. 施工过程安全措施(1)挖掘作业1)挖掘前,应先对现场进行勘查,确保无地下管线、电缆等设施。
2)挖掘时,应遵守“先排水、后挖掘”的原则,确保施工安全。
3)挖掘深度超过2米时,应设置安全防护栏,防止人员坠落。
(2)运输作业1)运输车辆应保持良好状态,严禁超载、超速行驶。
2)运输过程中,应遵守交通规则,确保行车安全。
3)运输车辆不得在施工现场随意停放,应停在指定区域。
(3)堆放作业1)弃土场堆放应分层、压实,防止坍塌。
2)堆放高度不得超过规定标准,确保堆体稳定。
3)堆放区域应设置安全警示标志,防止人员误入。
5. 应急处置(1)发生安全事故时,应立即停止施工,报告上级领导。
(2)组织施工人员进行现场救援,确保伤员得到及时救治。
(3)对事故原因进行调查分析,制定整改措施,防止类似事故再次发生。
三、交底要求1. 各施工人员应认真学习本次安全技术交底内容,确保掌握施工安全要求。
2. 施工过程中,各岗位人员应严格遵守安全操作规程,确保施工安全。
3. 施工单位应定期对施工人员进行安全教育培训,提高安全意识。
中铁北京工程局集团《安全技术交底书》表1309-1安全技术交底书
施工准备→测量放样→清除表层植被、挖除腐殖土→施作底部排水沟→施作挡砟墙→弃土→顶部排水沟→绿化
4.弃土场防护方案
4.1弃土设置技术要求
根据施工及环保要求将弃土场进行防护,具体的防护措施如下:
(1)弃土场弃土前需清除弃土场底部地表植被及腐殖土,腐殖土集中堆放,弃土结束后将腐殖土覆盖于砟场表面,厚度不小于50cm,复耕或播撒草籽、乔灌结合绿化。
(2)弃土要分层填平夯实,每层夯实1m,确保后期不沉降,不对水沟产生影响。
(3)弃土填筑边界边坡坡率不得陡于1:2.5,填筑分级高度不得大于8m,每级平台设置12m宽平台,坡面可进行铺土种草绿化。
(详见图1)
图1 弃土场坡面填筑示意图
4.2挡砟墙施工
挡砟墙具体施工见挡砟墙技术交底。
4.3防排水施工
弃土场顶部设2%的横向排水坡,弃土完成后,应施工弃土场顶部M10浆砌片石排水沟,排水沟纵向坡度不小于2%,以引排土场顶部地表水。
土顶水沟末端通过支沟引排至边缘水沟,边缘排水沟与原自然沟沟底顺接,确保沟内流水能通过土顶水沟及时排出,以防冲刷挡砟墙。
土顶边缘水沟应在堆土边缘线以外的原状土或岩石上施工,严禁在土场堆土范围内施工。
图2 排水沟及天沟示意图
弃土场表面和边坡采用清淤弃土或清除的地表种植土、表土等覆盖,覆土厚度不少于
- 2 -
- 3 -
交底人:复核:接底人:日期:
- 4 -。
弃土场排水沟施工技术交底
一、施工前准备工作
1.调查设计:在施工前,要先进行弃土场的勘测和设计,制定出排水沟的施工方案。
2.现场勘查:确定施工地的具体情况,包括土壤的性质、地形起伏、周边环境等。
3.清理工地:在开工前需要清理工地,清除垃圾和杂物,避免影响施工进度。
二、施工要点
1.确定施工线路和坡度:在施工前要根据设计要求确定排水沟施工的线路和坡度,并在现场清理出排水沟的大致形状。
2.按照要求进行挖掘:根据线路和坡度要求,在挖掘时要注意掘土的深度和排水沟横断面的尺寸。
3.铺设过滤层:在排水沟底部铺设过滤层,以起到较好的防渗作用。
4.安装排水管:排水管的敷设要求要与排水沟底面平行,管底距离过滤层10厘米左右。
5.固定排水管:为了避免排水管在使用过程中移动,需在排水管两侧埋设桩木并加以固定。
6.掩埋排水管:对于排水管不能直接直接排放到水体的情况,在完成排水管管道铺设后,需对排水沟进行渐进式的掩埋。
三、注意事项
1.保证施工质量:排水沟的施工对于后期的弃土场管理有着至关重要的影响,必须保证施工的质量。
2.老化与修复:排水沟的长期使用会导致管道老化,需要及时进行检修和修复。
3.沟内保养:对排水沟进行定期清理和保养,以保证沟内畅通。
4.安全施工:在施工中要注意人员和设备的安全,严格遵守相关作业规范,确保施工过程中安全稳定。
四、
在弃土场排水沟施工过程中,必须遵循相关的规范和标准,注重施工质量,定时检修和保养,以保证排水沟的正常运行和后期的环境安全。
弃土场排水沟施工技术交底
一、编制目的
为了保证弃土场排水沟安全顺利施工,弃土场建成后不影响周围居民生活和态环境。
二、编制依据
《铁路桥涵混凝土和砌体结构设计规范》TB10002.4-2005 《京沈客专弃土场设计图》
三、施工工艺流程
排水沟平面布置放线—抄平—挖排水沟—清理排水沟(按2%1 勺排水坡度清理排水沟底平)一排水沟铺设碎石垫层浇筑M10 浆砌片石
四、工程概况
本工程排水沟结构型式采用M10 浆砌片石,局部路段根据情况适当加大排水沟尺寸。
当弃土场横向宽度大于100 m 时设置土场顶中心排水沟。
五、施工方法
5.1 、测量放样开挖前必须通知测量人员,根据弃土场平面布置放置盲沟排水沟位置。
各
别弃土场根据测量人员现场实际情况设置。
浆砌排水沟工程采用分段施工,分段放样。
根据路基中线及护坡道高程放出两侧坡角线,然后根据“沟中心至中桩距离”参数放出排水沟中线,再通过排水沟结构尺寸放出水沟边线,并用白灰在地上画出。
通过沟底高程、沟底纵坡确定开挖深度。
线位设好以后请监理工程师检测,符合要求后再进行下道工序。
5.2 、基坑开挖利用测量放样出勺边线及计算出勺开挖深度,采用人工配合挖掘机械开
挖,
自卸汽车运输的基坑开挖方式。
基坑开挖至距设计沟底10~15cm 时,改以人工挖掘。
人工修整至设计尺寸,不能扰动沟底及坡面原土层,基坑沟底应在密实勺土体上。
开挖清理完毕后请监理工程师检测,符合要求后再进行下道工序。
5.3 、砌筑方法
a、片石、砌体在使用前必须浇水湿润,表面如有泥土、水锈,应清洗干净
b、砌筑基础的第一层时,如基底为岩层,应先将基底表面清洗、湿润,再坐浆砌筑;如为土质,可直接坐浆砌筑
c、基础分2 个工作层砌筑,每个工作层的水平缝应大致找平。
砌体较长时可分段分层砌筑,但两相邻工作段的砌筑差一般不宜超过1.2m; 分段位置宜尽量设在沉降缝或伸缩缝处,各段水平砌缝应一致,各工作层竖缝应相互错开,不得贯通。
d、各砌层的砌块应安放稳固,较大的砌块应使用于下层,且大面向下,安砌时应选取形状及尺寸较为合适的砌块,尖锐突出部分应敲除。
砌块间应砂浆饱满,粘结牢固,不得直接贴靠或脱空。
砌筑时,底浆应铺满,竖缝砂浆应先在已砌石块侧面铺放一部分,然后于石块放好后填满捣实。
用小石子混凝土塞竖缝时,应以扁铁捣实。
竖缝较宽时,应在砂浆中塞以小石块,不得在石块下面用高于砂浆砌缝的小石片支垫。
e、砌筑上层块时,应避免振动下层砌块。
砌筑工作中断后恢复砌筑时,已砌筑的砌层表面应加以清扫和湿润。
f、基础每10-20 米设置一道沉降缝。
每个工作日结束后,需按工作缝处理,或设置为沉降缝。
六、施工注意事项
6.1 片石在使用前必须浇水湿润,表面如有泥土、水锈,应清洗干净。
6.2 砌筑第一层砌块时,应先将基础表面清洗、湿润,再坐浆砌筑。
6.3 砌筑上层块时,应避免振动下层砌块。
砌筑工作中断后恢复砌筑时,已砌
筑的砌层表面应加以清扫和湿润。
6.4 排水沟必须分段施工,分段成型。
在雨季,为使基坑免遭雨水浸泡,严禁
长段开挖,且做好临时排水设施。
6.5 排水沟的开挖、整修、夯实、砌筑形成流水作业,随挖随砌。
6.6 若现场地形有变化,经现场监理工程师同意的情况下根据现场情况另行设置。
6.7 砂浆拌和时须采用模板或雨布放置在出浆口,水泥、砂、石等原材料须放置在模板
或雨布上。
七、质量要求
7.1 、基本要求
7.1.1 砌体砂浆配合比准确,砌缝内砂浆均匀饱满,勾缝密实
7.1.2 砌体抹面应平整、压光、直顺,不得有裂缝、空鼓现象
7.2 、实测项目
表1浆砌排水沟实测项目
八、安全及环保要求
8.1安全要求
8.1.1运输道路、临时用电线路布置、各种管道、仓库、加工车间,工地办公、生活设施等临时工程安排,均要符合安全要求。
8.1.2工地人行道、车行道坚实平坦,必须设有明显警告标志。
8.2环保要求
严格执行国家环、水保规定,符合国家批准的环水保各项要求,落实环、水保措施;最大限度保护各生态功能区原生生态系统;尽量减少对本线涉及的自然资源
环境敏感点的影响。
九、如有不明及时与技术室联系。