100w 功放电路图
- 格式:doc
- 大小:56.00 KB
- 文档页数:2
功放接线示意图下面主要对DVD—功放—音响接线和使用进行一个常识性的讲解,以便大家对功放有一个比较概括的认识。
下面以大坦克功放为例说明进行说明。
功放前面板功放后面板功放前面板的旋钮(从左至右)有输入信号选择控制,低音炮音量控制,混响深度调节,麦克风高音调节,麦克风低音调节,麦克风音量控制,整机电源开关,麦克风输入插座1,麦克风输入插座2,环绕声音量控制,中置声道音量控制,主声道低音控制,主声道高音控制,主声道左右平衡控制,主声道音量控制,等响选择或桥接选择开关。
首先,我们先进行接线,将DVD(音源),功放,音响,之间相连,在连接之前我们注意!要将功放前面板的旋钮依次调到最低音量,也就是全部向左拧。
接线篇接线方式分为,模拟信号(2声道)输出和5.1声道输出喇叭线音频线5.1声道输出接线两种线材,音频线和喇叭线,音频线用于连接DVD(音源)与功放,喇叭线用于连接功放与音响这种是家庭影院较多使用的方式,先把DVD与您的电视相连接:电视与DVD的连接,只需一根音频线,一端插在电视后边的黄色插口(标识大多为:视频音频输入),另一端插在DVD后面板的黄色插口(标识为:TV OUT)再将DVD与功放相连,音频线的一段有两个颜色的接头(红白),先将音频线一端插在DVD的后接口面板上DVD后面板输出接口处共有6个接口,依次是FRONT LR -------------------------(前置主音箱接口)REAR LR----------------------------(环绕接口)CENTER----------------------------(中置接口)SUBWOOFER---------------------(低音炮接口)5.1声道接线,需要将音频线依次插入这三组接口,音频线的另一端我们也要插入对应功放的三组接口内(DVD)FRONT L 连接(功放)FRO白色接口(DVD)FRONT R 连接(功放)FRO红色接口(DVD)REAR L 连接(功放)SURR白色接口(DVD)REAR R 连接(功放)SURR红色接口(DVD)CENTER连接(功放)CEN接口(DVD)SUBWOOFER 连接(功放)S-WOOFER接口如果都依次对应插完,那就已经成功将DVD与功放连接上了。
100W功放设计方案一、功放设计指标:1、频率范围:68MHz-2400MHz (分7段),即68MHz ~ 120MHz120MHz ~ 200MHz200MHz ~ 350MHz350MHz ~ 600MHz600MHz ~ 1000MHz1000MHz ~ 1800MHz1800MHz ~ 2400MHz2、增益:40dB3、功率:50dBm4、带内平坦度:+/- 3dB5、谐波抑制:>=50dB二、监控功能:1、前向功率检测2、功放故障告警3、功放开关三、方案设计:本功放为100W大功率宽带功放,为宽带匹配,采用传输线变压器作输入输出匹配,功放管采用推挽结构。
线性要求为谐波抑制,对三阶互调要求不高,为简化设计,可在功放输出接一低通滤波器,滤除谐波分量,末级功放可以饱和功率输出,推动级为防止非线性叠加,采用功率回退。
现以600MHz—1000MHz 功放为例说明。
功放管选择:采用Polyfet公司的SK202、LK802和LB401。
功放模块框图如下:100W功放由四级放大器级联组成,各级指标如下:放大级管子输出幅度(dBm)增益(dB)形式第一级AH101 14 13 单管第二级SK202 27 13 推挽第三级LK802 40 12 推挽第四级LB401 50 10 推挽四、器件介绍:1、AH101:应用电路:2、SK202:3、LK802:4、LB401:五、匹配设计:以LB401为例,其输入输出阻抗为:由图可见,LB401管子在1000MHz时Zin=1.4-j3.6,Zout=2+j6.8。
因管子在600MHz—1000MHz宽带工作,考虑到低频增益大,高频增益小,阻抗匹配在高频,低频造成一定的失配,使整个频带内增益波动比较小。
故采用1000MHz时的阻抗值为匹配阻抗,为最大功率传输,采用共轭匹配。
为宽带匹配,匹配电路采用传输线变压器,传输线变压器形式为1:1的不平衡-平衡变换和4:1的平衡-平衡变换。
基于TDA7250的100W功率放大器电路设计
在自制功放电路时,最头痛的问题莫过于差分电路的晶体管配对和调零漂,一个不小心还把功放管给冲了现在好了可以试一试TDA7250 。
TDA7250 为SGS-THOMSON 公司出品的一款功放驱动IC,它的特性如下:
外围电路简单,制作方便;
支持电压范围宽:2V-90V(±10V-±45V);
具有不需要温度补偿的零漂控制电路;
功率晶体管过流保护;
静噪/待机功能;
耗电量少;
低谐波失真:PO=40W、fo=1KHz 时谐波失真=0.004%
输出功率60W/8Ω、100W/4Ω。
以下是应用电路从以上电路可以看出TDA7250 的过流保护原理是检测
电阻R11、R12、R13、R14 的电压。
当晶体管的过流时,根据U=I-R,得出电阻的端电压随之增加,到达一定的电压后,TDA7250 就将晶体管基极的电压置零,从而达到晶体管过流保护的作用。
电阻R14、R15、R16、R17 为负反馈回路,整个电路的增益由R14、R15 和R16、R17 的比值决定,公式
GV=1+R14/R16 或者GV=1+R15/R17。
以上电路对于发烧友来说,还有一个用途:比较不同的功率管的差别。
正好我手头有MJ11032/11033、MJ11015/11016、
2SC3055/2955、2SC4278/A1633、2SB522/D522、TIP142/147 等对管,于是逐一接上一试。
音箱为飞达的12 寸箱。
结果如下:。
TDA7293大功率高保真功放集成电路TDA7293大功率高保真功放集成电路TDA7293是ST(SGS-THOMSON)公司出品的一款大功率高电压(比TDA7294高±10V)DMOS高保真功放集成电路,额定输出功率为100W。
最大工作电压为120V。
其主要参数如下电源电压(双电源)最小=±12典型=±50最大=±60 V输出功率Vs=±45V R=8Ω140 w输出功率8?Ω±40V 谐波失真10% 100W总谐波失真5W 0.005%开环电压增盖80 dB转折速率15 v/μS输出电流 6.5 A输入阻抗100 120 150 KΩTDA7293和TDA7294的内部结构基本一样,分为三级:差分输入级由双极型晶体管组成,推动级和功率输出级采用场效应管,这种结构可以综合双极型晶体管低噪音和功率场效应管在线性、温度系数、音色上的优势。
音色优美,兼顾了双极信号处理电路和MOS功率管的优点,具有低失真、低噪音、高耐压以及开关机静音、过热保护、短路保护等优点。
TDA7293外观大小和TDA7294一样,也是15脚封装,各引脚的功能与TDA7294大致相同,只有几个脚稍有出入。
TDA7293各脚的作用如下:①脚是待机地;②脚是反相输人端;③脚是正相输人端;④脚是地;⑤脚是短路电流检测端,通常作为悬空;⑥脚是自举端;⑦脚是正电源输入端(信号处理部分);⑧脚是负电源输入端(信号处理部分);⑨脚是待机端;⑩脚是静音端;(11)是缓冲驱动输出端(桥接时使用);(12)脚是反馈输人端;(13)脚是正电源输人端(功率输出级部分);(14)脚是功率输出端;(15)脚是负电源输入端(功率输出级部分)。
TDA7293的⑨脚为静音为控制端,当该脚低于2.5V时,TDA7293执行静音操作,输出端无信号输出;⑩脚为待机模式控制端,当该脚低于2.4V时,TDA7293工作在待机模式,内部电路停止工作。
目录场效应管功率放大电路 (1)场效应管80W音频功率放大电路 (1)一款性能极佳的JFET-MOSFET耳机功放电路图 (2)100W的MOSFET功率放大器 (2)场效应管(MOSFET)组成的25W音频功率放大器电路图 (4)一种单电源供电的MOSFET功放电路 (6)100W的V-MOSFET功率放大器电路 (6)100W场效应管功率放大电路 (8)全对称MOSFET OCL功率放大器电路图 (9)场效应管功率放大电路如图所示电路是采用功率MOSFET管构成的功率放大器电路。
电路中差动第二级采用2SJ77***率MOSFET,电流镜像电路采用2SK214。
其工作电流为6mA,但电源电压较高(为±50V),晶体管会发热,因此要接人小型散热器。
场效应管80W音频功率放大电路图100W的MOSFET功率放大器电路图关于电路电容C8是阻止直流电压,如果从输入源的输入直流去耦电容。
如果畅通,将改变这个直流电压偏置值S后续阶段。
电阻R20限制输入电流到Q1 C7 -绕过任何输入的高频噪声。
晶体管Q1和Q2的形式输入差分对和Q9和Q10来源1毫安左右建成的恒流源电路。
预设R1用于调整放大器的输出电压。
电阻R3和R2设置放大器的增益。
第二差的阶段是由晶体管,第三季度和Q6,而晶体管Q4和Q5形式电流镜,这使得第二个差分对漏一个相同的电流。
这样做是为了提高线性度和增益。
Q7和Q8在AB 类模式运行的功率放大级的基础上。
预设R8可用于调整放大器的静态电流。
电容C3和电阻R19组成的网络,提高了高频率稳定度和防止振荡的机会。
F1和F2是安全的保险丝。
电路设置设置在中点R1开机前,然后慢慢调整为了得到一个最低电压(比50mV)输出。
下一步是成立的静态电流,并保持在最低电阻预设的R8和万用表连接跨标记点电路图X和Y的调整R8使万用表读取16.5mV对应50mA的静态电流。
注意事项质量好的印刷电路板组装的电路。
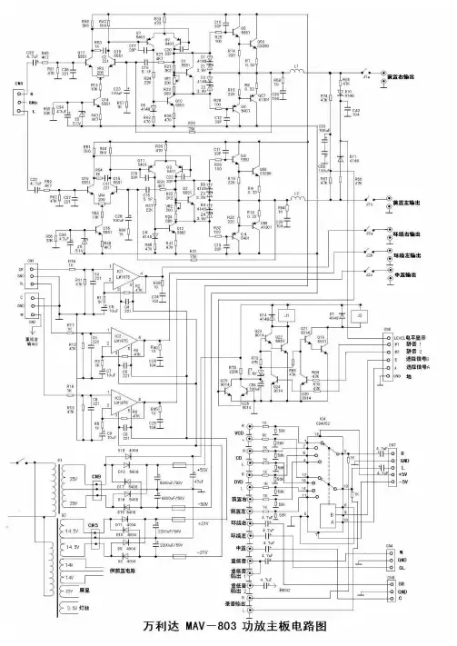
万利达MAV-803 5.1声道卡拉OK功放主板电路原理与维修MAV-803功放主板包括主副电源整流滤波电路、左右声道OCL功放电路、环绕和中置IC功放电路、保护静音控制电路、输入信号选择电路。
整机使用了两个环形变压器分别给主功放和其他电路供电,B1的双35V经整流滤波后的±50V给左右声道主功放电路提供双电源,B2的双14.5V整流滤波后给三块LM1875提供±21V的双电源,其他绕组给前置电路和显示面板供电。
输入信号选择电路由双四选一电子开关CD4052构成,通过CN6插座送来的选控信号A、B电平变化接通相应信号源。
当A、B都是0V时VCD接通,当A=0V、B=5V时CD接通,当A=5V、B=0V时DVD接通,当A、B都是5V时5.1声道的前置信号接通。
所有输入信号均送到前置电路进行放大与调整后再返回主板,通过两路OCL主功放电路和三路LM1875放大后推动五声道扬声器。
重低音没有设置功放电路,只有线路输出,这就是所谓的5.1声道的点1。
线路输出的重低音信号去驱动低音炮有源音箱。
主声道的两套OCL电路输入级由Q17、Q19 (Q18、Q15)组成差分放大器,发射极设置了VR3(VR4)后可对中点电压进行调整,以纠正晶体管参数差异引起的中点偏移。
两管集电极之间的R53、C2 (R54、C11)是为消除超音频干扰信号而设置。
Q14(Q16)与外围元件组成恒流源电路。
R28(R31)是直流反馈电阻,把输出中点的直流变化反馈到差分电路的反相输入端,对中点电压进行伺服控制。
本电路的交流反馈不象一般OCL 电路由输出端取出,而是通过C15、R27 (C16、R30)从电压放大级Q9(Q8)集电极取得。
这样既可以消除高频移相引起的自激,又不会影响电路的高频特性。
电压放大级由Q7、Q9 (Q11、Q8)组成的第二级差分电路完成,Q10(Q12)是此差分放大器的镜像恒流源负载。
两级放大恒流源和镜流源的引入,有效抑制了电压波动对电路的影响,使整个电路稳定性大大提高。
模电研讨题目音频功率(100W)放大电路的设计姓名班级电子信息工程学院学号时间2011-5-22音频功率(100W)放大电路的设计Xxx北京交通大学电子信息工程学院摘要:随着现代电子技术的发展,集成电路被广泛地应用于各类电子电路中。
随着半导体技术的进,功率放大电路也得到了飞速的发展和应用。
音频功率放大器是功率集成电路的重要组成部分,并且广泛应用于消费类电子产品中。
我国是全球最大的消费类电子商品市场和生产基地,音频功率放大器的需求日益倍增。
因此研究音频功率放大器有着非常重要的现实意义。
本文通过对音频功率放大电路知识和技术指标的学习及研究,设计了一款100W的音频功率放大电路,对这个电路分别进行了仿真,并且对并进行了比较。
这款功率放大电路采用甲乙类(也就是AB类)互补推挽功率放大电路中的OCL互补功率放大电路。
关键词:音频放大电路;功率放大电路;OCL互补功率放大中图分类号:文献标志码:AAudio power (100W) amplifier designXXXElectronics and Information Engineering,Beijing Jiaotong UniversityAbstract: With modern electronic technology, integrated circuits are widely used in various types of electronic circuits. With the progress of semiconductor technology, power amplifier has also been rapid development and application. Audio power amplifier is an important part of power integrated circuits, and is widely used in consumer electronics products. China is the world's largest consumer electronics market and production base, increasing the demand for double audio power amplifier. Therefore, the audio power amplifier research has very important practical significance.Based on the audio power amplifier circuits of knowledge and technical indicators of learning and research, designed a 100W audio power amplifier circuit, this circuit was simulated, respectively, and on and compared. The power amplifier circuit is Class A and B (that is, class AB)complementary push-pull power amplifier circuit Power Amplifier OCL complementary.Key words:Audio Amplifier ; Power amplifier ;Complementary power amplifier OCL1.综述(引言)1.1音频功率集成电路概况音频功率放大电路是一种很常用的电子电路,广泛应用于家庭影院、音响系统、立体声唱机、伺服系统、车载娱乐系统、手机、掌上电脑以及工业制造中的电机驱动等电子系统。
设计课题:音频功率(100W)放大器设计摘要:随着现代电子技术的发展,集成电路被广泛地应用于各类电子电路中。
随着半导体技术的进步,功率放大电路也得到了飞速的发展和应用。
音频功率放大器是功率集成电路的重要组成部分,并且广泛应用于消费类电子产品中。
我国是全球最大的消费类电子商品市场和生产基地,音频功率放大器的需求日益倍增。
因此研究音频功率放大器有着非常重要的现实意义。
本文通过对音频功率放大电路知识和技术指标的学习及研究,并在查阅大量资料的基础上,深入理解功率放大的基本原理以及功放的类型,然后选择不同的方案,比较不同电路之间的性能指标,效率等,最终经过综合考虑设计了一款集成功率BTL放大电路,然后进行仿真调试,实现了100W的音频功率放大,但结合仿真图像信号失真比较明显。
关键字:100W功率放大;OCL电路;BTL电路;multisim软件仿真;TDA2030音频放大器一、设计总体方案1、音频功率放大电路概述音频功率放大器是音响系统中的关键部分,其作用是将传声元器件获得的微弱信号放大到足够的强度去推动放声系统中的扬声器或其他电声元器件,使原声响重现。
其电路一般可分为两部分,前一部分进行小信号电压幅值放大,后一部分采用功率放大器,与扬声器相连。
一般扬声器的阻值较低,仅有8 左右,需要较大的输出电流才能达到较大的输出功率,因此,需要功率放大器提供足够功率,一般电脑的有源音箱大多采用这种方式。
其简单的构成框图如图1-1所示电源模块图1-1音频功率放大器简单的构成框图2、功率放大器的基本原理音频功率放大器实际上就是对比较小的音频信号进行放大,使其功率增加,然后输出。
其原理如图(一)所示,前置放大主要完成对小信号的放大,使用一个同向放大电路对输入的音频小信号的电压进行放大,得到后一级所需要的输入。
后一级的主要对音频进行功率放大,使其能够驱动电阻而得到需要的音频。
设计时首先根据技术指标要求,对整体电路做出适当安排,确定各级的增益分配,然后对各级电路进行具体的设计。