矿用电缆分类标准
- 格式:doc
- 大小:2.22 MB
- 文档页数:23
矿用电缆命名规则矿用电缆是在矿井、采矿场所以及与矿山相关的工业环境中使用的电力传输线缆。
为了确保矿用电缆的安全可靠运行,对其命名规则进行了严格的规定。
矿用电缆命名规则主要包括以下几个方面:1. 电缆类型矿用电缆的类型根据其结构和用途的不同进行分类。
常见的矿用电缆类型有矿用橡套电缆、矿用聚氯乙烯绝缘电缆、矿用橡胶绝缘电缆等。
在命名时,通常以电缆类型作为前缀。
2. 绝缘材料绝缘材料是矿用电缆的重要组成部分,直接影响其绝缘性能和使用寿命。
常见的绝缘材料有橡胶、聚氯乙烯、交联聚乙烯等。
在命名时,通常以绝缘材料的缩写作为后缀。
3. 导体材料和结构矿用电缆的导体材料和结构直接决定了其导电性能和承载能力。
常见的导体材料有铜、铝等,常见的结构有单芯、多芯等。
在命名时,通常以导体材料的缩写和结构作为中间部分。
4. 额定电压和电流矿用电缆的额定电压和电流是其安全运行的重要参数。
额定电压表示电缆能够承受的最高电压,额定电流表示电缆能够承载的最大电流。
在命名时,通常以额定电压和电流作为后缀。
5. 使用环境和特殊要求根据不同的使用环境和特殊要求,对矿用电缆的性能和结构有一定的要求。
例如,耐油、耐酸碱、耐高温等特殊性能。
在命名时,通常以使用环境和特殊要求作为后缀。
综合上述几个方面,一个完整的矿用电缆的命名规则可以如下所示:【电缆类型】+【绝缘材料缩写】+【导体材料缩写+结构】+【额定电压】+【额定电流】+【使用环境和特殊要求】例如,一种橡套绝缘、铜导体、单芯结构、额定电压为0.6/1kV、额定电流为100A、耐油、耐高温的矿用电缆,可以命名为:橡套电缆(ZR)- 铜单芯电缆(CU)- 0.6/1kV- 100A- 耐油耐高温电缆通过矿用电缆的命名规则,可以清晰地了解到电缆的基本参数和特性。
这不仅方便了电缆的选型和使用,也保证了矿用电缆在矿山环境中的安全可靠运行。
需要注意的是,在使用矿用电缆时,要根据实际情况选择合适的电缆类型和规格,并严格按照电缆的安装和使用要求进行操作,以确保电缆的正常运行和延长使用寿命。
矿物质电缆是一种防火性能较好的电缆,其阻燃等级标准通常根据国家或国际标准来规定。
以下是一些常见的矿物质电缆阻燃等级标准:
IEC标准:国际电工委员会(IEC)制定了IEC 60332标准,该标准规定了电缆在火焰条件下的阻燃性能。
根据该标准,矿物质电缆通常被分类为以下等级:
IEC 60332-1: 非阻燃,电缆的火焰传播速度较快,火焰容易蔓延。
IEC 60332-3: 矿物质电缆阻燃性能良好,火焰传播速度较慢,具有一定的火焰阻隔性能。
GB标准:中国国家标准也规定了电缆的阻燃等级。
根据GB/T 18380.3-2001标准,矿物质电缆通常被分类为以下等级:
A类:非阻燃,电缆的火焰传播速度较快。
B类:阻燃,电缆的火焰传播速度较慢,火焰容易自熄灭。
C类:矿物质电缆阻燃性能较好,具有一定的火焰阻隔性能。
在选择矿物质电缆时,可以根据具体的阻燃等级标准要求,选择适合的产品,以确保在火灾发生时能够有效地阻止火焰的传播,提高电缆线路的安全性。
矿用电缆第一节矿用电缆井下环境潮湿,巷道狭窄,并伴有片帮、冒顶和塌陷等现象,为了保证供电可靠与安全,井下线路禁止使用导线及裸导线(处架线机车外),必须使用矿用电缆。
一、矿用电缆的种类及性能矿用电缆分为铠装电缆、橡套电缆和塑料电缆3种。
1、铠装电缆所谓铠装电缆,就是用钢带把电缆铠装起来。
优点:是纸的绝缘强度高,适用范围:作高压电缆,在井下多用于对固定设备和半固定设备供电。
由于钢丝或钢带耐拉力强,所以钢丝铠装电缆多用于立井井筒或急倾斜巷道中。
钢带铠装电缆多用于水平巷道或缓倾斜巷道。
铠装电缆的构造:1为铜或铝绞线制成的主芯线;2为相间浸渍绝缘层; 3为浸渍麻绳填料,以保证电缆成缆后为圆形;4为统包浸渍绝缘层,以增加相线对地的绝缘;5为铅包层内护套,,用来防止潮气进入纸绝缘层而降低绝缘水平,同时与铠装一起作为接地线;6为涂沥青纸防腐带,用来保护铅包层不受空气和水的腐蚀;7为内黄麻保护层,用来避免铠装和铅包之间互相摩擦而损坏铅包层;8为钢丝或钢带铠装,用来承受机械力不致损伤电缆。
铠装电缆的导线芯线有两种:铝线和铜线,所以分为铝芯和铜芯两种电缆。
为了使电缆柔软,芯线多由多根细铝线和细铜线铰和而成。
铝芯电缆的优点是:重量轻,价格便宜。
铝芯电缆的缺点是:铝芯接头不好处理,容易氧化,造成接触不良而发热。
特别是在出现短路故障时,由于短路电弧产生的灼热铝粉,更容易引起矿井瓦斯和煤尘爆炸。
因此,对煤矿井下特别是采区内的低压电缆,由于它们出现短路故障的机会较多,因而严禁采用铝芯电缆。
油浸纸绝缘电缆:用浸油绝缘纸带作相间和统包绝缘的电缆称为油浸纸绝缘电缆。
这种电缆做成后,纸带和麻芯上附着的电缆油可以在电缆的铝护套内流动,如果将其作垂直和倾斜铺设,电缆中的绝缘油将会逐渐集中到电缆的下部。
这不仅会使电缆上部的绝缘性能降低,而且将加大对电缆下部终端接线盒的压力,导致电缆和下部终端接线盒发生短路。
因此,油浸纸绝缘电缆在敷设时,电缆两端的垂直落差受到严格限制,不宜作垂直或倾斜较大的敷设。
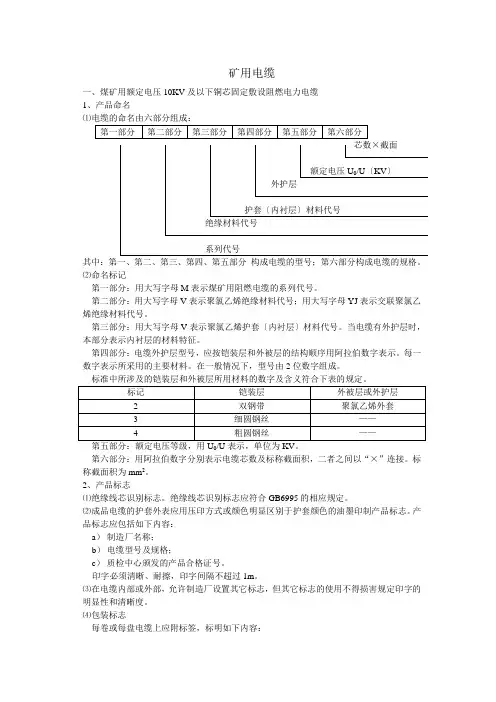
矿用电缆一、煤矿用额定电压10KV及以下铜芯固定敷设阻燃电力电缆1、产品命名⑴电缆的命名由六部分组成:芯数×截面额定电压U0/U(KV)外护层护套(内衬层)材料代号绝缘材料代号系列代号其中:第一、第二、第三、第四、第五部分构成电缆的型号;第六部分构成电缆的规格。
⑵命名标记第一部分:用大写字母M表示煤矿用阻燃电缆的系列代号。
第二部分:用大写字母V表示聚氯乙烯绝缘材料代号;用大写字母YJ表示交联聚氯乙烯绝缘材料代号。
第三部分:用大写字母V表示聚氯乙烯护套(内衬层)材料代号。
当电缆有外护层时,本部分表示内衬层的材料特征。
第四部分:电缆外护层型号,应按铠装层和外被层的结构顺序用阿拉伯数字表示。
每一数字表示所采用的主要材料。
在一般情况下,型号由2位数字组成。
第五部分:额定电压等级,用U0/U表示,单位为KV。
第六部分:用阿拉伯数字分别表示电缆芯数及标称截面积,二者之间以“×”连接。
标称截面积为mm2。
2、产品标志⑴绝缘线芯识别标志。
绝缘线芯识别标志应符合GB6995的相应规定。
⑵成品电缆的护套表面应用压印方式或颜色明显区别于护套颜色的油墨印制产品标志。
产品标志应包括如下内容:a)制造厂名称;b)电缆型号及规格;c)质检中心颁发的产品合格证号。
印字必须清晰、耐擦,印字间隔不超过1m。
⑶在电缆内部或外部,允许制造厂设置其它标志,但其它标志的使用不得损害规定印字的明显性和清晰度。
⑷包装标志每卷或每盘电缆上应附标签,标明如下内容:a)制造厂名称;b)产品型号及规格;c)长度(m)及毛重(kg);d)制造年月或生产批号;e)产品标准编号;f)质检中心颁发的产品合格证号。
3、煤矿用聚氯乙烯绝缘电力电缆⑴型号电缆型号见表1表1⑵规格电缆规格应符合表2规定表 24、煤矿用交联聚乙烯绝缘电力电缆⑴型号电缆型号见表1表 1⑵规格电缆规格应符合表2规定表 2二、煤矿用移动类阻燃软电缆1、命名内容电缆的命名由八部分组成:第四部分:用大写字母E表示绝缘或护套采用弹性体材料。
矿用电缆命名规则矿用电缆是在矿井工作环境中使用的一种特殊电缆,它具有耐高温、耐磨损、耐腐蚀等特点,能够适应恶劣的工作条件。
为了方便识别和管理,矿用电缆通常按照一定的命名规则进行命名。
下面将介绍一些常见的矿用电缆命名规则。
1. 根据导体材料命名根据导体材料的不同,矿用电缆可以分为铜芯电缆和铝芯电缆。
铜芯电缆具有导电性能好、耐腐蚀等特点,适用于长距离输电;铝芯电缆则具有重量轻、价格低等优势,适用于中小型输电。
因此,根据导体材料的不同,可以使用"C"表示铜芯电缆,使用"A"表示铝芯电缆。
2. 根据绝缘材料命名矿用电缆的绝缘材料有多种,常见的有聚氯乙烯(PVC)、交联聚乙烯(XLPE)等。
聚氯乙烯绝缘电缆具有良好的电气性能和机械性能,适用于一般场合;交联聚乙烯绝缘电缆则具有更高的耐热性和耐老化性能,适用于高温环境。
因此,可以使用"P"表示聚氯乙烯绝缘电缆,使用"X"表示交联聚乙烯绝缘电缆。
3. 根据屏蔽材料命名矿用电缆为了防止外界电磁干扰和电气故障,通常会采用屏蔽层进行屏蔽。
常见的屏蔽材料有镀铜屏蔽和铝塑带屏蔽。
镀铜屏蔽具有良好的导电性能和屏蔽效果,适用于电磁环境较差的场所;铝塑带屏蔽则具有重量轻、价格低等优势,适用于一般场合。
因此,可以使用"C"表示镀铜屏蔽,使用"A"表示铝塑带屏蔽。
4. 根据外护套材料命名矿用电缆的外护套材料有多种,常见的有聚氯乙烯(PVC)、聚乙烯(PE)、聚氯乙烯抗油护套等。
聚氯乙烯外护套具有良好的电气性能和机械性能,适用于一般场合;聚乙烯外护套则具有更高的耐磨损性能,适用于有机械冲击的场所;聚氯乙烯抗油护套则具有耐油性和耐磨损性能,适用于有油污的场所。
因此,可以使用"P"表示聚氯乙烯外护套,使用"E"表示聚乙烯外护套,使用"O"表示聚氯乙烯抗油护套。
煤矿井下电缆是专门为煤矿井下恶劣环境设计的一种电缆,它需要具备一定的耐压、耐温、耐腐蚀、抗拉强度和良好的电气性能。
根据电缆的用途、结构、材料和性能等特点,可以将煤矿井下电缆分为以下几类:1. 按照用途分类:-动力电缆:用于供电给井下各种动力设备,如采煤机、输送机、风机等。
-信号电缆:用于传输电话、信号、控制等信号,如调度电话、监控系统等。
-通信电缆:用于井下通信设备,如无线电、光纤通信等。
2. 按照结构分类:-铜芯电缆:使用铜作为导体,具有良好的导电性和耐腐蚀性。
-铝芯电缆:使用铝作为导体,重量轻,但导电性相对铜差。
-钢芯电缆:使用钢丝作为导体,适用于需要较高机械强度的场合。
3. 按照绝缘材料分类:-橡胶绝缘电缆:具有良好的弹性和耐热性,适用于移动设备或经常弯曲的场合。
-塑料绝缘电缆:如聚乙烯、聚氯乙烯等,具有良好的绝缘性能和耐化学腐蚀性。
-交联聚乙烯绝缘电缆:具有更高的温度等级和更好的电气性能,适用于固定敷设的场合。
4. 按照护套材料分类:-橡胶护套电缆:提供良好的柔韧性和耐磨损性。
-塑料护套电缆:如聚氯乙烯护套,具有良好的耐化学腐蚀性和机械强度。
-钢带或钢丝护套电缆:提供额外的机械保护和耐拉强度。
5. 按照特殊性能分类:-阻燃电缆:能够在一定条件下自熄,减少火灾风险。
-抗菌电缆:具有抑制细菌生长的功能,适用于对卫生要求较高的场合。
-耐高温电缆:能够在高温环境下正常工作,如隧道、热风井等。
在选择煤矿井下电缆时,需要根据具体的工程需求、环境条件和安全标准来选择合适的电缆类型和规格。
同时,电缆的安装和使用也需要遵循相关的技术规范和操作规程,以确保电缆系统的安全可靠运行。
矿用电缆分类标准文件编码(GHTU-UITID-GGBKT-POIU-WUUI-8968)矿用电缆一、煤矿用额定电压10KV及以下铜芯固定敷设阻燃电力电缆1、产品命名⑴电缆的命名由六部分组成:芯数×截面额定电压/U(KV)U外护层护套(内衬层)材料代号绝缘材料代号系列代号其中:第一、第二、第三、第四、第五部分构成电缆的型号;第六部分构成电缆的规格。
⑵命名标记第一部分:用大写字母M表示煤矿用阻燃电缆的系列代号。
第二部分:用大写字母V表示聚氯乙烯绝缘材料代号;用大写字母YJ 表示交联聚氯乙烯绝缘材料代号。
第三部分:用大写字母V表示聚氯乙烯护套(内衬层)材料代号。
当电缆有外护层时,本部分表示内衬层的材料特征。
第四部分:电缆外护层型号,应按铠装层和外被层的结构顺序用阿拉伯数字表示。
每一数字表示所采用的主要材料。
在一般情况下,型号由2位数字组成。
标准中所涉及的铠装层和外被层所用材料的数字及含义符合下表的规定。
/U表示,单位为KV。
第五部分:额定电压等级,用U第六部分:用阿拉伯数字分别表示电缆芯数及标称截面积,二者之间以“×”连接。
标称截面积为mm2。
2、产品标志⑴绝缘线芯识别标志。
绝缘线芯识别标志应符合GB6995的相应规定。
⑵成品电缆的护套表面应用压印方式或颜色明显区别于护套颜色的油墨印制产品标志。
产品标志应包括如下内容:a)制造厂名称;b)电缆型号及规格;c)质检中心颁发的产品合格证号。
印字必须清晰、耐擦,印字间隔不超过1m。
⑶在电缆内部或外部,允许制造厂设置其它标志,但其它标志的使用不得损害规定印字的明显性和清晰度。
⑷包装标志每卷或每盘电缆上应附标签,标明如下内容:a)制造厂名称;b)产品型号及规格;c)长度(m)及毛重(kg);d)制造年月或生产批号;e)产品标准编号;f)质检中心颁发的产品合格证号。
3、煤矿用聚氯乙烯绝缘电力电缆⑴型号电缆型号见表1表1⑵规格电缆规格应符合表2规定表 24、煤矿用交联聚乙烯绝缘电力电缆⑴型号电缆型号见表1表 1⑵规格电缆规格应符合表2规定表 2二、煤矿用移动类阻燃软电缆1、命名内容电缆的命名由八部分组成:辅助线芯数×标称截面积地线芯数×标称动力线芯数×标称截面积/U额定电压U(KV)材料特征代号E结构特征代号使用特征代号系列代号M其中:第一、第二、第三、第四、第五部分构成电缆的型号;第六、第七、第八部分构成电缆的规格。
矿用电缆标准摘要:一、矿用电缆的概述二、矿用电缆的分类与特点三、矿用电缆的主要性能指标四、矿用电缆的应用领域五、矿用电缆的发展趋势与展望正文:矿用电缆是在煤矿、金属矿山、非金属矿山等地下开采作业中使用的电缆,它具有耐磨损、耐腐蚀、耐高压、抗拉强度大等特性。
随着矿山的不断开发和生产,矿用电缆的需求量也在不断增加,同时对其性能、安全性和环保要求也越来越高。
一、矿用电缆的概述矿用电缆是矿山电缆的一种,主要用于地下采矿作业。
矿用电缆的种类繁多,可以根据其用途和性能进行分类。
一般来说,矿用电缆可以分为矿物绝缘电缆、橡皮绝缘电缆、聚乙烯绝缘电缆、交联聚乙烯绝缘电缆等。
二、矿用电缆的分类与特点1.矿物绝缘电缆:矿物绝缘电缆是由铜芯、矿物质绝缘层和金属护套组成的电缆,具有不燃、耐火、耐磨、耐腐蚀等特点,适用于高温、高压、高腐蚀的环境。
2.橡皮绝缘电缆:橡皮绝缘电缆是由铜芯、橡皮绝缘层和金属护套组成的电缆,具有柔软、耐磨、防水等特点,适用于移动设备和临时用电场所。
3.聚乙烯绝缘电缆:聚乙烯绝缘电缆是由铜芯、聚乙烯绝缘层和金属护套组成的电缆,具有轻便、耐磨、耐腐蚀等特点,适用于地下矿山和井下作业。
4.交联聚乙烯绝缘电缆:交联聚乙烯绝缘电缆是由铜芯、交联聚乙烯绝缘层和金属护套组成的电缆,具有高耐热、耐寒、耐磨、耐腐蚀等特点,适用于极端环境下的矿山作业。
三、矿用电缆的主要性能指标矿用电缆的主要性能指标包括:额定电压、芯数、电缆最大外径、电缆最小曲率半径、电缆最小安装半径、电缆允许温度等。
1.额定电压:矿用电缆的额定电压是指电缆在正常工作条件下的电压等级。
2.芯数:矿用电缆的芯数是指电缆中的导线数量。
3.电缆最大外径:矿用电缆的最大外径是指电缆在最大允许工作温度下的外径尺寸。
4.电缆最小曲率半径:矿用电缆的最小曲率半径是指电缆在弯曲时的最小曲率半径。
5.电缆最小安装半径:矿用电缆的最小安装半径是指电缆在安装时的最小曲率半径。
矿用电缆一、煤矿用额定电压10KV及以下铜芯固定敷设阻燃电力电缆1、产品命名芯数×截面额定电压U0/U〔KV〕外护层护套〔内衬层〕材料代号绝缘材料代号系列代号其中:第一、第二、第三、第四、第五部分构成电缆的型号;第六部分构成电缆的规格。
⑵命名标记第一部分:用大写字母M表示煤矿用阻燃电缆的系列代号。
第二部分:用大写字母V表示聚氯乙烯绝缘材料代号;用大写字母YJ表示交联聚氯乙烯绝缘材料代号。
第三部分:用大写字母V表示聚氯乙烯护套〔内衬层〕材料代号。
当电缆有外护层时,本部分表示内衬层的材料特征。
第四部分:电缆外护层型号,应按铠装层和外被层的结构顺序用阿拉伯数字表示。
每一数字表示所采用的主要材料。
在一般情况下,型号由2位数字组成。
第五部分:额定电压等级,用U0/U表示,单位为KV。
第六部分:用阿拉伯数字分别表示电缆芯数及标称截面积,二者之间以“×”连接。
标称截面积为mm2。
2、产品标志⑴绝缘线芯识别标志。
绝缘线芯识别标志应符合GB6995的相应规定。
⑵成品电缆的护套外表应用压印方式或颜色明显区别于护套颜色的油墨印制产品标志。
产品标志应包括如下内容:a)制造厂名称;b)电缆型号及规格;c)质检中心颁发的产品合格证号。
印字必须清晰、耐擦,印字间隔不超过1m。
⑶在电缆内部或外部,允许制造厂设置其它标志,但其它标志的使用不得损害规定印字的明显性和清晰度。
⑷包装标志每卷或每盘电缆上应附标签,标明如下内容:a)制造厂名称;b)产品型号及规格;c)长度〔m〕及毛重〔kg〕;d)制造年月或生产批号;e)产品标准编号;f)质检中心颁发的产品合格证号。
3、煤矿用聚氯乙烯绝缘电力电缆⑴型号电缆型号见表1⑵规格电缆规格应符合表2规定表 24、煤矿用交联聚乙烯绝缘电力电缆⑴型号电缆型号见表1电缆规格应符合表2规定表 2二、煤矿用移动类阻燃软电缆1、命名内容辅助线芯数×标称截面积地线芯数×标称动力线芯数×标称截面积额定电压U0/U〔KV〕材料特征代号E结构特征代号使用特征代号系列代号M其中:第一、第二、第三、第四、第五部分构成电缆的型号;第六、第七、第八部分构成电缆的规格。
煤矿用电缆型号及规格MT818《煤矿用电缆》,按部分发布,矿用电缆型号说明及型号大全,矿用电缆是煤矿用阻燃电缆的简称。
拟分为13个部第1部分:移动类软电缆一般规定移动类软电缆电压:额定电压用U0/U表示,单位为kV。
U0表示任一主绝缘导体与“地”(金属屏蔽、金属套或周围介质)之间的电压有效值;U为多芯电缆或单芯电缆系统任意两相导体之间的电压有效值。
在交流系统中,电缆的额定电压应至少等于使用电缆的系统的标称电压,这个条件对U0和U值均适用移动类软电缆命名原则:移动类软电缆的命名由七部分组成:其中:第一、第二、第三、第四、第五部分构成电缆的型号;第六、第七、第八部分构成电缆的规格。
第一部分:用大写字母M表示煤矿用电缆的系列代号。
第二部分:使用使用特性代号,反映电缆所使用的场合,C:采煤机用,D,低温环境用,M:帽灯用, Y:采煤设备(移动)用,Z:电钻用。
第三部分:电缆的结构特征代号,B:编织加强;J监视或辅助芯线;P:非金属屏蔽;PT:金属屏蔽;Q:轻型;R:绕包加强。
第四部分为材料特征代号,用E表示绝缘或护套采用弹性体材料。
绝缘和护套均采用橡胶时本部分省略。
E,弹性体材料第五部分:表示额定电压U0/U,单位为千伏(kV)。
第六部分:表示动力线芯数*标称截面积,二者之间以“×”连接。
标称截面积单位为平方毫米(mm2)。
第七部分:表示地线芯数*标称截面积,二者之间以“×”连接。
标称截面积单位为平方毫米(mm2)。
第八部分:表示辅助线芯数*标称截面积,二者之间以“×”连接。
标称截面积单位为平方毫米(mm2)。
第四部分和第五部分之间用“-”连接;第六部分、第七部分、第八部分之间用“+”连接。
移动类软电缆线芯规格:1、1.5、2.5、4、6、10、16、25、35、50、70、95、120、150、185、240、300、400、MYPTJ-----矿用移动屏蔽金属监视橡套软电缆(8.7/10,3.6/6)MYP-------矿用移动屏蔽橡套电缆(0.66/1.14)MCP--------矿用采煤机专用电缆(采煤机屏蔽橡套软电缆)MYJV22-------矿用聚氯乙烯绝缘交联聚乙烯护套双钢带铠装电缆欢迎您的下载,资料仅供参考!致力为企业和个人提供合同协议,策划案计划书,学习资料等等打造全网一站式需求。
矿用电缆标准一、电缆类型和规格矿用电缆应符合相关国家标准和行业标准,根据不同的使用环境和需求,选择合适的电缆类型和规格。
常见的矿用电缆类型包括电力电缆、控制电缆、通信电缆等。
二、电缆材料和结构矿用电缆应采用耐腐蚀、耐磨损、耐高温的材料,以确保其在使用过程中的稳定性和安全性。
电缆的结构应合理设计,使得其具有良好的机械性能和电气性能。
三、电缆的电气性能矿用电缆的电气性能应符合相关国家标准和行业标准,如电压等级、电流负荷、绝缘电阻等。
在特殊环境下,如高温、低温、强磁等环境下,电缆的电气性能应满足相应的要求。
四、电缆的机械性能矿用电缆应具有足够的机械强度和耐磨性,以承受在矿山作业中的各种外力作用。
电缆应具有一定的弯曲半径,以确保其在使用过程中的灵活性。
五、电缆的阻燃性能矿用电缆应具有阻燃性能,以防止火灾事故的发生。
阻燃性能应符合相关国家标准和行业标准,如阻燃等级、烟雾浓度等。
六、电缆的耐腐蚀性能矿用电缆应具有耐腐蚀性能,以抵抗矿山环境中的各种化学物质和恶劣气体的侵蚀。
耐腐蚀性能应符合相关国家标准和行业标准,如耐腐蚀等级、使用寿命等。
七、电缆的耐磨性能矿用电缆应具有足够的耐磨性能,以抵抗矿山作业中的各种摩擦和磨损。
耐磨性能应符合相关国家标准和行业标准,如耐磨等级、磨损量等。
八、电缆的耐气候性能矿用电缆应具有耐气候性能,以抵抗矿山环境中的各种气候条件的影响。
耐气候性能应符合相关国家标准和行业标准,如耐寒等级、耐热等级等。
九、电缆的环保性能矿用电缆应采用环保材料,以减少对环境的影响。
环保性能应符合相关国家标准和行业标准,如材料可回收性、低烟无卤等。
十、电缆的安装和运行要求矿用电缆在安装和使用过程中应遵守相应的规定和要求,以确保其安全性和稳定性。
例如,电缆的安装位置、敷设方式、连接方式等都应符合相关标准和规范的要求。
在运行过程中,电缆的温度、电压、电流等参数也应符合规定的要求,以确保其正常运行和使用寿命。
第六章矿用电缆第一节矿用电缆的种类、性能及选型原则一、矿用电缆的种类、结构、型号、规格矿用电缆分为三类:铠装电缆、橡套电缆、塑料电缆。
所谓铠装电缆就是用钢丝或钢带把电缆铠装起来。
由于钢丝或钢带耐拉力强,所以钢丝铠装电缆多用于立井井筒或急倾斜巷道中;而钢带铠装电缆多用于水平巷道或缓倾斜巷道。
最大优点绝缘强度高,适宜用作高压电缆,在井下多用于对固定设备和半固定设备的供电。
(一)、铠装电缆的结构(如图6-1-1所示):图6-1-1 铠装电缆结构图1--为铜或铝铰线制成的主芯线;2--为相间浸渍纸绝缘层;3--为浸渍麻绳填料,以保证电缆成缆后为圆形;4--为统包浸渍绝缘层,以增加相线对地的绝缘;5--为铅包层,用来防止潮气进入纸绝缘层而降低绝缘水平,同时与铠装一起作为接地线;6--为涂沥青纸防腐带,用来保护铅包层不受空气和水的腐蚀;7--为黄麻保护层,用来避免铠装和铅包之间互相摩擦而损坏铅包层;8--为钢丝或钢带铠装,用来承受机械力,使电缆不受损伤。
铠装电缆的导线芯线有铝线和铜线两种。
为了防止电缆铠装部分被腐蚀,有的电缆还在铠装外面覆盖有黄麻护层,在煤矿井下,特别是井下机电硐室和有木支架的巷道中,不能使用有外黄麻护层的铠装电缆。
如果使用,必须将外黄麻护层剥落,并在铠装上涂以防锈漆。
(二)铠装电缆的型号及用途(见表6-1-1)(三)、橡套电缆的结构(见图 6-1-2 6-1-3)橡套电缆分普通橡套电缆、阻燃橡套电缆和屏蔽橡套电缆三种。
对于井下移动设备的供电,多采用柔软性好、能够弯曲的橡套电缆。
橡套电缆主要用于向采区移动设备供电。
1、普通橡套电缆:普通橡套电缆的外护套由天然橡胶制成。
由于天然橡胶可以燃烧,并且燃烧时分解出的气体有助燃作用,容易造成火灾,因此在有瓦斯、煤尘爆炸危险的煤矿井下,不宜使用普通橡套电缆。
橡套电缆的芯线是用多股铜丝或铝丝右旋或左旋方向拧成。
根据芯线数不同,有4、5、6芯电缆。
4芯以上的电缆中,除3根主芯线(动力芯线)、1根接地芯线外,其余的为控制芯线。
矿用电缆分类标准矿用电缆一、煤矿用额定电压10KV及以下铜芯固定敷设阻燃电力电缆1、产品命名⑴电缆的命名由六部分组成:第一部分第二部分第三部分第四部分第五部分第六部分芯数×截面额定电压U0/U(KV)外护层护套(内衬层)材料代号绝缘材料代号系列代号其中:第一、第二、第三、第四、第五部分构成电缆的型号;第六部分构成电缆的规格。
第六部分:用阿拉伯数字分别表示电缆芯数及标称截面积,二者之间以“×”连接。
标称截面积为mm2。
2、产品标志⑴绝缘线芯识别标志。
绝缘线芯识别标志应符合GB6995的相应规定。
⑵成品电缆的护套表面应用压印方式或颜色明显区别于护套颜色的油墨印制产品标志。
产品标志应包括如下内容:a)制造厂名称;b)电缆型号及规格;c)质检中心颁发的产品合格证号。
印字必须清晰、耐擦,印字间隔不超过1m。
⑶在电缆内部或外部,允许制造厂设置其它标志,但其它标志的使用不得损害规定印字的明显性和清晰度。
⑷包装标志每卷或每盘电缆上应附标签,标明如下内容:a)制造厂名称;b)产品型号及规格;c)长度(m)及毛重(kg);d)制造年月或生产批号;e)产品标准编号;f)质检中心颁发的产品合格证号。
3、煤矿用聚氯乙烯绝缘电力电缆⑴型号电缆型号见表1表1型号名称MVV MVV22 MVV32 MVV42 煤矿用聚氯乙烯绝缘聚氯乙烯护套电力电缆煤矿用聚氯乙烯绝缘钢带铠装聚氯乙烯护套电力电缆煤矿用聚氯乙烯绝缘细钢丝铠装聚氯乙烯护套电力电缆煤矿用聚氯乙烯绝缘粗钢丝铠装聚氯乙烯护套电力电缆⑵规格电缆规格应符合表2规定表 2型号芯数额定电压(KV)0.6/1 1.8/3 3.6/6、6/6、6/10标称截面(mm2)MVV MVV22 MVV32 MVV42 33331.5~3001.5~300————10~30010~300————10~30010~30016~30016~300MVV MVV223+13+14~3004~30010~30010~300————MVV MVV22444~1854~1854~1854~185————4、煤矿用交联聚乙烯绝缘电力电缆⑴型号电缆型号见表1表 1型号名称MYJV MYJV22 MYJV32 MYJV42煤矿用交联聚乙烯绝缘聚氯乙烯护套电力电缆煤矿用交联聚乙烯绝缘钢带铠装聚氯乙烯护套电力电缆煤矿用交联聚乙烯绝缘细钢丝铠装聚氯乙烯护套电力电缆煤矿用交联聚乙烯绝缘粗钢丝铠装聚氯乙烯护套电力电缆⑵规格电缆规格应符合表2规定表 2型号芯数额定电压(KV)0.6/1 1.8/3 3.6/6、6/66/10、8.7/10标称截面(mm2)MYJV MYJV22 MYJV32 MYJV42 33331.5~3004~3004~3004~30010~30010~30010~30010~30025~30025~30025~30025~30025~30025~30025~30025~300二、煤矿用移动类阻燃软电缆1、命名内容电缆的命名由八部分组成:第一部分第二部分第三部分第四部分第五部分第六部分第七部分第八部分辅线芯数×标称截面积动力芯数×标称截面积额定电压U0/ U (K V)材料征代号E结构特征代号使用特征代号系列代号M其中:第一、第二、第三、第四、第五部分构电缆的规格。
2、命名标记第一部分:用大写字母M表示煤矿用阻燃电缆的系列代号。
第二部分:使用特征代号反映电缆所使用的场合,用表1所示的大写字母表示。
第三部分:用表2所示的大写字母表示电缆的结构特征。
表 1代号 C D M Y Z使用特征采煤机用低温环境用帽灯用采煤设备电钻用(移动)用表 2代号 B J P PT Q R结构特征编织加强带监视线芯非金属屏蔽金属屏蔽轻型绕包加强第四部分:用大写字母E表示绝缘或护套采用弹性体材料。
第五部分:用阿拉伯数字表示额定电压U0/U,单位为KV。
第六部分:用阿拉伯数字分别表示动力线芯数及标称截面积,二者之间以“×”连接。
第七部分:用阿拉伯数字分别表示地线芯数及标称截面积,二者之间以“×”连接。
第八部分:用阿拉伯数字分别表示辅助线芯数及标称截面积,二者之间以“×”连接。
第四部分和第五部分之间用“-”连接,第六、第七、第八部分之间用“+”连接。
3、电缆识别标志⑴井下用不同电压等级电缆的护套宜采用不同的识别颜色,见表3。
U0/U (KV)3.6/6 1.9/3.3 0.66/1.14 0.38/0.66及以下护套颜色红黑黄黑⑵电缆护套表面应用压印方式或颜色明显区别于护套颜色的油墨印制产品标志。
产品标志应包括如下内容:a)制造厂名称;b)电缆型号及规格;c)质检中心颁发的产品合格证号;d)印字必须清晰、耐擦,印字间隔不超过1m。
⑶包装标志。
每卷或每盘电缆上应附标签,且标明如下内容:a)制造厂名称;b)产品型号及规格;c)长度(m)及毛重(kg);d)制造年月或生产批号了;e)标准编号;f)质检中心颁发的产品合格证号。
4、额定电压0.66/1.14KV采煤机屏蔽监视加强型软电缆⑴型号。
电缆型号见表4表 4型号名称用途MCPJB-0.66/1.14 采煤机屏蔽监视编织加强型橡套软电缆额定电压0.66/1.14KV及以下采煤机及类似设备的电源连接,电缆可直接拖拽使用MCPJR-0.66/1.14 采煤机屏蔽监视绕包加强型橡套软电缆额定电压0.66/1.14KV及以下采煤机及类似设备的电源连接,,但电缆必须在保护板内使用⑵规格。
电缆规格应符合表5的规定。
表 5芯数×导体标称截面(mm2)绝缘标称厚度(mm)护套标称厚度(mm)电缆外径(mm)动力线芯地线芯控制线芯动力线芯控制和监视线芯内护套外护套MCPJR-0.66/1.14MCPJB-0.66/1.143×35 3×50 3×70 3×1×161×251×351×2×2.52×2.52×2.52×1.41.61.61.80.60.60.60.61.82.02.02.43.03.53.54.040.0~44.545.5~50.51.542.0~47.47.5~51.52.095 50 2.5 ~55.56.0~61.5 ~56. 5 58.0 ~63. 0注:监视线芯导体标称截面积应不小于1.5mm2,控制线芯和监视线芯的绝缘厚度不作考虑5、定电压0.66/1.14KV及以下移动软电缆⑴型号。
电缆型号见表6。
表 6型号名称用途MY-0.38/0.66 煤矿用移动橡套软电缆额定电压为0.38/0.66KV各种井下移动采煤设备的电源连接MYE-0.38/0.66 煤矿用移动弹性体软电缆额定电压为0.38/0.66KV各种井下移动采煤设备的电源连接MYP-0.38/0.66 煤矿用移动屏蔽橡套软额定电压为0.38/0.66KV各电缆种井下移动采煤设备的电源连接MYPE-0.38/0.66 煤矿用移动屏蔽弹性体软电缆额定电压为0.38/0.66KV各种井下移动采煤设备的电源连接MYP-0.66/1.14 煤矿用移动屏蔽橡套软电缆额定电压为0.66/1.14KV各种井下移动采煤设备的电源连接MYPE-0.66/1.14 煤矿用移动屏蔽弹性体软电缆额定电压为0.66/1.14KV各种井下移动采煤设备的电源连接⑵规格。
电缆规格应符合表7、表8、表9的规定。
表7表8芯数×导体标称截面(mm2 ) 标称厚度(mm)电缆外径(mm)动力线芯地线芯动力线芯绝护套MY-0.38/0.66MYE-0.38/0.66MYP-0.38/0.66MYPE-0.38/0.66缘3×4 3×6 3×10 3×16 3×25 3×35 3×50 1×41×61×101×101×161×161×161.41.41.61.61.81.82.2.3.53.54.4.4.54.55.5.20.9~22.9~27.8~30.3~36.4~40.5~45.5~51.5~22.9~25.224.7~27.229.7~32.732.2~35.438.3~41.042.4~46.647.4~51.052.4~57.13×70 1×25表9芯数×导体标称截面(mm2)标称厚度(mm) 电缆外径(mm)动力线芯地线芯动力线芯绝缘护套MYP-0.66/1.14MYPE-0.66/1.143×10 3×16 3×25 3×35 3×50 3×70 3×95 1×101×101×161×161×161×251×251.81.82.02.02.22.22.44.54.55.05.05.55.56.031.7~34.934.2~37.640.3~44.344.4~48.851.5~54.653.9~59.362.1~68.16、额定电压3.6/6KV及以下屏蔽软电缆⑴型号。
电缆型号见表10。
表10型号名称用途MYPT-1.9/3.3 煤矿用移动金额定电压属屏蔽橡套软电缆1.9/3.3KV井下移动采煤设备的电源连接MYP-3.6/6 煤矿用移动屏蔽橡套软电缆额定电压3.3/6KV移动式地面矿山机械的电源连接,环境温度下限为-20℃MYPT-3.6/6 煤矿用移动金属屏蔽橡套软电缆MYDP-3.6/6 煤矿用移动屏蔽橡套软电缆额定电压3.6/6KV移动式地面矿山机械的电源连接。
环境温度下限为-40℃MYDPT-3.6/6 煤矿用移动金属屏蔽橡套软电缆⑵规格。
电缆规格应符合表11、表12、表13的规定。
表11芯数×导体标称截面(mm2)标称厚度(mm)电缆外径(mm)动力线芯地线芯动力线芯绝缘护套MYPT-1.9/3.33×50 3×70 3×95 16/33×25/33×35/33×50/32.83.03.06.06.06.052.0~56.856.5~62.162.0~68.2表12芯数×导体标称截面(mm2)标称厚度(mm)电缆外径(mm)动力线芯地线芯动力线芯绝缘护套MYP-3.6/6,MYDP-3.6/63×16 3×25 3×35 3×50 1×161×161×161×254.04.04.04.05.55.55.55.550.0~53.054.3~59.758.5~63.062.5~67.7表芯数×导体标称截面(mm2)标称厚度(mm)电缆外径(mm)动力线芯地线芯动力线芯绝缘护套MYPT-3.6/6,MYDPT-3.6/63×25 3×35 3×50 16/33×16/33×16/33×25/34.04.04.05.55.55.552.5~57.856.1~61.758.7~63.013。