现浇钢筋混凝土单向板肋梁楼盖课程设计
- 格式:doc
- 大小:942.50 KB
- 文档页数:11
钢筋混凝土整体式单向板肋形楼盖结构课程设计任务书一、设计目的梁板结构是钢筋混凝土结构的重点,而结构布置、荷载统计、内力分析、截面计算、施工图绘制是结构设计的基本程序。
通过本设计使学生对所学课程内容加深理解,并利用所学知识解决实际问题;培养学生正确的设计观点、设计方法和一定的计算、设计能力,使其掌握单向板肋形楼盖的设计方法和步骤;培养学生用图纸和设计计算书表达设计意图的能力,进一步掌握结构施工图的绘制方法。
二、设计题目设计某工业厂房现浇整体式钢筋混凝土肋形楼盖。
三、设计资料:(根据附表任选一体号进行设计。
)厚砖墙砌筑。
L2L12、楼面构造及荷载:(1)、现浇板面面层采用20mm厚水泥砂浆,20KN/m3;现浇钢筋砼板容重25KN/m3;板底、梁侧均为15mm厚的混合砂件浆粉刷17KN/m3。
(2)、楼面均布活荷载见附表。
3、材料:采用C20砼;板中钢筋及梁中箍筋均用I级,其它均用Ⅱ级钢筋。
4、板、次梁、主梁的端支座搁置长度分别为120mm、180mm、240mm。
钢筋混凝土柱截面尺寸为350mm×350mm。
四、设计任务及要求:本课程设计的内容主要包括计算书和配筋施工图两大部分。
(一)、计算说明书一份,应包括:1、楼盖的梁格布置:要求确定柱网尺寸、主、次梁间距和跨度。
2、单向板的设计:要求按塑性方法设计,包括截面尺寸的选定、计算跨度的确定、荷载计算以及各跨中截面和支座截面的配筋计算。
3、次梁的设计:要求按塑性方法设计,具体计算同板。
4、主梁的设计:要求按弹性方法设计,除同板和次梁的计算外,还要求绘制弯矩包络图,并根据此图进行配筋。
要求计算书书写字体一律采用仿宋体,计算准确,必要的示意图不得用徒手画,并要求有大概的比例概念。
(二)、施工图两张,应包括:1、3#图要求绘制梁、板结构平面布置图及板平面配筋图(1:100)要求各种尺寸标注齐全(墙厚、板跨、入墙深度、支座宽度等);板平面配筋图中应注明受力筋及各种构造钢筋的直径、间距,以及受力钢筋的弯起点和切断点位置。
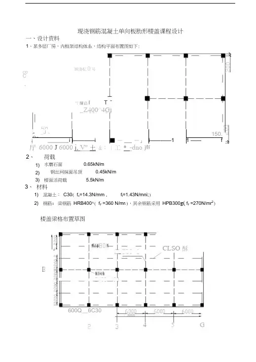
..现浇钢筋混凝土单向板肋形楼盖课程设计一、 设计资料1、 某多层厂房,内框架结构体系,结构平面布置图如下:2、 荷载1) 水磨石面 0.65kN/m 2; 2) 钢丝网抹面吊顶 0.45kN/m 2; 3) 楼面活荷载 5.5kN/m 3;3、 材料1) 混凝土: C30(c f =14.3N/mm 2 , t f =1.43N/mm 2;) 2) 钢筋:梁钢筋HRB400级(y f =360 N/mm 2),其余钢筋采用HPB300级(y f =270N/mm 2)。
二、 楼盖梁格布置草图三、 构件尺寸的确定1、 确定主梁跨度为6.6m ,次梁的跨度6m ,主梁每跨内布置两根次梁,板的跨度 为2.2m 。
2、 估计截面尺寸,按跨高比条件:板厚:板按考虑塑性内力重分布设计,按不验算挠度的刚度条件,板厚应不小于了L/30=2200/30=73.33mm ,此值小于工业房屋楼面最小厚度70mm 的构造要求,故取板厚h=80mm 。
次梁截面b*h : h=o l /18~o l /12=333~500mm ,考虑到楼面活荷载比较大,初估取h=450mm ,截面宽度b=(1/2~1/3)h ,取b=200mm 。
主梁截面b*h : h=o l /15~o l /12=440~660mm,取h=650mm ,截面宽度取b=250mm 。
四、 板的设计 1、 荷载板的永久荷载标准值:水磨石楼面 0.65 kN/2m ; 80mm 钢筋砼板 0.08×25=2.0kN/2m ; 钢丝网抹灰吊顶 0.45 kN/2m ;恒载标准值 3.1 kN/2m ; 活荷载标准值 5.5 kN/2m ;活载控制时,考虑恒载分项系数1.2,活荷载分项系数1.4荷载总设计值 g+q=1.2×3.1+1.4×5.5=11.54 kN/2m恒载控制时,考虑恒载分项系数1.35,活荷载分项系数1.4,组合系数0.9.荷载总设计值 g+q=1.35×3.1+1.4×0.9×5.5=11.12kN/2m由此可确定为活载控制,即荷载总设计值为11.54kN/2m2、 计算简图由板和次梁尺寸可以得到板的设计简,板的支承情况如下图。
混凝土结构设计课程设计计算书土木工程系2011 级学号932014 年3 月17 日钢筋混凝土单向板肋梁楼盖课程设计任务书设计题目设计某多层工业建筑(某生产车间)的中间楼面(采用现浇钢筋混凝土单向板肋梁楼盖)二、设计计算内容1、结构平面布置图:柱网、主梁、次梁及板的布置-计算书2、板的强度计算(按塑性内力重分布计算)3、次梁强度计算(按塑性内力重分布计算)4、主梁强度计算(按弹性理论计算)设计资料1、题号—第xx 题.活载题L1*L2号m)× 1 朴权日12 洪光海23 赵俊答34 曹宏强45 孟非凡56 张力中× 2 金俊赫13 金永春24 任贤文35 陈斌46 董文明57 陈斌斌× 3 胡东方14 朱洪剑25 李雪松36 龙奋略47程万强58 王波× 4 周奕良15 金真辉26 黄政翔37 曾鹏48 陈鹏59 朴元泉× 5 李海龙16 李晶琳27 吴尧38 任晓光49 曾亮友60 朴健× 6 戴金柱17 白云峰28 吴毅39 郝黎明50 黄远宁61 邱俊达×7 韩兵18 李文秀29 舒万岑40 陈明月51 乔盼盼62 李睿英×8 鉴学全19 程帅峰30 张玮41 周显海52 刘继宏63 柳文叶×9 柳秀铉20 王野31 岳壮壮42 杨厚锋53 韩光64 周芮淼×10 崔国斌21 付金婷32 张勇勇43 何兵兵54 李松清65 王博×11 瞿志禹22 施延续33 王聪44 康熙日55 姜玮峰2、生产车间的四周外墙均为承重砖墙,内设钢筋混凝土柱,其截面尺寸为350mm× 350mm。
3、荷载:(1)、楼面活荷载,单位为kn/m2(见表一)(2)、楼面面层:20mm 厚水泥砂浆面层,容重20kn/ m3(3)、楼盖自重:钢筋混凝土容重25kn/ m3(4)、天棚抹灰:20mm 厚混合砂浆抹灰,容重17kn / m34、材料:(1)、混凝土:C20(2)、钢筋:主梁及次梁受力筋用Ⅱ级钢筋,板内及梁内的其它钢筋可以采用Ⅰ级.三、有关制图的一些说明1、图纸:采用2#图纸, 1 张2、图标:3、字体及图线:图纸上所有字体一律采用仿宋字,所有图线、图例及尺寸标注均须符合制图标准。
课程设计说明书课程名称:现浇楼盖课程设计课程代码:题目:现浇钢筋混凝土单向板肋梁楼盖学院(直属系) :土木工程年级/专业/班:学生姓名:学号:指导教师:开题时间:年月日完成时间:年月日目录摘要 (3)引言 (4)任务与分析 (5)现浇钢筋混凝土单向板肋梁楼盖设计 (6)1.设计资料 (6)2.楼盖的结构平面布置 (6)3.板的设计 (7)3.1荷载 (8)3.2计算简图 (8)3.3弯矩计算值 (8)3.4正截面受弯承载力计算 (8)4.次梁设计 (9)4.1荷载设计值 (10)4.2计算简图 (10)4.3内力计算 (10)4.4承载力计算 (10)4.4.1正截面受弯承载力 (11)4.4.2斜截面受剪承载力 (11)5.主梁设计 (12)5.1荷载设计值 (13)5.2计算简图 (13)5.3内力设计值及包络图 (13)5.3.1弯矩设计值 (13)5.3.2剪力设计值 (13)5.3.3弯矩、剪力包络图 (14)5.4承载力计算 (16)5.4.1正面受弯承载力 (16)5.4.2斜截面受剪承载力 (17)结论 (19)致谢 (20)参考文献 (21)摘要本设计主要进行了结构方案中单向板肋梁楼盖设计。
在确定框架布局之后,先进行了层间荷载代表值的计算,进而求出在水平荷载作用下的结构内力(弯矩、剪力)。
完成了板,次梁、主梁等构件的内力和配筋计算及施工图绘制、楼盖的设计完成了板的配筋和次梁的配筋设计。
关键词:结构结构板次梁主梁引言从本阶段设计起正式进入建筑技术设计阶段,本阶段完成结构平面布置,即建筑物的内部板,次梁、主梁的具体设计。
在结构设计阶段主要是根据所给与的设计资料进行具体的结构设计。
是将具体的建筑物给结果组成表示的过程,这种表述是关系到建筑物的使用寿命及业主的切身利益。
本设计说明书的目的就是将建筑概念设计阶段得出的总体概貌反映到具体的施工图纸上。
本说明书的读者定位于建造师,需要对本说明书及图纸进行一个彻底的分析,然后组织水电,设备,管线等其他相应工程师来实现设计,也供施工人员参考。
现浇钢筋混凝土单向板肋梁楼盖设计任务书第一篇:现浇钢筋混凝土单向板肋梁楼盖设计任务书钢筋混泥凝土单向板肋梁楼盖课程设计任务书一、设计目的通过本课程的设计试件,使学生了解并熟悉有关钢筋混凝土现浇楼盖的设计方法和设计步骤,培养其独立完成设计和解决问题的能力,提高绘图能力。
二、设计资料1、工程概况:某内框架结构工业仓库,二层建筑平面图如下图所示(楼面标高4.00m),墙厚370mm,混凝土柱400⨯400mm。
板伸入墙内120mm,次梁伸入墙240mm,主梁伸入墙内370mm。
房屋的安全等级为二级,拟采用钢筋混凝土现浇单向板肋形楼盖。
图1 梁板结构平面布置2、楼面构造层做法:20mm厚石灰砂浆粉刷,30mm厚水磨石楼面(标准值0.65kN/m2)。
3、活荷载:标准值为7.5 kN/m2。
4、恒载分项系数为1.2;活荷载分项系数为1.3。
5、材料选用:混凝土采用C25(fc=11.9N/mm2,ft=1.27N/mm2)钢筋梁中受力主筋采用HRB400级(fy=360N/mm2)其余采用HPB235级(fy=210N/mm2)三、设计内容1、确定结构平面布置图:柱网、主梁、次梁及板的布置2、板的设计(按塑性理论)3、次梁设计(按塑性理论)4、主梁设计(按弹性理论)5、绘制结构施工图,包括:(1)、结构平面布置图(2)、板、次梁、主梁的配筋图(3)、主梁弯矩包络图及抵抗弯矩图(4)、设计说明(5)、次梁钢筋材料表四、成果要求1、课程设计在1周内完成。
2、计算书必须统一格式,并用钢笔抄写清楚(或打印)。
计算书(施工图)装订顺序:封面、评语页、目录、任务书、设计说明、计算书正文和施工图。
3、施工图统一为A3图纸。
要求图面布局均匀、比例适当、线条流畅、整洁美观,严格按照建筑制图标准作图。
4、在完成上述设计任务后方可参加设计答辩及成绩评定。
五、参考资料1、《混凝土结构设计》,梁兴文主编,中国建筑工业出版社2、GB50010-2002,《混凝土结构设计规范》3、GB50009-2001,《建筑荷载设计规范》第二篇:整体式单向板肋梁楼盖设计任务书整体式单向板肋梁楼盖设计任务书设计某三层轻工厂房车间的楼盖,拟采用整体式钢筋混凝土单向板肋梁楼盖,要求进行第二层楼面梁格布置,确定梁、板、柱截面尺寸,计算梁板配筋,并绘制施工图。
钢筋混凝土课程设计题目:现浇钢筋混凝土单向板肋梁楼盖系别:建筑工程系班级:11级土木工程1班姓名:叶学号:14指导老师:董吉武2013年6月1日现浇钢筋混凝土单向板肋梁楼盖计算书目录一、原始资料 .................. 错误!未定义书签。
二、楼盖梁板布置.............. 错误!未定义书签。
三、单向板设计 ................ 错误!未定义书签。
四、次梁设计 .................. 错误!未定义书签。
五、主梁设计 .................. 错误!未定义书签。
六、施工图说明 ................ 错误!未定义书签。
七、参考文献 .................. 错误!未定义书签。
八、课程设计总结.............. 错误!未定义书签。
一、原始资料1.设计题目:设计某工业厂房现浇整体式钢筋混凝土肋形楼盖2.荷载取值:学号A2(mm) B7(mm)楼面活荷载q114 6600 8400 4.5kN/m2其中纵向尺寸为5×A,横向尺寸为3×B;楼盖尺寸A、B由指导老师给定;其中纵墙厚度为370mm,横墙厚度为240mm;轴线通过各墙体截面中心线。
楼面采用水磨石面层,自重标准值为0.65kN/m2;顶棚为混合砂浆抹灰20mm厚,自重标准值17kN/m3;钢筋混凝土自重标准值按25kN/m3计算。
3.建筑材料:①外围墙体为砖墙:采用MU10烧结普通砖、M5混合砂浆砌筑。
②混凝土强度等级:C25。
③钢筋选取:梁中受力钢筋选用HRB400,其他钢筋全部选用HPB300.④楼面:采用水磨石面层⑤顶棚:混合砂浆抹灰20mm厚4.工程做法:①结构平面布置图:柱网、主梁、次梁及板的布置②板的强度计算(按塑性内力重分布计算)③次梁强度计算(按塑性内力重分布计算)④主梁强度计算(按弹性理论计算)5. 结构施工图:①结构平面布置图(1:100) ②板的配筋图(1:50)③次梁和主梁配筋图纵剖面图(1:50或1:40),要求注明梁跨、入墙深度、支座宽度、钢筋编号及受力筋的弯起、切断点位置、箍筋直径和间距;横剖面图(1:25或1:20),要求注明截面尺寸及钢筋编号。
2.2.1初步选择梁、板的截面尺寸1.板的尺寸除满足承载力、刚度、裂缝宽度要求外,尚应满足施工要求。
板厚取h≥l0/40;按施工要求,一般楼板厚度不少于60mm,密肋板厚度不少于50mm,工业建筑楼板厚度不少于70mm,本设计楼板厚度选80mm。
2. 次梁截面尺寸:次梁高度取,宽度取。
本设计次梁截面尺寸选b×h=200×450mm。
3. 主梁截面尺寸:主梁高度取,宽度取。
本设计主梁截面尺寸选b×h=300×600mm。
2.2.2在计算书上绘出结构平面布置图在计算书上画出图二,并标注出柱、主梁、次梁和板的名称(或编号),布置上板、次梁和主梁的计算单元及荷载的取值范围。
图二2.2.3 板的设计本设计采用单向板整浇楼盖,按塑性内力重分布方法计算内力。
对多跨连续板沿板的长边方向取1米宽的板带作为板的计算单元。
1.计算简图(见图三)计算跨度 边跨: 取,两式较小值中间跨:边跨与中间跨计算跨度相差若不超过10%,可按等跨连续板计算内力。
本设计为九跨连续板超过五跨按五跨计算内力。
图三2 板的荷载计算(见表二)3. 板的内力计算板考虑塑性内力重分布后,各跨中及支座截面的弯矩系数α值按图四采用,各跨中及支座截面的弯矩按式计算。
图四板一般均能满足斜截面抗剪承载力要求,所以只进行正截面承载力计算。
计算B 支座负弯矩时,计算跨度取相邻两跨的较大值。
板的弯矩计算见表三。
板的弯矩计算表 表三4.板的配筋计算(见表四)b=1000mm,h0=h-20=60mm。
各截面配筋计算过程见下表,中间板带内区格四周与梁整体连接,故M2、M3及M c应降低20%,计算结果应填在表四括号内。
5.绘制板的配筋施工图板采用分离式配筋,板的配筋图按1∶100的比例绘制在A2图纸上。
板正截面承载力计算表表四2.2.4 次梁的设计1.次梁计算简图计算跨度边跨:取,两式较小值中间跨:次梁采用塑性内力重分布方法计算。
600Q__6C30现浇钢筋混凝土单向板肋形楼盖课程设计厅 6000 J 6000 j, V" 土 &:〔工 * -dno 声3、 材料1) 混凝土: C30( f c =14.3N/mm ,f t =1.43N/mni;)2) 钢筋:梁钢筋 HRB400^( f y =360 N/mr r ),其余钢筋采用 HPB300g( f y =270N/mr 2)楼盖梁格布置草图"T 爛谄I TZ400^4GiJff_J 'hJOo150._______ i i ————i ■ — ___ —」 i ————1 1 ——f2、1) 2)3) 荷载水磨石面 0.65kN/m钢丝网抹面吊顶0.45kN/m 楼面活荷载5.5kN/m一、设计资料1、某多层厂房,内框架结构体系,结构平面布置图如下:CDC、圳浇杞0号■■. 广.」CLSO 酥 4504 5 G三、构件尺寸的确定1、确定主梁跨度为6.6m,次梁的跨度6m主梁每跨内布置两根次梁,板的跨度为2.2m。
2、估计截面尺寸,按跨高比条件:板厚:板按考虑塑性内力重分布设计,按不验算挠度的刚度条件,板厚应不小于了L/30=2200/30=73.33mm,此值小于工业房屋楼面最小厚度70mm的构造要求,故取板厚h=80mm次梁截面b*h : h= l o/18〜1。
/12=333〜500mm,考虑到楼面活荷载比较大,初估取h=450m,截面宽度b=(1/2 〜1/3)h,取b=200mm主梁截面b*h : h= l o/15 〜1。
/12=440〜660mm取h=650mm 截面宽度取b=250mm四、板的设计1、荷载板的永久荷载标准值:水磨石楼面0.65 kN/ 2 m ;80mm!冈筋砼板0.08 X 25=2.0kN/ m2;钢丝网抹灰吊顶0.45 kN/ 2 m ;恒载标准值 3.1 kN/ m2;活荷载标准值5.5 kN/ m2;活载控制时,考虑恒载分项系数1.2,活荷载分项系数1.4荷载总设计值g+q=1.2 X3.1+1.4 X 5.5=11.54 kN/ m2恒载控制时,考虑恒载分项系数1.35,活荷载分项系数1.4,组合系数0.9.荷载总设计值g+q=1.35 X 3.1+1.4 X 0.9 X 5.5=11.12kN/ m2由此可确定为活载控制,即荷载总设计值为11.54kN/ m22、计算简图由板和次梁尺寸可以得到板的设计简,板的支承情况如下图。
. 1华东交通大学理工学院课程设计计算书课程名称:现浇楼盖课程设计题目:现浇钢筋混凝土单向板肋梁楼盖学院(直属系) :土建年级/专业/班: 08土木建工1班学生姓名:黄河学号:222指导教师:吴浪开题时间:2011年5月19日完成时间:2011年5月23日目录目录 (2)现浇钢筋混凝土单向板肋梁楼盖设计 (3)1.设计资料 (3)2.楼盖的结构平面布置 (3)3.板的设计 (4)3.1荷载 (4)3.2计算简图 (4)3.3弯矩计算值 (5)3.4正截面受弯承载力计算 (5)4.次梁设计 (6)4.1荷载设计值 (6)4.2计算简图 (6)4.3力计算 (7)4.4承载力计算 (7)4.4.1正截面受弯承载力 (7)4.4.2斜截面受剪承载力 (8)5.主梁设计 (8)5.1荷载设计值 (8)5.2计算简图 (8)5.3力设计值及包络图 (9)5.3.1弯矩设计值 (9)5.3.2剪力设计值 (9)5.3.3弯矩、剪力包络图 (9)5.4承载力计算 (11)5.4.1正面受弯承载力 (11)5.4.2斜截面受剪承载力 (12)现浇钢筋混凝土单向板肋梁楼盖设计1.设计资料1. 建筑物安全等级:二级;2.建筑物平面尺寸(L1×L2):33.6×20.7(31号),墙厚370,钢筋混凝土柱350×350;3.荷载:1)楼面活载:72/k m N )楼面面层:20厚水泥砂浆 3w /20m kN =γ)钢筋混凝土容重:3/25m kN c =γ)楼侧面、楼底粉刷层:15厚混合砂浆3/17m kN n =γ ;4.材料:1)混凝土C20;2)钢筋:受力钢筋用HRB335级钢筋,腹筋用HPB235级钢筋。
2.楼盖的结构平面布置主梁沿横向布置,次梁沿纵向布置。
主梁的跨度为6.9m ,次梁的跨度为5.6m ,主梁每跨布置两根次梁,两边板跨度为2.3m ,中间跨度为2.3m , 则按单向板设计。
钢筋混凝土单向板肋梁楼盖课程设计任务书一、设计题目设计某多层工业建筑(某生产车间)的中间楼面(采用现浇钢筋混凝土单向板肋梁楼盖)二、设计容1、结构平面布置图:柱网、主梁、次梁及板的布置2、板的强度计算(按塑性力重分布计算)3、次梁强度计算(按塑性力重分布计算)4、主梁强度计算(按弹性理论计算)5、绘制结构施工图(1)、结构平面布置图(1:200)(2)、板的配筋图(1:50)(3)、次梁的配筋图(1:50;1:25)(4)、主梁的配筋图(1:40;1:20)及弯矩M、剪力V的包络图(5)、钢筋明细表及图纸说明平面尺寸:31200mm*18900mm钢筋混凝土单向板肋梁楼盖课程设计一、设计资料1、某设计使用年限为50年工业厂房楼盖,采用整体式钢筋混凝土结构,楼盖梁布置如图所示。
325m /kN =γ2/7mkN 2、 生产车间的四周外墙均为承重砖墙,设5m 钢筋混凝土柱,其截面尺寸为300mm ×300mm 。
3、荷载(1)、楼面活荷载:(2)、楼面面层:20mm 厚水泥砂浆面层 (3)、楼盖自重:钢筋混凝土容重(4)、平顶粉刷:三夹板顶棚 重度为2/18.0m kN(5)、恒载分项系数为:1.2;活载分项系数为1.3(因工业厂房楼盖楼面活荷载标准值大于2/4m kN )。
4、材料选用:(1)、混凝土:采用C25( cf =11.9 N/2mm ,tf =1.27N/2mm )。
次梁受力筋用HRB335级(yf =300N/2mm ),板及梁的其它钢筋可以采(2)、钢筋:主梁及用HPB235(yf =210N/2mm )。
二、板的计算板按考虑塑性力重分布方法计算。
板的397.22100624012<≈=mmmml l ,宜按双向板设计,按沿短边方向受力的单向板计算时,应沿长边方向布置足够数量的构造钢筋。
本例按单向板计算。
板的厚度按构造要求曲mm mm l mm h 5.5240210040801=≈>=。
钢筋混凝土单向板肋梁楼盖课程设计钢筋混凝土单向板肋梁楼盖是结构工程中常用的一种结构形式,它可以满足设计要求,具有良好的经济效益和建筑功能。
钢筋混凝土单向板肋梁楼盖的一大优点是它的体量小,结构重量轻,可以显著降低建筑物的基础和钢筋混凝土梁的抗压量,减少了基础钢筋混凝土的用量,并且在施工时具有较高的精度,可以很好的满足设计功能。
二、技术原理钢筋混凝土单向板肋梁楼盖采用了钢筋混凝土复合板肋梁,它由两个梁组成,一个梁被称为“板肋”,另一个梁被称为“箍”。
板肋梁有两个横向板,它们用一层钢筋混凝土连接在一起,形成了一个箱型结构的空腔,而箍梁则可以用一层钢筋混凝土连接在一起,形成了一个圆管状的箱子。
当两个梁被连接在一起时,它们形成了一个加强了梁与梁之间的紧密结合,使整体结构更加稳定。
三、施工性能1.节约材料:钢筋混凝土单向板肋梁楼盖结构采用复合板肋梁,它可以很好地节约建筑材料,减少了钢筋混凝土梁及其他支撑结构的使用。
2.施工效果好:由于该结构体系的精度很高,施工操作简单方便,施工效果也很好。
3.施工成本低:由于结构体系的重量轻,可以有效地减少施工成本。
四、案例分析为了更好地认识钢筋混凝土单向板肋梁楼盖,本文对一家公司施工的钢筋混凝土单向板肋梁楼顶的施工案例进行了论述。
整个钢筋混凝土单向板肋梁楼顶有4层,地面面积为8800平方米,层高为4.9米,板肋梁的长度不得小于4.9米,宽度不得小于4.0米,连接板肋之间的钢筋采用的是热轧钢筋,连接箍之间的钢筋则采用的是焊接钢筋。
施工结束后,该结构及其支撑结构都达到了设计要求,满足了功能要求,同时也为节约建筑物的施工成本提供了有效的支持。
五、总结从本文的讨论中可以看出,钢筋混凝土单向板肋梁楼盖是一种采用复合板肋梁组合而成的结构形式,它具有节约施工成本、施工精度高、可靠性高等基本特点,可以满足设计要求并可以很好地满足建筑施工需求。
在未来的设计过程中,可以更充分地发挥结构体系的抗震性能,进一步提高钢筋混凝土单向板肋梁楼盖的使用效果。
钢筋混凝土单向板肋梁楼盖课程设计钢筋混凝土单向板肋梁楼盖是一种常见的建筑构件,所用材料质量良好,受力特性稳定,在现代建筑结构中有着广泛的应用。
本文以钢筋混凝土单向板肋梁楼盖的课程设计为主题,总结和分析钢筋混凝土单向板肋梁楼盖的构造原理、施工方法及其分析,为建筑结构中此类构件的设计提供参考。
一、钢筋混凝土单向板肋梁楼盖构造原理钢筋混凝土单向板肋梁楼盖由梁、柱、肋板和楼盖组成,中间的梁是支承楼盖的支撑构件,而柱是支承梁的柱,楼盖主要用于形成房屋顶部的屋面,肋板是梁和楼盖之间的平衡器,它们一般采用钢筋混凝土结构,在构造中,钢筋与混凝土所形成的共同单元,得以最大程度的利用结构材料的力学性能。
二、钢筋混凝土单向板肋梁楼盖施工方法1.钢筋混凝土单向板肋梁楼盖施工前,应对梁、肋板、楼盖进行满足要求的计算,图纸设计等。
2.检查材料的质量,确保材料的质量达到规定的标准。
3.组装梁,焊接完成,加固更加稳定。
4.安装肋板,钻孔,焊接完成。
5.安装楼盖,完成封闭。
6.完成水泥浇筑,形成完整的钢筋混凝土单向板肋梁楼盖。
三、钢筋混凝土单向板肋梁楼盖力学分析1.算梁的抗弯承载力:采用矩形截面,结合最大弯矩原理和弹性理论计算梁的抗弯承载力。
2.算肋板的抗压及抗拉承载力:采用快速分层法计算肋板的抗压及抗拉承载力。
3.算楼盖的抗压承载力:采用有限元计算方法,根据楼盖的结构形式和材料性质,进行局部分析和整体分析,确定其承载能力。
四、结论1.筋混凝土单向板肋梁楼盖是一种常见的建筑构件,具有良好的材料质量和受力性能,有着广泛的应用。
2.施工中,应充分考虑原材料的质量、构造原理、施工方法以及力学分析等多方面,确保钢筋混凝土单向板肋梁楼盖的安全可靠。
本文总结了钢筋混凝土单向板肋梁楼盖的构造原理、施工方法及其力学分析,为该类结构的设计提供参考,以期能够更好的为建筑结构的安全可靠性提供保障。
现浇钢筋混凝⼟单向板肋梁楼盖设计混凝⼟结构题⽬:现浇钢筋混凝⼟单向板肋梁楼盖设计学院(直属系) :⼒学与⼯程学院年级/专业/班: 10级⼟⽊⼯程学⽣姓名:游政学号:钢筋混凝⼟单向板肋梁楼盖课程设计任务书⼀、设计题⽬某轻⼯仓库为钢筋混凝⼟内框架结构,楼盖平⾯如图所⽰。
楼层⾼4.5m,外设楼梯。
试设计该现浇钢筋混凝⼟楼盖。
⼆、设计内容1、结构平⾯布置图:柱⽹、主梁、次梁及板的布置2、板的强度计算(按塑性内⼒重分布计算)3、次梁强度计算(按塑性内⼒重分布计算)4、主梁强度计算(按弹性理论计算)5、绘制结构施⼯图(1)、板的配筋图(1:100)(2)、次梁的配筋图(1:40;1:20)(3)、主梁的配筋图(1:40;1:20)及弯矩M、剪⼒V的包络图三、设计资料1、楼⾯做法:30mm 厚⽔磨⽯地⾯, kN/m 2 . 15mm 厚板底抹灰, kN/m 2楼⾯的活荷载标准值为m 22、钢筋混凝⼟容重:25 kN/m 33、材料选⽤(1)、混凝⼟: C15,(2)、钢筋:主梁及次梁受⼒筋⽤HRB400,板内及梁内的其它钢筋可以采⽤HRB335。
现浇钢筋混凝⼟单向板肋梁楼盖设计计算书⼀、平⾯结构布置:1、确定主梁的跨度为6.6m,次梁的跨度为5.1m,主梁每跨内布置两根次梁,板的跨度为m 2.2。
楼盖结构布置图如下:2、按⾼跨⽐条件,当mm l h 55401=≥时,满⾜刚度要求,可不验算挠度。
对于⼯业建筑的楼盖板,要求mm h 80≥,取板厚mm h 80=3、次梁的截⾯⾼度应满⾜h=(1|18~1|12)L=(333~500)mm ,取mm h 400=,取mm b 200=。
4、主梁的截⾯⾼度应该满⾜h=(1|15~1|10)=(400~600mm),h=600mm,取b=300mm。
⼆、板的设计(按塑性内⼒重分布计算):1、荷载计算:板的恒荷载标准值:取1m宽板带计算:⽔磨⽯⾯层 kN/m⒉80mm钢筋混凝⼟板×25=2 kN/m⒉15mm板底混合砂浆 kN/m⒉恒载: g=+2+= kN/m⒉活载: q= kN/m⒉恒荷载分项系数取;因为⼯业建筑楼盖且楼⾯活荷载标准值⼤于m⒉,以活荷载分项系数取。
华东交通大学理工学院课程设计计算书课程名称:现浇楼盖课程设计题目:现浇钢筋混凝土单向板肋梁楼盖学院(直属系) :土建年级/专业/班: 08土木建工1班学生姓名:黄河学号:20080110010222指导教师:吴浪开题时间:2011年5月19日完成时间:2011年5月23日目录目录 (2)现浇钢筋混凝土单向板肋梁楼盖设计 (3)1.设计资料 (3)2.楼盖的结构平面布置 (3)3.板的设计 (3)3.1荷载 (3)3.2计算简图 (4)3.3弯矩计算值 (4)3.4正截面受弯承载力计算 (5)4.次梁设计 (5)4.1荷载设计值 (6)4.2计算简图 (6)4.3内力计算 (6)4.4承载力计算 (6)4.4.1正截面受弯承载力 (6)4.4.2斜截面受剪承载力 (7)5.主梁设计 (7)5.1荷载设计值 (7)5.2计算简图 (8)5.3内力设计值及包络图 (8)5.3.1弯矩设计值 (8)5.3.2剪力设计值 (8)5.3.3弯矩、剪力包络图 (8)5.4承载力计算 (10)5.4.1正面受弯承载力 (10)5.4.2斜截面受剪承载力 (11)现浇钢筋混凝土单向板肋梁楼盖设计1.设计资料1. 建筑物安全等级:二级;2.建筑物平面尺寸(L1×L2):33.6×20.7(31号),墙厚370,钢筋混凝土柱350×350; 3.荷载:1)楼面活载:72/k m N )楼面面层:20厚水泥砂浆 3w /20m kN =γ)钢筋混凝土容重:3/25m kN c =γ)楼侧面、楼底粉刷层:15厚混合砂浆3/17m kN n =γ ;4.材料:1)混凝土C20;2)钢筋:受力钢筋用HRB335级钢筋,腹筋用HPB235级钢筋。
2.楼盖的结构平面布置主梁沿横向布置,次梁沿纵向布置。
主梁的跨度为6.9m ,次梁的跨度为5.6m ,主梁每跨内布置两根次梁,两边板跨度为2.3m ,中间跨度为2.3m , 则按单向板设计。
按跨高比条件,要求板厚h ≥2300/40=57.5mm,对工业建筑的楼盖板,要求h ≥80mm ,取板厚为h=80mm 。
次梁截面高度应满足, mm,取h=450mm.截面宽度b=h/3~h/2=150~225mm ,取b=200mm 。
主梁截面高度应满足, 取h=600mm 。
截面宽度b=h/3~h/2=200~300mm ,取b=300mm 。
3.板的设计轴线①~②,⑥~⑦的板属于端区隔单向板,轴线②~⑥的板属于中间区隔单向板。
3.1荷载板的永久荷载标准值80mm 现浇钢筋混凝土板 0.08×25=2kN/2m 20mm 厚楼面水泥砂浆面层 0.02×20=0.4kN/2m 15mm 板底混合砂浆抹灰 0.015×17=0.255kN/2m467~31112/5900~18/560012/~18/h 00===l l 43.23.2/6.5/0120==l l mml l 690~46010/6900~15/690010/~15/h 00===小计 2.655kN/2m板的可变标准荷载值7kN/2m永久荷载分项系数取1.2,因楼面可变荷载标准值大于4.0kN/2m,所以可变荷载分项系数应取1.3。
于是板的永久荷载设计值g=2.665×1.2=3.186kN/2m可变荷载设计值q=7×1.3=9.1kN/2m荷载总设计值g+q=12.286kN/2mm,取g+q=12.29kN/23.2计算简图次梁截面为200×450mm,取板在墙上的支撑长度为120mm,按塑性内力重分布设计,板的计算跨度:边跨:l0=ln+h/2=2300-100-120+80/2=2120mm<1.025 ln=2358mm,取l0=2120mm中间跨:l0= ln=2300-200=2100mm因跨度差(2120-2100)/2100=0.9%<10%,可按等跨连续板计算,取1m板宽作为计算单元,计算简图如下:板的计算简图3.3弯矩计算值用塑性内力重分布理论计算,则有α系数如下:o h =80-25=55mm ;板宽b=1000mm 。
C20混凝土,1a =1.0,c f =9.6kN/2m ;HRB335钢筋,y f =210N/2m 。
板配筋计算的过程于下表:钢筋面积乘以0.8.计算结果表明,支座截面的ξ均小于0.35,符合塑性内力重分布的原则;s A /bh=314/(1000×80)=0.39%,此值大于0.45t f /y f =0.45×1.1/210=0.24%,同时不小于0.2%,满足最小配筋率。
4.次梁设计按考虑塑性内力重分布设计。
根据本车间楼盖的实际使用情况,楼盖的次梁和主梁的可变荷载不考虑梁从属面积的荷载折减。
4.1荷载设计值由板传来的恒载: 3.19×2.3=7.34kN/2m次梁自重: 25×0.2×(0.45-0.08)×1.2=2.22 kN/2m 次梁粉刷: 17×0.015×(0.45-0.08)×2×1.2=0.23 kN/2m小计 9.79kN/2m板的可变荷载设计值 q=9.1×2.3=20.93kN/2m 荷载总计算值 g+q=30.72kN/2m 4.2计算简图次梁在砖墙上的支承长度为180mm 。
主梁截面为250mm ×550mm ,计算跨度:边跨 o l =n l +a/2=5600-90-125+90=5475mm<1.025n l =1.025×5355=5519.6mm 取o l =5475mm , 中间跨o l =n l =5600mm因跨度相差小于10%,可按等跨连续板计算。
计算简图如图所示:4.3内力计算由表11-1、表11-3可分表查得弯矩系数和剪力系数。
弯矩设计值:1M =-B M =(g+q )20l /11=30.72×25.475/11=83.71kN ·mC M =-(g+q )20l /14=-30.72×26.5/14=-68.81kN ·m2M =(g+q )20l /16=30.72×26.5/16=60.21kN ·m 剪力设计值:A V =0.45(g+q )n1l =0.45×30.72×5.475=75.69kN Bl V =0.60(g+q )n1l =0.60×30.72×5.475=100.91kN Br V =C V =0.55(g+q )n2l =0.55×30.72×5.6=94.62kN4.4承载力计算4.4.1正截面受弯承载力正截面受弯承载力计算时,跨内按T 形截面计算,翼缘宽度去'f b =l /3=5600/3=1867mm ;又'f b =b+n s =200+2300=2500。
故取'f b =1867mm 。
除支座B 截面纵向钢筋按两排布置外,其余各截面均布置一排。
环境类别为一级,C20混凝土,梁的最小保护厚度c=30mm ,一排纵向钢筋布置截面有效高度o h =450-30-10=410mm ,二排布置o h =450-60=390mm 。
C20混凝土,1a =1.0,c f =9.6N/2mm ,t f =1.1/2mm ;纵向钢筋采用HRB335钢,y f =300N/2mm ,箍筋采用HPB235钢筋,y v f =210N/2mm 。
正截面承载力计算过程列于下表。
1a c f 'f b 'f h (o h -'f h /2)=1.0×9.6×1867×80×(410-80/2)=530.5 kN ·m>M max 故跨内截面均属于第一类T 型截面。
次梁正截面受弯承载力计算 截 面1 B2 C弯矩设计值(kN ·m )83.71 -83.71 60.21 -68.81s a =M /(1a c f b 20h )或 s a =M /(1a c f 'f b 20h ) 2641018676.90.11071.83⨯⨯⨯⨯=0.027263902006.90.11071.83⨯⨯⨯⨯-=0.284 2641018676.90.11021.60⨯⨯⨯⨯=0.020264102006.90.11081.68⨯⨯⨯⨯-=0.211ξ=1-s 2a -1 0.027 0.343<0.35 0.020 0.240s A =ξb o h 1a c f /y f 或s A =ξ'f b o h 1a c f /y f671.5855.5494.9598.4选配钢筋 (2mm ) 116+218s A =710.1 118+316s A =857.5 218s A =509.0 316s A =603.0计算结果表明,支座截面的ξ均小于0.55s A /bh=509/(200×450)=0.566%,此值大于0.45t f /y f =0.45×1.1/300=0.165%,满足最小配筋率。
4.4.2斜截面受剪承载力斜截面受剪承载力计算包括:截面尺寸的复核、腹筋计算和最小配筋率验算。
验算截面尺寸:w h =o h -'f h =410-80=330mm ,因w h /b=330/200=1.65<4,截面按下式验算:0.25c βc f b o h =0.25×1×9.6×200×410=196.8×310N >max V =100.91kN ,截面满足要求。
验算是否需要按计算配置箍筋0.7t f b o h =0.7×1.1×200×410=63.14×310N<max V =100.9×310N,需按计算配箍筋。
采用Φ10双肢箍筋,计算支座B 左侧截面。
S=1.25yv f sv A o h /(V BL -0.7t f b o h )=1.25×210×157×410/(100.9×310-0.7×1.1×200×410)=447.49mm调幅后受剪承载力应加强梁局部范围内将计算的箍筋面积增加20%或箍筋间距减小20%。
现调整箍筋间距s=0.8×447.49=358mm ,取箍筋间距s=250mm 。