最新副井井筒掘砌施工组织设计终版
- 格式:doc
- 大小:973.50 KB
- 文档页数:77
国投哈密能源开发有限责任公司副斜井井筒及配套巷道、硐室施工组织设计河南煤炭建设集团有限责任公司二O一一年八月九日施工组织设计会审表施工组织设计、方案、措施会审表表号:GC-002/A 编号:GTHMNY/GC/HS/ /2021目录前言··································································1、工程概况·····························································································································································································································································································2、施工准备···········································································································································································································································································································································3、施工方案及施工顺序····················································································································································································································4、施工关键技术······································································································································································4.3冬、雨季施工措施···················································5、施工辅助系统·························································································································································································································································································5.5通风、降尘系统····················································································································5.7通讯、信号、照明系统·····························································································5.9测量······························································6、劳动组织····························································································································································································································7、施工排队和工期···················································································································································································································································································8、质量保证体系与质量保证措施········································································································································································································9、平安保证体系和平安技术保证措施·······································································································································································································10、文明施工及环境保护措施························································································································································11、提高工程质量、保证工期及降低造价的合理化建议······················12、副斜井井筒工程施工机械设备配备一览表······························前言国投哈密能源开发有限责任公司为国家开发投资公司下属国投煤炭公司的全资子公司,于2021年4月在哈密注册成立。
前言我们在认真分析研究了宁夏银星煤业有限公司红海煤矿副斜井施工图设计等有关图纸及招标答疑等资料的基础上,根据工程设计的具体特点和建设单位对工程的要求,结合我单位施工装备和技术特长,编制了本工程的施工组织设计大纲。
设计中选用了斜井施工较为先进的施工方案——即使用多台风钻打眼、大绞车、大耙斗、大箕斗、大矸石仓、光面爆破、双激光指向、多级排水为主体的机械化作业线,掘砌平行作业,强化管理,力求安全、快速、优质、高效地完成宁夏银星煤业有限公司红海煤矿副斜井工程。
本方案的主要特点是:1、副斜井表土段(井颈)开挖采用挖掘机挖掘,并及时进行边坡锚喷临时支护,内外模衬砌永久支护,支护用混凝土采用HBT-30型砼输送泵输送。
2、斜井基岩段采用双激光定向,多台风钻打眼,中深孔全断面一次光面爆破;副斜井配备JK-2.5/20A绞车提升,配备0.6m3耙斗装岩机装岩,6.0m3箕斗出矸,前卸式无卸载轮卸矸;喷射砼临时支护紧跟迎头,同时在耙矸机后面喷射砼进行永久支护,实现掘砌平行交叉作业等先进的施工工艺。
3、采用JBD60№6.3/30型高效对旋风机,φ600mm风筒进行压入式通风,满足掘进工作面实际需风量。
4、副斜井筒施工中,井口按斜甩车场设计,安设手动阻车器,联动防跑车装置,钢丝绳柔性保险挡等固定防跑车装置,工作面后方50m左右安设碰杆式常开挡车器,确保施工安全。
5、对工作面涌水,采取截、堵、排、导等综合治理措施,立足改善作业环境,加快施工速度。
6、坚持安全生产和文明施工,实现标准化管理,严格按照正规循环图表组织施工,确保按期完成合同任务。
7、建立健全安全保障体系,实现安全“两无”——无重伤、无死亡的管理目标。
8、工程质量目标为标内工程实现全优。
9、施工工期。
按招标文件要求,副斜井施工准备期65天,完成大临工程和62.77米的明槽段;副斜井井筒现浇砼段及砌碹段41.56m ,月进尺75m ,工期18天;井筒基岩喷浆段897.58m,月进尺100m,工期 270天,井筒铺底、水沟、台阶、铺轨等收尾50天,总工期403天,副斜井36m躲避洞在施工过程中平行作业。
××煤矿副井井筒施工组织设计编制说明编制依据:该施工组织设计依据××××集团××××煤矿项目副井井筒施工图,现有的工程地质及水文地质资料,工业广场布置和建设单位的有关要求,结合施工现场的具体情况及本单位的施工队伍、设备情况和国家及行业相关的法律法规进行编制。
目录第一章矿井概况第一节矿井设计概况--------------------------------4第二节地质及水文地质------------------------------4第二章施工准备第一节建井测量------------------------------------9第二节四通一平------------------------------------10第三节建井期间总平面布置--------------------------11第四节施工准备期工程进度安排----------------------12第三章施工方案的选择第一节表土段的施工方案----------------------------15第二节基岩段的施工方案----------------------------15第四章施工方法第一节临时锁口施工--------------------------------16第三节基岩段施工----------------------------------18第四节井筒相关硐室的施工--------------------------22 第五节井筒过围岩破碎带施工------------------------23 第六节井筒通过煤层施工----------------------------23 第七节井筒基岩段防治水----------------------------23第五章辅助系统第一节井架选择------------------------------------24第二节提升系统------------------------------------24第三节凿井设施平面及提绞布置----------------------24 第四节排水系统------------------------------------25第五节压风系统------------------------------------25第六节通风系统------------------------------------25第七节照明、信号及放炮设施------------------------26 第八节测量----------------------------------------26第九节吊盘及安全梯--------------------------------26第十节混凝土搅拌系统------------------------------27第十一节地面排矸系统--------------------------------27第六章工程进度计划和劳动组织第一节工程进度计划--------------------------------27第二节劳动组织------------------------------------29第七章施工安全技术措施第二节施工安全措施--------------------------------31第三节质量保证体系及措施--------------------------33第四节文明施工及环境保护措施---------------------36第八章井筒发生突发重大事故应急预案第一节矿井概况------------------------------------38第二节井筒重大事故危险分布------------------------39第三节应及救援指挥部组成和职责分工----------------39第四节大事故的抢救措施----------------------------41附录1 副井提升选择计算附录3 吊盘计算附录4 施工设备设施搬运清单表附录5 凿井设施计算成果表附录6 副井井筒基岩段炮眼布置图附录7 井筒施工平面布置图附录8 主井天轮平台布置图附录9 翻矸台系统图附录10 翻矸台钢梁布置图附录11 副井提绞布置图附录12 封口盘结构图附录13 固定盘结构图附录14 吊盘总图第一章矿井概况第一节矿井设计概况××××煤矿位于内蒙锡林浩特市境内,矿区外部交通较便利,区内交通不利,以公路为主。
编号:001华兴能源有限责任公司唐家会煤矿副井井筒及相关硐室掘砌工程施工组织设计编制人:王成军审核人:倪四清华煤集团有限公司2011年4月20日目录前言 ............................................................................................................................ - 1 -第一章工程概况1.1 矿井概况................................................................................................................. - 3 -1.2 井筒技术特征 .......................................................................................................... - 3 -1.3地质构造.................................................................................................................. - 4 -1.4 水文地质情况 .......................................................................................................... - 4 -第二章施工准备2.1 技术工作准备 .......................................................................................................... - 5 -2.2 施工力量配备 .......................................................................................................... - 5 -2.3 施工现场准备 .......................................................................................................... - 5 -第三章井筒施工方案3.1 施工方案确定原则 ................................................................................................... - 8 -3.2 总体施工方案 .......................................................................................................... - 8 -3.3 施工方案的确定....................................................................................................... - 8 -3.4施工主要机械设备 .................................................................................................... - 9 -3.5 凿井设施布置 ........................................................................................................ - 10 -3.6 劳动力组织 ........................................................................................................... - 11 -3.7 施工辅助系统 ........................................................................................................ - 13 -第四章井筒施工工艺4.1 井筒表土段施工..................................................................................................... - 17 -4.2 井筒基岩风化带施工 ............................................................................................ - 18 -4.3 井筒基岩段施工..................................................................................................... - 18 -图4-3-1 ....................................................................................................................... - 20 -4.4 井筒相关硐室施工 ................................................................................................. - 25 -4.5 井筒通过煤层及断层破碎带施工............................................................................. - 25 -4.6混凝土施工技术保证措施........................................................................................ - 27 -4.7 井筒施工期间综合防治水 ....................................................................................... - 27 -4.8 突发事件应急措施 ................................................................................................. - 27 -第五章施工控制与管理5.1 施工项目管理机构 ................................................................................................. - 28 -5.2 施工进度管理与控制.............................................................................................. - 32 -5.3 施工安全管理与控制.............................................................................................. - 33 -5.4 施工质量管理与控制.............................................................................................. - 38 -5.5 施工技术管理与控制.............................................................................................. - 42 -第六章安全防护与文明施工6.1专业岗位安全生产管理措施..................................................................................... - 45 -6.2 针对性安全生产主要保证措施 ................................................................................ - 47 -6.3 安全防护............................................................................................................... - 51 -6.4文明施工................................................................................................................ - 53 -6.5环境保护................................................................................................................ - 54 -第七章施工组织设计相关参数及选型计算7.1 提升...................................................................................................................... - 55 -7.2主要悬吊验算:...................................................................................................... - 60 -7.3通风系统验算......................................................................................................... - 55 -7.4压风系统验算......................................................................................................... - 66 -第八章附件、附图前言鄂尔多斯市华兴能源有限责任有限公司副井井筒及相关硐室掘砌工程由我公司中标,我们对工程的内容和有关图纸资料进行了认真的研读,细致地分析研究,并结合我公司立井井筒机械化快速施工经验丰富的特点,我们将采用可靠的施工方案、先进的施工技术和装备,并通过严格科学合理的组织管理,保证安全、质量及投标工期控制目标的全部实现。
前言富华煤业有限公司芦村一号矿井设计生产能力为2.40Mt/a,采用主斜井、副立井和回风立井混合开拓,单水平盘区式开采。
根据本工程设计的特点,结合我处施工装备和技术特点,编制了副立井的施工组织设计,选用了行之有效的设备和先进可靠的施工技术、施工工艺,其主要特点如下:1)、井筒施工装备了以大绞车、大吊桶、大模板、重型伞钻、中心回转抓岩机、自动翻矸、汽车排矸为主体的立井施工机械化作业线,施工机械化程度较高。
2)、井筒表土和基岩段均采用短段掘砌混合作业,整体活动式金属模板砌壁,液压自动脱模;两层吊盘作业,连续不间断施工。
3)、表土采用风镐和高效风铲挖掘,挖机装罐,适时组织快速施工;4)、基岩段使用SJZ—6.9型伞钻配YGZ—70型导轨式凿岩机钻眼,实施深孔光面爆破,采用导爆管起爆等爆破新技术,以提高炮眼利用率和循环进尺。
5)、硐室工程采用下行分层法掘进,锚网喷临时支护,确保工程质量和施工安全。
6)、建立健全目标管理责任制,实行项目法管理,实现质量、进度、安全和成本四大控制。
7)、坚持安全生产和文明施工,实行标准化管理,不断改善作业环境和劳动条件,提高劳动生产率。
8)、搞好环境保护工作,污水排放、噪音、粉尘与废气排放等均符合国家标准,做到文明施工。
施工组织设计大纲编制依据:(1)富华煤业有限公司芦村一号煤矿井筒工程施工承包意向的征询函(2)富华煤业有限公司芦村一号煤矿副立井井筒井壁结构平、剖面图(3)《煤矿井巷工程质量验收规范》(GB 50213-2010);(4)《煤矿井巷工程施工规范》(GB 50511-2010);(5)《煤矿安全规程》(2011年版);(6)《煤矿建设安全规定》(试行)。
(7)《混凝土结构工程施工质量验收规范》(GB50204-2002)(8)《钢筋机械连接通用技术规程》(JGJ107-96)1.工程概况及特点1.1工程概况富华煤业有限公司芦村一号矿井设计生产能力为 2.40Mt/a,采用主斜井、副立井和回风立井混合开拓,单水平盘区式开采。
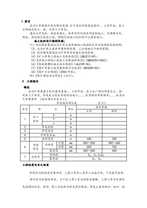
1 前言五沟矿井隶属于皖北煤电集团,位于淮北市濉溪县境内,,立井开拓,在工业场地内有主、副、风井三个井筒。
通过公开竞标,我处承建主、副井井筒及相关硐室的施工,为确保安全、快速、高效地完成该工程,特编写该施工组织设计以指导施工。
施工组织设计编制依据:(1)皖北煤电集团五沟矿井主副井掘砌工程招标文件及其招标答疑材料;(2)五沟矿井主副井井壁结构简图、工业场地总平面布置图;(3)皖北煤电集团五沟矿井井筒检查孔地质报告;(4)《矿山井巷工程施工及验收规范》(GBJ213-90);(5)《混凝土结构工程施工质量验收规范》(GB50204-2002);(6)《钢筋锥螺纹接头技术规程》(JGJ109-96);(7)《煤矿井巷工程质量检验评定标准》(MT5009-94);(8)《煤矿安全规程》(2004年版);(9)《煤矿建设安全规定》(试行)。
2 工程概况概述五沟矿井隶属于皖北煤电集团,,立井开拓,在工业广场内布置有主、副、风井三个井筒,井筒表土段采用冻结法施工。
,,,采用临时井架凿井;,,,采用永久井架凿井(技术特征见表2-1)。
工程地质及水文地质井筒穿过的地层有第四系、上第三系和二叠系上石盒子组、下石盒子组等。
第四系为未固结岩层,与下伏上第三系呈假整合接触,上第三系为未固结或弱固结岩层,第四、第三系统称为新生界松散层。
岩性主要为细砂、粉砂、粘土质砂、砂质粘土和粘土,夹少量的砂岩盘。
,,占到64%;,,占到62%。
粘土可塑性强,膨胀量大。
主井较厚的粘土有7层(见表2-2-1),,自由膨胀率最大达111%。
副井较厚的粘土有4层(见表2-2-2),,自由膨胀率最大达122%。
K3砂岩较硬外,其余岩性较松软。
,和上部新生界地层呈不整合接触。
,,%;,%;,%;,%。
,,%;,%;,%;,%。
通过对岩石的岩性特征和物理力学性质分析,泥岩及粉砂岩抗压强度低,多属软岩类,岩体质量较差;砂岩胶结良好,坚硬致密,岩石抗压强度较高,稳定性较好,但局部砂岩由于受应力挤压,岩芯破碎,岩石质量较差;浅部基岩风氧化带岩石质量差。
霍州煤电集团沁安煤电有限责任公司中峪矿井副立井井筒工程施工组织设计中中平平能能化化建建工工集集团团有有限限公公司司二二〇〇一一一一年年十十一一月月目录第一节设计概况 .......................................................第二节井筒地质及测量工作 .............................................第三节施工准备工作 ...................................................第二章井筒施工 ............................................................第一节施工方案选择及井筒揭煤与防治水 .................................第二节施工方法 .......................................................第三节表土段施工 .....................................................第四节基岩段施工 .....................................................第五节通风 ...........................................................第三章凿井辅助系统和设施 ..................................................第一节简述 ...........................................................第二节吊挂设施选型计算...............................................第三节供电...........................................................第四章劳动组织及进度指标..................................................第五章质量保证体系及技术措施..............................................第一节质量保证体系...................................................第二节质量标准及技术措施.............................................第六章安全技术措施........................................................第一节安全保证体系...................................................第二节安全技术措施...................................................第七章文明生产标准........................................................第八章工期保证措施........................................................第九章环境管理............................................................附图:副立井井检孔地质剖面图副立井井筒剖面图副立井井壁结构图副立井总平面布置图副立井提绞平面布置图副立井提绞立面布置图副立井井筒施工平面布置图副立井施工翻矸台立面布置图副立井施工吊盘加工图副立井施工锁口平面布置图副立井施工二层台平面布置图副立井施工天轮平台平面布置图副立井施工天轮平台立面布置图副立井施工高、低压供电系统图第一章工程概况第一节设计概况一、地理和交通位置中峪矿井位于山西省中南部的沁源、安泽和古县交界处,主体位于沁源县境内,矿区为一不规则的长条形,南北最长16km,东西宽15km,行政区划隶属沁源县的李元、中峪、柏子、沁河和安泽县唐城、古县北平等乡镇管辖。
*******有限公司铁矿副井工程掘砌施工组织设计******有限责任公司二0一二年十一月七日目录前言、编制原则及编制依据…………………………………第一章工程概况…………………………………………第二章凿井施工方案及机械化作业线配置……………第三章施工准备工作及施工总平面图布置……………第四章井筒及相关硐室施工工艺………………………第五章工程进度计划及保证措施………………………第六章资源配置及主要技术经济指标…………………第七章工程质量、质量保证措施………………………第八章安全技术措施……………………………………第九章文明施工及环保…………………………………第十章施工中需要补充的专项安全技术措施…………前言********有限公司铁矿位于蒙古国达尔汗省夏林河县东北100km处,至县城有简易草原公路相通。
蒙古国达尔汗省东南边界与中国内蒙古自治区二连浩特市接壤,设有二连浩特口岸。
矿区距二连浩特口岸约600km,有草原公路相连,二连浩特口岸距二连浩特市约10km,均为柏油路面,交通比较方便。
在认真分析斜坡道掘砌工程施工有关图纸及地质资料的基础上,根据本工程设计的特点,结合我司施工装备和技术能力,编制了此项工程的施我们工组织设计。
工程质量目标:斜坡道施工矿建工程优良。
安全管理目标:无重伤、无死亡。
我们在本工程的建设中,将主动接受建设单位的监督和指导,强化企业管理,积极采用新技术、新材料、新设备、新工艺,以一流的管理,一流的施工技术和装备,创造出一流的施工质量和速度,按工期要求,保质保量地完成此项工程的施工。
一、编制原则:1、认真执行国家的各项建设方针和技术政策,在确保施工安全、工程质量和工期目标的前提下,科学合理地组织施工。
2、积极推广应用新技术、新工艺、新设备、新材料,优化施工方案,合理安排施工顺序,组织平行交叉作业,加快施工准备工作进度。
3、提高机械化程度水平,改善工作环境和劳动条件,提高劳动生产率,缩短建井工期。
目录第一章地面位置及地质情况.......................................................................... - 3 -第一节地面位置 (4)第二节水文地质 (4)第二章工程概况.............................................................................................. - 3 -第一节概述 (4)第二节编制依据 (4)第三章巷道布置及支护说明.......................................................................... - 5 -第一节巷道布置 (5)第二节支护设计 (5)第四章施工工艺.............................................................................................. - 7 -第一节表土段及基岩风化段施工.. (7)第二节基岩段施工 (9)第五章劳动组织及主要技术经济指标...................................................... - 15 -第一节劳动组织. (15)第二节循环作业图表 (15)第六章生产系统............................................................................................ - 16 -第一节提升运输. (16)第二节排水 (16)第三节压风 (16)第四节通风 (16)第五节井上下信号、通讯与电视监控 (17)第六节拌料 (17)第七节测量 (17)第八节通风 (17)第七章灾害预防及避灾路线........................................................................ - 20 -第八章质量目标及质量保证措施................................................................ - 21 -第九章安全技术措施.................................................................................... - 26 -第一节一般规定. (26)第二节表土施工安全措施 (27)第三节防、治水安全措施 (27)第四节顶板管理措施 (28)第五节钻眼爆破与通风措施 (28)第六节装矸安全措施 (31)第七节提升运输 (31)第八节永久支护 (33)第九节瓦斯管理 (34)第十节设备管理 (34)第十一节过断层破碎带和陷落柱时安全措施 (35)第十二节挖掘机使用安全措施 (36)第十三节冬雨季施工措施 (37)第十四节、安全管理体系.................................................... 错误!未定义书签。
山东双合煤矿有限公司副井井筒及相关硐室掘砌工程施工组织设计中煤第七十一工程处二〇一一年一月三十日处长:总工:生产管理部:安全监察部:机电部门:编制人:编号:ZM/71-SGZS-SHFJ-01 版次:A/0生效日期:发放号码:受控状态:施工组织设计目录第一章概况一、工程概况二、工程内容及工程特点三、井筒地质及水文地质资料第二章施工准备一、技术准备二、施工队伍准备三、施工现场准备及总平面布置图四、施工技术装备与材料供应安排第三章施工方案的选择一、冻结表土及风化基岩段施工方案二、井筒基岩段施工方案三、与井筒相连接的相关工程施工方案第四章施工工艺一、采用“四新”加快施工速度二、井筒试挖及临时锁口施工三、井筒冻结段施工(一)冻结表土段掘进及外壁砌筑(二)采取综合措施施工较厚粘土层(三)过冻结风化基岩段施工(四)内壁浇筑(五)内外井壁夹层注浆四、井筒基岩段施工五、与井筒连接处相关工程施工六、井下贯通巷道施工七、关键部位施工技术及处理特殊地质变化技术措施(一)井筒通过冻结段较厚膨胀粘土层的预防措施(二)基岩段防治水措施(三)井筒通过不稳定岩层及断层破碎带的施工八、高强高性能混凝土施工技术保证措施九、检测、监控手段及突发事件应急措施第五章施工辅助系统一、提升系统二、井筒悬吊设施三、井口及地面辅助设施第六章井筒施工凿井设施选型计算一、提升设备的选型二、悬吊设备的选型第七章施工组织与管理一、施工组织管理机构二、劳动力安排及组织计划三、施工管理四、施工合理化建议和降低造价施工措施第八章施工进度计划与进度控制一、工期安排二、工期保证措施第九章施工技术安全措施、灾害预防和安全保证体系一、安全工作目标二、安全管理体系三、安全管理措施四、施工安全技术措施五、灾害预防六、本工程需编制的分项和专项措施第十章工程质量检测管理措施和质量保证体系一、施工质量保证措施二、质量保证体系三、工程质量通病的防治措施四、成品保护的保证措施五、竣工验收后保修工作的措施和承诺第十一章文明施工及环境、职业健康保证措施一、文明施工及环境保护措施二、文物保护措施三、职业健康保护措施第十二章冬雨季施工措施及地下管线等保护加固措施一、冬雨季施工措施二、地下管线及其它地上地下设施保护加固措施前言编制本施工组织设计大纲的指导思想是:贯彻执行国家及本行业部门有关建设方针和技术政策,采用先进的科学技术,充分利用本处的施工能力和技术经验,提高矿井建设的综合效益,在确保安全和工程质量的前提下,合理安排施工顺序及工程进度。
计划投入的主要施工机械设备表序号机械或设备名称规格型号数量国别产地制造年份额定功率KW生产能力备注1 提升绞车XTK1×2.5×2B-201 洛阳2007 3952 耙斗机P-90B 1 徐州2008 453 局扇2BKJ№6.3/60 2 湘潭2007 30×24 空压机4L-20/4 3 江苏2005 1305 喷射机PZ-5 1 河南2009 5.5×56 搅拌机JS-350 1 兴平2007 15×27 配料机HPB-1600 1 兴平2006 5.58 矿车1T 1 铜川20039 变压器KSGZY-500KVA 2 河南200410 自卸车康明斯8T 6 湖北200511 箕斗3M3 3 铜川2006 812 水泵100D45×4 2 西安2009 4513 潜水泵 2 西安2009 414 锚杆拉力计T52 1 湘潭200515 小绞车JD-4 3 常州2003 55kW山西山阴宝山腰寨煤业有限公司副斜井施工组织设计编制单位:山西宏图建设工程有限公司编制时间:2011年7月8日编制人:李学奎批准时间:2011年7月23日执行日期:2011年7月30日目录第一章概况 (5)第一节地理位置与交通情况 (5)第二节自然环境 (5)第三节地质及水文地质 (6)第四节井筒技术特征 (6)第二章施工现场组织机构 (7)第三章施工方案 (8)第一节施工准备 (8)第二节施工工序安排 (12)第三节施工方案 (12)第四节施工方法 (13)第五节砼搅拌和运输 (18)第六节提升运输管理 (18)第七节地质测量工作 (19)第八节井筒通过破碎带的措施 (20)第九节防治水 (21)第十节防汛 (22)第十一节冬、雨季施工措施 (22)第四章辅助生产系统 (23)第一节提升系统 (23)第二节运输系统 (24)第三节压风系统 (24)第四节通风系统 (24)第五节排水系统 (24)第六节供电系统 (24)第七节信号、通讯、照明系统 (25)第五章施工进度、工期及保证措施 (27)第一节进度安排原则 (27)第二节作业方式 (27)第三节进度及工期 (30)第四节工期保证措施 (30)第六章质量标准及施工保证措施 (31)第一节质量标准 (31)第二节施工验收 (33)第三节保证工程质量的技术措施 (35)第七章施工安全技术措施 (37)第一节安全目标 (37)第二节安全保证体系 (37)第三节施工安全技术措施 (38)第八章环境保护及文明施工 (42)第一节减少扰民噪音、降低环境污染措施 (42)第二节文明施工措施 (42)第九章计划、统计与信息管理 (45)第一节计划、统计 (45)第二节信息管理 (45)第一章概况宝山腰寨煤业有限公司是一座正在技改的、年规划生产能力120万吨的煤炭企业。
第一章工程概况及地理位臵第一节交通地理位臵及地质一、井田境界及自然特征园子沟矿井位于陕西省麟游县境内。
井田北以陕、甘为界,南以矿权边界线为界,西以麟游区边界(花山庙河)为界,东以无煤区与丈八井田相隔。
井田东西长12.2~20.4km,南北长5.3~13.2km,面积241.5km²。
井田总的地形特征呈东南高、西北低,平均海拔+1200m,最大高差419.03m,一般高差200m左右,属川梁相间残塬沟壑地貌。
区内河流分较多,地表径流量大,水系比较发育。
矿区抗震设防烈度7度。
矿井对外交通比较方便。
二、地层地质特征1、地层井筒由上到下穿过第四系全新统(Q4);白垩系下统环河华池组(K2h)、洛河组(K21)宜君组(K2y)、侏罗系中安定组(J2a)、直罗组(J2z)、延安组(J2y),侏罗系下统富线组(J2f) ;三叠系中铜川组(T2t)地层。
现将各地层特征由老到新简述于下:(1)三叠系中铜川组(T2t)本组系层为侏罗系含煤地层的沉积基底,钻孔仅见其顶部地层,岩性为灰~深灰色泥岩与浅灰绿色细粒砂岩互层。
泥岩质地细腻,水平层里发育,断面平整,加黑色含碳泥岩及煤线,含植物茎叶化石,顶部夹油页岩薄层;砂岩以细粒为主,局部为中粒,成长以长石、石英为主,含云母、碳屑,分选好,胶结疏松,具波状层里与变形层里,垂直裂隙发育。
(2)侏罗系下统富县组(J1f)受三叠系古地形得控制,富线组仅在古地形低洼处和边坡处沉积,分布零星。
假整合于中统铜川组地层及古风化壳之上。
岩性,岩相与厚度在横向上变化较大,为坡积~残积相沉积的紫杂色花斑状含铝质泥岩家铝质粉、细沙岩,滑面构造发育,具鲕粒,松软易碎。
下部偶尔可见到三叠系砂质泥岩的角砾,角砾成分多为三叠系砂岩及泥岩碎块。
(3)侏罗系中统延安组(J2f)延安组为含煤地层,岩性为灰~深灰色泥岩、砂质泥岩、粉细砂岩与灰白色中粗粒砂岩互层,中夹碳质泥岩及煤层。
(4)侏罗系中统直罗组(J2z)假整合于下伏延安组或超覆盖于三叠系铜川组地层之上,为干旱~半干旱环境下的河流相及漫滩沼泽相沉积。
副井井筒掘砌施工组织设计终版编号:001华兴能源有限责任公司唐家会煤矿副井井筒及相关硐室掘砌工程施工组织设计编制人:王成军审核人:倪四清华煤集团有限公司2011年4月20日目录前言 ............................................................................................................................................................... - 1 -第一章工程概况.............................................................................................................................................. - 3 -1.1 矿井概况 ..................................................................................................................................................... - 3 -1.2 井筒技术特征 ............................................................................................................................................. - 3 -1.3地质构造 ..................................................................................................................................................... - 4 -1.4 水文地质情况 ............................................................................................................................................. - 4 -第二章施工准备.............................................................................................................................................. - 5 -2.1 技术工作准备 ............................................................................................................................................. - 5 -2.2 施工力量配备 ............................................................................................................................................. - 5 -2.3 施工现场准备 ............................................................................................................................................. - 5 -3.1 施工方案确定原则 ..................................................................................................................................... - 8 -3.2 总体施工方案 ............................................................................................................................................. - 8 -3.3 施工方案的确定 ......................................................................................................................................... - 8 -由于井筒和井塔同时进行立体交叉作业,井筒施工前需要在井塔门洞口搭设8M长安全防护通道。
顶部采用双层50MM厚竹跳板、内附一层6MM厚钢板进行防护,两侧挂密布网。
................................. - 8 -3.4施工主要机械设备 ..................................................................................................................................... - 9 -3.5 凿井设施布置 ............................................................................................................................................. - 9 -3.5.2凿井稳车布置 ...................................................................................................................................... - 10 -3.6 劳动力组织 ............................................................................................................................................... - 11 -3.7.1提升 ...................................................................................................................................................... - 13 -3.7.2排水、供水系统................................................................................................................................... - 13 -3.7.3压风系统 .............................................................................................................................................. - 13 -3.7.4供电、通讯、信号、照明................................................................................................................... - 13 -3.7.5砼搅拌及运输 ...................................................................................................................................... - 15 -3.7.6排矸 ...................................................................................................................................................... - 15 -3.7.7通风 ...................................................................................................................................................... - 15 -3.7.8吊盘与模板 .......................................................................................................................................... - 15 -3.7.9监测监控 .............................................................................................................................................. - 15 -3.7.10安全生产可视化................................................................................................................................ - 15 -第四章井筒施工工艺 .................................................................................................................................... - 16 -4.1 井筒表土段施工 ....................................................................................................................................... - 17 -4.2永久锁口施工 ........................................................................................................................................... - 17 -4.3 井筒风化基岩带施工 ............................................................................................................................... - 17 -4.5井筒相关硐室施工 ................................................................................................................................... - 24 -4.6 井筒通过煤层及断层破碎带施工 ........................................................................................................... - 25 -4.8 井筒施工期间综合防治水 ....................................................................................................................... - 26 -5.1 施工项目管理机构 ................................................................................................................................... - 27 -5.1.1施工组织管理机构............................................................................................................................... - 27 -5.1.2项目部岗位职责制............................................................................................................................... - 27 -5.1.3特殊工种岗位职责制........................................................................................................................... - 30 -5.2 施工进度管理与控制 ............................................................................................................................... - 31 -5.2.1工期安排 .............................................................................................................................................. - 31 -5.2.2工期保证体系 ...................................................................................................................................... - 32 -5.2.3工期保证措施 ...................................................................................................................................... - 32 -5.3 施工安全管理与控制 ............................................................................................................................... - 33 -5.3.1安全保证体系 ...................................................................................................................................... - 33 -5.3.2安全管理组织机构............................................................................................................................... - 33 -5.3.3各项安全管理制度............................................................................................................................... - 33 -5.3.4各级管理人员安全管理职责............................................................................................................... - 34 -5.3.5项目部各级管理人员安全生产责任制............................................................................................... - 34 -5.4 施工质量管理与控制 ............................................................................................................................... - 37 -5.4.1质量管理组织机构............................................................................................................................... - 37 -5.4.2质量目标及承诺................................................................................................................................... - 37 -5.4.5质量保证措施 ...................................................................................................................................... - 40 -5.4.6质量检测措施 ...................................................................................................................................... - 40 -⑽井筒十字中心线及井筒中心线的检测:................................................................................................... - 40 -5.5 施工技术管理与控制 ............................................................................................................................... - 41 -5.5.1施工测量 .............................................................................................................................................. - 41 -5.5.2施工技术管理保证体系....................................................................................................................... - 42 -第六章安全防护与文明施工 ........................................................................................................................ - 44 -6.1专业岗位安全生产管理措施 ................................................................................................................... - 44 -6.1.1掘进安全管理与措施........................................................................................................................... - 44 -6.1.2机电安全管理与措施........................................................................................................................... - 44 -6.1.3运输安全管理与措施........................................................................................................................... - 45 -6.2 针对性安全生产主要保证措施 ............................................................................................................... - 46 -6.3 安全防护 ................................................................................................................................................... - 50 -6.3.1危险源辨识 .......................................................................................................................................... - 50 -6.3.2雨季“三防”管理............................................................................................................................... - 50 -6.3.3冬季防冻防滑管理............................................................................................................................... - 50 -6.3.4防火防盗管理 ...................................................................................................................................... - 51 -6.3.5立井防坠 .............................................................................................................................................. - 51 -6.4文明施工 ................................................................................................................................................... - 52 -6.4.1井区地面场地文明施工标准与管理................................................................................................... - 52 -6.4.2大型运转机械岗位点文明作业标准与管理....................................................................................... - 52 -6.4.3材料及库房文明作业标准与管理....................................................................................................... - 52 -6.4.4井下文明施工标准与管理................................................................................................................... - 52 -6.4.5生活区文明卫生标准与管理............................................................................................................... - 52 -6.4.6办公区文明办公标准与管理............................................................................................................... - 53 -6.5环境保护 ................................................................................................................................................... - 53 -6.5.1污水排放管理 ...................................................................................................................................... - 53 -6.5.2固体废物处理 ...................................................................................................................................... - 53 -6.5.3施工躁声管理 ...................................................................................................................................... - 53 -6.5.4化学危险品管理................................................................................................................................... - 53 -第七章施工组织设计相关参数及选型计算 ................................................................................................ - 54 -7.1 提升........................................................................................................................................................... - 54 -7.1.1凿井平台高度验算............................................................................................................................... - 54 -7.1.2提升钢丝绳选型................................................................................................................................... - 54 -7.1.3提升验算 .............................................................................................................................................. - 54 -7.2主要悬吊验算: ....................................................................................................................................... - 59 -7.2.2吊盘悬吊验算 ...................................................................................................................................... - 59 -7.2.3模板悬吊验算 ...................................................................................................................................... - 60 -7.2.4电缆悬吊验算 ...................................................................................................................................... - 61 -7.2.5安全梯悬吊验算................................................................................................................................... - 61 -7.2.6中转悬吊验算 ...................................................................................................................................... - 62 -7.3通风系统验算 ........................................................................................................................................... - 62 -7.3.1工作面需用风量计算........................................................................................................................... - 62 -7.3.3风压计算 .............................................................................................................................................. - 64 -7.4压风系统验算 ........................................................................................................................................... - 65 -7.4.1供风能力验算 ...................................................................................................................................... - 65 -7.4.2井筒压风管径验算............................................................................................................................... - 65 -前言鄂尔多斯市华兴能源有限责任有限公司副井井筒及相关硐室掘砌工程由我公司中标,我们对工程的内容和有关图纸资料进行了认真的研读,细致地分析研究,并结合我公司立井井筒机械化快速施工经验丰富的特点,我们将采用可靠的施工方案、先进的施工技术和装备,并通过严格科学合理的组织管理,保证安全、质量及投标工期控制目标的全部实现。