血液透析用双级反渗透水处理设备招标技术参数
- 格式:doc
- 大小:246.50 KB
- 文档页数:2
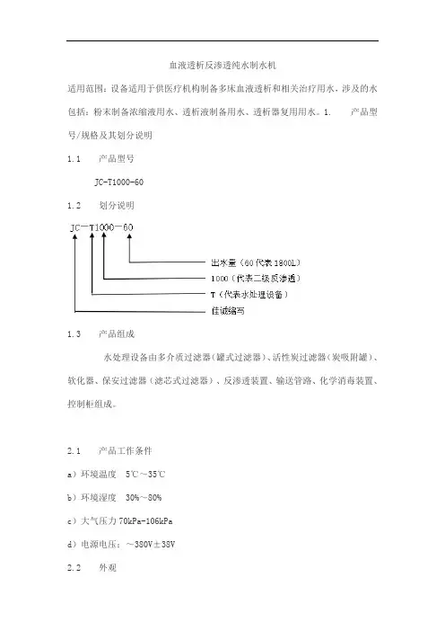
血液透析反渗透纯水制水机适用范围:设备适用于供医疗机构制备多床血液透析和相关治疗用水,涉及的水包括:粉末制备浓缩液用水、透析液制备用水、透析器复用用水。
1. 产品型号/规格及其划分说明1.1 产品型号JC-T1000-601.2 划分说明1.3 产品组成水处理设备由多介质过滤器(罐式过滤器)、活性炭过滤器(炭吸附罐)、软化器、保安过滤器(滤芯式过滤器)、反渗透装置、输送管路、化学消毒装置、控制柜组成。
2.1 产品工作条件a)环境温度5℃~35℃b)环境湿度30%~80%c)大气压力70kPa-106kPad)电源电压:~380V±38V2.2 外观2.2.1 水处理设备外表面应平整光洁、色泽均匀,无划痕、锋棱、毛刺等缺陷。
2.2.2 水处理设备的各管路连接应牢固可靠,不得有泄露现象。
2.2.3 水处理设备上的各种文字、标识应清晰、易认。
2.2.4 水处理设备上的各开关、控制阀及各调节装置应灵活可靠。
2.2.5 水处理设备上控制箱通电工作正常,触摸屏显示清晰,反应灵敏可靠。
2.3 处理水水质要求2.3.1 电导率水处理设备生成的透析用水的电导率应不大于38μs/cm。
2.3.2 微生物指标2.3.2.1 细菌总数按YY0572-2005的要求,在水处理设备输出端的处理水所含细菌总数,应不得超过100CFU/mL。
2.3.2.2 细菌内毒素按YY0572-2005的要求,在水处理设备输出端的处理水所含细菌内毒素,应不得超过1EU/mL。
2.3.3 化学污染物指标按YY0572-2005的要求,在水处理设备输出端的处理水所含化学污染物最大容允量应符合下表要求。
表1处理水所含化学污染物最大容允量污染物最大允许量(mg/L)污染物最大允许量(mg/L)铝0.01 镁4(0.16mmol/L)砷0.005 汞0.0002钡0.1 硝酸盐(氮) 2镉0.001 钾8(0.2mmol/L)钙2(0.05mmol/L)硒0.09氯胺0.1 银0.005氯0.5 钠70(2.8mmol/L)铬0.014 硫酸盐100铜0.1 锡0.1氟化物0.2 锌0.1铅0.005 ——2.4 水处理设备要求2.4.1 概述水处理设备应满足2.4.2水处理设备总体中的各项要求,其他条款则依据被检水处设备结构组成而定。
新沂市人民医院水处理机招标参数(一)血液透析水处理及集中供液系统主要配置和技术参数1、主要配置1.1预处理系统:1.1.1原水加压泵(含压力控制附件)1套(进口知名品牌)1.1.2砂滤罐1套(石英砂、锰砂等五种以上填料)1.1.3活性炭滤罐2套(果壳或椰壳颗粒状活性炭)1.1.4树脂罐1套1.1.5颗粒过滤器1套(过滤精度≤500µm)1.2主机:1.2.1保安过滤器1套(过滤精度1µm-5µm)1.2.2配水器1套1.2.3一级高压泵(原装进口) 1台1.2.4二级高压泵(原装进口) 1台1.2.5反渗膜(8英寸,原装进口) 5支1.2.6反渗膜套管 5根1.2.7电导率表 3只1.2.8流量计5套1.2.9显示屏(原装进口) 1块1.2.10控制柜1套1.2.11机身与机架1套1.2.12空气除菌过滤器1套(过滤精度≤0.22µm)1.3、热消毒装置:1.3.1循环泵(原装进口) 1台1.3.2加热装置 1套1.3.3显示器(原装进口) 1台1.3.4电控箱 1套1.3.5供水管路 1套1.4透析用水循环管路:1.4.1★管路管件(进口卫生级PEX管路,U型无死腔连接方式)1.4.2保温材料(管路管件外保温)1.4.3接口(管路连接血透机)1.4.4排废管路:管路管件(水处理室)2、技术参数:2.1★产水量:(5℃~25℃)环境中产水量≥2400L/H。
2.2水处理设备采用直接供水模式,供水管路采用循环回路设计,具备管路压力调整装置。
RO膜与透析机之间无水箱、无气囊等任何储水装置。
2.3具备双级反渗透水处理工艺要求,处理水水质实测指标高于美国AAMI和ASAIO血液透析用水标准,达到欧洲药典超纯透析用水标准,符合ISO 13959:2009(E)、YY 0572-2015血液透析和相关治疗用水标准规定。
1)处理水所含细菌总数,应不得超过100CFU/mL。
透析用水处理系统技术参数1 .产水量:1200L∕H(250C)o水质符合AAMl透析用水标准;符合国家YYO572-2015血液透析和相关治疗用水标准,内毒素W0∙03EU∕ml(提供相关检测报告);系统设计满足YYO793-2010行业标准。
2 .设备具体配置要求:D全自动变频源水加压系统一套;2)全自动砂滤罐一套;3)全自动活性炭罐一套;4)全自动软化器一套;5)※软水平衡桶采用卫生级密闭设计,安装空气过滤器,桶体镜面不锈钢材质;6)双级反渗透主机一套,主机泵要求进口品牌,膜系统采用8040型标准膜元件,数量不得少于3支;7)※后期管路为不锈钢316L材质;8)※前置源水箱及管路一套,水箱容积:在突然断水情况下,可连续提供不少于30分钟的正常供水;9)派UPS不间断电源:在突然断电情况下,可支持水处理系统正常工作不少于30分钟;10)微电脑控制器及人机触控界面采用施耐德等知名品牌;包括:主机泵两套、反渗透膜、主机管路为不锈钢316L焊接。
3 .控制系统要求:D设备系统要求具有自我诊断、运行检测、状态控制、测量显示、文字提示、指示灯显示及实时报警功能C2)全自动控制功能,根据系统参数中的设定时间机器会自动启停和间隔运行,可根据用水时间进行个性化设制;3)设备可同时监测源水、一级产水、二级产水的电导率测量值。
4)具有休息功能,自动用高纯度反渗水对一、二级反渗透膜组及输送管路进行大流量间隔冲洗,彻底抑制细菌/内毒素滋生;5)控制系统面板上应配以流程图形式配以指示灯,实时跟踪显示系统的运行状态,使工作人员对系统的运行了如指掌。
6)故障信息的记录和存储功能,将机器各元件的运作情况和报警记录并存储,方便操作人员查询。
7)系统具有缺相、短路、接地、电机过流、过载等保护功能。
4 .设备性能要求:D控制系统应由自动/手动控制系统,可一键转换C2)全自动源水恒压供水系统提供稳定压力的同时,大大增加了预处理的反洗、再生效果。
透析用水处理机技术指标及商务要求一、采购项目概况及技术要求1 设备配置要求1.1 全自动原水变频加压系统 1套:前处理加压泵采用变频泵(UL认证)1.2 全自动多介质过滤器 1套:填料≥ 5 种1.3 全自动活性碳过滤器 1套:采用椰壳碳(碘值>1100)1.4 全自动软化器 1套:采用树脂填料(≥120Na)#1.5 超静音双极反渗透主机 1套:膜系统采用标准膜元件(数量≥5支)2 行业标准*2.1 产水量2400-2500L/ H (15-25°C)*2.2 水质符合国家 YY0572-2015 血液透析和相关治疗用水标准,内毒素<0.03EU/ml,水细菌≤10cfu/ml*2.3 系统设计满足 YY0793-2010 行业标准3 技术性能要求3.1 主机布局:模块化设计,可扩展升级3.2 供水方式:密闭大循环直接供水方式3.3 管路设计:集成结构3.4 管路焊接方式:非手工焊接方式3.5 反渗膜壳:耐高压、无死腔设计3.6 材质:整机为全防锈机身,触水部分及各部件连接管道采用卫生级不锈钢材质3.7 前处理控制器:CE认证3.8 高压泵:变频控制(UL认证)3.9 电导率仪:一体式,电导探头为不锈钢材质3.10 温度传感器:具备自我校正功能3.11压力表:设备内压力表全部通过CE认证3.12 触摸屏:全中文操作界面,可显示流量、压力、电导度等数据3.13 双路电源:控制及采集部分采用低压 24V部件(CE认证)3.14 前处理全自动程序控制,保证前处理再生和冲洗的全自动化3.15 应具有全自动控制功能:可实现模块化编程3.16 应具有自我诊断、运行监测、状态控制功能3.17 具备纯水自动冲洗、保养反渗透膜及管道的功能3.18 多重应急控制方式:可实现一、二级独立或同时工作;控制系统出现故障时可实现手工紧急启动3.19 具备多级别报警功能:压力/产品水温度/产品水电导度/一级高压泵报警/二级高压泵报警等3.20 扩展功能:可远程控制3.21 记录功能:设备运行及程序等数据,可存储、查阅、导出3.22 不停机维护功能:具备#3.23 降噪功能3.24 漏水保护功能:具备3.25 全自动程控消毒功能:操作权限等级可设定,消毒时间可记录3.26 低压保护功能:具备#3.27 浓水回收技术:具备4 先进技术:提供自主专利等能证明设备先进技术及企业先进技术的证明材料二、商务要求。
血液透析机技术参数一、配置与功能要求1.具有容量控制的超滤系统;2.具有开机时的安全自检,且治疗过程中每12.5分钟仍有自检的双重保险;3. 水路、电路分离设计;4.碳酸透析、醋酸透析、干粉透析为标准配置;5.内置UPS为标准配置,在突然断电时能继续进行全面的安全监测,不丢失治疗数据,可维持机器全功能运行不少于30分钟;★6.全自动的化学消毒/热消毒,消毒、脱钙、冲洗一体化单键30分钟完成,可提供原厂原配的消毒液;7.具有全自动的预冲功能;8.具有自动充盈程序;9.自动导入血泵管;10 具有监测动脉压、静脉压、跨膜压的功能;★11. 空气监测为超声波监测,在静脉夹中另有光学探测器,双重监测防护;★12. 漏血监测为光学及红外线补偿双重监测;13. 血泵管内径2-10mm, 方便可调;14. 具有强大的可选功能。
可选装:血压监测(BPM)、中央供液,便于用户进行功能升级。
二、技术参数与性能指标1.体外循环1.1 动脉压监测显示范围:-300~+280mmHg,静脉压监测显示范围:-60~+520mmHg,跨膜压监测显示范围:-60~+520mmHg;1.2 血泵:血流量15~600ml/min;1.3 肝素泵流量范围:0~10ml/h,最大剂量5ml/次,可用注射器型号20ml、30ml、50ml;1.4 透析液流量范围:0/300/500/800ml/min,温度:35~39℃可调,浓度:电导度12.8~15.7mS/cm(25℃);1.5 超滤:超滤率0~4000ml/h,对透析器的超滤系数无限制,高通量透析器/低通量透析器都能用;2.清洗和消毒2.1 正常清洗时温度和流量:37℃,600ml/min2.2 热消毒时温度和流量:85℃,450ml/min2.3 化学消毒:37℃,600ml/min;85℃,450ml/min血滤机技术参数一、配置与功能要求1.具有超大的高分辨率的液晶显示彩屏(10.4英寸);2.具有容量控制的超滤系统;3. 具有开机时的安全自检,且治疗过程中每12.5分钟仍有自检的双重保险;4.水路、电路分离设计;★5.超纯度透析为标准配置,透析液滤器为2个且参与安全自检程序,所生产的置换液的细菌及内毒素残留均符合欧洲药典要求;★6. 经过2次透析液滤过器的滤过,对内毒素进行截流,达到欧洲药典标准;7.碳酸透析、醋酸透析、干粉透析为标准配置,且进行血液透析滤过治疗时透析液和干粉均可使用;8.内置UPS为标准配置,在突然断电时能继续进行全面的安全监测,不丢失治疗数据,可维持机器全功能运行不少于30分钟;★9.全自动的化学消毒/热消毒,消毒、脱钙、冲洗一体化单键30分钟完成,可提供原厂原配的消毒液;10.具有全自动的预冲功能;11.具有自动充盈程序;12.自动导入血泵管;13. 具有监测动脉压、静脉压、跨膜压的功能★14. 空气监测为超声波监测,在静脉夹中另有光学探测器,双重监测防护★15. 漏血监测为光学及红外线补偿双重监测16.血泵管内径2-10mm, 方便可调;17.可选配置联机清除率监测仪,可同时在线实时测量并显示Kt/V、尿素氮清除率K、血浆钠(Na+)浓度及达到预设目标值所需时间等的数值及图像;18.具有强大的可选功能。
采购需求及相关要求(以下采购需求部分由采购人:含山县人民医院提供并负责解释)(一)采购需求(二)相关技术要求见采购需求注:、如果在技术参数或配置中标明了品牌或产地,则仅供参考,并非指定,供应商可以选用替代的方案,但这种替代整体上要优于或相当于招标文件的相关要求。
、为鼓励不同品牌的充分竞争,如某设备的某技术参数或要求属于个别品牌专有,则该技术参数及要求不具有限制性,供应商可对该参数或要求进行适当调整,并应当说明调整的理由,且该调整须经评委会审核认可。
(三)商务要求、所有货物(包括零部件)须为全新的、未使用过的原装正品。
提交货物(含软件及相关服务)的技术参数和配置应与招标文件的要求及其投标文件的技术响应表(如果被评委会接受的话)相一致。
若招标文件及投标文件中无相应说明,则以国家有关部门最新颁布的相应标准及规范为准。
须按照招标文件规定在投标文件中提供投标货物的技术参数功能配置表(制造商、供应商盖章),技术参数功能配置表中技术参数功能配置须对招标文件“第五章采购清单及相关要求”中的相关技术要求进行逐项应答,否则评委会有权视为不响应。
、所有货物必须符合国家相关强制性要求。
、技术支持.中标人应向采购人提供全方位及时而有效的技术支持和服务。
.中标人负责本项目供货与安装调试。
.中标人负责将货物的有关技术文件(外文应提供中文翻译资料,下同)、验收报告等汇集成册交付采购人,涉及进口的部件配件等须提供中国海关进口货物报关单、完税证明及商检证明等材料。
、其他:免费质保期内,中标人需对设备提供不少于次免费维护保养服务,对暴露出来的问题均由中标人负责处理,处理结果应得到采购人认可。
问题处理后,中标人负责将问题原因、维护保养内容、完成修理及恢复正常的时间和日期等以书面形式告知采购人。
、质保及售后服务:.供应商对所投设备提供至少二年的免费质保服务(自验收合格之日起计算)。
所有质保费用均已包含在投标总报价中。
质保期满后,应提供优先的有偿售后服务及按不高于投标文件中主要配件、易损件清单所报价格供应原厂零配件等。
阳新县人民医院血液透析双级反渗透水处理采购项目招标公告(2020)依据阳财采计备(2020)A52号备案表的要求,湖北方圆工程造价咨询有限公司受阳新县人民医院委托,就阳新县人民医院血液透析双级反渗透水处理采购项目进行公开招标采购,欢迎符合条件的供应商投标。
一、项目编号:131-2020CG-065二、项目名称:阳新县人民医院血液透析双级反渗透水处理采购项目三、招标内容:血液透析双级反渗透水处理采购(详见招标文件《采购清单》)四、采购预算:人民币250万元整五、资金来源:自筹资金六、政府集中采购项目:否七、投标人资格要求:1.应具备《政府采购法》第二十二条第一款规定的条件;2.参加本次政府采购活动前三年内,在经营活动中没有重大违法记录并须提交《参加政府采购活动前3年内在经营活动中没有重大违法记录的书面声明》,且必须未被列入信用中国网站(略)失信被执行人(须提供网站截图)、重大税收违法案件当事人、政府采购严重违法失信行为记录名单。
3.投标人必须是具有设备生产能力的制造商或经制造商授权的产品代理商(一个制造商对同一品牌同一型号的货物,仅能委托一个代理商参加投标,否则做废标处理)4.投标人需提供《医疗器械生产许可证》《医疗器械经营许可证》;投标设备需具有《医疗器械注册证》。
5.如所投设备为进口设备的,投标人需提供设备制造商或制造商驻中国办事处针对本项目的授权书。
6.不接受联合体形式的投标。
八、政府采购相关政策执行:落实政府采购强制、优先采购节能产品政策;政府采购优先采购环保产品政策;政府采购促进中小企业发展(监狱企业、残疾人福利性单位视同小微企业)等政策。
是否专门面向中小企业、监狱企业、残疾人福利性单位:否。
九、招标文件获取:本项目实行网上下载标书,招标文件与本招标公告同时发布(见招标文件下载),凡自愿参加本项目投标者,请于2020年6月12日至2020年6月19日17时前点击项目招标公告中的链接免费下载招标文件,并在投标截止时间前办理所有投标手续并同时递交投标文件。
反渗透膜招标技术参数反渗透膜是一种高效过滤材料,广泛应用于工业和民用领域。
在招标过程中,明确定义膜的技术参数是非常重要的,以确保选用合适的产品满足项目需求。
以下是反渗透膜招标时需要关注的技术参数:1.膜的类型:反渗透膜通常分为螺旋卷绕膜和平板膜两种类型。
不同类型的膜在性能和适用范围上有所不同,需根据具体的项目需求选择适合的类型。
2.水通量:反渗透膜的水通量是指单位时间内通过膜的水流量,通常以立方米/小时或加仑/小时为单位。
水通量越大,膜的过滤效率越高,但也需要考虑运行成本和设备的稳定性。
3.盐截留率:反渗透膜的盐截留率是指膜对盐类溶液中盐的去除能力。
盐截留率越高,说明膜的过滤效果越好,适用于处理高浓度盐类溶液。
4.温度范围:反渗透膜需要在一定的温度范围内工作,通常在5-45摄氏度之间。
需要确保选用的膜在项目的工作温度范围内具有良好的稳定性和过滤效果。
5.PH范围:反渗透膜在不同的PH值下的过滤性能可能会有所不同。
需根据水源的PH值选择适合的膜,以确保稳定的工作效果。
6. 压力容忍度:反渗透膜需要在一定的压力下工作,通常以巴(bar)为单位。
需确保选用的膜具有足够的压力容忍度,以避免膜的破裂或损坏。
7.膜面积:反渗透膜的过滤效率和通量与膜的面积有关,通常以平方米为单位。
需要根据项目的水处理需求选择合适的膜面积,以确保设备的稳定性和性能。
8.膜的材料:反渗透膜通常采用多层复合材料制成,如聚醚砜、聚酰胺等。
不同材料的膜在性能和适用范围上有所不同,需根据项目需求选择合适的材料。
9.清洗性能:反渗透膜在工作一段时间后需要进行清洗,以去除滞留在膜上的污垢。
需要选择具有良好清洗性能的膜,以确保膜长期稳定地运行。
以上是反渗透膜招标时需要关注的一些技术参数。
在招标过程中,还需根据具体项目的水处理需求和环境条件选择合适的膜,以确保项目顺利进行并达到预期效果。
通过综合考虑这些技术参数,可以选用适合项目需求的反渗透膜,提高水处理效率和节约成本。
血液透析反渗透纯水制水机适用范围:设备适用于供医疗机构制备多床血液透析和相关治疗用水,涉及的水包括:粉末制备浓缩液用水、透析液制备用水、透析器复用用水。
1. 产品型号/规格及其划分说明1.1 产品型号JC-T1000-601.2 划分说明1.3 产品组成水处理设备由多介质过滤器(罐式过滤器)、活性炭过滤器(炭吸附罐)、软化器、保安过滤器(滤芯式过滤器)、反渗透装置、输送管路、化学消毒装置、控制柜组成。
2. 性能指标2.1产品工作条件.环境温度 5℃~40℃.环境湿度≤80%.大气压力70kPa-106kPa.电源电压:~380V±38V.电源频率:50Hz±1Hz.原水水质:水质符合GB5749.给水量:给水量至少大于2倍的设计处理水量.给水温度:5℃~40℃.给水压力:0.1MPa~0.35MPa2.2 外观2.2.1 水处理设备外表面应平整光洁、色泽均匀,无划痕、锋棱、毛刺等缺陷。
2.2.2 水处理设备的各管路连接应牢固可靠,不得有泄露现象。
2.2.3 水处理设备上的各种文字、标识应清晰、易认。
2.2.4 水处理设备上的各开关、控制阀及各调节装置应灵活可靠。
2.2.5 水处理设备上控制箱通电工作正常,触摸屏显示清晰,反应灵敏可靠。
2.3 处理水水质要求2.3.1 电导率水处理设备生成的透析用水的电导率应不大于38μs/cm。
2.3.2 微生物指标2.3.2.1 细菌总数按YY0572-2015的要求,在水处理设备输出端的处理水所含细菌总数,应不得超过100CFU/mL。
2.3.2.2 细菌内毒素按YY0572-2015的要求,在水处理设备输出端的处理水所含细菌内毒素,应不得超过0.25EU/mL。
2.3.3 化学污染物指标按YY0572-2015的要求,在水处理设备输出端的处理水所含化学污染物最大容允量应符合下表要求。
表1处理水所含化学污染物最大容允量2.4 水处理设备要求2.4.1 概述水处理设备应满足2.3.2水处理设备总体中的各项要求。
血液透析和相关治疗用水处理系统适用范围:适用于供医疗机构制备多床血液透析和相关治疗用水,涉及的水包括:粉末制备浓缩液用水、透析液制备用水、透析器复用用水。
1. 产品型号/规格及其划分说明1.1 型号规格KDW双级系列血液透析和相关治疗用水处理系统(以下简称水处理系统)型号规格:见表1。
表1 型号规格1.2 型号规格划分说明:KDW — D X规格Double字头(双级)制造商代码1.3 结构组成直接供水模式时,水处理系统处理工艺部分应包含多介质过滤器(罐式过滤器)、软化器、活性炭过滤器(炭吸附罐)、保安过滤器(滤芯式过滤器)、反渗透装置、输送管路、化学消毒、热消毒装置(选配)、间接供水模式(选配模式,在直供模式的基础上增加水箱、紫外线消毒装置、内毒素过滤器)、远程监控用计算机系统(选配)。
1.4 基本参数:a)输入功率:38kVA;b)反渗透膜脱盐率:99%;c)远程监控用计算机(配置最低要求):——CPU主频:300MHz;——内存:128MB;——显卡:含有1MB以上的显示内存,可工作于800×600分辨率,65535色模式下;——硬盘:2GB;——显示器屏幕尺寸:14英寸。
1.5 正常工作条件:a)环境温度:5℃~40℃;b)相对湿度:≤80%;c)大气压力:70kPa~106kPa;d)电源条件:a.c.380V,50Hz;e)输入功率:38kVA;f)原水水质:符合GB 5749—2006《生活饮用水卫生标准》;g)给水量:大于2倍的标称处理水量;h)给水温度:10℃~35℃;i)给水压力:0.25MPa~0.45MPa。
2. 性能指标2.1 性能要求2.1.1 总体要求2.1.1.1 水处理系统各装置处于正常运行条件下,25℃的终端实际连续处理水量不低于标称处理水量。
(注:水温不在25℃时,可测试实际水温及实际处理水量,通过反渗透膜温度校正因子换算成25℃处理水量)。
2.1.1.2 水处理系统具备声光提示功能(原水低压提示、高压泵前低压提示、产水水质超标提示、消毒状态提示),提示声信号在3m范围内的声压级不低于65dB(A计权)。
血液透析用制水设备技术参数及性能说明随着世界各国人民身体素质不断提高,现在的人们越来越多的关注安全的水,医院中央纯水设备公司介绍医药和医疗用纯水水质相对更严格,要求更高。
经常需要血液透析水处理设备和电电阻应该高于1500万多。
血液透析水处理设备技术参数1.产透析用纯化水水质符合美国AAMI美国/ASAIO血液透析用水标准。
2.符合国家YY0572-2005血液透析用水标准。
3.内毒素、细菌去除率≥99%。
4.溶解盐去除率≥97%。
5.水回收率达70%以上。
6.系统排空率≥99%、无死腔。
透析用水系统组成部分1.多介质过滤器(配自动冲洗装置):清除颗粒杂质,铁锰等离子。
2.活性炭过滤器(配自动冲洗装置):清除氯等有机物离子。
3.软化过滤器(配自动冲洗再生装置):清除钙镁等离子,降低原水硬度。
4.二级反渗主机(进口反渗膜部件):去除离子、细菌、热源等。
6.控制器:整套设备采用人机界面+高性能工业PLC全自动自动控制和手动控制。
血液净化透析水处理设备性能特征1.全循环恒压供水方式,双路供水活水透析2.全自动运行控制,自动开停机反渗透高压泵保护系统3. 透析用水系统的预处理系统自动冲洗及再生运行,系统设有膜元件自动冲洗程序设备每运行2-6小时(可调)自动对膜元件冲洗,以避免浓水中的高浓度盐类在RO膜表面沉积结垢而影响膜的性能。
血液净化透析水处理设备从整个医药行业用超纯水的特点出发,针对不同用户对高纯水的不同要求,采用反渗透,EDI等最新工艺,比较有针对性地设计出成套高纯水处理工艺,以满足药厂、医院透析用纯化水制取、大输液制取的用水要求。
血液透析水处理设备根据与超纯水制药行业的特点,根据不同用户的不同需求的高反渗透纯水,EDI等最新技术,更有针对性的设计成套高纯水处理技术,为了满足制药工厂、医院、透析与纯净水生产、大输液水要求。
血液透析反渗透纯水设备技术参数及特点一、纯水处理设备简介:纯水设备,简单来说就是生产纯水的设备。
作为纯水生产的依托是非常重要的。
所以要生产纯净水一定是要选择原水水质比较好的地方。
如山泉、深井等。
在这里牵扯到一个非常重要的指数就是“电导率”。
一般而言电导率,越低。
水越纯净。
现在采用的水处理工艺都是采用的反渗透系统。
经过处理后的水一般能达到90%——99%的脱盐率。
反渗透系统是整个血液透析纯水设备的核心部件,只有通过反渗透才能达到纯净水的标准。
反渗透系统主要采用膜过滤工艺。
然后水分子可以通过反渗透膜。
其他一些如钙、镁、钠等离子随废水一起排掉。
下面本系统的组成部件。
其他一些辅助系统如,臭氧杀菌系统、灯检、灌装系统。
二、技术参数:型号:DH-500RUY产水量:每小时5吨源水:城市自来水、地下水(需要检测水样)、进水压力>0.3MPa,进水电导率<800us/cm;进水电导率>800us/cm时,建议使用双级反渗透。
设计参数:3000GPD/12吨/600桶/天(单双级)、6000GPD/24吨/1200桶/天(单双级)出水标准:国家纯净水标准(GB17324-2000)三、纯水设备技术特点:1、开机后设备实现膜自动冲洗功能,冲洗时间2-10分钟可调。
2、设备有废水回流装置,可对水进行二次利用,提高水的利用率,节省水费。
3、低压保护系统,当源水压力不足或无源水时,设备自动停机,保护高压泵及设备安全。
4、纯水箱水满后设备可自动停机。
5、设备设有清洗保养系统,可定期对设备定行清洗保养,延长反渗透膜使用寿命3-5年。
6、设备采用不锈钢架结构,实现无卫生死角,设备无腐蚀,使用10-20年依旧如新。
7、双级反渗透设备设有多路调节阀,可实现双级出水、单级出水或单双级同时出水,使产水水质多元化。
8、反渗透设备可与矿泉水设备(山泉水设备)配套使用,减少投资成本,提高水资源利用率。
9、设备基本可实现24小时无人值守运行。
血液透析机(双泵)技术参数1、设备要求:1.1、供电:230V,-10%~+6%,50/60Hz,12A;1.2、供水:进水压1.5~6.0bar,进水温度5℃~30℃;1.3、最大的废液管高度:≥1m;2、显示屏:15”液晶触摸可多角度旋转中文显示屏;*3、在线联机血液透析滤过:ONLINE(在线)预冲,ONLINE追加量,ON LINE回输;*4、联机清除率监测仪(OCM),清除率的精度±6 %;5、读卡器:患者智能IC卡和服务卡(Servicecard);*6、在线血压监测BPM:收缩压:30mmHg~280mmHg舒张压:10mmHg~240mmHg平均动脉压:20mmHg~255mmHg精确度:±3 mmHg*7、消毒程序:7.1、冲洗时温度和流量:37℃/600-800ml/min7.2、热冲洗时温度和流量:85℃/600-800ml/min7.3、热化学消毒:85℃/600-800ml/min;7.4、透析液吸管(A.B)自动消毒8、安全报警监测系统要求:具有监测动脉压、静脉压、跨膜压的功能,空气监测为双重报警,漏血监测为光电和超声双重报警;9、标配碳酸氢盐浓缩干粉:碳酸氢盐浓缩干粉bibag®;10、透析数据管理系统(TDMS):通过病人信息卡(PatientCard)进行检疫快速和安全的数据管理;*11、动脉压检测:显示范围:-300mmHg~+300mmHg精度±7mHg;分辨率:5mmHg12、静脉压检测:显示范围:-100~+500Hg;精度:±7mHg;分辨率:5mHg*13、血流量:30ml/min~600ml/min血泵管径:2mm~10mm;血流量精度:10%14、肝素泵流量范围:0.5~10 ml/h大剂量:1.0ml~20.0m;注射器型号:20ml,30ml*15、自动流量控制:透析液流速0﹣1000ml/min(每100ml/min可调)在准备和再灌注时,随时等待使用;100/150ml/min(HD/HDF)的待机流量;*16、超滤率:0~4000ml/h;精度:1%;透析器的选择:超滤系数无限制,可显示:超滤目标,超滤时间,超滤速率,超率量17、置换液:置换液速率25~600ml/min.精度:±10%,置换液自动地匹配有效血流量*18、具有RS232端口或网络接口注:本参数无指向性、排它性,仅为满足医院需要。
血液透析用双级反渗透水处理设备招标技术参数1)★原装整机进口,国际知名品牌产品2)★能保证30--35台血液透析机同时用水需要3)水处理系统为单台双级反渗水处理系统,非由单级反渗主机串并联分体构成。
4)欧洲CE、EMC认证资质,具备国家食品药品监督管理局颁发的进口《医疗器械注册证》。
5)水质满足YY0572-2015版透析用水标准。
6)单台反渗机主机过水部分采用316L医药级不锈钢材质7)反渗主机和反渗水输送管路可以同步进行一键式全自动化学消毒,消毒后能全自动冲洗干净所有消毒液,保证冲洗后无任何化学消毒液的残留。
为确保供水化学消毒安全及工作人员操作简便,不采用手工的化学消毒方式或半自动化学消毒方式。
8)泄漏安全性,具备反渗主机和管道的泄漏监测及报警。
并设置声光报警信号,并自动停机,防止透析室发生跑水情况。
9)★双级反渗透系统主机采用单支8040膜壳设计,数量≥4支,膜壳全部为316L不锈钢材质,并具有无死腔膜壳设计技术。
10)★具有废水电导率反馈节水设计。
水利用率最高可达80%以上,主机可根据废水电导率值自动反馈废水排放,科学合理。
11)透析供水管路采用高品质进口PEX材质,管道外壁具有金属护套管,且外裹高保温性能的隔热材料,透析机入水口采用进口316L不锈钢快速接头,可在线插拔,无阀门设计,接头数量按35套设置。
12)★具有独立管道热消毒主机单元,加热器部分全部使用316L不锈钢,可根据科室发展需要随时增加或拆除,热消毒组件采用更省空间的壁挂式设计。
13)反渗水管路可以进行热消毒,主机内部与热消毒主机联动,热消毒程序由反渗机主机控制。
在热消毒程序未结束时启动主机透析会报警并紧急停止热消毒,快速冲洗排出热水,14)反渗机能在电脑(CPU)控制下全自动运行。
反渗机在不透析期间,能够定时自动冲洗反渗膜及输水环路,避免微生物在反渗膜上附着。
15)★使用国际先进的无死腔在线加热器,加热器安装在供水管道外壁上,加热器与反渗水不接触,防止传统的加热水箱造成的细菌内毒素的污染。
血液透析用双级反渗透水处理设备招标技术参数
1)★原装整机进口,国际知名品牌产品
2)★能保证30--35台血液透析机同时用水需要
3)水处理系统为单台双级反渗水处理系统,非由单级反渗主机串并联分体构
成。
4)欧洲CE、EMC认证资质,具备国家食品药品监督管理局颁发的进口《医疗器
械注册证》。
5)水质满足YY0572-2015版透析用水标准。
6)单台反渗机主机过水部分采用316L医药级不锈钢材质
7)反渗主机和反渗水输送管路可以同步进行一键式全自动化学消毒,消毒后能
全自动冲洗干净所有消毒液,保证冲洗后无任何化学消毒液的残留。
为确保供水化学消毒安全及工作人员操作简便,不采用手工的化学消毒方式或半自动化学消毒方式。
8)泄漏安全性,具备反渗主机和管道的泄漏监测及报警。
并设置声光报警信
号,并自动停机,防止透析室发生跑水情况。
9)★双级反渗透系统主机采用单支8040膜壳设计,数量≥4支,膜壳全部为
316L不锈钢材质,并具有无死腔膜壳设计技术。
10)★具有废水电导率反馈节水设计。
水利用率最高可达80%以上,主机可根据废
水电导率值自动反馈废水排放,科学合理。
11)透析供水管路采用高品质进口PEX材质,管道外壁具有金属护套管,且外裹
高保温性能的隔热材料,透析机入水口采用进口316L不锈钢快速接头,可在线插拔,无阀门设计,接头数量按35套设置。
12)★具有独立管道热消毒主机单元,加热器部分全部使用316L不锈钢,可根据
科室发展需要随时增加或拆除,热消毒组件采用更省空间的壁挂式设计。
13)反渗水管路可以进行热消毒,主机内部与热消毒主机联动,热消毒程序由反
渗机主机控制。
在热消毒程序未结束时启动主机透析会报警并紧急停止热消毒,快速冲洗排出热水,
14)反渗机能在电脑(CPU)控制下全自动运行。
反渗机在不透析期间,能够定时
自动冲洗反渗膜及输水环路,避免微生物在反渗膜上附着。
15)★使用国际先进的无死腔在线加热器,加热器安装在供水管道外壁上,加热
器与反渗水不接触,防止传统的加热水箱造成的细菌内毒素的污染。
16)可以有效实现对病房管路进行(90℃)热水消毒冲洗,持续高温循环消毒时
间最少可以维持4小时以上。
17)灵活的热消毒程序和时间表设定,可对每日消毒程序和时间进行单独设计。
18)具备出水口和回水口的高/低温及压力双重数字传感器,精确控制加温,恒
温,有效保障热消毒的真正有效。
19)具有热水泄露检测功能,避免热水泄露导致风险。
20)预处理部分:石英砂锰砂、活性碳、树脂等所有填料都必须采用进口高品质
的产品,且搭配合理,软化罐采用双罐体并联方式流量型再生。
预处理软水
处理能力大于3000升/小时。
21)总细菌及内毒素清除率:>99%;PH耐受范围:2-11;电源电压:220V-
400V,50HZ。
22)质保2年。
考研,消防,资格考试,等资料请百度搜索-学资学习网。