(新)江苏省建筑施工图绿色设计专篇(建筑)
- 格式:doc
- 大小:246.50 KB
- 文档页数:10
江苏省建筑施⼯图绿⾊建筑设计专篇-暖通空调江苏省建筑施⼯图绿⾊建筑设计专篇-暖通空调参考样式四江苏省公共建筑施⼯图绿⾊设计专篇(暖通空调)⼀、项⽬名称:xxx⼆、项⽬概况:注:停车库建筑⾯积为地上、地下⾃⾏车库和汽车库的建筑⾯积总和。
三、设计依据1.《民⽤建筑供热通风与空⽓调节设计规范》GB50736-20122.《江苏省绿⾊建筑设计标准》DGJ32/J 173-20143.《绿⾊建筑评价标准》GB/T 50378-20144.《民⽤建筑绿⾊设计规范》JGJ/T229-20105.《民⽤建筑热⼯设计规范》GB50176-936.江苏省《公共建筑节能设计标准》DGJ32/J96-20107.江苏省《公共建筑能耗监测系统技术规程》DGJ32/TJ111-2010 8.《地源热泵系统⼯程技术规范》GB50366-20099.江苏省《地源热泵系统⼯程技术规程》DGJ32/TJ 89-200910.《江苏省绿⾊建筑施⼯图设计⽂件编制深度规定》(2014年版)11.国家、省、市现⾏的法律、法规、其它相关标准和规定四、空调负荷计算1.空调(供暖)建筑⾯积(m2)2.空调(供暖)计算室外⽓象参数夏季空调室外计算⼲球温度°C,夏季空调室外计算湿球温度°C夏季通风室外计算温度°C冬季空调室外计算温度°C,冬季空调室外计算相对湿度°C冬季通风室外计算温度°C3.空调(供暖)室内计算参数(室内温度、湿度、新风量、⼈员密度、照明/设备功率、噪⾳值等指标)、风速4.围护结构传热系数(W/m2·K)外墙:K= ;屋⾯:K= ;外窗:K= ;地⾯:5.计算软件名称及版本:6.空调计算冷负荷 kW,单位空调⾯积冷负荷W/m2空调(供暖)计算热负荷 kW,单位空调(供暖)⾯积热负荷 W/m2(按冷热源系统分列)五、规定性节能设计要求1.空调(供暖)冷热源形式、规格、数量2.冷热源设备(单元式空调机组、分体式空调机组、冷⽔机组、热泵、多联机热泵机组)额定⼯况能效⽐EER,性能系数C0P,综合部分负荷性能系数IPLV(C)、溴化锂机组性能参数、锅炉额定热效率)3.空调冷(热)⽔系统循环⽔泵耗电输冷(热)⽐[EC(H)R]集中热⽔供暖系统循环⽔泵耗电输热⽐[EHR]4.风系统风机最⼤单位风量耗功率(Ws)或风系统最不利风管总长度5.空调(采暖)⽔管绝热材料(导热系数)、规格(厚度)6.空调风管绝热材料(导热系数)、规格(厚度)、热阻注:低温空调风管应作说明。
参考样式三江苏省民用建筑施工图绿色设计专篇(结构)(公共建筑和居住建筑通用)一、项目名称:二、项目概况:注:公共離选填“建筑类别”’居住建筑选填“建筑节能类型”三、设计依据1.《江苏省绿色建筑设计标准》DGJ32/T173-20142.《绿色建筑评价标准》GB/T 50378-20143.《民用建筑绿色设计规范》JGJ/T229-20104.《江苏省绿色建筑施工图设计文件编制深度规定》(2014版)5.国家、省、市现行的法律、法规、其它相关标准和规定四、绿色设计基本要求1.结构优化设计说明:2.基础优化设计说明:3.混凝土结构部分材料选用:1)混凝土结构或混合结构中受力普通钢筋不低于400MPa级的热轧带肋钢筋应用范围:2)混凝土结构或混合结构中受力普通钢筋使用不低于400MPa级的热乳带肋钢筋占受力钢筋总量的的比例为%3)混凝土竖向承重结构釆用强度等级不小于C50混凝土用量占竖向承重构件混凝土总量的比例为%4.钢结构部分材料选用:1)本项目中钢结构应用范围和钢结构型式:2)钢结构构件或混合结构中钢结构部分的钢材等级为:3)钢结构或混合结构中钢结构部分Q345及以上高强钢材用量占钢材总量的比例:4)钢结构采用耐候结构钢:□是□否5)钢结构采用耐候型防腐涂料:□是□否5.本项目现浇混凝土应全部釆用预拌混凝土,建筑砂浆应全部釆用预拌砂浆。
6.可再循环、再利用材料选用:1)住宅建筑中的可再利用材料和可再循环材料用量比例为:%2)公共建筑中的可再利用材料和可再循环材料用量比例为%五、绿色设计一般要求1.本项目选用的新型节能环保材料包括以下材料:2.本项目选用的高耐久性材料包括以下材料:3.本项目是否釆用新型工业化建筑结构体系:□是□否新型结构体系类型:主要预制结构构件为:预制率为:4.本项目是否为改建、扩建工程:□是□否1)原有建筑利用面积:原有建筑利用率: 2)结构体系说明:3)构件加固技术说明:六、主要节点详图1.套用图集编号:2.xx节点详图见结施一;............3.xx节点详图见下图:。
第十四章绿色建筑专篇一、项目基本信息工程名称:建设地点:建设单位:建筑类型:绿色设计目标:国标一星二、设计依据1、《绿色建筑评价标准》GB/T 50378-20142、《绿色建筑评价标准》DB/T 1039-20073、《绿色建筑设计标准》DB33/1092-20164、《民用建筑可再生能源应用核算标准》DB33/1105-20145、《绿色建筑施工图设计文件技术审查要点》三、节地与室外环境1、环境噪声控制本项目位于温岭市城西街道螺屿村(编号为GY030101-3地块),东侧为规划新河线河道,南侧为空地(规划为道路),西侧为空地(商服用地,为台州邦丰塑料有限公司项目用地),北侧临中心大道。
场地环境噪声要求符合现行国家标准《城市区域环境噪声标准》GB3096的规定。
1)根据交通规模预测交通噪声量,通过计算机模拟分析交通噪声对建筑区域声环境的影响。
2)通过区域周边绿化配置形成噪声防护屏障。
2、室外风环境控制要求建筑总平面的布置和设计有利于室内自然通风,建筑周围人行区风速低于5m/s,不影响室外活动的舒适性。
1)利用电脑模拟建筑室外风环境,为建筑方案提供优化建议。
如优化建筑布局、建筑截面面积,建筑体形以及建筑高度等;2)通过绿化配置,减少室外局部风力放大。
3、生态场地设计对场地和景观设计进行优化,设计透水地面,有利于雨水回收,减低热岛效应,改善生态环境。
1)建筑周边、庭院的地面和公共广场等采用透水铺设。
主要采用地下停车场,地上车位采用嵌草砖(草皮砖)铺装地面。
人行道采用透水砖铺装地面。
2)关注各种下垫面的吸热特征,选择浅色与可反射适当太阳能的铺装饰面,保证有绿化覆盖率和遮荫率。
3)绿化设计优先选择适宜当地气候和土壤条件的乡土植物,采用包含乔、灌木的复层绿化;生态绿地、墙体绿化、屋顶绿化和垂直绿化等多样化的绿化方式。
四、节能设计1、建筑造型节能1)利用数值模拟软件对建筑造型和形体模拟,进行优化设计,如体型控制,选择浅色外墙饰面;对朝向与窗墙面积比进行有效控制等。
江苏省绿色建筑施工图设计文件编制深度规定1 总则1.0。
1为加强我省绿色建筑施工图设计文件编制工作的管理,保证绿色建筑设计文件的质量,特制定本规定.1。
0。
2本规定适用于我省范围内的新建、扩建、改建等绿色建筑施工图设计。
1.0.3绿色建筑工程施工图设计文件应按本规定进行编制,其内容应包括:建筑设计、结构设计、暖通空调设计、电气设计、给排水设计各专业的主要技术控制指标,以及实现各主要技术指标的技术措施等.1.0。
4绿色建筑施工图设计除应执行本规定外,尚应符合国家和江苏省现行的有关规范标准的规定。
2 建筑专业2。
1 一般规定2。
1。
1应编制绿色建筑设计专篇,绿色建筑设计专篇应包括工程概况、设计依据、场地规划与室外环境、建筑节能、建筑设计与室内环境等内容。
2.1。
2工程概况应包括:建设工程所在城市、其城市所在的气候分区,建筑物朝向、结构形式、建筑规模等基本内容。
2.1。
3设计依据应主要包括:1 《绿色建筑评价标准》 GB/T 503782 《民用建筑绿色设计规范》JGJ/T 229—20103 《江苏省绿色建筑设计标准》4 《江苏省居住建筑热环境和节能设计标准》DGJ32J71-20085江苏省《公共建筑节能设计标准》DGJ32/J96-20106 《江苏省住宅设计标准》DGJ32/J26-20067 国家、省、市现行的法律、法规及其它相关标准2.1.4 应明确工程项目节能水平的设计要求(如节能50%、节能65%等)。
2.2场地规划与室外环境2。
2.1绿色建筑设计专篇或总平面图中应列出项目用地面积、总建筑面积、地下地上建筑面积、建筑密度、容积率、绿地率、人均公共绿地面积(居住建筑)、人均用地指标(居住建筑)等主要技术经济指标。
2。
2。
2绿色建筑设计专篇中应说明场地内有无超标排放的污染源。
2。
2.3总平面图设计内容除应符合住房和城乡建设部《建筑工程设计文件编制深度规定》的要求外,尚应表达下列内容:1 基地内道路系统应明确表达满足消防、救护及减灾救灾等措施。
第十四章绿色建筑专篇一、项目基本信息工程名称:建设地点:建设单位:建筑类型:绿色设计目标:国标一星二、设计依据1、《绿色建筑评价标准》 GB/T 50378-20142、《绿色建筑评价标准》 DB/T 1039-20073、《绿色建筑设计标准》 DB33/1092-20164、《民用建筑可再生能源应用核算标准》 DB33/1105-20145、《绿色建筑施工图设计文件技术审查要点》三、节地与室外环境1、环境噪声控制本项目位于温岭市城西街道螺屿村(编号为GY030101-3地块),东侧为规划新河线河道,南侧为空地(规划为道路),西侧为空地(商服用地,为台州邦丰塑料有限公司项目用地),北侧临中心大道。
场地环境噪声要求符合现行国家标准《城市区域环境噪声标准》GB3096的规定。
1)根据交通规模预测交通噪声量,通过计算机模拟分析交通噪声对建筑区域声环境的影响。
2)通过区域周边绿化配置形成噪声防护屏障。
2、室外风环境控制要求建筑总平面的布置和设计有利于室内自然通风,建筑周围人行区风速低于5m/s,不影响室外活动的舒适性。
1)利用电脑模拟建筑室外风环境,为建筑方案提供优化建议。
如优化建筑布局、建筑截面面积,建筑体形以及建筑高度等;2)通过绿化配置,减少室外局部风力放大。
3、生态场地设计对场地和景观设计进行优化,设计透水地面,有利于雨水回收,减低热岛效应,改善生态环境。
1)建筑周边、庭院的地面和公共广场等采用透水铺设。
主要采用地下停车场,地上车位采用嵌草砖(草皮砖)铺装地面。
人行道采用透水砖铺装地面。
2)关注各种下垫面的吸热特征,选择浅色与可反射适当太阳能的铺装饰面,保证有绿化覆盖率和遮荫率。
3)绿化设计优先选择适宜当地气候和土壤条件的乡土植物,采用包含乔、灌木的复层绿化;生态绿地、墙体绿化、屋顶绿化和垂直绿化等多样化的绿化方式。
四、节能设计1、建筑造型节能1)利用数值模拟软件对建筑造型和形体模拟,进行优化设计,如体型控制,选择浅色外墙饰面;对朝向与窗墙面积比进行有效控制等。
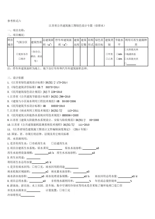
参考样式六江苏省公共建筑施工图绿色设计专篇(给排水)一、项目名称:二、项目概况:所在城市气候分区建筑性质总建筑面积(m2)停车库建筑面积(m2)建筑高度建筑层数结构形式绿色星级目标建筑类别节能水平利用可再生能源种类□夏热冬冷□寒冷(如办公、酒店,商业等)□甲类□乙类□65%□50%□太阳能光热□地源热泵□太阳能光伏□注:停车库建筑面积为地上、地下自行车库和汽车库建筑面积总和。
三、设计依据1.《江苏省绿色建筑设计标准》DGJ32/J 173-20142.《绿色建筑评价标准》GB/T 50378-20143.《民用建筑绿色设计规范》JGJ/T 229-20104.江苏省《公共建筑节能设计标准》DGJ32/J96-20105.《建筑与小区雨水利用工程技术规范》GB 50400-20066.《民用建筑节水设计标准》GB 50555-20107.江苏省《雨水利用工程技术规范》DGJ32/TJ 113-20118.《民用建筑太阳能热水系统应用技术规范》GB50364-20059.江苏省《建筑太阳能热水系统设计、安装与验收规范》DGJ32/J 08-200810.江苏省《公共建筑能耗监测系统技术规程》DGJ32/TJ 111-201011.《江苏省绿色建筑施工图设计文件编制深度规定》(2014年版)12.国家、省、市现行的法律、法规及其它相关标准四、水资源利用:1.是否有再生水:□市政再生水□自建再生水2.项目自建再生水系统:原水釆用原水水池容积: m3再生水处理设备规模: m3/h 再生水水池容积: m33.再生水用途:利用再生水总用水量 m3/d4.是否有雨水回用:□有□无,雨水回用的用途雨水收集区域面积: m2 雨水蓄水池容积: m3雨水清水池容积: m3 雨水处理设备规模: m3/h 雨水回用总用水量: m3/d5.项目总用水量: m3 非传统水源利用率: % 年径流总量控制率 %6.游泳池、游乐池、水上乐园、洗车场、集中空调用冷却水等用水是否釆取了循环处理□是□否补充水水源来自计量装置:□有□无冷却塔型式五、节水措施:1.卫生器具用水效率等级或节水标准2.给水系统压力控制:市政自来水压力 Mpa,直供层数层,是否充分利用市政自来水压力:□是口否分区压力≤ Mpa 用水点处压力≤ Mpa3.按用途设置用水计量装置:□是□否总水表数据上传监测系统:□有□无4.热水系统循环方式六、可再生能源利用:1.生活热水供应1.1本项目是否有生活热水需求:□有(总热水量 m3/d)□无1.2热源来自:□太阳能热水系统(热水用水量 m3/d)□地源热泵热水系统(热水用水量 m3/d)□其它热水系统1.3太阳能热水系统辅助热源釆用2.太阳能利用:2.1供水系统方式:□集中供热水系统□分散供热水系统2.2集热器安装位置:□屋顶□阳台□其他2.3集热器安装面积:2.4太阳能热水系统是否符合可再生能源利用三选一条件:□是□否2.5可再生能源热水量占总热水量的 %3.地源热泵、太阳能光伏发电、光诱导利用:3.1本工程□有□无地源热泵空调系统,承担釆暖空调负荷的比例为 %3.2本工程□有□无太阳能光伏□有□无光诱导系统,其总功率为建筑物总变压器装机容量的 %4.其它参考样式七江苏省居住建筑施工图绿色设计专篇(给排水)一、项目名称:二、项目概况:所在城市气候分区建筑面积(m2)建筑高度建筑层数绿色星级目标建筑类别节能水平利用可再生能源种类项目规划用地面积□夏热冬冷□寒冷□主动□被动65%□太阳能光热□地源热泵□太阳能光伏□三、设计依据1.《江苏省绿色建筑设计标准》DGJ32/J 173-20142.《绿色建筑评价标准》GB/T 50378-20143.《民用建筑绿色设计规范》JGJ/T 229-20104.《江苏省居住建筑环境和节能设计标准》DGJ 32J71-20145.《建筑与小区雨水利用工程技术规范》GB 50400-20066.《民用建筑节水设计标准》GB 50555-20107.江苏省《雨水利用工程技术规范》DGJ32/TJ 113-20118.《民用建筑太阳能热水系统应用技术规范》GB50364-20059.江苏省《建筑太阳能热水系统设计、安装与验收规范》DGJ32/J 08-200810.《江苏省绿色建筑施工图设计文件编制深度规定》(2014年版)11.国家、省、市现行的法律、法规及其它相关标准四、水资源利用:1.是否有再生水:□市政再生水□自建再生水2.项目自建再生水系统:原水釆用原水水池容积: m3再生水处理设备规模: m3/h 再生水水池容积: m33.再生水用途:利用再生水总用水量 m3/d4.是否有雨水回用:□有□无,雨水回用的用途雨水收集区域面积: m2 雨水蓄水池容积: m3雨水清水池容积: m3 雨水处理设备规模: m3/h 雨水回用总用水量: m3/d5.项目总用水量: m3 非传统水源利用率: % 年径流总量控制率 %五、节水措施:1.卫生器具用水效率等级或节水标准2.给水系统压力控制:市政自来水压力 Mpa,直供层数层,是否充分利用市政自来水压力:□是口否分区压力≤ Mpa 用水点处压力≤ Mpa3.按用途设置用水计量装置:□是□否4.热水系统:□有□无循环方式六、可再生能源利用:1.生活热水供应1.1热源来自:□太阳能热水系统(采用辅助热源)□地源热泵热水系统□水源热泵热水系统□其它热水系统1.2供应层数层至层。
江苏省民用建筑施工图绿色设计文件编制深度规定前言为配合《江苏省绿色建筑设计标准》DGJ32/J 173-2014(以下简称“绿色设计标准”)的实施,指导江苏省民用建筑的施工图绿色设计文件编制工作,依据相关规范标准,编制本规定。
本规定根据绿色设计标准的要求,以《江苏省民用建筑工程施工图设计文件(节能专篇)编制深度规定(2009年版)》(以下简称“节能深度规定”)为基础进行编制,与2009版“节能深度规定”相比主要变化如下:1. 明确适用的工程范围为江苏省内的新建民用建筑(扩建、改建民用建筑可参照执行),适用范围同绿色设计标准第1.0.2条及相关条文说明。
2. 根据绿色设计标准,增加了除节能外的绿色设计内容要求。
3. 明确施工图设计阶段的绿色设计表现形式,不仅表现为绿色设计专篇,还包括与绿色设计相关的设计说明、图纸、设备表、计算书等,两者有机结合、相互呼应协调,共同表达绿色设计内容。
4. 增加了给排水、结构专业的绿色设计内容要求。
5. 根据2009年至今江苏出台的有关技术标准,如:江苏省《公共建筑节能设计标准》DGJ32/J 96-2010、《江苏省居住建筑热环境和节能设计标准》DGJ32/J 71-2014、江苏省《公共建筑能耗监测系统技术规程》DGJ32/TJ 111-2010等,对节能深度规定中的相关内容做了修改。
6. 根据上述2~5条的变化要求,结合2009年以来积累的节能设计和施工图审查经验,编制施工图绿色设计专篇(参考样式),以便更好指导绿色设计工作,从源头上贯彻好绿色设计标准。
7. 绿色设计专篇(参考样式)更多关注到到不同专业之间的工作协调,如绿色通用信息(绿色建筑星级目标、节能水平等)的共享,可再生能源利用、用能计量和能耗监测等事项的表述应协调一致等。
设计人员应根据工程实际情况正确使用绿色设计专篇(参考样式),合理删除或增加有关内容,并应根据规范现行有效版本,对设计依据及样式其他部分所列规范及时予以更正。
江苏省绿色建筑设计标准绿色建筑是指在建筑设计、施工、使用和拆除等全生命周期内,最大限度地减少对环境的影响,提高建筑的资源利用效率,保护生态环境,为用户提供健康、舒适的室内环境的建筑。
江苏省绿色建筑设计标准的制定旨在推动建筑行业向绿色、可持续发展方向转变,促进建筑节能、节水、节地、节材,减少建筑对环境的负面影响,提高建筑的整体质量。
首先,江苏省绿色建筑设计标准明确了建筑节能的要求。
在建筑设计中,应当合理利用自然光和自然通风,减少对人工照明和空调的依赖,采用高效节能的建筑材料和设备,提高建筑的能源利用效率,降低建筑的能耗。
同时,建筑应当具备良好的保温隔热性能,减少能源的浪费,降低建筑的运行成本。
其次,江苏省绿色建筑设计标准强调了建筑节水的重要性。
在建筑设计中,应当合理规划雨水收集利用系统,减少雨水径流污染,提高雨水资源的利用率。
同时,建筑应当配置节水设备,如低流量水龙头、节水冲水系统等,减少用水量,降低建筑对水资源的消耗。
此外,江苏省绿色建筑设计标准还对建筑的环境适应性提出了要求。
建筑应当根据当地气候特点,合理布局建筑朝向,最大限度地利用自然资源,减少对人工能源的依赖。
同时,建筑应当具备良好的室内环境质量,如空气清新、光线充足、噪音控制等,为用户提供舒适、健康的室内环境。
最后,江苏省绿色建筑设计标准还强调了建筑材料的可持续性和环保性。
建筑应当选择符合环保要求的建筑材料,减少对自然资源的破坏,降低建筑对环境的污染。
同时,建筑材料的选择应当考虑其整体寿命周期的环境影响,促进建筑材料的循环利用和资源再生利用。
总的来说,江苏省绿色建筑设计标准的制定,将有力推动建筑行业向绿色、可持续发展方向转变,促进建筑节能、节水、节地、节材,减少建筑对环境的负面影响,提高建筑的整体质量。
希望在未来的建筑设计和施工中,能够更加严格地执行绿色建筑设计标准,为社会和环境做出更大的贡献。
参考样式一江苏省公共建筑施工图绿色设计专篇(建筑)一、项目名称:二、项目概况:注:停车库建筑面积为地上、地下自行车库和汽车库建筑面积总和。
三、设计依据1。
《江苏省绿色建筑设计标准》DGJ32/T173—2014 2。
《绿色建筑评价标准》GB/T 50378-20143.《民用建筑绿色设计规范》JGJ/T229-20104.《民用建筑热工设计规范》GB50176-935。
江苏省《公共建筑节能设计标准》DGJ32/J96—2010 6.《江苏省绿色建筑施工图设计文件编制深度规定》(2014年版)7.当地城市规划主管部门的批文:8。
国家、省、市现行的法律、法规、其它相关标准和规定四、场地规划与室外环境:1。
主要技术经济指标:1)总用地面积m2,总建筑面积m2(其中:地下建筑面积m2,地上建筑面积m2)。
建筑密度%,容积率,绿地率%。
2)地下建筑面积与建设用地面积之比,地下一层建筑面积与建设用地面积比率%。
3)机动车停车数(地上停车数、地下停车数),停车方式。
非机动车停车数,停车方式。
2.本项目场地内无超标排放的污染源.3。
场地内无障碍停车位辆,占总停车位比例%,无障碍停车位位于.4。
场地内道路系统便捷顺畅,满足消防、救护及减灾救灾等要求。
5。
景观环境设计应符合下列要求:1)停车场、人行通道和广场应种植高大乔木提供遮阳,机动车停车场遮阴率不应小于20%;室外非机动车停车场应设置遮阳避雨措施。
2)场地内应结合绿化景观设计完善步行道系统,提供配套的休憩设施,并综合考虑遮荫、排水要求。
3)人行通道应安全、舒适,满足无障碍设计要求,且与场地外人行通道无障碍连通.4)室外硬质铺装地面中透水铺装率不应小于50%,透水铺装垫层应采用透水构造做法;室外机动车停车场采用植草砖做透水地面时,镂空面积比不应低于40%。
5)景观绿地设计应以乡土植物开发利用为主,兼顾引种,丰富城市绿地系统树种多样性,本地植物种数不宜低于70%。
江苏省公共建筑节能与绿色设计专篇参考样式(暖通专业)建筑功能及相应面积:二、设计依据1、《民用建筑供热通风与空气调节设计规范》GB50736-20122、《公共建筑节能设计标准》GB50189-20053、《民用建筑热工设计规范》GB50176-1993)4、江苏省《公共建筑节能设计标准》DGJ32/J96-20105、江苏省《公共建筑能耗监测系统技术规程》DGJ32/TJ111-20106、《江苏省民用建筑绿色设计标准》DGJ32/7、《江苏省民用建筑工程施工图设计文件(节能与绿色专篇)编制深度规定》(年版)8、国家、省、市现行的相关法律、法规三、空调负荷计算:1、空调(采暖)建筑面积(㎡)2、空调(采暖)计算室外气象参数3、空调(采暖)室内计算参数(温度、湿度、新风量、人员密集、设备功率等指标)4、围护结构传热系数(W/㎡·K)外墙:K= ;屋面:K= ;外窗:K= ;地面:K= ;……5、计算软件名称及版本6、空调设计计算冷负荷 KW,单位面积负荷指标 W/㎡;空调(采暖)设计计算热负荷 KW;单位面积负荷指标 W/㎡四、规定性节能设计要求1、空调(采暖)冷热源形式上、规格、数量2、冷热源设备(单元式空调机组、分体式空调机组、冷水机组、热泵、锅炉)额定工况能效比ERR,性能系数COP,溴化锂机组性能参数,锅炉额定热效率7、用水、用量计算措施五、其它节能措施1、自动控制系统]2、能量回收措施及回收率3、可再生能源利用措施4、其它新型节能措施六、绿色设计部分江苏省居住建筑节能与绿色设计专篇参考样式(暖通专业)二、设计依据1、《民用建筑供热通风与空气调节设计规范》GB50736-20122、《公共建筑节能设计标准》GB50189-20053、《民用建筑热工设计规范》GB50176-1993)4、《夏热冬冷地区节能设计标准》JGJ134-20105、江苏省《公共建筑节能设计标准》DGJ32/J96-20106、《江苏省居住建筑热环境和节能设计标准》DGJ32/J71-20087、江苏省《公共建筑能耗监测系统技术规程》DGJ32/TJ111-20108、《江苏省民用建筑绿色设计标准》DGJ32/9、《江苏省民用建筑工程施工图设计文件(节能与绿色专篇)编制深度规定》(年版)10、国家、省、市现行的相关法律、法规三、采暖负荷计算1、采暖建筑面积(㎡)2、采暖计算室外气象参数3、采暖室内计算参数4、围护结构传热系数(W/㎡·K)外墙:K= ;屋面:K= ;外窗:K= ;地面:K= ;……5、计算软件名称及版本6、采暖计算最大热负荷 KW四、规定性节能要求:1、采暖冷热形式、规格、数量、COPc值)、暖热源设备锅炉热效率、2、空调系统(分体空调器、多联机热泵空调系统、热泵空调器等EER、IPLV五、其它节能措施1、自动控制系统2、能量回收措施及回收率3、其它新型节能措施六、绿色设计部分。
绿⾊建筑设计专篇(建筑)绿⾊建筑设计专篇(建筑)⼀、设计依据1.依据性⽂件规划部门的选址意见书(⼟地出让合同)建设项⽬环境影响报告表⽤地红线图项⽬可⾏性研究报告(项⽬申请报告)的⽴项批⽂政府有关主管部门对绿⾊建筑要求的批⽂2.主要法规(应根据建筑类型选⽤公建或住宅建筑适⽤的规范)《绿⾊建筑评价标准》GB/T50378-2014《民⽤建筑绿⾊设计规范》JGJ/T229-2010《公共建筑绿⾊设计标准》DGJ08-2143-2014《住宅建筑绿⾊设计标准》DGJ08-2139-2014《公共建筑节能设计标准》DGJ08-107-2012《住宅建筑节能设计标准》DGJ08-205-2011《上海市公共建筑绿⾊设计施⼯图⽂件审查要点》《上海市住宅建筑绿⾊设计施⼯图⽂件审查要点》⼆、⼯程概况1.建筑总量⽤地⾯积:m2;总建筑⾯积:m2;容积率:;绿地率: % ⼟地使⽤性质为(在□中打√):□住宅⽤地□公共设施⽤地□⼯业⽤地□住宅建筑□公共建筑⾃⾝有⽇照要求的住宅建筑:□低层住宅□多层住宅□⾼层住宅⾃⾝有⽇照要求的公共建筑:□托⼉所、□幼⼉园、□⼤、中⼩学校教学楼、□医院病房楼、□养⽼院住宿楼、□宿舍周边敏感建筑:□住宅□学校教学楼□医院病房楼□养⽼院住宿楼□宿舍场地内的危险源:□易燃易爆危险源□含氡⼟壤□危险化学品□电磁辐射场地内的污染源:□废⽓□废⽔□油烟□垃圾□其他2.建筑单体概况表1 建筑单体概况(可根据单体数量增加序号)3.绿⾊技术概况(在□中打√)1)光环境:□建筑玻璃幕墙□夜景照明;2)⾬⽔设施:□下凹绿地□⾬⽔花园□硬质场地透⽔铺装□其他:3)⽴体绿化:□屋顶绿化□外墙垂直绿化;4)节约材料:□⼟建与装修⼀体化□⼯业化预制构件□可变换功能的室内空间采⽤可重复使⽤隔断□整体化定型厨房□整体化定型卫⽣间□可再利⽤材料□可再循环材料5)专项声学设计:□报告厅□⼤型会议室□多功能厅□剧场□体育馆□演播厅□其他6)室内热环境:□可调节外遮阳1.绿⾊建筑等级:□⼀星级;□⼆星级;□三星级;2.绿⾊建筑评分计算表: (应根据建筑类型分别选⽤评分表)表2-A公共建筑评分计算表表2-B住宅建筑评分计算表四、场地规划与室外环境⾊建筑技术选项表3 场地规划与室外环境有关的绿⾊建筑技术选项(根据住宅、公建不续表3 场地规划与室外环境有关的绿⾊建筑技术选项(根据住宅、公建注:1 表中内容可根据住宅建筑、公共建筑及达标选项删减;2屋顶绿化应在备注栏中填写绿化类型(简单式、花园式、组合式)及覆⼟厚度。
参考样式三江苏省民用建筑施工图绿色设计专篇(结构)(公共建筑和居住建筑通用)一、项目名称:二、项目概况:注:公共離选填“建筑类别”'居住建筑选填“建筑节能类型”三、设计依据1。
《江苏省绿色建筑设计标准》DGJ32/T173-2014 2.《绿色建筑评价标准》GB/T 50378-20143.《民用建筑绿色设计规范》JGJ/T229-2010 4。
《江苏省绿色建筑施工图设计文件编制深度规定》(2014版)5.国家、省、市现行的法律、法规、其它相关标准和规定四、绿色设计基本要求1。
结构优化设计说明:2.基础优化设计说明:3。
混凝土结构部分材料选用:1)混凝土结构或混合结构中受力普通钢筋不低于400MPa级的热轧带肋钢筋应用范围:2)混凝土结构或混合结构中受力普通钢筋使用不低于400MPa级的热乳带肋钢筋占受力钢筋总量的的比例为%3)混凝土竖向承重结构釆用强度等级不小于C50混凝土用量占竖向承重构件混凝土总量的比例为%4.钢结构部分材料选用:1)本项目中钢结构应用范围和钢结构型式:2)钢结构构件或混合结构中钢结构部分的钢材等级为:3)钢结构或混合结构中钢结构部分Q345及以上高强钢材用量占钢材总量的比例:4)钢结构采用耐候结构钢:□是□否5)钢结构采用耐候型防腐涂料:□是□否5.本项目现浇混凝土应全部釆用预拌混凝土,建筑砂浆应全部釆用预拌砂浆。
6.可再循环、再利用材料选用:1)住宅建筑中的可再利用材料和可再循环材料用量比例为: %2)公共建筑中的可再利用材料和可再循环材料用量比例为%五、绿色设计一般要求1。
本项目选用的新型节能环保材料包括以下材料:2。
本项目选用的高耐久性材料包括以下材料:3。
本项目是否釆用新型工业化建筑结构体系:□是□否新型结构体系类型:主要预制结构构件为: 预制率为:4.本项目是否为改建、扩建工程:□是□否1)原有建筑利用面积:原有建筑利用率:2)结构体系说明:3)构件加固技术说明:六、主要节点详图1。
参考样式三江苏省民用建筑施工图绿色设计专篇(结构)(公共建筑和居住建筑通用)一、工程名称:二、工程简况:注:公共離选填“建筑类别”’居住建筑选填“建筑节能类型”三、设计依据1.《江苏省绿色建筑设计标准》DGJ32/T173-20142.《绿色建筑评价标准》GB/T 50378-20143.《民用建筑绿色设计规范》JGJ/T229-20104.《江苏省绿色建筑施工图设计文件编制深度规定》(2014版)5.国家、省、市现行的法律、法规、其它相关标准和规定四、绿色设计基本要求1.结构优化设计说明:2.基础优化设计说明:3.混凝土结构部分材料选用:1)混凝土结构或混合结构中受力普通钢筋不低于400MPa级的热轧带肋钢筋应用范围:2)混凝土结构或混合结构中受力普通钢筋使用不低于400MPa级的热乳带肋钢筋占受力钢筋总量的的比例为%3)混凝土竖向承重结构釆用强度等级不小于C50混凝土用量占竖向承重构件混凝土总量的比例为%4.钢结构部分材料选用:1)本工程中钢结构应用范围和钢结构型式:2)钢结构构件或混合结构中钢结构部分的钢材等级为:3)钢结构或混合结构中钢结构部分Q345及以上高强钢材用量占钢材总量的比例:4)钢结构采用耐候结构钢:□是□否5)钢结构采用耐候型防腐涂料:□是□否5.本工程现浇混凝土应全部釆用预拌混凝土,建筑砂浆应全部釆用预拌砂浆。
6.可再循环、再利用材料选用:1)住宅建筑中的可再利用材料和可再循环材料用量比例为:%2)公共建筑中的可再利用材料和可再循环材料用量比例为%五、绿色设计一般要求1.本工程选用的新型节能环保材料包括以下材料:2.本工程选用的高耐久性材料包括以下材料:3.本工程是否釆用新型工业化建筑结构体系:□是□否新型结构体系类型:主要预制结构构件为:预制率为:4.本工程是否为改建、扩建工程:□是□否1)原有建筑利用面积:原有建筑利用率: 2)结构体系说明:3)构件加固技术说明:六、主要节点详图1.套用图集编号:2.xx节点详图见结施一;............3.xx节点详图见下图:。
绿色建筑设计专篇样式(建筑电气)一、设计依据1.依据性文件项目可行性研究报告(项目申请报告)的立项批文政府有关主管部门对绿色建筑要求的批文2.主要法规(应根据建筑类型选用公建或住宅建筑适用的规范)《建筑照明设计标准》GB50034-2013《绿色建筑评价标准》GB/T50378-2014《民用建筑绿色设计规范》JGJ/T229-2010《公共建筑绿色设计标准》DGJ08-2143-2014《住宅建筑绿色设计标准》DGJ08-2139-2014《公共建筑节能设计标准》DGJ08-107-2012《居住建筑节能设计标准》DGJ08-205-2011《上海市公共建筑绿色设计施工图文件审查要点》《上海市住宅建筑绿色设计施工图文件审查要点》二、工程概况1.建筑总量建筑类型:;总建筑面积:;2.建筑单体概况表1 建筑单体概况3.节能概况1)能耗监测系统:□有、□无。
2)建筑设备监控管理系统:□有、□无。
3)室外夜景照明:□有、□无。
4)导光系统:□有、□无。
5)可再生能源利用:□有(□太阳能光伏、□风力发电)、□无。
6)分布式供能系统:□有、□无。
7)其他:。
三、绿色建筑等级1.绿色建筑等级:□一星级;□二星级;□三星级;2.绿色建筑评分计算表: (应根据建筑类型分别选用公建或住宅评分表)四、 电气绿色建筑设计1. 与电气专业有关的绿色建筑技术选项内容注:1 表中内容可根据住宅建筑、公共建筑及达标选项删减;2凡标注有“※”的技术内容,标示该条文与其他专业也有关系,J-建筑,G-结构,S-给排水专业,N-暖通。
2. 供配电系统节能措施1) 变配电所深入负荷中心设置。
2) 变压器总装机容量为 kVA ,单位面积功率密度值为 VA/m 2。
3) 低压并联电容器的补偿要求应符合现行国家标准《供配电系统设计规范》GB50052的要求。
变压器低压侧设置低压无功补偿装置,要求补偿后高压供电进线处功率因数不低于 。
低压电源供电时进线处设置无功补偿装孩子,要求补偿后功率因数不低于0.9。
建筑专业施工图审查技术问答第一章绿色设计1、江苏省《居住建筑热环境和节能设计标准》DB32/4066与国标《建筑节能与可再生能源利用通用规范》GB 55015在节能技术体系和技术指标要求上存在差别,请问居住建筑的节能设计该如何执行标准?答:居住建筑节能设计执行江苏省《居住建筑热环境和节能设计标准》DB32/4066。
2、根据《绿色建筑评价标准》GB/T 50378中3.2.8条注1规定,围护结构热工性能的提高基准为国家现行相关建筑节能设计标准的要求。
请问:自2022年04月01起是否应以《建筑节能与可再生能源利用通用规范》GB55015中的热工性能参数为基准值?答:现行《绿色建筑评价标准》GB/T50378的围护结构热工性能的提高基准为《公共建筑节能设计标准》GB50189、《夏热冬冷地区居住建筑节能设计标准》JGJ 134、《严寒和寒冷地区居住建筑节能设计标准》JGJ26中的相关节能设计要求。
3、当住宅开向室外的户门为不透光外门时,是否应按《居住建筑热环境和节能设计标准》DB32/ 4066中户门的要求控制,不应等同于外窗和计入窗墙比?答:是的。
户门为不透光保温门时,不计入外立面窗墙比。
4、住宅天窗的遮阳系数超标时,是否允许权衡计算?答:住宅天窗的传热系数和遮阳系数均应符合江苏省《居住建筑热环境和节能设计标准》DB32/ 4066第5.2.13条、第5.3.13条的规定性指标要求,不允许权衡计算。
5、江苏省《居住建筑热环境和节能设计标准》DB32/4066附录C中列出了部分外窗的热工性能,当采用隔热铝合金5+19Ar(百叶)+5+12Ar+5(暖边)遮阳一体化窗时,是否可以参照附录C中隔热铝合金5+12Ar+5+12Ar+5(暖边)窗的传热系数指标(如下图)?答:可以。
当新版江苏省《居住建筑标准化外窗系统应用技术规程》发布后,可按该规程选用相应的外窗。
6、住宅建筑外墙填充墙采用现浇夹芯混凝土外墙,请问此类墙体内夹芯的保温板能否纳入节能计算?答:可以。
参考样式一江苏省公共建筑施工图绿色设计专篇(建筑)一、项目名称:二、项目概况:注:停车库建筑面积为地上、地下自行车库和汽车库建筑面积总和。
三、设计依据1.《江苏省绿色建筑设计标准》DGJ32/T173-20142.《绿色建筑评价标准》GB/T 50378-20143.《民用建筑绿色设计规范》JGJ/T229-20104.《民用建筑热工设计规范》GB50176-935.江苏省《公共建筑节能设计标准》DGJ32/J96-20106.《江苏省绿色建筑施工图设计文件编制深度规定》(2014年版)7.当地城市规划主管部门的批文:8.国家、省、市现行的法律、法规、其它相关标准和规定四、场地规划与室外环境:1.主要技术经济指标:1)总用地面积m2,总建筑面积m2(其中:地下建筑面积m2,地上建筑面积m2)。
建筑密度%,容积率,绿地率%。
2)地下建筑面积与建设用地面积之比,地下一层建筑面积与建设用地面积比率%。
3)机动车停车数(地上停车数、地下停车数),停车方式。
非机动车停车数,停车方式。
2.本项目场地内无超标排放的污染源。
3.场地内无障碍停车位辆,占总停车位比例%,无障碍停车位位于。
4.场地内道路系统便捷顺畅,满足消防、救护及减灾救灾等要求。
5.景观环境设计应符合下列要求:1)停车场、人行通道和广场应种植高大乔木提供遮阳,机动车停车场遮阴率不应小于20%;室外非机动车停车场应设置遮阳避雨措施。
2)场地内应结合绿化景观设计完善步行道系统,提供配套的休憩设施,并综合考虑遮荫、排水要求。
3)人行通道应安全、舒适,满足无障碍设计要求,且与场地外人行通道无障碍连通。
4)室外硬质铺装地面中透水铺装率不应小于50%,透水铺装垫层应采用透水构造做法;室外机动车停车场采用植草砖做透水地面时,镂空面积比不应低于40%。
5)景观绿地设计应以乡土植物开发利用为主,兼顾引种,丰富城市绿地系统树种多样性,本地植物种数不宜低于70%。
6)根据植物的生态习性进行多种植物的合理配植;种植应当适应当地气候和土壤条件的植物,采用乔、灌、草结合的复层绿化;绿化用地内绿化覆盖率应大于70%。
五、建筑设计与室内环境:1.主要功能空间的外墙、隔墙、楼板和门窗的隔声性能:2.主要房间室内允许的噪声等级符合《民用建筑隔声设计规范》GB50118-2010的要求。
3.项目应进行专项声学设计的空间:(如观众厅、大型会议室、多功能厅等)4.本项目产生较大噪声的设备机房(如水泵房、风机房、电梯机房、空调机房等)未与有安静要求的空间相邻布置,有振动的设备基础釆取了减振措施,做法详:5.本项目根据《民用建筑工程室内环境污染控制规范》GB50325-2010(2013年版)为□Ⅰ□Ⅱ类民用建筑工程。
建筑材料及装修材料应符合现行《民用建筑工程室内环境污染控制规范》GB50325-2010(2013年版)的相关规定。
室内空气中甲醛、苯、氨、氡和TV0C五类空气污染物应满足下列要求:6.本项目吸烟室、复印室、打印室、垃圾间、清洁间等产生异味或污染物的房间均设有封闭的隔墙或门形成独立空间。
7.本项目厨房、暗卫生间均设有专用烟气道,详见图纸:,汽车库排风口设置详见图纸:。
8.建筑装饰装修设计时,不得破坏建筑结构主体。
9.建筑材料的选用符合国家和江苏省的相关规定,未采用限制、禁止使用和淘汰的的建筑材料。
六、建筑节能:1.基本情况:2.建筑物围护结构热工性能(详表1、表2、表3、表4)表1:屋面、外墙、架空楼板、分隔非采暖空调房间与采暖空调房间的隔墙和楼板的热工性能经计算本工程屋面、外墙热桥部位的冬季内表面温度均不低于露点温度,其热阻值分别为(m2·K)/W、(m2·K)/W。
表2:地面和地下室外墙热工性能表3:外窗(包括透明幕墙)的热工性能表4:外窗(包括透明幕墙)的可见光透射比、可开启面积比、幕墙可见光反射比、耐火完整性注:*项为外墙外保温按《建筑设计防火规范》GB50016-2014第6.7.7条规定采用B1、B2级材料时,外门窗耐火完整性不应低于0.5h,米用A级材枓时无此要求。
本项目外门窗气密性不低于《建筑外门窗气密、水密、抗风压性能分级及检测方法》GB/T7106-2008规定的6级。
本项目幕墙气密性不低于《建筑幕墙》GB/T 21086-2007规定的级。
3.可再生能源的利用1)本项目□有□无太阳能热水供应系统,使用辅助热源,供热水量 m3/d,占建筑生活热水总量的 %。
太阳能集热器位置:。
太阳能热水系统应符合《民用建筑太阳能热水系统应用技术规范》GB50364-2005、江苏省《建筑太阳能热水系统设计、安装与验收规范》DGJ32/J08-2008的要求。
2)本项目□有□无地源热泵空调系统,承担采暖空调负荷的比例为 %。
地源热泵空调系统应符合《地源热泵系统工程技术规范》GB50366-2009、江苏省《地源热泵系统工程技术规程》DGJ32/TJ89-2009的要求。
3)本项目□有□无太阳能光伏发电□有□无光诱导系统,其总功率为建筑物总变压器装机容量的 %。
太阳能光伏系统应符合《民用建筑太阳能光伏系统应用技术规范》JGJ203-2010、江苏省《太阳能光伏与建筑一体化应用技术规程》DGJ32/J87-2009的要求。
4)其他。
4.权衡判断本工程因不符合规定性指标而进行权衡判断。
5.其他1)本项目采用外保温系统应符合标准的要求。
2)本项目采用外遮阳系统应符合江苏省《建筑外遮阳工程技术规程》DGJ32/J123-2011的要求(根据是否设置外遮阳增删)。
3)本项目并列集中设置的多台电梯应具有集中调度和群控功能;自动扶梯、自动人行坡道应具有节能拖动和节能控制装置。
4)绿色建筑的施工应符合国家、江苏省有关施工验收规程的要求。
5)... ...6.节能构造节点详图或引用图集1)屋面(需要时含防火隔离带)2)外墙(需要时含防火隔离带)3)架空楼板4)分隔采暖空调与非采暖空调房间的隔墙、楼板5)采暖空调地下室地面、外墙6)地上采暖空调房间的地下室顶板7)门窗洞口(包括外遮阳)... ...七.其他绿色建筑技术措施:参考样式二江苏省居住建筑施工图绿色设计专篇(建筑)一、项目名称:二、项目概况:三、设计依据1.《江苏省绿色建筑设计标准》DGJ32/T173-20142.《绿色建筑评价标准》GB/T50378-20143.《民用建筑绿色设计规范》JGJ/T229-20104.《民用建筑热工设计规范》GB50176-935.《江苏省居住建筑热环境和节能设计标准》DGJ32/J71-20146.当地城市规划主管部门的批文:7.《江苏省绿色建筑施工图设计文件编制深度规定》(2014年版)8.国家、省、市现行的法律、法规、相关标准和规定四、场地规划与室外环境:1.主要技术经济指标:1)总用地面积 m2,总建筑面积 m2(其中:地下建筑面积 m2,地上建筑面积 m2)。
2)建筑密度 %,容积率,绿地率 %,人均公共绿地面积 m2。
3)地下建筑面积与地上建筑面积的比率 %。
机动车停车数(地上停车数、地下停车数),停车方式。
非机动车停车数,停车方式。
2.本项目场地内无超标排放的污染源。
3.场地内无障碍停车位辆,占总停车位比例 %,无障碍停车位位置。
4.场地内道路系统便捷顺畅,满足消防、救护及减灾救灾等要求。
5.景观环境设计应符合下列要求:1)停车场、人行通道和广场应种植高大乔木提供遮阳;机动车停车场遮阴率不应小于20%,室外非机动车停车场应设置遮阳避雨措施。
2)场地内应结合绿化景观设计完善步行道系统,提供配套的休憩设施,并综合考虑遮阴、排水要求。
3)人行通道应安全、舒适,满足无障碍设计要求,且与场地外人行通道无障碍连通。
4)室外硬质铺装地面中透水铺装率不应小于50%,透水铺装垫层应采用透水构造做法;室外机动车停车场采用植草砖做透水地面时,镂空面积比不应低于40%。
5)景观绿地设计应以乡土植物开发利用为主,兼顾引种,丰富城市绿地系统树种多样性,本地植物种数不宜低于70%。
6)根据植物的生态习性进行多种植物的合理配植;种植应当适应当地气候和土壤条件的植物,采用乔、灌、草结合的复层绿化;绿化用地内绿化覆盖率应大于70%;居住建筑绿地每百平方米配植乔木数量不应少于3株。
五、建筑设计与室内环境:1.卧室、起居室(厅)、厨房的窗地比(采光系数)、通风面积比,指标详见住宅平面图(户型大样图)。
2.住宅建筑中的卧室、起居室(厅)内的噪声级,应符合下表规定:3.住宅建筑中的分户墙、分户楼板及分隔住宅和非居住用途空间楼板、外窗(包括未封闭阳台的门)的空气声隔声性能指标:4.住宅中的卧室、起居室(厅)的分户楼板的撞击隔声性能、构造措施为:。
5.本项目电梯机房、电梯井道与起居室贴邻时,隔声减振措施为:,做法详;其他产生振动的设备基础的减振措施为:,做法详。
6.建筑材料及装修材料应符合现行《民用建筑工程室内环境污染控制规范》GB50325的相关规定。
室内空气中甲醛、苯、氨、氡和TV0C五类空气污染物应满足下列要求:7.厨房、暗卫生间均设有专用烟气道,汽车库排风口设置详见图纸。
住宅卫生间均采用同层排水系统。
8.建筑装饰装修设计时,不得破坏建筑结构主体。
9.建筑材料的选用符合国家和江苏省的相关规定,未采用限制、禁止使用和淘汰的的建筑材料。
六、建筑节能:1.基本情况:注:本项目南偏□东□西°。
2.建筑物围护结构热工性能(详表1、表2)表1:屋面、外墙、架空楼板、分户墙、分户楼板、楼梯间及外走廊隔墙、户门的热工性能:表2:外窗(包括透明阳台门)的热工性能、外窗可开启面积比、耐火完整性:本工程外门窗气密性不低于《建筑外门窗气密、水密、抗风压性能分级及检测方法》GB/T7106-2008规定的级。
注:*项为外墙外保温按《建筑设计防火规范》GB50016-2014第6.7.7条规定采用B1、B2级材料时,外门窗耐火完整性不应低于0.5h,采用A级材料时无此要求。
3.生活热水供应1)本项目□有□无太阳能热水供应系统,使用辅助热源,供应层数,不少于6层。
太阳能集热器位置:。
太阳能热水系统应符合《民用建筑太阳能热水系统应用技术规范》GB50364-2005和江苏省《建筑太阳能热水系统设计、安装与验收规范》DGJ32/J08-2008的要求。
2)本项目□有□无地源热泵空调系统,其热水供用层数。
地源热泵空调系统应符合《地源热泵系统工程技术规范》GB50366-2009、江苏省《地源热泵系统工程技术规程》DGJ32/TJ89-2009的要求。
3)其它热水供应形式,供应层数。
4.性能性指标设计本工程因不符合规定性指标而进行性能性指标设计。
5.其他1)本项目采用外保温系统应符合标准的要求。