拟投入本标段的主要施工机械设备表
- 格式:docx
- 大小:12.88 KB
- 文档页数:2
拟投入的主要施工机械设备表(投标人施工用机械设备的种类、品牌、数量、用途、设备所有权归属等)第一节施工机械计划表第二节施工机械使用安全操作规程一、挖掘机安全操作规程1.履带式挖掘机转移工地, 应用平板拖车运送。
特殊情况需要自行转移时, 须卸去配重, 主动轮应在后面, 臂杆、铲斗回转机构等应处于制动位置并加保险固定。
每行走500至1000m对行走机构进行检查和润滑。
2.挖掘机行走和作业场地如地面松软, 应垫以枕木或垫板。
泥泞地区必须先作路基处理或更换专用的履带板。
3.严禁挖掘未经爆破的一级以上岩石或冻土。
4.单斗挖掘机正铲作业时, 除松散土壤外, 其作业面应不超过本机性能规定的最大开挖高度和深度。
在反铲作业时, 挖掘机履带距工作面边缘至少应保持1至1.5m的安全距离。
5.启动前检查工作装置、行走机构、各部安全防护装置、液压传动部件及电气装置等, 确认齐全完好, 方可启动。
6.作业区内应无行人和障碍物, 挖掘前先鸣声示意, 并试挖数次, 确认正常后, 方可开始作业。
7、作业时, 挖掘机应保持水平位置, 将行走机构制动住, 并将轮胎或履带楔紧。
8、遇较大的坚硬石块或障碍物时, 须待清除后, 方可挖掘。
不得用铲斗破碎石块、冻土或用单边斗齿硬啃。
9、挖掘陡坡时应采取防护措施。
如发现有塌方危险应立即处理或将挖掘机撤离至安全地带。
10、作业时, 必须待机身停稳后再挖土, 当铲斗未离开工作面时, 不得作回转行走动作, 回转制动时, 应使用回转制动器, 不得用转向离合器反转制动。
11.装车时, 铲斗要尽量放低, 不得撞碰汽车任何部分。
在汽车未停稳或铲斗必须越过驾驶室而司机未离开前不得装车。
12.作业时, 铲斗升、降不得过猛。
下降时不得撞碰车架或履带。
二、13.在作业时或行走时, 严禁靠近架空输电线路, 机械与架空输电线的安全距离应符合有关规定。
三、14、操作人员离开驾驶室时, 不论时间长短, 必须将铲斗落地。
四、15、行走时, 主动轮应在后面, 臂杆与履带平行, 制动住回转机构, 铲斗离地面1m左右。
建筑工程拟投入的主要施工机械表
项目名称:
工程地点:
施工单位:
施工机械类型:
施工机械。
| 数量。
|
挖掘机。
|。
|
起重机。
|。
|
混凝土搅拌机。
|。
|
塔吊。
|。
|
打桩机。
|。
|
隧道掘进机。
|。
|
推土机。
|。
|
压路机。
|。
|
铣刨机。
|。
|
脚手架。
|。
|
混凝土输送泵。
|。
|
搅拌站。
|。
|
管道铺设机。
|。
|
施工电梯。
|。
|
扬尘治理设备。
|。
|
升降机。
|。
|
隧道灯具及电缆设备 |。
|
以上是拟投入的主要施工机械表格,具体的机械数量根据项目的实际需求进行填写。
请根据项目信息和工程要求,提供相关的施工机械和对应的数量。
以上是拟投入的主要施工机械表格,具体的机械数量根据项目的实际需求进行填写。
请根据项目信息和工程要求,提供相关的施工机械和对应的数量。
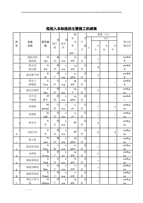
拟投入本工程的主要施工机械设备、试验、质量检测设备配备表序号名称规格型号产地现状数量〔台〕设备来源一、路基工程施工机械1推土机TY220山东良好2自有2挖掘机PC-400常林良好3自有3装载机ZL-50厦门良好2自有4自卸车CQ3300重庆良好8自有5自卸车2629内蒙良好6自有6平地机PY-180B天津良好1自有7振动压路机YZ18厦门良好2自有8拖式振动碾YZT20陕西良好1自有9小型振动压路机YZC2A徐州良好2自有10凿岩机YT-28甘肃良好20自有11电动空压机4L-10/8自贡良好4自有12灰浆拌合机JS250重庆良好4自有13机动翻斗车FC10A陕西良好6自有14液压喷播机HP9003美国良好1自有15洒水汽车EQ141十堰良好2自有16油罐汽车CA143长春良好2自有二、桥涵施工机械1电动空压机4L-10/8自贡良好2自有2凿岩机YT-24甘肃良好6自有3挖掘机PC-200常林良好1自有4自卸车EQ341十堰良好5自有5汽车吊NK350日本良好1自有6汽车吊QY50A湖南良好2自有7潜水泵重庆良好2自有8电动卷扬机JK-2重庆良好2自有9钢筋切断机GQ40A陕西良好1自有10钢筋调直机GT4×10广西良好1自有11钢筋弯曲机GW40C陕西良好1自有12电焊机BX-300天津良好2自有三、隧道工程施工机械1电动空压机4L-20/8自贡良好2自有2凿岩机YT-28甘肃良好30自有3侧卸式装载机ZLC-50B成都良好2自有4自卸汽车EQ341十堰良好4自有5自卸汽车2628K内蒙良好4自有6液压钢模衬砌台车湖北良好1自有7注浆机YZG-30焦作良好2自有8砼喷射机TK-961成都良好2自有9地质钻机XU-100重庆良好2自有10挖掘机PC-200常林良好1自有11钢筋切断机GQ40A陕西良好2自有12钢筋弯曲机GW40C陕西良好2自有13电焊机BX-300天津良好4自有14钢筋调直机GT4×10广西良好2自有四、混凝土设备1砼拌合站HLS60山东良好1自有2砼搅拌运输车SQH5270GJBA重庆良好4自有3砼输送泵HB30夹江良好2自有4砼拌合机JS500成都良好4自有五、轨道工程施工机械1普通液压捣固机XYD-2沈阳良好2自有2液压道岔捣固机YCD-4沈阳良好1自有3液压起拔道机YQW-36昆明良好4自有4齿条起道机15t昆明良好4自有5撞轨机2米自制良好1自有6撞轨机4米自制良好1自有7液压轨缝调整器FAD-400沈阳良好2自有8轨间夯实机KM-Ⅱ昆明良好1自有9起拔道器YQB-26昆明良好2自有10电动捣固机一操一唐山良好4自有11方枕器武汉良好6自有六、通信工程施工机械1货车EQ141良好台1自有2客货车2A1046L良好台2自有3汽车起重机沪星QV-8良好台1自有4仪表车IVECO良好台1自有5地下穿孔机TDH-80良好台1自有6汽油发电机YAMAHA良好台2自有7冲击钻良好台2自有8电钻良好台2自有七、信号工程施工机械1货车EQ141良好台1自有2客货车2A1046L良好台1自有3汽油发电机EG1500良好台2自有4汽油发电机EG5000良好台1自有5电钻良好台5自有6冲击钻18mm良好台1自有7电弧钎焊机BB6688良好台1自有8切割机HQL-12-D良好台1自有9钢筋拉直机ZJ良好台1自有10钢筋切断机GJ40A良好台1自有11钢筋弯曲机GWB40良好台1自有12电焊机BX3-300良好台1自有13插入式振动器H26-50良好台1自有14双轮车良好辆5自有15顶管机TDH-80良好台1自有八、电力、电气化工程施工机械1联合冲剪切割机板厚=16MM武汉良好2自有2半自动切割机100MM武汉良好2自有3交流弧焊机30KVA武汉良好2自有4电焊机BX3-300-2武汉良好3自有5立式钻床D=25MM武汉良好2自有6煨弯机武汉良好2自有7绝缘操作杆10KV武汉良好5自有8验电器10KV武汉良好5自有9接地封线武汉良好6自有10顶管机口径121武汉良好1自有11压接钳SDQ-20常州良好2自有12绞磨襄樊良好10自有13汽车起重机东风8T襄樊良好2自有14地下管线探测仪RD-400英国良好1自有九、供电设备1变压器S9-630西安良好1自有2柴油发电机200GP扬州良好3自有十、试验、质量检测设备1全站仪TC702良好2自有2经纬仪010B良好4自有3经纬仪T2良好6自有4水准仪NA2良好10自有5精密水准仪NA200A良好2自有6铟钢尺NA2002良好2自有7地震波探测仪TSP202良好1自有8爆破测振仪5m良好4自有9数字粉尘仪P-5L良好2自有10智能复合气体检测仪MX-21良好2自有11锚杆拉拔仪ML-20良好4自有12万能试验机WE-600KN良好自有13压力机NYL-2000KN良好自有14水泥净浆搅拌机SJ-160A良好自有15水泥胶浆搅拌机JJ-5良好自有16砂浆稠度仪SG145良好自有17恒温烤箱HT-225A良好自有18砼标准养护箱SABY-40B良好自有19分析天平TG328A良好自有20电子天平1000g/10mg良好自有21架盘天平1158扬州良好2自有22电动抗折机HZY-500威海良好1自有23电动击实仪BKJ-100北京良好1自有24砼回弹仪HT-225T天津良好2自有25砂浆渗透仪SS-15天津良好1自有26电动振动筛重庆良好1自有27核子密度仪MC-3美国良好2自有28光电液塑限测定仪SYS-1良好2自有29土壤筛上虞良好1自有30K30荷载板天津良好2自有31灌砂法容重测定仪天津良好2自有32桩基动测仪RS-1616K武汉良好1自有34砼超声波探伤仪CTS-26良好1自有35收敛仪OJ-82良好1自有36渗压计HS-40良好1自有37列车速度监测仪JW431A良好1自有38轨道综合测量仪GZC-1上海良好2自有39光时域反射仪FTB-300良好2自有40光纤熔接机FSM-40S良好2自有41光源、光功率计P-0095、AC-0163良好1自有42回波损耗测试仪BRT-320A良好1自有43偏振模分析仪PMD440良好1自有44电容耦合测试仪QS-35良好1自有45低频电缆测试仪DP7311-ⅢB良好2自有465000V耐压测试仪JN-5008良好1自有47绝缘电阻测试仪NF2511A良好2自有48兆欧表25B-3良好2自有49直流单臂电桥QJ-24良好2自有50接地电阻测试仪ZC-8良好1自有51万用表MF50良好4自有52数字万用表DT830B良好4自有53SDH/PDH测试分析仪HP37717C良好1自有54光可变衰耗器AQ3140良好2自有55PCM话路特性分析仪PCM23良好1自有56数据电路接口测试仪DT-25良好1自有57地下管线探测仪RD400PXL—2良好1自有58接地电阻测试仪ZC-8良好1自有59绝缘电阻测试仪MS5202良好1自有60兆欧表ZC25B-3良好2自有61万用表DMM870良好10自有62数字万用表DT830-B良好15自有63电缆寻迹故障定位仪WY51312良好1自有64地下管线探测仪RD-400PXL2良好1自有65携带式防雷元件测试仪CLX良好1自有66相位表CX-2良好1自有67计数频率计SIC-1250良好1自有68自动组别及变比测试仪ZBC-4武汉良好2自有69直流电阻快速测试仪DIR-2武汉良好2自有70氧化锌避雷器快速测试仪MCT-1上海良好2自有71数字式直流高压试验仪SZG-60KV武汉良好2自有72泄漏电流自动测试仪XZC-1武汉良好2自有73高压直流放电棒DC-100KV武汉良好2自有74交直流两用试验变压器YD〔JZ〕3/50武汉良好3自有75试验变压器控制箱KZX-3武汉良好3自有76高压开关特性测试仪MTC-2南京良好2自有77开关接触电阻测试仪KDC-1南京良好2自有78继电保护综合测试仪JBC许昌良好2自有79数字钳形相位表QX-1武汉良好2自有80毫秒记数器MCS-5N武汉良好2自有81三相数字式移相器DYX武汉良好2自有82数字相频计DPF-30N武汉良好2自有83接地电阻测试仪DER-2571武汉良好3自有84兆欧表ZC-048-1武汉良好3自有85钳形电流表MG26武汉良好3自有86万用表DMM870武汉良好10自有87智能型互感器校验仪GCHG-3武汉良好2自有88DDG-2KA自有大电流发生器10KV武汉良好289电流负载箱FY66武汉良好2自有90标准电流互感器HL23/1武汉良好2自有91交直流电源箱YSJ-1武汉良好2自有92直流伏安表C31-VA武汉良好2自有93数字电能表DL-6243武汉良好2自有94数字电感电容表EE1-P武汉良好2自有95三相交直流电源电能表JZ-320BDJ-3AC武汉良好2自有。
附表一:拟投入本工程的主要施工设备表拟投入本工程的主要施工设备表序号机械或设备名称型号规格数量国别产地制造年份额定功率(W)生产能力用于施工部位备注备注1反铲式挖掘机PC200 1台美国1998 125KW 良好沟槽、土方开挖2砂浆搅拌机350L 3座国产1998 7.5KW 良好水泥砂浆3 混凝土振捣器插入式H26X-50 5台浙江2000 1.5KW 良好混凝土浇筑4 混凝土振捣器平板式ZB15 4台浙江2001 2.4KW 良好混凝土浇筑5 推土机履带式 2 洛阳2000 75 K 良好土方6 压路机Y212 2 上海2002 60 K 良好道路基础7各种型号水泵Φ7.5-Φ1006 杭州1.5-3.5K合格管道8钢筋调直机GT4—14 3 杭州1995 / 合格钢筋9钢筋切断机BEN-35 3 杭州1995 / 良好钢筋10 钢筋弯CUT-43 3 杭州1995 / 良好钢筋曲机11 发电机150KW 2 国产2002 150KW 优良施工整过程12人力翻斗车/ 15 苏州1996 / 良好施工整过程13震动夯实机HZ250 4 浙江1997 7.5KW 良好地基等14自卸汽车8T~12T 8 东风1995 15t 良好施工整过程15 全站仪拓普康 1 日本2001 / 良好施工整过程16 水准仪JS3 3 国产1998 / 良好施工整过程17 经纬仪J2 2 国产1999 / 良好施工整过程18 起重机TM-Z604 1 德国1999 100 K 良好桩、大树19 洒水车东风 5t 1 东风1998 50K 良好绿化20喷雾打药机维邦WB34/35B1 德国2001 7.5k 良好苗木种植21 修剪刀8 杭州2003 良好苗木种植22喷雾喷粉机PORT42370CC1 德国2001 2.5k 良好苗木种植23园林吹风机41454CC1 苏州2002 5k 良好苗木种植24增压水泵1 浙江2002 1.5k 良好苗木种植25草坪修剪机LY560系列2 北京2004 1.8 k 良好草坪26 中耕机457A 1 北京2004 3.2 k 良好绿化27高枝油锯PSZ2600 1 北京2004 2.5k 良好绿化28 反循环回旋钻机JG2-200 1 烟台1998 250 良好桩附表二:拟配备本工程的试验和检测仪器设备表拟配备本工程的试验和检测仪器设备表序号仪器设备名称型号规格数量国别产地制造年份已使用台时数用途备注1分析天平万分之一1中国2018 9 检测、试验2电子天平百分之一1中国2018 8 检测、试验3静水力学天平SJ--51中国201810.5检测、试验4 压力机NYL--200D6中国201811检测、试验5 全站仪CHYM 2中国201812检测、试验6 经纬仪J2 2中国201810检测、试验7 水准仪S1 3中国201811检测、试验附表三:劳动力计划表劳动力计划表单位:人按工程施工阶段投入的劳动力情况工种5天10天15天20天25天30天管理员8 8 8 8 8 8测量工 4 4 4 4 4 4栽植工8 8 13 25 25 25养护工8 8 12 12 12 8普工15 35 35 35 35 20驾驶员 3 5 5 25 30 30机操工14 14 14 20 20 20维修工 1 2 2 2 2 2安管工 5 15 10 10 15 10后勤安6 6 10 10 10 10保。
拟投入本工程主要施工机械设备表删除序号、设备名称、型号、使用年限和现状等表格信息,改写为简洁的文本。
本工程主要使用的机械设备包括反铲挖掘机、自卸汽车、推土机、装卸机、机动翻斗车、混凝土输送泵、塔吊、汽车吊、平板汽车、钢筋弯曲机、钢筋切断机、对焊机、镦粗直螺纹成型机、交流电焊机、高压水泵、木工圆锯机、木工压刨床、卷扬机和砂浆搅拌机等。
将表格信息改写为简洁的文本,并删除无关信息。
本工程主要使用的机械设备包括反铲挖掘机、自卸汽车、推土机、装卸机、混凝土输送泵、塔吊、汽车吊、平板汽车、钢筋弯曲机、钢筋切断机、对焊机、镦粗直螺纹成型机、交流电焊机、高压水泵、木工圆锯机、木工压刨床、卷扬机和砂浆搅拌机等。
这些机械设备将在工程施工过程中发挥重要作用。
以下为经过修改后的文章:主要机械设备清单:序号。
主要机械设备名称。
型号。
数量(台)。
产地。
制造年份1.塔式起重机。
HBT60.1.南韩。
20012.施工电梯。
TQ60/80.6.邢台。
19993.砼搅拌机。
50t。
1.沈阳。
19984.砼泵。
JN462.1.临沂。
20005.履带式挖掘机。
GJB7-40.3.武汉。
19996.轮式装载机。
GQ40-1.2.上海。
20007.自卸汽车。
UN1-100.1.洛南。
20008.交流电焊机。
Q40.1.徐州。
20019.钢筋切断机。
BX3-300.1.洛南。
199910.钢筋弯曲机。
MJ3212.4.合肥。
199911.钢筋对焊机。
MB104A。
2.太原。
199912.插入式振动器。
JJM-3.2.上海。
199913.平板式振动器。
UJ325.1.无锡。
2000备注:以上为国家制造额定功率生产的自有机械设备。
以下为拟投入的主要机械设备情况:序号。
主要机械设备名称。
型号。
数量(台)。
产地。
制造年份1.直流电焊机。
KLD65.1.郑州。
20002.半自动切割机。
T815.4.湖北。
19993.剪板机。
BX3—500.4.天津。
主要施工机械表(公路、市政) 本标段拟投入的主要施工机械如下表所示:表4-6 拟投入本标段的主要施工机械表序号设备名称型号规格产地生产年份额定功率(kW)生产能力1 平地机 PY180B 天津 2007 132 -2 推土机 TY220 东徐 2008 225 -3 振动压路机 XSM222 州自喷式洒水长车春 2009 1363.96m4 挖掘机 PC400-6 本东 2009 80 -5 平板车 EQ1150GJAC 风十 2008 228 380m³/h6 自卸车 EQ32G 堰 2007 180 22t7 间歇式沥青拌和楼 ACP4000 国徐 2007 670 8000L8 稳定粒料拌合站 WCQ300B 州德 2007 180 1.8m³/斗9 沥青摊铺机 ABG423 国徐 2008 133 15.8m10 稳定粒料摊铺机 WTU95 州山 2008 160 15t11 动压路机 YZJ10G 东徐 2008 133 320t/h12 重型轮胎压路机 XP260 州徐 2007 98.5 610t/h13 单钢轮振动路机 CA30 州美 2007 80 12.5m14 同步碎石封层车 LMT5310TFC 通山 2007 95 9.2m15 沥青乳化设备 GLR-6 备东 2007 - 6t/h16 3级碎石设备 - 备南 - - 150t/h17 自卸汽车北方奔驰头 - 2008 - 15t18 水泥混凝土拌合站 JS1500 东京 2007 150 75m³/h19 混凝土运输罐车 CJJ5220GJB 陕西 - - 8m³/h20 混凝土输送泵(扬程32m) 5260THB 州徐 2020 71 32m21 混凝土输送泵(扬程120m) HJC5660TBH 东山 2008 150 200m22 汽车吊 QY50 州天 - -23 架桥机 200t 津 - -24 数控钢筋弯箍机先锋京 - -25 数控立式钢筋弯曲中心 G2L23 京 - -26 钢筋笼滚焊机 HL6-40 京 - -27 龙门吊 - 州南 - -28 施工电梯 SCD200 京 - -29 塔吊 TCT5010-4 联徐 2008 210 -30 挂篮菱形州东 2008 308 -31 平板运输车 EQ1150GJAC 风山 2007 - -32 发电机组 HL800 东 2015 164 -以上表格是本标段拟投入的主要施工机械。
拟投入本工程的主要施工机械设备表本工程的主要施工机械设备如下:1.挖掘机:型号为R225,额定功率为350KW,生产能力良好,用于土方施工。
2.装载机:型号为2L50EX,额定功率为400KW,生产能力良好,用于土方施工。
3.砼搅拌机:型号为JZ350,额定功率为33KW,生产能力为18t/d,用于砼浇筑。
4.沙浆搅拌机:型号为JDY350,额定功率为16KW,生产能力为8t/d,用于沙浆搅拌。
5.钢筋切断机:型号为QT401-1,额定功率为16KW,生产能力为820r/d,用于钢筋加工。
6.钢筋弯曲机:型号为JWJ40,额定功率为45KW,生产能力为20m/d,用于钢筋加工。
7.钢筋对焊机:型号为UN1-25,额定功率为18KW,生产能力为30m/d,用于钢筋加工。
8.交流电焊机:型号为BX-300,额定功率为15KW,用于电器安装。
9.打夯机:型号为HW60-40,生产能力良好,用于土方夯实。
10.货车:型号为小解放,生产能力良好,用于材料运输。
11.经纬仪:型号为010B,用于测量放线。
12.水准仪:型号为SD3,用于测量放线。
13.插入振动机:型号为HZ-50,生产能力良好,用于砼浇筑。
14.卷扬机:型号为YD-500KPV,额定功率为5KW,用于钢结构吊装。
15.井吊:型号为TA,额定功率为4KW,用于钢结构工程。
16.汽车吊:型号为ZYH-100kg,额定功率为4KW,用于钢结构工程。
17.载重汽车:型号为CG1-30,额定功率为4KW,用于材料运输。
18.交流电焊机:型号为GH1,额定功率为5KW,用于钢结构工程。
19.逆变式电焊机:型号为Φ400,额定功率为5KW,用于钢结构工程。
20.二氧化碳气体保护焊:型号为Φ125,额定功率为5KW,用于钢结构工程。
21.红外线烘箱:型号为Φ100,用于焊接后的烘干处理。
22.半自动氧乙炔切割机:型号为XQB05H,用于钢结构加工。
23.多头火焰切割机:型号为Z3040,用于钢结构加工。