上海同济初级中学物理第十二章 机械能和内能单元综合测试(Word版 含答案)
- 格式:doc
- 大小:351.00 KB
- 文档页数:17
上海彭浦中学物理第十二章 机械能和内能单元综合测试(Word 版 含答案)一、初三物理第十二章 机械能和内能 易错压轴题提优(难)1.用如图甲所示装置进行实验,比较A 、B 两种不同物质的吸热能力。
在两个相同的烧瓶中分别装入初温、质量相同的A 、B 两种液体,分别接入甲、乙两段电阻丝,实验中记录下A 、B 两种液体的温度。
(1)要完成该实验探究,除了图甲中所示的器材外,还需要的测量工具有天平和______。
(2)为保证A 、B 两物质能吸收相同的热量,对甲、乙两段电阻丝的阻值要求R 甲______R 乙(选填“>”、“=”或“<”)。
(3)小明根据实验测得的数据分别描绘出了A 、B 两种液体的温度随加热时间变化的图象,如图乙所示。
若加热过程中无热量损失,由乙图分析可知______(选填“A ”或“B ”)液体的吸热能力强。
(4)若A 的比热容为34.210J/(kg C)o ⨯⋅,则B 的比热容为______J/(kg C)o ⋅。
【答案】秒表 = A 32.110⨯【解析】【分析】(1)实验中需要测量通电的时间;(2)电流产生的热量与电流的大小、通电时间和电阻的大小有关;(3)比较物质吸热能力的2种方法:①使相同质量的不同物质升高相同的温度,比较吸收的热量(即比较加热时间),吸收热量多的吸热能力强;②使相同质量的不同物质吸收相同的热量(即加热相同的时间),比较温度的变化,温度变化小的吸热能力强;(4)根据两种液体的温度随加热时间变化的图象得出加热5分钟A 、B 升高的温度,根据Q c m t=△,在质量和吸热相同的情况下升高的温度与比热容成反比,从而求出B 的比热容。
【详解】(1)[1]实验中需要测量导体通电的时间,所以需要用到秒表。
(2)[2]为保证A 、B 两物质能吸收相同的热量,根据控制变量法可知,实验中甲、乙两段电阻丝的阻值要相同。
(3)[3]根据描绘出A 、B 两种液体的温度随加热时间变化的图象知,加热相同时间,A 液体升温小,根据比较吸热能力的第2种方法,A 的吸热能力强;(4)[4]根据描绘出的A 、B 两种液体的温度随加热时间变化的图象知,加热5分钟(吸热相同),B 液体升高的温度为B 50C 10C 40C t ︒︒︒∆=-=A 液体升高的温度为A 30C 10C 20C t ︒︒︒∆=-=根据Q c m t=△可知,在质量和吸热相同的情况下,升高的温度与比热容成反比,故B 的比热容 ()()33A B A B 20J 4.210 2.11040kg J kg t c c t =⨯=⨯⨯=⨯⋅⋅℃℃℃℃ 2.为了比较水和沙子吸热的规律,某小组做了如图所示的实验:在两个相同的烧杯中,分别装有质量、初温都相同的水和沙子,用两个相同的酒精灯对其加热,实验数据记录如下表:质量/g 升温10°C 所需时间/s升温20°C 所需时间/s 升温30°C 所需时间/s 沙子 30 6492 124 水 3092 163 220(1)在此实验中用_____________表示水和沙子吸热的多少;(2)分析表中的实验数据可知:当物体温度变化量和____________相同时,水吸收的热量____________(选填“大于”或“小于”或“等于”)沙子吸收的热量;(3)请你写出比较水和沙子吸热能力的另外一种方法:__________。
九年级物理上册第十二章机械能和内能单元练习(Word版含答案)一、初三物理第十二章机械能和内能易错压轴题提优(难)1.某同学学习了燃料的热值后,自己设计了一个实验来探究煤油和菜籽油的热值大小关系。
他实验时组装了如图8所示的两套规格完全相同的装置,并每隔1分钟记录一次杯中水的温度(见下表)。
加热的时0123456间/min甲杯水温25272932343638 /℃乙杯水温25262728293031 /℃(1)在安装、调整实验器材时,科学合理的顺序是(甲图中):先调整固定______的位置,再调整固定______的位置(均选填“A”或“B”)。
(2)为保证实验结论的可靠,实验时应控制两套装置中相同的量有加热时间和水的______;(3)通过表中记录的数据,你认为煤油和菜籽油两种燃料中,热值较大的是______;(4)该同学实验前用天平测出了烧杯中水的质量及两油灯中燃料的质量并记录了数据,利用=∆计算出了水吸收的热量,他认为通过这些数据能准确地计算出煤油和菜公式Q c m t籽油的热值。
你认为他的计算结果可靠吗?______,为什么?________。
【答案】B A质量、初温煤油不可靠燃料燃烧的热量有损失(或煤油菜籽油不能完全燃烧)【解析】【分析】【详解】(1)[1][2]在安装、调整实验器材时,需要先根据酒精灯外焰调整B的高度,再根据温度计调整A的高度,所以要先固定B的位置,再调整固定A的位置。
(2)[3]为保证实验结论的可靠,实验时应控制两套装置中相同的量有:加热时间和水的质量、水的初温。
(3)[4]通过表中记录的数据可知,加热时间相同,甲杯水温上升快,故甲杯水吸收的热量多,由Q qm 放知,相同时间内煤油燃烧放出的热量多,所以煤油和菜籽油两种燃料中,热值较大的是煤油。
(4)[5][6]不可靠。
煤油、菜籽油不可能完全燃烧,且伴有热量损失,故结果不准确。
2.回顾实验和探究:比热容概念的建构器材烧杯、______相等的水和煤油、两个规格相同的电加热器、温度计、______。
九年级物理上册第十二章机械能和内能单元练习(Word版含答案)一、初三物理第十二章机械能和内能易错压轴题提优(难)1.甲同学用如图所示的实验装置探究阻力对小车运动的影响。
他在水平桌面上分别铺上毛巾、棉布、木板,让小车从斜面上的同一位置由静止滑下,在水平面上分别标记出小车停下的位置。
(1)标记③是小车在_______表面上停下的位置;(2)分析可知:水平表面越光滑,小车受到的阻力越小,速度减小得越_______。
(选填“快”或“慢”)推理可知:运动小车如果不受阻力作用,它将_______;(3)乙同学用此装置让同一小车从不同高度处滑下,均在铺有木板的水平面上滑行,发现高度越高,小车在水平面上滑行距离_______,由此可知:小车重力势能的大小与小车所处_______有关。
【答案】木板慢一直做匀速直线运动越远高度【解析】【分析】【详解】(1)[1]小车在水平桌面上所受的阻力越小,移动的距离越大,而水平桌面上铺上毛巾、棉布、木板时,小车在木板上受到的阻力最小,则移动的距离最大,故标记③是小车在木板表面上停下的位置。
(2)[2]水平表面越光滑,小车受到的阻力越小,速度减小得越慢。
[3]由以上实验探究知,小车在水平桌面上受到的阻力越小,移动的距离就越小,由此可知,运动小车如果不受阻力作用,它将一直做匀速直线运动。
(3)[4]小车从此装置的不同高度滑下,则到达水平面时的速度不同,而小车与水平面接触的粗糙程度相同,即小车所受的阻力相同,那么小车所处的高度越高,到达水平面的速度就越大,小车在水平面上滑行的距离越远。
[5]小车在斜面上的高度越高,到达水平面时的速度就越大,即动能就越大,而动能是由重力势能转化来的,那么小车的动能越大,其重力势能也越大,所以小车重力势能的大小与小车所处的高度有关。
2.小明利用图甲装置研究某燃料热值。
他取少量燃料置于燃烧皿中,测出总质量为 30g,点燃后对100g的热水加热4min立即熄灭燃料,再测得燃料和燃烧皿总质量如图乙所示,并根据实验数据绘制的水温随时间变化的图像如图丙中a线所示。
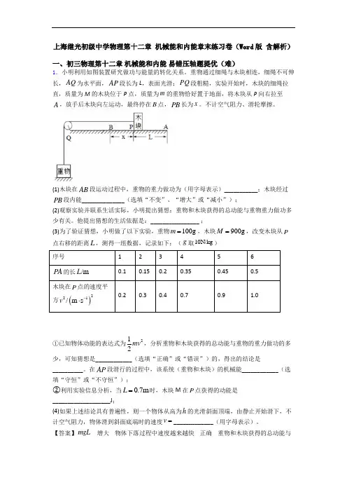
上海继光初级中学物理第十二章 机械能和内能章末练习卷(Word 版 含解析)一、初三物理第十二章 机械能和内能 易错压轴题提优(难)1.小明利用如图装置研究做功与能量的转化关系。
重物通过细绳与木块相连,细绳不可伸长,AQ 为水平面,AP 段长为L ,表面光滑;PQ 段粗糙,实验开始时,木块的细绳拉直,质量为M 的木块位于P 点,质量为m 的重物恰好置于地面,将木块从P 向右拉至A ,放手后木块向左运动,最终停在B 点,PB 长为x 。
不计空气阻力、滑轮摩擦。
(1)木块在AB 段运动过程中,重物的重力做功为(用字母表示)___________;木块经过PB 段内能______________(选填“不变”、“增大”或“减小”);(2)观察实验并联系生活实际,小明提出猜想:重物和木块获得的总动能与重物重力做功多少有关。
他提出猜想的生活依据是:________________ ;(3)为了验证猜想,小明做了以下实验,重物100g m =,木块900g M =,改变木块从P 点右移的距离L ,测得一组数据,记录如下:(g 取10N/kg ) 序号 1 2 3 4 5 6 PA 的长/m L0.1 0.15 0.2 0.35 0.45 0.5 木块在P 点的速度平方()221/m s v -⋅ 0.2 0.3 0.4 0.7 0.9 1.0①已知物体动能的表达式为212mv ,分析重物和木块获得的总动能与重物的重力做功的多少,可知猜想是____________(选填“正确”或“错误”)的,得出的结论是__________。
在AP 段滑行的过程中,该系统(重物和木块)的机械能____________(选填“守恒”或“不守恒”);②利用实验信息分析,当0.7m L =时,木块M 在P 点获得的动能是___________________J ;(4)如果上述结论具有普遍性,则一个物体从高为h 的光滑斜面顶端,由静止开始滑下,不计空气阻力,物体滑到斜面底端时的速度v =_____________(用字母表示)。
上海青云中学物理第十二章机械能和内能达标检测卷(Word版含解析)一、初三物理第十二章机械能和内能易错压轴题提优(难)1.回顾实验和探究:比热容概念的建构器材烧杯、______相等的水和煤油、两个规格相同的电加热器、温度计、______。
装置过程两只烧杯中盛有______相同的水和煤油,用电加热器加热2分钟,我们发现______温度升高的高,若升高相同的温度,______加热时间长,______吸收的热量多。
结论一定质量的某种物质,温度升高时吸收的热量与______之比,叫做这种物质的比热容,在数值上等于______质量的某种物质温度升高______所吸收的热量。
方法实验中用______来反映物质吸收的热量,这种研究方法是______。
讨论电加热器工作时,将______能转化为内能;水吸收热量,温度升高,内能发生了______。
【答案】质量秒表质量煤油水水质量和升高温度之积单位 1℃加热时间转换法电转移【解析】【分析】【详解】[1][2]所用到的器材除烧杯、质量相等的水和煤油、两个规格相同的电加热器温度计以外,还要记录测量时间用的秒表。
[3][4][5][6]两个烧杯中盛有质量相同的水和油,用电加热器加热两分钟,会发现煤油温度升高的高,如果升高相同的温度,水加热的时间长,那么可以得知水吸收的热量最多。
[7][8][9]一定质量的物质,温度升高时吸收的热量与质量和升高温度乘积之比叫做比热容,在数值上等于单位质量的某种物质温度升高1℃所吸收的热量。
[10][11]实验中用加热时间来反应物质吸收的热量,这种研究方法是转换法。
[12][13]电加热器工作时消耗了电能,将电能转化为内能,水吸收热量,温度升高,内能发生了转移。
2.探究不同物质的吸热能力(1)如图所示,在探究“不同物质的吸热能力”实验中,小雨同学在两只烧杯中装入______相同的食用油和水,用相同的酒精灯给它们加热,目的是使食用油和水在相同时间内______,从而通过______来反映吸收热量的多少;(2)小雨同学进行实验时,每隔一分钟记录食用油和水的温度,记录的实验数据如下表:升高的温度∆t/°C510152025食用油的加热时间t/min12345水的加热时间t/min246810根据实验数据可以发现______相同的不同物质,升高相同的温度,吸收的热量是______的。
九年级物理第十二章机械能和内能综合测试卷(Wgd含答案)一、初三物理第十二章机械能和内能易错压轴题提优(难)1.小明用三根材料和厚度相同但长宽不同的橡皮条、一个弹珠,探究"影响橡皮条弹性势能的因素”。
他依次将橡皮条固左在弹弓上,如图所示,在弹性限度范用内,拉伸相同的伸长量,将弹珠在同一位宜沿水平方向弹射出去,测得弹射的水平距离,数据如下表:请回答以下问题:(1) ________________________________________ 实验中是通过比较来间接反映橡皮条的弹性势能大小,下列实验中采取的方法与这一方法不同的是 ___________ (填字母)。
A.在研究影响电热大小的因素时,我们可以将电热的多少转换成液柱上升的高度B.判断电路中是否有电流时,我们可通过电路中的灯泡是否发光去确左C•研究电流时,将它比作水流(2)比较第1、2次实验可知,拉伸相同的伸长疑,橡皮条的弹性势能与橡皮条的________ 有关;比较第1、3次实验可知,拉伸相同的伸长:⅛,橡皮条的弹性势能还与橡皮条的 ______ 有关:你猜想影响橡皮条弹性势能的因素可能还有________________________ 「(3)用同种材料同厚度的橡皮条,拉伸相同的伸长量,弹性势能最大的橡皮条是A .窄而长的B .宽而长的C .窄而短的D .宽而短的(4)请你对小明的实验做出评价___________ (写岀一条即可)。
【答案】弹珠被弹射的水平距离C长度宽度橡皮条的厚度D多做几次实验,使实验结果具有普遍性【解析】【分析】【详解】(1)⑴实验通过弹珠被弹射的水平距离反映橡皮条的弹性势能大小,弹珠弹射的越远,说明皮条的弹性势能转化为弹珠的动能越多,说明皮条具有的弹性势能越多。
[2]AB.电热的多少转化为液柱上升的髙度,是否有电流转化为灯泡是否发光,应用的转化法与实验中的方法相同,故AB不符合题意;c.研究电流时,将它比作水流,是类比法,与实验中的方法不同,故C 符合题意。
上海淞谊中学物理第十二章机械能和内能单元试卷(word版含答案)一、初三物理第十二章机械能和内能易错压轴题提优(难)1.(提出问题)水和空气哪种物质的导热性能好?(猜想与假设)小明进行了如下猜想:猜想一:水的导热性能好;猜想二:空气的导热性能好(设计与进行实验)小明用两个相同的牛奶瓶,都装入热牛奶,一个放在温度与室温相同的水中,另一个放在空气中,为了尽量减少其他因素的影响,他把两个瓶都用木块垫起来,放在同一个桌面上,如上图所示,实验时他每隔一定的时间记录一次甲、乙两温度计的示数,得到的数据如下表:(实验结论)(1)分析表中数据,可得出结论:_____(评估与交流)(2)对甲、乙两个瓶中的牛奶,除了要控制它们的初温相同外,还要控制它们的_____相同(3)热牛奶放在水中温度下降是通过_____方式来_____(选填“增加”或“减少”)内能(4)进一步分析表中甲的示数,小明又发现,在冷却过程中,牛奶冷却的快慢前后并不一致,是越来越___的(实验拓展)(5)如果有一天,你要喝一杯奶茶,下列两种冷却方法中,效果较好的是_____A.将滚烫的热茶冷却5分钟,然后加适量冷牛奶B.先将适量的冷牛奶加进滚烫的热茶中,然后冷却5min(6)物理学中我们用速度来表示物体运动的快慢,若小明用“冷却速度”来表示物体冷却快慢,则“冷却速度”可定义为:质量为1千克的物体,_____叫做冷却速度【答案】在水中冷却比在空气中冷却效果要好质量热传递减少慢A单位时间内降低的温度【解析】【详解】(1)分析可知,在相同时间内水中冷却速度更快,所以在水中比空气中冷却效果更好;(2)在研究空气和水的导热性时,应该保证其它条件相同,除了水的初温外还要保证水的质量相等;(3)由于水与牛奶瓶有温度差,所以要发生热传递,即牛奶温度下降是由于热量传递减少其内能;(4)这是由于随着牛奶温度下降,周围水的温度在升高,使牛奶冷却的速度变慢,因此牛奶冷却的快慢还会受到温度的影响.所以当实验时间较长时,相同时间内牛奶降温的速度逐渐变慢,就是指冷却速率变慢.(5)根据(4)中的结论,物体冷却随时间推移是先快后慢,本质原因是温差逐渐缩小,奶茶热的时候温度下降得快,开始快后来越来越慢,开始先让它保持较高的温度,可以在五分钟内放出更多的热量,然后加入冷牛奶,利用热传递使其再次降温。
物理九年级上册第十二章机械能和内能单元达标训练题(Word版含答案)一、初三物理第十二章机械能和内能易错压轴题提优(难)1.小明家买了一台太阳能热水器,他发现真空管是太阳能热水器的核心部件,那热水器内水吸收热量的多少与什么因素有关呢?他把问题告诉物理小组的成员,大家一起做出了如下猜想:猜想一:热水器内水吸收的热量多少与环境温度有关;猜想二:热水器内水吸收的热量多少与光照强度有关;猜想三:热水器内水吸收的热量多少与真空管的材料有关。
(1)经查阅资料发现,真空管在内玻璃管的表面上涂有吸收涂层,用来吸收太阳辐射,其中太阳能属于________(选填“可再生”或“不可再生”)能源。
经阳光照射,太阳能转化成内能,水从涂层吸收热量,水温升高,质量________,密度________(后两空均选填“变大”“变小”或“不变”),热水向上运动。
(2)实验小组在两根完全相同的真空管内装入初温、质量________的水,分别面对太阳光放入光照强度相同但温度不同的环境中,经过相同时间后测量水温,发现水温几乎相等。
由此得出猜想一是______(选填正确或错误)的。
(3)小组成员联系实际,想到夏天如果没有阳光,热水器的水温就较低,而冬天如果有太阳,热水器内水温就很热,于是他们得出结论:热水器内水吸收热量的多少与光照强度________(选填“无关”或“有关”)。
(4)在探究猜想三的实验中,该小组找到了三根外形相同但材料不同的真空管,给管内灌满水,面对阳光,每隔相同的时间检测罐内水的温度,得到的实验数据如下表所示,为了更好地利用太阳能,你建议他家应选择________制成的热水器。
【答案】可再生不变变小相同错误有关紫金管【解析】【分析】【详解】(1)[1]再生能源是不需人为参与,可以循环再生的能源,如太阳能、水能、风能、潮汐能、地热能等。
[2][3]水从涂层吸收热量,水温升高,水的多少没有变化,所以睡得质量不变,但由于水吸收热量,水的体积会增大,所以水的密度会变小。
物理九年级上册 第十二章 机械能和内能单元综合测试(Word 版 含答案)一、初三物理第十二章 机械能和内能 易错压轴题提优(难)1.小明利用图甲装置研究某燃料热值。
他取少量燃料置于燃烧皿中,测出总质量为 30g ,点燃后对100g 的热水加热4min 立即熄灭燃料,再测得燃料和燃烧皿总质量如图乙所示,并根据实验数据绘制的水温随时间变化的图像如图丙中a 线所示。
(1)实验的第2-4min 的过程中,水______(选填“吸”或“不吸”热);(2)已知此过程中燃料均匀燃烧放热,所放热量仅60%能被水吸收,4min 内水吸收的热量为______J ,则该燃料的热值为 ______J/kg ;(整个过程中忽略水的质量变化) (3)若实验装置和热损失比例均不变,利用该燃料加热另一杯水,绘出了如图所示丙中b 线,则这杯水的质量______(选填“大于”、“等于”、或“小于”)上一杯水质量。
【答案】吸 5.04⨯104J 2.1⨯106J/kg 相等 【解析】 【分析】 【详解】(1)[1]由图象知,水沸腾时温度保持99℃,说明水的沸点为99℃,水沸腾的特点是:不断吸热,但温度不变;此时水面上方的气压小于一标准大气压;在第2∼4min 的过程中,水的温度不变,但内能增大。
(2)[2]水4min 吸收的热量为2min 吸收热量的2倍,水4min 吸收热量())()0433=2=2-2 4.210J kg 10010J k 9 5.90g 93410Q Q cm t t -'=⨯⨯⋅⨯⨯⨯⨯-=吸吸℃℃℃ [3]由图乙可知燃料质量30g 25.8g 4.2g m =-=由=Q Q η吸放可得燃料放出热量 Q Q η=吸放而Q mq =放,故有=Q mq η吸该燃料的热值64-3===2.110J kg4.21.0kg60%50410JQqmη⨯⨯⨯⨯吸(3)[4]由图丙可知,相同时间,两杯水吸收的热量相同,温度变化相同,根据Q=cm△t可知质量的大小相等。
物理九年级上册第十二章机械能和内能单元测试题(Word版含解析)一、初三物理第十二章机械能和内能易错压轴题提优(难)1.如图所示,甲、乙、丙图中装置完全相同,燃料的质量都是10g,烧杯内的液体初温相同。
(1)比较不同燃料的热值,应选择____两图进行实验;比较不同物质的比热容,应选择____两图进行实验;在实验中,三个烧杯中a、b液体的质量必须___(填“相等”或“不相等”);(2)在研究不同燃料热值实验时,记录数据如下表:燃料加热前液体温度/℃燃料燃尽时液体温度/℃燃料的热值/(J/kg)12040 2.4×10622030根据表中数据计算:完全燃烧20g燃料1放出的热量为_____J,燃料2的热值是____J/kg;(3)比较不同物质的比热容实验时,记录数据如下表:加热时间/min0123456液体a25262728293031液体b25272932343638可知道:对液体a和液体b都加热6min,液体a吸收热量________(选填“大于”或“小于”或“等于”),比热容较大的是__________。
【答案】甲乙甲丙相等 4.8×104 1.2×106等于液体a【解析】【分析】【详解】(1)[1]比较不同燃料的热值,应用不同的燃料给相同的液体加热,所以应选择甲乙两图进行实验。
[2]比较不同物质的比热容,应用相同的燃料给不同的液体加热,所以应选择甲丙两图进行实验。
[3]在实验中用上控制变量法进行探究,所以要探究不同燃料的热值,除了燃料种类不同,其它物理量要控制相同,即液体的种类及其质量、初温要相同;同理要探究不同物质的比热容时,除了液体种类不同,其它物理量要相同,即热源、燃料的质量要相同。
(2)[4]由表格数据知,完全燃烧20g 燃料1放出的热量Q 放=m 1q 1=0.02kg×2.4×106J/kg=4.8×104J[5]完全燃烧10g 燃料1放出的热量441 4.8101J 2J 122.410Q Q ===⨯⨯⨯放放 而甲图中,液体a 吸收的热量等于燃料燃烧放出的热量,设液体的质量为m ,据Q 吸=cm (t -t 0)得,液体a 的比热容()3041010J 22.4 1.210J ()(0)40Q Q c m t t m t t m m⨯====--⋅⨯-吸放℃℃ 乙图中,燃料燃烧放出的热量Q 放2 =Q 吸2=cm (t '-t 0')=341.210J (3020) 1.210J m m⋅-=⨯⨯⋅℃℃ 则燃料2的热值462 1.210J 1.210J/kg 0.01kgQ q m ⨯===⨯放2燃料 (3)[6][7]在甲和丙中,用相同的热源给液体加热,在相同的时间内放出的热量相同,则a 、b 液体吸收的热量相同。
上海同济初级中学物理内能单元综合测试(Word版含答案)一、初三物理内能易错压轴题(难)1.小明在学习“物质的比热容”时,取相同质量的水和沙子,用相同的酒精灯加热,测得它们升高的温度如表,并在图乙中作出沙子升高的温度随时间变化的图线.(1)用温度计测量水的初温如图甲所示,其读数为__________℃。
(2)实验中选用相同的酒精灯加热,可以认为相同时间内水和沙子__________相同.(3)请利用表中数据在图乙中作出表示水升高的温度随时间变化规律的图线。
(4)沙子在1.0~1.5min内升高的温度有明显异常,其主要原因是__________。
(5)小明再用50g水和100g水做实验,以吸收的热量Q为纵坐标,升高的温度△t为横坐标,分别画出50g水和100g水的Q-△t图象.它们都是过原点的直线,即Q=k△t.进一步分析,发现这两条直线的k值与对应水的__________之比相等。
【答案】(1)18 (2)吸收的热量(3)答案如图所示(4)没有及时用玻璃棒搅拌,使沙子受热均匀(5)质量【解析】试题分析:物体吸热升温快慢与物质的种类、物体的质量、吸热的多少等因素有关。
在实验中要比较水和沙子吸热升温快慢就需要选择相同质量的水和沙子;采用相同的加热器,可以使水和沙子在相等时间内吸收热量相等。
在实验器材中还需要搅拌棒,沙子是固体,加热时间/min0.5 1.0 1.5 2.0 2.5升高的温度/℃水 2.0 4.0 6.08.010.0沙子 4.37.915.218.421.5加热时上下沙子受热不均匀,需要不断搅拌;水是液体,加热时通过对流使其受热均匀的。
吸收热量的多少可以利用Q=cm△t 计算,水的比热是相同的,Q 与△t 是正比关系,所以画出来的是过原点的直线,利用Q=k△t 表示它们的关系时,k=cm ,c 是比热容,是一个定值,实验中改变水的质量m ,就是改变了k 的值。
考点:比较质量相等的不同物质吸热升温快慢2.为研究不同物质的吸热能力,某同学用两个完全相同的酒精灯,分别给质量和初温都相同的甲、乙两种液体同时加热,分别记录加热时间和升高的温度,根据记录的数据作出了两种液体的温度随时间变化的图像,如图所示.(1)根据图像,某同学认为:“加热相同的时间时,甲升高的温度高一些,这说明甲吸收的热量多一些.”这位同学的判断是否正确?________请说明理由:______________________________;(2)要使甲、乙升高相同的温度,应给__________加热更长的时间;(3)如果已知甲的比热容是1.8×103J/(kg·℃),则乙的比热容是_________J/(kg·℃)。
九年级上册第十二章机械能和内能单元测试卷(word版,含解析)一、初三物理第十二章机械能和内能易错压轴题提优(难)1.李华同学发现建筑工人在铺设水泥路时,有时要在水泥里面掺入少量纤维材料.他想通过实验来探究在水泥中掺入纤维材料是否会影响水泥路面的牢固程度.关于水泥路面的牢固程度与哪些因素有关,和同学们讨论后,他们提出了以下猜想:猜想1:与是否掺入纤维有关;猜想2:与纤维掺入量有关;猜想3:与纤维材料的种类有关。
经过思考后,他们利用图中装置,将铁锤通过电磁铁从某一高度处由静止释放,对水泥样品进行连续撞击,直至水泥样品断裂,收集的数据记录在下表中。
(1)铁锤撞击水泥样品时的动能是由________转化来的。
实验时通过__________________来比较水泥样品的牢固程度。
(2)比较实验序号1、2的两组数据,可得出的结论是:水泥路面的牢固程度与是否掺入纤维________(选填“有关”或“无关”)。
(3)比较序号2、3、4三组数据,可得出的结论是:在水泥中掺入适量纤维时,掺入纤维材料越多,水泥路面越________(选填“牢固”或“不牢固”)。
(4)比较序号2、5、6的三组数据,________(选填能或不能)比较得出:在水泥中掺入等量不同纤维材料,掺入C纤维材料水泥路面最牢固,你判断的理由是______(5)为缩短上述样品的实验时间,需减少碰撞次数,可采用的方法是_____【答案】重力势能水泥样品断裂时所承受的撞击次数有关牢固能在水泥中掺入C 纤维材料,水泥样品断裂时所承受的撞击次数最多,说明该水泥路面最牢固增加铁锤下落时的高度或增加铁锤质量【解析】【分析】【详解】(1)[1]铁锤下落过程中,重力势能转化为动能,所以铁锤撞击水泥样品时的动能由重力势能转化而来。
[2]实验通过水泥样品断裂时所承受的撞击次数反映水泥样品的牢固程度。
断裂时承受的撞击次数越多水泥样品越牢固。
(2)[3]比较实验序号1、2的两组数据,水泥样品厚度、水泥样品面积、铁锤高度相同,但第一次实验不参入纤维,第二次实验参入纤维,第二次承受的撞击次数多,可知水泥路面的牢固程度与是否掺入纤维有关。
上海市八初级中学物理第十二章 机械能和内能单元达标训练题(Word 版 含答案)一、初三物理第十二章 机械能和内能 易错压轴题提优(难)1.小明利用图甲装置研究某燃料热值。
他取少量燃料置于燃烧皿中,测出总质量为 30g ,点燃后对100g 的热水加热4min 立即熄灭燃料,再测得燃料和燃烧皿总质量如图乙所示,并根据实验数据绘制的水温随时间变化的图像如图丙中a 线所示。
(1)实验的第2-4min 的过程中,水______(选填“吸”或“不吸”热);(2)已知此过程中燃料均匀燃烧放热,所放热量仅60%能被水吸收,4min 内水吸收的热量为______J ,则该燃料的热值为 ______J/kg ;(整个过程中忽略水的质量变化)(3)若实验装置和热损失比例均不变,利用该燃料加热另一杯水,绘出了如图所示丙中b 线,则这杯水的质量______(选填“大于”、“等于”、或“小于”)上一杯水质量。
【答案】吸 5.04⨯104J 2.1⨯106J/kg 相等【解析】【分析】【详解】(1)[1]由图象知,水沸腾时温度保持99℃,说明水的沸点为99℃,水沸腾的特点是:不断吸热,但温度不变;此时水面上方的气压小于一标准大气压;在第2∼4min 的过程中,水的温度不变,但内能增大。
(2)[2]水4min 吸收的热量为2min 吸收热量的2倍,水4min 吸收热量())()0433=2=2-2 4.210J kg 10010J k 9 5.90g 93410Q Q cm t t -'=⨯⨯⋅⨯⨯⨯⨯-=吸吸℃℃℃ [3]由图乙可知燃料质量 30g 25.8g 4.2g m =-=由=Q Q η吸放可得燃料放出热量 Q Q η=吸放而Q mq =放,故有=Q mq η吸该燃料的热值64-3===2.110J kg 4.21.0kg 60%50410J Q q m η⨯⨯⨯⨯吸 (3)[4]由图丙可知,相同时间,两杯水吸收的热量相同,温度变化相同,根据Q=cm △t 可知质量的大小相等。
上海所在地区物理第十二章 机械能和内能单元测试卷(解析版)一、初三物理第十二章 机械能和内能 易错压轴题提优(难)1.小明利用如图装置研究做功与能量的转化关系。
重物通过细绳与木块相连,细绳不可伸长,AQ 为水平面,AP 段长为L ,表面光滑;PQ 段粗糙,实验开始时,木块的细绳拉直,质量为M 的木块位于P 点,质量为m 的重物恰好置于地面,将木块从P 向右拉至A ,放手后木块向左运动,最终停在B 点,PB 长为x 。
不计空气阻力、滑轮摩擦。
(1)木块在AB 段运动过程中,重物的重力做功为(用字母表示)___________;木块经过PB 段内能______________(选填“不变”、“增大”或“减小”);(2)观察实验并联系生活实际,小明提出猜想:重物和木块获得的总动能与重物重力做功多少有关。
他提出猜想的生活依据是:________________ ;(3)为了验证猜想,小明做了以下实验,重物100g m =,木块900g M =,改变木块从P 点右移的距离L ,测得一组数据,记录如下:(g 取10N/kg ) 序号 1 2 3 4 5 6 PA 的长/m L0.1 0.15 0.2 0.35 0.45 0.5 木块在P 点的速度平方()221/m s v -⋅ 0.2 0.3 0.4 0.7 0.9 1.0①已知物体动能的表达式为212mv ,分析重物和木块获得的总动能与重物的重力做功的多少,可知猜想是____________(选填“正确”或“错误”)的,得出的结论是__________。
在AP 段滑行的过程中,该系统(重物和木块)的机械能____________(选填“守恒”或“不守恒”);②利用实验信息分析,当0.7m L =时,木块M 在P 点获得的动能是___________________J ;(4)如果上述结论具有普遍性,则一个物体从高为h 的光滑斜面顶端,由静止开始滑下,不计空气阻力,物体滑到斜面底端时的速度v =_____________(用字母表示)。
九年级上册物理第十二章机械能和内能单元综合测试(Word版含答案)一、初三物理第十二章机械能和内能易错压轴题提优(难)1.某兴趣小组将一张硬卡片对折,在开口的一边剪两个小豁口A和B,然后套上橡皮筋,做成了一个会跳的卡片(如图所示)。
为了探究卡片跳起的高度与哪些因素有关,该兴趣小组提出了以下猜想:A.与卡片的质量有关B.与橡皮筋的形变量有关C.与橡皮筋的条数有关为了验证猜想,小组选用几根相同的橡皮筋和几张相同的卡片进行实验。
(1)小明将图中的卡片反过来,把它放在桌面上用手向下压,使橡皮筋伸长,迅速松开手,观察到的现象是________,这个现象说明:发生弹性形变的橡皮筋能对卡片________,因此它具有________能。
(2)为了探究卡片跳起高度与质量是否有关,应选择质量不同的卡片,控制其他实验条件相同,操作中将卡片反过来,每次把它在桌面上用手压平的目的是____________________________,实验中若观察到不同质量的卡片跳起的高度不同,则说明跳起高度与质量________(选填有关或无关)。
(3)探究卡片跳起高度与橡皮筋形变量是否有关,请你为该小组提供使橡皮筋的形变量不同的两种方法:①____________;②____________。
【答案】卡片跳起做功弹性势使每次橡皮筋的形变量相同有关分别压两个卡片时将一个卡片压平,另一个不压平使小豁口A、B的间距不相同【解析】【分析】【详解】(1)[1]橡皮筋伸长说明橡皮筋发生了弹性形变,发生弹性形变的物体想要恢复原状,就会对使它发生形变的物体施加力的作用,所以橡皮筋对硬卡片施加力,使它弹起。
[2]橡皮筋对卡片施加力,卡片弹起即在力的方向上运动了,所以橡皮筋对卡片做功。
[3]做功会引起能量的转化,橡皮筋的弹性势能转化为卡片的动能,因此橡皮筋具有弹性势能。
(2)[4]探究跳起的高度与质量是否有关,应选择质量不同的卡片,控制其它的实验条件相同,操作中将卡片反过来,根据控制变量法,每次把它在桌面上用手压平的目的是控制橡皮筋的形变量相同。
物理九年级上册第十二章机械能和内能综合测试卷(word含答案)一、初三物理第十二章机械能和内能易错压轴题提优(难)1.(提出问题)水和空气哪种物质的导热性能好?(猜想与假设)小明进行了如下猜想:猜想一:水的导热性能好;猜想二:空气的导热性能好(设计与进行实验)小明用两个相同的牛奶瓶,都装入热牛奶,一个放在温度与室温相同的水中,另一个放在空气中,为了尽量减少其他因素的影响,他把两个瓶都用木块垫起来,放在同一个桌面上,如上图所示,实验时他每隔一定的时间记录一次甲、乙两温度计的示数,得到的数据如下表:(实验结论)(1)分析表中数据,可得出结论:_____(评估与交流)(2)对甲、乙两个瓶中的牛奶,除了要控制它们的初温相同外,还要控制它们的_____相同(3)热牛奶放在水中温度下降是通过_____方式来_____(选填“增加”或“减少”)内能(4)进一步分析表中甲的示数,小明又发现,在冷却过程中,牛奶冷却的快慢前后并不一致,是越来越___的(实验拓展)(5)如果有一天,你要喝一杯奶茶,下列两种冷却方法中,效果较好的是_____A.将滚烫的热茶冷却5分钟,然后加适量冷牛奶B.先将适量的冷牛奶加进滚烫的热茶中,然后冷却5min(6)物理学中我们用速度来表示物体运动的快慢,若小明用“冷却速度”来表示物体冷却快慢,则“冷却速度”可定义为:质量为1千克的物体,_____叫做冷却速度【答案】在水中冷却比在空气中冷却效果要好质量热传递减少慢A单位时间内降低的温度【解析】【详解】(1)分析可知,在相同时间内水中冷却速度更快,所以在水中比空气中冷却效果更好;(2)在研究空气和水的导热性时,应该保证其它条件相同,除了水的初温外还要保证水的质量相等;(3)由于水与牛奶瓶有温度差,所以要发生热传递,即牛奶温度下降是由于热量传递减少其内能;(4)这是由于随着牛奶温度下降,周围水的温度在升高,使牛奶冷却的速度变慢,因此牛奶冷却的快慢还会受到温度的影响.所以当实验时间较长时,相同时间内牛奶降温的速度逐渐变慢,就是指冷却速率变慢.(5)根据(4)中的结论,物体冷却随时间推移是先快后慢,本质原因是温差逐渐缩小,奶茶热的时候温度下降得快,开始快后来越来越慢,开始先让它保持较高的温度,可以在五分钟内放出更多的热量,然后加入冷牛奶,利用热传递使其再次降温。
上海同济初级中学物理第十二章机械能和内能单元综合测试(Word版含答案)一、初三物理第十二章机械能和内能易错压轴题提优(难)1.(提出问题)水和空气哪种物质的导热性能好?(猜想与假设)小明进行了如下猜想:猜想一:水的导热性能好;猜想二:空气的导热性能好(设计与进行实验)小明用两个相同的牛奶瓶,都装入热牛奶,一个放在温度与室温相同的水中,另一个放在空气中,为了尽量减少其他因素的影响,他把两个瓶都用木块垫起来,放在同一个桌面上,如上图所示,实验时他每隔一定的时间记录一次甲、乙两温度计的示数,得到的数据如下表:(实验结论)(1)分析表中数据,可得出结论:_____(评估与交流)(2)对甲、乙两个瓶中的牛奶,除了要控制它们的初温相同外,还要控制它们的_____相同(3)热牛奶放在水中温度下降是通过_____方式来_____(选填“增加”或“减少”)内能(4)进一步分析表中甲的示数,小明又发现,在冷却过程中,牛奶冷却的快慢前后并不一致,是越来越___的(实验拓展)(5)如果有一天,你要喝一杯奶茶,下列两种冷却方法中,效果较好的是_____A.将滚烫的热茶冷却5分钟,然后加适量冷牛奶B.先将适量的冷牛奶加进滚烫的热茶中,然后冷却5min(6)物理学中我们用速度来表示物体运动的快慢,若小明用“冷却速度”来表示物体冷却快慢,则“冷却速度”可定义为:质量为1千克的物体,_____叫做冷却速度【答案】在水中冷却比在空气中冷却效果要好质量热传递减少慢A单位时间内降低的温度【解析】【详解】(1)分析可知,在相同时间内水中冷却速度更快,所以在水中比空气中冷却效果更好;(2)在研究空气和水的导热性时,应该保证其它条件相同,除了水的初温外还要保证水的质量相等;(3)由于水与牛奶瓶有温度差,所以要发生热传递,即牛奶温度下降是由于热量传递减少其内能;(4)这是由于随着牛奶温度下降,周围水的温度在升高,使牛奶冷却的速度变慢,因此牛奶冷却的快慢还会受到温度的影响.所以当实验时间较长时,相同时间内牛奶降温的速度逐渐变慢,就是指冷却速率变慢.(5)根据(4)中的结论,物体冷却随时间推移是先快后慢,本质原因是温差逐渐缩小,奶茶热的时候温度下降得快,开始快后来越来越慢,开始先让它保持较高的温度,可以在五分钟内放出更多的热量,然后加入冷牛奶,利用热传递使其再次降温。
故选A;(6)根据题意可定义冷却速度为:质量为1千克的物体在单位时间内降低的温度。
2.小明家买了一台太阳能热水器,他发现真空管是太阳能热水器的核心部件,那热水器内水吸收热量的多少与什么因素有关呢?他把问题告诉物理小组的成员,大家一起做出了如下猜想:猜想一:热水器内水吸收的热量多少与环境温度有关;猜想二:热水器内水吸收的热量多少与光照强度有关;猜想三:热水器内水吸收的热量多少与真空管的材料有关。
(1)经查阅资料发现,真空管在内玻璃管的表面上涂有吸收涂层,用来吸收太阳辐射,其中太阳能属于________(选填“可再生”或“不可再生”)能源。
经阳光照射,太阳能转化成内能,水从涂层吸收热量,水温升高,质量________,密度________(后两空均选填“变大”“变小”或“不变”),热水向上运动。
(2)实验小组在两根完全相同的真空管内装入初温、质量________的水,分别面对太阳光放入光照强度相同但温度不同的环境中,经过相同时间后测量水温,发现水温几乎相等。
由此得出猜想一是______(选填正确或错误)的。
(3)小组成员联系实际,想到夏天如果没有阳光,热水器的水温就较低,而冬天如果有太阳,热水器内水温就很热,于是他们得出结论:热水器内水吸收热量的多少与光照强度________(选填“无关”或“有关”)。
(4)在探究猜想三的实验中,该小组找到了三根外形相同但材料不同的真空管,给管内灌满水,面对阳光,每隔相同的时间检测罐内水的温度,得到的实验数据如下表所示,为了更好地利用太阳能,你建议他家应选择________制成的热水器。
【答案】可再生不变变小相同错误有关紫金管【解析】【分析】【详解】(1)[1]再生能源是不需人为参与,可以循环再生的能源,如太阳能、水能、风能、潮汐能、地热能等。
[2][3]水从涂层吸收热量,水温升高,水的多少没有变化,所以睡得质量不变,但由于水吸收热量,水的体积会增大,所以水的密度会变小。
(2)[4]实验要探究热水器内水吸收的热量多少与光照强度、环境温度、真空管的材料等因素的关系,要控制真空管内水的初温、质量相同。
[5]其它条件相同,而环境温度不同时,经过相同时间后水温几乎相等,说明热水器内水吸收的热量多少与环境温度无关。
说明“猜想一”是错误的。
(3)[6]夏天如果没有阳光,热水器的水温就较低,而冬天如果有太阳,热水器内水温就很热,说明热水器内水吸收热量的多少与光照强度有关。
(3)[7]通过实验数据可知,在日照时间相同时,紫金管温度变化量大,所以应选择紫金管制成的热水器。
3.某兴趣小组将一张硬卡片对折,在开口的一边剪两个小豁口A和B,然后套上橡皮筋,做成了一个会跳的卡片(如图所示)。
为了探究卡片跳起的高度与哪些因素有关,该兴趣小组提出了以下猜想:A.与卡片的质量有关B.与橡皮筋的形变量有关C.与橡皮筋的条数有关为了验证猜想,小组选用几根相同的橡皮筋和几张相同的卡片进行实验。
(1)小明将图中的卡片反过来,把它放在桌面上用手向下压,使橡皮筋伸长,迅速松开手,观察到的现象是________,这个现象说明:发生弹性形变的橡皮筋能对卡片________,因此它具有________能。
(2)为了探究卡片跳起高度与质量是否有关,应选择质量不同的卡片,控制其他实验条件相同,操作中将卡片反过来,每次把它在桌面上用手压平的目的是____________________________,实验中若观察到不同质量的卡片跳起的高度不同,则说明跳起高度与质量________(选填有关或无关)。
(3)探究卡片跳起高度与橡皮筋形变量是否有关,请你为该小组提供使橡皮筋的形变量不同的两种方法:①____________;②____________。
【答案】卡片跳起做功弹性势使每次橡皮筋的形变量相同有关分别压两个卡片时将一个卡片压平,另一个不压平使小豁口A、B的间距不相同【解析】【分析】【详解】(1)[1]橡皮筋伸长说明橡皮筋发生了弹性形变,发生弹性形变的物体想要恢复原状,就会对使它发生形变的物体施加力的作用,所以橡皮筋对硬卡片施加力,使它弹起。
[2]橡皮筋对卡片施加力,卡片弹起即在力的方向上运动了,所以橡皮筋对卡片做功。
[3]做功会引起能量的转化,橡皮筋的弹性势能转化为卡片的动能,因此橡皮筋具有弹性势能。
(2)[4]探究跳起的高度与质量是否有关,应选择质量不同的卡片,控制其它的实验条件相同,操作中将卡片反过来,根据控制变量法,每次把它在桌面上用手压平的目的是控制橡皮筋的形变量相同。
[5]实验中若观察到不同质量的卡片跳起的高度不同,则说明跳起高度与质量有关。
(3)[6][7]使橡皮筋的形变量,可以压两个卡片时将一个卡片压平,另一个不压平或者使小豁口A、B的间距不相同。
4.某同学学习了燃料的热值后,自己设计了一个实验来探究煤油和菜籽油的热值大小关系。
他实验时组装了如图8所示的两套规格完全相同的装置,并每隔1分钟记录一次杯中水的温度(见下表)。
加热的时0123456间/min甲杯水温25272932343638 /℃乙杯水温25262728293031 /℃(1)在安装、调整实验器材时,科学合理的顺序是(甲图中):先调整固定______的位置,再调整固定______的位置(均选填“A”或“B”)。
(2)为保证实验结论的可靠,实验时应控制两套装置中相同的量有加热时间和水的______;(3)通过表中记录的数据,你认为煤油和菜籽油两种燃料中,热值较大的是______;(4)该同学实验前用天平测出了烧杯中水的质量及两油灯中燃料的质量并记录了数据,利用公式Q c m t =∆计算出了水吸收的热量,他认为通过这些数据能准确地计算出煤油和菜籽油的热值。
你认为他的计算结果可靠吗?______,为什么?________。
【答案】B A 质量、初温 煤油 不可靠 燃料燃烧的热量有损失(或煤油菜籽油不能完全燃烧)【解析】【分析】【详解】(1)[1][2]在安装、调整实验器材时,需要先根据酒精灯外焰调整B 的高度,再根据温度计调整A 的高度,所以要先固定B 的位置,再调整固定A 的位置。
(2)[3]为保证实验结论的可靠,实验时应控制两套装置中相同的量有:加热时间和水的质量、水的初温。
(3)[4]通过表中记录的数据可知,加热时间相同,甲杯水温上升快,故甲杯水吸收的热量多,由Q qm =放知,相同时间内煤油燃烧放出的热量多,所以煤油和菜籽油两种燃料中,热值较大的是煤油。
(4)[5][6]不可靠。
煤油、菜籽油不可能完全燃烧,且伴有热量损失,故结果不准确。
5.如图所示,甲、乙和丙三图中装置完全相同。
燃料的质量都是10g ,烧杯内的液体质量和初温也相同。
(1)在“探究不同物质吸热升温的现象”实验中:①如图丁是甲、丙装置中a 、b 两种液体吸热后温度随时间变化的图象,由图可以看出,______液体的比热容较大:②小明再用50g 水和100g 水做实验,以吸收的热量Q 为纵坐标,升高的温度t ∆为横坐标,分别画出50g 和100g 水的-Q t ∆图象,它们都是过原点的直线,即Q k t =∆,进一步分析发现,这两条直线的k 值之比与对应水的______之比相等(选填“密度”或“质量”);(2)在“比较不同燃料燃烧时放出的热量”实验中:①应选择______两图进行实验,燃料完全燃烧放出的热量的多少是通过______(选填“温度”或“加热时间”)来反应的;②若想利用上述装置估测燃料的热值,那么还需要补充的仪器是______,利用此实验方法计算出的热值将比真实值偏______;③该实验在取燃料和水时都要注意适量,否则不利于得出实验结论。
当燃料质量一定时,所取水量不能过少的原因是:______。
【答案】b 质量 甲乙 温度 天平 小 水会沸腾,温度不变,不便于比较【解析】【分析】【详解】(1)[1]质量和初始温度均相同的a 、b 两种液体,升高相同的温度,b 的加热时间长,则b 的吸热能力强,比热容大。
[2]根据Q cm Δt =可知,Q k t =∆中的k cm =,则有11k cm =,22k cm =,故111222k cm m k cm m == 即这两条直线的k 值与对应水的质量之比相等。
(2)[3][4]比较不同燃料的燃烧值,要用不同的燃料,加热质量相同的同一种液体,故应选择甲乙两图进行实验,通过温度的变化来反映的;温度计示数变化越大,表明吸收的热量越多,即该物质放出的热量多,热值大。